普通钢筋强度标准值图文稿
- 格式:docx
- 大小:40.13 KB
- 文档页数:2
钢筋强度标准值钢筋是建筑施工中一种重要的材料,用来增加结构的强度,保证建筑结构的稳定性和安全性。
因此,钢筋强度标准及其实施,对于基本结构建设,特别是重要构件建设,起到了至关重要的作用。
钢筋强度标准分为钢筋建筑钢钢筋、地下钢筋和海洋钢筋三种,并根据材料的性能差异而分为不同的等级。
按照《钢结构设计规范》的规定,建筑钢筋根据其屈服强度的大小分为四种等级:抗拉强度等于375MPa的钢筋等级F4级,抗拉强度等于500MPa的钢筋等级F5级,抗拉强度等于600MPa的钢筋等级F6级,抗拉强度等于700MPa的钢筋等级F7级。
建筑钢筋在使用过程中要根据其承载能力进行分类,其具体标准取决于结构荷载的大小。
例如,在一般建筑工程中,钢束抗压强度一般不小于345MPa,抗拉强度一般不小于420MPa。
另外,建筑钢束对冷弯和冷弯剪切的耐久性也是一个重要考虑因素,风暴、振动、错动等也要考虑在内。
地下钢筋根据其使用场合的不同,等级也有所不同。
按照《埋地钢筋技术规程》规定,地下钢筋分为常规钢筋、防腐钢筋和抗酸碱钢筋等,根据抗拉强度大小分为A3级、A4级、A5级和A6级。
其中,A3级抗拉强度等于406MPa,A4级抗拉强度等于555MPa,A5级抗拉强度等于650MPa,A6级抗拉强度等于755MPa。
海洋钢筋的分类标准也与其使用场合有关。
按照国家标准,海洋钢筋按其特殊性能分类,有一般钢筋、耐腐蚀钢筋和耐热钢筋;根据其强度分类,分为B1级(抗拉强度等于345MPa)、B2级(抗拉强度等于490MPa)和B3级(抗拉强度等于650MPa)三种。
钢筋强度标准是钢筋使用过程中非常重要的参考,因此在施工过程中必须严格按照标准规定使用,以确保建筑安全寿命。
在钢筋构配、混凝土浇筑前,还必须进行强度检测,确保其抗拉强度满足相应的要求,以保证建筑安全可靠。
综上所述,钢筋强度标准对于建筑施工非常重要,施工人员在使用钢筋的时候,必须仔细区分产品的等级,根据实际工程需求进行对比,及时对钢筋进行强度检测,以保证建筑施工安全可靠。
普通冷轧带肋钢筋的抗拉及抗压强度设计值介绍普通冷轧带肋钢筋的抗拉强度设计值fy 及抗压强度设计值f′y钢筋混凝土用普通冷轧带肋钢筋强度设计值(N/mm2)注:普通冷轧带肋钢筋用作受剪、受扭、受冲切承载力计算时,其强度设计值应按不大于360N/mm2取用。
大规范增加500MPa后,裂缝放宽了。
但工程中混凝土强度等级没有提高,多层C20,小高层C25、C30,少数C40。
实际上会不会造成裂缝多而宽。
预应力混凝土用预应力冷轧带肋钢筋强度设计值(N/mm2)对于钢筋混凝土用的普通冷轧带肋钢筋(CRB550、CRB600H)的设计强度取值仍按原规程的规定,即强度标准值除以1.25材料分项系数,取整后确定的。
对于550级钢筋设计强度较原规程提高10%多。
主要考虑近些年高线盘条可大量供应,厂家的轧制工艺水平有所提高。
而且为了进一步提高冷轧带肋钢筋的质量水平,正在编制专用盘条标准《冷轧带肋钢筋用盘条》。
再有,新国标GB13788-2008已将550级钢筋的屈服强度值作适当提高。
国外冷轧带肋钢筋的强度设计值均为屈服强度除以材料分项系数后取整确定的,强度设计值一般不低于415N/mm2。
本规程取强度设计值为400(或415)N/mm2,相当材料分项系数为1.25,照比国外取的材料分项系数1.15~1.20,仍然偏高,偏于安全。
现将国外几个发达国家与国际组织标准对冷轧带肋钢筋的强度取值列表如下:冷轧带肋钢筋强度取值预应力冷轧带肋钢筋的强度设计值仍按原规程的规定,即强度标准值除以1.5材料分项系数取整后确定的。
钢筋抗压强度设计值(f’y或f’p y)的取值原则仍以钢筋压应变ε’s= 0.002作为取值条件,并按f’y=ε’s E和f’y= f y二者的较小值确定。
冷轧螺纹钢强度标准值的说明冷轧带肋钢筋的强度标准值应具有不小于95%的保证率。
钢筋混凝土用冷轧带肋钢筋、预应力混凝土用冷轧带肋钢筋的强度标准值分别根据屈服强度、抗拉强度确定.钢筋混凝土用冷轧带肋钢筋强度标准值(N/mm2)表3.1.3-2 预应力混凝土用冷轧带肋钢筋强度标准值(N/mm2)f yk为有屈服台阶的屈服强度。
普通钢筋强度标准值普通钢筋的强度标准值是指在一定条件下,钢筋所能承受的最大拉力或压力。
根据国家相关标准,普通钢筋的强度标准值一般分为屈服强度和抗拉强度两种。
屈服强度是指在拉伸试验中,钢筋开始产生塑性变形的拉力值;而抗拉强度则是指在拉伸试验中,钢筋抗拉断的最大拉力值。
根据我国现行的《混凝土结构设计规范》(GB 50010-2010)的相关规定,普通钢筋的屈服强度标准值应符合国家标准GB/T 1499.2-2007《钢筋混凝土用热轧带肋钢筋》的要求。
在设计和施工中,需要根据具体工程的要求和实际情况,选择合适的钢筋型号和规格,以确保混凝土结构的安全性和可靠性。
此外,普通钢筋的抗拉强度标准值也是非常重要的参数。
根据国家标准,普通钢筋的抗拉强度标准值应符合国家标准GB/T 1499.2-2007《钢筋混凝土用热轧带肋钢筋》的要求。
在实际工程中,需要根据混凝土结构的受力情况和设计要求,选择合适的钢筋型号和规格,以确保混凝土结构在受力时能够满足强度要求,保证结构的安全性和可靠性。
总的来说,普通钢筋的强度标准值是混凝土结构设计和施工中非常重要的参数。
设计和施工单位在选择和使用钢筋时,必须严格按照国家相关标准的要求进行,以确保混凝土结构的安全性和可靠性。
同时,对于普通钢筋的质量和性能,也需要加强监督和检验,以保证钢筋的质量符合标准要求,为混凝土结构的安全使用提供保障。
在实际工程中,设计和施工单位应当充分了解和掌握国家相关标准的要求,严格按照标准进行选择和使用钢筋,确保混凝土结构的安全性和可靠性。
同时,对于钢筋的质量和性能,也需要加强监督和检验,以确保钢筋的质量符合标准要求,为混凝土结构的安全使用提供保障。
总的来说,普通钢筋的强度标准值是混凝土结构设计和施工中不可忽视的重要参数。
设计和施工单位必须严格按照国家相关标准的要求进行选择和使用钢筋,加强监督和检验,以确保混凝土结构的安全性和可靠性。
只有这样,才能保证混凝土结构在使用过程中不会出现安全隐患,为人们的生命和财产安全提供保障。
一到四级钢筋强度一、一级钢筋强度一级钢筋是指强度等级为I级的钢筋,其抗拉强度为335MPa。
一级钢筋通常用于一些不要求高强度的建筑结构中,例如一些普通住宅、小型厂房等。
一级钢筋强度适中,价格相对较低,是常用的建筑材料之一。
在建筑结构中,一级钢筋通常用于混凝土的配筋中。
混凝土是一种由水泥、骨料、粉煤灰等材料经过搅拌、浇注、养护而成的人工石材,钢筋则是用来增加混凝土的抗拉强度,提高整体结构的稳定性和承载能力。
二、二级钢筋强度二级钢筋是指强度等级为II级的钢筋,其抗拉强度为400MPa。
相比一级钢筋,二级钢筋具有更高的强度和承载能力。
二级钢筋通常用于要求较高强度的建筑结构中,例如高层建筑、大型桥梁等。
二级钢筋的使用范围较广,可以用于各种建筑结构中的混凝土配筋,如梁、柱、板等。
通过在混凝土结构中加入二级钢筋,可以有效提高结构的抗震性能和整体强度,确保建筑物的安全性和稳定性。
三、三级钢筋强度三级钢筋是指强度等级为III级的钢筋,其抗拉强度为500MPa。
三级钢筋具有更高的强度和承载能力,适用于一些对结构强度要求较高的建筑工程,如大型工业厂房、高速公路桥梁等。
三级钢筋可以用于各种混凝土结构中,尤其是那些需要承受较大荷载和较高抗震性能的部位,如主梁、主柱等。
通过使用三级钢筋,可以增加混凝土结构的强度和稳定性,提高整体结构的抗震能力。
四、四级钢筋强度四级钢筋是指强度等级为IV级的钢筋,其抗拉强度为600MPa。
四级钢筋是一种高强度钢筋,通常用于对结构强度要求极高的建筑工程,如大跨度桥梁、超高层建筑等。
四级钢筋的使用范围相对较窄,一般只用于特殊工程中的关键部位,如耐火混凝土结构、核电站、大型水利工程等。
四级钢筋的高强度和优异的力学性能,使得结构可以承受更大的荷载和更严酷的环境条件,确保工程的安全可靠性。
总结:钢筋是建筑结构中常用的一种材料,不同强度等级的钢筋适用于不同的建筑工程。
一级钢筋强度适中,常用于普通建筑;二级钢筋具有较高的强度,适用于高层建筑;三级钢筋强度更高,适用于大型工业厂房;四级钢筋强度最高,适用于特殊工程。
普通冷轧带肋钢筋的抗拉及抗压强度设计值介绍普通冷轧带肋钢筋的抗拉强度设计值fy 及抗压强度设计值f′y钢筋混凝土用普通冷轧带肋钢筋强度设计值(N/mm2)注:普通冷轧带肋钢筋用作受剪、受扭、受冲切承载力计算时,其强度设计值应按不大于360N/mm2取用。
大规范增加500MPa后,裂缝放宽了。
但工程中混凝土强度等级没有提高,多层C20,小高层C25、C30,少数C40。
实际上会不会造成裂缝多而宽。
预应力混凝土用预应力冷轧带肋钢筋强度设计值(N/mm2)对于钢筋混凝土用的普通冷轧带肋钢筋(CRB550、CRB600H)的设计强度取值仍按原规程的规定,即强度标准值除以1.25材料分项系数,取整后确定的。
对于550级钢筋设计强度较原规程提高10%多。
主要考虑近些年高线盘条可大量供应,厂家的轧制工艺水平有所提高。
而且为了进一步提高冷轧带肋钢筋的质量水平,正在编制专用盘条标准《冷轧带肋钢筋用盘条》。
再有,新国标GB13788-2008已将550级钢筋的屈服强度值作适当提高。
国外冷轧带肋钢筋的强度设计值均为屈服强度除以材料分项系数后取整确定的,强度设计值一般不低于415N/mm2。
本规程取强度设计值为400(或415)N/mm2,相当材料分项系数为1.25,照比国外取的材料分项系数1.15~1.20,仍然偏高,偏于安全。
现将国外几个发达国家与国际组织标准对冷轧带肋钢筋的强度取值列表如下:冷轧带肋钢筋强度取值预应力冷轧带肋钢筋的强度设计值仍按原规程的规定,即强度标准值除以1.5材料分项系数取整后确定的。
钢筋抗压强度设计值(f’y或f’p y)的取值原则仍以钢筋压应变ε’s= 0.002作为取值条件,并按f’y=ε’s E和f’y= f y二者的较小值确定。
冷轧螺纹钢强度标准值的说明冷轧带肋钢筋的强度标准值应具有不小于95%的保证率。
钢筋混凝土用冷轧带肋钢筋、预应力混凝土用冷轧带肋钢筋的强度标准值分别根据屈服强度、抗拉强度确定.钢筋混凝土用冷轧带肋钢筋强度标准值(N/mm2)表3.1.3-2 预应力混凝土用冷轧带肋钢筋强度标准值(N/mm2)f yk为有屈服台阶的屈服强度。
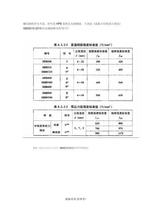
螺纹钢的符号不是,符号是HPB是热扎光圆钢筋。
下表是《混凝土结构设计规范》GB50010-2010给出钢筋牌号的“符号”:
再看《混凝土结构设计规范》GB50010-2010对“符号”的说法:
再说建筑常用钢材HPB 、HRB 、RRB各字母代表什么意思?字母后面所带的300、335、400、500代表什?那英文字母缩写是什么意思?
意思:
HPB是热扎光圆钢筋的英文(Hot rolled Plain Bars)缩写。
300表示屈服强度为300MPa。
HRB是热扎带肋钢筋的英文(Hot rolled Ribbed Bars)缩写。
335表示屈服强度为335MPa。
RRB是余热处理带肋钢筋(Remained heat treatment Ribbed Steel Bars)缩写。
钢筋(Bars)
带肋(Ribbed)
剩余(Remained)
【本文档内容可以自由复制内容或自由编辑修改内容期待你的好评和关注,我们将会做得更好】。
钢筋强度设计值【资料来源】《混凝土结构设计规范》(GBJ 10-89)2.2.3 钢筋抗拉设计强度f y或f py 及钢筋抗压f y' 或f py'应按表2.2.3-1 应用;钢丝、钢绞线抗拉强度设计值f y或f py及钢丝、钢绞线抗压强度设计值f y'或f py' 应按表2.2.3-2 采用。
钢筋强度设计值(N/mm2)表2.2.3-1注:①在钢筋混凝土结构中,轴心受拉和小偏心受拉构件的钢筋抗拉强度设计值大于310N/mm2时,仍应按310N/mm2 取用,其他构件的钢筋抗拉强度设计值大于360N/mm2 时,仍应按360N/mm2 取用;对于直径大于12mm 的Ⅰ级钢筋,如经冷拉,不得利用冷拉后的强度;②当钢筋混凝土结构的混凝土强度等级为C10 时,光面钢筋的强度设计值应按190N/mm2 取用,变形钢筋的强度设计值应按230N/mm2取用;③成盘供应的LL550 级冷轧带肋钢筋经机械调直后,抗拉强度设计值应降低20N/mm2,且抗压强度设计值不应大于相应的抗拉强度设计值;④构件中配有不同种类的钢筋时,每种钢筋根据其受力情况应采用各自动强度设计值。
钢丝、钢绞线抗拉、抗压强度设计值(N/mm2)表2.2.3-24~95、745注:①冷拔低碳钢丝用作预应力钢筋时,应按表2.2.2-2 规定的钢丝强度标准值逐盘进行检验,其强度设计值应按甲级采用;乙级冷拔低碳钢丝可按分批检验,并宜用作焊接骨架、焊接网、架立筋、箍筋和构造钢筋;②用作预应力钢筋的甲级冷拔低碳钢丝经机械调直后,抗拉强度设计值应降低30N/mm2,且抗压强度设计值不应大于相应当抗拉强度设计值;③当碳素钢丝、刻痕钢丝、钢绞线的强度标准值不符合表2.2.2-2 的规定时,其强度设计值应进行换算;④表中括号内的数值系根据国家标准GB 5224-85 生产、现尚在延期使用的钢绞线强度标准值和设计值。