40m箱梁施工方案
- 格式:doc
- 大小:487.00 KB
- 文档页数:27
四川武通路桥工程局忻阜路基第三合同段专项安全施工方案箱梁吊装方案编制日期:2007年7月编制:审核:监理:坝窑湾大桥40mT梁的安装方案一、40mT梁的安装说明:坝窑湾大桥T梁吊装采用荷载为150吨的拼装式双导梁架桥机,全长100m,高2.4m,采用16锰钢万能杆件拼装.根据受力及构造要求,导梁以两跨中点对称,按不等刚度设计。
中点和后端分别支承在4部600KN的平车上,牵引架桥机行走的卷扬机设置在后端横梁上,前端支架用角钢拼装,下部与桥墩上的预埋螺栓联结.二、架桥机吊装前的准备工作1、预制场形成,龙门吊轨道铺设;2、两台龙门吊的安装就位;3、架桥机的进场组拼;4、架桥机过孔及吊装的技术准备.·架桥机的拼装1、铺设架桥机行走轨道不少于80m;2、安装架桥机过孔托滚钢支架,安托滚,找平找正;3、拼装架桥机前支腿、横梁、桥架G7→G6→G5→G4→后转向车→G3,G2→G1,安水平支撑及栏杆和电器设备。
·架桥机过孔方法架桥机用预制梁作配重.为保证架桥机过孔、喂梁、吊装安全可靠、吊装前应对架机过孔的配重、轮压及其喂梁吊装时进行验算才能进行下道工序。
1、配重的计算1)、架设T梁架桥机过孔时配重布置情况:a、用横移轨道Ⅱ分部件梁(1)2件重量3879。
4kg置于架桥机前端支腿;(见下图所示)b、横移轨道Ⅰ选用分部件梁(1)2件、梁(2)1件,重量7844.8kg,及横移轨道Ⅱ分部件梁(2)1件1033。
8 kg置于架桥机后端吊装小车下;(见下图所示)c、架桥机按《架桥机工况(Ⅱ)过孔配重计算图》纵梁(G纵=2040kg),其余完全按《架桥机工况(Ⅱ)过孔配重计算图》办理.2)、过孔配重计算:过孔配重计算以托滚支承处为力矩中心,其右之构配件重量为∑N2,产生的力矩为∑M2;其左之构配件重量为∑N1,产生的力矩为∑M1。
∑N1和∑N2之和为∑N。
配重之值为:P Q(40)=(n∑M2(40)—∑M1(40))/=(1.15×2118509.673-1459319。
国家高速徳上线巨野至单县(鲁皖界)段箱梁运输及安装首件专项施工方案山东省路桥集团有限公司德上高速巨野至单县段项目经理部一、工程概况 (1)二、编制依据 (1)三、适用范围 (2)四、编制原则 (2)五、施工计划 (2)六、施工准备 (4)七、施工工艺技术 (9)八、质量保证措施 (20)九、安全保证措施 (23)十、应急预案 (30)十一、环境保护措施 (37)一、工程概况国家高速德上线巨野至单县(鲁皖界)段,路线起源于巨野县田庄镇义和屯西北、接济广高速公路和日兰高速公路交叉的王官屯枢纽,经巨野、成武、单县,终于单县蔡堂镇前刘庄南鲁皖省界协议接点。
本项目不仅是国家高速的重要组成部分,也是山东省“八纵四横一环八连”高速公路网中“纵七”的重要路段。
本项目起点桩号为-K1+573,终点桩号为K24+027,全长25.6公里,为双向四车道高速公路,设计时速120km/h;整体式路基宽度27m,计划工期36个月。
本项目共有预制箱梁1283块,其中20m预制箱梁有180块,25m预制箱梁共有276块,27m预制箱梁共有16块,27.7m预制箱梁共有30块,29.3m预制箱梁共有42块,30m预制箱梁共有653块,30.8预制箱梁共有62块,40m预制箱梁共有24块。
箱梁从存梁区用拖车通过便道、主线路基运至桥位处,箱梁安装时主要采用架桥机架设,在大规模施工前选取K3+574分离立交(40m箱梁)第一联进行首件工程的施工。
二、编制依据1.工程两阶段施工图设计;2.《招标文件》(技术规范部分);3.《公路工程质量检验评定标准》(JTG F80/1-2004);4.《公路工程施工安全技术规程》(JTGF90-2015);5.《公路桥涵施工技术规范》(JTG/T F50-2011);6.《高速公路施工标准化技术指南》;7.《起重机械安全规程》(GB6067.1—2010);三、适用范围适用于国家高速德上线巨野至单县(-K1+573-K24+027)段预制箱梁运输及安装工程施工。
目录1、编制依据 .................................................................................................................................... - 1 -2、工程概况 .................................................................................................................................... - 1 -2。
1 工程位置........................................................................................................................................... - 1 -3、箱梁预制分项工程概况 ............................................................................................................ - 2 -3.1 箱梁结构形式..................................................................................................................................... - 2 -3。
2 工程数量........................................................................................................................................... - 2 -4、场地、设备及人员配置情况 .................................................................................................... - 3 -4。
40m预制箱梁施工方案工程概况与位置本工程涉及40m预制箱梁的施工,位于[具体地点]。
该地段地形平坦,交通便利,有利于施工材料和设备的运输。
箱梁将用于[具体桥梁名称]的建设,是项目的重要组成部分。
编制原则与依据施工方案的编制遵循《公路桥梁施工技术规范》及其他相关国家或地方标准。
同时,结合工程实际情况,注重安全、效率和质量。
编制依据还包括设计图纸、施工组织设计和工程地质勘察报告等。
梁模制作与安装梁模采用[具体材料]制作,保证模板的稳定性和刚度。
模板加工后应进行验收,确保其尺寸精度和表面质量满足要求。
安装时,应使用经纬仪等设备进行定位和校正,确保梁模的位置和角度准确无误。
钢筋加工与绑扎钢筋应符合设计要求,并在加工厂内进行切割、弯曲和焊接。
加工好的钢筋应按照施工图纸进行绑扎,确保钢筋的间距、数量和位置符合设计要求。
钢筋的接头应满足规范要求,确保结构的整体性。
预制混凝土生产混凝土采用[具体类型]进行生产,严格控制水灰比和骨料级配。
生产过程中,应定期检测混凝土的质量,确保其强度、和易性和耐久性满足设计要求。
预制箱梁制作在预制场进行箱梁的制作。
首先进行底板的浇筑,然后进行腹板和顶板的施工。
施工过程中,应注意控制箱梁的尺寸和形位精度,确保其符合设计要求。
制作完成的箱梁应进行养护,待其达到设计强度后方可进行吊装。
养护处理与调整预制箱梁制作完成后,应进行养护处理,以保证混凝土的持续硬化和强度的稳定增长。
同时,应对箱梁的尺寸和形位进行定期检查,如有偏差应及时进行调整。
施工设备与资源施工过程中将使用到的设备包括起重机、模板安装设备、钢筋加工设备等。
资源方面,主要包括混凝土、钢筋、模板等材料。
施工过程中,应合理调度设备和资源,确保施工进度和质量。
安全与质量保证措施施工过程中,应严格执行安全生产规范,加强现场安全管理,确保施工人员的人身安全。
同时,应建立完善的质量保证体系,从原材料、施工过程到成品检测,都应有严格的质量控制措施。
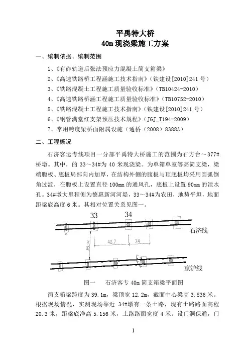
贵港特大桥40米箱梁混凝土浇筑方法一、工程概况贵港特大桥于YDK51+890上跨迎宾大道,采用两孔40米简支箱梁跨越,分别为41孔和42孔。
梁全长40.6m,支座中心距38.8m。
梁高3.532m,顶部宽度7.6m,梁底宽4m,标准段腹板厚0.3m,底板厚0.3m,顶板厚0.294m,梁端腹板厚1.1m,底板厚0.9m,顶板厚0.614m。
每孔简支箱梁砼262.7m3〔其中顶板103 m3,腹板95 m3,底板62 m3〕,梁重683.1t,采用支架现浇。
二、混凝土的浇筑1、梁体设计为C50高性能砼,砼在拌和站集中拌制,罐车运输至现场,采用汽车泵泵送混凝土浇筑。
混凝土浇筑前,应再次对梁体预埋件进展逐个排查,确保不错不漏。
混凝土浇筑过程中,每孔梁应制作6组标准养护试件,进展抗压强度试验。
2、根据混凝土搅拌所用时间,按每3分钟搅拌一盘料〔一盘为2m3〕,那么每小时可搅拌40m3混凝土。
底板混凝土62m3,用时1.5小时,加浇筑过程中泵车移位、泵管移位、混凝土罐车就位等所用时间,浇筑底板混凝土需2个小时左右;腹板混凝土95m3,需用时2.5小时,可从梁的一端向另外一端分两层浇筑,加上浇筑过程中泵车移位、泵管移位、混凝土罐车就位等所用时间,浇筑腹板混凝土需3.5个小时左右;顶板混凝土103m3,需用时2.5小时,从梁的一端向另外一端一次浇筑,加上浇筑过程中泵车移位、泵管移位、混凝土罐车就位等所用时间,浇筑腹板混凝土需3.5个小时左右;整个施工过程需9个小时。
3、浇筑混凝土前,全面检查钢筋保护层垫块。
构件侧面和底面的垫块至少为4个/m2,绑扎垫块和钢筋的铁丝头不得伸入保护层内。
底层垫块按梅花形布置。
混凝土入模前,测定混凝土的温度、坍落度和含气量等工作性能,只有拌和物性能符合设计或配合比要求的混凝土方可入模浇筑。
混凝土的入模温度宜控制在5℃~30℃。
4、混凝土浇筑顺序1〕、纵桥向混凝土浇筑顺序由于梁体混凝土方量较大,为尽量缩短混凝土浇筑时间,同时考虑到混凝土供给能力,浇筑时采取多点同时下灰的施工方法,以加快混凝土浇筑速度。
京石客运专线冉庄跨龙泉河特大桥40m现浇箱梁满樘支架预压施工方案一综述本方案为专项方案,有关编制依据、适用范围、工程概况、施工计划等见《 40m现浇箱梁满樘支架施工方案》。
二预压目的及方式为检验 40m 现浇箱梁模板的安全性和实际变形量,通过预压消除结构非弹性变形,同时取得模板弹性变形的实际数值,得出荷载-挠度曲线,并检验设计计算结果,调整预拱度 ( 或反拱 ) ,以求得 40m 现浇箱梁施工的准确参数。
提前发现支架结构及构件加工、安装所存在的问题和隐患,提前调整整改,防患于未然。
模板预拱度的调整通过调整模板支撑顶托完成。
模板弹性变形应根据预压变形测量结果绘制沉降曲线,并结合模板的设计拱度和实际支撑变形来确定。
模板安装完毕后,对其进行预压。
为保证预压荷载的合理分布,模拟混凝土浇注顺序进行加载,即第一步加载底板钢筋混凝土重量、第二步加载腹板钢筋混凝土重量、第三步加载翼缘板钢筋混凝土重量、第四步加载顶板钢筋混凝土重量。
考虑到混凝土振捣产生的动荷载及小型机具等荷载,预压荷载按混凝土实体重力荷载的 1.1 倍考虑,三预压程序与步骤为检验支架的弹性变量及检验地基础的承载力,消除因支架竖向非弹性变形对标高的影响,应在底模铺装后,对支架进行预压,预压材料采用沙土(吨袋)。
1支架预压方式底模安装前先安装好临时支座,底模、侧模安装后开始支架预压,但预压前采用胶合板和彩条布铺在模板上,保护模板不被受损和污染。
采用沙袋按各段设计荷载 110%进行预压,空心箱体部分采用沙袋预压;腹板部分采用预制砼块预压或整捆钢筋预压。
支架搭设时预压前,顶部预留抛高要计算地基相对沉降量,支架弹性和非弹性值等。
地基相对沉降量以地基处理时试验检测后计算确定,支架的非弹性变形值参考下表数据。
支架的弹性变形运用沙普软件程序节点计算确定。
根据以往施工经验,支架施工沉留值在 15~20mm左右,待预压沉降观测后调整。
根据沉降计算结果,拟定类似地基及支架方案预留沉降选用 1.0cm。
目录一、工程概况 (1)二、编制依据及原则 (1)(一)编制依据 (1)(二)编制原则 (1)三、施工计划 (2)(一)施工进度计划 (2)(二)组织机构及人员投入 (2)(三)主要机械设备进场计划 (3)四、施工工艺技术 (4)(一)预制箱梁安装施工流程 (4)(二)施工准备 (4)(三)架桥机的拼装 (5)(四)过孔 (10)(五)架梁步骤 (13)(六)箱梁运输 (16)五、安全保证措施 (19)(一)组织保障 (19)(二)危险源分析 (19)(三)重大危险源控制措施 (31)(四)现场安全保证措施 (36)七、临时用电 (39)八、计算书 (41)预制箱梁安装专项施工方案一、工程概况组合箱梁正横断面布置图260050组合箱梁多箱由本项目预制梁场单独预制,安装时,由架桥机吊至预先设置的临时支座上,形成简支结构,待半幅预制箱梁全部安放到位后,安装中横梁模板,绑扎钢筋,浇筑中横梁同时浇筑湿接缝混凝土,使预制箱梁形成整体,最后拆除临时支座,梁体由简支梁转化为连续梁。
二、编制依据及原则(一)编制依据(二)编制原则(1)坚决贯彻执行“安全第一、预防为主、综合治理”的方针,结合本项目工程的特点,抓住安全工作的重点、难点和关键环节,制定切实可行的施工安全措施和控制流程,责任、目标逐级分解,定期检查与考核,使安全工作有序可控,全面实现安全管理目标。
(2)全面、充分响应淮安公路处的要求,严格执行技术规范。
(3)推行全面质量管理,执行质量管理标准和程序。
(4)推行标准化管理工程,做到安全、优质、文明、高效。
三、施工计划(一)施工进度计划根据235国道项目的总体施工部署,沭河特大桥预制箱梁安装计划采用架桥机安装梁体时间:①2016年 4 月5日至2016年 4 月25 日,进行准备;②2016年 4 月26日至2016年8 月10 日正式安装(包含设备拆除)。
(二)组织机构及人员投入我项目部针对预制箱梁安装成立专门组织机构,负责本工程预制箱梁安装。
京沪高速铁路40m现浇施工方案一、工程概况及特点子牙新河特大桥中心里程DK198+483.0,全长16218.1米,依次跨越津浦铁路左右线、104国道、南运河、子牙新河、北排河等控制工点;全线共计384孔双线箱梁,其中子牙新河南北岸大堤之间设计为40M简支双线箱梁共74孔即自153号墩至227号墩(DK195+432.79~DK198+444.82),其中直线梁56孔,曲线梁18孔;工程的设计情况及特点如下:1、40m简支箱梁的设计参数2、40m简支箱梁结构图跨中截面梁端截面3、主要工程数量表4、地质情况及地形地貌该区段桥梁主要跨子牙新河,除大堤及河槽外,绝大部分孔跨位于子牙新河的河滩上,地势平坦,地面表层较为松软,地下水位较高,含水量高,透水性差,强度低,根据地质资料,地表允许承载力在80Kpa左右。
子牙新河主河槽宽度95m,位于157#墩~161#墩之间。
5、桥梁与沿线道路立交情况6、其他条件沿线高压线有多处与线路相交,施工前应进行迁移或者架高,施工用电较为方便;沿线交通方便。
沿线高压线路分布情况7、工程特点(1)由于京沪铁路设计速度高,因此桥梁的结构设计、施工要求均较以往常规铁路桥梁高,要求桥梁具有较大的抗弯和抗扭刚度,该设计整孔箱梁具有受力简单、明确、形式美观、抗扭刚度大,建成后的桥梁养护工作量小以及噪音小等特点。
(2)工程规模大,工程量相对集中,全部74孔40M箱梁全部相接,有利于组织和合理安排施工(3)梁截面尺寸和自重自重大,整孔40m简支箱梁重量重达1060吨,因此施工、架设的难度均较大。
(4)由于考虑行车速度及旅客乘车舒适度,高速铁路箱梁施工对外形尺寸特别是箱梁线性要严格的要求,必须有完善的施工工艺和保证措施。
(5)桥梁所处地质条件较差,地基承载力小,对于支架法施工现浇梁来说,正是保证桥梁线性需要解决和处理好的重要课题。
(6)考虑箱梁耐久性等原因,混凝土配合比和施工工艺、预应力施工工艺以及压浆工艺的要求更高。
第1页筑龙网w w w . s i n o a e c . c o m《4 0 m铁路箱梁整孔制造、架设施工工法》资料编号:Y J G F 2 4 -2 0 040m铁路箱梁整孔制造、架设施工工法(YJGF24—2000)中铁一局集团有限公司一、前言铁路货运载重的增加,客运时速提高,给铁路桥梁(特别是梁部)设计、施工提出了更高的要求,出现了40m箱梁整孔设计(如芜湖长江大桥铁路引桥)和24m双线箱梁的整孔设计(如秦沈客运专线),与此同时也给梁的制造、架设施工提出了新课题。
本工法是在1998-1999年中铁一局承建的芜湖长江大桥铁路引桥40m整孔箱梁制造、架设施工中形成的。
以往40m箱梁制造采用分段预制后再胶拼的施工方法,本工法则解决了40m 箱梁(污工量单孔103m3)的整体制造的工艺技术问题,这在国内属首创。
为本工法研究开发的箱形梁整体滑移式外模、拆装式内模,设计构思新颖,结构合理,性能良好,经济效益明显。
用六四式军用梁作为主杆件拼装架桥机,采用充盈式锥形销减小挠度,采用变频调速技术减小冲击,梁体架设平稳,安全可靠。
这项科研成果获1999年度全国工程建设优秀质量管理小组称号,并于1999年10月通过了铁道部科技成果技术鉴定。
鉴定认为“该项成果具有显著的技术创新和独特性,经济效益明显,达到国内领先水平。
对于箱梁的整体制造和架设具有广泛应用价值和指导意义”。
二、工法特点1.采用整体滑移外模,拆装方便,进度快,可消除分块模板接缝错台、漏浆等质量通病,保证梁体外观质量。
分块式内模拆装方便,并有足够的操作空间,使混凝土一次整体灌注成为可能。
2.混凝土一次灌注成型,保证了梁体的整体性,极大地改善了梁体质量。
3.采用SPJ300/40拼装式架桥机架设箱梁,安全可靠,运行平稳,操作简便。
三、运用范围适用于长大混凝土梁现场整体预制,整体架设。
四、工艺原理1.采用大吨位龙门吊直接将梁体吊装于运梁平车上,平车采用双线走行,以特别平衡装置使轮压分布均匀,梁体受力状态良好。
目录1.编制说明 (1)1.1编制依据 (1)1.2编制原则 (1)2.工程概况 (1)2.1工程概述 (1)2.2地质条件 (3)2.3工程数量 (3)3.总体施工规划和工期安排 (3)3.1总体施工规划 (3)3.2分项工程进度安排 (3)4.施工技术 (3)4.1 地基处理 (3)4.2 支架搭设 (4)4.3支架预压 (5)4.4支座安装 (7)4.5 底模板安装 (8)4.6 侧模板和翼缘板模板安装 (10)4.7 底、腹板钢筋及预应力孔道安装 (10)4.8 内模及端模安装 (12)4.9顶板钢筋安装 (12)4.10梁体混凝土浇筑 (12)4.11预应力工程 (14)5.资源配置计划 (13)5.1劳动力配置计划 (13)5.2 机械设备配置计划 (13)6.质量保证措施 (14)7. 安全保证措施 (17)8.安全控制要点 (21)长西双线40m预应力混凝土简支箱梁施工方案1.编制依据与编制原则1.1编制依据(1)长春联络线特大桥40m预应力混凝土简支箱梁相关图纸;(2)业主关于新建铁路哈尔滨至大连铁路客运专线沈阳至哈尔滨段长春联络线的指导性施工组织设计;(3)现行的铁路工程及客运专线的施工规范、标准、规则及施工技术指南;(4)现行的铁路工程及客运专线的施工验收规范、标准、规程及施工质量验收标准暂规;(5)铁道部、哈大公司及长春市政府有关安全、环保的法律、规程、文献。
1.2编制原则(1)遵循“安全第一、预防为主”的原则,从制度、管理、方案、资源等方面制定切实可行的措施,确保安全施工,服从建设单位及监理工程师的监督、监理,严肃安全纪律,严格按规章程序办事;(2)贯彻“质量第一”的原则,以高标准、高起点为要求,以实现工程质量“零缺陷”;(3)贯彻“以施工装备保施工工艺,以施工工艺保施工质量”的原则,根据工程内容和特点,系统选配先进、适用和配套的施工装备,以保障施工质量和实现快速施工;(4)坚持最大程度的减少施工对周边民众的生活干扰。
双导梁架桥机架设公路桥梁40m箱梁施工工法双导梁架桥机架设公路桥梁40m箱梁施工工法一、前言公路桥梁是连接交通运输的重要组成部分,桥梁施工工法的选择和应用对于保证工程质量和施工效率至关重要。
本文将介绍一种常用的双导梁架桥机架设公路桥梁40m箱梁施工工法,它具有特定的工法特点和施工过程,适用于一定长度的箱梁施工,能够保证施工质量和安全。
二、工法特点双导梁架桥机架设工法是一种常用的公路桥梁施工方法,其特点如下:1. 采用双导梁,可以实现两榀箱梁同时架设,提高施工效率;2. 简化了临时支撑结构,减少对桥梁正常通行的影响;3. 具备较强的适应性,适用于各种类型的公路桥梁;4. 施工过程控制严密,能够保证施工质量和安全。
三、适应范围双导梁架桥机架设公路桥梁40m箱梁施工工法适用于40m长的箱梁施工,可以用于各种类型的公路桥梁,包括高速公路、普通公路等。
四、工艺原理双导梁架桥机架设公路桥梁40m箱梁施工工法基于以下工艺原理:1. 技术措施:通过双导梁架设机构,将箱梁从临时架设位置平移到预定位置,实现箱梁的准确定位;2. 施工工法与实际工程的联系:根据桥梁设计和施工要求,采取相应的技术措施,确保施工进度和质量控制,保证施工过程的安全和顺利进行。
五、施工工艺1. 施工准备:包括现场勘测、材料准备、设备安装等;2. 临时支撑搭设:根据设计要求,搭设临时支撑结构,保证施工过程的安全和稳定;3. 双导梁安装:将双导梁安装在桥墩上,保证双导梁的水平和垂直度;4. 箱梁架设:使用双导梁架设机架将箱梁从临时架设位置平移到预定位置,保证箱梁的准确定位;5. 箱梁连接:对箱梁进行连接和预应力张拉,使之形成整体结构;6. 临时支撑拆除:在箱梁架设完成后,拆除临时支撑结构,完成施工。
六、劳动组织施工过程中需要组织人员进行现场管理、机具操作等工作,确保施工按照规定进行。
七、机具设备1. 双导梁架设机架:用于将箱梁从临时架设位置平移到预定位置,具备一定的承载能力和定位精度;2. 箱梁吊装机具:用于搬运和吊装箱梁,在施工过程中起到关键的作用;3. 其他常规机具:如起重机、挖掘机等,用于施工过程中的辅助作业。
40米小箱梁安装方案一、概况:本次吊装是单孔40米跨径的水桥小箱梁吊装,该梁单片重量约160吨,梁体高度2.2米,面宽2.4米底部1米。
箱梁在距离桥头80米位臵的路基预制,共2行4组8条底模,路基的承载能力较好,不易下沉,适宜铺设路轨和平车运梁施工。
路基的标高与帽梁顶部基本持平,施工时,铺设导轨可直接从由头至尾全过程进行。
全桥共有8片小箱梁,目前已全部预制完毕,并可交付安装。
预制场在预制箱梁时没有龙门吊,因此,在吊装时,必有面考虑用龙门吊进行走梁、移梁等。
二、吊装方法该桥为单孔水桥,单片梁较重,是水桥,综合现场实际情况,拟采用架桥机进行架梁,基本程序大致如下:龙门吊起梁移梁→平车运梁、喂梁→架桥机吊装→架桥机采用SN160T/40m型的三角型主架结构架梁机,主架长为70米,起重大车单载能力大于80吨,付架行走速度为6m,过孔时,需用小箱梁配重才能完成。
过孔时,架桥机向前移动需要在底下铺设导轨,平车带梁行走底下也要导轨,因此,导轨的铺设或应考虑未来的承载能力是否满足运梁的重压要求。
一般方式是在导轨底垫钢板和3~5cm厚的板块。
架桥机主架上装有2台6T的起重卷扬机,该机的单台起吊能力为80吨,其中滑轮组为11个滑轮,钢丝绳的抗拉强度大于10吨,而该机在起吊时,单根钢丝绳的实际拉力只有3.5吨,故均能满足吊装要求。
架桥机的前担和中担在吊装时均落在帽梁顶上,因此,在吊装时,安全系数得到大大提高。
2台龙门吊的2台起重大车与架桥机起重大车的吊重能力完全相同。
龙门吊的工作“职责”是每吊完1片梁后就需换一个位臵。
因此,该次架梁,龙门吊较为频繁,所耗的时间较多。
通常,龙门吊从一寺方需移动另一地方时,第一步就是先用吊车将龙门吊吊入平车内,由平车根据所需的位臵移至目的地相对位臵,再由吊机吊至所希望吊梁位臵。
该工地共有8片梁,因此,每台龙门吊需移动8次才能把工作做完。
龙门吊净梁装到2台平车上,由两台平车共同将梁送到架桥机尾部,再由架桥机自身完成每片梁的吊装工序。
40m简支梁现浇施工专项方案一、编制依据及范围1.1编制依据1.《佛肇城际施工设计图L=40m、43.3m简支梁》(图号:佛肇施图(桥)-桥叁-05);《桥附属结构施工图》。
2.《双线简支梁桥墩通用设计》(图号:佛肇施图(桥)-桥参02-1)。
3.《桥梁盆式橡胶支座安装图》(图号:专桥(2009)8191)。
4.国家现行铁路客运专线桥涵设计规范、施工规范、质量检验评定标准及环境保护等其他相关文件资料。
5.中铁第四勘察设计院提供的xxx特大桥、三环西特大桥施工图及配套施工参考、标准图。
6.从工地现场调查、采集、咨询、图纸审核所获取的资料。
7.我单位拥有的科技成果、工法成果、机械设备、施工技术、管理水平以及类似工程施工经验。
8.我单位现行的质量、环境、职业健康安全三位一体化《管理手册》和《程序文件》要求。
1.2.编制范围佛肇城际轨道XXXX标范围内的40m简支梁的施工,包括地基处理、支架搭设、模板安装、预压、钢筋绑扎、混凝土浇筑、预应力张拉、注浆、封锚、模板及支架拆除等。
1.3质量目标按照验收标准,各检验批、分项、分部工程施工质量检验合格率达到100%,单位工程一次验收合格率达到100%。
在合理使用和正常维护条件下,桥梁工程结构的施工质量,应满足设计使用寿命期内正常运营要求。
杜绝重大及以上工程质量事故。
1.4安全生产目标杜绝责任安全一般A类及以上事故;杜绝责任职工死亡事故;杜绝责任火灾爆炸事故。
二、40m现浇梁设计概况2.1、结构形式(1)40m预应力混凝土简支箱梁,全长39.9m,梁中心处梁高3.2m,箱梁顶宽11.6m,梁底宽5.0m。
梁体为单箱单室、等高度、变截面结构。
箱梁两侧腹板与顶、底板相交相交处均采用圆弧倒角过渡。
顶板厚34-64cm、底板厚度30-70cm,腹板厚度分别为45-105cm,均按折线变化。
2.2、技术标准铁路等级:城际铁路正线数目:双线,线间距4.4m目标速度值:200Km/h最小曲线半径:1200m最大坡度:3%2.3、材料(1)混凝土:梁体混凝土强度等级为C50,封锚采用强度等级为C50的无收缩混凝土。
目录第一章编制说明.................................................................................................... - 7 -1.1、编制依据 ................................................................................................... - 7 -1.2、编制原则................................................................................................... - 8 -1.3、编制围 ...................................................................................................... - 8 -1.4、编制目的................................................................................................... - 8 -第二章工程概况.................................................................................................... - 9 -2.1、项目概况................................................................................................... - 9 -2.2、桥梁结构形式 .......................................................................................... - 10 -2.3、预制梁概况.............................................................................................. - 12 -2.4、自然条件 ................................................................................................. - 13 -2.5、运梁线路选择 .......................................................................................... - 13 -第三章工程施工总体部署..................................................................................... - 13 -3.1、施工进度计划安排.................................................................................... - 13 -3.2、施工组织机构 .......................................................................................... - 14 -3.3、人员及组织安排....................................................................................... - 16 -3.4、施工资源准备 .......................................................................................... - 17 -3.5、施工准备工作 .......................................................................................... - 18 -3.5.1、施工技术准备................................................................................. - 18 -3.5.2、施工设备准备 ................................................................................ - 19 -3.5.3、施工现场准备 ................................................................................ - 19 -3.5.4、箱梁运输路线规划 ........................................................................ - 20 -第四章施工技术案及施工法 ................................................................................ - 23 -4.1、总体工艺概述.......................................................................................... - 23 -4.2、预制箱梁安装工艺 .................................................................................. - 23 -4.3、箱梁施工工序 ......................................................................................... - 24 -4.4、简支变连续砂筒临时支座及永久支座施工................................................ - 26 -4.4.1、工艺特点....................................................................................... - 26 -4.4.2、工艺原理 ...................................................................................... - 27 -4.4.3、临时支座制作施工 ........................................................................ - 27 -4.4.4、支座安装 ...................................................................................... - 28 -4.5、箱梁装梁与运输...................................................................................... - 29 -4.5.1、箱梁运输....................................................................................... - 29 -4.5.2、箱梁运输注意事项 ........................................................................ - 29 -4.5.3、装梁 .............................................................................................. - 31 -4.6、架桥机箱梁架设工艺............................................................................... - 32 -4.6.1、架桥机拼装 ................................................................................... - 32 -4.6.2、试吊 ............................................................................................. - 38 -4.6.3、运梁车安放及运梁 ........................................................................ - 42 -4.6.4、架梁施工工艺 ............................................................................... - 44 -4.6.5、架桥机过 ...................................................................................... - 45 -4.6.6、架桥机喂梁及运梁 ........................................................................ - 46 -4.6.7、架桥机落梁................................................................................... - 47 -4.6.8、箱梁的连接................................................................................... - 48 -4.6.10、箱梁架设质量标准要求 ................................................................ - 49 -第五章质量保证体系及措施 ................................................................................ - 50 -5.1、质量保证体系.......................................................................................... - 50 -5.2、质量保证组织措施 ................................................................................... - 51 -5.2.1、建立质量管理领导小组 ................................................................... - 51 -5.2.2、质量控制制度制定 ......................................................................... - 51 -5.3、质量保证管理措施 ................................................................................... - 51 -5.4、质量保证控制措施 ................................................................................... - 51 -5.5、质量保证技术措施 ................................................................................... - 51 -5.6、质量标准及要求...................................................................................... - 52 -5.7、箱梁架设安装质量 .................................................................................. - 52 -第六章文明施工与环境保护措施 ......................................................................... - 54 -6.1、环保管理机构.......................................................................................... - 54 -6.2、环保实施措施 ....................................................................................... - 55 -6.2.1、生态环境保护措施 ......................................................................... - 55 -6.2.2、水环境保护措施............................................................................ - 55 -6.2.3、大气环境及粉尘防治措施 .............................................................. - 55 -6.2.4、固体废弃物防治措施 ..................................................................... - 55 -6.2.5、噪声污染防治措施 ........................................................................ - 56 -6.3 、环保保证措施 ....................................................................................... - 56 -6.3.1、实行三级管理制度 ......................................................................... - 56 -6.4、现场文明施工管理 .................................................................................. - 56 -第七章安全保证措施........................................................................................... - 57 -7.1、安全管理针和目标................................................................................... - 57 -7.1.1、安全管理针 .................................................................................... - 57 -7.1.2、安全管理目标................................................................................ - 57 -7.2 安全保证体系........................................................................................... - 58 -7.3 、组织保障 .............................................................................................. - 58 -7.3.1、成立预制箱梁运输、架设施工管理领导小组 ................................... - 58 -7.3.2、组建安全保证组织机构.................................................................. - 59 -7.3.3、主要人员的岗位职责 ..................................................................... - 60 -7.4、安全生产制度保证措施 ........................................................................... - 60 -7.4.1、建立健全各项安全制度 .................................................................. - 60 -7.4.2、安全生产教育与培训制度 .............................................................. - 60 -7.4.3、安全生产检查制度 ......................................................................... - 61 -7.4.4、安全技术交底制度 ......................................................................... - 61 -7.4.5、特种设备管理制度 ........................................................................ - 62 -7.4.6、特种作业人员管理制度.................................................................. - 62 -7.4.7、现场安全监管制度 ........................................................................ - 62 -7.4.8、危险源告知制度............................................................................ - 63 -7.4.9、高空作业管理制度 ........................................................................ - 63 -7.5、安全技术保障措施 .................................................................................. - 64 -7.5.1、预制箱梁吊装的一般安全技术要求................................................. - 64 -7.5.2、预制箱梁架设的安全技术措施 ....................................................... - 66 -7.5.3、架桥机架设施工的安全技术措施.................................................... - 67 -7.5.4、龙门吊吊装施工的安全技术措施.................................................... - 69 -7.5.5、运梁车运输的安全技术措施........................................................... - 70 -7.5.6、架桥机安全操作要求 ..................................................................... - 70 -7.5.7、安全标志 ...................................................................................... - 72 -7.6、监控措施 ................................................................................................ - 72 -7.7、施工人员安全措施 .................................................................................. - 72 -7.8、现场安全预控措施 .................................................................................. - 73 -7.9、安全管理措施 ......................................................................................... - 73 -7.9.1、用电安全管理................................................................................ - 73 -7.9.2、设备安全管理 ............................................................................... - 74 -7.9.3、施工现场安全防护措施.................................................................. - 75 -7.10、危险源辨识及预控措施 .......................................................................... - 76 -第八章应急救援预案 ............................................................................................ - 79 -8.1、应急处置领导小组................................................................................... - 79 -8.1.1、项目经理部成立应急处置领导小组 ................................................. - 79 -8.1.2、领导小组职责................................................................................ - 80 -8.1.3、应急处置小组成员职责分工 ........................................................... - 80 -8.2、应急资源 ................................................................................................. - 81 -8.2.1、情报、信息 ................................................................................... - 82 -8.2.2、抢险队及培训 ............................................................................... - 82 -8.2.3、互助协议 ...................................................................................... - 82 -8.3、应急响应 ................................................................................................ - 82 -8.3.1、应急准备与响应流程...................................................................... - 82 -8.3.2、值班人员及值班............................................................................ - 83 -8.3.3、应急处置原则 ............................................................................... - 83 -8.4、突发事件应急预案 .................................................................................. - 84 -8.4.1、高出坠落事故应急预案 .................................................................. - 84 -8.4.2、物体打击事故应急预案.................................................................. - 85 -8.4.3、起重伤害事故应急预案.................................................................. - 86 -8.4.4、触电事故应急措施 ........................................................................ - 88 -8.4.5、机械伤害事故应急预案.................................................................. - 88 -8.5、应急物资与装备保障................................................................................ - 91 -8.6、应急救援联系式及边可利用资源.............................................................. - 92 -8.6.1、公用联系式 ................................................................................... - 92 -8.6.2、边可利用资源联系式 ..................................................................... - 92 -附件1:QJ180T-40型架桥机计算书 .............................................................. - 93 -附件2:钢丝绳计算书................................................................................... - 93 -第一章编制说明1.1、编制依据1、《连霍高速(G30)新疆境小草湖至乌木齐段改扩建工程两阶段施工图设计》2、《公路桥涵施工技术规》(JTGT F50-2011)3、《公路工程施工安全技术规》(JTG F90-2015)4、《公路工程质量检验评定标准》(JTG F80/1-2004)5、《架桥机通用技术条件》GB 26470-20116、《起重机械安全规程》GB 6067.5-20147、《工程建设安装工程起重施工规》HG20201-20008、《建筑电气工程施工质量验收规》GB 50303-20159、《起重机械试验规和程序》GB/T 5905-201110、《重要用途钢丝绳》GB 8918-200611、《新疆维吾尔自治区公路施工标准化手册》12、《施工现场临时用电安全技术规》(JGJ46—2016)13、本企业的资源优势及建设同类工程的施工经验、施工能力、科技成果等14、《连霍高速(G30)新疆境小草湖至乌木齐改扩建项目XWGJ-1标总体施工组织设计》15、现场踏勘及调查了解的施工环境、条件等16、指挥部、监理等下发的质量管理文件1.2、编制原则1、格按照新疆维吾尔自治区公路施工标准化手册要求,切实做好箱梁架设及运输工作。
40m预制箱梁架设专项施工方案一、项目简介1.1、工程概况建设单位:XX路桥公路投资有限公司设计单位:XX第一公路勘察设计研究院有限公司监理单位:XX建通公路工程技术咨询有限公司施工单位:XX路桥建设集团有限公司起讫桩号: K118+180-K124+015(全长5.815Km)1.2、工程简介及编制依据1.2.1、工程简介项目名称及地理位置:G1816乌海至玛沁国家高速公路景泰至中川机场项目起点位于景泰县城,南至中川机场,直接或间接与定武国家高速公路、京藏国家高速公路、连霍国家高速公路、兰海国家高速公路等高速公路衔接,在国家和XX省高速公路网中具有重要作用。
项目是XX省重要的北出口道路,是兰州及青海等地通往宁夏、内蒙等地的第二重要通道,同时也是兰州及我国、通往河西走廊、新疆等区域的第二重要通道。
项目在兰州新区设枢纽立交与机场高速、及规划的G1816中川机场至兰州段(中通道)项目衔接,路线全长119.721km。
全线采用双向四车道高速公路标准建设,设计时速80Km/h,路基宽度25.5m。
桥涵设计汽车荷载等级采用公路-I级。
由我单位承建的景泰至中川机场段JZ8合同段起讫桩号:K118+180~K124+015,里程长度 5.815Km。
主要控制性工程为新区南枢纽立交。
本项目40米预制箱梁均位于小河川大桥,小河川大桥平面分别位于圆曲线(起始桩号:K122+813.5,终止桩号:K123+160.816,半径:1100m)和缓和曲线(起始桩号:K123+160.816,终止桩号:K123+260.5)上,纵断面纵坡1%; 墩台径向布置。
本桥依次上跨F匝道、S201、机场高速、H匝道,净空均为5. 5m,其中部分桥墩距离被交路距离较近,需设置相应防撞措施。
小河川大桥共4联: (31+40+31) +2×30+ (33+52+33)+4×40;上部结构第一、二、四联采用预应力砼(后张)小箱梁,先简支后连续;第三联采用钢结构箱梁;下部结构桥墩采用柱式墩,桥台采用柱式台,墩台采用桩基础。
40米小箱梁安装方案一、概况:本次吊装是单孔40米跨径的水桥小箱梁吊装,该梁单片重量约160吨,梁体高度2.2米,面宽2.4米底部1米。
箱梁在距离桥头80米位臵的路基预制,共2行4组8条底模,路基的承载能力较好,不易下沉,适宜铺设路轨和平车运梁施工。
路基的标高与帽梁顶部基本持平,施工时,铺设导轨可直接从由头至尾全过程进行。
全桥共有8片小箱梁,目前已全部预制完毕,并可交付安装。
预制场在预制箱梁时没有龙门吊,因此,在吊装时,必有面考虑用龙门吊进行走梁、移梁等。
二、吊装方法该桥为单孔水桥,单片梁较重,是水桥,综合现场实际情况,拟采用架桥机进行架梁,基本程序大致如下:龙门吊起梁移梁→平车运梁、喂梁→架桥机吊装→架桥机采用SN160T/40m型的三角型主架结构架梁机,主架长为70米,起重大车单载能力大于80吨,付架行走速度为6m,过孔时,需用小箱梁配重才能完成。
过孔时,架桥机向前移动需要在底下铺设导轨,平车带梁行走底下也要导轨,因此,导轨的铺设或应考虑未来的承载能力是否满足运梁的重压要求。
一般方式是在导轨底垫钢板和3~5cm厚的板块。
架桥机主架上装有2台6T的起重卷扬机,该机的单台起吊能力为80吨,其中滑轮组为11个滑轮,钢丝绳的抗拉强度大于10吨,而该机在起吊时,单根钢丝绳的实际拉力只有3.5吨,故均能满足吊装要求。
架桥机的前担和中担在吊装时均落在帽梁顶上,因此,在吊装时,安全系数得到大大提高。
2台龙门吊的2台起重大车与架桥机起重大车的吊重能力完全相同。
龙门吊的工作“职责”是每吊完1片梁后就需换一个位臵。
因此,该次架梁,龙门吊较为频繁,所耗的时间较多。
通常,龙门吊从一寺方需移动另一地方时,第一步就是先用吊车将龙门吊吊入平车内,由平车根据所需的位臵移至目的地相对位臵,再由吊机吊至所希望吊梁位臵。
该工地共有8片梁,因此,每台龙门吊需移动8次才能把工作做完。
龙门吊净梁装到2台平车上,由两台平车共同将梁送到架桥机尾部,再由架桥机自身完成每片梁的吊装工序。
目录1.编制说明 (1)1.1编制依据 (1)1.2编制原则 (1)2.工程概况 (1)2.1工程概述 (1)2.2地质条件 (3)2.3工程数量 (3)3.总体施工规划和工期安排 (3)3.1总体施工规划 (3)3.2分项工程进度安排 (3)4.施工技术 (3)4.1 地基处理 (3)4.2 支架搭设 (4)4.3支架预压 (5)4.4支座安装 (7)4.5 底模板安装 (8)4.6 侧模板和翼缘板模板安装 (10)4.7 底、腹板钢筋及预应力孔道安装 (10)4.8 内模及端模安装 (12)4.9顶板钢筋安装 (12)4.10梁体混凝土浇筑 (12)4.11预应力工程 (14)5.资源配置计划 (13)5.1劳动力配置计划 (13)5.2 机械设备配置计划 (13)6.质量保证措施 (14)7. 安全保证措施 (17)8.安全控制要点 (21)长西双线40m预应力混凝土简支箱梁施工方案1.编制依据与编制原则1.1编制依据(1)长春联络线特大桥40m预应力混凝土简支箱梁相关图纸;(2)业主关于新建铁路哈尔滨至大连铁路客运专线沈阳至哈尔滨段长春联络线的指导性施工组织设计;(3)现行的铁路工程及客运专线的施工规范、标准、规则及施工技术指南;(4)现行的铁路工程及客运专线的施工验收规范、标准、规程及施工质量验收标准暂规;(5)铁道部、哈大公司及长春市政府有关安全、环保的法律、规程、文献。
1.2编制原则(1)遵循“安全第一、预防为主”的原则,从制度、管理、方案、资源等方面制定切实可行的措施,确保安全施工,服从建设单位及监理工程师的监督、监理,严肃安全纪律,严格按规章程序办事;(2)贯彻“质量第一”的原则,以高标准、高起点为要求,以实现工程质量“零缺陷”;(3)贯彻“以施工装备保施工工艺,以施工工艺保施工质量”的原则,根据工程内容和特点,系统选配先进、适用和配套的施工装备,以保障施工质量和实现快速施工;(4)坚持最大程度的减少施工对周边民众的生活干扰。
2.工程概况2.1工程概述长西上、下行双线是哈大铁路客运专线长春联络线的组成部分,为长春西站与既有长春站之间的联络线。
长春联络线特大桥下道路现状复杂,该段采用40m简支箱梁跨越既有青石道路。
图2.1 40m预应力混凝简支箱立面图长西双线211#-212#桥墩为现浇箱型简支梁,梁型采用单箱单室斜腹板截面,等高度预应力混凝土箱梁,箱梁长40.6米,梁底离地面高为7.6米,梁高4米,顶宽12米,梁底宽为5.74米,翼缘板长2.65米。
2.2地质条件该桥所处地质情况,表层为杂填土,厚度约2.0m;其下为黏质黄土,厚度约为23.0m;下面依次为砾砂、风化泥岩夹砂岩、泥岩夹砂岩。
图2.1 40m预应力混凝简支箱梁横断面图2.3工程数量3.总体施工规划和工期安排3.1总体施工规划施工分三个阶段进行。
第一阶段,施工准备阶段,包括场地平整、碾压、支架搭设等。
第二阶段,施工阶段,包括安装模板、绑扎钢筋、浇筑混凝土、张拉、封锚阶段。
第三阶段,施工收尾阶段,包括支架拆除等一系列后期工作。
3.2分项工程工期安排40m预应力混凝土简支箱梁分阶段工期安排见表2.2。
4.施工技术40米预应力混凝土简支箱梁主要施工技术有地基处理、支架搭设、支架预压、模板安装、钢筋加工安装、混凝土浇筑、预应力施工。
4.1.地基处理支架施工范围内清除杂填土,换填碎石粉,分层填筑,每层厚度30cm,共换填1.2m。
用18t的振动压路机碾压密实。
测定地基承载力,检测合格后方可进行下到工序。
然后浇注20cm厚面层砼,平面振捣器振捣,人工整平。
从线路中往两侧设置1%的双面坡,并在线路两侧设置30 cm×30 cm的排水沟。
在适当的位置设集水井,并布置抽水泵抽水以降低地表水标高,防止雨水浸泡地基,避免碗扣支架产生不均匀沉降。
4.2支架搭设地基处理合格并对支架搭设现场进行必要的场地清理后,按照碗扣支架布点图进行布点,布点后开始搭设支架平台。
碗口架规格为φ48×3.5。
底板下支架顺桥向间距0.9m,横桥向间距0.6m;翼缘板下支架顺桥向间距0.9m,横桥向间距为0.9m;纵横水平杆竖向间距 1.2m。
脚手架顶托上纵向安装0.12×0.12m方木,方木间距0.6m,然后横桥向安装0.1×0.1m方木,方木间距0.3m。
考虑支架的整体稳定性,在纵横向采用 48钢管脚手作剪刀撑进行加固。
支架布置型式见图4.1。
图4.1 支架搭设布置示意图(1)测量放样测量人员用全站仪放样出箱梁在地基上的竖向投影线,并用白灰撒上标志线,现场技术员根据投影线定出单幅箱梁的中心线,同样用白灰线做上标记。
根据中心线向两侧对称布设碗扣支架。
(2)布设立杆方木根据立杆位置布设立杆方木,方木规格为15cm*15cm,方木放置平整、牢固,底部无悬空现象。
(3)碗扣支架安装根据立杆及横杆的设计组合,从底部向顶部依次安装立杆、横杆。
一般先全部装完一个作业面的底部立杆及部分横杆,再逐层往上安装,同时安装所有横杆。
立杆和横杆安装完毕后,安装斜撑杆,保证支架的稳定性。
斜撑通过扣件与碗扣支架连接,安装时尽量布置在框架结点上。
(4)顶托安装为便于在支架上高空作业,可在地面上大致调好顶托伸出量,再运至支架顶安装。
根据梁底高程变化决定横桥向控制断面间距,顺桥向设左、中、右三个控制点,精确调出顶托标高。
然后用明显的标记标明顶托伸出量,以便校验。
然后依次调出每个顶托的标高。
4.3.支架预压少支架变形及地基沉降对现浇箱梁线形的影响,在纵横梁安装完毕后进行支架预压施工。
预压采用砂袋,预压范围为箱梁底部,重量不小于箱梁总重的1.2倍。
因悬臂板本身重量较轻,可根据实测的预压结果,对悬臂板模板的预拱度作相应调整。
(1)加载顺序:0%—25%—50%—75%—100%—120%(2)预压观测:观测位置设在每跨的L/2,L/4处及墩部处,每组分左、中、右三个点。
在点位处固定观测杆,以便于沉降观测。
采用水准仪进行沉降观测,布设好观测杆后,加载前测定出其杆顶标高。
沉降观测过程中,每一次观测均找测量监理工程师抽检,并将观测结果报监理工程师认可同意。
第一次加载后,每2个小时观测一次,连续两次观测沉降量不超过3mm,且沉降量为零时,进行第二次加载,按此步骤,直至第三次加载完毕。
第三次加载沉降稳定后,经监理工程师同意,可进行卸载。
(3)卸载:人工配合吊车吊运砂袋均匀卸载,卸载的同时继续观测。
卸载完成后记录好观测值以便计算支架及地基综合变形。
根据观测记录,整理出预压沉降结果,调整碗扣支架顶托的标高来控制箱梁底板及悬臂的预拱高度。
4.4支座安装4.4.1支座型号及布置位置支座采用GTQZ系列球行钢支座,支座型号为1#:GTQZ-10000-DX、2#:GTQZ-10000-ZX、3#:GTQZ-10000-HX、4#:GTQZ-10000-GD,各种规格型号支座各1个。
图4.3支座布置平面图4.4.2支座安装(1)本系列支座采用预埋套筒和锚固螺栓的连接方式,在墩台顶面支承垫石部位预留锚栓孔,螺栓孔预留尺寸:直径大于套筒直径至少60mm,深度大于锚栓长度至少60mm,预留锚栓孔中心及对角线位置偏差不得超过10mm。
(2)凿毛支座就位部位的支承垫石表面,清除预留锚栓孔内杂物,安装灌浆模板,并用水将支承垫石表面湿润。
灌浆模板采用钢模,底面设一层4mm厚橡胶防漏条,通过膨胀螺栓固定在支承垫石顶面。
(3)用钢楔块楔入支座四角,找平支座,并将支座底面调整到设计标高,在支座底面与支承垫石之间留出20-50mm空隙,安装灌浆模板。
(4)仔细检查支座中心位置及标高后,用无收缩高强度灌注材料灌浆,灌浆采用重力灌浆方式,灌注支座下部及锚栓孔处空隙,灌浆过程应从支座中心部位向四周注浆,直至从钢模与支座底板周边间隙观察到灌浆材料全部灌满为止。
(5)灌浆终凝并达20MPa后,拆除模板及四角钢楔,检查是否有漏浆处,必要时对漏浆处进行补浆,并用砂浆填堵钢楔块抽出后的空隙。
拧紧上下支座锚栓,待连续梁合龙后,及时拆除各支座的上下支座连接钢板及螺栓,并安装支座钢围板。
图4.4 连续梁支座安装示意图4.5底模板安装卸载完成后,调整支架顶托标高(底模设计标高加上支架弹性变形量),然后按照支架设计图调整支架上的横向方木间距,撤下多余的横向方木。
底模板采用1.8cm厚竹胶板,模板在安装之前进行全面的涂刷脱模剂。
横向宽度要大于梁底宽度,梁底两侧模板要各超出梁底边线不小于5cm,以利于在底模上支立侧模。
模板之间连接部位采用海绵胶条以防漏浆,模板之间的错台不超过1mm。
模板拼接缝要纵横成线,避免出现错缝现象。
底模板铺设完毕后,进行平面放样,全面测量底板纵横向标高,纵横向间隔5m检测一点,根据测量结果将底模板调整到设计标高。
底板标高调整完毕后,再次检测标高,若标高不符合要求进行二次调整。
4.6侧模板和翼缘板模板安装侧模板和翼缘板模板采用1.8cm厚竹胶板,模板后背木桁架,配以满堂碗扣脚手架支立。
根据测量放样定出箱梁底板边缘线,在底模板上弹上墨线,然后安装侧模板。
侧模板与底模板接缝处粘贴海绵胶条防止漏浆。
在侧模板外侧背设纵横方木背肋,用钢管及扣件与支架连接,用以支撑固定侧模板。
翼缘板底模板安装与箱梁底板模板安装相同,外侧挡板安装与侧模板安装相同。
挡板模板安装完毕后,全面检测标高和线型,确保翼缘板线型美观。
4.7底、腹板钢筋及预应力孔道安装施工中先安装腹板钢筋,纵向预应力孔道的安装与腹板钢筋的绑扎交替进行。
保护层垫块采用同标号的混凝土垫块;安装波纹管与钢筋的安装同步进行,钢筋和波纹管位置有冲突时,适当挪动钢筋的位置,保持纵向预应力筋管道位置不动。
梁体钢筋最小净保护层:顶板为30mm、腹板和底板为35mm。
施工中为确保腹板、顶板、底板钢筋的位置准确,采用井形的架立钢筋来保证钢筋骨架之间的距离准确。
安装预应力预留管道时,管道接头用大一号的同材质的金属波纹管将接头套接后,用胶布包贴,防止灰浆渗入管道;管道采用定位钢筋固定。
锚垫板的喇叭管的中心线与锚具垫板垂直,喇叭管和波纹管的衔接要平顺。
螺旋筋位置按设计布置后,采用点焊将其与梁体钢筋连接,确保其位置的准确性。
钢筋加工和安装的允许偏差见表4.2、4.3。
预应力孔道位置允许偏差见表4.4。
钢筋保护层的允许偏差见表4.5。
4.8内模及端模安装内模及端模均采用组合竹木组合模板设计。
侧模板之间加固在腹板处设φ16的拉杆进行加固,纵横向间距为50~60cm,左右呈对称布置,拉杆外加硬质PVC 管套,以便能够重复使用。
腹板预应力筋及普通筋、预埋件经检查无漏项及合乎要求后方可立内模。
如条件允许可采用钢模板封端4.9顶板钢筋安装要求同4.6。