QC七大手法及答案
- 格式:pdf
- 大小:69.53 KB
- 文档页数:3
Q C七大手法试卷+答案(总2页)--本页仅作为文档封面,使用时请直接删除即可----内页可以根据需求调整合适字体及大小--一、填空题(每题2分,共30分)1、QC七大手法是1962年日本科技联盟石川馨博士开发所整理的,QC七大手法又称(新旧QC 七大手法)或工具,旧手法主要偏重于(统计分析),针对问题的(发生后)的改善;新QC七大手法主要偏重于(思考分析过程),主要是强调在问题(发生前)的预防。
2、(旧)传统的QC七大手法包括了:_层别法__、特性要因图、检查表、直方图、散布图、柏拉图及管制图。
3、检查表以工作的种类或目的可分为(记录检查表)与(点检检查表)两种,记录用检查表与点检用检查表两者之间具有(相互关系)的作用。
4、5W2H分析法又称为七问分析法,是二战中美国陆军兵器修理部所创,其中的5W是指(为什么(Why))、(做什么(What))、(何人做(Who))、(何时(When))、(何地(Where)),2H是指(如何(How ))与(多少(How much))。
5、柏拉图是根据所收集的(数据),以不同区分标准加以整理、分类,计算出各分类项目所占的(比例)而按照大小顺序排列,再加上(累积值)的图形。
6、散布图根据变量的相关性,可分为(正相关)、(负相关)、(不相关)。
7、应用到80:20原理的是QC七大手法中的(柏拉图)。
8、在QC七大手法直方图中的型态分别是(常态性)、(双峰型)、(高原型)、(绝壁型)与(齿距型)、(离岛型)六种。
11、管制图系于1924年由美国品管大师休哈特(博士所发明,而主要定义即是“一种以实际产品品质特性与依过去经验所研判之制程能力的管制界限比较,而以时间顺序用图形表示者”。
12、将一个问题的特性(结果),与造成该特性之重要原因(要因)归纳整理而成之图形,由于其外型类似鱼骨,因此一般俗称为鱼骨图。
13、鱼骨图是由日本品管大师石川馨先生在_1952年发明,故又名石川图。
QC七大手法试题(答案)
qc七大手法}
部t:工:姓名:
1.
qc七大手法是指哪七大手法t目前工作所用到的有哪几n型t(20分)1.查z表2.柏拉d3.特性要因d(~骨d)4.直方d5.管制d6.散布d7.e法2.
查z展毛什么促进作用t分槟募割t(10分后)
作用:利用查z表砹私猬f罨蚴占以作分析之用分:cz用/用3.
柏拉d存有什么促进作用t须要d建构主义右图的哪些原产m行分析t(10分后)
作用:用碓o定改善的目需要d形分析的目樗卓w不良80%的目4.
招怡纯e出来pchart.uchart.x-rchart的算是公式t(10分后)(1)x-r管制
dclx=xuclx=x+a2rlulx=x-a2rr管制dclr=ruclr=d4rlclr=d3r
(2)p管制dcl=pucl=p+3*p(1-p)/nlcl=p-3*p(1-p)/n(3)u管制
dclu=uuclu=u+3*u/nlclu=uc3*u/n~骨d箭^向右表示什么意思t箭^向左又表示什么意思t (10分)箭^向右表示原因分析,箭^向左表示σ咦非5.
什么就是t分槟募割t(10分后)
是指wcwg的差o分楣餐原因和特殊原因
7.扣z10000pcsled半成品灯lfs偏焊接8pcsr杂物s5pcsr银胶甩胶3pcsr漏焊
1pcso出来的柏拉d。
(30分后)。
一、填空题(每题2分,共30分)1、QC七大手法是1962年日本科技联盟石川馨博士开发所整理的,QC七大手法又称(新旧QC七大手法)或工具,旧手法主要偏重于(统计分析),针对问题的(发生后)的改善;新QC七大手法主要偏重于(思考分析过程),主要是强调在问题(发生前)的预防。
2、(旧)传统的QC七大手法包括了:_层别法__、特性要因图、检查表、直方图、散布图、柏拉图及管制图。
3、检查表以工作的种类或目的可分为(记录检查表)与(点检检查表)两种,记录用检查表与点检用检查表两者之间具有(相互关系)的作用。
4、5W2H分析法又称为七问分析法,是二战中美国陆军兵器修理部所创,其中的5W是指(为什么(Why))、(做什么(What))、(何人做(Who))、(何时(When))、(何地(Where)),2H是指(如何(How ))与(多少(How much))。
5、柏拉图是根据所收集的(数据),以不同区分标准加以整理、分类,计算出各分类项目所占的(比例)而按照大小顺序排列,再加上(累积值)的图形。
6、散布图根据变量的相关性,可分为(正相关)、(负相关)、(不相关)。
7、应用到80:20原理的是QC七大手法中的(柏拉图)。
8、在QC七大手法直方图中的型态分别是(常态性)、(双峰型)、(高原型)、(绝壁型)与(齿距型)、(离岛型)六种。
9、组距=全距÷组距;全距R=最大值-最小值。
10、新QC七大手法分别是(亲和图(也称KJ法))、(关联图)、(过程决定计划图(PDPC法))、(矩阵图)、(矩阵数据解析法)、(系统图)、(箭线图)。
11、管制图系于1924年由美国品管大师休哈特(W.A.Shewhart)博士所发明,而主要定义即是“一种以实际产品品质特性与依过去经验所研判之制程能力的管制界限比较,而以时间顺序用图形表示者”。
12、将一个问题的特性(结果),与造成该特性之重要原因(要因)归纳整理而成之图形,由于其外型类似鱼骨,因此一般俗称为鱼骨图。
QC旧七大手法课后测试•1、在PDCA的管理循环中用到的QC的工具中,挑选2、3个影响大的原因,采取措施的是()(10分)A图表法B分层法C柏拉图法D因果图法正确答案:C•2、运用柏拉图法,遵循的原则是()(10分)A一个中心,两个基本点B少数服从多数C二八原则D心灵的沟通正确答案:C•3、因果图法(也称鱼骨图法),制作的第一步是()(10分)A列出与问题有关的大要因B利用脑力激荡法,发掘针对问题的各种原因C将各种原因分析彻底、具体D利用意见一致法确定主要原因正确答案:A•4、管制图的设计运用的原理是()(10分)A三西格玛理论B四西格玛理论C五西格玛理论D六西格玛理论正确答案:A•1、对QC手法的应用,通常说要基于“三现主义”,指的是()(10分)A现场B现物C现成D现实正确答案:ABD•2、除了分析用图表,图表还有以下哪些种类?(10分)A管理用图表B计划用图表C统计用图表D说明用图表正确答案:ABCD•3、运用直方图时,以下哪些是要注意的关键点?(10分)A收集数据时,可以有不一样的数据B不要为节约时间而减少数据量C鼓励组员挑战困难,尽可能多地取得有问题的样本数据D必须手绘,不能用计算机绘制正确答案:AB•4、使用点聚图法时,要遵循以下哪些要点?(10分)A仅仅当存在可靠数据时使用B对可能的关系先作测试C不要否定非预期的相互关系D强调相互关系,而不是原因与结果正确答案:ABCD•1、鱼骨图是对于结果与原因间,所期望的效果与对策之间的关系,以箭头连结,详细分析原因或对策的一种图形,是一种系统分析方法。
(10分)A正确B错误正确答案:正确•2、分层原则是使同一层次内的数据波动(或意见差异)幅度尽可能小,而层与层之间差别尽可能大,否则就起不到归类汇总的作用。
(10分)A正确B错误正确答案:正确。
qc七大手法试题及答案一、综述在质量管理领域中,质量控制(Quality Control)是一项重要的活动。
七大手法是质量控制中常用的工具,可以帮助企业识别问题、找出原因并采取相应的改进措施。
本文将介绍七大手法的定义、应用场景以及相应的试题和答案。
二、七大手法的定义1. 石川图(Ishikawa Diagram)石川图又称鱼骨图或因果图,用来帮助寻找问题的根本原因。
它的形状像一条鱼骨,将问题从效果分解为不同的影响因素,以便于分析。
2. 流程图(Flowchart)流程图是一种图形化表示流程的工具,适用于描述操作过程和各个步骤之间的关系。
通过使用符号和箭头,可以清晰地展示流程的顺序和逻辑。
3. 直方图(Histogram)直方图是一种用柱状条形图表示数据分布的图表。
通过统计数据的频率和数量,可以更好地理解数据的变化规律和分布情况。
4. 散点图(Scatter Diagram)散点图用来描述两个变量之间的关系。
通过将两个变量的取值以点的形式绘制在坐标系中,并观察点的分布趋势,可以判断两个变量之间是否存在相关性。
5. 控制图(Control Chart)控制图是一种用来监测过程稳定性和变化的工具。
它通过绘制过程数据的上限线、下限线和中心线,来表示过程的变化范围和偏离情况。
6. 检查表(Check Sheet)检查表是一种帮助记录和搜集数据的工具。
通过事先设计好的表格,可以方便地记录相关的信息,并进行进一步的分析和处理。
7. 故障模式和影响分析(Failure Mode and Effects Analysis,FMEA)故障模式和影响分析是一种用来识别和评估潜在故障的工具。
通过对故障模式、原因和可能的影响进行综合分析,可以采取相应的措施来减少故障的发生概率。
三、七大手法的应用场景1. 石川图适用于问题分析和根本原因找寻的场景。
例如,当产品质量出现问题时,可以使用石川图来识别可能的原因,从而采取相应的改进措施。
Qc7大手法考试和答案一、单项选择题(每题2分,共20分)1. QC7大手法中,用于描述数据分布特征的图形是()。
A. 散点图B. 直方图C. 鱼骨图D. 帕累托图答案:B2. 用于分析两个变量之间关系的图表是()。
A. 散点图B. 直方图C. 鱼骨图D. 帕累托图答案:A3. 用于识别和排序问题原因的图表是()。
A. 散点图B. 直方图C. 鱼骨图D. 帕累托图答案:C4. 用于识别关键因素的图表是()。
A. 散点图B. 直方图C. 鱼骨图D. 帕累托图答案:D5. 用于展示数据随时间变化趋势的图表是()。
A. 散点图B. 直方图C. 折线图D. 帕累托图答案:C6. 用于分析问题发生的频率的图表是()。
A. 散点图B. 直方图C. 鱼骨图D. 帕累托图答案:B7. 用于分析问题发生原因的图表是()。
A. 散点图B. 直方图C. 鱼骨图D. 帕累托图答案:C8. 用于展示数据分布中心趋势的图表是()。
A. 散点图B. 直方图C. 箱线图D. 帕累托图答案:C9. 用于展示数据分布离散程度的图表是()。
A. 散点图B. 直方图C. 箱线图答案:C10. 用于展示数据分布形状的图表是()。
A. 散点图B. 直方图C. 箱线图D. 帕累托图答案:B二、多项选择题(每题3分,共15分)11. QC7大手法中,哪些是用于描述数据分布特征的图形?()A. 散点图B. 直方图C. 鱼骨图答案:B12. QC7大手法中,哪些是用于分析两个变量之间关系的图表?()A. 散点图B. 直方图C. 鱼骨图D. 帕累托图答案:A13. QC7大手法中,哪些是用于识别和排序问题原因的图表?()A. 散点图B. 直方图C. 鱼骨图答案:C14. QC7大手法中,哪些是用于识别关键因素的图表?()A. 散点图B. 直方图C. 鱼骨图D. 帕累托图答案:D15. QC7大手法中,哪些是用于展示数据随时间变化趋势的图表?()A. 散点图B. 直方图C. 折线图D. 帕累托图答案:C三、判断题(每题2分,共20分)16. QC7大手法包括散点图、直方图、鱼骨图、帕累托图、控制图、箱线图和雷达图。
QC新七大手法课后测试•1、以下哪一选项不是亲和图法的特点?(10分)A从混淆的状态中,收集文字资料,将其整合以便发现问题B打破现状,产生新创意C掌握问题本质,让有关人员明确了解D团队活动,务必听取和采纳领导意见,提高全员协作意识正确答案:D•2、矩阵图法,使用时机错误的是()(10分)A明确各职能与各单位间的关系B明确原因与结果间的关系C明确质量要求和工艺条件间的关系D明确生产异常与投诉间的关系正确答案:B•1、以下哪些选项是关联图法的特点?(10分)A适合整理原因非常复杂的问题B容易取得成员的一致意见C从计划阶段一开始,就以广阔的视野透视问题D形式自由,有助于因素之间的连接和转换E可打破先入为主的观念正确答案:ABCDE•2、以下选项中属于系统图法使用时机的是()(10分)A新产品研制过程中设计质量的展开B制订质量保证计划,对质量活动进行展开C方针、目标与实施事项的展开D对解决企业有关质量、成本、交货期等问题的创意进行展开正确答案:ABCD•3、以下哪些选项是PDPC法的特点?(10分)A整体上掌握系统的动态并依此判断全局B静态管理C可追踪性D预测性正确答案:ACD•4、以下选项中属于PDPC法使用时机的是()(10分)A制定目标管理中间的实施计划,怎样在实施过程中解决各种困难和问题B制程中不良现象的防止及对策拟订C对系统中大小事故,都进行预测及防止D新产品、新技术的开发主题的实施计划正确答案:ABD•1、关联图法是把关系复杂而相互纠缠的问题及其原因,用箭头连接起来的一种图示分析工具,从而找出原因和项目的方法。
(10分)A正确B错误正确答案:错误•2、系统图是把要实现的目的与需要采取的措施或手段,系统地展开,并绘制成图,以明确问题的重点,寻找最佳手段或措施的一种方法。
(10分)A正确B错误正确答案:正确•3、箭型图法是通过小组讨论,对某事项或工程的实施进行,建立和管理最佳的日程计划,确保其能顺利完成的一种手法。
QC七大手法考试试题姓名:部门:得分:一、填空题(每空1分,共20分)1.QC七大手法包括【】、【】、【】、【】、【】、【】、散布图。
2.特性要因图是当一个问题的【】受到一些【】的影响时,我们将这些要因加以整理,成为有相互关系且有系统的图形。
3.散布图根据变量的相关性,可分为【】、【】、【】。
4.应用到80:20原理的是QC七大手法中的【】。
5.4M1E是指【】、【】、【】、【】和【】。
6.管制图根据用途可分为【】管制图、【】管制图。
7.特性要因图,又称【】、【】。
8.制作特性要因图时,须收集多数人的意见,多多益善,可运用【】原则。
二、判断题(对画√,错画×.每题3分,共30分)1.()散布图适用于计数型数据。
排列图是寻找引发结果原因的管理图形工具。
2.()在解决日常问题时,在收集数据之前就使用层别法。
3.()排列图是寻找引发结果原因的管理图形工具。
4.()制作直方图时,所收集的数据量应大于50以上。
5.()偶然原因,本质上是局部的,很少或没有,可避免的。
6.()查检表应尽可能的使用文字表述,避免产生歧义。
7.()特性要因图的思考重点应放在“如果解决”而不是“为什么”。
8.()QC七大手法都是相互独立互不相干的。
9.()管制图可分为计量值管制图和计数值管制图两种。
10.()当有点出现在控制图A区以外,即可判断改点对应的产品已不合格。
三、简答题(共50分)1.简述制作特性要因图的五步骤,并画一个鱼骨图。
(30分)2.简述5W2H。
(20分)。
qc七大手法试题及答案一、选择题(每题2分,共10分)1. QC七大手法中,用于分析数据集中趋势的手法是:A. 鱼骨图B. 直方图C. 散点图D. 帕累托图答案:B2. 以下哪个不是QC七大手法之一?A. 检查表B. 因果图C. 流程图D. 甘特图答案:D3. QC七大手法中,用于描述问题发生顺序的手法是:A. 检查表B. 因果图C. 流程图D. 散点图答案:C4. 用于分析两个变量之间关系的QC手法是:A. 直方图B. 散点图C. 检查表D. 流程图答案:B5. QC七大手法中,用于识别和分类问题原因的手法是:A. 检查表B. 因果图C. 帕累托图D. 散点图答案:B二、填空题(每空1分,共10分)1. QC七大手法包括检查表、__________、__________、__________、__________、__________和__________。
答案:因果图、直方图、散点图、流程图、帕累托图、控制图2. 直方图用于分析数据的__________,而控制图则用于监控过程的__________。
答案:分布情况、稳定性3. 帕累托图由两部分组成,一部分是按重要性排序的__________,另一部分是对应的__________。
答案:条形图、折线图4. 检查表是一种用于收集和记录数据的__________工具,它可以帮助我们__________地分析问题。
答案:简单、系统5. 流程图通过__________和__________来描述一个过程,帮助我们理解过程的各个步骤。
答案:框图、箭头三、简答题(每题5分,共20分)1. 请简述QC七大手法中直方图的作用。
答案:直方图用于分析数据的分布情况,可以显示数据的集中趋势、离散程度和偏斜情况,帮助我们了解数据的分布特性。
2. 描述一下QC七大手法中散点图的用途。
答案:散点图用于分析两个变量之间的关系,通过在图上绘制两个变量的数据点,可以观察它们之间是否存在相关性,以及相关性的强度和方向。
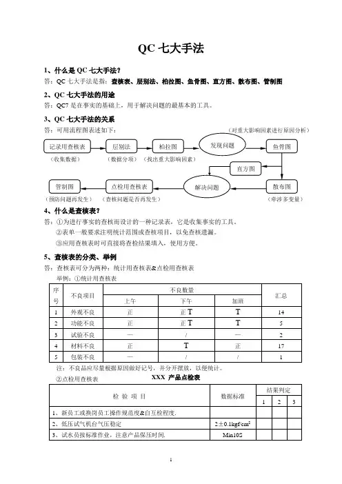
QC七大手法1、什么是QC七大手法?答:QC七大手法是指:查核表、层别法、柏拉图、鱼骨图、直方图、散布图、管制图2、QC七大手法的用途答:QC7是在事实的基础上,用于解决问题的最基本的工具。
3、QC七大手法的关系4、什么是查核表?答:①为进行事实的查核而设计的一种记录表,它是收集事实的工具。
②表单一般要求注明统计范围或查核项目,以免查核遗漏。
③应用查核表时可直接将查检结果填入,使用方便。
5、查核表的分类、举例答:查核表可分为两种:统计用查核表&点检用查核表注:不良品应尽量根据原因做好记号,并分开摆放,以便统计。
XXX 产品点检表6、什么是层别法?答:①层别法是所有统计手法的基础,它将繁杂的数据资料依层别项目进行划分,使数据具有可比性。
②层别法可初步找出问题点,解决简单问题。
7、什么是层别项目?答:常用的层别项目有四种:①结果类:产品品质、成本、效率②4M类:人员、机器、材料、方法③环境:工作状况、地区、天气、其他④时间:日期、班次、其他8、层别法举例答:依下列查核表进行层别分析从本表中很难得出明确的信息使用层别法后:①按“产品”类别分可从表中得出产品B 的不良率比产品A要高可从表中得出机台2比机台1生产的不良率要高,应对其采取纠正措施。
9、什么是柏拉图?答:①以80/20原则为基础,将多种不良要素层别后依出现次数由大到小排列。
②柏拉图绘制:A、以柱形图表示各不良项目,数据小的项目可以数项合并。
B、累积折线表示各项目累积和。
以损失金额作图更具有刺激性。
③从图中可发现影响品质80%的重点项目,从而引导项目小组集中精力解决它。
◇80/20原则:利用重要的20%的少数几个要因(重点项目)控制不重要的多数项目。
10、“柏拉图”的观念答: ①真正影响问题的要因只有少数几个,即80/20原则。
②先将关键不良因素解决,即可降低大部分的不良品。
11、柏拉图举例答:12、什么是鱼骨图?答:鱼骨图又称特性要因图。
一、填空题(每题2分,共30分)1、QC七大手法是1962年日本科技联盟石川馨博士开发所整理的,QC七大手法又称(新旧QC七大手法 )或工具,旧手法主要偏重于(统计分析),针对问题的(发生后)的改善;新QC七大手法主要偏重于(思考分析过程),主要是强调在问题(发生前)的预防。
2、(旧)传统的QC七大手法包括了:_层别法__、特性要因图、检查表、直方图、散布图、柏拉图及管制图.3、检查表以工作的种类或目的可分为(记录检查表)与(点检检查表)两种,记录用检查表与点检用检查表两者之间具有(相互关系)的作用.4、5W2H分析法又称为七问分析法,是二战中美国陆军兵器修理部所创,其中的5W是指(为什么(Why))、(做什么(What))、(何人做(Who))、(何时(When))、(何地(Where)),2H 是指(如何(How ))与(多少(How much))。
5、柏拉图是根据所收集的(数据),以不同区分标准加以整理、分类,计算出各分类项目所占的(比例)而按照大小顺序排列,再加上(累积值)的图形。
6、散布图根据变量的相关性,可分为(正相关)、(负相关)、(不相关)。
7、应用到80:20原理的是QC七大手法中的(柏拉图)。
8、在QC七大手法直方图中的型态分别是(常态性 )、(双峰型 )、(高原型)、(绝壁型)与( 齿距型 )、( 离岛型)六种.11、管制图系于1924年由美国品管大师休哈特(W.A。
Shewhart)博士所发明,而主要定义即是“一种以实际产品品质特性与依过去经验所研判之制程能力的管制界限比较,而以时间顺序用图形表示者”.12、将一个问题的特性(结果),与造成该特性之重要原因(要因)归纳整理而成之图形,由于其外型类似鱼骨,因此一般俗称为鱼骨图。
13、鱼骨图是由日本品管大师石川馨先生在_1952 年发明,故又名石川图.14、特性要因图应从人、机、料、法、环、测六方面进行分析。
15、过程能力指过程的加工质量满足技术要求的能力大小。
一、填空题(每题2分,共30分)1、QC七大手法是1962年日本科技联盟石川馨博士开发所整理的,QC七大手法又称(新旧QC七大手法)或工具,旧手法主要偏重于(统计分析),针对问题的(发生后)的改善;新QC 七大手法主要偏重于(思考分析过程),主要是强调在问题(发生前)的预防。
2、(旧)传统的QC七大手法包括了:_层别法__、特性要因图、检查表、直方图、散布图、柏拉图及管制图。
3、检查表以工作的种类或目的可分为(记录检查表)与(点检检查表)两种,记录用检查表与点检用检查表两者之间具有(相互关系)的作用。
4、5W2H分析法又称为七问分析法,是二战中美国陆军兵器修理部所创,其中的5W是指(为什么(Why))、(做什么(What))、(何人做(Who))、(何时(When))、(何地(Where)),2H是指(如何(How ))与(多少(How much))。
5、柏拉图是根据所收集的(数据),以不同区分标准加以整理、分类,计算出各分类项目所占的(比例)而按照大小顺序排列,再加上(累积值)的图形。
6、散布图根据变量的相关性,可分为(正相关)、(负相关)、(不相关)。
7、应用到80:20原理的是QC七大手法中的(柏拉图)。
8、在QC七大手法直方图中的型态分别是(常态性)、(双峰型)、(高原型)、(绝壁型)与(齿距型)、(离岛型)六种。
9、组距=全距÷组距;全距R=最大值-最小值。
10、新QC七大手法分别是(亲和图(也称KJ法))、(关联图)、(过程决定计划图(PDPC 法))、(矩阵图)、(矩阵数据解析法)、(系统图)、(箭线图)。
11、管制图系于1924年由美国品管大师休哈特(W.A.Shewhart)博士所发明,而主要定义即是“一种以实际产品品质特性与依过去经验所研判之制程能力的管制界限比较,而以时间顺序用图形表示者”。
12、将一个问题的特性(结果),与造成该特性之重要原因(要因)归纳整理而成之图形,由于其外型类似鱼骨,因此一般俗称为鱼骨图。
qc七大手法培训考试试题及答案管新七大手法,也叫品管新七大工具,其作用主要是用较便捷的手法来解决一些管理上的问题,与原来的“旧”品管七大手法相比,它主要应用在中高层管理上,而旧七手法主要应用在具体的实际工作中。
因此,新七大手法应用于一些管理体系比较严谨和管理水准比较高的公司。
那么qc七大手法培训的内容是什么呢?下面是为大家整理的qc七大手法试题及答案,希望能对大家有所帮助!更多精彩内容请及时关注我们!一、填空题(共30分,每小题2分)1、QC七大手法包括2、特性要因图是当一个问题的的影响时,我们将这些要因加以整理,成为有相互关系且有系统的图形。
3、组距。
4、散布图根据变量的相关性,可分为、、。
5、管制图根据用途可分为、。
6、应用到80:20原理的是QC七大手法中的。
~" S7、造成质量波动并对过程起作用的因素分为、两类。
8、造成产品变异的原因可分为、。
9、直方图组数的计算是根据数量的多寡来决定,可以用公式计算,组数(K)=10、查检表按用途分可分为记录用、查核用。
11、特性要因图,又称为鱼骨图、因果图。
12、制作特性要因图时,须收集多数人的意见,多多益善,可运用脑力激荡原则。
13、直方图是用于分析和掌握数据的分布状况,以便推断特性总体分布状态的一种统计方法。
14、全距R= 最大值 - 最小值。
15、请标识如下直方图属于哪种形态。
( 正态型 ) ( 切边型 )二、判断题(共30分,每小题3分)1、散布图适用于计数型数据。
( × )2、排列图是寻找引发结果原因的管理图形工具。
(×)3 m; `; q0 X3、产品合格率、产品外观尺寸、时间等数据是属于计数值数据。
(×)4、在解决日常问题时,在收集数据之前就应使用层别法(√)5、[柏拉图]方法,由品管圈(QCC)的创始人日本石川馨博士介绍到品管圈活动中使用,而成为品管七大手法之一(√)三、填空题(共30分,每小题2分)1、QC七大手法包括2、特性要因图是当一个问题的的影响时,我们将这些要因加以整理,成为有相互关系且有系统的图形。
qc七大手法试题及答案一、什么是qc七大手法?首先,为了明确我们讨论的范围,让我们先回顾一下qc七大手法的定义和作用。
qc七大手法是质量控制中常用的一套工具,旨在识别和解决潜在的质量问题,提高产品或服务的质量水平。
这些手法包括:因果图、流程图、直方图、散点图、检查表、控制图和帕累托图。
二、因果图的应用和示例因果图是一种可视化工具,用于分析某个问题的原因和结果之间的关系。
通常,它可以帮助我们找到一个问题的根本原因,从而采取相应的措施进行改进。
以下是一个因果图的应用示例:问题描述:某餐厅连续几个月的顾客投诉率逐渐上升。
制作因果图:将问题写在框内,问题之间画有箭头的线连接起来。
问题之间的箭头表示因果关系。
例如:顾客投诉率上升||▼餐厅服务质量下降 <-----> 餐厅员工培训不足 ||▼员工流失过多从因果图中可以看出,餐厅员工培训不足导致了服务质量下降,进而引起了顾客投诉率上升。
同时,员工流失过多也会对服务质量产生负面影响。
因此,解决这个问题的关键在于改善员工培训和降低员工流失率。
三、流程图的应用和示例流程图是一种可视化工具,用于描述和分析一个过程中的各个步骤和决策点。
它可以帮助我们更好地理解一个复杂过程,并找出其中的瓶颈或改进点。
以下是一个流程图的应用示例:过程描述:某公司的采购流程包括提交采购申请、审批、选择供应商、采购执行和支付。
制作流程图:根据过程的不同步骤,将每个步骤用框表示,用箭头连接起来形成流程图。
例如:提交采购申请||▼申请审批通过?|否 | 是▼驳回申请选择供应商| |▼ ▼重新提交申请采购执行| |▼ ▼申请审批通过支付通过这个流程图,我们可以清晰地看到整个采购流程的每个步骤,以及审批通过和驳回的分支条件。
如果在某个环节频繁出现问题或延迟,我们可以针对性地进行改进,提高效率和准确性。
四、直方图的应用和示例直方图是一种用于表示数据分布的图表。
它将数据按照范围进行分组,并以柱状图的形式展示各个分组的频数。
工厂基层干部必修课之三QC七大手法的运用课程解决问题:① 如何归集数据?答:运用查检表(点检表);② 如何找出问题可能发生的原因?答:运用特性要因图(鱼骨图);③ 如何找出问题的重点?答:运用柏拉图;④ 如何判断数值的集中与分散?答:运用直方图;⑤ 如何判断两数值间的关系与趋势?答:运用散步图;⑥ 如何对问题进行持续性监控并立即处理?答:运用管制图;⑦ 如何将不同种类,特性的数据加以分类?答:运用层别法;⑧ 如何使干部熟练运用QC七大手法?答:推动品质改善,使之成为公司的文化;学习QC七大手法,使之成为干部管理的工具,并养成持续改善的习惯;本课程为提升干部管理技术而设,使干部从感觉,定性分析升级到定量分析,在管理和技术之间,用QC七大手法架起一座桥梁,使管理人员和技术人员有了沟通的平台和共同的语言! 《QC七大手法的运用》是专门针对制造业干部研发的课程,针对生产制造型企业重实战,重案例,重操作的需求,结合老师30余年来的生产管理实践,生产管理咨询实操,生产管理培训实战呕心沥血之作,其中QC七大手法运用演练表单堪称经典,值得您期待!实战型管理教练-黄俭老师简介:滨江双创联盟荣誉理事长;上海蓝草企业管理咨询有限公司首席讲师;多家知名企业特聘高级管理顾问。
黄老师多年在企业管理、公司战略规划、市场营销、品牌建设、员工管理、绩效考核、上市公司等等方面有着丰富的实践经验;深刻理解了东西方管理精髓。
进入培训教育行业,作为资深培训讲师,在企业内训课、公开课、CEO总裁班等百余家企业和大学课堂讲授战略管理、营销管理、品牌管理等领域专业课程,结合自身的企业实践和理论研究,开发的具有知识产权的一系列新营销课程收到企业和广大学员的欢迎和热烈反馈。
听黄老师上课,可以聆听他的职场经历,分享他的成绩,干货多多!课程突出实用性、故事性、新鲜性和幽默性。
宽广的知识体系、丰富的管理实践、积极向上、幽默风趣构成了独特的教学培训风格,深受听众欢迎。
姓名
部门
成绩
得分No.
QC7大手法分别是什么,并就每个手法画出简单示意图?(问答题,35分)
下面图表哪些是属于QC7大手法?(多项选择题,10分)
1)2)3)4)
3LOGO QC 7大手法培训试卷
日期02答:
如果想在成检缺陷表中众多的缺陷中,找出数量最多的头三大缺陷,一般用QC7大手法中的
什么工具好?(简答题,5分)
试题1
答:答:
得分No.
41)2/3的点距中心线的距离超过2个标准差(同一侧)
关于控制图的判稳和判异原则,下面哪些原则是用于判稳的?(多项选择题,15分)
2)连续6点上升或下降
3)连续25点,界外点数为0
4)连续35点,只有一个超出界外
5)连续100个点,只有两个超出控制规格
6)连续7点位于中心线一侧
答:
下面这张图是什么图?正常吗?为什么?(问答题,15分)
8答:
4)非直线相关
答:
76下面这张图,说明两个参数存在什么关系?(单项选择题,5分)
1)正相关
2)负相关
3)不相关
4)散布图是用来看数据点是集中还是分散的
答:
下面说法正确的是?(单项选择题,5分)51)QC7大手法只有品质部的人员才需要用到。
2)鱼刺图是用来帮助分析原因的
3)控制图就是趋势图
试题
答:
举例说说你的工作中有哪些可以用到QC7大手法中的什么工具?(问答题,至少2个以上,
10分)
共 2 页第 2 页。
QC七大手法及答案
一、填空题(共20题)
1、QC七大手法包括查检表、层别法、直方图、柏拉图、特性要因图、管制图、散布图。
2、特性要因图是当一个问题的特性(结果)受到一些要因(原因)的影响时,我们将这些要因加以整理,成为有相互关系且有系统的图形。
3、散布图根据变量的相关性,可分为正相关、负相关、不相关。
4、应用到80:20原理的是QC七大手法中的___柏拉图____。
~" S
5、造成质量波动并对过程起作用的因素分为随机波动、异常波动两类。
6、造成产品变异的原因可分为异常原因、偶然原因。
7、查检表按用途分可分为记录用、查核用。
8、特性要因图,又称为鱼骨图、因果图。
9、制作特性要因图时,须收集多数人的意见,多多益善,可运用脑力激荡原则。
二、判断题(共30分)
1、散布图适用于计数型数据。
(×)
2、排列图是寻找引发结果原因的管理图形工具。
(×)3m;`; q0X
3、产品合格率、产品外观尺寸、时间等数据是属于计数值数据。
(×)
4、在解决日常问题时,在收集数据之前就应使用层别法(√)
5、[柏拉图]方法,由品管圈(QCC)的创始人日本石川馨博士介绍到品管圈活动中使用,而成为品管七大手法之一(√)
6、制作直方图时,所收集数据的数量应大于50以上。
(√)
7、偶然原因,本质上是局部的,很少或没有,可避免的。
(×)
8、计量型管制图,当每小组的样本10个或10个以上时,应采用Xbar-S管制图。
(√)
9、当有点出现在控制图A区以外,即可判断改点对应的产品已不合格。
(×)
10、不合格数图C-CHART属于计量型管制图。
(×)
三.简答题/计算题(共3题)
1、2、简述制作特性要因图的五步骤。
答:①决定问题特性;②决定大要因;③决定中小要因;④圈出最主要的原因;⑤填上制作项目、日期、制作者等资料。
3、分别列举计量型管制图和计数型管制图的种类(分别列举3个或3个以上)。
答:计量型管制图X–R Chart(平均值和全距图);
X–s Chart(均值和标准差图);
X–R Chart(中位数图);
X–MR Chart(单值和移动极差图);
计数型管制图
P–Chart(不合格品率图); NP–Chart(不合格品数图); C–Chart(不合格数图);
U-Chart(单位缺陷数图)。