镁铝合金粉与镁铝混合粉粉尘爆炸特性的实验研究
- 格式:pdf
- 大小:575.45 KB
- 文档页数:7
镁铝混合粉粉尘最低着火温度实验丁莉英;李晓泉;凡柯;李明菊;许大洋;王兄威【期刊名称】《广西大学学报(自然科学版)》【年(卷),期】2017(042)005【摘要】为了研究镁铝混合粉中铝粉质量百分数对最低着火温度的影响,利用HY16429型粉尘云引燃温度试验装置和HY16430粉尘层最低着火温度实验装置测定镁铝混合粉的最低着火温度.研究结果表明:镁粉粒径为1~10 mm,铝粉粒径为200~300目,在粉尘质量0.5 g,喷尘压力60 kPa条件下,镁粉尘云最低着火温度为575℃,镁粉尘层最低着火温度为300℃;铝粉尘云在1000℃未着火,铝粉粉尘层最低着火温度为470℃;镁铝混合粉尘云最低着火温度比粉尘层最低着火温度高,粉尘层状态比粉尘云状态更容易着火.镁铝混合粉最低着火温度随着铝粉质量百分数的增加而升高.%To study the influence of aluminum dust mass percentage in magnesium aluminum dust mixture on the minimum ignition temperature, the minimum ignition temperature of magnesium aluminum dust mixture was experimentally studied by HY16429 type dust cloud ignition temperature testing device and HY16430 minimum ignition temperature of dust layer experiment device in this paper. The results showed that: minimum ignition temperature of magnesium dust cloud and magnesium dust layer were 575 ℃ and 300 ℃, respectively at the dust particle size of ( 1 ~10 ) mm;minimum ignition temperature of aluminum dust layer was 470 ℃, but the aluminum dust cloud was not ignited in 1000 ℃, at the dust particle size of (200~300) mesh;Minimum ignition temperature ofmagnesium aluminum mixed dust cloud was higher than that of the dust layer, and the state of dust layer was more easily to be ignited than the state of dust cloud. Minimum ignition temperature of magnesium aluminum powder mixed rised with the increase of aluminum powder quality percentage.【总页数】6页(P1924-1929)【作者】丁莉英;李晓泉;凡柯;李明菊;许大洋;王兄威【作者单位】广西大学资源与冶金学院,广西南宁 530004;广西大学资源与冶金学院,广西南宁 530004;广西大学资源与冶金学院,广西南宁 530004;广西大学资源与冶金学院,广西南宁 530004;广西大学资源与冶金学院,广西南宁 530004;广西大学资源与冶金学院,广西南宁 530004【正文语种】中文【中图分类】X932【相关文献】1.镁粉尘层最低着火温度实验研究 [J], 钟英鹏;刘庆明;李蓓;荆泉2.惰性粉尘对铝镁混合粉尘云最低点燃温度的影响 [J], 胡海燕;胡立双;武学3.半煤岩巷混合粉尘最低着火温度的实验研究 [J], 郭柯惊;刘剑;高科;韩方伟4.镁铝混合粉尘爆炸规律研究 [J], 刘志敏5.基于交互正交实验的玉米淀粉粉尘云最低着火温度的影响因素研究 [J], 王庆慧; 袁帅; 卫园梦; 王丹枫因版权原因,仅展示原文概要,查看原文内容请购买。
镁粉爆炸特性和惰化抑爆的实验研究蒯念生;李建明;陈志;欧凤兰;马维【摘要】采用20 L球形爆炸测试装置,考察了镁尘浓度、镁粉粒度、点火能量对镁粉爆炸过程热力学参数Pmax、动力学参数(dP/dt)max的影响;选取CaC03粉末作为惰化剂,考察惰化剂含量、情化剂粒度对镁粉爆炸抑制性能的影响,提出了预防镁粉爆炸、降低爆炸危害的本质化安全对策.结果表明,镁尘浓度、点火能量越高,爆炸危害越大;镁粉粒度越小,爆炸危害越大;惰化剂含量越高、惰化剂粒度越小,抑爆能力越强.【期刊名称】《工业安全与环保》【年(卷),期】2011(037)003【总页数】3页(P53-55)【关键词】镁粉;碳酸钙;粉尘爆炸;爆炸特性;惰化抑爆【作者】蒯念生;李建明;陈志;欧凤兰;马维【作者单位】四川大学化工学院粉尘爆炸过程实验室,成都,610065;四川大学化工学院粉尘爆炸过程实验室,成都,610065;四川大学化工学院粉尘爆炸过程实验室,成都,610065;四川大学化工学院粉尘爆炸过程实验室,成都,610065;四川大学化工学院粉尘爆炸过程实验室,成都,610065【正文语种】中文惰化抑爆是指在可燃粉尘中人为加入一定量的惰性介质,从而达到有效破坏燃烧反应条件的一种抑爆技术措施。
其过程本质上是在可爆粉尘云中适时地形成一定范围的惰化剂悬浮颗粒,当爆炸波传入可燃粉尘-惰化剂混合物时,由于惰化剂本身对化学反应的抑制作用或者通过热量和动量交换扑灭爆炸火焰、衰减激波,从而达到抑制或减轻爆炸灾害作用范围和程度的目的。
当前,对粉尘爆炸的实验研究主要集中于煤粉尘、粮食粉尘、金属粉尘3个热点,其中金属粉尘的研究又主要集中于铝粉,对镁粉爆炸的实验研究起步较晚且少见报道。
Li分析了镁粉生产过程中的爆燃危险性,惰性气体对镁粉的惰化作用[1-2];付羽研究了粒径对镁粉爆炸下限等特性的影响,惰化剂(氯化钠)含量对镁粉爆炸猛度的影响[3-4]。
上述报道对当前的镁粉爆炸实验研究作出了指导,但未能探寻镁尘浓度、点火能量、惰化剂粒度等因素对镁粉爆炸特性的影响,本研究可弥补这些方面的不足。
第51卷第5期2020年5月中南大学学报(自然科学版)Journal of Central South University (Science and Technology)V ol.51No.5May 2020抛光工艺中镁铝合金粉燃爆参数分析王秋红1,闵锐1,孙艺林1,代爱萍2(1.西安科技大学安全科学与工程学院,陕西西安,710054;2.西安科技大学化学与化工学院,陕西西安,710054)摘要:采用粉尘云最低着火温度测试装置及20L 球形爆炸实验系统设计研究微米级镁铝合金粉爆炸特性参数。
研究结果表明:镁铝合金粉尘云最低着火温度随分散压力的增大呈现先减少后增加的趋势,分散压力工况点对应最低的着火温度随着粒径的减少而出现下移现象;镁铝合金粉存在1个临界质量浓度,当镁铝合金粉尘质量浓度低于临界质量浓度时,其最低着火温度受粉尘质量浓度的影响较大,当粉尘质量浓度大于临界质量浓度时,其最低着火温度受粉尘质量浓度影响较小,镁铝合金粉临界质量浓度为4540g/m 3;在同一粒径下爆炸压力随着质量浓度的增加先增大后减小,并存在1个最大爆炸质量浓度使得爆炸压力达到最大值,在1750g/m 3粉尘质量浓度下,粒径为502.2,293.6和59.8μm 的镁铝合金粉均达到最大的爆炸压力,并在500g/m 3粉尘质量浓度下,粒径为502.2,293.6和59.8μm 镁铝合金粉的极限氧体积分数分别为15%,13%和4%。
关键词:镁铝合金;最低着火温度;粉尘爆炸;爆炸压力;极限氧体积分数中图分类号:X945文献标志码:A开放科学(资源服务)标识码(OSID)文章编号:1672-7207(2020)05-1211-10Analysis of magnesium-aluminum alloy powder burningexplosion parameters in the polishing processWANG Qiuhong 1,MIN Rui 1,SUN Yilin 1,DAI Aiping 2(1.School of Safety Science and Engineering,Xi'an University of Science and Technology,Xi'an 710054,China;2.College of Chemistry and Chemical Engineering,Xi'an University of Science and Technology,Xi'an 710054,China)Abstract:The explosion characteristic parameters of micron magnesium-aluminum alloy powder were studied by using 20L spherical explosion experimental system and testing device of minimum ignition temperature of dust cloud.The results show that the minimum ignition temperature of magnesium-aluminum alloy dust cloud firstly decreases and then increases with the increase of dispersion pressure.The minimum ignition temperatureDOI:10.11817/j.issn.1672-7207.2020.05.005收稿日期:2019−09−26;修回日期:2019−12−29基金项目(Foundation item):国家重点研发计划项目(2016YFC0800100);陕西省国际科技合作与交流项目(2016KW-070);陕西省教育厅专项科研计划项目(2013JK0947)(Project(2016YFC0800100)supported by the National Key Research and Development Program of China;Project(2016KW-070)supported by the International Science and Technology Cooperation and Exchange of Shaanxi Province;Project (2013JK0947)supported by the Special Scientific Research Program of Education Department of Shaanxi Provincial Government)通信作者:王秋红,副教授,硕士生导师,从事工业安全理论及防治技术研究;E-mail:***********************第51卷中南大学学报(自然科学版)corresponding to dispersion pressure working point decreases with the decrease of particle size.There is a critical mass concentration when the dust mass concentration of magnesium-aluminum alloy is lower than the critical mass concentration,and the minimum ignition temperature is greatly affected by the dust mass concentration. When the dust mass concentration is higher than the critical mass concentration,the minimum ignition temperatureis less affected by the dust mass concentration,and the critical mass concentration of magnesium-aluminum alloy powder is4540g/m3.At the same particle size,the explosion pressure firstly increases and then decreases with the increase of the mass concentration.There is a maximum explosion mass concentration,which makes the explosion pressure reach the maximum value.The explosion pressure of magnesium-aluminum alloy powder with the particle size of502.2,293.6and59.8μm reaches the maximum at alloy powders mass concentration of 1750g/m3.Besides,the limited oxygen volume fractions of magnesium-aluminum alloy powder are15%,13% and4%with particle sizes of502.2,293.6and59.8μm at alloy powder mass concentration of500g/m3.Key words:magnesium-aluminum alloy;minimum ignition temperature;dust explosion;explosion pressure; limited oxygen volume fraction镁铝合金在冶金、化工、建筑、军事等方面有着广泛应用[1]。
金属镁粉尘爆炸机理及防护技术研究进展
代世梅;谢乐源
【期刊名称】《矿山工程》
【年(卷),期】2024(12)2
【摘要】在镁合金生产加工过程中,由于除尘的不及时,存在大量的镁粉。
在一定条件下,镁粉被扬起,遇到点火源,产生爆炸危机人们生命和财产安全。
本研究将对镁粉爆炸机理和防爆方面的研究加以总结,归纳出镁粉的爆炸机理并根据镁粉的爆炸机理对防爆技术加以研究,从而完善其相关产品的保护措施,最大程度的减少金属镁粉尘爆炸的风险和危害。
【总页数】5页(P270-274)
【作者】代世梅;谢乐源
【作者单位】重庆科技大学安全工程学院
【正文语种】中文
【中图分类】TG1
【相关文献】
1.粉尘爆炸防护措施的研究进展
2.工业粉尘爆炸的防护技术:第三届粉尘爆炸会议简讯
3.粉尘爆炸机理及粉尘防爆电气设备标准介绍
4.热爆炸理论在粉尘爆炸机理研究中的应用
5.粉尘爆炸及防护措施研究进展
因版权原因,仅展示原文概要,查看原文内容请购买。
Al-Mg合金的制备和燃烧性能研究马浩然;毛丹;张宏雷;庞爱民;杨梅【摘要】通过Pandat热力学软件,计算了Al⁃Mg合金不同温度和组成的生成焓,筛选出可能作为燃烧剂的Al⁃Mg合金组成和制备条件。
然后在500℃采用热处理的方式,制备了Al⁃Mg合金粉,对产物结构、形貌、组成等进行了分析,发现产物由Al3 Mg2和FCC固溶体相组成。
通过TG⁃DSC、氧弹量热仪测试了合金粉的氧化、燃烧性能,并分析了反应机理。
与单质和相应组成的混合粉进行对比,发现合金粉比混合粉更易发生反应,且反应更完全,放出的热量也更多。
%The formation enthalpies of Al⁃Mg binary alloys in the range of 25~4 000 ℃ were calculated by Pandata software package and the composition and synthesis conditions were obtained.The results show that when the mole amount of Mg element is 0. 29 the alloy has the positive maximum formation enthalpies,7.87 kJ/mol.The phase structure has direct effect on the formation en⁃thalpy.Then,Al⁃Mg alloy powders were prepared by heat treatment using Al particles and Mg particles as the starting materials. The samples were analyzed by X⁃ray diffraction,SEM and combustion heats were tested by TG⁃DSC and oxygen bomb calorimetry.The re⁃sults show that alloy are consist of Al3Mg2 and FCC solid solution.At the same conditions,alloy releases combustion heat more easily and fully than the corresponding mixture powders.【期刊名称】《固体火箭技术》【年(卷),期】2016(039)005【总页数】6页(P649-654)【关键词】Al-Mg合金粉;生成焓;燃烧热;热处理【作者】马浩然;毛丹;张宏雷;庞爱民;杨梅【作者单位】中国科学院过程工程研究所多相复杂系统国家重点实验室,北京100190; 青岛科技大学化学与分子工程学院,青岛 266042;中国科学院过程工程研究所多相复杂系统国家重点实验室,北京 100190;中国航天科技集团公司四院四十二所,襄阳 441003;中国航天科技集团公司四院四十二所,襄阳 441003;中国科学院过程工程研究所多相复杂系统国家重点实验室,北京 100190【正文语种】中文【中图分类】V512金属燃烧剂是现代固体推进剂的重要组分之一,不仅可显著提高推进剂的能量水平,而且对推进剂的燃烧性能、感度和特征信号等均有不同程度的影响[1]。
第1期(总第125期)机械管理开发2012年2月No.1(S UM No.125)M EC HANIC ALM ANAGEM ENT ANDDEVELOPM ENTFeb.2012引言随着工业发展,粉尘爆炸事故屡见不鲜;爆炸粉尘种类也多,除了粮食粉尘以外,镁铝等工业粉尘引起了人们的注意。
目前,对粉尘爆炸主要集中在粉尘爆炸机理的研究、特性参数的研究、防爆措施的研究等方面[1]。
粉尘爆炸是个复杂过程,受大量物理因素的影响,至今还没有探讨的很清楚。
要了解粉尘爆炸发生及发展的过程、机理、影响因素、危险性评价,必须有一套基本参数、试验方法、仪器设备。
发生粉尘爆炸必须具备几个条件[2]:1)物质必须是可燃的;2)粉尘粒子要有合适的粒径和分布状态;3)还要有引燃源[3]。
除环境因素对粉尘爆炸显著影响外,各种粉尘的理化特性也有影响。
例如粉尘爆炸的下限浓度,粉尘爆炸的最小点火能量,以及氧气浓度和可燃气体存存的影响等等[4-5]。
由于燃料的经济性及环境保护日益引起重视,镁以质轻能节约燃料,特别是在采用高纯镁合金以后,不必进行表面防护就能取得良好的耐磨性,而且还可反复再利用,受到各行业的青睐。
近几年,镁合金、镁压铸件在汽车行业非常引人注目,用镁代替塑料用于家用电器、计算机外壳、携带电话外壳呈现增长趋势。
所有镁制品生产厂进行机械加工、研磨时都会产生大量的镁粉尘,处理不当或者不及时,将会产生爆炸[6]。
镁合金最大的缺点是在融化和成型过程中易氧化燃烧,研究其熔炼和成型过程中防止镁的氧化和燃烧,仍是今后镁合金大量应用的关键。
截止目前为止,我国的镁合金的防燃研究还处于起步阶段,与世界水平差距较大,面临严峻挑战,开发自己的镁合金材料、赶超世界先进水平具有重要意义。
研究镁铝等粉尘的爆炸特性,不仅具有工程应用价值,还有理论意义。
文中分析了镁铝粉尘爆炸的机理,探讨了镁铝粉尘爆炸的条件,阐述了市场上销售的镁铝合金粉的存在问题。
1镁铝粉尘爆炸的机理和条件1.1镁铝粉尘燃烧爆炸的机理[7]镁、铝金属加工成细小的粉末后,其总表面积增大,粉末颗粒表面与氧气发生氧化的能力更强,蓄积热量的能力增大,从而提高了其化学活性。
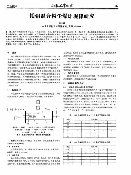
镁铝混合粉尘爆炸规律研究作者:刘志敏来源:《山东工业技术》2015年第04期摘要:镁与铝被运用于各个行业,特别是在化工,军工,航天等行业得到广泛应用。
在一定条件下,镁和铝制备成颗粒极易发生爆炸。
所以有必要研究镁、铝粉尘爆炸的规律,从而预防和控制爆炸事故的发生。
本文以镁铝混合粉尘为研究对象,基于水平管道对其进行实验研究。
结果表明:200目(75µm)以下镁铝混合粉尘比例分别为1:1,1:2,1:3的爆炸下限分别为30g/m3、40g/m3、 65g/m3。
随着镁铝混合粉尘中铝比例的增加,爆炸下限增大。
镁铝混合粉尘发生爆炸时存在一个浓度值,在此浓度值下最大爆炸压力达到最大。
相同浓度不同配比下,随着镁铝混合粉尘中铝粉比例的增加,爆炸时最大爆炸压力减小,爆炸的猛烈程度降低。
关键词:镁粉;铝粉;爆炸下限;爆炸压力0 引言粉尘爆炸是给人类生产生活带来危害的主要事故,同时,镁铝粉在工业中有广泛的应用,但自身化学性质活泼,极易发生燃烧爆炸。
有效预防爆炸灾害产生的危害,准确掌握其爆炸的原理,了解其爆炸特性,建立相应的爆炸实验装置,研究其爆炸特性是很有必要的。
中国对镁铝合金的抑燃抑爆的研究仍处于最初阶段,落后于国际先进水平很大的差距,在镁铝合金的应用上受制于国外。
因此,对镁铝金属的研究意义重大。
本文在参阅镁铝合金相关文献的基础上,对其爆炸特性规律进行研究,使用本实验室自行设计制造的设备对其爆炸特性进行研究,测出不同配比镁铝合金的爆炸极限,研究了不同配比镁铝合金不同浓度的最大爆炸压力的变化规律。
1 实验部分本实验利用实验装置为本实验室自行设计研究的设备,实验设备为管道式可燃气体-粉尘爆炸试验装置,如下图所示。
整套实验装置由水平管道、扬尘系统、点火控制系统和信号采集系统 4 部分组成。
1.1 水平管道水平管道总长0.7米,截面为直径139mm的圆形。
内置电极、吹粉管。
体积为0.0106m3。
1.2 扬尘系统扬尘系统由空压机、电磁阀、贮气室、粉尘仓、吹粉管等组成。
关于铝合金生产粉尘爆炸安全管理的探讨摘要:铝合金生产工业体日渐广泛,但由于技术新颖,技术人员缺乏相应的工作经验,近年来,在生产过程中,由于安保措施不到位,安全事故也时有发生,生产工程的很多方面还有待完善。
本文意在对铝合金生产过程中的粉尘爆炸治理进行分析,并提出自己的解决方案,希望对类似的企业提供借鉴。
关键词:铝合金;生产;粉尘爆炸;安全管理引言由于铝及其合金具有许多优良的物理性质,因而铝及其合金材料在国防军工现代化、交通工具轻量化和国民经济高速持续发展中占有极为重要的地位,早已成为许多国家和地区的重要产业支柱之一,铝生产的发展日新月异,铝生产的安全管理也要加大力度,尤其是近几年关于铝加工产业粉尘爆炸的新闻事故越来越多,铝合金是一种比较活泼的合金,在一定的条件下,铝、镁粉尘极易发生粉尘爆炸。
因此,在进行铝、镁件加工时,粉尘的防爆治理便成为一道不可逾越的底线。
下面针对铝合生产过程中的工艺探讨铝合金粉尘的防爆治理。
1企业生产存在的主要问题1.1企业对粉尘爆炸的危险性认识严重不足。
粉尘的形态特征是颗粒物,颗粒物在空气中悬浮,形成粉尘云的形态构造,空气中可燃物以颗粒状呈现,往往是积聚在地面、墙面、沟槽、门窗及设备设施上,使可燃性粉尘环境持续地存在,积存着粉尘爆炸的能量大于普通的气体分子爆燃的能量。
粉尘颗粒在燃爆瞬间,产生高烈度的高温释放及爆炸气压,构成粉尘云燃爆时产生的爆轰波的传播能量。
以铝镁合金粉尘为例,粉尘云的燃爆瞬间,产生2000℃~3000℃的爆炸高温,爆轰波的传播能量巨大。
往往爆炸一旦发生,由于前一次爆轰波的能量激发周边更大面积的积尘,产生第二次可爆的粉尘云,出现连环爆,对事故的救援和人的生命安全带来极大的危害。
大部分企业对涉粉尘爆炸的安全生产和职业危害防护意识不强,特别是不少中小企业主要负责人,对粉尘的危险性和危害性严重缺乏认识。
1.2企业防范粉尘爆炸的安全生产基础仍然薄弱。
大部分涉粉尘防爆企业安全基础设施建设欠账较多,部分粉尘防爆危险企业厂房建设为一二十年前,不完全符合建规、防火及《严防粉尘爆炸五条规定》等标准规定,设备老化陈旧,涉粉尘加工的多数企业除尘、防护技术较为落后,随着生产经营企业数量迅速增长,粉尘爆炸危险企业面广、量多,与生产经营发展存在的结构性矛盾突出,涉及粉尘爆炸危险等行业领域各类安全风险不断增加。
铝合金表面抛光产生的铝粉、粉尘为什么会爆炸?【铝道网】铝合金、铝型材等铝制品常见表面处理就是抛光,打磨,会产生大量的铝粉、粉尘。
铝粉及粉尘为什么会发生铝粉爆炸、粉尘爆炸呢?什么是铝粉呢:又叫银粉,别名铝银粉,传热性能好。
铝粉的火灾危险性在于,其粉尘飞扬与空气混合,若遇火星会发生爆炸和燃烧。
铝粉与其他氧化剂混合也能形成爆炸性混合物。
若与酸、碱接触会产生氢气,而氢气在空气中也容易燃烧和爆炸。
这次昆山中荣金属制品有限公司爆炸原因已查明就是铝合金轮毂在抛光时产生的大量铝粉、粉尘遇到明火发生铝粉爆炸、粉尘爆炸事故,造成巨大人员伤亡事故。
铝合金抛光有分好多种的。
一般都是打上抛光蜡再用布轮抛,这样的话就自然有很多铝粉尘。
但一般铝合金加工工厂都是在抛光机边上有个吸力很大的排气排尘装置。
所以铝粉及粉尘不会有那么多聚集的。
铝粉都是二级遇水燃烧物品,与水能发生反应,产生氢气,放出热量。
有时会遇到干燥的铝粉发生爆炸,这是因为颗粒极微小的干燥铝粉能悬浮在空气中,增大了与空气的接触表面,使其化学活性增加,一旦粉尘在空气中达到一定的量时,遇到着火源,能迅速爆燃,瞬间产生大量的热量和燃烧产物,使气体、蒸汽等剧烈膨胀,造成爆炸的后果。
当这个浓度达到爆炸浓度区间后,受一定点火能的影响,就会发生爆炸,如果铝粉过多,可能导致铝粉再度扬起,形成二次爆炸,叫殉爆。
铝粉也能爆炸,估计很多人都不知道。
具体地说,长时间的抛光作业使得作坊的空气里弥漫了很多铝粉,而铝的燃点又相当低,只要遇到火源或高温、摩擦,都可能爆炸。
由于铝会和水发生化学反应生成氢气,这正是不能用水来灭火的原因。
以前就曾发生过用水来灭铝粉爆炸的火,引发再次爆炸的例子。
铝粉爆炸引起的火灾不能使用水,而应当使用泡沫灭火机来灭火(铝型材加工)。
通过泡沫覆盖,将大火和空气隔离。
这就是因为铝会和水发生化学反应生成氢气,而不能用水来灭火的原因。
以前就曾发生过用水来灭铝粉爆炸的火,引发再次爆炸的例子。
镁粉粉尘爆炸特性的实验研究1、相关定义1.1、煤粉粉尘爆炸的定义及其危害的了解当空气中煤粉颗粒均匀分散且细度值满足,煤粉和空气充分混合,其比例达到 2 爆炸发生的下限,按照爆炸发生的五要素,此时点火源存在且其携带能量能使其发生燃烧引起的爆炸现象叫煤粉粉尘爆炸。
煤粉粉尘发生爆炸易导致连锁性爆炸,爆炸易出现的部位:燃料输送系统、干燥系统、除尘系统、库房、磨机。
往往爆炸一旦发生,其影响的范围会扩大,造成重大恶性事故和巨大的经济损失。
总结煤粉粉尘爆炸的特点和危害主要有以下方面: (1)分布作用。
如上所言,煤粉粉尘的爆炸遍及范围广,涉及到不同的生产车间,爆炸产生的震荡易引起粉尘的扬起而产生二次或连环爆炸。
而且在爆炸场破坏的范围内,由于爆炸引起的反复震荡对建筑物的内部结构产生松散作用。
(2)冲击波。
爆炸一旦发生,以炸点为中心快速的压力提升使空气被强烈压缩与扩张,形成大气冲击波。
冲级波最初表现为正压力,而后出现负压力。
负压力是在中心气压下降后空气的回补作用而产生,正、负压力的交替出现形成空气波状气压向四周扩散,从而对附近人或设施产生影响。
影响的大小和环境本身及冲击波的能量大小、以及与距离冲击波的中心远近相关。
(3)爆炸形成的碎片飞溅,设备损坏的残留,以及高温高压气体,固体和周围环境产生的碰撞。
(4)火灾。
煤粉爆炸燃烧产生高温气体火焰,往往易点燃易燃物引起火灾, 引起更大的损失和人员伤亡。
(5)有毒气体。
粉尘爆炸属固体燃烧部分,易发生燃烧不充分而生的一氧化碳,有使人中毒的危险。
1.2、煤粉粉尘爆炸的定义及其危害煤粉粉尘爆炸指的是当相当细度的煤粉分散于空气或其它助燃气体中,当其浓度达到爆炸极限时,接受足够的点火能量后所必然发生的一种爆炸现象。
一旦发生煤粉粉尘爆炸,往往酿成厂毁人亡的恶性事故,造成巨大的经济损失。
煤粉粉尘爆炸之所以产生的危害大,跟煤粉粉尘爆炸引起的多种破坏方式有关[3][4] [5]: 震荡作用在煤粉粉尘爆炸遍及破坏作用的区域内,有一个能使物体震荡,使之松散的力量。
粉尘爆炸机理及预防对策研究摘要:粉尘爆炸产生的破坏力极强、危害极大,了解粉尘爆炸的原理及危害,掌握预防措施尤为重要。
对此,为了有效控制铝粉尘发生爆炸事故,避免导致惨重伤亡。
文章结合铝粉的理化性质和火灾危险性,针对铝粉尘发生爆炸的机理,提出了相应的预防对策。
关键词:铝粉;爆炸条件;预防对策许多工农业生产过程中都能产生粉尘,这些粉尘不仅污染厂区和作业环境,危害人们的健康,而且还严重威胁现场作业人员的生命,这是因为某些粉尘在特定的情况下会发生爆炸。
近年来,我国发生多起可燃性粉尘引发的燃烧、爆炸事故,造成人员伤亡和财产损失,引起各级政府和社会各界的高度重视。
一、铝及其粉尘的理化性质分析(一)铝的物理性质铝是银白色的轻金属,较软。
工业上广泛使用的纯铝,其物理性质包括:熔点低,熔点与纯度有关,99.996%的铝熔点为660.37℃,99.97%的铝为659.8℃;密度小,密度与温度和纯度有关,室温下纯度为99.996%铝的密度为2698.9kg/m3,约为铁密度的35%,可制造轻结构,有“会飞金属”之称;可强化,纯铝强度不高,冷加工硬化能使强度提高一倍以上,当然塑性变低,可通过添加各种元素合金化(变成铝合金),使其强度提高,塑性下降不太大;塑性好,易加工,可高速进行车、铣、镗、刨等机械加工,无低温脆性;抗腐蚀,铝表面上极易生成致密而牢固的氧化铝(Al2O3)薄膜,而且被破坏后会立即生成,保护铝不被腐蚀;导热、导电性好,铝的导热、导电性仅次于金、银和铜,其热导率(0~100℃)为22.609W/(m·K)。
另外,铝还有无磁性、反射性强、有吸音性、耐核辐射和美观等特性[1]。
(二)铝的化学性质铝元素位于元素周期表第三周期、第ⅢA族,是较活泼的金属元素,铝的原子序数是13。
其具有的化学性质包括:铝最外层有三个电子,因此易和氧化性较强的物质发生氧化还原反应而至其失去最外层三个电子,变成三价铝离子,如图1所示。
镁铝合金粉与镁铝混合粉粉尘爆炸特性的实验研究
喻健良,田甜
大连理工大学化工学院(116011)
E-mail:az99432@
摘 要:本文对镁铝合金粉尘以及混合粉尘的爆炸特性进行了实验研究。
发现镁铝合金粉反应迅速,爆炸猛烈,其爆炸反应能力要远强于镁铝混合粉;点火延迟时间对其最大爆炸压力和最大压力上升速率的影响十分明显;存在一个最佳粉尘浓度,使得最大爆炸压力和最大压力上升速率达到最大值;合金粉中镁含量越多,性质越不稳定;混合粉中随着镁含量的增加,性质更加接近纯镁粉。
关键词:粉尘爆炸 最大爆炸压力 最大压力上升速率
1.引言
镁铝合金粉是烟花爆竹原材料中重要的还原剂,有时也用作白光发光剂或照明剂。
合金粉燃烧产生的高温使不同的金属离子产生各种美丽的颜色和花样效果。
它不仅用途广,而且在每个配方中起着关键作用,在氧化还原反应中产生大量的热量主要来自镁铝合金粉等金属粉剂,合金粉的质量不仅影响产品质量而且还影响到其安全性能[1]。
镁铝混合粉虽然是二者的物理混合,但在一定条件下,也具有爆炸危险性。
2.镁铝合金粉爆炸特性的实验研究
2.1点火延迟时间对最大爆炸压力和最大压力上升速率的影响
点火延迟时间对镁铝合金粉尘的最大爆炸压力和最大压力上升速率d t max P ()max dt dP 的影响规律如图1和图2所示。
图中合金粉粒径为80μm ,合金粉尘浓度400g/m 3,合金粉尘中Mg 的质量百分含量分别为50%和53%。
从实验结果可以看出:随着点火延迟时间的变化,最大爆炸压力和最大压力上升速率随之变化,存在一个使最大爆炸压力和最大压力上升速率达到最大的延迟时间。
对于镁占50%的,约为55ms 左右;对于镁占53%的,约为45ms 左右。
可见,随着镁含量的增加,延迟时间大大缩短了。
当延迟时间较小时,气流来不及把管底的粉尘全部吹起,从而减小了管中心粉尘云的浓度,使最大爆炸压力和最大压力上升速率减小;当延迟时间逐渐增大时,粉尘颗粒在自身重力的作用下将渐渐向管底沉积,管中心粉尘云的浓度变小,使得最大爆炸压力和最大压力上升速率有所减小。
图1 点火延迟时间对的影响
max P Fig.1 Influences of ignition delay on
max P
图2 点火延迟时间对()max dt dP 的影响 Fig.2 Influences of ignition delay on ()max dt dP
2.2浓度对最大爆炸压力和最大压力上升速率的影响
粒径80μm 的镁铝合金粉在哈特曼管中爆炸的实验结果如图3和图4所示。
从图中可以看出,最大爆炸压力起初随着粉尘浓度的增加有较明显的上升;当粉尘浓度为600g/m 3
时,最大爆炸压力的值逐渐趋于最大;当粉尘浓度超过600g/m 3以后,最大爆炸压力的值随着粉尘浓度的增加开始逐渐减小。
最大升压速率随粉尘浓度的变化与最大爆炸压力随粉尘浓度的变化规律相似。
当浓度接近600 g/m 3 时,最大升压速率达到最大值,随后,随着浓度的减小最大升压速率将逐渐减小。
由图还可以看出,随着镁的含量的增加,使得最大爆炸压力和最大压力上升速率也相应的增加。
因而,镁铝合金粉中,镁的含量越多,合金性质越不稳定。
图3 粉尘浓度对的影响
max P Fig.3 Influences of dust concentration on max P
图4 粉尘浓度对()max dt dP 的影响 Fig.4 Influences of dust concentration on ()max dt dP
3.镁铝混合粉爆炸特性的实验研究
3.1 点火延迟时间对最大爆炸压力和最大压力上升速率的影响
点火延迟时间对镁铝混合粉尘的最大爆炸压力和最大压力上升速率d t max P ()max dt dP 的影响规律如图5和图6所示。
图中镁粉粒度为80μm,铝粉粒度也为80μm ,混合粉尘浓度为400g/m 3,混合粉尘中Mg 的质量百分含量为30%。
从实验结果可以看出:随着点火延迟时间的变化,最大爆炸压力和最大压力上升速率也随之变化。
存在一个使最大爆炸压力和最大压力上升速率最大的延迟时间,这个延迟时间大约为90ms 左右。
当延迟时间较小时,气流来不及把管底的粉尘全部吹起,从而减小了管中心粉尘云的浓度,使最大爆炸压力和最大压力上升速率减小;当延迟时间逐渐增大时,粉尘颗粒在自身重力的作用下将渐渐向管底沉积,管中心粉尘云的浓度变小,使得最大爆炸压力和最大压力上升速率有所减小。
图5 点火延迟时间对的影响
max P Fig.5 Influences of ignition delay on
max P
图6 点火延迟时间对()max dt dP 的影响 Fig.6 Influences of ignition delay on ()max dt dP
3.2 质量百分含量对最大爆炸压力和最大压力上升速率的影响
粒径80μm ,浓度为400 g/m 3的镁铝混合粉在哈特曼管中爆炸的实验结果如图7和图8所示。
从图中可以看出,,随着镁的含量的增加,使得最大爆炸压力和最大压力上升速率也相应的增加。
当镁粉的质量百分含量较高时,其混合粉尘的性质更接近于镁粉的爆炸性质;当镁粉的质量百分含量较低时,其混合粉尘的性质接近于铝粉的爆炸性质。
因而,镁铝混合粉中,镁的含量越多,性质越不稳定。
图7 质量百分含量对的影响
max P Fig.7 Influences of mass percent on max P
图8 质量百分含量对()max dt dP 的影响 Fig.8 Influences of mass percent on ()max dt dP 4.总结
下表对粒度为80μm,浓度为400 g/m 3的镁铝合金粉与镁铝混合粉爆炸结果进行了比较。
表1 合金粉尘与混合粉尘爆炸结果的比较
Tab.1 Compare between alloy dusts and mixed dusts explosion results
粉尘种类
max P (MPa ) ()max dt dP (MPa /s ) 镁铝合金粉
0.81 282.7 镁铝混合粉
0.51 111.4
可见,镁铝合金粉反应迅速,爆炸猛烈,其爆炸反应能力远强于镁铝混合粉。
因为对于镁铝混合粉而言,尽管镁的燃烧对铝的燃烧有所促进,但毕竟是二者的物理混合。
与镁铝合金粉这种固溶液相比,镁原子与铝原子的距离要大许多,它们是分散燃烧,而镁铝合金是一种整体燃烧[2]。
参考文献
[1] 李增义,赵旭超.镁铝合金粉尘成分差异的安全探讨.花炮科技与市场.2003,(36)2:38-39.
[2] 肖秀友,吴护林,王玉玲,王英红.镁铝合金的特性及在富燃料固体推进剂中的应用.中国宇航学会
固体火箭推进第22届年会.2005:169-172.
Experimental Studies on the Characteristics of Magnesium and Aluminum Alloy and their Mixture Dust Explosion
JianLiang Yu, TianTian
The School of Chemical Engineering,
Dalian University of Technology, 116011
Abstract
The characteristics of dust explosion of magnesium and aluminum alloy and their mixture were studied experimentally in this paper. The alloy reacts more quickly and fiercely than the mixture. The effects of ignition delay on the maximum explosion pressure and maximum rate of pressure rise are very noticeable; and exists a optimum concentration that makes the maximum explosion pressure and maximum rate of pressure rise reach a maximum. The more the content of magnesium in the alloy is, the less steady it is. The character of the mixture is close to the magnesium dust’s when you increase the content of the magnesium.
Keywords: Dust Explosion;Explosion Pressure;Rate of pressure rise。