剪力墙模板计算书
- 格式:docx
- 大小:105.48 KB
- 文档页数:10
引言概述:正文内容:一、材料选择1.钢材选择:剪力墙结构模板所使用的钢材应具有良好的抗拉、抗弯和抗剪性能。
一般情况下,常用的钢材有Q235、Q345等。
在选择钢材时,需要考虑结构的使用寿命、地震烈度和保护层厚度等因素。
2.混凝土选择:剪力墙结构模板所使用的混凝土应具有足够的强度和韧性。
一般情况下,常用的混凝土等级有C25、C30等。
在选择混凝土等级时,需要考虑结构的受力特点、地震烈度和施工工艺等因素。
二、模板尺寸计算1.剪力墙的高度:剪力墙的高度应根据建筑物的层高和地震烈度来确定。
一般情况下,剪力墙的高度可按照建筑物层高的2/3来确定。
2.模板的厚度:剪力墙模板的厚度应根据结构的受力特点和设计要求来确定。
一般情况下,剪力墙模板的厚度可按照混凝土强度和剪力墙高度的比例关系来确定。
3.模板的宽度:剪力墙模板的宽度应根据结构布局、受力特点和施工要求来确定。
一般情况下,剪力墙模板的宽度可按照剪力墙厚度的24倍来确定。
三、剪力墙受力分析1.剪力墙的受力特点:剪力墙主要承受纵向地震力和横向地震力的作用。
纵向地震力是指地震波在水平方向上对剪力墙的作用,主要通过剪力墙的抗拉和抗压能力来传递。
横向地震力是指地震波在垂直方向上对剪力墙的作用,主要通过剪力墙的抗剪能力来传递。
2.剪力墙的受力分布:剪力墙的受力分布主要取决于结构的布局和荷载的分布。
一般情况下,剪力墙的受力集中在墙体的顶部和底部,并且沿着墙体的高度逐渐减小。
3.剪力墙的受力计算:剪力墙的受力计算应按照强度设计原则进行。
即根据剪力墙的几何形状、材料性能和施工工艺等因素,计算剪力墙的承载能力和剪力墙的荷载作用。
四、模板破坏形态1.剪力墙模板的破坏形态:剪力墙模板的破坏形态主要有拉伸破坏、剪切破坏和压碎破坏等。
拉伸破坏是指模板顶部或底部的钢筋因附加的拉应力而破坏;剪切破坏是指模板中部的混凝土因剪切应力过大而破坏;压碎破坏是指模板的一部分或整体因承受压力过大而破碎。
剪力墙结构手算计算书(剪力墙结构).doc 范本一:剪力墙结构手算计算书(剪力墙结构).doc1. 引言1.1 文档目的1.2 文档范围1.3 文档参考2. 综述2.1 剪力墙结构概述2.2 剪力墙结构的作用2.3 剪力墙结构的特点3. 设计参数3.1 结构要求3.2 剪力墙尺寸3.3 材料特性4. 荷载计算4.1 水平荷载计算4.2 垂直荷载计算4.3 剪力墙荷载传递5. 剪力墙设计5.1 剪力墙筋型选择5.2 剪力墙筋布置5.3 剪力墙筋材料选择5.4 筋条间距与截面积计算6. 剪力墙施工6.1 施工方法6.2 施工工艺6.3 施工注意事项7. 质量控制7.1 检测方法7.2 质量控制步骤7.3 现场监督要求附件:剪力墙结构设计图纸法律名词及注释:1. 建筑法:指规范建筑行为的法律法规,包括建设工程法、城市规划法等。
2. 构造物:指由人工构造或改造而成的建筑物或其他物体。
3. 结构设计:指构造物各构件的尺寸、材料、连接方式等的确定以及荷载计算、抗震设计等的相关工作。
4. 施工工艺:指施工过程中的具体方法、流程以及使用的设备、工具等。
5. 质量控制:指在施工过程中对材料、施工工艺等进行监督和检查,以确保施工质量的控制措施。
范本二:剪力墙结构手算计算书(剪力墙结构).doc1. 概述1.1 项目背景1.2 文档目的2. 设计参数2.1 结构要求2.2 荷载参数2.3 材料特性3. 受力分析3.1 剪力墙的受力分析3.2 荷载传递路径的分析4. 剪力墙设计4.1 剪力墙筋型选择4.2 剪力墙筋布置4.3 剪力墙筋材料选择4.4 筋条间距与截面积计算5. 剪力墙施工5.1 施工方法5.2 施工工艺5.3 施工注意事项6. 质量控制6.1 检测方法6.2 质量控制步骤6.3 现场监督要求附件:剪力墙结构设计图纸法律名词及注释:1. 建筑法:指规范建筑行为的法律法规,包括建设工程法、城市规划法等。
2. 构造物:指由人工构造或改造而成的建筑物或其他物体。
标准层剪力墙模板计算书一、工程概况本工程为具体工程名称,位于工程地点。
标准层剪力墙的设计高度为具体高度,厚度为具体厚度。
剪力墙的混凝土强度等级为具体等级。
二、模板选型根据工程的实际情况和施工要求,标准层剪力墙模板选用具体模板类型,该模板具有模板的优点,如强度高、稳定性好等。
三、荷载计算1、新浇混凝土侧压力标准值按照《混凝土结构工程施工规范》(GB 50666-2011)的规定,当混凝土浇筑速度在具体速度以内时,新浇混凝土作用于模板的最大侧压力,可按下列公式计算:F1 =028γct0βV1/2F2 =γcH其中,γc 为混凝土的重力密度,取具体数值kN/m³;t0 为新浇混凝土的初凝时间,取具体时间h;β为外加剂影响修正系数,取具体数值;V 为混凝土的浇筑速度,取具体速度m/h;H 为混凝土侧压力计算位置处至新浇混凝土顶面的总高度。
计算得:F1 =具体数值kN/m²,F2 =具体数值kN/m²。
取两者中的较小值,即新浇混凝土侧压力标准值 F =具体数值kN/m²。
2、倾倒混凝土时产生的水平荷载标准值考虑到施工过程中可能出现的混凝土倾倒情况,取倾倒混凝土时产生的水平荷载标准值为具体数值kN/m²。
3、荷载组合计算承载能力时,荷载组合为:F' =具体组合数值kN/m²。
验算刚度时,荷载组合为:F''=具体组合数值kN/m²。
四、模板面板计算1、面板的强度计算面板为受弯构件,按三跨连续梁计算。
面板的计算宽度取具体宽度mm。
弯矩计算公式为:M = 01ql²其中,q 为作用在面板上的线荷载,l 为计算跨度。
应力计算公式为:σ = M/W其中,W 为面板的截面抵抗矩。
计算得面板的最大应力σ =具体数值N/mm²,小于面板的抗弯强度设计值f =具体数值N/mm²,满足强度要求。
2、面板的挠度计算挠度计算公式为:ω = 0677ql⁴/(100EI)其中,E 为面板的弹性模量,I 为面板的截面惯性矩。
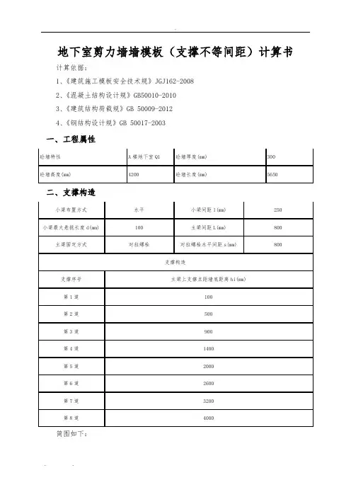
墙模板(支撑不等间距)计算书计算依据:1、《建筑施工模板安全技术规范》JGJ162-20082、《混凝土结构设计规范》GB50010-20103、《建筑结构荷载规范》GB 50009-20124、《钢结构设计规范》GB 50017-2003、工程属性、支撑构造简图如下:[25Q墙模板(支撑不等间距)剖面图 o e rT 4EL KiL 4• 4h0佃.亠 4rii ■ isa■问■ 4M叶TLL1 —r—11i ・i■ghihiLifiliSi■italL■■■uil [rFilRI=—JHPI --1—1.1■HI■ 1l ・I ■■■ Sh i£i■ a jfil ■ H i|HB S L jaiJ■Blq ■1 \9lT[■I ■C l131■R !IF 1 L - !BIBI1 p1TWTIS 1T ■RW1KK1 Mfiung H1W1泗 MMmnMKrUUJ* 甲丽H 更・1轟朗陌6口1刚itUWmOfiillMmKKl 1H 和Hl 皿lIHijniWUajfin2QQQ墙模板(支撑不等间距)正立面图三、荷载组合有效压头咼度h = GW 丫宁24= 1.6m承载能力极限状态设计值S max= [1.2G4k+, 1.35 G4k+ x=[ X +,xx + x=m2S min = X Q k= X = m2正常使用极限状态设计值S" max= G4k= m2S" min = OkN/m2四、面板验算根据《规范》JGJ162面板验算按简支梁。
梁截面宽度取单位宽度即b= 1000mm W= bh2/6 = 1000 x 186 = 54000mm3, I = bh3/12 = 1000 x 1&12=486000mm4 考虑到工程实际和验算简便,不考虑有效压头高度对面板的影响。
1、强度验算q = bS max = >= m4S.42kM/mniuU'HiiuuiuiuiuuiiuuuiuuiuumiuiummuuL 250r d验算简图M max= ql2/8= x 8m,o= M max/W = x 1054OOO=mm2< [f]=37 N/mn2满足要求!2、挠度验算q /= bS / max= x= m3S.-HsNZm250验算简图挠度验算,max= 5q /l4/(384EI)=5 xX/?38)4 x 1058486400)=0.38mm< [ v ]=l/250=250/250=1.00mm 满足要求!五、小梁验算小梁类型矩形木楞小梁材料规格50X100小梁抗弯强度设计值[f] ( N/mm2) 小梁弹性模量E( N/mm 2) 9350小梁截面抵抗矩W( cm3) 小梁截面惯性矩1( cm4)烈⑴1、强度验算q = n ISm 获 x 浜 m qmin = n ISmi m x 浜 m12呼呷n 呷NAn IN 呷督m 国攣世空理尹畑10.6726l^/m6.1kN?mO,63kN/m诃爲⑵朗⑶扶⑷鶴⑸擁⑹議⑺总⑻9验算简图弯矩图M max = m尸 M max /W = x 1083333=mm 2w [f]= N/mW 满足要求!2、挠度验算q / max = n IS max = x 浜 m q / min = n IS min = xx± 0kN/m300 500 500 5ca 500 500 500 3500.54510.271J IJJrm0.2530.1310.0S909914)⑹(71500 500 5005005003502 92.K22.S3224910.66098 -0.9912.22261 C.O51■17? ■2.2S53 7R7 \ 2.8531.549 \feQ36・,・'佇® “・已裁阿・?艸叩細伽阳曲亦屈加51 kh2,1kN/m2,1QkN/m mmmiv'Liig 」i 』打心*打打业』i 打」心屮9.5kN/m 7 T 1 l V TaSkN/m验算简图300 ■0硼变形图V ax — 0.51mm <[ v ]=l/250=500/250=2.0mm满足要求!3、支座反力计算承载能力极限状态剪力图Ri= / n == R 2= / n == n 1779-3.G22R 4= / n == R 5= / n == R 6= / n == R 7= / n ==正常使用极限状态剪力图F T i = / n = =kN F T 2 = / n = =kN F T 3 = / n = =kN F T 4 = / n = =kN F T 5 = / n = =kN F T6 = / n = =kNF T 7 = / n==kN 4、抗剪验算Vmax =T = V max /(2bh)=*103/(2*50*100)=mm 2< [ T ]= N/tfim满足要求!六、主梁验算由上节'小梁验算'的'支座反力计算'知,主梁取小梁对其反力最大的那道验算。
地下室剪力墙墙模板(支撑不等间距)计算书计算依据:1、《建筑施工模板安全技术规》JGJ162-20082、《混凝土结构设计规》GB50010-20103、《建筑结构荷载规》GB 50009-20124、《钢结构设计规》GB 50017-2003一、工程属性二、支撑构造简图如下:墙模板(支撑不等间距)剖面图墙模板(支撑不等间距)正立面图三、荷载组合侧压力计算依据规《建筑施工模板安全技术规》JGJ162-2008混凝土重力密度γc(kN/m3) 24新浇混凝土初凝时间t0(h) 4 外加剂影响修正系数β1 1 混凝土坍落度影响修正系数β2 1.15 混凝土浇筑速度V(m/h) 2.5 混凝土侧压力计算位置处至新浇混凝土顶面总高度H(m) 4.2新浇混凝土对模板的侧压力标准值G4k(kN/m2) min{0.22γc t0β1β2v1/2,γc H}=min{0.22×24×4×1×1.15×2.51/2,24×4.2}=min{38.403,100.8}=38.403kN/m2倾倒混凝土时对垂直面模板荷载标准值Q3k(kN/m2) 2有效压头高度h=G4k/γc=38.4/24=1.6m 承载能力极限状态设计值Smax =0.9max[1.2G4k+1.4Q3k,1.35 G4k+1.4×0.7Q3k]=0.9max[1.2×38.400+1.4×2.000,1.35×38.400+1.4×0.7×2.000]=48.42kN/m2Smin =0.9×1.4 Q3k=0.9×1.4×2.000=2.52kN/m2正常使用极限状态设计值Sˊmax =G4k=38.400kN/m2Sˊmin=0kN/m2四、面板验算面板类型木模板面板厚度(mm)15面板抗弯强度设计值[f](N/mm2)37 面板弹性模量E(N/mm2)10584 根据《规》JGJ162,面板验算按简支梁。
剪力墙模板方案及计算书样本一、工程概况本工程为具体工程名称,位于具体地点。
建筑结构形式为结构形式,总建筑面积为建筑面积平方米,地上地上层数层,地下地下层数层。
剪力墙作为主要的抗侧力构件,其模板工程的施工质量直接影响到结构的安全性和稳定性。
二、编制依据1、《混凝土结构工程施工质量验收规范》(GB50204-2015)2、《建筑施工模板安全技术规范》(JGJ162-2008)3、本工程的施工图纸及相关设计文件三、施工准备1、技术准备熟悉施工图纸,进行技术交底。
编制模板施工方案,并经审批。
2、材料准备模板:采用模板材质及规格。
龙骨:龙骨材质及规格。
对拉螺栓:对拉螺栓规格。
支撑体系:支撑体系材料及规格。
3、主要机具准备电锯、电钻、锤子、扳手等。
4、作业条件准备放好墙身线、模板控制线及标高控制线。
墙身钢筋绑扎完毕,水电预留预埋完成,并办理隐检手续。
四、剪力墙模板设计1、模板选型墙模板采用模板类型,面板厚度为面板厚度mm。
2、龙骨布置竖龙骨采用竖龙骨规格及间距。
横龙骨采用横龙骨规格及间距。
3、对拉螺栓设置对拉螺栓水平间距为水平间距mm,竖向间距为竖向间距mm。
4、阴阳角处理阴阳角处采用阴阳角处理方式。
五、剪力墙模板施工工艺1、工艺流程弹线→安装一侧模板→安装对拉螺栓→安装另一侧模板→调整固定→预检2、操作要点弹线:根据控制线在墙面上弹出模板安装位置线。
安装一侧模板:将模板就位,临时固定。
安装对拉螺栓:按照设计要求安装对拉螺栓。
安装另一侧模板:将另一侧模板就位,调整与已安装模板的平整度和垂直度,然后拧紧对拉螺栓。
调整固定:检查模板的平整度、垂直度和截面尺寸,调整合格后进行固定。
预检:模板安装完毕后,进行预检,合格后方可进行下道工序。
六、模板拆除1、拆除条件混凝土强度达到设计要求。
拆除模板时,混凝土表面及棱角不因拆除模板而受损坏。
2、拆除顺序先拆除对拉螺栓,然后拆除横龙骨、竖龙骨,最后拆除模板。
3、拆除注意事项拆除时严禁使用大锤敲击模板。
剪力墙模板计算书一、墙模板基本参数墙模板的背部支撑由两层龙骨(木楞或钢楞)组成,直接支撑模板的龙骨为次龙骨,即内龙骨;用以支撑内层龙骨为外龙骨,即外龙骨组装成墙体模板时,通过穿墙螺栓将墙体两片模板拉结,每个穿墙螺栓成为外龙骨的支点。
模板面板厚度h=12mm,弹性模量E=6000N/mm2,抗弯强度[f]=15N/mm2。
内楞采用方木,截面60×80mm,每道内楞1根方木,间距200mm。
外楞采用圆钢管48×3.5,每道外楞2根钢楞,间距600mm。
穿墙螺栓水平距离600mm,穿墙螺栓竖向距离600mm,直径12mm。
墙模板组装示意图二、墙模板荷载标准值计算强度验算要考虑新浇混凝土侧压力和倾倒混凝土时产生的荷载;挠度验算只考虑新浇混凝土侧压力。
新浇混凝土侧压力计算公式为下式中的较小值:其中——混凝土的重力密度,取24.000kN/m3;t ——新浇混凝土的初凝时间,为0时(表示无资料)取200/(T+15),取2.000h;T ——混凝土的入模温度,取20.000℃;V ——混凝土的浇筑速度,取5.000m/h;H ——混凝土侧压力计算位置处至新浇混凝土顶面总高度,取2.700m;1——外加剂影响修正系数,取1.200;2——混凝土坍落度影响修正系数,取1.150。
根据公式计算的新浇混凝土侧压力标准值 F1=32.580kN/m2实际计算中采用新浇混凝土侧压力标准值 F1=32.590kN/m2倒混凝土时产生的荷载标准值 F2= 6.000kN/m2。
三、墙模板面板的计算面板为受弯结构,需要验算其抗弯强度和刚度。
计算的原则是按照龙骨的间距和模板面的大小,按支撑在内楞上的三跨连续梁计算。
q面板计算简图1.强度计算= M/W < [f]其中 ── 面板的强度计算值(N/mm 2);M ── 面板的最大弯距(N.mm);W ── 面板的净截面抵抗矩,W = 60.00×1.20×1.20/6=14.40cm 3;[f] ── 面板的强度设计值(N/mm 2)。
剪力墙结构模板计算书
剪力墙结构模板计算书
1. 引言
本文档旨在提供一个剪力墙结构模板计算书范本,以供工程师参考和使用。
剪力墙是建筑结构的重要组成部分,它具有良好的抗震性能和承载能力。
在本文档中,我们将详细介绍剪力墙的计算方法和步骤,包括结构设计原理、材料强度计算、剪力墙布置和构造细节等。
2. 结构设计原理
2.1 剪力墙的作用和功能
2.2 剪力墙的布置原则
2.3 剪力墙结构的力学性能
3. 材料强度计算
3.1 混凝土材料强度的确定
3.2 钢筋材料强度的确定
4. 剪力墙布置
4.1 剪力墙布置的基本要求
4.2 剪力墙布置的方法和步骤
4.3 剪力墙间距的确定
5. 剪力墙构造细节
5.1 剪力墙顶部悬挑构造
5.2 剪力墙开洞设计
5.3 剪力墙连接节点设计
6. 相关附件
本文档所涉及附件如下:
附件1:剪力墙设计示意图
附件2:剪力墙布置图
附件3:剪力墙构造细节图
7. 法律名词及注释
本文档所涉及的法律名词及注释如下:
1. 建筑结构设计规范:具体规定了建筑结构设计的基本原则、要求和计算方法等。
2. 抗震设计规范:规定了建筑结构在地震作用下的设计要求和计算方法。
8. 总结
本文档提供了一个剪力墙结构模板计算书范本,详细介绍了剪力墙的设计原理、材料强度计算、布置和构造细节等内容。
希望这个范本对工程师们在剪力墙设计中起到指导作用。
如有任何疑问或需进一步讨论,欢迎随时连系。
引言概述:剪力墙是建筑结构中常见且重要的一种承载构件,用于抵抗地震、风荷载等外部力,并通过纵向墙筋的抗拉能力实现结构的整体稳定性。
在剪力墙的施工过程中,合理的模板方案和准确的计算书是确保墙体质量的重要保证。
本文将从模板方案和计算书两个方面,对剪力墙的施工进行详细讨论。
正文内容:1.模板方案:1.1模板概述:剪力墙模板的设计和安装必须满足强度要求、施工工艺要求和安全要求。
模板通常由立柱、横梁、立杆和板材组成,采用的材料应具有足够的强度和稳定性。
1.2模板设计:模板设计应根据具体的墙体尺寸、荷载特征和施工要求,确定墙体模板的形式、尺寸和材料规格。
设计时应考虑模板拆除的方便性、模板支撑的稳定性和可调性等因素。
1.3模板施工工艺:模板施工要求严格按照设计图纸和施工规范进行,包括打样、安装、检查、调整和加固等工序。
模板的拆除应在混凝土达到强度要求后进行,且拆除过程要注意防止对墙体产生不良影响。
1.4模板质量控制:模板质量控制应包括材料的抽检和试验,模板安装的监控和验收,以及模板拆除后的检查和评价。
模板使用中的问题和质量缺陷应及时处理和整改,以确保施工质量和安全。
2.计算书:2.1计算基础:计算书是剪力墙模板施工的重要依据,其内容应包括力学分析、材料力学性能、荷载标准、结构参数等。
计算书的编制要符合国家建筑标准和规范的要求,保证计算结果的准确性和可行性。
2.2剪力墙模板计算:剪力墙模板计算应考虑墙体的几何形状、材料的强度性能、荷载的大小和工况的复杂性等因素。
计算时应确定墙体承载力和变形性能,保证墙体在承受外部荷载时的安全性和稳定性。
2.3模板支撑计算:模板支撑计算是剪力墙模板设计的重要环节,主要包括支撑的类型、形式和选用的材料。
支撑的设计要符合安全要求,合理布置支点和梁的位置,确保支撑的稳定性和可靠性。
2.4模板板材计算:模板板材计算是剪力墙模板设计中关键的一环,通常采用的板材有胶合板、钢板等。
板材的选用应根据荷载情况、模板高度和使用寿命等要求进行合理选材,保证板材的强度和稳定性。
墙模板计算书一、墙模板基本参数计算断面宽度200mm,高度4000mm,两侧楼板高度100mm。
模板面板采用普通胶合板。
内龙骨间距200mm,内龙骨采用50×100mm木方,外龙骨采用双钢管48mm×3.5mm。
对拉螺栓布置9道,在断面内水平间距250+400+400+400+400+400+400+400+400mm,断面跨度方向间距400mm,直径14mm。
4000m m模板组装示意图二、墙模板荷载标准值计算强度验算要考虑新浇混凝土侧压力和倾倒混凝土时产生的荷载设计值;挠度验算只考虑新浇混凝土侧压力产生荷载标准值。
新浇混凝土侧压力计算公式为下式中的较小值:其中c —— 混凝土的重力密度,取24.000kN/m 3;t —— 新浇混凝土的初凝时间,为0时(表示无资料)取200/(T+15),取5.714h ; T —— 混凝土的入模温度,取20.000℃; V —— 混凝土的浇筑速度,取2.500m/h ;H —— 混凝土侧压力计算位置处至新浇混凝土顶面总高度,取3.000m ;1—— 外加剂影响修正系数,取1.000;2—— 混凝土坍落度影响修正系数,取0.850。
根据公式计算的新浇混凝土侧压力标准值 F1=40.540kN/m 2实际计算中采用新浇混凝土侧压力标准值 F1=40.550kN/m 2 倒混凝土时产生的荷载标准值 F2= 4.000kN/m 2。
三、墙模板面板的计算面板为受弯结构,需要验算其抗弯强度和刚度。
模板面板的按照三跨连续梁计算。
面板的计算宽度取3.85m 。
荷载计算值 q = 1.2×40.550×3.850+1.4×4.000×3.850=208.901kN/m 面板的截面惯性矩I 和截面抵抗矩W 分别为:本算例中,截面惯性矩I 和截面抵抗矩W 分别为: W = 385.00×1.80×1.80/6 = 207.90cm 3;I = 385.00×1.80×1.80×1.80/12 = 187.11cm 4;208.90kN/mA计算简图0.836弯矩图(kN.m)剪力图(kN)0.016经过计算得到从左到右各支座力分别为N1=16.712kNN2=45.958kNN3=45.958kNN4=16.712kN最大弯矩 M = 0.835kN.m最大变形 V = 0.2mm(1)抗弯强度计算经计算得到面板抗弯强度计算值 f = 0.835×1000×1000/207900=4.016N/mm2面板的抗弯强度设计值 [f],取15.00N/mm2;面板的抗弯强度验算 f < [f],满足要求!(2)抗剪计算 [可以不计算]截面抗剪强度计算值 T=3×25068.0/(2×3850.000×18.000)=0.543N/mm2截面抗剪强度设计值 [T]=1.40N/mm2抗剪强度验算 T < [T],满足要求!(3)挠度计算面板最大挠度计算值 v = 0.202mm面板的最大挠度小于200.0/250,满足要求!四、墙模板内龙骨的计算内龙骨直接承受模板传递的荷载,通常按照均布荷载连续梁计算。
墙模板计算书一、墙模板基本参数计算断面宽度300mm,高度4050mm,两侧楼板厚度250mm。
模板面板采用普通胶合板。
内龙骨间距200mm,内龙骨采用40×80mm木方,外龙骨采用双钢管48mm×2.8mm。
对拉螺栓布置8道,在断面内水平间距229+457+458+457+458+457+458+457mm,断面跨度方向间距457mm,直径12mm。
面板厚度15mm,剪切强度1.4N/mm2,抗弯强度12.0N/mm2,弹性模量4200.0N/mm2。
木方剪切强度1.3N/mm2,抗弯强度15.0N/mm2,弹性模量9000.0N/mm2。
4050m m模板组装示意图二、墙模板荷载标准值计算强度验算要考虑新浇混凝土侧压力和倾倒混凝土时产生的荷载设计值;挠度验算只考虑新浇混凝土侧压力产生荷载标准值。
当浇筑速度大于10m/h 或坍落度大于180mm 时,新浇混凝土侧压力按公式2计算;其他情况按两个公式计算,取较小值:其中 γc —— 混凝土的重力密度,取24.000kN/m 3;t —— 新浇混凝土的初凝时间,为0时(表示无资料)取200/(T+15),取3.000h ; T —— 混凝土的入模温度,取20.000℃; V —— 混凝土的浇筑速度,取2.500m/h ;H —— 混凝土侧压力计算位置处至新浇混凝土顶面总高度,取3.000m ; β—— 混凝土坍落度影响修正系数,取0.850。
根据公式计算的新浇混凝土侧压力标准值 F1=27.090kN/m 2考虑结构的重要性系数0.90,实际计算中采用新浇混凝土侧压力标准值: F1=0.90×27.090=24.381kN/m 2考虑结构的重要性系数0.90,倒混凝土时产生的荷载标准值: F2=0.90×4.000=3.600kN/m 2。
三、墙模板面板的计算面板为受弯结构,需要验算其抗弯强度和刚度。
模板面板的按照连续梁计算。
剪力墙模板计算书一、假设条件1、墙高(H):5米2、墙厚:0.3米3、振捣混凝土对模板的侧压力:4.0KN/㎡r1=1.44、倾倒混凝土产生的水平力:2.0KN/㎡r1=1.45、新浇混凝土的自重标准值:(γ)24 KN/㎡6、混凝土坍落度120±30mm β2=1.157、混凝土初凝时间(t0):8-10小时8、掺缓凝剂:β1=1.29、浇注速度(V):1m/h二、侧压力取值(p max)F=0.22γ.t0.β1.β2.V1/2=0.22×24×10×1.2×1.15×(1)1/2≈73 KN/㎡F=γ.H=24×5=120 KN/㎡取pmax=73 KN/㎡三、钢楞计算:设计采用直径48mm钢管,壁厚3.5mm1、钢楞间距(a):4502、钢楞跨度(b):7003、钢楞按3跨连续梁计算M max=q.b2/10=73×0.45×(0.7)2≈1.61 KN.m4、组合截面的最大应力:σ=M/2W=1.61×1000000/2×5080≈158.5N/mm[σ]=210 N/mmσ= 158.5<[σ]=210 N/mm钢楞可以采用2根直径48mm钢管。
四、拉杆计算:1、拉杆承受的拉力:P=FA=73×0.45×0.7≈23KN2、拉杆截面积:An=6×6×3.14≈113mm2σ= P/ An=23000/113≈204 N/mm< f=210 N/mm可以采用直径12 mm拉杆。
脚手架斜拉计算一、槽钢抗弯强度计算:取q=0.3 KN/㎡Wσ=116.8㎝3弯距M =-(Nm-q㎡/2)= -(19.19×1.7-0.3×1.7×1.7/2)=33.06 KN.mσ=M/W=33060000/116800=283.1。
剪力墙模板计算书墙模板计算书一、参数信息1.基本参数次楞间距(mm):300;穿墙螺栓水平间距(mm):600;主楞间距(mm):500;穿墙螺栓竖向间距(mm):500;对拉螺栓直径(mm):m12;2.主楞信息主楞材料:木方;主楞合并根数:2;宽度(mm):40.00;高度(mm):80.00;3.次楞信息次楞材料:木方;次楞合并根数:2;宽度(mm):40.00;高度(mm):80.00;4.面板参数面板类型:胶合面板;面板厚度(mm):15.00;面板弹性模量(n/mm2):6000.00;面板抗弯强度设计值fc(n/mm2):13.00;面板抗剪强度设计值(n/mm2):1.50;5.木方参数方木抗弯强度设计值fc(n/mm2):13.00;方木弹性模量e(n/mm2):9000.00;方木抗剪强度设计值ft(n/mm2):1.50;墙模板设计简图二、墙模板荷载标准值排序按《施工手册》,新浇混凝土作用于模板的最大侧压力,按下列公式计算,并取其中的较小值:f=0.22γtβ1β2v1/2f=γh其中γ--混凝土的重力密度,取24.000kn/m3;t--新浇混凝土的初凝时间,取2.000h;t--混凝土的入模温度,取20.000℃;v--混凝土的浇筑速度,取2.500m/h;h--模板计算高度,取3.000m;β1--外加剂影响修正系数,取1.200;β2--混凝土坍落度影响修正系数,取0.850。
分别排序得17.031kn/m2、72.000kn/m2,挑较小值17.031kn/m2做为本工程排序荷载。
计算中采用新浇混凝土侧压力标准值f1=17.031kn/m2;倾倒混凝土时产生的荷载标准值f2=3kn/m2。
三、墙模板面板的排序面板为受弯结构,需要验算其抗弯强度和刚度。
根据《建筑施工手册》,强度验算要考虑新浇混凝土侧压力和倾倒混凝土时产生的荷载;挠度验算只考虑新浇混凝土侧压力。
排序的原则就是按照龙骨的间距和模板面的大小,按提振在次楞上的三横跨连续梁排序。
墙模板计算书一、墙模板基本参数计算断面宽度350mm,高度4000mm,两侧楼板厚度150mm。
模板面板采用普通胶合板。
内龙骨间距300mm,内龙骨采用40.×90.mm木方,外龙骨采用双钢管48mm×2.8mm。
对拉螺栓布置7道,在断面内水平间距300+550+550+550+550+550+550mm,断面跨度方向间距500mm,直径14mm。
面板厚度14mm,剪切强度1.4N/mm2,抗弯强度17.0N/mm2,弹性模量6000.0N/mm2。
木方剪切强度1.7N/mm2,抗弯强度17.0N/mm2,弹性模量9000.0N/mm2。
4000m m350m m模板组装示意图二、墙模板荷载标准值计算强度验算要考虑新浇混凝土侧压力和倾倒混凝土时产生的荷载设计值;挠度验算只考虑新浇混凝土侧压力产生荷载标准值。
当浇筑速度大于10m/h 或坍落度大于180mm 时,新浇混凝土侧压力按公式2计算;其他情况按两个公式计算,取较小值:其中 γc —— 混凝土的重力密度,取24.000kN/m 3;t —— 新浇混凝土的初凝时间,为0时(表示无资料)取200/(T+15),取5.714h ; T —— 混凝土的入模温度,取20.000℃; V —— 混凝土的浇筑速度,取2.500m/h ;H —— 混凝土侧压力计算位置处至新浇混凝土顶面总高度,取1.200m ; β—— 混凝土坍落度影响修正系数,取0.850。
根据公式计算的新浇混凝土侧压力标准值 F1=27.000kN/m 2考虑结构的重要性系数0.90,实际计算中采用新浇混凝土侧压力标准值: F1=0.90×27.000=24.300kN/m 2考虑结构的重要性系数0.90,倒混凝土时产生的荷载标准值: F2=0.90×6.000=5.400kN/m 2。
三、墙模板面板的计算面板为受弯结构,需要验算其抗弯强度和刚度。
墙模板(支撑不等间距)计算书计算依据:1、《建筑施工模板安全技术规范》JGJ162-20082、《混凝土结构设计规范》GB50010-20103、《建筑结构荷载规范》GB 50009-20124、《钢结构设计规范》GB 50017-2003一、工程属性二、支撑构造简图如下:墙模板(支撑不等间距)剖面图墙模板(支撑不等间距)正立面图三、荷载组合有效压头高度h=G4k/γc=24=1.6m承载能力极限状态设计值S max=[1.2G4k+,1.35 G4k+×]=[×+×,×+××]=m2S min=× Q3k=××=m2正常使用极限状态设计值Sˊmax=G4k=m2Sˊmin=0kN/m2四、面板验算根据《规范》JGJ162,面板验算按简支梁。
梁截面宽度取单位宽度即b=1000mm W=bh2/6=1000×182/6=54000mm3,I=bh3/12=1000×183/12=486000mm4考虑到工程实际和验算简便,不考虑有效压头高度对面板的影响。
1、强度验算q=bS max=×=m验算简图M max=ql2/8=×8=·mσ=M max/W=×106/54000=mm2≤[f]=37 N/mm2满足要求!2、挠度验算qˊ=bSˊmax=×=m验算简图挠度验算,νmax=5qˊl4/(384EI)=5××2504/(384×10584×486000)=0.38mm≤[ν]=l/250=250/250=1.00mm 满足要求!五、小梁验算小梁类型矩形木楞小梁材料规格50×100小梁抗弯强度设计值[f](N/mm2)小梁弹性模量E(N/mm2)9350小梁截面抵抗矩W(cm3)小梁截面惯性矩I(cm4)小梁合并根数n1小梁受力不均匀系数η11、强度验算q=ηlSmax=××=mqmin=ηlSmin=××=m验算简图弯矩图M max=·mσ=M max/W=×106/83333=mm2≤[f]= N/mm2满足要求!2、挠度验算qˊmax=ηlSˊmax=××=mqˊmin=ηlSˊmin=××0=0kN/m验算简图变形图νmax=0.51mm≤[ν]=l/250=500/250=2.0mm满足要求!3、支座反力计算承载能力极限状态剪力图R1= /η==R2= /η==R3= /η==R4= /η==R5= /η==R6= /η==R7= /η==正常使用极限状态剪力图Rˊ1= /η = = kNRˊ2= /η = = kNRˊ3= /η = = kNRˊ4= /η = = kNRˊ5= /η = = kNRˊ6= /η = = kNRˊ7= /η = = kN4、抗剪验算Vmax=τ=V max/(2bh)=*103/(2*50*100)=mm2≤[τ]= N/mm2满足要求!六、主梁验算主梁类型钢管主梁材料规格Ф48×3主梁抗弯强度设计值[f](N/mm2)205主梁弹性模量E(N/mm2)206000主梁截面抵抗矩W(cm3)主梁截面惯性矩I(cm4)主梁合并根数n2主梁受力不均匀系数ζ主梁计算方式三等跨梁由上节'小梁验算'的'支座反力计算'知,主梁取小梁对其反力最大的那道验算。
剪力墙模板计算书一、工程概况本工程为具体工程名称,位于具体地点。
剪力墙结构,地上X层,地下X层。
剪力墙厚度为具体厚度 1、具体厚度 2等。
混凝土强度等级为具体等级。
二、编制依据1、《建筑结构荷载规范》(GB 50009-2012)2、《混凝土结构设计规范》(GB 50010-2010)(2015 年版)3、《建筑施工模板安全技术规范》(JGJ 162-2008)4、本工程施工图纸三、模板选型剪力墙模板采用具体模板材料,如 18mm 厚多层板,背楞采用具体背楞材料及规格,如 50×100mm 方木,主龙骨采用具体主龙骨材料及规格,如双钢管,对拉螺栓采用具体对拉螺栓规格,如 M14。
四、荷载计算1、新浇筑混凝土对模板侧面的压力标准值按照《建筑施工模板安全技术规范》(JGJ 162-2008),混凝土作用于模板的侧压力,根据下列两式计算,并取其中的较小值:$F_1 = 022\gamma_c t_0\beta_1\beta_2 V^{1/2}$$F_2 =\gamma_c H$其中:$\gamma_c$为混凝土的重力密度,取 24kN/m³;$t_0$为新浇混凝土的初凝时间,按具体公式计算,取具体值;$\beta_1$为外加剂影响修正系数,取具体值;$\beta_2$为混凝土坍落度影响修正系数,取具体值;$V$为混凝土的浇筑速度,取具体值;$H$为混凝土侧压力计算位置处至新浇混凝土顶面的总高度。
经过计算,$F_1 =具体数值 1kN/m²$,$F_2 =具体数值2kN/m²$,取较小值$F =最终取值kN/m²$。
2、倾倒混凝土时产生的水平荷载标准值考虑倾倒混凝土时对垂直面模板产生的水平荷载标准值,取具体数值kN/m²。
3、荷载组合计算承载能力时,荷载设计值为:$q_1 = 12F + 14×倾倒混凝土水平荷载标准值$验算刚度时,荷载标准值为:$q_2 = F$五、模板面板计算1、面板的强度计算取 1m 宽的面板作为计算单元,按照三跨连续梁计算。
剪力墙模板计算书一、墙模板基本参数计算断面宽度300mm ,高度3600mm ,两侧楼板高度120mm 。
模板面板采用普通胶合板。
内龙骨间距250mm ,内龙骨采用50×100mm 木方,外龙骨采用双钢管48mm ×3.0mm 。
对拉螺栓布置7道,在断面内水平间距300+500+500+500+500+500+500mm ,断面跨度方向间距500mm ,直径12mm 。
3600m m模板组装示意图二、墙模板荷载标准值计算强度验算要考虑新浇混凝土侧压力和倾倒混凝土时产生的荷载设计值;挠度验算只考虑新浇混凝土侧压力产生荷载标准值。
新浇混凝土侧压力计算公式为下式中的较小值:其中c —— 混凝土的重力密度,取24.000kN/m 3;t —— 新浇混凝土的初凝时间,为0时(表示无资料)取200/(T+15),取3.000h ; T —— 混凝土的入模温度,取20.000℃; V —— 混凝土的浇筑速度,取1.500m/h ;H —— 混凝土侧压力计算位置处至新浇混凝土顶面总高度,取3.000m ;1—— 外加剂影响修正系数,取1.000;2—— 混凝土坍落度影响修正系数,取0.850。
根据公式计算的新浇混凝土侧压力标准值 F1=16.480kN/m 2实际计算中采用新浇混凝土侧压力标准值 F1=16.490kN/m 2 倒混凝土时产生的荷载标准值 F2= 4.000kN/m 2。
三、墙模板面板的计算面板为受弯结构,需要验算其抗弯强度和刚度。
模板面板的按照三跨连续梁计算。
面板的计算宽度取3.43m 。
荷载计算值 q = 1.2×16.490×3.430+1.4×4.000×3.430=87.081kN/m 面板的截面惯性矩I 和截面抵抗矩W 分别为:本算例中,截面惯性矩I 和截面抵抗矩W 分别为: W = 343.00×1.80×1.80/6 = 185.22cm 3;I = 343.00×1.80×1.80×1.80/12 = 166.70cm 4;25025025087.08kN/mAB计算简图0.4350.544弯矩图(kN.m)剪力图(kN)0.018经过计算得到从左到右各支座力分别为N1=8.708kNN2=23.947kNN3=23.947kNN4=8.708kN最大弯矩 M = 0.544kN.m最大变形 V = 0.2mm(1)抗弯强度计算经计算得到面板抗弯强度计算值 f = 0.544×1000×1000/185220=2.937N/mm2面板的抗弯强度设计值 [f],取15.00N/mm2;面板的抗弯强度验算 f < [f],满足要求!(2)抗剪计算 [可以不计算]截面抗剪强度计算值 T=3×13062.0/(2×3430.000×18.000)=0.317N/mm2截面抗剪强度设计值 [T]=1.40N/mm2抗剪强度验算 T < [T],满足要求!(3)挠度计算面板最大挠度计算值 v = 0.230mm面板的最大挠度小于250.0/250,满足要求!四、墙模板内龙骨的计算内龙骨直接承受模板传递的荷载,通常按照均布荷载连续梁计算。
墙模板计算书一、参数信息1.基本参数次楞间距(mm):300;穿墙螺栓水平间距(mm):600;主楞间距(mm):500;穿墙螺栓竖向间距(mm):500;对拉螺栓直径(mm):M12;2.主楞信息主楞材料:木方;主楞合并根数:2;宽度(mm):40.00;高度(mm):80.00;3.次楞信息次楞材料:木方;次楞合并根数:2;宽度(mm):40.00;高度(mm):80.00;4.面板参数面板类型:胶合面板;面板厚度(mm):15.00;面板弹性模量(N/mm2):6000.00;面板抗弯强度设计值f c(N/mm2):13.00;面板抗剪强度设计值(N/mm2):1.50;5.木方参数方木抗弯强度设计值f c(N/mm2):13.00;方木弹性模量E(N/mm2):9000.00;方木抗剪强度设计值f t(N/mm2):1.50;墙模板设计简图二、墙模板荷载标准值计算按《施工手册》,新浇混凝土作用于模板的最大侧压力,按下列公式计算,并取其中的较小值:F=0.22γtβ1β2V1/2F=γH其中γ -- 混凝土的重力密度,取24.000kN/m3;t -- 新浇混凝土的初凝时间,取2.000h;T -- 混凝土的入模温度,取20.000℃;V -- 混凝土的浇筑速度,取2.500m/h;H -- 模板计算高度,取3.000m;β1-- 外加剂影响修正系数,取1.200;β2-- 混凝土坍落度影响修正系数,取0.850。
分别计算得 17.031 kN/m2、72.000 kN/m2,取较小值17.031 kN/m2作为本工程计算荷载。
计算中采用新浇混凝土侧压力标准值 F1=17.031kN/m2;倾倒混凝土时产生的荷载标准值 F2= 3 kN/m2。
三、墙模板面板的计算面板为受弯结构,需要验算其抗弯强度和刚度。
根据《建筑施工手册》,强度验算要考虑新浇混凝土侧压力和倾倒混凝土时产生的荷载;挠度验算只考虑新浇混凝土侧压力。
计算的原则是按照龙骨的间距和模板面的大小,按支撑在次楞上的三跨连续梁计算。
面板计算简图1.抗弯强度验算弯矩计算公式如下:M=0.1q1l2+0.117q2l2其中, M--面板计算最大弯矩(N穖m);l--计算跨度(次楞间距): l =300.0mm;新浇混凝土侧压力设计值q1: 1.2×17.031×0.500×0.900=9.197kN/m;倾倒混凝土侧压力设计值q2: 1.4×3.00×0.50×0.90=1.890kN/m;其中0.90为按《施工手册》取的临时结构折减系数。
面板的最大弯矩:M =0.1×9.197×200.02+0.117×1.890×200.02= 1.03×105N穖m;按以下公式进行面板抗弯强度验算:σ = M/W< f其中,σ --面板承受的应力(N/mm2);M --面板计算最大弯矩(N穖m);W --面板的截面抵抗矩 :W = bh2/6 = 500×15.0×15.0/6=1.88?04 mm3;f --面板截面的抗弯强度设计值(N/mm2); f=13.000N/mm2;面板截面的最大应力计算值:σ = M/W = 1.03×105 / 1.88×104 = 5.5N/mm2;面板截面的最大应力计算值σ =5.5N/mm2小于面板截面的抗弯强度设计值[f]=13N/mm2,满足要求!2.抗剪强度验算计算公式如下:V=0.6q1l+0.617q2l其中,V--面板计算最大剪力(N);l--计算跨度(次楞间距): l =300.0mm;新浇混凝土侧压力设计值q1: 1.2×17.031×0.500×0.900=9.197kN/m;倾倒混凝土侧压力设计值q2: 1.4×3.00×0.50×0.90=1.890kN/m;面板的最大剪力:V = 0.6×9.197×200.0 + 0.617×1.890×200.0 = 2005.3N;截面抗剪强度必须满足:τ= 3V/(2bh n)≤f v其中,τ--面板截面的最大受剪应力(N/mm2);V--面板计算最大剪力(N):V = 2005.3N;b--构件的截面宽度(mm):b = 500mm ;h n--面板厚度(mm):h n = 15.0mm ;f v--面板抗剪强度设计值(N/mm2):f v = 1.500 N/mm2;面板截面的最大受剪应力计算值: τ =3?005.3/(2?00?5.0)=0.401N/mm2;面板截面抗剪强度设计值: [f v]=1.500N/mm2;面板截面的最大受剪应力计算值τ=0.401N/mm2小于面板截面抗剪强度设计值[τ]=1.5N/mm2,满足要求!3.挠度验算根据《建筑施工手册》,刚度验算采用标准荷载,同时不考虑振动荷载作用。
挠度计算公式如下:ν=0.677ql4/(100EI)≤[ν]=l/250其中,q--作用在模板上的侧压力线荷载: q = 17.03?.5 = 8.516N/mm;l--计算跨度(次楞间距): l = 300mm;E--面板的弹性模量: E = 6000N/mm2;I--面板的截面惯性矩: I = 50?.5?.5?.5/12=14.06cm4;面板的最大允许挠度值:[ν] = 1.2mm;面板的最大挠度计算值: ν= 0.677?.52?004/(100?000?.41?05) = 0.553 mm;面板的最大挠度计算值: ν=0.553mm 小于等于面板的最大允许挠度值[ν]=1.2mm,满足要求!四、墙模板主次楞的计算(一).次楞直接承受模板传递的荷载,按照均布荷载作用下的三跨连续梁计算。
本工程中,次楞采用木方,宽度40mm,高度80mm,截面惯性矩I和截面抵抗矩W分别为:W = 4??/6?= 85.334cm3;I = 4???/12?= 341.334cm4;次楞计算简图1.次楞的抗弯强度验算次楞最大弯矩按下式计算:M = 0.1q1l2+0.117q2l2其中, M--次楞计算最大弯矩(N穖m);l--计算跨度(主楞间距): l =500.0mm;新浇混凝土侧压力设计值q1: 1.2?7.031?.300?.900=5.518kN/m;倾倒混凝土侧压力设计值q2:1.4?.00?.30?.90=1.134kN/m,其中,0.90为折减系数。
次楞的最大弯矩:M =0.1?.518?00.02+0.117?.134?00.02= 1.71?05N穖m;次楞的抗弯强度应满足下式:σ = M/W< f其中,σ --次楞承受的应力(N/mm2);M --次楞计算最大弯矩(N穖m);W --次楞的截面抵抗矩,W=8.53?04mm3;f --次楞的抗弯强度设计值; f=13.000N/mm2;次楞的最大应力计算值:σ = 1.71?05/8.53?04 = 2 N/mm2;次楞的抗弯强度设计值: [f] = 13N/mm2;次楞的最大应力计算值σ = 2 N/mm2小于次楞的抗弯强度设计值[f]=13N/mm2,满足要求!2.次楞的抗剪强度验算最大剪力按均布荷载作用下的三跨连续梁计算,公式如下:V=0.6q1l+0.617q2l其中, V-次楞承受的最大剪力;l--计算跨度(主楞间距): l =500.0mm;新浇混凝土侧压力设计值q1: 1.2?7.031?.300?.900/2=2.759kN/m;倾倒混凝土侧压力设计值q2:1.4?.00?.30?.90/2=0.567kN/m,其中,0.90为折减系数。
次楞的最大剪力:V = 0.6?.759?00.0+ 0.617?.567?00.0 = 1002.6N;截面抗剪强度必须满足下式:τ=3V/(2bh0)其中,τ--次楞的截面的最大受剪应力(N/mm2);V--次楞计算最大剪力(N):V = 1002.6N;b--次楞的截面宽度(mm):b = 40.0mm ;h n--次楞的截面高度(mm):h0 = 80.0mm ;f v--次楞的抗剪强度设计值(N/mm2):f v = 1.500 N/mm2;次楞截面的受剪应力计算值:τ =3?002.6/(2?0.0?0.0?)=0.235N/mm2;次楞截面的受剪应力计算值τ =0.235N/mm2小于次楞截面的抗剪强度设计值f v=1.5N/mm2,满足要求!3.次楞的挠度验算根据《建筑施工计算手册》,刚度验算采用荷载标准值,同时不考虑振动荷载作用。
挠度验算公式如下:ν=0.677ql4/(100EI)≤[ν]=l/250其中,ν--次楞的最大挠度(mm);q--作用在次楞上的线荷载(kN/m): q = 17.03?.30=5.11 kN/m;l--计算跨度(主楞间距): l =500.0mm ;E--次楞弹性模量(N/mm2):E = 9000.00 N/mm2;I--次楞截面惯性矩(mm4),I=3.41?06mm4;次楞的最大挠度计算值: ν= 0.677?0.22/2?004/(100?000?.41?06) = 0.07 mm;次楞的最大容许挠度值: [ν] = 2mm;次楞的最大挠度计算值ν=0.07mm 小于次楞的最大容许挠度值[ν]=2mm,满足要求!(二).主楞承受次楞传递的荷载,按照集中荷载作用下的三跨连续梁计算。
本工程中,主楞采用木方,宽度40mm,高度80mm,截面惯性矩I和截面抵抗矩W分别为:W = 4??/6?= 85.334cm3;I = 4???/12?=341.334cm4;E = 9000N/mm2;主楞计算简图主楞计算剪力图(kN)主楞计算弯矩图(kN穖)主楞计算变形图(mm)1.主楞的抗弯强度验算作用在主楞的荷载:P=1.2?7.03?.3?.5+1.4??.3?.5=3.696kN;主楞计算跨度(对拉螺栓水平间距): l = 600mm;强度验算公式:σ = M/W< f其中,σ-- 主楞的最大应力计算值(N/mm2)M -- 主楞的最大弯矩(N穖m);M = 2.99?05 N穖mW -- 主楞的净截面抵抗矩(mm3); W = 8.53?04 mm3;f --主楞的强度设计值(N/mm2),f =13.000N/mm2;主楞的最大应力计算值: σ = 2.99?05/8.53?04 = 3.5 N/mm2;主楞的最大应力计算值σ =3.5N/mm2小于主楞的抗弯强度设计值f=13N/mm2,满足要求!2.主楞的抗剪强度验算主楞截面抗剪强度必须满足:τ=3V/(2bh0)其中,τ--次楞的截面的最大受剪应力(N/mm2);V--主楞计算最大剪力(N):V = 2715.8N;b--主楞的截面宽度(mm):b = 40.0mm ;h n--主楞的截面高度(mm):h0 = 80.0mm ;f v--主楞的抗剪强度设计值(N/mm2):f v = 1.500 N/mm2;主楞截面的受剪应力计算值:τ =3?715.8/2/(2?0.0?0.0)=0.637N/mm2;主楞截面的受剪应力计算值τ =0.637N/mm2小于主楞截面的抗剪强度设计值f v=1.5N/mm2,满足要求!3.主楞的挠度验算主楞的最大挠度计算值: ν= 0.021mm;主楞的最大容许挠度值: [ν] = 2.4mm;主楞的最大挠度计算值ν=0.021mm 小于主楞的最大容许挠度值[ν]=2.4mm,满足要求!五、穿墙螺栓的计算计算公式如下:N<[N]=f譇其中 N -- 穿墙螺栓所受的拉力;A -- 穿墙螺栓有效面积 (mm2);f -- 穿墙螺栓的抗拉强度设计值,取170 N/mm2;查表得:穿墙螺栓的型号: M12 ;穿墙螺栓有效直径: 9.85 mm;穿墙螺栓有效面积: A = 76 mm2;穿墙螺栓最大容许拉力值: [N] = 1.70?05?.60?0-5 = 12.92 kN;主楞计算的支座反力为穿墙螺栓所受的拉力,则穿墙螺栓所受的最大拉力为: N = 4.93 kN。