一分钟看懂钢结构图
- 格式:doc
- 大小:1.81 MB
- 文档页数:22
手把手教你钢结构识图★钢结构图※钢结构由型钢连接而成的结构物,例如:钢梁、钢屋架、钢塔架、钢脚手架等。
※钢结构图用来表示钢结构的图样。
※型钢型钢是由钢厂按照标准规格轧制而成的钢材,其断面形状如尺寸是定型的,例如:角钢、工字钢、槽钢等。
★型钢的代号及标注★钢结构中型钢的连接方法※焊接※铆接※螺栓连接一、焊接将被连接的型钢在连接部位加热使其和焊条熔化,凝结后成为不可分割的整体。
1、焊缝类型及其符号※坡口焊缝※贴角焊缝※塞焊缝★焊缝的图形符号和辅助符号2、焊缝的标注在钢结构图中,必须把焊缝的位置、形式、尺寸和辅助要求标准清楚。
★焊缝的标注方法★焊缝不连续时的画法及标注当焊缝分布不连续时,可见焊缝宜在焊缝处加中实线,不可见焊缝加细栅线二、铆接用铆钉将两块或两块以上的钢板连接在一起★铆接分类※工厂连接※现场连接★铆钉类型三、螺栓连接※焊接和铆接都是不可拆卸的连接,螺栓连接是可拆卸的连接※连接方法★螺栓、孔、电焊铆钉图例钢梁结构图概述钢梁常用于大、中跨度桥梁中钢梁的种类※钢板梁※钢桁梁★下承式简支栓焊梁★钢梁结构图的内容※设计轮廓图※节点图※杆件图※零件图★设计轮廓图★节点图★节点构造图★拼接板、填板的拼装★立体图★节点板详图★杆件图★零件图钢屋架结构图概述※钢屋架※钢屋架结构图屋架简图、屋架详图(包括节点图)、杆件详图、连接板详图。
★屋架简图※屋架简图又称屋架示意图、屋架杆件几何尺寸简图。
※比例:1:100、1:200点这免费下载施工技术资料※单线条表示,杆件长度直接注在单线条旁边。
★屋架详图※图样:立面图,上弦实形辅助投影,剖面断面图。
※比例:两种比例:杆件轴线采用较小比例(1:20,1:15)节点板、杆件、断面采用较大比例(1:10,1:5)※图线:可见轮廓线——中实线不可见轮廓线——中虚线★杆件拼接★支座节点图★屋脊节点图。
一分钟看懂【钢结构图】★钢结构图※钢结构由型钢连接而成的结构物,例如:钢梁、钢屋架、钢塔架、钢脚手架等。
※钢结构图用来表示钢结构的图样。
※型钢型钢是由钢厂按照标准规格轧制而成的钢材,其断面形状如尺寸是定型的,例如:角钢、工字钢、槽钢等。
★型钢的代号及标注★钢结构中型钢的连接方法※焊接※铆接※螺栓连接一、焊接将被连接的型钢在连接部位加热使其和焊条熔化,凝结后成为不可分割的整体。
1、焊缝类型及其符号※坡口焊缝※贴角焊缝※塞焊缝★焊缝的图形符号和辅助符号2、焊缝的标注在钢结构图中,必须把焊缝的位置、形式、尺寸和辅助要求标准清楚。
★焊缝的标注方法★焊缝不连续时的画法及标注当焊缝分布不连续时,可见焊缝宜在焊缝处加中实线,不可见焊缝加细栅线二、铆接用铆钉将两块或两块以上的钢板连接在一起★铆接分类※工厂连接※现场连接★铆钉类型三、螺栓连接※焊接和铆接都是不可拆卸的连接,螺栓连接是可拆卸的连接※连接方法★螺栓、孔、电焊铆钉图例钢梁结构图概述钢梁常用于大、中跨度桥梁中钢梁的种类※钢板梁※钢桁梁★下承式简支栓焊梁※节点图※杆件图※零件图★设计轮廓图★节点图★节点构造图★拼接板、填板的拼装★立体图★节点板详图★杆件图★零件图钢屋架结构图概述※钢屋架※钢屋架结构图屋架简图、屋架详图(包括节点图)、杆件详图、连接板详图。
★屋架简图※屋架简图又称屋架示意图、屋架杆件几何尺寸简图。
※比例:1:100、1:200※单线条表示,杆件长度直接注在单线条旁边。
★屋架详图※图样:立面图,上弦实形辅助投影,剖面断面图。
※比例:两种比例:杆件轴线采用较小比例(1:20,1:15)节点板、杆件、断面采用较大比例(1:10,1:5)※图线:可见轮廓线——中实线不可见轮廓线——中虚线★杆件拼接★支座节点图★屋脊节点图精品文章请关注钢构联盟公众号。
一分钟看懂【钢结构图】★钢结构图※钢结构由型钢连接而成的结构物,例如:钢梁、钢屋架、钢塔架、钢脚手架等。
※钢结构图用来表示钢结构的图样。
※型钢型钢是由钢厂按照标准规格轧制而成的钢材,其断面形状如尺寸是定型的,例如:角钢、工字钢、槽钢等。
★型钢的代号及标注★钢结构中型钢的连接方法※焊接※铆接※螺栓连接一、焊接将被连接的型钢在连接部位加热使其和焊条熔化,凝结后成为不可分割的整体。
1、焊缝类型及其符号※坡口焊缝※贴角焊缝※塞焊缝★焊缝的图形符号和辅助符号2、焊缝的标注在钢结构图中,必须把焊缝的位置、形式、尺寸和辅助要求标准清楚。
★焊缝的标注方法★焊缝不连续时的画法及标注当焊缝分布不连续时,可见焊缝宜在焊缝处加中实线,不可见焊缝加细栅线二、铆接用铆钉将两块或两块以上的钢板连接在一起★铆接分类※工厂连接※现场连接★铆钉类型三、螺栓连接※焊接和铆接都是不可拆卸的连接,螺栓连接是可拆卸的连接※连接方法★螺栓、孔、电焊铆钉图例钢梁结构图概述钢梁常用于大、中跨度桥梁中钢梁的种类※钢板梁※钢桁梁★下承式简支栓焊梁★钢梁结构图的内容※设计轮廓图※节点图※杆件图※零件图★设计轮廓图★节点图★节点构造图★拼接板、填板的拼装★立体图★节点板详图★杆件图★零件图钢屋架结构图概述※钢屋架※钢屋架结构图屋架简图、屋架详图(包括节点图)、杆件详图、连接板详图。
★屋架简图※屋架简图又称屋架示意图、屋架杆件几何尺寸简图。
※比例:1:100、1:200※单线条表示,杆件长度直接注在单线条旁边。
★屋架详图※图样:立面图,上弦实形辅助投影,剖面断面图。
※比例:两种比例:杆件轴线采用较小比例(1:20,1:15)节点板、杆件、断面采用较大比例(1:10,1:5)※图线:可见轮廓线——中实线不可见轮廓线——中虚线★杆件拼接★支座节点图★屋脊节点图精品文章请关注钢构联盟公众号欢迎您的下载,资料仅供参考!致力为企业和个人提供合同协议,策划案计划书,学习资料等等打造全网一站式需求。
一分钟看懂【钢结构图】★钢结构图※钢结构由型钢连接而成的结构物,例如:钢梁、钢屋架、钢塔架、钢脚手架等。
※钢结构图用来表示钢结构的图样。
※型钢型钢是由钢厂按照标准规格轧制而成的钢材,其断面形状如尺寸是定型的,例如:角钢、工字钢、槽钢等。
★型钢的代号及标注★钢结构中型钢的连接方法※焊接※铆接※螺栓连接一、焊接将被连接的型钢在连接部位加热使其和焊条熔化,凝结后成为不可分割的整体。
1、焊缝类型及其符号※坡口焊缝※贴角焊缝※塞焊缝★焊缝的图形符号和辅助符号2、焊缝的标注在钢结构图中,必须把焊缝的位置、形式、尺寸和辅助要求标准清楚。
★焊缝的标注方法★焊缝不连续时的画法及标注当焊缝分布不连续时,可见焊缝宜在焊缝处加中实线,不可见焊缝加细栅线二、铆接用铆钉将两块或两块以上的钢板连接在一起★铆接分类※工厂连接※现场连接★铆钉类型三、螺栓连接※焊接和铆接都是不可拆卸的连接,螺栓连接是可拆卸的连接※连接方法★螺栓、孔、电焊铆钉图例钢梁结构图概述钢梁常用于大、中跨度桥梁中钢梁的种类※钢板梁※钢桁梁★下承式简支栓焊梁★钢梁结构图的内容※设计轮廓图※节点图※杆件图※零件图★设计轮廓图★节点图★节点构造图★拼接板、填板的拼装★立体图★节点板详图★杆件图★零件图钢屋架结构图概述※钢屋架※钢屋架结构图屋架简图、屋架详图〔包括节点图〕、杆件详图、连接板详图。
★屋架简图※屋架简图又称屋架示意图、屋架杆件几何尺寸简图。
※比例:1:100、1:200※单线条表示,杆件长度直接注在单线条旁边。
★屋架详图※图样:立面图,上弦实形辅助投影,剖面断面图。
※比例:两种比例:杆件轴线采用较小比例〔1:20,1:15〕节点板、杆件、断面采用较大比例〔1:10,1:5〕※图线:可见轮廓线——中实线不可见轮廓线——中虚线★杆件拼接★支座节点图★屋脊节点图精品文章请关注钢构联盟公众号。
钢结构识图,一分钟科普你!先来明确几个概念:钢结构为由型钢连接而成的结构物,例如:钢梁、钢屋架、钢塔架、钢脚手架等。
钢结构图用来表示钢结构的图样。
型钢是由钢厂按照标准规格轧制而成的钢材,其断面形状如尺寸是定型的,例如:角钢、工字钢、槽钢等。
★ 型钢的代号及标注? ★ 钢结构中型钢的连接方法1、焊接2、铆接3、螺栓连接焊接将被连接的型钢在连接部位加热使其和焊条熔化,凝结后成为不可分割的整体。
1、焊缝类型及其符号(1)坡口焊缝(2)贴角焊缝(3)塞焊缝焊缝的图形符号和辅助符号?2、焊缝的标注在钢结构图中,必须把焊缝的位置、形式、尺寸和辅助要求标准清楚。
?焊缝的标注方法? 焊接标注示例? 焊缝不连续时的画法及标注当焊缝分布不连续时,可见焊缝宜在焊缝处加中实线,不可见焊缝加细栅线?铆接用铆钉将两块或两块以上的钢板连接在一起? 铆接分类1、工厂连接2、现场连接铆钉类型?螺栓连接1、焊接和铆接都是不可拆卸的连接,螺栓连接是可拆卸的连接2、连接方法螺栓、孔、电焊铆钉图例? 钢梁结构图钢梁常用于大、中跨度桥梁中钢梁的种类1、钢板梁2、钢桁梁★ 下承式简支栓焊梁? ★ 钢梁结构图的内容1、设计轮廓图2、节点图3、杆件图4、零件图★ 设计轮廓图?★ 节点图? ★ 节点构造图? ★ 拼接板、填板的拼装? ★ 立体图? ★ 节点板详图? ★ 杆件图? ★ 零件图?钢屋架结构图★ 概述1、钢屋架2、钢屋架结构图屋架简图、屋架详图(包括节点图)、杆件详图、连接板详图。
★ 屋架简图1、屋架简图又称屋架示意图、屋架杆件几何尺寸简图。
2、比例:1:100、1:2003、单线条表示,杆件长度直接注在单线条旁边。
? ★ 屋架详图1、图样:立面图,上弦实形辅助投影,剖面断面图。
2、比例:两种比例:(1)杆件轴线采用较小比例(1:20,1:15)(2)节点板、杆件、断面采用较**例(1:10,1:5)3、图线:(1)可见轮廓线——中实线(2)不可见轮廓线——中虚线★ 杆件拼接?★ 支座节点图? ★屋脊节点图。
一分钟看懂【钢结构图】★钢结构图※钢结构由型钢连接而成的结构物,例如:钢梁、钢屋架、钢塔架、钢脚手架等。
※钢结构图用来表示钢结构的图样.※型钢型钢是由钢厂按照标准规格轧制而成的钢材,其断面形状如尺寸是定型的,例如:角钢、工字钢、槽钢等.★型钢的代号及标注★钢结构中型钢的连接方法※焊接※铆接※螺栓连接一、焊接将被连接的型钢在连接部位加热使其和焊条熔化,凝结后成为不可分割的整体。
1、焊缝类型及其符号※坡口焊缝※贴角焊缝※塞焊缝★焊缝的图形符号和辅助符号2、焊缝的标注在钢结构图中,必须把焊缝的位置、形式、尺寸和辅助要求标准清楚。
★焊缝的标注方法★焊缝不连续时的画法及标注当焊缝分布不连续时,可见焊缝宜在焊缝处加中实线,不可见焊缝加细栅线二、铆接用铆钉将两块或两块以上的钢板连接在一起★铆接分类※工厂连接※现场连接★铆钉类型三、螺栓连接※焊接和铆接都是不可拆卸的连接,螺栓连接是可拆卸的连接※连接方法★螺栓、孔、电焊铆钉图例钢梁结构图概述钢梁常用于大、中跨度桥梁中钢梁的种类※钢板梁※钢桁梁★下承式简支栓焊梁★钢梁结构图的内容※设计轮廓图※节点图※杆件图※零件图★设计轮廓图★节点图★节点构造图★拼接板、填板的拼装★节点板详图★零件图钢屋架结构图概述※钢屋架※钢屋架结构图屋架简图、屋架详图(包括节点图)、杆件详图、连接板详图。
★屋架简图※屋架简图又称屋架示意图、屋架杆件几何尺寸简图。
※比例:1:100、1:200※单线条表示,杆件长度直接注在单线条旁边。
★屋架详图※图样:立面图,上弦实形辅助投影,剖面断面图。
※比例:两种比例:杆件轴线采用较小比例(1:20,1:15)节点板、杆件、断面采用较大比例(1:10,1:5)※图线:可见轮廓线-—中实线不可见轮廓线-—中虚线★杆件拼接★支座节点图★屋脊节点图精品文章请关注钢构联盟公众号。
图文详解钢结构识图建筑体系:1.门式钢架体系:1.1基本构件图:1.2说明:力学原理:门式钢架结构以柱、梁组成的横向刚架为主受力结构,钢架为平面受力体系。
为保证纵向稳定,设置柱间支撑和屋面支撑。
刚架:钢架柱和梁均采用截面H型钢制作,各种荷载通过柱和梁传给基础。
支撑、系杆:钢性支撑采用热轧型钢制作,一般为角钢。
柔性支撑为圆钢。
系杆为受压圆钢管,与支撑组成受力封闭体系。
屋面檩条、墙梁:一般为C型钢、Z型钢。
承受屋面板和墙面板上传递来的力,并将该力传递给柱和梁。
1.3门式钢架的基本形式:a.典型门式钢架b.带吊车的门式钢架c.带局部二层的门式钢架1.4基本节点a.柱脚节点b.梁、柱节点局部二层节点参照多层框架体系。
1.5钢架衍生形式吊车和局部二层可在衍生形式刚架中布置。
山墙刚架其本质也是多连跨刚架,不过中间柱与刚架柱比截面旋转了90度。
2.多层框架体系2.1框架图示2.2说明力学模型:a.纯刚接框架:纵横两个方向均采用刚接的框架。
b.刚接-支撑框架:横向采用钢接,纵向采用铰接,并在纵向设置支撑,以传递水平力。
c.支撑式框架:纵横向均采用铰接,两向均设置支撑传递水平力。
d.有时为保证足够的刚度,在钢接框架中亦设置支撑。
框架柱:框架柱可采用H型截面、箱形截面、十字形截面、圆管形截面等。
所有上部结构的力都通过框架柱传递给基础。
框架梁:框架梁一般采用H型截面。
楼盖和屋盖上的力通过框架梁传递给框架柱。
支撑:支撑采用一般采用热轧型钢制作,其功能是传递层间水平力和保证结构的刚度。
2.3基本节点a.柱脚节点:柱脚节点同门式钢架体系。
b.柱、梁节点:支撑、系杆:1.图示:2.说明支撑分为柔性支撑和刚性支撑两种。
柔性支撑由圆钢制作,安装时必须张紧,主要用于门式刚架结构。
刚性支撑由型钢制作,用于多层框架、吊车梁下段支撑等刚度要求高的结构中。
系杆和支撑联合作用,形成封闭的受力体系。
在支撑端头有刚性构件和传递压力的情况下,不需设置系杆。
一分钟看懂钢结构图★钢结构图※钢结构由型钢连接而成的结构物,例如:钢梁、钢屋架、钢塔架、钢脚手架等。
※钢结构图用来表示钢结构的图样。
※型钢型钢是由钢厂按照标准规格轧制而成的钢材,其断面形状如尺寸是定型的,例如:角钢、工字钢、槽钢等。
★型钢的代号及标注★钢结构中型钢的连接方法※焊接※铆接※螺栓连接一、焊接将被连接的型钢在连接部位加热使其和焊条熔化,凝结后成为不可分割的整体。
1、焊缝类型及其符号※坡口焊缝※贴角焊缝※塞焊缝★焊缝的图形符号和辅助符号2、焊缝的标注在钢结构图中,必须把焊缝的位置、形式、尺寸和辅助要求标准清楚。
★焊缝的标注方法★焊缝不连续时的画法及标注当焊缝分布不连续时,可见焊缝宜在焊缝处加中实线,不可见焊缝加细栅线二、铆接用铆钉将两块或两块以上的钢板连接在一起★铆接分类※工厂连接※现场连接★铆钉类型三、螺栓连接※焊接和铆接都是不可拆卸的连接,螺栓连接是可拆卸的连接※连接方法★螺栓、孔、电焊铆钉图例钢梁结构图概述钢梁常用于大、中跨度桥梁中钢梁的种类※钢板梁※钢桁梁★下承式简支栓焊梁★钢梁结构图的容※设计轮廓图※节点图※杆件图※零件图★设计轮廓图★节点图★节点构造图★拼接板、填板的拼装★立体图★节点板详图★杆件图★零件图钢屋架结构图概述※钢屋架※钢屋架结构图屋架简图、屋架详图(包括节点图)、杆件详图、连接板详图。
★屋架简图※屋架简图又称屋架示意图、屋架杆件几何尺寸简图。
※比例:1:100、1:200※单线条表示,杆件长度直接注在单线条旁边。
★屋架详图※图样:立面图,上弦实形辅助投影,剖面断面图。
※比例:两种比例:杆件轴线采用较小比例(1:20,1:15)节点板、杆件、断面采用较大比例(1:10,1:5)※图线:可见轮廓线——中实线不可见轮廓线——中虚线★杆件拼接★支座节点图★屋脊节点图。
教你分分钟看懂钢结构(新手一看也能懂)※钢结构由型钢连接而成的结构物,例如:钢梁、钢屋架、钢塔架、钢脚手架等。
※钢结构图用来表示钢结构的图样。
※型钢型钢是由钢厂按照标准规格轧制而成的钢材,其断面形状如尺寸是定型的,例如:角钢、工字钢、槽钢等。
★型钢的代号及标注★钢结构中型钢的连接方法※焊接※铆接※螺栓连接一、焊接将被连接的型钢在连接部位加热使其和焊条熔化,凝结后成为不可分割的整体。
1、焊缝类型及其符号※坡口焊缝※贴角焊缝※塞焊缝★焊缝的图形符号和辅助符号2、焊缝的标注在钢结构图中,必须把焊缝的位置、形式、尺寸和辅助要求标准清楚。
★焊缝的标注方法★焊缝不连续时的画法及标注当焊缝分布不连续时,可见焊缝宜在焊缝处加中实线,不可见焊缝加细栅线二、铆接用铆钉将两块或两块以上的钢板连接在一起★铆接分类※工厂连接※现场连接★铆钉类型三、螺栓连接※焊接和铆接都是不可拆卸的连接,螺栓连接是可拆卸的连接※连接方法★螺栓、孔、电焊铆钉图例钢梁结构图概述钢梁常用于大、中跨度桥梁中钢梁的种类※钢板梁※钢桁梁★下承式简支栓焊梁★钢梁结构图的内容※设计轮廓图※节点图※杆件图※零件图★设计轮廓图★节点图★节点构造图★拼接板、填板的拼装★立体图★节点板详图★杆件图★零件图钢屋架结构图概述※钢屋架※钢屋架结构图屋架简图、屋架详图(包括节点图)、杆件详图、连接板详图。
★屋架简图※屋架简图又称屋架示意图、屋架杆件几何尺寸简图。
※比例:1:100、1:200※单线条表示,杆件长度直接注在单线条旁边。
★屋架详图※图样:立面图,上弦实形辅助投影,剖面断面图。
※比例:两种比例:杆件轴线采用较小比例(1:20,1:15)节点板、杆件、断面采用较大比例(1:10,1:5)※图线:可见轮廓线——中实线不可见轮廓线——中虚线★杆件拼接★支座节点图★屋脊节点图。
建筑结构丨一分钟看懂钢结构图2015-04-15點右側蓝色字加我钢结构图※钢结构由型钢连接而成的结构物,例如:钢梁、钢屋架、钢塔架、钢脚手架等。
※钢结构图用来表示钢结构的图样。
※型钢型钢是由钢厂按照标准规格轧制而成的钢材,其断面形状如尺寸是定型的,例如:角钢、工字钢、槽钢等。
★型钢的代号及标注★钢结构中型钢的连接方法※焊接※铆接※螺栓连接一、焊接将被连接的型钢在连接部位加热使其和焊条熔化,凝结后成为不可分割的整体。
1、焊缝类型及其符号※坡口焊缝※贴角焊缝※塞焊缝焊缝的图形符号和辅助符号2、焊缝的标注在钢结构图中,必须把焊缝的位置、形式、尺寸和辅助要求标准清楚。
焊缝的标注方法焊接标注示例当焊缝分布不连续时,可见焊缝宜在焊缝处加中实线,不可见焊缝加细栅线用铆钉将两块或两块以上的钢板连接在一起铆接分类※工厂连接※现场连接铆钉类型三、螺栓连接※焊接和铆接都是不可拆卸的连接,螺栓连接是可拆卸的连接※连接方法螺栓、孔、电焊铆钉图例钢梁结构图概述钢梁常用于大、中跨度桥梁中钢梁的种类※钢板梁※钢桁梁★下承式简支栓焊梁★钢梁结构图的内容※设计轮廓图※节点图※杆件图※零件图★设计轮廓图★节点图★节点构造图★拼接板、填板的拼装★立体图★节点板详图★杆件图★★零件图钢屋架结构图★概述※钢屋架※钢屋架结构图屋架简图、屋架详图(包括节点图)、杆件详图、连接板详图。
★屋架简图※屋架简图又称屋架示意图、屋架杆件几何尺寸简图。
※比例:1:100、1:200※单线条表示,杆件长度直接注在单线条旁边。
★屋架详图※图样:立面图,上弦实形辅助投影,剖面断面图。
※比例:两种比例:杆件轴线采用较小比例(1:20,1:15)节点板、杆件、断面采用较大比例(1:10,1:5)※图线:可见轮廓线——中实线不可见轮廓线——中虚线★杆件拼接★支座节点图★屋脊节点图。
★钢结构图※钢结构由型钢连接而成的结构物,例如:钢梁、钢屋架、钢塔架、钢脚手架等。
※钢结构图用来表示钢结构的图样。
※型钢型钢是由钢厂按照标准规格轧制而成的钢材,其断面形状如尺寸是定型的,例如:角钢、工字钢、槽钢等。
★型钢的代号及标注★钢结构中型钢的连接方法※焊接※铆接※螺栓连接一、焊接将被连接的型钢在连接部位加热使其和焊条熔化,凝结后成为不可分割的整体。
1、焊缝类型及其符号※坡口焊缝※贴角焊缝※塞焊缝★焊缝的图形符号和辅助符号2、焊缝的标注在钢结构图中,必须把焊缝的位置、形式、尺寸和辅助要求标准清楚。
★焊缝的标注方法★焊缝不连续时的画法及标注当焊缝分布不连续时,可见焊缝宜在焊缝处加中实线,不可见焊缝加细栅线二、铆接用铆钉将两块或两块以上的钢板连接在一起★铆接分类※工厂连接※现场连接★铆钉类型三、螺栓连接※焊接和铆接都是不可拆卸的连接,螺栓连接是可拆卸的连接※连接方法★螺栓、孔、电焊铆钉图例钢梁结构图概述钢梁常用于大、中跨度桥梁中钢梁的种类※钢板梁※钢桁梁★下承式简支栓焊梁★钢梁结构图的内容※设计轮廓图※节点图※杆件图※零件图★设计轮廓图★节点图★节点构造图★拼接板、填板的拼装★立体图★节点板详图★杆件图★零件图钢屋架结构图概述※钢屋架※钢屋架结构图屋架简图、屋架详图(包括节点图)、杆件详图、连接板详图。
★屋架简图※屋架简图又称屋架示意图、屋架杆件几何尺寸简图。
※比例:1:100、1:200※单线条表示,杆件长度直接注在单线条旁边。
★屋架详图※图样:立面图,上弦实形辅助投影,剖面断面图。
※比例:两种比例:杆件轴线采用较小比例(1:20,1:15)节点板、杆件、断面采用较大比例(1:10,1:5)※图线:可见轮廓线——中实线不可见轮廓线——中虚线★杆件拼接★支座节点图★屋脊节点图精品文章请关注钢构联盟公众号。
一分钟看懂钢结构图?★钢结构图?※?钢结构由型钢连接而成的结构物,例如:钢梁、钢屋架、钢塔架、钢脚手架等。
※?钢结构图用来表示钢结构的图样。
※?型钢型钢是由钢厂按照标准规格轧制而成的钢材,其断面形状如尺寸是定型的,例如:角钢、工字钢、槽钢等。
? ?★?型钢的代号及标注???★?钢结构中型钢的连接方法?※?焊接※?铆接※?螺栓连接??一、焊接?将被连接的型钢在连接部位加热使其和焊条熔化,凝结后成为不可分割的整体。
?1、焊缝类型及其符号?※?坡口焊缝※?贴角焊缝※?塞焊缝??★?焊缝的图形符号和辅助符号???2、焊缝的标注?在钢结构图中,必须把焊缝的位置、形式、尺寸和辅助要求标准清楚。
? ?★?焊缝的标注方法??★?焊缝不连续时的画法及标注?当焊缝分布不连续时,可见焊缝宜在焊缝处加中实线,不可见焊缝加细栅线? ?二、铆接?用铆钉将两块或两块以上的钢板连接在一起??★?铆接分类?※?工厂连接※?现场连接★?铆钉类型??三、螺栓连接?※?焊接和铆接都是不可拆卸的连接,螺栓连接是可拆卸的连接※?连接方法??★?螺栓、孔、电焊铆钉图例? ?钢梁结构图?概述钢梁常用于大、中跨度桥梁中?钢梁的种类※?钢板梁※?钢桁梁??★?下承式简支栓焊梁? ?★?钢梁结构图的内容?※?设计轮廓图※?节点图※?杆件图※?零件图??★?设计轮廓图?★?节点图? ?★?节点构造图? ?★?拼接板、填板的拼装? ?★?立体图??★?节点板详图? ?★?杆件图? ?★?零件图? ?钢屋架结构图?概述※?钢屋架※?钢屋架结构图屋架简图、屋架详图(包括节点图)、杆件详图、连接板详图。
?★?屋架简图?※?屋架简图又称屋架示意图、屋架杆件几何尺寸简图。
※?比例:1:100、1:200※?单线条表示,杆件长度直接注在单线条旁边。
??★?屋架详图?※?图样:立面图,上弦实形辅助投影,剖面断面图。
※?比例:两种比例:杆件轴线采用较小比例(1:20,1:15)节点板、杆件、断面采用较大比例(1:10,1:5)※?图线:可见轮廓线——中实线不可见轮廓线——中虚线★?杆件拼接??★?支座节点图? ?★?屋脊节点图?。
一分钟看懂钢结构图★钢结构图※钢结构由型钢连接而成的结构物,例如:钢梁、钢屋架、钢塔架、钢脚手架等。
※钢结构图用来表示钢结构的图样。
※型钢型钢是由钢厂按照标准规格轧制而成的钢材,其断面形状如尺寸是定型的,例如:角钢、工字钢、槽钢等。
★型钢的代号及标注★钢结构中型钢的连接方法※焊接※铆接※螺栓连接一、焊接将被连接的型钢在连接部位加热使其和焊条熔化,凝结后成为不可分割的整体。
1、焊缝类型及其符号※坡口焊缝※贴角焊缝※塞焊缝★焊缝的图形符号和辅助符号2、焊缝的标注在钢结构图中,必须把焊缝的位置、形式、尺寸和辅助要求标准清楚.★焊缝的标注方法★焊缝不连续时的画法及标注当焊缝分布不连续时,可见焊缝宜在焊缝处加中实线,不可见焊缝加细栅线二、铆接用铆钉将两块或两块以上的钢板连接在一起★铆接分类※工厂连接※现场连接★铆钉类型三、螺栓连接※焊接和铆接都是不可拆卸的连接,螺栓连接是可拆卸的连接※连接方法★螺栓、孔、电焊铆钉图例钢梁结构图概述钢梁常用于大、中跨度桥梁中钢梁的种类※钢板梁※钢桁梁★下承式简支栓焊梁★钢梁结构图的内容※设计轮廓图※节点图※杆件图※零件图★设计轮廓图★节点图★节点构造图★拼接板、填板的拼装★立体图★节点板详图★杆件图★零件图钢屋架结构图概述※钢屋架※钢屋架结构图屋架简图、屋架详图(包括节点图)、杆件详图、连接板详图。
★屋架简图※屋架简图又称屋架示意图、屋架杆件几何尺寸简图。
※比例:1:100、1:200※单线条表示,杆件长度直接注在单线条旁边.★屋架详图※图样:立面图,上弦实形辅助投影,剖面断面图。
※比例:两种比例:杆件轴线采用较小比例(1:20,1:15)节点板、杆件、断面采用较大比例(1:10,1:5)※图线:可见轮廓线——中实线不可见轮廓线--中虚线★杆件拼接★支座节点图★屋脊节点图。
一分钟看懂钢结构图
★钢结构图
※钢结构
由型钢连接而成的结构物,例如:钢梁、钢屋架、钢塔架、钢脚手架等。
※钢结构图
用来表示钢结构的图样。
※型钢
型钢是由钢厂按照标准规格轧制而成的钢材,其断面形状如尺寸是定型的,例如:角钢、工字钢、槽钢等。
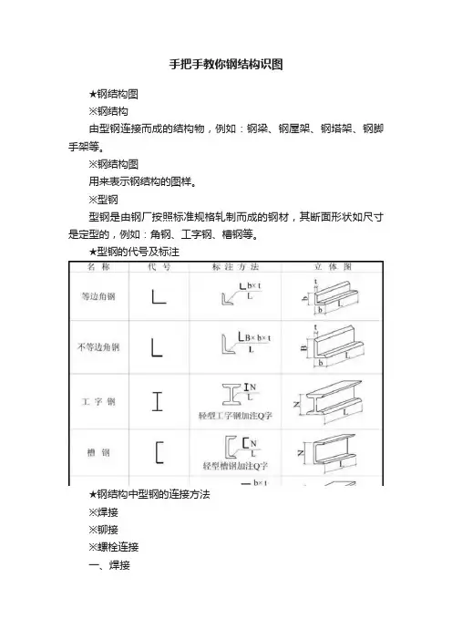
★型钢的代号及标注
★钢结构中型钢的连接方法
※焊接
※铆接
※螺栓连接
一、焊接
将被连接的型钢在连接部位加热使其和焊条熔化,凝结后成为不可分割的整体。
1、焊缝类型及其符号
※坡口焊缝
※贴角焊缝
※塞焊缝
★焊缝的图形符号和辅助符号
2、焊缝的标注
在钢结构图中,必须把焊缝的位置、形式、尺寸和辅助要求标准清楚。
★焊缝的标注方法
★焊缝不连续时的画法及标注
当焊缝分布不连续时,可见焊缝宜在焊缝处加中实线,不可见焊缝加细栅线
二、铆接
用铆钉将两块或两块以上的钢板连接在一起
★铆接分类
※工厂连接
※现场连接
★铆钉类型
三、螺栓连接
※焊接和铆接都是不可拆卸的连接,螺栓连接是可拆卸的连接※连接方法
★螺栓、孔、电焊铆钉图例
钢梁结构图
概述
钢梁常用于大、中跨度桥梁中
钢梁的种类
※钢板梁
※钢桁梁
★下承式简支栓焊梁
★钢梁结构图的内容
※设计轮廓图
※节点图
※杆件图
※零件图
★设计轮廓图
★节点图
★节点构造图
★拼接板、填板的拼装
★立体图
★节点板详图
★杆件图
★零件图
钢屋架结构图
概述
※钢屋架
※钢屋架结构图
屋架简图、屋架详图(包括节点图)、杆件详图、连接板详图。
★屋架简图
※屋架简图又称屋架示意图、屋架杆件几何尺寸简图。
※比例:1:100、1:200
※单线条表示,杆件长度直接注在单线条旁边。
★屋架详图
※图样:立面图,上弦实形辅助投影,剖面断面图。
※比例:两种比例:
杆件轴线采用较小比例(1:20,1:15)
节点板、杆件、断面采用较大比例(1:10,1:5)※图线:可见轮廓线——中实线
不可见轮廓线——中虚线
★杆件拼接
★支座节点图
★屋脊节点图。