项目周工作对接会流程表
- 格式:doc
- 大小:18.50 KB
- 文档页数:1
项目流程对接表项目流程对接表是指在项目实施过程中,为了方便各个部门之间的沟通和协作,制定的一种表格,用于记录各个部门的工作内容、时间节点、责任人等信息,以便于项目的顺利进行。
项目流程对接表通常由项目管理人员编制,并在项目启动阶段就开始使用,直至项目完成。
项目流程对接表的编制需要考虑以下几个方面:1. 项目各阶段的工作内容和时间节点,在项目启动阶段,需要明确项目的各个阶段的工作内容和时间节点,这些信息将成为项目流程对接表的主要内容。
例如,项目的立项阶段需要进行市场调研、需求分析、方案设计等工作,这些工作的时间节点需要在项目流程对接表中明确记录。
2. 各部门的工作职责和协作方式,在项目实施过程中,各个部门需要相互配合,完成各自的工作任务。
项目流程对接表需要明确各个部门的工作职责和协作方式,以便于各部门之间的沟通和协作。
例如,市场部门需要提供市场需求信息给产品部门,产品部门需要根据市场需求信息进行产品设计和开发,这些信息需要在项目流程对接表中进行记录。
3. 责任人和工作进度的跟踪,项目流程对接表需要明确各个工作任务的责任人,并记录工作任务的完成进度。
这样可以及时发现工作进度的滞后和问题,及时采取措施进行调整和解决。
例如,产品设计任务的责任人是产品经理,需要在项目流程对接表中记录产品设计的完成进度,以便于项目管理人员进行跟踪和协调。
4. 变更管理和风险控制,在项目实施过程中,可能会出现工作内容的变更和风险事件,项目流程对接表需要对变更管理和风险控制进行记录和跟踪。
例如,产品设计过程中,可能会出现客户需求的变更,需要在项目流程对接表中进行记录和跟踪,以便于及时进行调整。
5. 项目进度和成本控制,项目流程对接表还需要对项目的进度和成本进行控制和跟踪。
项目管理人员需要通过项目流程对接表了解项目的实施进度和成本情况,及时进行调整和控制。
例如,产品设计阶段的成本控制需要在项目流程对接表中进行记录和跟踪,以便于项目管理人员进行成本控制。
对接会方案对接会方案引言对接会是企业或组织之间进行合作和沟通的重要环节。
一个明确的对接会方案可以提高会议效率,确保参与者充分了解会议目的和安排,准备充分,并能顺利推进合作和项目。
会议目标1. 确定双方合作的具体项目和目标。
2. 讨论双方的合作方式和合作条件。
3. 了解并解决可能出现的问题和难题。
4. 设定合作的时间表和里程碑。
5. 确定下一步的行动计划。
会议时间和地点1. 时间:XX年XX月XX日,上午10点至下午4点。
2. 地点:XX会议中心,地址是XXXXXX。
会议议程上午10:00-10:30- 主题:欢迎致词和介绍- 内容:- 主持人致辞,介绍会议目的和背景。
- 各方代表进行自我介绍,说明自己的职责和期望。
上午10:30-11:30- 主题:项目和目标讨论- 内容:- 介绍双方的项目和目标。
- 分享项目的关键信息,包括项目规模、预计收益和风险等。
- 讨论项目的可行性和优势,确定合作的价值和意义。
上午11:30-12:30- 主题:合作方式和合作条件- 内容:- 探讨双方的合作方式,例如合资、合作研发或技术交流等。
- 讨论合作的条件,包括合作期限、投入资源和风险分担等。
- 寻找共同的利益点,确保合作双方的利益得到平衡和保障。
下午12:30-1:30- 主题:午餐休息- 内容:- 提供午餐和茶歇,为参与者提供休息和社交的机会。
下午1:30-3:00- 主题:问题和难题讨论- 内容:- 识别和讨论可能出现的问题和难题。
- 找出解决问题的方法和策略。
- 确定解决问题的责任人和时间表。
下午3:00-4:00- 主题:行动计划和总结- 内容:- 所有参与者共同制定行动计划和时间表。
- 回顾会议内容和讨论结果。
- 总结合作方案和下一步的工作重点。
会议准备工作1. 确认参会人员和组织的代表,尽量保证决策人员的出席。
2. 邀请相关方给出资料和报告,准备座位和设备。
3. 提前与会议中心确认会议需要的设备和服务。
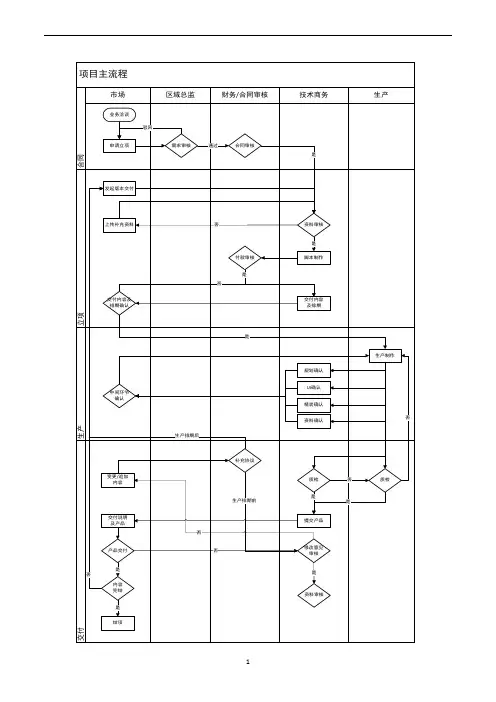
项目对接流程规范(XX)为保证流程正常运转,保证项目都能及时安排制作特做以下规范:1.基本规范➢技术商务有责任在9:00-21:00之间接听所有有关于项目的咨询电话。
➢每日申请立项项目总数不得超过4个(目前技术商务4人),超过部分将次日审核。
➢如因生产问题导致项目制作有错误、修改漏项等,将会在反馈当日第一时间进行修改及调整。
➢立项排期成功后将无法更改排期,但有权暂停部分制作内容或该次版本制作,如暂停本次版本制作将默认本次版本结版。
2.资料审核工作日18:00前提交与技术商务的资料需要当日给予回复,超过18:00提交资料按顺序往后顺延至第二个工作日。
资料延期处理:如本次版本交付内容的资料无法在立项时到齐,但是在立项后7天内能够到齐,则可一并立项排期,并且需要在7天内将所有资料对接完毕提交试生产进行制作。
3.脚本制作、交付内容、生产排期将在1个工作日内完成,并且排期和交付内容有效期为排期当天,过期作废需重新安排。
4.中间环节确认将按项目紧要程度安排最晚回复时间(≥1个工作日)。
如无法按照规定时间进行确认需技术商务和市场相关人员进行协商本项制作内容是否放在修改版或下次版本进行交付。
5.提交产品提交产品会一并附上本次提交内容及备注,并且需要市场对接人员3个工作日内给予回复修改意见或告知何时提交修改意见(总时长不超过10个工作日),超时将结版。
6.修改意见修改意见提交技术商务后需1个工作日内进行回复确认,并剥离修改和变更内容。
7.变更内容变更内容需走补充协议,如补充协议在生产安排制作前完成,则此次版本将一并进行修改和调整。
注:1.资料审核➢如延期资料7天内无法到齐,则缺少部分资料内容本次版本不提交。
➢如延期资料中VI资料无法按期到达,则本次版本不提交,将默认转入2.0版本。
➢延期资料内容不得超过2项。
2.脚本制作、交付内容、生产排期如项目未按规定付款将在完成脚本制作后进行挂起,并在付款成功后1个工作日内完成生产排期及交付内容。
工作对接表格模板
以下是一个简单的工作对接表格模板,你可以根据具体的需求进行调整。
该表格适用于不同部门或个体之间的工作对接,以确保信息的清晰传递和任务的顺利执行。
工作对接表格
对接内容详细说明:
项目A
•内容1:[具体内容]
•内容2:[具体内容]
•内容3:[具体内容]
项目B
•内容1:[具体内容]
•内容2:[具体内容]
•内容3:[具体内容]
项目C
•内容1:[具体内容]
•内容2:[具体内容]
•内容3:[具体内容]
使用说明:
1.填写表格时,请根据实际情况填入相应的信息。
2.对接时间可具体到日期和具体时间段,以确保工作的准确对接。
3.对接内容详细说明中可以列举具体的工作任务、目标等。
这个表格旨在帮助团队内部或不同部门之间更好地进行工作对接,确保项目的协同推进。
项目对接会方案一、项目背景随着经济全球化的深入发展,企业间的合作与交流日益频繁。
为了更好地促进企业间的合作,提高资源利用效率,项目对接会作为一种有效的交流平台应运而生。
本方案旨在为企业提供一个高质量、高效率的项目对接会,以促进企业间的合作与发展。
二、项目目标1. 搭建企业间交流与合作的平台,促进资源共享和优势互补;2. 提高企业间的了解与信任,增强合作意愿;3. 挖掘潜在合作机会,拓展业务领域;4. 提升企业的品牌影响力,增强市场竞争力。
三、项目实施方案1. 组织机构项目对接会由主办方、协办方和参会企业组成。
主办方负责整个对接会的策划、组织与实施;协办方提供支持和协助;参会企业则通过报名参加对接会,寻求合作机会。
2. 宣传推广通过多种渠道进行项目对接会的宣传推广,包括但不限于:官方网站、社交媒体、行业媒体、电子邮件营销等。
同时,可邀请行业专家、知名企业家等参与活动,提高活动的知名度和影响力。
3. 参会企业筛选根据对接会主题和参会企业的行业特点,筛选出符合条件的企业参加对接会。
筛选标准包括但不限于:企业规模、业务范围、市场竞争力等。
通过筛选,确保参会企业具有一定的实力和合作潜力。
4. 活动安排项目对接会主要包括以下环节:开幕式、主题演讲、企业展示、自由交流、合作签约等。
根据实际情况,可增设或删减环节。
以下是详细的活动安排:(1)开幕式:介绍主办方、协办方及参会企业代表,宣布对接会正式开始;(2)主题演讲:邀请行业专家或知名企业家发表演讲,分享行业动态和成功经验;(3)企业展示:参会企业通过展示海报、宣传册、PPT等形式,介绍公司的业务范围、产品特点、竞争优势等;(4)自由交流:为参会企业提供自由交流的机会,促进企业间的了解与信任;(5)合作签约:经过前期交流与洽谈,达成合作意向的企业可签订合作协议。
5. 后续服务项目对接会结束后,主办方应持续关注参会企业的合作进展,提供必要的支持和协助。
同时,可组织定期的交流活动,以促进已签约项目的顺利实施。
模具厂周例会流程
一、会前准备
1. 确定例会时间和地点,通知相关人员参加会议;
2. 准备会议议程,包括讨论的主题、问题和计划;
3. 确保会议需要的资料、数据和报告已经准备就绪;
4. 检查会议设备是否齐全并保证畅通无阻。
二、会议开场
1. 主持人宣布会议开始,并介绍与会人员;
2. 主持人说明本次例会的目的和议程安排;
3. 请记录员记录会议内容和决定;
4. 主持人提醒大家遵守会议纪律,尊重他人发言。
三、例会议程
1. 项目进展汇报:各部门负责人汇报本周的工作进展、问题、困难和解决方案;
2. 问题讨论:讨论本周遇到的问题,并寻找解决方案;
3. 计划安排:安排下周工作计划、目标和重点任务,并明确责任人和时间节点;
4. 特别议题:如有重要事项或紧急事情需要商讨,可在本节进行讨论;
5. 签到审阅:检查会议签到表,确认出勤情况及纪律。
四、会议总结
1. 主持人对本次会议内容进行总结概述,确认各项决议;
2. 汇总重要事项及工作安排,确保每个人都明确任务和目标;
3. 提醒参会人员注意落实会议决议,做好记录和监督;
4. 主持人感谢大家的参与和配合,宣布会议结束。
五、会议后的跟进
1. 根据会议记录整理会议纪要并发布给参会人员;
2. 落实会议决议,监督各项工作的进度和完成情况;
3. 可根据实际情况进行定期例会的总结和改进。
以上就是模具厂周例会的流程,希望能对你有所帮助。
2024年每周工作计划表根据您的要求,以下是2024年每周的工作计划安排。
请注意,这个计划表是假设您每周工作5天的情况下制定的,每天工作8小时。
您可以根据自身实际情况进行调整和修改。
第1周:-周一:评估____年的工作成果和总结,制定2024年的目标和计划。
-周二:与团队成员开会,讨论并制定每个人的职责和目标。
-周三至周四:制定2024年的项目计划和时间表。
-周五:与合作伙伴开会,讨论和调整合作事项。
第2周:-周一至周三:开始执行2024年的项目计划,并监督进展情况。
-周四:与团队成员进行项目进展汇报会议。
-周五:与客户和合作伙伴开会,讨论项目进展和解决可能出现的问题。
第3周:-周一至周五:继续执行项目计划,并与团队成员保持密切沟通。
-周五:与团队成员开会,总结这个月的工作成果和反馈。
第4周:-周一:评估上个月的工作成果和总结。
-周二:制定下一个月的目标和计划,并与团队成员讨论和分配任务。
-周三至周五:开始执行下一个月的项目计划。
第5-8周:-重复第2-4周的工作安排,按照项目计划执行工作并与团队成员和合作伙伴保持沟通。
第9周:-周一至周四:进行中期评估和总结,检查项目进展情况并及时调整计划。
-周五:召开会议,与团队成员讨论中期评估结果,提出改进意见。
第10-12周:-继续按照前面的工作安排执行项目计划,与团队成员和合作伙伴保持沟通。
第13周:-周一至周三:开始准备年度总结报告,并与团队成员讨论和收集反馈意见。
-周四:与上级领导开会,汇报年度工作总结。
-周五:与团队成员庆祝并激励,感谢他们的努力和贡献。
以上是一个大致的工作计划安排,您可以根据具体情况进行调整和修改。
此外,还需要根据具体的项目和任务制定详细的计划,并定期进行评估和调整。
祝您在2024年取得成功!2024年每周工作计划表(二)周一:- 早上9点至11点:参加团队会议,讨论本周工作目标和计划,分配任务- 上午11点至12点:整理邮件,回复重要邮件- 下午1点至3点:进行市场调研,了解竞争对手动态和新兴市场趋势- 下午3点至5点:与供应商沟通,订购必要的物资和设备周二:- 早上9点至11点:撰写本周工作报告,总结上周工作成果和下周工作计划- 上午11点至12点:与部门同事开会,讨论项目进展和解决遇到的问题- 下午1点至3点:开展市场推广活动,制定推广计划并与合作伙伴洽谈- 下午3点至5点:处理客户投诉和售后服务,确保客户满意度周三:- 早上9点至11点:参加培训课程,提升专业技能和知识- 上午11点至12点:完成部门领导分配的临时任务- 下午1点至3点:进行数据分析,统计销售数据和市场调研结果- 下午3点至5点:与团队成员讨论项目进展,解决项目中的问题周四:- 早上9点至11点:与合作伙伴开会,商讨合作事宜和共同发展方向- 上午11点至12点:与客户进行产品演示和销售谈判- 下午1点至3点:参加行业会议,了解行业趋势和最新技术- 下午3点至5点:整理会议记录和行动计划,安排下一步工作周五:- 早上9点至11点:与团队成员开展项目汇报会议,分享项目进展和问题解决方案- 上午11点至12点:审阅行业相关新闻和报道,保持对行业的敏感度- 下午1点至3点:与财务部门对接,核对账目和报销单据- 下午3点至5点:进行团队建设活动,加强团队凝聚力和合作精神以上只是一个例子,实际的工作计划会根据公司和职位的不同而有所差异。
项目对接会方案在现代商业社会中,项目对接会是企业间合作和交流的重要平台。
通过项目对接会,企业可以找到合作伙伴,洽谈合作项目,拓展业务范围,促进经济发展。
因此,制定一个完善的项目对接会方案对于企业来说至关重要。
本文将从准备工作、会议流程、会后跟进等方面,详细介绍一个完善的项目对接会方案。
一、准备工作。
1.明确目标,在举办项目对接会之前,企业需要明确自己的合作目标和需求。
比如,企业是否需要寻找新的合作伙伴,是否需要推广新产品,是否需要拓展新的市场等。
只有明确了目标,才能有针对性地筛选参会企业和制定会议议程。
2.邀请参会企业,根据明确的合作目标,企业可以邀请符合条件的企业参加项目对接会。
可以通过电话、邮件、社交媒体等方式发送邀请函,并在邀请函中说明项目对接会的时间、地点、议程安排等信息。
3.确定会议时间和地点,企业需要提前确定项目对接会的时间和地点,确保参会企业能够合理安排时间和出行。
同时,会议场地需要选择在交通便利、设施完善的地方,以便参会企业的参会。
4.制定会议议程,企业需要根据合作目标,制定详细的会议议程。
议程内容包括开幕式、企业介绍、项目对接环节、洽谈合作、合作意向签署等环节。
确保会议议程合理安排,充分利用时间,提高会议效率。
5.准备会议资料,企业需要准备好与合作相关的资料,如企业介绍、产品介绍、合作方案等。
确保资料内容真实可靠,能够吸引参会企业的关注。
二、会议流程。
1.开幕式,项目对接会开始时,主持人进行开幕致辞,介绍会议议程和参会企业。
开幕式需要简洁有力,引起参会企业的兴趣和关注。
2.企业介绍,各参会企业进行自我介绍,介绍企业的发展历程、主营产品、市场定位等信息。
企业介绍环节有助于参会企业了解彼此,为后续的合作洽谈奠定基础。
3.项目对接环节,在项目对接环节,企业可以针对自己的合作需求,与其他企业进行一对一的对接。
通过项目对接,企业可以找到合适的合作伙伴,洽谈具体的合作项目。
4.洽谈合作,在确定合作意向后,企业可以进行具体的合作洽谈。
项目对接会流程项目对接会是指为了推动项目进展,促进项目合作,解决项目中遇到的问题和困难而举行的会议。
项目对接会流程通常包括会前准备、会议召开、会后跟踪等环节。
在项目对接会中,各方可以就项目的进展情况、存在的问题、下一步的工作计划等进行交流和沟通,以期达成共识,推动项目顺利进行。
1. 会前准备。
在项目对接会召开之前,需要进行充分的会前准备工作。
首先是确定会议的召开时间和地点,通知相关参会人员,并确认参会人员的名单。
其次是准备会议议程,明确会议的主题、内容和议程安排,确保会议的目的明确,内容丰富。
同时,还需要准备会议所需的资料和设备,如会议室、投影仪、资料复印件等。
另外,还要做好会议的后勤保障工作,如茶点、用餐等。
2. 会议召开。
在项目对接会当天,首先由会议组织者致开幕词,介绍会议的目的和意义,以及会议的议程安排。
随后,由项目负责人或相关负责人进行项目进展情况的汇报,包括项目的完成情况、存在的问题和困难、下一步的工作计划等。
各方参会人员可以就汇报内容进行提问和讨论,以便更好地了解项目的情况。
接下来,可以安排相关专家或顾问就项目中遇到的问题进行解答和建议,为项目的顺利进行提供支持和指导。
最后,由会议组织者进行会议总结,明确下一步的工作安排和责任分工,以及对会议的效果进行评估。
3. 会后跟踪。
会议结束后,并不意味着工作的结束,而是需要进行会后的跟踪工作。
首先是整理会议记录和资料,将会议中的讨论内容和决定事项进行详细记录和整理,形成会议纪要和行动计划,以便后续的跟踪和落实。
其次是及时通知各方参会人员会议的成果和决定事项,明确各自的工作任务和责任,确保会议的决定得到有效的落实。
同时,还需要对会议的效果进行评估和总结,为下一次的项目对接会做好准备和改进。
总之,项目对接会流程包括会前准备、会议召开和会后跟踪三个环节,通过这些环节的有机结合,可以有效地推动项目的进展,促进项目的合作,解决项目中遇到的问题和困难,实现项目目标的顺利完成。
项目部会议流程一、会前准备。
咱项目部要开个会呀,这会前准备可不能马虎。
1. 确定会议时间。
这得挑个大家都相对有空的时候,可不能太任性。
得考虑到项目成员的工作安排,不能和重要的任务冲突喽。
比如说,要是大家都在赶一个紧急的项目交付,这时候开会肯定不合适。
所以呢,提前在项目组里问问大家的日程,找个大家都能接受的时间段,像周二或者周三的下午就比较合适,一般上午大家刚进入工作状态,事情也比较多,周四、周五呢又容易想着周末的事儿,注意力不集中。
2. 明确会议地点。
这地点也有讲究。
要是项目组人不多,在咱们办公室找个空会议室就行,方便又快捷。
要是人多呢,就得找个宽敞点的地儿,可以提前预定公司的大会议室。
可别小看这地点,要是地方太小,大家挤在一起,心里也不舒服,会影响开会的心情呢。
3. 确定会议议程。
这个可重要啦。
得先想清楚咱这会要讨论啥内容。
是项目进度汇报呢,还是有新的任务要分配,或者是遇到问题要解决。
把这些议程一条一条写清楚,让大家心里有数。
就像咱去超市买菜,得有个清单一样,这样才不会乱。
比如说,第一个议程是项目A的进度汇报,让负责的同事详细说说做到哪了,有没有遇到啥困难;第二个议程是关于新的项目B的启动,要讲讲初步的计划和人员安排之类的。
4. 通知参会人员。
通知一定要及时又准确。
可以在项目组的群里发个消息,或者单独给每个参会的人发个邮件。
把会议的时间、地点、议程都写清楚。
还可以温馨提醒一下大家带上可能会用到的资料或者设备。
比如说,如果有数据要分析,就让负责数据的同事带上电脑,方便现场查看数据。
而且呢,在通知里可以加个小表情,让消息看起来更亲切,像 这样的表情就不错。
二、会议进行中。
好啦,准备工作都做好了,会议就开始啦。
1. 开场。
这开场就像是一场演出的开场白,得热情又简洁。
主持人可以先和大家打个招呼,开个小玩笑,活跃一下气氛。
比如说,“各位咱们又聚在一起啦,感觉就像一家人团聚一样呢。
今天这个会呢,就是想让大家一起聊聊咱们项目的那些事儿。
项目对接人制度一、原则:基于关键性计划节点管控的目标化管理二、目的:为加强项目管理的计划性和跨部门协调的高效性,提高公司各强关联职能部门与项目部的横向沟通能力,建立项目团队意识,提升项目整体运营水平,拟施行项目对接人制度。
三、关键词:1、项目负责人:各项目经理2、项目对接人:相关职能部门经理或副经理3、项目启动会(项目取得方案设计完成后15个工作日):通过多次会议,短时间、高强度、高效率、群策群力完成对项目第一次、也是最重要的一次决策会,涵盖产品研发、工程管控、景观规划、示范区规划、成本管控、营销策略等内容由项目负责人与项目职能部门对接人向公司领导层汇报,并由公司总经理就成功标尺等向项目负责人和职能部门对接人授权并达成一致性承诺。
4、阶段成果审查会(按计划日期):由项目负责人就WBS分解项中四级计划管控点中阶段性成果逐项向项目对接人交底,与会人员对照上一阶段的阶段性成果系统分析讨论其间的联系、成果的质量,揭示可能的瑕疵风险以及提出改进意见。
5、项目关键决策会(不定期):由项目负责人表述问题和遇到的决策困难,与会人员讨论对策、达成共识或由上报公司经营班子会裁定。
6、联合交底会(不定期):对于涉及设计重要关注点,工程施工、采购招标金额在500万以上或对项目进度、质量有重要影响的专业分包工程,由项目负责人牵头组织联合交底会,各部门对接人及主要办事人员参加,由项目负责人向各参会单位至少提前一周发出会议通知,并及时了解各参会单位准备情况。
为保证项目各有关参建方明确设计意图,熟悉图纸,掌握本工程特点(如立面风格、排版、空间效果等),了解设计采用的“三新技术”、特殊工艺要求、特殊结构,由设计部门对施工单位提出需施工单位应注意的问题及施工应达到的设计和使用功能效果等进行充分交底。
工程采购、概预算部门对工程分包、主要材料设备等进行合同交底,说明工期、质量标准、工程范围、付款方式和流程、发包单位职责(即甲供材料、设备、甲方限价、甲方分包等范围)、总分包关系及合同约定的特殊条款等,以便各岗位人员协调、配合。
项目对接会策划案一、会议背景由于企业业务的发展,为了促进合作伙伴之间的沟通和交流,以及提高项目的顺利推进,需要举办项目对接会。
二、会议目的1. 促进合作伙伴之间的沟通和交流,增进彼此的了解;2. 提供项目进展的情况汇报,及时解决问题和调整工作方向;3. 协商项目的具体合作事项,明确任务和责任;4. 加强团队的凝聚力,共同面对挑战和困难。
三、会议时间和地点时间:XX年XX月XX日(星期X)XX:00-XX:00地点:XX会议室(具体位置提前通知)四、会议主要内容及议程安排1. 开幕致辞(10分钟)- 主持人致辞,介绍会议目的和议程安排- 领导致辞,强调项目的重要性和合作的价值2. 公司简介和项目背景介绍(30分钟)- 各参会方按顺序介绍自身公司的基本情况和与本项目相关的经验与能力- 项目背景介绍,包括项目目标、项目规模、项目周期等3. 项目进展汇报和问题解决(60分钟)- 项目负责人进行项目进展汇报,包括已完成的工作、遇到的问题及解决方案、下一步工作计划- 合作伙伴提出问题和建议,项目负责人进行解答和讨论4. 合作事项协商(30分钟)- 就具体合作事项进行协商,包括合作方式、合作范围、商业模式等- 确定各方的责任和任务分工,达成共识5. 团队凝聚与分享(30分钟)- 项目团队成员互相介绍,分享个人经验和心得体会- 进行团队建设活动,增强团队凝聚力6. 会议总结和下一步工作计划(20分钟)- 主持人对会议内容进行总结,并提出下一步工作计划- 表扬个人和团队的突出贡献,展望未来的合作前景五、参会人员- 项目负责人及核心成员- 合作伙伴代表- 部分企业高管和相关部门负责人六、会议准备- 确定会议时间和地点,发出会议通知- 安排会议桌椅、音响设备等会议辅助设备- 准备会议材料,包括公司简介、项目进展汇报等资料- 确保会议的网络和视频会议系统畅通可用七、会议宣传- 制作会议海报和宣传材料,宣传会议的重要性和吸引力- 发布会议通知和邀请函,提醒参会人员关注会议安排八、会议执行和后续工作- 分配会议职责,保证会议进程的顺利进行- 做好会议记录和会议纪要的整理工作- 跟进会议决策事项,推动项目的进一步合作。
周对接会一、对接会时间:每周五上午组织召开对接会二、对接会参加人员:工、电、供车间主任(副)、分管工程师(技术员)、检查工区工长(副)以及车间认为本次有必要扩大参会人员参加。
三、对接会地点:季度首月在工务车间会议室召开,季度中月在电务车间会议室召开,季度末月在供电车间会议室召开。
四、对接会主要内容:(一)、本周联合检查、维修计划的执行情况1.汇报本周结合部检查情况,提出联合整治建议1.1工务检查工区汇报本周联合检查执行情况:本周共完成联合检查道岔、轨道电路、接触网具体- 1 -数量,是否按计划完成兑现。
1.2联合检查存在问题及分析:周四下午由工务牵头对联合检查问题进行汇总,会上对现场联合检查质量、重点设备问题进行分析。
1.3电务车间对本周联合检查执行情况及存在问题补充:主要对现场联合检查质量、现场碰头分析机制是否执行到位、对管理问题和重点设备问题等进行分析补充。
1.4供电车间对本周联合检查执行情况及存在问题补充:主要对现场联合检查质量、现场碰头分析机制是否执行到位、对管理问题和重点设备问题等进行分析补充。
2. 汇报本周联合整治执行情况2.1工务车间汇报重点整治情况、质量评价:对- 2 -本周天窗共用、工作量完成、系统销号、整治质量评价等情况进行汇总通报。
2.2电务车间对本周联合作业任务完成情况进行补充。
2.3供电车间对本周联合作业任务完成情况进行补充。
3. 上周未完成任务的调整3.1工务车间对未完成任务的调整说明。
3.2电务车间补充调整建议。
3.3供电车间补充调整建议。
(二)、下周检查、维修计划的安排1.根据月度检查轮廓计划、天窗资源情况提出下周检查计划。
1.1工务检查工区核对、确认下周联合检查具体- 3 -地点、时间。
1.2电务检查工区核对、确认下周联合检查具体地点、时间。
1.3供电检查工区核对、确认下周联合检查具体地点、时间。
2.对接下周联合整治计划2.1工务车间提出整治需求:根据上周联合检查情况,按照“先严重后一般”的原则提出配合诉求计划,并对下周施工、更换轨件等需配合作业情况进行说明。
生产进度协调会和周例会制度范本生产进度协调会制度范本一、会议目的和背景生产进度协调会是为了确保生产进度顺利推进、协调各部门间的工作并解决问题而设立的会议制度。
通过协调会议,可以及时发现和解决生产过程中的问题,提高生产效率和质量,满足客户需求。
二、会议时间和地点生产进度协调会每周举行一次,具体时间为每周二上午9:00-10:00。
会议地点为生产部会议室。
三、参会人员1. 生产部负责人2. 各生产线负责人3. 物料采购部负责人4. 品质检测部负责人5. 销售部负责人四、会议议程1. 主持人开场,确定会议目的和议程。
2. 各生产线负责人汇报本周生产计划和进度。
3. 物料采购部负责人汇报物料采购情况和供应商情况。
4. 品质检测部负责人汇报产品质量情况和检测结果。
5. 销售部负责人汇报客户需求和订单情况。
6. 讨论并解决生产过程中的问题和难题。
7. 对下周生产计划进行讨论和调整。
8. 确定下一次生产进度协调会的时间。
五、会议纪要和执行1. 会议纪要由会议秘书负责记录,并在会后一天内发送给所有参会人员。
2. 各参会人员按会议纪要的安排和要求执行。
3. 下次会议前,会议秘书向各参会人员发送提醒函,确保参会率。
六、会议效果评估1. 每季度组织一次会议效果评估会议。
2. 评估会议由生产部负责人主持,对生产进度协调会的效果进行总结和评估,并提出改进措施。
周例会制度范本一、会议目的和背景周例会是为了保障部门间的沟通和协调,提高工作效率,解决问题,及时处理重要事务而设立的会议制度。
通过周例会,可以明确部门目标和工作重点,提高团队协作和凝聚力。
二、会议时间和地点周例会每周举行一次,具体时间为每周一上午9:30-10:30。
会议地点为会议室。
三、参会人员1. 部门负责人2. 部门各岗位负责人3. 项目组负责人(如果有)四、会议议程1. 主持人开场,确定会议目的和议程。
2. 部门负责人汇报上周工作完成情况和工作进展。
3. 部门各岗位负责人汇报本周工作计划和重点工作。
项目对接会流程下载温馨提示:该文档是我店铺精心编制而成,希望大家下载以后,能够帮助大家解决实际的问题。
文档下载后可定制随意修改,请根据实际需要进行相应的调整和使用,谢谢!并且,本店铺为大家提供各种各样类型的实用资料,如教育随笔、日记赏析、句子摘抄、古诗大全、经典美文、话题作文、工作总结、词语解析、文案摘录、其他资料等等,如想了解不同资料格式和写法,敬请关注!Download tips: This document is carefully compiled by theeditor. I hope that after you download them,they can help yousolve practical problems. The document can be customized andmodified after downloading,please adjust and use it according toactual needs, thank you!In addition, our shop provides you with various types ofpractical materials,such as educational essays, diaryappreciation,sentence excerpts,ancient poems,classic articles,topic composition,work summary,word parsing,copy excerpts,other materials and so on,want to know different data formats andwriting methods,please pay attention!项目对接会流程详解一、确定项目需求在项目对接会之前,首先需要明确项目需求。
对接会活动方案背景公司即将举行一场对接会活动,目的是为了向客户展示公司的最新产品和服务,并与客户建立更紧密的合作关系。
这次对接会将邀请公司旗下的核心客户及潜在客户参加,预计参会人数约为200人。
目标本次对接会的主要目标是:1.展示公司的最新产品和服务,提高客户对公司的认知度和信任度;2.与客户进行深度对接,深化合作关系,扩大业务合作范围;3.了解客户的需求和反馈,优化产品和服务,提高客户满意度。
时间和地点对接会将于下个月在公司总部举行,具体时间为XX月XX日,地点为公司会议室。
活动安排对接会活动的主要安排如下:1. 活动前期准备在对接会活动开始之前,需要做好以下准备工作:1.确定对接会的主题和议程;2.确定参会客户名单,并发出邀请函;3.确定演讲嘉宾和主持人,并与其联系;4.准备现场所需的音视频设备和演讲道具;5.制作宣传资料和礼品;6.安排现场布置和活动流程等。
2. 活动正式开始对接会正式开始后,将按照以下流程进行:1.开场致辞:由公司高层领导发表开场致辞,介绍公司的发展情况和此次对接会的意义;2.产品展示和演讲:公司专业人员将介绍最新的产品和服务,并与客户进行问答交流;3.专题讲座和案例分享:邀请业内专家介绍行业发展趋势和技术创新,同时还将邀请客户分享成功案例;4.商务洽谈:客户可与公司专业人员进行深入的商务洽谈,洽谈合作事宜;5.尾声致辞:公司高层领导发表尾声致辞,感谢客户的参与和支持,并提出未来的合作愿景。
3. 活动后续工作对接会活动结束后,需要做好以下后续工作:1.整理客户反馈意见,并进行相关优化;2.跟进客户的合作事宜,及时解决客户提出的问题;3.总结对接会活动的经验和教训,及时进行反思和改进。
成果和效益通过本次对接会活动,公司希望能够达到以下成果和效益:1.展示公司最新产品和服务,提高客户的认知度和信任度;2.与客户进行深度对接,并签约若干合作项目,扩大业务合作范围;3.关注客户的需求和反馈,优化产品和服务,提高客户满意度;4.为公司未来的发展奠定更加坚实的基础。