控制点移交记录表
- 格式:xlsx
- 大小:30.60 KB
- 文档页数:3
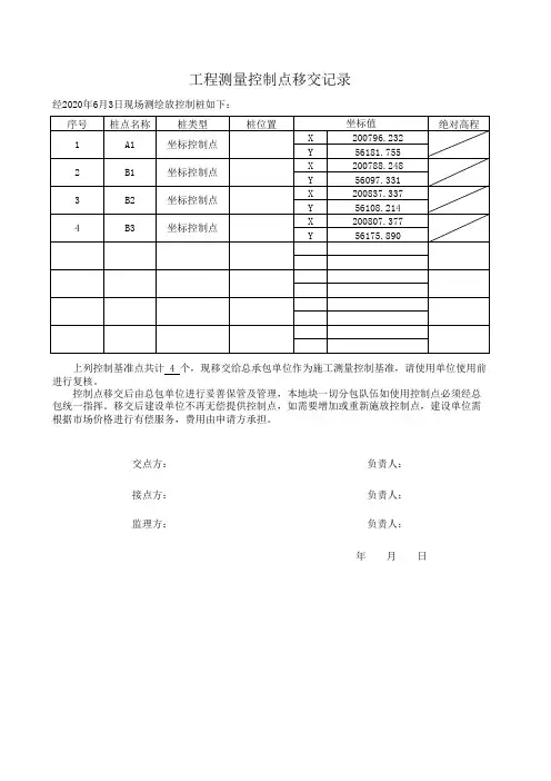
工程测量控制点移交记录
经2020年6月3日现场测绘放控制桩如下:
上列控制基准点共计 4 个,现移交给总承包单位作为施工测量控制基准,请使用单位使用前进行复核。
控制点移交后由总包单位进行妥善保管及管理,本地块一切分包队伍如使用控制点必须经总包统一指挥。
移交后建设单位不再无偿提供控制点,如需要增加或重新施放控制点,建设单位需根据市场价格进行有偿服务,费用由申请方承担。
交点方: 负责人:
接点方: 负责人:
监理方: 负责人:
年 月 日。
财富天地广场A1栋工程放线测量控制点交接记录
2009年11月12日,城建监理公司根据业主越汇公司提供的工程测量控制点资料和坐标成果表,组织业主、广州市建筑集团有限公司(以下简称“市建总”)的有关负责人到项目现场测量控制点的交接。
具体交接情况如下:
1、业主单位现场指明三个测量控制点(V59、V60、V6)但V6已
给土覆盖,其他两点,经核对与业主提供的资料一致,市建总表示已清楚情况并同意接受;
2、监理单位要求市建总对移交的测量控制点进行校核,校核的结
果按省统表的格式向我监理部申报,同时做好引入施工现场放线基准点和移交控制点的保护措施;
附件:工程测量控制点资料和坐标成果表1份。
控制点移交
一、平面控制点
点名横坐标纵坐标高程备注G6082
G6083
GD1
GD2
GD2-1
GD2-2
二、高程控制
正负零标高(绝对值:)
高程一:仓库外墙位置(该控制点由于受基坑变形影响,存在小程度的沉降。
已经弃用。
)
高程二:路桥隧道西侧围挡位置(该控制点于二道支撑开挖前引测,地基为路桥基础,该控制点可作为本项目高程控制基准点。
)
三、地板控制线
地板控制线布置于
①:2轴与3轴中间(即2轴+4.2m)。
②:P轴与Q轴中间(即P轴+5.0m)。
③:D轴与E轴中间(即D轴+4.0m)。
④:11轴与12轴中间(即11轴+5.0m)。
控制线交汇点位置为地板控制点,另于①号控制线设置Q轴+4m即B 轴+4m两个控制点,便于检查主控制线精度。
测量专业监理工程师监理必备(表格、步骤、注意事项)附表1:测量控制桩移交与复核记录工程名称:工程地址:移交依据:移交时间:移交内容控制点名称坐标X(m)高程(H)mY(m)备注附图移交意见移交方(建设单位)交桩人:现场代表:项目负责人:年月日监理单位:专业监理工程师:总监理工程师:年月日接收方(施工单位)接桩人:技术负责人:项目负责人:年月日附表2:工程施工定位(控制)放线测量记录编号:单位工程名称放线部位施工图号天气气温使用仪器型号水准点标高绝对坐标点(m)X:Y:相对坐标点(m)X:Y:使用仪器校正日期校正结果资料及结论定位(放线)记录示意图:监理单位施工单位监理工程师:年月日测量员:技术负责人:年月日附表3:建(构)筑物沉降观测记录观测日期永久水准点(m)观测点NO:观测点NO:观测点NO:建(构)筑物状况情况:高程(m)沉降量(mm)高程(m)沉降量(mm)高程(m)沉降量(mm)本次累计本次累计本次累计建(构)筑物观测点水准基点平面布置示意图:竣工移交前观测结果及处理意见:监理工程师:年月日测量员:技术负责人:年月日附表4:工程竣工测量及复核记录编号:工程名称工程地点施测部位开工时间测量依据竣工时间使用仪器水准点标高绝对坐标点(m) X: Y:相对 X: Y::使用仪器校正日期及资料名称天气气温竣工测量记录示意图:竣工测量单位:测量人:年月日复测情况:复测单位复测人:测量负责人:年月日建设单位监理单位施工单位现场代表:项目负责人:年月日监理工程师:年月日技术负责人:项目负责人:年月日附表5:施工测量成果报验申请表工程名称:编号:致:(监理单位)我单位已完成了工作,现报上该工程施工测量成果报验申请表,请予以审查验收。
附件:承包单位(章)项目经理:日期:审查意见:项目监理机构总/测量专业监理工程师日期《建设工程监理规范》(50319-2000)第5.2.7条规定,专业监理工程师应按要求对承包单位报送的测量放线控制成果及保护措施进行检查,符合要求时,专业监理工程师对承包单位报送的施工测量成果报验申请表予以签认。
精品文档
测量控制点移交与复核记录
工程名称:编号:
建设单位湖北荆港嘉瑞化工有限公司设计单位监理单位施工单位移交依据长江虎牙滩至城陵矶河段控制成果表交时间
坐标
控制点名称
X Y
荆 70L43328821.94637629133.509移公 3L23328532.0993*******.455交
内
容
中交第二航务工程勘察设计院中交第二航务工程局有限公司
年月日
高程
备注(H) m
42.840堤外顶42.793堤外顶
附
1、长江虎牙滩至城陵矶河段控制成果表
件
1、坐标系统: 1954 年北京坐标系
移交
2、高程系: 1985 年国家高程基准
备注
注: 1956 年黄海高程 =1985 国家高程基准 +0.011 米
移交方(业主或建设单位)监理单位接收方(承包人或施工单位)
交点人:监理工程师:接收人:
现场代表:技术负责人:
项目负责人:项目经理:
年月日年月日年月日本表由承包人填写,一式三份,经各方签认后,业主、承包人、监理各存一份。
.。
工程测量控制点移交记录经规划、测绘部门20105年11月26日现场测绘放控制桩如下:上列控制基点共计个,现移交给总承包单位作为施工测量控制基准,请使用单位使用前进行复核。
控制点移交后由总承包单位进行妥善保管及管理,本地块一切分包队伍如使用控制点必须经总承包单位统一指挥。
移交后建设单位不再无偿提供控制点,如需增加或重新施放控制点,建设单位需根据市场价格进行有偿服务,费用由申请方承担。
交点方:负责人:接点方::负责人:监理方::负责人:年月日水产地块工程测量控制点移交记录经规划、测绘部门2015年11月26日现场测绘放坐标、高程控制桩,其中坐标控制桩3个,高程控制桩2个。
现移交给总承包单位作为施工测量控制基准,请使用单位使用前进行复核。
控制点移交后由总承包单位进行妥善保管及管理,本地块一切分包队伍如使用控制点必须经总承包单位统一指挥。
移交后建设单位不再无偿提供控制点,如需增加或重新施放控制点,建设单位需根据市场价格进行有偿服务,费用由申请方承担。
后附:控制桩测量报告交点方:负责人:接点方:负责人:监理方:负责人:年月日水产地块地界红线桩点移交记录经规划、测绘部门2015年11月19日现场测绘放地界红线桩点1-10号点。
现移交给总承包单位作为地界控制及场地围合使用,请使用单位使用前进行复核。
红线桩点移交后由总承包单位进行妥善保管及管理,本地块一切分包队伍如使用该点必须经总承包单位统一指挥。
移交后建设单位不再无偿提供红线桩点,如需增加或重新施放该点,建设单位需根据市场价格进行有偿服务,费用由申请方承担。
后附:水产地块出让宗地平面界址点示意图及成果表交点方:负责人:接点方:负责人:监理方:负责人:年月日。
现场台账-17-1工程测量控制点移交记录经规划、测绘部门20105年11月26日现场测绘放控制桩如下:上列控制基点共计个,现移交给总承包单位作为施工测量控制基准,请使用单位使用前进行复核。
控制点移交后由总承包单位进行妥善保管及管理,本地块一切分包队伍如使用控制点必须经总承包单位统一指挥。
移交后建设单位不再无偿提供控制点,如需增加或重新施放控制点,建设单位需根据市场价格进行有偿服务,费用由申请方承担。
交点方:负责人:接点方::负责人:监理方::负责人:年月现场台账-17-1水产地块工程测量控制点移交记录经规划、测绘部门2015年11月26日现场测绘放坐标、高程控制桩,其中坐标控制桩3个,高程控制桩2个。
现移交给总承包单位作为施工测量控制基准,请使用单位使用前进行复核。
控制点移交后由总承包单位进行妥善保管及管理,本地块一切分包队伍如使用控制点必须经总承包单位统一指挥。
移交后建设单位不再无偿提供控制点,如需增加或重新施放控制点,建设单位需根据市场价格进行有偿服务,费用由申请方承担。
后附:控制桩测量报告交点方:负责人:接点方:负责人:监理方:负责人:年月日现场台账-17-1水产地块地界红线桩点移交记录经规划、测绘部门2015年11月19日现场测绘放地界红线桩点1-10号点。
现移交给总承包单位作为地界控制及场地围合使用,请使用单位使用前进行复核。
红线桩点移交后由总承包单位进行妥善保管及管理,本地块一切分包队伍如使用该点必须经总承包单位统一指挥。
移交后建设单位不再无偿提供红线桩点,如需增加或重新施放该点,建设单位需根据市场价格进行有偿服务,费用由申请方承担。
后附:水产地块出让宗地平面界址点示意图及成果表交点方:负责人:接点方:负责人:监理方:负责人:年月日。
**建设集团有限公司已按照合同要求在2019年4月29日完成了所承建的XXXX项目3-5轴XA-B
轴地下室无梁楼盖结构施工,现将此范围场地移交给,£20^ ___________________ 土方施工单位,场地情况如下,请确认:
1 .**建设集团有限公司已将场地标高控制点移交给XXX土方施工单位,经双方与监理单位共同现
场测量复核,标高、控制线及尺寸无误。
2 .无梁楼盖行车路线、堆土厚度、允许施工机械、运输车辆荷载已明确。
3 .结构顶板混凝土强度达到设计强度值100趴且已完成顶板防水层及防水保护层施工。
移交范困已清理干净无杂物。
4 .场地移交完后,移交单位对接收单位交底,交底内容见附件。
场地交付验收意见:。