物料计划控制流程
- 格式:docx
- 大小:2.71 MB
- 文档页数:2
物料计划流程物料计划是企业生产和供应链管理中非常重要的一环,它涉及到原材料、零部件和成品的采购、库存管理和生产计划等方面。
一个高效的物料计划流程可以帮助企业降低成本、提高生产效率,保证供应链的稳定性和可靠性。
下面将介绍物料计划流程的一般步骤和关键点。
1.需求计划。
需求计划是物料计划的起点,它根据市场需求、销售订单和预测数据等信息,对物料的需求量进行预测和计划。
在这一步骤中,需要对不同物料的需求进行分类和分析,确定各种物料的需求量和时间节点,为后续的采购和生产计划提供依据。
2.物料采购。
根据需求计划,企业需要制定采购计划,确定采购的物料种类、数量和供应商等信息。
在选择供应商时,除了考虑价格因素外,还需要考虑供应商的信誉、交货周期、质量控制能力等因素,以确保物料的及时供应和质量可靠。
3.库存管理。
库存管理是物料计划流程中非常重要的一环,它涉及到库存的控制、调配和优化。
企业需要根据需求计划和采购计划,合理安排物料的库存量和库存位置,确保生产和供应链的顺畅进行。
同时,还需要定期对库存进行盘点和调整,及时发现和解决库存异常和过剩的问题。
4.生产计划。
生产计划是物料计划的核心环节,它根据需求计划和库存情况,制定生产计划,确定生产的时间节点、数量和工艺流程等信息。
在制定生产计划时,需要充分考虑生产设备的利用率、人力资源的配备和生产成本等因素,以确保生产计划的可行性和效率性。
5.物料配送。
物料配送是物料计划流程的最后一环,它涉及到物料的运输、配送和交付等环节。
企业需要根据生产计划和客户订单,合理安排物料的配送路线、运输方式和交付时间,确保物料能够及时、安全地送达客户手中,满足客户的需求。
综上所述,物料计划流程是一个复杂而又重要的管理环节,它涉及到企业的采购、库存、生产和配送等方方面面。
一个高效的物料计划流程可以帮助企业降低成本、提高效率,增强市场竞争力。
因此,企业需要重视物料计划流程的建立和优化,不断改进和提升自身的物料计划能力,以适应市场的变化和需求的挑战。
物料需求计划及控制程序1. 引言:物料需求计划(Material Requirements Planning,简称MRP)是一种经济的、系统化的物料管理方法。
它通过对已有的销售订单和库存情况进行分析,精确地计划和控制物料的供应和生产进程。
物料需求计划及控制程序是一个重要的管理工具,对于企业的生产和运作具有关键性的意义。
本文将介绍物料需求计划及控制程序的基本原理、流程和相关要点。
2. 物料需求计划的基本原理:物料需求计划的基本原理是根据已有的销售订单和库存情况,通过计算和预测物料需求量,以便及时地采购和生产,确保供应链的连续性。
核心原理:•需求预测:根据历史销售数据和市场需求情况,利用统计和预测方法,进行物料需求的预测和估计。
•库存管理:根据已有的库存情况和需求预测结果,判断是否需要采购物料,并利用合适的库存策略进行库存管理。
•生产计划:根据物料需求和库存情况,制定合理的生产计划,确保在规定的时间内完成生产任务。
•供应商管理:与供应商建立良好的合作关系,及时进行物料采购,确保物料供应的及时性和稳定性。
3. 物料需求计划及控制程序的流程:物料需求计划及控制程序一般包括以下流程:1.需求预测:通过收集和分析市场数据、历史销售数据等,预测未来一段时间内的物料需求情况。
2.库存管理:根据需求预测结果和已有库存情况,计算出需要采购的物料数量,并根据库存管理策略进行库存控制。
3.采购计划:根据库存管理和需求预测结果,制定物料采购计划,包括物料种类、数量、采购时间等信息。
4.供应商管理:与供应商进行联系和洽谈,确保物料的及时供应和合理价格。
5.生产计划:根据物料需求、库存情况和供应链情况,制定合理的生产计划,确保按时完成生产任务。
6.跟踪和监控:对物料需求计划及控制程序进行跟踪和监控,及时调整和改进,确保程序的有效性和高效性。
4. 物料需求计划及控制程序的要点:•准确的需求预测:需求预测是物料需求计划的关键,准确的需求预测能够避免物料供应过剩或不足的问题,提高供应链的效率和利润。
物料计划控制流程物料计划控制流程是企业生产管理中的重要环节之一,它负责对物料的采购、库存、供应和交付进行有效控制和管理,确保生产和供应链的顺利进行。
本文将介绍物料计划控制流程的五个主要步骤,并详细阐述每个步骤的具体内容和要点。
第一步:需求预测与计划需求预测与计划是物料计划控制流程的起点。
企业需要通过市场研究、销售趋势分析等手段准确预测产品需求,并制定合理的生产计划和物料采购计划。
在这个步骤中,企业需要考虑市场需求、供应能力、生产能力以及供应链上的各个环节,并进行相应的优化和调整。
同时,企业还需要考虑到物料的质量、价格和供应可靠性等因素,以确保物料的及时供应和生产的良好运转。
第二步:物料采购与供应物料采购与供应是物料计划控制流程的核心步骤之一。
企业需要根据前一步的需求计划,确定要采购的物料种类、数量和交付时间,并与供应商进行有效的沟通和协商。
在物料采购过程中,企业需要注意选择合适的供应商,进行价格比较、性能评估和交货时间的谈判,以获得最佳的采购方案。
同时,企业还需要与供应商签订合同,明确双方的权责和交付条款,确保物料供应的可靠性和质量的稳定。
第三步:物料接收与入库物料接收与入库是物料计划控制流程的关键步骤之一。
企业需要对接收到的物料进行检验和核对,确保其数量、质量和规格符合要求。
同时,企业还需要对物料进行分类、编码和标识,以便后续的存储和使用。
在物料入库过程中,企业需要建立科学的仓储管理系统,包括货位管理、库存监控和防损措施等,以确保物料的安全、稳定和高效管理。
第四步:库存管理与控制库存管理与控制是物料计划控制流程的重要环节之一。
企业需要建立合理的库存管理政策和制度,包括库存报警、定期盘点、仓储布局和物料流动等。
同时,企业还需要优化物料库存结构,提高物料周转率,减少过剩和滞销的现象。
在库存管理过程中,企业需要采用先进的信息技术手段,如物联网、大数据和人工智能等,实现库存的实时监控和管理,提高库存的精确度和效率。
生产及物料控制管理流程1.原材料采购:企业首先根据产品的生产计划确定所需的原材料种类和数量,然后与供应商进行谈判、签订合同,确定交货时间和价格等细节。
在采购过程中,需要对供应商进行审查以确保其资质和能力,并与供应商建立长期合作关系。
2.生产计划制定:根据市场需求和销售预测,企业制定生产计划,包括生产数量、时间表、工艺流程等。
生产计划需要充分考虑原材料供应的时间和数量,以及设备的使用情况和产能等因素。
3.生产过程监控:在生产过程中,需要对各个环节进行监控,确保生产进度和质量的达到预期。
监控的方式可以是通过生产线上的仪表和传感器来实时监测生产参数,或者通过人工巡检来检查生产情况。
发现问题及时进行调整和处理,以保证生产计划的顺利进行。
4.质量检验:在生产过程中,需要对产成品进行质量检验,确保产品符合规定的标准和要求。
质量检验可以采用抽样检验、全面检验或者按照一定的检验方案进行。
对于不合格品,需要及时追踪原因并采取措施进行改善,以减少质量问题和成本损失。
5.库存管理:对于生产过程中的原材料和半成品,需要进行库存管理。
库存管理包括对库存数量、存放位置、盘点周期、安全库存量等的控制和调整。
通过合理的库存管理,可以减少库存积压,降低资金占用和仓储成本,并保证生产线的连续进行。
以上就是生产及物料控制的管理流程,每个环节都具有重要的作用,而且各个环节之间相互关联,任何环节的问题都可能会对整个流程产生影响。
因此,企业需要建立完善的管理制度和流程,严格按照要求执行,并通过信息化技术手段进行监控和管理,以提高生产效率和质量,降低成本,增强企业竞争力。
物料需求计划及控制程序引言在现代企业管理中,物料需求计划及控制程序是非常重要的一环。
它涉及到企业的生产计划、库存管理、采购计划等多个方面,直接关系到企业的生产效率和成本控制。
因此,建立科学有效的物料需求计划及控制程序对企业的发展至关重要。
本文将从物料需求计划的概念、作用、流程及控制程序等方面进行探讨。
一、物料需求计划的概念物料需求计划(Material Requirements Planning,简称MRP)是指在生产计划确定的基础上,根据产品的BOM(Bill of Materials,物料清单)和生产工艺路线,对所需的各种原材料、零部件、半成品等物料的需求进行计划、分析和控制,以便及时、准确地提供给生产部门,保证生产计划的顺利进行。
二、物料需求计划的作用1. 保证生产计划的顺利执行。
通过对物料需求进行计划和控制,可以及时提供所需的物料,保证生产计划的顺利进行,避免因物料短缺或过剩而导致生产计划的延误。
2. 控制库存成本。
通过合理的物料需求计划,可以避免因库存过多或过少而导致的资金占用和库存积压等问题,从而降低库存成本。
3. 提高生产效率。
物料需求计划可以帮助企业合理安排生产计划,避免因物料短缺而导致的生产线停工,从而提高生产效率。
4. 优化采购计划。
通过对物料需求的计划和分析,可以合理安排采购计划,避免因采购不及时或过量而导致的成本增加。
三、物料需求计划的流程1. 收集需求信息。
首先需要收集相关的生产计划、物料清单、库存信息等数据,作为物料需求计划的依据。
2. 制定物料需求计划。
根据收集到的需求信息,制定物料需求计划,包括所需物料的种类、数量、交付时间等。
3. 确定采购计划。
根据物料需求计划,确定相应的采购计划,包括采购数量、采购时间、供应商选择等。
4. 跟踪执行情况。
对物料需求计划和采购计划进行跟踪和执行,及时发现和解决问题。
5. 审核和调整计划。
定期对物料需求计划进行审核和调整,根据实际情况进行修正和优化。
第1篇一、引言物料管理是企业生产、经营活动中不可或缺的重要环节,有效的物料管理可以提高生产效率,降低生产成本,提高企业竞争力。
为规范物料管理工作,确保物料采购、储存、领用、报废等环节的有序进行,特制定本物料管理规定流程。
二、物料管理组织机构1. 物料管理部:负责公司物料采购、验收、储存、领用、报废等管理工作。
2. 采购部:负责物料的采购工作,确保物料质量、价格、交货期等满足生产需求。
3. 生产部:负责物料的领用,确保生产过程中物料供应充足。
4. 质量部:负责对物料质量进行监控,确保物料符合国家标准和企业标准。
5. 财务部:负责物料的成本核算和报销工作。
三、物料管理流程1. 物料需求计划(1)生产部根据生产计划,制定物料需求计划,明确所需物料的种类、规格、数量、质量要求等。
(2)物料需求计划经生产部负责人审核后,提交给物料管理部。
2. 物料采购(1)物料管理部根据物料需求计划,制定采购计划,包括采购物料的种类、规格、数量、质量要求、供应商、交货期等。
(2)采购部根据采购计划,进行供应商询价、比价,选择合适的供应商。
(3)采购部与供应商签订采购合同,明确采购物料的种类、规格、数量、质量要求、价格、交货期、付款方式等。
3. 物料验收(1)物料管理部收到采购的物料后,组织验收人员对物料进行验收。
(2)验收人员按照采购合同要求,对物料的质量、数量、规格等进行检查。
(3)验收合格后,物料管理部填写验收报告,并将验收报告提交给采购部。
4. 物料储存(1)物料管理部根据物料种类、规格、数量,确定储存区域,并进行标识。
(2)物料管理部按照物料特性,采取相应的储存措施,确保物料不受损坏。
(3)定期对储存的物料进行检查,发现问题及时处理。
5. 物料领用(1)生产部根据生产需求,填写物料领用单,经生产部负责人审核后,提交给物料管理部。
(2)物料管理部核对物料领用单,确认物料库存情况,办理物料领用手续。
(3)物料管理部将物料发放给生产部,并填写发放记录。
物料计划控制作业程序文件编号:制订部门:生产计划物控部版次:A/0 生效日期:批准即日1.目的1.1.规范物料计划、申请、审批、发放、控制作业流程,保障物料正常供应,生产快捷进行;1.2.通过物料流程的程序化作业,控制仓存价值和呆料产生,合理平衡申购数量与生产所需,达到控制物料运作成本,资金合理利用的目的;2.范围适用于公司物料申购、贮存、发放等流程运作部门;3.定义3.1.生产物料3.1.1生产主料:主要指产品的BOM清单上的所有物料。
3.1.2生产辅料:主要指劳保用品、机器设备维修的各类配件及工具、以及产品的BOM上未作说明的生产过程中所需物料。
3.1.3样品用料:主要指新产品开发试产及新物料开发所需的各类样品物料。
3.2机器设备3.2.1生产用机器设备:主要指直接投入生产的各类机器、治夹具、模具、各类作业或测试设备等。
3.2.2非生产用机器设备:主要指部门建设性、日常事务性物料,非直接用于生产的机器设备等。
3.3非生产物料3.3.1文具及总务后勤用品:主要指文具、礼品、厂服、环境卫生及后勤总务等各类用品。
3.3.2广告策划之物料及用品4.0部门职责4.1研发中心4.1.1《产品零件明细表》与《用料指标》的制作并派发至相关部门。
4.1.2生产物料的样品或图纸的提供及新开发物料的确认。
4.2营销中心4.2.1负责《产品订货计划》、《外贸定货合同分析表》的拟定和下发。
4.2.2负责及时反馈产品市场动向和产品更替等营销信息给相关部门;4.3生产计划物控部4.3.1生产计划员及时根据《产品订货计划》和《外贸定货合同评审表》的评审结果,制定《生产通知书》、《外委(购)产品订货单》或《出口产品委外订购单》并下发至相关部门。
4.3.2物料计划员负责按照生产计划排程结合安全存量状况和仓库库存,对所有生产主料、辅料进行申购、追踪和控制。
4.3.3仓库负责公司所有物料的收货、发货,管理和执行生产辅料及非生产物料之安全库存量的预警。
(物料管理)物料需求计划及控制程序物料需求计划及控制程序物料需求计划及控制程序1⽬的确保本公司科学合理的计划与产品相关的物料需求,保持精简有效的备⽤库存,同时最⼤限度的确保与产品相关物料使⽤不会短缺。
2 适⽤范围适⽤于从产品⽣产、研发试验和研发更改、⼯程和客户服务物料需求计划和控制的全过程。
3 职责3.1 ⽣产部的职责是准确及时地完成物料需求计划和物料发放的控制,确保能按时保质向⽣产、研发、⼯程提供与产品相关的物料。
3.2 研发部的职责是及时、准确地向⽣产部提供公司研发试验产品⽤原材料的备⽤库存量。
3.3 ⼯程部负责提交⼯程⽤料的备⽤库存量。
3.4 市场销售部的职责是准确提交三个⽉的订单预测表。
3.5 采购部负责及时输⼊物料采购预期到料的数据。
4物料需求计划和控制总体流程总体思路为通过科学的计算公式进⾏物料需求计划,并运⽤ERP的库存展望功能实现⽣产和⾮⽣产⽤物料的虚拟分库。
当⽣产、研发、⼯程在计划的周期内出现超计划(超各⾃的备⽤库存)领⽤物料时,可及时发现,便于评议冲击影响,同时相关部门协商⽤料并形成有效对策,达到⽆影响或将影响降到最低的效果。
物料需求计划和控制总体流程框图见附图1。
4.1物料需求计划的计算⽉度物料需求计算公式如下:⽉度物料采购X =⽉度物料需求计划X+1=MRPX+MRPX+1-可⽤库存X(原材料)+其它(安全库存+⽣产损耗+⼯程⽤料+客服⽤料+研发更改+研发实验)具体见5.5。
4.2物料需求计划的输⼊数据4.2.1⽣产数据⽣产部计划负责⼈依据⽣产部季度的产量规划,结合参考销售部提供的《季度销售信息汇总表》确定各种机型的预投⽐例,然后编制X+1个⽉的《⽉度⽣产作业计划》。
库房管理员将X+1个⽉的《⽉度⽣产作业计划》⽣成限额领料单(预计出库单的⼀种,不改变库存的现存量,改变库存的可⽤量),在⽣单时ERP将⽣产⽤料和⾮⽣产⽤料分库(⽣产⽤料为限额领料单中物料,⾮⽣产物料通过调拨单、不合格品单等形式在预计出库的栏⽬⾥体现)。
PMC生产计划与物料控制的工作流程PMC(Production Material Control)是生产计划和物料控制的英文缩写,是指为了保证生产计划顺利完成和生产成本控制而进行的一系列工作流程。
下面将详细介绍PMC生产计划与物料控制的工作流程。
1.生产计划阶段(1)接收订单:PMC部门首先需要接收并确认来自销售部门的订单。
订单中包含了产品型号、数量、交付日期等信息。
(2)制定生产计划:根据订单的要求和生产资源的情况,PMC部门制定生产计划。
生产计划包括生产数量、生产周期、生产资源的分配等信息。
(3)生产调度:在制定生产计划的基础上,PMC部门进行生产调度。
生产调度包括确定生产开始时间、生产中间的调整以及生产完成时间等。
2.物料控制阶段(1)物料需求计划:基于生产计划和产品BOM表,PMC部门制定物料需求计划。
物料需求计划根据生产计划中所需的物料,确定物料的种类、数量、交付时间等。
(2)采购计划:根据物料需求计划,PMC部门制定采购计划。
采购计划包括采购物料的供应商、采购数量、采购价格等。
(3)采购执行:基于采购计划,PMC部门与采购部门合作,执行采购工作。
采购部门与供应商进行沟通、询价、签订合同等,确保物料的及时交付。
(4)物料收货:当物料到达企业时,PMC部门进行物料收货。
物料收货包括对物料的验收、记录物料信息、存放物料等。
(5)物料发放:根据生产计划的需要,PMC部门进行物料发放。
物料发放包括根据生产计划,将所需物料提供给生产部门,并记录物料的使用情况。
(6)物料库存管理:PMC部门对物料进行库存管理。
包括对物料的入库、出库、库存盘点、库存预警等。
通过库存管理,保证生产所需物料的及时供应,避免因缺料导致的生产延误。
(7)物料消耗分析:通过对物料消耗的分析,PMC部门可以了解到物料消耗的情况,及时调整物料需求计划和采购计划,以达到物料的合理使用和生产成本的控制。
以上是PMC生产计划与物料控制的主要工作流程。
生产计划和物料控制流程一、生产计划的制定生产计划的制定是企业进行生产活动的基础。
其目的是合理安排生产资源,最大限度地满足市场需求。
生产计划的制定一般包括以下步骤:1.市场需求预测:根据市场需求情况,包括产品销售量、销售周期等指标,预测未来一段时间内的市场需求。
2.生产能力评估:评估企业现有的生产能力,包括人力资源、设备、技术水平等方面的情况,判断企业是否能够满足市场需求。
3.订单接受与安排:根据市场需求和生产能力评估结果,确定订单的接受和安排情况,包括订单数量、交货日期等。
4.生产计划制定:根据接受的订单,制定相应的生产计划,包括生产时间、生产数量、工序等。
5.生产计划发布:将制定好的生产计划发布给相关部门,包括生产部门、采购部门等,以便他们能够准确地进行相应的准备工作。
物料控制是指对企业所需物料的采购、使用和库存进行有效控制,以确保生产计划的有效执行。
物料控制流程一般包括以下几个步骤:1.物料需求计划:根据生产计划,确定所需物料的种类、数量、交货时间等信息,形成物料需求计划。
2.采购计划制定:根据物料需求计划,制定采购计划,包括采购数量、采购时间、供应商选择等。
3.采购执行:执行采购计划,与供应商进行订单确认、交货跟踪等工作,确保所需物料按时到达。
4.物料入库与管理:对到货的物料进行检查和入库工作,建立物料管理系统,准确记录物料的库存数量和位置。
5.物料配送与使用:根据生产计划,按时将所需物料送到生产线,确保生产不受物料短缺的影响。
6.库存管理:定期对库存进行盘点和调整,及时补充不足的物料,避免库存积压或物料缺货的情况发生。
7.废料处理:对过期或损坏的物料进行处理,包括退货、报废等,确保物料库存的质量和数量的准确性。
三、生产计划和物料控制的关联首先,生产计划的制定需要充分考虑物料的供应情况,包括物料的可获得性、交货时间等因素,以确保生产计划的可行性。
其次,物料的供应和使用需要根据生产计划的要求进行,及时准确地将所需物料交付到生产线上,避免因物料短缺而导致生产延误或停滞。
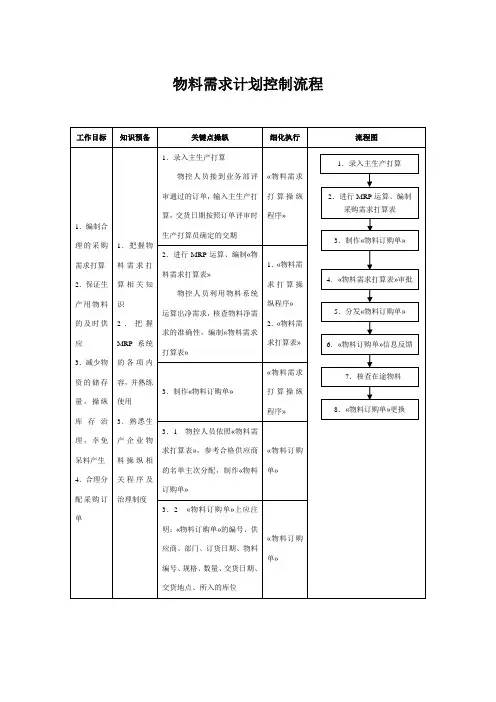
物料需求计划工作目标知识准备关键点控制细化执行1.录入主生产计划物控人员接到业务部评《物料需审通过的订单,输入主生产计求计划控划,交货日期按照订单评审时制程序》生产计划员确定的交期1.编制合2.进行 MRP 运算、编制《物1.《物料需理的采购1.掌握物料需求计划表》求计划控需求计划料需求计物控人员利用物料系统制程序》2.保证生划相关知计算出净需求,核查物料净需2.《物料需产用物料识求的准确性,编制《物料需求求计划表》的及时供2.掌握计划表》应MRP 系统《物料需3.减少物的各项内3.制作《物料订购单》求计划控资的储存容,并熟练制程序》量,控制使用3.1 物控人员根据《物料需库存管3.熟悉生求计划表》,参考合格供应商《物料订理,避免产企业物的名单主次分配,制作《物料购单》呆料产生料控制相订购单》4.合理分关程序及3.2 《物料订购单》上应注配采购订管理制度明:《物料订购单》的编号、《物料订单供应商、部门、订货日期、物购单》料编号、规格、数量、交货日期、交货地点、所入的库位《物料需4.《物料需求计划表》审批求计划控控制流程流程图1.录入主生产计划2.进行 MRP 运算、编制采购需求计划表3.制作《物料订购单》4.《物料需求计划表》审批5.分发《物料订购单》6.《物料订购单》信息反馈7.核查在途物料8.《物料订购单》更改制程序》4.1 物控人员打印出《物料需求计划表》,此需求表包括对应的《物料订购单》单号、供应商代码、供应商名称、物《物料需求计划表》料代码、规格、需求量、需求日期、订购量分摊4.2 物控人员将《物料需求计划表》交生产部主管、采购《物料需部、生产部、市场部、主管副求计划表》总、总经理批准5.分发《物料订购单》经批准的《物料需求计划1.《物料需表》由部门文员存档,此时方求计划控可打印、分发《物料订购单》;制程序》《物料订购单》一式四联,第2.《物料订四联交采购部门签字后自行购单》留存,余三联交采购部6.《物料订购单》信息反馈当考虑到订购周期不够《物料订或其他原因无法交货时,物控购确定或人员应反馈给计划员,由计划更改通知员与业务部协商,重新确定计单》划交期,物控人员则相应更改《物料改订购单》交期7.核查在途物料物控人员于每月15 号打印上月以前到期未交货的订购单明细,核查哪些物料当时因更改或订单取消,采购部门不同意更改或取消而现在又尚未交清明细,物控员将进行取消,并发文知会采购部门及主管副总8.《物料订购单》更改当采购部因各种原因需《物料需求计划控制程序》1.《物料需更改《物料订购单》时,采购求计划控员应填写《物料采购更改审批制程序》表》,此审批表应注明更改内2.《物料采容及原因后,交生产部主管、购更改审生产计划主管、主管副总审批表》批,经批准后计划部方可按要求进行更改。
物料控制流程物料控制是指对企业内部物料的采购、存储、使用和管理等过程进行有效控制,以保证生产经营活动的正常进行,提高生产效率,降低企业成本,保障产品质量。
物料控制流程是企业内部管理的重要组成部分,下面将详细介绍物料控制的流程及其相关内容。
1. 采购计划。
首先,企业需要根据生产计划和市场需求,制定物料的采购计划。
采购计划应包括需要采购的物料种类、数量、采购时间等信息,以便后续的采购活动能够有条不紊地进行。
2. 供应商选择。
在制定采购计划的基础上,企业需要选择合适的供应商进行采购。
供应商的选择应考虑到物料质量、价格、交货周期等因素,以确保企业能够获得符合要求的物料,并在合理的成本范围内完成采购。
3. 采购订单。
一旦确定了供应商,企业就需要向供应商下达采购订单。
采购订单应包括物料的详细信息、数量、价格、交货时间等内容,以确保供应商能够按时、按量地提供所需的物料。
4. 物料接收。
当供应商交付物料时,企业需要进行物料接收工作。
在接收物料时,应进行严格的检验,确保物料的质量和数量与采购订单一致,同时及时对物料进行入库登记。
5. 物料存储。
接收到的物料需要进行妥善的存储,以防止物料受到损坏或丢失。
存储过程中,应注意对物料进行分类、标记,并定期进行库存盘点,确保物料的安全和完整。
6. 物料使用。
在生产过程中,需要根据生产计划和实际需求,及时调拨和使用所需的物料。
在物料使用过程中,应注意严格按照规定的用量和方式进行使用,以避免浪费和损耗。
7. 库存管理。
企业需要对物料的库存进行定期的管理和盘点,及时更新物料的库存信息,以便为生产经营活动提供准确的物料支持。
8. 物料报废。
对于过期、损坏或不合格的物料,企业需要及时进行报废处理,以避免对生产活动造成影响,并确保生产过程中的安全和质量。
以上就是物料控制的流程及相关内容,通过严格执行物料控制流程,企业可以有效地管理和控制物料的采购、存储和使用,保障生产经营活动的正常进行,提高生产效率,降低成本,提高产品质量。
物料计划流程物料计划是企业生产经营中的重要环节,它直接关系到企业的生产效率和成本控制。
一个科学合理的物料计划流程,可以有效地提高企业的生产效率和降低生产成本。
下面我们就来详细介绍一下物料计划的流程。
第一步,需求预测。
需求预测是物料计划的第一步,企业需要根据市场需求和历史销售数据,对未来一段时间的产品需求进行预测。
这个过程需要综合考虑市场环境、竞争对手、季节性因素等多方面因素,以确保预测的准确性。
第二步,物料需求计划。
在完成需求预测之后,企业需要根据预测的需求量,制定物料需求计划。
这个计划需要考虑到企业的生产能力、供应商的供货能力、原材料的采购周期等因素,以确保物料的及时供应和生产的顺利进行。
第三步,采购计划。
根据物料需求计划,企业需要制定采购计划,确定采购的时间、数量和供应商。
在制定采购计划时,企业需要充分考虑供应商的信誉度、交货周期、价格等因素,以确保采购的及时性和经济性。
第四步,生产计划。
在完成采购计划之后,企业需要制定生产计划,确定生产的时间、数量和生产线的安排。
生产计划需要充分考虑设备的利用率、人力资源的安排、产品的质量要求等因素,以确保生产的顺利进行和产品质量的保证。
第五步,库存管理。
在完成生产之后,企业需要对产成品和原材料进行库存管理。
通过合理的库存管理,可以有效地降低库存成本,提高资金周转率,减少库存风险。
第六步,监控和调整。
物料计划是一个动态的过程,企业需要不断监控市场需求、供应链的变化等因素,及时调整物料计划,以适应市场的变化和企业自身的发展。
综上所述,物料计划是企业生产经营中不可或缺的重要环节,一个科学合理的物料计划流程可以有效地提高企业的生产效率和降低生产成本。
企业需要根据自身的实际情况,制定适合自己的物料计划流程,并不断进行监控和调整,以确保物料计划的顺利进行和企业的持续发展。
PMC生产物控工作流程PMC(Production Material Control,生产物料控制)工作流程是指通过对生产物料的计划、采购、生产和发货等各个环节的控制和协调,实现生产物料的有效管理和优化。
本文将详细介绍PMC工作流程。
PMC工作流程主要包括以下几个环节:1.销售订单分析:PMC通过对销售订单进行分析,确定所需生产物料的种类、数量和交货期。
根据销售订单的要求,制定生产计划并确定采购计划。
3.物料入库和仓储:一旦采购到所需物料,PMC需要对物料进行入库,并进行仓储管理。
仓储管理包括对物料进行标识、分类、计数和存储等工作,以确保物料的安全和易于管理。
4.生产计划执行:PMC需要根据生产计划对生产过程进行组织和控制。
这包括对生产任务的分配、生产进度的跟踪和生产中出现的问题的解决等。
在整个生产过程中,PMC需要与生产部门密切合作,确保生产计划的顺利执行。
5.配料和生产控制:在生产过程中,PMC需要根据生产计划对所需物料进行配料。
配料包括对所需物料进行计量、配比和混合等操作。
同时,PMC还需要监控生产过程,确保生产符合质量要求,并及时解决生产过程中出现的问题。
6.成品检验和包装:生产完成后,PMC需要对成品进行检验,并根据客户的要求进行包装。
成品检验包括对成品的质量、数量和外观等方面进行检查。
包装工作包括对成品进行包装、标识和入库等工作。
7.发货和物流管理:一旦成品经过检验和包装,PMC需要进行发货。
发货包括货物的装车和配送等工作。
同时,PMC还需要进行物流管理,确保货物能够按时到达客户手中。
8.数据分析和反馈:PMC还需要对整个流程进行数据分析和反馈。
数据分析包括对销售订单、生产计划、采购计划和成品等数据进行统计和分析,以评估流程的效率和质量。
反馈包括将分析结果反馈给相关部门,并对流程进行改进和优化。
以上就是PMC生产物控工作流程的详细介绍。
通过对生产物料的计划、采购、生产和发货等各个环节的控制和协调,PMC能够有效管理和优化生产物料,提高生产效率和质量。
第一步:申购
物料的申购,要有副总或者以上级别领导审核同意。
依据物料计划及库存情况而定,应本着为生产提供及时充足的物料的同时,降低物料存量,减少资金积压。
认真区分订单订购、定期订购、定量订购,并且哪些是批量采购可以降低价格的,哪些是存在季节差价的,那些是采购周期较长的。
要求的到货时间应为生产留有余地,一般以提前三天为宜。
第二步:收货
物料采购回来后,由仓管和品管部来料检验员一同收货。
收货应认真对照订货单,按所要求的品质,数量进行收货,对于专用的零配件与材料一般不允许超计划收货,特殊情况应请示上级主管。
收货时在规定的收货区进行,不得将已收、待检、退货等各类混淆。
收货要认真登记入账,填写有关单据。
收货后,要填写“到货看板”,通知生产部门。
第三步:存储
企业所用的材料种类繁多,存储时应当注意:
物料的堆放应尽量采用立体化,节约空间。
物料应标识清楚,悬挂货卡,明确标明:品名.规格. 存量领用记录等。
要注意存放安全. 防止物料在存储过程中损坏。
第四步:发货
物料应严格按照物料计划发放,做到“没有上级部门授权的不发,非指定领料人不发”。
第五步:退货入库
退货入库包括以下内容:规格不符的物料、生产剩余物料、报废品。
退料需车间开单,生产部领导审批。
第六步:监控
物控部物控员,应对材料的使用过程进行监控,包括使用是否合理,报废率是否达到要求等等。
发料应做到坚持原则、方便生产,必要时可以先行发料,而后补单或追究责任(需由部门经理或主管批准)。
物料计划流程物料计划是指根据企业生产计划和销售计划,对所需的原材料、零部件和成品进行计划、组织、指导和控制的过程。
一个完善的物料计划流程能够有效地提高企业的生产效率和运营效率,降低库存成本,提高客户满意度。
下面将介绍物料计划的一般流程。
1.需求计划。
需求计划是物料计划的起点,它根据销售计划和生产计划,确定了一段时间内所需的原材料、零部件和成品数量。
需求计划的准确性直接影响到后续物料计划的执行效果。
因此,企业需要建立健全的需求计划体系,确保数据的准确性和及时性。
2.物料清单管理。
在确定了需求计划后,企业需要对所需的物料进行清单管理。
这包括明确每种物料的规格、型号、数量、采购周期等信息,以便后续的采购和生产安排。
同时,企业还需要对物料进行分类管理,便于后续的采购和库存管理。
3.供应商选择与采购。
根据物料清单,企业需要选择合适的供应商进行采购。
供应商的选择需要考虑价格、质量、交货周期等因素,确保物料的及时供应和质量可控。
在采购过程中,企业需要与供应商建立稳定的合作关系,提高供应链的稳定性和灵活性。
4.库存管理。
物料计划中的一个重要环节是库存管理。
企业需要根据需求计划和采购计划,合理安排物料的库存量,避免因过多或过少的库存而导致资金占用或产能不足的问题。
同时,企业还需要对库存进行定期盘点和分类管理,确保库存数据的准确性和可控性。
5.生产计划。
物料计划的最终目的是为了支持生产计划的实施。
因此,企业需要根据物料计划,合理安排生产计划,确保生产线的正常运转和产品的及时交付。
在生产过程中,企业需要及时调整物料计划,以适应市场需求和生产变化。
6.信息系统支持。
为了更好地实施物料计划,企业需要建立健全的信息系统支持。
这包括ERP系统、MRP系统等,以实现需求计划、物料清单管理、供应商选择与采购、库存管理、生产计划等功能的集成和协同。
通过信息系统的支持,企业能够实现物料计划的自动化和精细化管理。
总结。
物料计划是企业生产运营管理中的重要环节,它直接关系到企业的生产效率和运营效率。