6m拉森钢板桩计算书
- 格式:docx
- 大小:813.82 KB
- 文档页数:32
拉森钢板桩受力验算标准化管理处编码[BBX968T-XBB8968-NNJ668-MM9N]拉森钢板桩受力验算因本工程施工区地质情况复杂,且无明显变化界限。
为确保施工安全,选取有代表性的地质断面分别计算荷载,取最不利荷载对拉森扣板桩支护进行验算,作为最终支护标准。
根据工程地质勘察报告及现场实际开挖获取的地质资料提取验算参数。
1、基坑参数基坑顶标高为,底标高为,开挖深度为。
拉伸钢板桩采用Ⅳ型12m长密扣拉森钢板桩。
围檩采用H350*350型钢。
2、拉森钢板桩参数钢板桩型号每延米截面积cm2每延米惯矩Ix(cm4)每延米抵抗矩Wx(cm3)容许弯曲应力[σw](MPa)容许剪应力[τ](MPa)备注SKSPⅣ386002270210120 3、拉森钢板桩最大悬臂长度的计算:、开挖深度h=3m以上进行拉森钢板桩支护,根据地质报告取值得:r=(×+×)/3= KN/m3φ=(23×+×)/3=Ka=tga2(45°-φ/2)=q=r×h×Ka=m拉森钢板桩最大悬臂长度计算、SKSPⅣ型拉森钢板桩(只用于开挖深度4~6.5m的基坑)≦Wx×[σw]Mmax1/6*h*h**h**10000≦1340*210故h≦2.52m因SKSPⅣ型拉森钢板桩用于开挖深度为4~6.5m的基坑,大于其最大悬臂长度,故需加围檩。
4、拉森钢板桩入土深度、土的参数计算根据设计要求,基坑开挖深度在4~6.5m采用12m SKSPⅣ型拉森钢板桩。
12m SKSPⅣ型拉森钢板桩(取土层最大影响深度12m):r=(×+×+×+×+×)/12= KN/m3φ=(23×+×+×+×+×)/9=Ka=tga2(45°-2)=Kp=tga2(45°+2)=、计算简图根据钢板桩入土的深度,按单锚浅埋板桩计算,假定上端为简支,下端为自由支承。
拉森钢板桩截面积计算拉森钢板桩是一种常用于基础工程中的结构材料,其截面积的计算是设计和施工过程中的重要环节。
本文将以拉森钢板桩截面积计算为主题,介绍其计算方法和应用。
一、拉森钢板桩简介拉森钢板桩是一种由钢板制成的截面形状为U型的桩,具有高强度、耐久性和可靠性等特点。
它广泛应用于沿海工程、港口码头、河流治理、挡土墙等工程中,用于支护土体、防止土体侵蚀和崩塌。
二、拉森钢板桩截面积的计算方法拉森钢板桩的截面积计算是基于截面形状和尺寸进行的。
下面将介绍两种常用的计算方法。
1. 矩形法拉森钢板桩的截面形状可以近似看作一个矩形,因此可以使用矩形法计算截面积。
该方法适用于截面形状规则的拉森钢板桩。
根据拉森钢板桩的设计图纸或实际测量数据,确定截面的宽度和高度。
然后,将宽度和高度相乘,即可得到拉森钢板桩的截面积。
2. 分段法拉森钢板桩的截面形状通常是由若干个直线段和弧线段组成的复杂形状,无法直接使用矩形法计算。
此时,可以采用分段法进行计算。
将拉森钢板桩的截面划分为若干个简单形状的几何图形,如矩形、三角形、梯形等。
然后,分别计算各个几何图形的截面积,并将它们相加,即可得到拉森钢板桩的总截面积。
三、拉森钢板桩截面积的应用拉森钢板桩的截面积是设计和施工中的重要参数,它直接关系到桩的承载能力和稳定性。
根据拉森钢板桩的截面积计算结果,可以进行以下应用:1. 承载力计算根据拉森钢板桩的截面积和材料的强度参数,可以计算桩的承载力。
承载力是指拉森钢板桩在受到外力作用下的抗力能力,是设计和施工中必须考虑的关键指标。
2. 桩身结构设计根据拉森钢板桩的截面积和截面形状,可以确定桩身的结构尺寸和形式。
桩身结构设计是保证拉森钢板桩在使用过程中具有足够强度和刚度的关键环节。
3. 桩身连接和施工安排根据拉森钢板桩的截面积和截面形状,可以确定桩身的连接方式和施工安排。
桩身连接和施工安排是保证拉森钢板桩在施工过程中具有良好的施工性和安全性的重要环节。
拉森钢板桩支护方案评估计算书1. 概述本文档旨在评估拉森钢板桩支护方案的设计和计算。
拉森钢板桩是一种常用的地基支护结构,适用于土方开挖、河道治理、基坑支护等工程中。
本评估计算书将根据设计要求和计算方法对拉森钢板桩支护方案进行综合评估。
2. 设计要求2.1. 土壤力学参数:根据现场勘探数据和试验结果,确定土壤斜坡角、内摩擦角、内聚力等基本参数。
2.2. 桩材料和尺寸:选择合适的拉森钢板桩材料,并确定桩长、板厚等尺寸参数。
2.3. 水平支撑和排水设计:根据工程需求,确定水平支撑和排水设施的设计要求。
2.4. 安全系数:根据国家相关标准和规范,确定各个设计参数的安全系数。
3. 计算方法3.1. 土压力计算:根据土壤力学理论,计算拉森钢板桩承受的土压力,并考虑土体的侧向土压力和摩阻力等因素。
3.2. 桩身受力计算:计算拉森钢板桩桩身所受的水平和垂直力,并考虑土压力的作用。
3.3. 稳定性评估:评估拉森钢板桩的整体稳定性,包括侧向稳定性和纵向稳定性。
3.4. 桩-土交互作用分析:分析拉森钢板桩与土壤之间的相互作用,确定桩-土界面的剪切应力和阻力等参数。
4. 评估结果通过使用上述的设计要求和计算方法,对拉森钢板桩支护方案进行评估,得出方案的稳定性、承载力和变形等评估结果。
5. 结论综合评估表明,拉森钢板桩支护方案满足设计要求,具备良好的稳定性和承载能力。
然而,还需要进行进一步的施工方案设计和现场监测,以确保该方案在实际工程中的可行性和安全性。
以上为拉森钢板桩支护方案评估计算书的简要内容,详细的设计和计算数据请参考相关附件。
拉森钢板桩基坑工程的计算公式钢板桩支护计算书(武汉建福市政工程有限公司)以桩号2c0+390处的开挖深度,4C0+001.5处的开挖宽度为准(本相目的最大开挖深度和宽度)一设计资料1桩顶高程H1:4.100m施工水位H2:3.000m2 地面标高H0:4.350m开挖底面标高H3:-3.400m开挖深度H:7.7500m3土的容重加全平均值γ1:18.3KN/m3土浮容重γ’:10.0KN/m3内摩擦角加全平均值Ф:20.10°4均布荷q:20.0KN/m25基坑开挖长a=20.0m 基坑开挖宽b=9.0m二外力计算1作用于板桩上的土压力强度及压力分布图ka=tg2(45°-φ/2)=tg2(45-20.10/2)=0.49kp=tg2(45°+φ/2)=tg2(45+20.10/2)=2.05板桩外侧均布荷载换算填土高度h,h=q/r=20.0/18.3=1.09m桩顶以上土压力强度Pa1Pa1=r×(h+0.25)Ka=18.3×(1.09+0.25) ×0.49=12.0KN/m2水位土压力强度Pa2Pa2=r×(h+4.35 -3.00 )Ka=18.3×(1.09+4.35 -3.00 )× 0.49=21.8KN/m2开挖面土压力强度Pa3Pa3=[r×(h+4.35 -3.00 )+(r-rw)(3.00+3.40)}Ka=[18.3×(1.09+4.35 -3.00 )+(18.3-10) ×(3.00+3.40)]×0.49=47.8KN/m2开挖面水压力(围堰抽水后)Pa4:Pa4=γ(3.00+3.40)=10×(3.00+3.40)=64.0KN/m2三确定内支撑层数及间距按等弯距布置确定各层支撑的Ⅲ型钢板桩能承受的最大弯距确定板桩顶悬臂端的最大允许跨度h:弯曲截面系WZ0=0.001350m3,折减系数β=0.7采用值WZ=βWZ0=0.00135×0.7=0.000945m3容许抗拉强[σ]= 200000.0KPa由公式σ=M/Wz得:最大弯矩M0=Wz×[σ]=189.0KN*m1假定最上层支撑位置与水位同高,则支点处弯矩M'=Pa1*(H1-H2)2/2+(Pa2-Pa2)(H1-H2)2/6=9.2KN*m故,支撑点可设置在水位下。
钢板桩围堰计算书(二)目录第一章设计条件 (1)1.1工程概况 (1)1.2设计概况 (1)1.3主要计算依据 (2)1.4荷载计算 (2)1.5土体参数 (3)1.6 材料特性 (4)第二章基坑支护结构受力计算 (4)2.1 计算工况 (4)2.2 钢板桩计算 (4)2.2.1工况一 (4)2.3 围檩及支撑 (6)第三章基坑稳定性验算 (9)3.1钢板桩入土深度验算 (9)3.2基坑隆起稳定性计算 (9)3.3基坑渗流稳定性计算 (11)第一章设计条件1.1工程概况主线承台位于陆地上,开挖深度3.6m-7.8m,根据基坑开挖深度,拟定3种类型钢板桩围堰。
开挖6m以上,选用18m长钢板桩围堰,2层支撑;开挖5-6m,选用18m长钢板桩,1层支撑;开挖5m以下,选用12m长钢板桩,1层支撑。
本计算书验算ZX78#(开挖5.6m)承台围堰受力情况。
78#承台水文资料及设计参数计算,统计如下:(1)钢板桩顶标高: +6.5m(2)钢板桩底标高: -11.5m(3)承台顶标高: +4.5m(4)承台底标高: +0.7m(5)围檁标高: +5.5m(5)承台高度: 3.8m(6)地面标高: +6.2m(7)地下水位: +4.9m1.2设计概况承台尺寸12×12×3.8m,钢板桩围堰内轮廓尺寸为15.2×15.2m,高12m。
采用拉森—400×170型钢板桩,承台为一次性浇筑,按照开挖深度设置一道围檩及支撑。
围檁采用2I45,斜撑均采用2I32。
施工工艺:插打钢板桩并合拢,开挖至第一层围檁标高位置,安装第一道围檩及支撑;开挖至基坑底;浇筑10cmC20混凝土垫层;待垫层混凝土达到强度后,进行承台施工。
图1.1 钢板桩围堰及内支撑平面图图1.2 钢板桩围堰立面图1.3主要计算依据(2)、《公路桥涵设计通用规范》(JTG D-60 2004);(3)、《公路桥涵施工技术规范》(JTJ041-2011);(4)、《建筑基坑支护技术规程》(JGJ120-2012);(5)、《钢结构设计标准》(GB 50017-2017);(6)、《土力学》第二版中国建筑工业出版社;(7)、《建筑地基基础设计规范》(GB 50007-2011)(8)、沪杭甬高速详细工程地质勘察报告;(9)、土工试验报告;1.4荷载计算1、土压力的计算根据W.J.M 朗金(Ran King )理论可得: 主动土压力计算公式:2tan (45)2tan(45)222a a p h c hK ϕϕγγ=︒--︒-=-其中,2tan (45)2a K φ=︒-式中:γ——墙后填土的重量(3/kN m ),地下水位以下用浮重度; h ——计算主动土压力强度的点至填土表面的距离(m ); ϕ——填土的内摩擦角(°); a K ——主动土压力系数 c ——填土黏聚力(2/m kN ) 被动土压力计算公式:2tan (45)2tan(45)222p p p h c hK ϕϕγγ=︒++︒+=+其中,2tan (45)2p K ϕ=︒+式中:p K ——被动土压力系数 2、水压力的计算静水压力计算公式:h p γ=1.5土体参数全线承台地质情况大致相同,承台埋设于原有待拆除路基下方,从原有路基标高至钢板桩底标高之间土体为原路基填土,粉土,由于原路基填土无实验参数,近似参考粉土土体参数。
拉森钢板桩受力验算因本工程施工区地质情况复杂,且无明显变化界限。
为确保施工安全,选取有代表性的地质断面分别计算荷载,取最不利荷载对拉森扣板桩支护进行验算,作为最终支护标准。
根据工程地质勘察报告及现场实际开挖获取的地质资料提取验算参数。
1、基坑参数基坑顶标高为,底标高为,开挖深度为。
拉伸钢板桩采用Ⅳ型12m长密扣拉森钢板桩。
围檩采用H350*350型钢。
2、拉森钢板桩参数钢板桩型号每延米截面积cm2每延米惯矩Ix(cm4)每延米抵抗矩Wx(cm3)容许弯曲应力[σw](MPa)容许剪应力[τ](MPa)备注SKS PⅣ38600 2270 210 1203、拉森钢板桩最大悬臂长度的计算:、开挖深度h=3m以上进行拉森钢板桩支护,根据地质报告取值得:r=(×+×)/3=KN/m3φ=(23×+×)/3=Ka=tga2(45°-φ/2)=q=r×h×Ka=m拉森钢板桩最大悬臂长度计算、SKSPⅣ型拉森钢板桩(只用于开挖深度4~6.5m的基坑)M max≦Wx×[σw]1/6*h*h**h**10000≦1340*210故h≦2.52m因SKSPⅣ型拉森钢板桩用于开挖深度为4~6.5m的基坑,大于其最大悬臂长度,故需加围檩。
4、拉森钢板桩入土深度、土的参数计算根据设计要求,基坑开挖深度在4~6.5m采用12m SKSPⅣ型拉森钢板桩。
12m SKSPⅣ型拉森钢板桩(取土层最大影响深度12m):r=(×+×+×+×+×)/12=KN/m3φ=(23×+×+×+×+×)/9=Ka=tga2(45°-2)=Kp=tga2(45°+2)=、计算简图根据钢板桩入土的深度,按单锚浅埋板桩计算,假定上端为简支,下端为自由支承。
拉森钢板桩⽀护⽅案计算书xxx有限公司拉森钢板桩⽀护⽅案计算书⽂件编号:受控状态:分发号:修订次数:第 1.0 次更改持有者:桂林市西⼆环路道路建设⼯程排⽔管道深基坑开挖施⼯⽅案计算书⼀、⼯程概况桂林市西⼆环路⼆合同段污⽔管道⼯程的起点K12+655,终点K17+748,埋设管道为聚氯⼄烯双壁波纹管(Ф500)和钢筋砼管(Ф800),基础采⽤粗砂垫层,基础⾄管顶上50cm范围为粗砂回填,其上为级配碎⽯回填⾄路床;起点管道底部标⾼为,管道平均埋深为⽶左右,最深为⽶,地下⽔位较⾼,其中有局部⾥程段厚⼟层以下是流沙层,开挖时垮塌较严重,为防⽌开挖时坍塌事故发⽣,特制定该⽅案,施⼯范围为K12+655~K14+724段左侧污⽔管。
本段施⼯段地质为松散耕⼟、粉质粘⼟,地下⽔位⾼,遇⽔容易形成流砂。
⼆、⽅案计算依据1、《桂林市西⼆环路道路建设⼯程(⼆期)施⼯图设计第三册(修改版-B)》(桂林市市政综合设计院)。
2、《市政排⽔管道⼯程及附属设施》(06MS201)。
3、《埋地聚⼄烯排⽔管管道⼯程技术规程》(CECS164:2004)。
4、《钢结构施⼯计算⼿册》(中国建筑⼯业出版社)。
5、《简明施⼯计算⼿册》(中国建筑⼯业出版社)。
三、施⼯⽅案简述1、钢板桩⽀护布置钢板桩采⽤拉森ISP-Ⅳ型钢板桩,其长度为12⽶/根,每个施⼯段50m需260根钢板桩。
根据施⼯段⼀般稳定⽔位154.0m和⽬前⽔位情况,取施⼯⽔位为154.00m。
根据管沟开挖深度(),钢板桩⽀护设置1道型钢圈梁和⽀撑。
以K14+100左侧排污管道钢板桩⽀护为例,桩顶标⾼为157.83m,桩底标⾼为148.83m,依次穿越松散耕⼟→粉质粘⼟层。
2、钢板桩结构尺⼨及截⾯参数拉森ISP-Ⅳ型钢板桩计算参数如下表所⽰:四、计算假设1、根据设计图纸中地勘资料提供的⼟层描述,本计算中⼟层参数按经验取值如下(K14+100钢板桩⽀护处):则计算取值:γ=18 KN/m3 ,φ=150,c=10 KPa 。
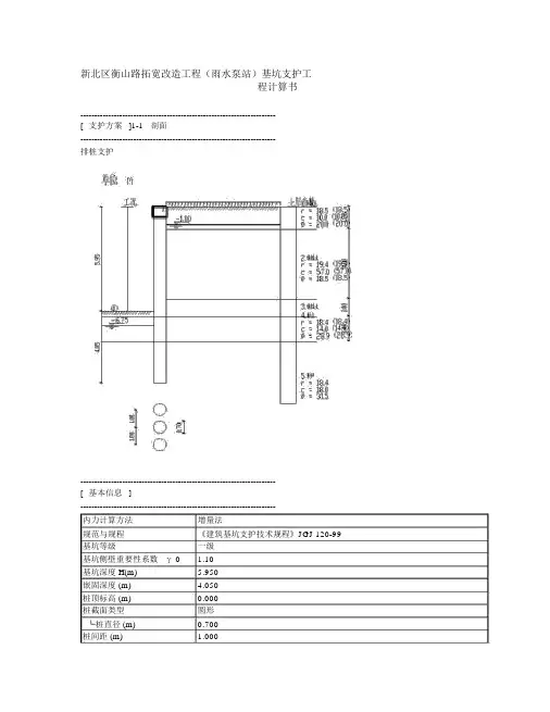
新北区衡山路拓宽改造工程(雨水泵站)基坑支护工程计算书----------------------------------------------------------------------[支护方案]1-1剖面----------------------------------------------------------------------排桩支护----------------------------------------------------------------------[基本信息]----------------------------------------------------------------------内力计算方法增量法规范与规程《建筑基坑支护技术规程》JGJ 120-99基坑等级一级基坑侧壁重要性系数γ 0 1.10基坑深度 H(m) 5.950嵌固深度 (m) 4.050桩顶标高 (m)0.000桩截面类型圆形└桩直径 (m)0.700桩间距 (m) 1.000混凝土强度等级C25有无冠梁有├冠梁宽度 (m)0.800├冠梁高度 (m)0.600└水平侧向刚度 (MN/m) 3.823放坡级数0超载个数1支护结构上的水平集中力0----------------------------------------------------------------------[超载信息 ]----------------------------------------------------------------------超载类型超载值作用深度作用宽度距坑边距形式长度序号(kPa,kN/m)(m)(m)(m)(m) 120.000-------------------------------------------------------------------------------------[附加水平力信息]----------------------------------------------------------------------水平作用类型水平力值作用深度是否参与是否参与力序号(kN)(m)倾覆稳定整体稳定----------------------------------------------------------------------[土层信息 ]----------------------------------------------------------------------土层数7坑内加固土否内侧降水最终深度(m) 6.750外侧水位深度 (m) 1.000弹性计算方法按土层指定ㄨ弹性法计算方法m法----------------------------------------------------------------------[土层参数 ]----------------------------------------------------------------------层号土类名称层厚重度浮重度粘聚力内摩擦角(m)(kN/m 3)(kN/m 3)(kPa)( 度 )1杂填土 1.2618.58.510.0020.002粘性土 4.0019.49.457.0018.503粘性土 1.0018.78.754.0015.404粉土 1.4018.48.414.0028.905粉砂 3.6018.48.4------6粉砂9.4018.48.4------7粉砂 5.0018.48.4------层号与锚固体摩粘聚力内摩擦角水土计算方法m,c,K 值抗剪强度擦阻力 (kPa)水下 (kPa)水下(度)(kPa) 118.010.0020.00分算m法7.00---260.057.0018.50合算m法10.69---360.054.0015.40合算m法8.60---440.014.0028.90分算m法15.21---550.018.0031.50分算m法18.50---650.013.7029.70分算m法16.04---750.012.8027.40分算m法13.56-------------------------------------------------------------------------[土压力模型及系数调整]----------------------------------------------------------------------弹性法土压力模型:经典法土压力模型:层号土类名称水土水压力主动土压力被动土压力被动土压力调整系数调整系数调整系数最大值 (kPa) 1杂填土分算 1.000 1.000 1.00010000.0002粘性土合算 1.000 1.000 1.00010000.0003粘性土合算 1.000 1.000 1.00010000.0004粉土分算 1.000 1.000 1.00010000.0005粉砂分算 1.000 1.000 1.00010000.0006粉砂分算 1.000 1.000 1.00010000.0007粉砂分算 1.000 1.000 1.00010000.000----------------------------------------------------------------------[工况信息]----------------------------------------------------------------------工况工况深度支锚号类型(m)道号1开挖 5.950-------------------------------------------------------------------------[设计结果]--------------------------------------------------------------------------------------------------------------------------------------------[结构计算]----------------------------------------------------------------------各工况:内力位移包络图:地表沉降图:----------------------------------------------------------------------[冠梁选筋结果]----------------------------------------------------------------------钢筋级别选筋As1HRB3355D16 As2HRB3352D16 As3HPB235d8@200----------------------------------------------------------------------[ 截面计算 ]----------------------------------------------------------------------[ 截面参数 ]桩是否均匀配筋是混凝土保护层厚度 (mm)50桩的纵筋级别HRB335桩的螺旋箍筋级别HRB335桩的螺旋箍筋间距 (mm)200弯矩折减系数0.85剪力折减系数 1.00荷载分项系数 1.25配筋分段数一段各分段长度 (m)10.00[ 内力取值 ]段内力类型弹性法经典法内力内力号计算值计算值设计值实用值基坑内侧最大弯矩 (kN.m)53.770.0062.8562.85 1基坑外侧最大弯矩 (kN.m)0.2015.320.230.23最大剪力 (kN)33.15 3.0945.5845.58段选筋类型级别钢筋实配 [计算 ] 面积号实配值(mm2或mm2/m)1纵筋HRB33512D162413[2309]箍筋HPB235d8@200503[1207]加强箍筋HRB335D14@2000154----------------------------------------------------------------------[整体稳定验算]----------------------------------------------------------------------计算方法:瑞典条分法应力状态:总应力法条分法中的土条宽度: 1.00m滑裂面数据整体稳定安全系数K s = 2.756圆弧半径 (m) R = 11.236圆心坐标 X(m) X = -1.490圆心坐标 Y(m) Y = 6.971----------------------------------------------------------------------[抗倾覆稳定性验算]----------------------------------------------------------------------抗倾覆安全系数:M pK sM aM p——被动土压力及支点力对桩底的抗倾覆弯矩,对于内支撑支点力由内支撑抗压力决定 ; 对于锚杆或锚索,支点力为锚杆或锚索的锚固力和抗拉力的较小值。
6m拉森钢板桩支护计算书---------------------------------------------------------------------- [ 支护方案 ]---------------------------------------------------------------------- 排桩支护---------------------------------------------------------------------- [ 基本信息 ][ 超载信息 ][ 附加水平力信息 ][ 土层信息 ][ 土层参数 ][ 土压力模型及系数调整 ]---------------------------------------------------------------------- 弹性法土压力模型: 经典法土压力模型:---------------------------------------------------------------------- [ 工况信息 ][ 设计结果 ]---------------------------------------------------------------------- ---------------------------------------------------------------------- [ 结构计算 ]---------------------------------------------------------------------- 各工况:内力位移包络图:地表沉降图:---------------------------------------------------------------------- [ 截面计算 ]----------------------------------------------------------------------基坑内侧抗弯验算(不考虑轴力)σnei = Mn / Wx= 0、000/(2200、000*10-6)= 0、000(MPa) < f = 215、000(MPa) 满足基坑外侧抗弯验算(不考虑轴力)σwai = Mw / Wx= 61、721/(2200、000*10-6)= 28、055(MPa) < f = 215、000(MPa) 满足式中:σwai———基坑外侧最大弯矩处得正应力(Mpa);σnei———基坑内侧最大弯矩处得正应力(Mpa);Mw ———基坑外侧最大弯矩设计值(kN、m);Mn ———基坑内侧最大弯矩设计值(kN、m);Wx ———钢材对x轴得净截面模量(m3);f ———钢材得抗弯强度设计值(Mpa);---------------------------------------------------------------------- [ 整体稳定验算 ]----------------------------------------------------------------------计算方法:瑞典条分法应力状态:有效应力法条分法中得土条宽度: 0、40m滑裂面数据整体稳定安全系数 K s = 2、231圆弧半径(m) R = 5、385圆心坐标X(m) X = -1、328圆心坐标Y(m) Y = 2、399----------------------------------------------------------------------[ 抗倾覆稳定性验算 ]----------------------------------------------------------------------抗倾覆安全系数:M p——被动土压力及支点力对桩底得抗倾覆弯矩, 对于内支撑支点力由内支撑抗压力决定;对于锚杆或锚索,支点力为锚杆或锚索得锚固力与抗拉力得较小值。
拉森钢板桩计算范文首先,拉森钢板桩的计算主要包括以下几个方面:1.桩长计算2.桩身截面计算3.钢板的选择和计算4.连接机构的计算首先,桩长的计算需要根据具体工程的要求进行。
通常根据挡土高度、土壤条件等因素来确定。
桩长的计算可以采用经验公式或者数值计算方法。
经验公式可以根据挡土高度进行估算,但对于复杂的地质条件和土质情况,还需要进行数值计算。
在进行桩身截面计算时,需要根据工程要求的桩身横截面形状和尺寸来确定。
常见的桩身横截面形状有直线形、梯形形和锯齿形等。
在确定桩身横截面形状后,需要进行相关计算,包括抗弯强度、剪切强度等计算。
这些计算可以通过材料力学公式、截面力学平衡等原理进行。
关于钢板的选择和计算,需要根据桩身截面形状和尺寸来确定。
钢板需要具备足够的强度和刚度,才能够满足工程要求。
在钢板计算中,需要考虑其破坏形式、承载力和刚度等因素。
钢板的计算可以根据经验公式或者有限元方法进行。
最后,连接机构的计算是确保拉森钢板桩系统能够正常工作和承受荷载的重要一环。
连接机构包括桩身之间的连接和桩身与基础之间的连接。
在连接机构的计算中,需要根据桩身截面形状和尺寸,结合工程要求,考虑连接的刚度和强度等因素。
连接机构的计算可以通过弹性理论、塑性理论等进行。
综上所述,拉森钢板桩的计算是一个综合性的过程,需要考虑桩长、桩身截面、钢板选择和计算以及连接机构等方面。
在进行计算时,需要根据具体工程要求的土壤条件、挡土高度等进行合理的选择和计算。
通过合理的计算和设计,可以确保拉森钢板桩系统能够满足工程要求,并具备足够的抗荷能力和稳定性。
拉森钢板桩(扣板)受力验算由于没有地质资料图,根据现场实际开挖获取的地质资料提取验算参数。
因本工程钢板桩施工区地质情况复杂,且无明显变化界限,为确保安全,选有代表性的地质断面分别计算荷载,取最不利荷载对拉森扣板桩支护进行验算,代表性地质断面情况如下表(按11.5m深度统计),场地狭窄,大部分是填筑土,以表1的地质情况验算。
1、土层参数内摩擦角φ取值见建筑施工计算手册第77页表2-1表1 地质断面情况表地层名称层厚(m)土的容重r(KN/m3)内摩擦角φ(°)凝聚力c(KPa)备注人工回填土 1.919.1 23 参考同类土质试验成果淤泥质粉质粘土 1.616.9 4.4 5.5 参考同类土质试验成果粉质粘土820.1 22.2 17.3 参考同类土质试验成果2、拉森钢板桩参数表2 拉森钢板桩参数表钢板桩型号每延米截面积cm2每延米惯矩Ix(cm4)每延米抵抗矩Wx(cm3)容许弯曲应力[σw](MPa)容许剪应力[τ](MPa)备注拉森Ⅳ236 36551 2037 210 1203、汽车荷载换算成等代均布荷载的土层厚:装土车安排1台在坑边,装土后总重=自重20+土重20=40t装土时汽车荷载分布示意图(单位:m)荷载换算成的土层厚度:H=ΣP/(BLr)=40×10/(3.55×8.05×18.4)=0.77m4、拉森钢板桩最大悬臂长度的计算:4.1 土体参数计算根据现场调查,安设钢板桩的地段,最小开挖深度h=3m以上,取3m范围的土层计算土体参数加权平均值。
土平均容重r=(18.4×1.9+16.9×1.1)/3=17.85 KN/m3土平均摩擦角φ=(23×1.9+4.4×1.6)/3=16.91主动土压力系数Ka=tga2(45°-φ/2)=0.553m深度处的最大主动土压力荷载:主动土压力荷载q=r×(h+0.77)×Ka=17.85×3.77×0.55=37.02 KN/m钢板桩悬臂部分受力图(单位:m)4.2拉森钢板桩最大悬臂长度计算拉森IV型钢板桩(用于开挖深度3~6.6m的管道)M≦Wx×[σw]max1/6×(h+0.77)×(h+0.77)×17.85×(h+0.77)×0.55×10000)≦2037×210由上式得出h≦2.2m因拉森IV型钢板桩用于开挖的深度均大于2.2m,大于其最大悬臂长度,故都需加支撑。
拉森钢板桩计算公式拉森钢板桩是一种常用于土木工程中的基础支护材料,其计算公式是基于拉森钢板桩的力学性能和土壤力学参数进行推导得出的。
本文将介绍拉森钢板桩的计算公式及其应用。
拉森钢板桩的计算公式主要包括桩长计算公式、桩尖阻力计算公式和桩身抗弯承载力计算公式。
首先是桩长计算公式。
拉森钢板桩的桩长可以根据土壤的力学参数以及工程要求来进行计算。
通常情况下,拉森钢板桩的桩长为总挡墙高度减去挡墙顶部的固定高度。
桩长计算公式如下:L = H - Hf其中,L为拉森钢板桩的桩长,H为总挡墙高度,Hf为挡墙顶部的固定高度。
其次是桩尖阻力计算公式。
拉森钢板桩在承载荷载时,桩尖所受到的阻力是很重要的。
桩尖阻力可以根据土壤的侧限状态和桩尖形状来进行计算。
桩尖阻力计算公式如下:Qb = c * Ab其中,Qb为桩尖阻力,c为土壤的侧限抗剪强度,Ab为桩尖底面积。
最后是桩身抗弯承载力计算公式。
拉森钢板桩在受到荷载时,桩身需要承受弯矩,因此桩身的抗弯承载力是非常重要的。
桩身抗弯承载力可以根据拉森钢板桩的几何形状和材料力学性能来进行计算。
桩身抗弯承载力计算公式如下:M = W * e其中,M为桩身所受到的弯矩,W为作用在拉森钢板桩上的荷载,e 为拉森钢板桩的截面形心至中性轴的距离。
根据拉森钢板桩的计算公式,可以对其进行合理的设计和选用。
在实际工程中,需要根据具体情况来确定拉森钢板桩的尺寸、材料和桩间距等参数,以满足工程的要求。
拉森钢板桩的计算公式是根据力学原理和土壤力学参数推导得出的,具有一定的科学性和可靠性。
然而,在实际应用中,还需要考虑其他因素,如土壤的特性、荷载的大小和方向等,以确保拉森钢板桩能够正常工作并满足工程的要求。
拉森钢板桩的计算公式是基于其力学性能和土壤力学参数进行推导得出的。
通过合理地应用这些公式,可以对拉森钢板桩进行设计和选用,以实现工程的需求。
然而,在实际工程中,还需要综合考虑其他因素,以确保拉森钢板桩能够安全可靠地工作。
拉森钢板桩设计计算书(1)钢板桩的设置位置要符合设计要求,便于基础施工,即在基础最突出的边缘外留有支模、拆模的余地.(2)基坑护壁钢板桩的平面布置形状应尽量平直整齐,避免不规则的转角,以便标准钢板桩的利用和支撑设置。
各周边尺寸尽量符合板桩模数.(3)整个基础施工期间,在挖土、吊运、扎钢筋、浇筑混凝土等施工作业中,严禁碰撞支撑,禁止任意拆除支撑,禁止在支撑上任意切割、电焊,也不应在支撑上搁置重物。
2 工艺流程根据施工图及高程放设沉桩定位线→引孔的施工→沉桩位置沟槽开挖1m 深→根据定位线设置沉桩导梁→整修、平整施工机械行走道路→钢板桩插入和预打→静压钢板桩→静压机行走路线处沟槽的平整→钢管桩的静压施工→挖除地表面1。
0m厚土及放坡→开挖至第一道围檩位置→设置围檩及支撑→开挖至第二道围檩位置→设置围檩及支撑→土方开挖→割除并吊出上部的钢管桩(可根据钢管桩每节的长短进行工序的调整)→施工桥台至第二道支撑下0.5m处→填土及拆除第二道围檩及支撑→施工桥台至第一道支撑下0.5m处→填土及拆除第一道围檩及支撑→主体结构施工完成→回填土→拔除钢板桩→在桩的缝隙处用细砂回填密实在施工过程中采用集水明排方式排出坑底汇水。
3 操作工艺(1)打桩机械主机采用静压机,噪音及振动较小。
围檩、支撑、板桩吊装采用25t汽车吊。
板桩围堰施工采用测量定位、屏风式打入的施工方法.(2)钢板桩的检验及矫正对进场的钢板桩按出厂标准进行检验,应对外观质量进行检验,包括长度、宽度、厚度、高度等是否符合设计要求,有无表面缺陷,端头矩形比,垂直度和锁口形状等。
验收标准:①高度允许偏差±8mm;②宽度绝对偏差+10mm;③弯曲和挠度用2m长锁口榉板顺利通过全长挠度<1%;④桩端平面应平整;⑤钢板背面及锁口应光滑无阻。
使用千斤顶、大锤和氧气、乙炔等工具材料完成包括端部修整、桩体矫曲、扭曲及局部变形矫正、锁口变形矫正。
锁口检查的方法:用一块长2~3m的同类型、同规格的钢板桩作标准,将所有同型号的钢板桩做锁口通过检查。
拉森钢板桩计算钢板桩设计1、1 地质状况本⼯程项⽬座落在张家港市北部长江南岸张家港化⼯保税区内。
⼚区位于长江冲积平原得河漫滩地,地形平坦。
原⾃然地坪标⾼较底,场地平均⾼程106、20m,现已采⽤吹砂回填,将⼚区地坪标⾼提⾼。
根据地质报告,本⼯程⼟质上层为吹填砂,以下分别为粉质粘⼟夹粉⼟;粉细砂夹粉⼟,⼟得抗压、抗剪强度均较低,且难以采取有效得降排⽔措施。
⽬前⼚区内地下⽔位较⾼,⼟质松软,地质情况较为复杂。
该区地质结构断⾯如下图所⽰:1、2 电梯井形状本⼯程结构形式如下。
⽬前基坑结构长13、50⽶,宽10、35⽶,基坑底标⾼EL、98、55m,基坑深度7、65⽶。
池壁每⼀侧考虑2、0⽶宽得⼯作⾯,则⽀护结构得尺⼨为长17、50⽶,宽14、40⽶。
2 ⽀撑式钢板桩挡⼟墙得构造本⼯程采⽤内撑钢板桩挡⼟墙结构。
其主要由钢板桩、⽀撑⼆部分组成,钢板桩起承受⽔平⼟压⼒防⽌⼟体沿滑动⾯滑动以及阻隔地下⽔得作⽤。
它得稳定主要靠两道钢⽀撑使钢板桩保持垂直、稳定,并确保两侧⼟体不向基坑内发⽣位移,钢板桩应插⼊⼟体⼀定深度,防⽌⼟体滑动与基坑向上隆起。
⽀撑式钢板桩⽀挡结构简单且便于施⼯,整个⽀挡系统均在基坑开挖过程中完成,作业(包括⽀撑与挖⼟)⼗分安全,施⼯质量容易保证,且较经济。
3 钢板桩设计其钢板桩与内钢⽀撑布置⽰意图如下:EL、105、700EL、104、850钢板桩钢⽀撑⽴体布置图安全围栏EL、103、250EL、100、25012m钢板桩⼯字钢400×400围檩φ377×10钢管⽀撑φ630×12钢管⽀撑45004500本⼯程钢板桩采⽤Ⅳ型拉森钢板桩,长度为12m,宽度400mm。
(即每2、5块1m)。
钢板桩⽔平围檩采⽤40号⼯字钢,内⽀撑采⽤Φ630×12得直撑钢管与Φ377×10得斜撑钢管。
为此,共需12⽶长得钢板桩数量:N =(A+B)×2÷0、4 =(17、5+14、35)×2÷0、4 = 160根。
深基坑拉森钢板桩计算计算依据为《建筑施工计算手册》。
挡土钢板桩根据基坑挖土深度、土质情况、地质条件和邻近建筑管线情况,选用多锚(支撑)板桩形式,对坑壁支护,以便基坑开挖。
根据现场实际情况,基坑深度1。
29~4.5米,现按开挖深度5。
0米计算,宽2。
5米, 钢板桩施工深度按9m 计算,单层支撑,撑杆每隔3m一道。
从剖面可知,沟槽施工关系到素填层、 粉质粘土及淤泥质中砂层。
求得其加权平均值为:坑内、外土的天然容重加全平均值1γ,2γ均为:20KN /m3;内摩擦角加全平均值Φ:20°;粘聚力加全平均值c=10。
多支撑式板桩计算,钢板桩选用拉森Ⅲ型钢板桩,每延长米截面矩W =1600cm 3/m,[f]=200Mpa .支撑图附在后页。
一、内力计算(1)作用于板桩上的土压力强度及压力分布见下图土压力分布图20KN/m 3248.8KN/m2222tan (45/2)tan (4520.0/2)0.49tan (45/2)tan (4520.0/2) 2.04a pi K K =-Φ=-==+Φ=+=。
板桩外侧均布荷载换算填土高度h0,h 0=q /r =20。
0/20=1.0m 。
(2)计算反弯点位置。
假定钢板桩上土压力为零的点为反弯点,设其位于开挖面以下y 处,则有:122()2pi pi a a k y C k K H y C K γγ+=+- 整理得:2121222pi a a pi a pi aC k C K k H y K k K k γγγγγ+=--- 式中, 1γ,2γ——坑内外土层的容重加权平均值;H —-基坑开挖深度;Ka ——主动土压力系数;Kpi ——放大后的被动土压力系数。
2a 1pi 2a 200.49(1.0 5.0)210 1.4282100.720.0 2.0420.00.4920.0 2.0420.00.490.53mK H y K K γγγ⨯⨯+⨯⨯+⨯⨯==--⨯-⨯⨯-⨯=(3)按简支梁计算等值梁的最大弯矩和支点反力,其受力简图如下图所示。
拉森钢板桩受力验算因本工程施工区地质情况复杂,且无明显变化界限.为确保施工安全,选取有代表性的地质断面分别计算荷载,取最不利荷载对拉森扣板桩支护进行验算,作为最终支护标准.根据工程地质勘察报告及现场实际开挖获取的地质资料提取验算参数。
1、基坑参数基坑顶标高为—2.30,底标高为—6。
8,开挖深度为4。
5m.拉伸钢板桩采用Ⅳ型12m长密扣拉森钢板桩。
围檩采用H350*350型钢。
2、拉森钢板桩参数钢板桩型号每延米截面积cm2每延米惯矩Ix(cm4)每延米抵抗矩Wx(cm3)容许弯曲应力[σw](MPa)容许剪应力[τ](MPa)备注SKS PⅣ242.5 38600 2270 210 1203、拉森钢板桩最大悬臂长度的计算:3.1、开挖深度h=3m以上进行拉森钢板桩支护,根据地质报告取值得:r=(18。
4×1.9+20.3×1。
1)/3=19。
09 KN/m3φ=(23×1.9+6。
2×1.1)/3=16.84Ka=tga2(45°-φ/2)=0。
551q=r×h×Ka=31.556KN/m3.2拉森钢板桩最大悬臂长度计算3。
2.2、SKSPⅣ型拉森钢板桩(只用于开挖深度4~6.5m的基坑)M max≦Wx×[σw]1/6*h*h*19.09*h*0。
551*10000≦1340*210故h≦2.52m因SKSPⅣ型拉森钢板桩用于开挖深度为4~6.5m的基坑,大于其最大悬臂长度,故需加围檩。
4、拉森钢板桩入土深度4。
1、土的参数计算根据设计要求,基坑开挖深度在4~6。
5m采用12m SKSPⅣ型拉森钢板桩。
12m SKSPⅣ型拉森钢板桩(取土层最大影响深度12m):r=(18.4×1。
9+20.3×1.6+15.9×5.5+20.1×2.4+19。
3×0。
6)/12=17.89 KN/m3φ=(23×1。