抗滑桩钢筋技术交底
- 格式:doc
- 大小:84.00 KB
- 文档页数:4
抗滑桩技术交底1.施工方法及工艺1.1总体方案根据桩基地质情况,采用人工分段挖土,分段护壁的方法施工,以保证操作安全施工,即人工在井内挖土,电动水泵抽水,葫芦配卷扬机提升井内土石,井壁进行混凝土护壁。
施工中,遇到极硬岩石,要进行爆破后掘进成孔。
钢筋采取在加工场单根加工弯制好后,在桩内安装成型,主钢筋直径≥22mm采用滚轧直螺纹套筒连接。
直升导管法灌注混凝——混凝土供应在拌合站采用JS900搅拌机集中拌合,输送车输送,固定式输送泵输送到位。
1.2施工工艺施工工序:平整场地放线定桩位及高程开挖第一节桩孔土石方支护壁模板放附加钢筋浇筑第一节护壁及锁口混凝土在护壁上二次投测标高及桩位十字轴线架设垂直运输架、安装电动葫芦(卷扬机)、吊桶、照明、活动盖板、水泵、通风机等设施开挖吊运第二节桩孔土石方并校核桩孔位置、垂直度、净宽先拆第一节支第二节护壁模板(放附加钢筋)浇第二节护壁混凝土重复第二节挖土石方、支模、浇注混凝土护壁工序,循环作业直至设计深度终孔检查验收安装钢筋放混凝土导管浇筑桩身混凝土(随浇随振)桩身检查工艺流程图1.3施工技术要点和措施(1)施工准备: 首先熟悉施工图纸,各项临时设施,如照明、动力、通风、安全设施要准备就绪。
施工时,先清除设计桩位范围内场地的杂物、障碍物,平整施工场地和施工便道。
开挖前对施工人员进行全面的安全技术交底;操作前对吊具进行安全可靠的检查和试验,确保施工安全。
(2)场地平整:根据施工图设计,结合现有原地面标高,用挖掘机将场地适当开挖平整,地面宽度以满足孔口作业需要为前提,为防止雨水冲刷,以求作业场地稳定,保证孔口锁口质量,从而最大限度地满足孔内安全施工。
(3)测量放线:依据设计图纸计算各桩位的坐标,并确定每个桩孔与相邻控制点的位置关系。
经复核无误后在场区内实地放出,同时以桩中心为交点,在纵向和横向方向埋设好护桩,桩位经监理工程师复核并签字同意后方可进行下步施工。
(4)开挖第一节桩孔土方: 桩位测量放样后,跳槽开挖第一节,开挖桩孔要从上到下逐层进行,先挖中间部分的土方,然后扩及周边,按设计桩直径及护壁厚度控制开挖桩孔的截面尺寸。
抗滑桩施工技术交底一、工程概述本次抗滑桩施工位于_____地段,旨在增强边坡的稳定性,防止滑坡等地质灾害的发生。
该抗滑桩工程规模较大,施工环境较为复杂,需要严格按照设计要求和施工规范进行操作。
二、施工准备1、技术准备熟悉施工图纸和设计文件,明确抗滑桩的位置、尺寸、数量、桩间距等设计参数。
进行现场勘察,了解施工场地的地形、地貌、地质条件等情况。
编制施工方案和技术交底,向施工人员详细讲解施工工艺、质量标准、安全注意事项等。
2、材料准备准备好钢筋、水泥、砂、石子等原材料,并确保其质量符合设计要求和相关标准。
对原材料进行检验和试验,合格后方可使用。
3、设备准备配备钻孔机、搅拌机、起重机、电焊机等施工设备,并确保其性能良好,运转正常。
对施工设备进行调试和维护,保证施工过程中的正常使用。
4、现场准备平整施工场地,修筑施工便道,确保施工车辆和设备的通行。
按照设计要求,测设抗滑桩的位置,并设置控制桩和水准点。
做好施工现场的排水工作,防止积水影响施工。
三、施工工艺流程1、桩孔开挖采用人工挖孔或机械钻孔的方式进行桩孔开挖。
人工挖孔时,应按照从上到下的顺序分层进行,每层开挖深度不宜超过 10m;机械钻孔时,应根据地质条件选择合适的钻进参数和钻头。
在开挖过程中,要及时支护孔壁,防止坍塌。
支护方式可采用混凝土护壁、钢护壁等。
挖至设计深度后,应进行孔底清理,确保孔底平整、无杂物。
2、钢筋笼制作与安装根据设计要求,制作钢筋笼。
钢筋笼的主筋、箍筋间距应符合设计要求,焊接质量应符合规范要求。
采用起重机将钢筋笼吊起,缓慢放入桩孔内,并确保其位置准确、垂直。
3、混凝土浇筑浇筑混凝土前,应先检查钢筋笼的位置和保护层厚度,符合要求后方可浇筑。
混凝土采用商品混凝土或现场搅拌混凝土,浇筑时应采用串筒或溜槽,防止混凝土离析。
混凝土应分层浇筑、分层振捣,每层浇筑厚度不宜超过 30cm,振捣要密实,不得出现漏振、过振现象。
浇筑至桩顶时,应高出设计标高 50cm 左右,以保证桩顶混凝土的质量。
一、交底对象1. 施工单位全体参与抗滑桩钢筋笼制作与安装的施工人员。
2. 项目部管理人员及现场监理人员。
二、交底时间[填写具体日期]三、交底内容一、安全文明施工1. 施工现场应保持整洁,材料堆放整齐,不得占用消防通道。
2. 施工人员必须佩戴安全帽、安全带等个人防护用品,进入施工现场必须遵守安全生产六大纪律。
3. 作业人员必须身体健康,取得有效钢筋操作证后,方可独立操作。
二、钢筋材料准备1. 钢筋材料必须符合设计要求和国家标准,质量检验合格后方可使用。
2. 钢筋应按规格、品种分别码放整齐,并设置标牌。
3. 钢筋加工前,应核对桩基钢筋布置图,掌握钢筋的型号、形状、尺寸及数量。
三、钢筋加工与绑扎1. 钢筋加工应采用专用设备,确保加工精度和质量。
2. 钢筋绑扎时,应按照设计要求进行,确保钢筋笼的形状和尺寸符合要求。
3. 钢筋笼的焊接质量必须符合规范要求,焊接前应检查焊接设备和焊接材料。
四、钢筋笼制作与安装1. 钢筋笼制作场地应平整,钢筋加工机械按工序传递安装牢固,工作台要稳固。
2. 钢筋笼制作过程中,应确保钢筋笼在同一断面上直螺纹套筒接头数量小于等于整个断面钢筋总数的50%。
3. 钢筋笼安装前,应检查钢筋根数、规格、长度及焊接质量。
4. 钢筋笼吊装时,下方禁止站人,必须待骨架降到距离模板1m以下才准靠近,就位支撑好方可摘钩。
5. 吊装钢筋时,规格必须统一,不准长短参差不一,细长钢筋不准一点吊。
五、安全注意事项1. 进入施工现场必须遵守安全生产六大纪律,严禁违章操作。
2. 钢筋断料、配料、弯料等工作应在地面进行,不准在高空操作。
3. 搬运钢筋要注意附近有无障碍物、架空电线和其他临时电气设备,防止钢筋在回转时碰撞电线或发生触电事故。
4. 现场绑扎悬空大梁钢筋时,不得站在模板上操作,必须在脚手板上操作;绑扎3m以上独立柱头钢筋时,必须搭设操作平台。
5. 高空作业时,不得将钢筋集中堆在模板和脚手板上,也不要把工具、钢箍、短钢筋随意放在脚手板上,以免滑下伤人。
一、交底目的为确保抗滑桩钢筋笼制作、运输、安装过程中的安全,特制定本安全技术交底,使所有参与作业人员充分了解并遵守各项安全规定。
二、适用范围本交底适用于抗滑桩钢筋笼的整个制作、运输、安装过程。
三、作业人员要求1. 作业人员必须身体健康,无高血压、心脏病等疾病。
2. 作业人员必须经过专业培训,取得相关操作证书。
3. 学徒工必须由师傅现场指导,严禁独立操作。
四、安全注意事项1. 钢筋加工- 钢筋加工前,必须核对设计图纸,明确钢筋型号、形状、尺寸及数量。
- 钢筋调直时,应使用钢筋调直机,严禁人工强力拉伸。
- 钢筋切断、弯曲、焊接等操作应在指定区域进行,确保安全距离。
- 钢筋焊接时,注意通风,防止一氧化碳中毒。
2. 钢筋笼制作- 钢筋笼制作前,必须检查所有钢筋及连接件,确保符合设计要求。
- 钢筋笼制作过程中,应确保各部分连接牢固,防止钢筋脱落。
- 钢筋笼制作场地应平整,机械设备安装牢固,工作台稳固。
- 钢筋笼制作过程中,注意高空作业安全,防止坠落。
3. 钢筋笼运输- 钢筋笼运输过程中,必须使用专用运输车辆,确保运输安全。
- 运输车辆应配备安全防护设施,如安全带、护栏等。
- 钢筋笼在运输过程中,严禁碰撞、挤压,防止钢筋变形。
4. 钢筋笼安装- 钢筋笼安装前,必须检查基础处理情况,确保基础牢固。
- 钢筋笼安装过程中,注意高空作业安全,防止坠落。
- 钢筋笼安装后,必须检查各部位连接是否牢固,防止松动。
五、应急措施1. 如发生钢筋脱落、断裂等事故,立即停止作业,撤离现场。
2. 如发生火灾、触电等事故,立即切断电源,报警并采取灭火措施。
3. 如发生人员受伤,立即进行现场急救,并及时送往医院治疗。
六、总结抗滑桩钢筋笼制作、运输、安装过程中,安全至关重要。
所有参与作业人员必须严格遵守本安全技术交底,确保施工安全。
抗滑桩施工技术交底全解抗滑桩施工技术交底全解第一章:引言- 概述:介绍抗滑桩施工的背景和目的。
- 目标:阐明本的目标和范围。
第二章:工程背景- 工程概况:说明施工的具体工程背景。
- 设计要求:相关设计要求和技术指标。
第三章:施工准备- 材料准备:详细描述所需材料的规格和数量。
- 设备准备:说明施工所需的机械设备和工具。
- 施工计划:安排施工的时间表和步骤。
第四章:施工过程- 桩基处理:介绍桩基的处理方法和步骤。
- 钢筋连接:说明钢筋连接的具体方法。
- 环境保护:强调施工过程中的环境保护措施。
- 质量控制:介绍施工过程中的质量控制方法和要求。
- 安全措施:说明施工过程中的安全措施和防护要求。
第五章:施工验收- 检测方法:抗滑桩施工验收的检测方法。
- 施工记录:记录施工过程的各项数据和记录。
- 报告编制:说明验收报告的编写格式和内容。
第六章:附件- 罗列本所涉及的附件,如施工图纸、设计文件等。
第七章:法律名词及注释- 罗列本所涉及的法律名词和相关注释。
---抗滑桩施工技术交底全解第一章:背景与目的- 背景:简要介绍抗滑桩施工的背景与应用领域。
- 目的:明确本的编写目的和意义。
第二章:工程概述- 工程概况:详细描述抗滑桩施工的工程概况。
- 技术要求:工程中的技术要求和指标。
第三章:施工准备- 材料准备:介绍抗滑桩施工所需的材料及规格。
- 设备准备:说明施工中所需的机械设备和工具。
- 现场准备:描述施工前的现场准备工作。
第四章:施工过程- 施工方案:详细描述抗滑桩施工的具体步骤和方法。
- 桩基处理:介绍施工中对桩基的处理方法。
- 钢筋连接:说明钢筋连接的具体步骤和要求。
- 环境保护:强调施工过程中的环境保护要求。
- 质量控制:介绍施工中的质量控制方法和措施。
- 安全措施:说明施工过程中的安全措施和注意事项。
第五章:施工验收- 验收标准:详细抗滑桩施工的验收标准。
- 验收程序:描述施工验收的具体程序和步骤。
抗滑桩技术交底施工单位名称重庆一建建设集团有限公司工程名称秦巴现代高科中医药产业园施工部位边坡抗滑桩、冠梁、挡土板施工内容钢筋加工与安装技术交底内容交底内容:一、设计情况本工程抗滑桩共71根,A型抗滑桩16根,桩长14.6~18.7m,截面为1.2m×1.5m,B型抗滑桩44根,桩长18~20.1m,截面为1.0m×1.3m,C型抗滑桩11根,桩长9.2~11.1m,截面为1.0m×1.3m。
本工程桩顶设置高1m,宽同桩截面宽的冠梁,主筋为HPB400Φ20,箍筋为HPB300Φ10@200。
桩间挡板位于抗滑桩靠基坑侧,板厚300mm,板采用双层布筋,横向受力钢筋为HPB400φ12螺纹钢筋,间距为150mm,纵向构造筋为HRB400φ10螺纹钢筋,间距为200mm,挡土板采用C30砼现场浇筑,板与桩的连接采用植筋连接,挡土板植筋长度为500mm。
二、施工方法1、抗滑桩桩身的主筋分为三种,临土面、临空面均采用HPB400Φ25钢筋,N1,N2钢筋应根据实际情况结合图纸进行下料,纵向另两侧采用,N3为HPB400Φ16钢筋;箍筋采用HPB400Φ12钢筋间距15cm。
2、钢筋直径≥Ф25时采用直螺纹连接。
3、钢筋接头应按规范要求错开布置。
同一截面上接头数量不超过钢筋总量的50%,接头错位距离>35d,且不小于50cm。
4、桩身钢筋外表面到设计桩径混凝土表面的保护层厚度均为5cm。
技术交底内容技术交底5、受力主筋内每隔2m设置HPB400的Φ16加筋箍。
6、施工中如发生钢筋空间位置冲突,可适当调整其布置,但应确保钢筋的根数和净保护层厚度。
7、冠梁和挡土板采用逆作法施工,在土石方开挖至冠梁底标高低10CM 处,浇筑10cm厚的垫层,然后绑扎钢筋,只设模板浇筑混凝土,再继续向下分段分层开挖土石方,开挖深度不超过2m,再施工挡墙板后反滤层,绑扎挡土墙钢筋,安装泄水孔,只设挡土板模板,浇筑挡土板混凝土,如此循环施工至到挡土板施工完毕。
技术交底书
编码:年月日
工程名称盖家阴山滑坡整治工程
施工部位抗滑桩施工里程 DK127+440—DK127+635
工序名称抗滑桩钢筋加工设计图号
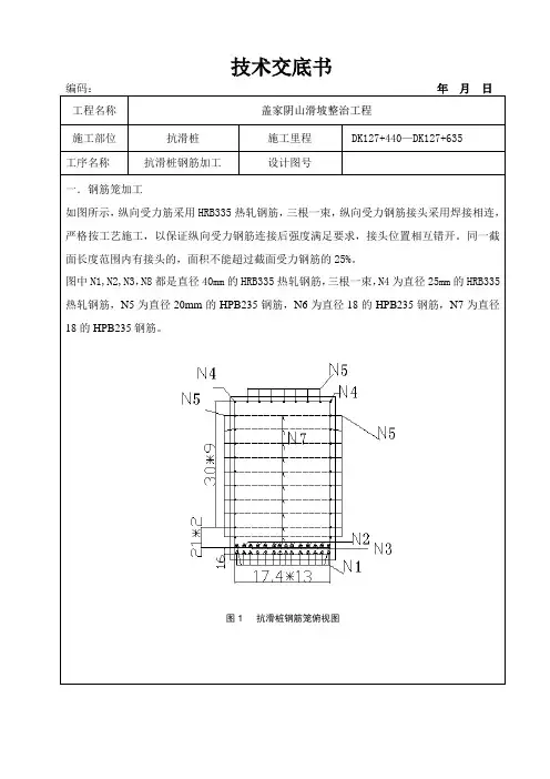
一.钢筋笼加工
如图所示,纵向受力筋采用HRB335热轧钢筋,三根一束,纵向受力钢筋接头采用焊接相连,严格按工艺施工,以保证纵向受力钢筋连接后强度满足要求,接头位置相互错开。
同一截面长度范围内有接头的,面积不能超过截面受力钢筋的25%。
图中N1,N2,N3,N8都是直径40mm的HRB335热轧钢筋,三根一束,N4为直径25mm的HRB335 热轧钢筋,N5为直径20mm的HPB235钢筋,N6为直径18的HPB235钢筋,N7为直径18的HPB235钢筋。
图1 抗滑桩钢筋笼俯视图
图2 钢筋笼加工背面图
钢筋笼底80cm至钢筋笼底680cm处,箍筋间距10cm,钢筋笼底680cm处至710cm处箍筋间距30cm(一道箍筋),其余均40cm。
图3钢筋大样图
本图为钢筋大样图,以1#-4#抗滑桩为例,其余抗滑桩钢筋长度以具体桩长长度而定。
交底人:复核人:接收人:
注:本交底书由交底人填写,一式多份,交底人保留1份,接收人各一份。
抗滑桩技术交底施工单位名称重庆一建建设集团有限公司工程名称秦巴现代高科中医药产业园施工部位边坡抗滑桩、冠梁、挡土板施工内容钢筋加工与安装技术交底内容交底内容:一、设计情况本工程抗滑桩共71根,A型抗滑桩16根,桩长14.6~18.7m,截面为1.2m×1.5m,B型抗滑桩44根,桩长18~20.1m,截面为1.0m×1.3m,C型抗滑桩11根,桩长9.2~11.1m,截面为1.0m×1.3m。
本工程桩顶设置高1m,宽同桩截面宽的冠梁,主筋为HPB400Φ20,箍筋为HPB300Φ10@200。
桩间挡板位于抗滑桩靠基坑侧,板厚300mm,板采用双层布筋,横向受力钢筋为HPB400φ12螺纹钢筋,间距为150mm,纵向构造筋为HRB400φ10螺纹钢筋,间距为200mm,挡土板采用C30砼现场浇筑,板与桩的连接采用植筋连接,挡土板植筋长度为500mm。
二、施工方法1、抗滑桩桩身的主筋分为三种,临土面、临空面均采用HPB400Φ25钢筋,N1,N2钢筋应根据实际情况结合图纸进行下料,纵向另两侧采用,N3为HPB400Φ16钢筋;箍筋采用HPB400Φ12钢筋间距15cm。
2、钢筋直径≥Ф25时采用直螺纹连接。
3、钢筋接头应按规范要求错开布置。
同一截面上接头数量不超过钢筋总量的50%,接头错位距离>35d,且不小于50cm。
4、桩身钢筋外表面到设计桩径混凝土表面的保护层厚度均为5cm。
5、受力主筋内每隔2m设置HPB400的Φ16加筋箍。
6、施工中如发生钢筋空间位置冲突,可适当调整其布置,但应确保钢筋的根数和净保护层厚度。
7、冠梁和挡土板采用逆作法施工,在土石方开挖至冠梁底标高低10CM 处,浇筑10cm厚的垫层,然后绑扎钢筋,只设模板浇筑混凝土,再继续向下分段分层开挖土石方,开挖深度不超过2m,再施工挡墙板后反滤层,绑扎挡土墙钢筋,安装泄水孔,只设挡土板模板,浇筑挡土板混凝土,如此循环施工至到挡土板施工完毕。
抗滑桩施工安全技术交底一、前言抗滑桩是指用钢筋混凝土桩作为地基承载的一种工程技术,抗滑桩施工是在复杂地质条件下进行的,其安全风险性较高。
因此,在施工前一定要对施工人员进行必要的安全技术交底,以保障施工人员的生命财产安全。
二、抗滑桩施工安全技术交底2.1 施工前准备工作在施工前,需对施工现场进行勘测,选择适宜的施工方案。
同时,要做好场地清理工作,清除施工现场的杂物等障碍物,确保施工现场的平整。
另外,还要对施工现场进行安全检查,并制定详细的安全操作规程。
2.2 施工人员安全事项2.2.1 技术培训和操作规程在抗滑桩施工前,对施工人员必须进行必要的培训和操作规程的制定。
确保施工人员能够对危险因素做出正确的判断,并掌握正确的工作方法和技术规范。
2.2.2 保护装备施工人员在施工现场必须配戴和使用相应的保护装备。
如安全帽、手套、防滑鞋、口罩等,必须做好防护措施,防止工作过程中的人员伤害。
2.2.3 具体安全规范在施工现场,必须做到以下具体安全规范:•禁止在施工现场乱丢杂物、乱扔烟蒂等行为。
•禁止在施工现场喧哗、吸烟等影响工作效率和施工安全的行为。
•配合工地现场负责人进行安全检查和整改工作,避免安全事故的发生。
2.3 施工机械设备安全事项在抗滑桩施工中,机械设备是必不可少的。
对于这些机械设备的安全使用须重视,做好必要的检查和维护工作。
2.3.1 设备操作规程对于使用机械设备的施工人员,必须精通相应设备的操作规程和技术规范。
在操作这些设备之前,必须仔细阅读设备说明书,掌握相关使用方法和注意事项。
2.3.2 安全维护机械设备的维护是确保设备安全性能的必要条件。
对机械设备的维护,必须按照生产厂家的要求进行。
特别是对于摩托钻、钢筋绞车等关键性机械设备,需要进行更加细致的维护工作。
2.4 施工过程安全事项2.4.1 立杆立杆的重量较大,如果不慎倒塌,就会造成严重伤害,甚至导致人员死亡。
因此,立杆时必须在地基上打好钢模板,支撑力度越大越好。
抗滑桩施工技术交底一、抗滑桩施工抗滑桩的施工时,为了防止山体滑塌,减少施工中相互干扰,采取跳孔挖孔、间隔施工的方法;分节支护,开挖一米,支护一米。
主要施工程序如下:(1)施工准备:审核图纸,现场调查工程地质情况,备齐各种机具材料;做好桩区地表截、排水工作;孔口塔设雨蓬。
(2)测量放线测量放样,定出桩位(3)锁扣浇筑按照设计图纸加工好锁扣钢筋,搭设锁扣模板,浇筑混凝土并振捣。
(4)挖孔对于松散、软弱、风化岩层采用人工配合开挖。
对于坚硬岩层采取孔内爆破的方法,为使护壁支撑不受爆破而损坏,爆破采用浅眼小炮爆破。
爆破时,严格控制装药量,同时准备好施工人员和重要设备迅速撤离爆破现场。
孔内如果有渗水,用水泵将孔内积水排出,孔内排出的水流应该远离桩位。
(5)出碴运输:人工将孔内弃碴装入料斗,将料斗用0.5t卷所机提升至井口,倒至边坡外侧。
(6)护壁砼浇筑:按照设计图纸加工好护壁钢筋,搭设护壁模板,同时必须保证抗滑桩的净空(不小于2m * 3m),断面尺寸不小于设计断面,并不超过50mm;每一进尺必须检查护壁的垂直度,不得超过总开挖高度的0.5%;用拌合机拌合混凝土后,搭设缩槽将混凝土运送至孔边,然后浇筑混凝土并振捣。
(7)验孔开挖至设计孔底后,报技术员和监理验孔。
(8)桩体钢筋加工每种编号的钢筋在加工场集中制作,然后在孔内就地安装,钢筋焊接长度必须符合规范要求,要求采用双面搭接焊接,搭接长度不小于5D(D为钢筋的直径)。
按照甲方的要求安设声测管,为桩检做好施工准备。
(9)桩体砼的浇筑桩体混凝土必须搭设导管或缩槽浇筑混凝土,并用振动器充分振捣;浇筑高度为设计桩长减去1.5米,桩头上部的1.5米高混凝土同横系梁一起浇筑。
在浇筑上部1.5米高桩体时,需要按设计图纸预埋外径为190mmPVC管,为锚索穿锚预留孔洞。
二、地下横系梁施工相邻两根抗滑桩施工完毕后,即可开挖横系梁部份的土方,同时需要将抗滑桩上部1.5米高,1.8米宽的护壁拆除,按照设计图纸及规范要求加工钢筋,横系梁与桩头上部1.5米高的部份一起浇筑,混凝土振捣要密实;每段横系梁的最中间按照设计图纸预埋外径为190mmPVC管,为锚索穿锚预留孔洞。
抗滑桩施工技术交底桩基是土木工程中常用的基础结构,用于增加基础的承载能力和稳定性。
而在一些特殊地质条件下,如软土、淤泥等,往往需要采用抗滑桩来提供较强的抗滑稳定能力。
本文将对抗滑桩施工技术进行详细交底,确保施工人员能够正确、安全地进行工作。
一、施工前准备在进行抗滑桩施工之前,必须进行充分的施工前准备工作,以确保施工的顺利进行。
具体包括以下几个方面:1. 深入了解工程地质条件,包括土层性质、地下水位等情况,以便选取合适的桩型和施工方式。
2. 编制详细的施工方案和安全计划,明确施工步骤和各项工作要求。
3. 对施工现场进行勘测和测量,确定桩位和桩基设计参数。
4. 采购所需的施工设备和材料,确保施工进度和质量。
二、抗滑桩施工步骤抗滑桩施工主要包括桩位布置、基坑开挖、钢筋骨架制作、混凝土浇筑、桩顶部处理等步骤。
下面将详细介绍每个步骤的施工要点。
1. 桩位布置根据设计要求,在地面上进行桩位的标定和布置。
需要注意的是桩位要准确无误,桩的水平度和垂直度也要满足要求。
2. 基坑开挖根据设计要求和施工方案,在桩位周围开挖基坑,并按照设计要求进行基坑支护。
确保基坑的稳定性和施工的安全。
3. 钢筋骨架制作根据设计要求和施工图纸,对抗滑桩的钢筋骨架进行制作。
制作过程中要确保钢筋的型号、数量和间距符合设计要求,并采取防锈措施。
4. 混凝土浇筑在钢筋骨架制作完成后,进行混凝土的浇筑工作。
浇筑前要检查基坑是否清洁,模板是否安装牢固。
在浇筑过程中要采取振捣措施,确保混凝土的致密性。
5. 桩顶部处理当混凝土凝结后,需要对桩顶部进行处理。
处理方式包括切削、修整和加固等,以达到设计要求和施工标准。
三、质量控制措施为确保抗滑桩施工的质量和安全,必须采取一系列质量控制措施。
以下是一些常用的措施:1. 对施工设备进行检查和维护,确保其正常运转和安全性。
2. 对施工材料进行检验和验收,严格按照规定的质量标准进行选择和使用。
3. 进行现场巡查和检测,及时发现和处理施工中的问题和质量缺陷。
抗滑桩技术技术交底内容:抗滑桩施工技术交底一、抗滑桩挖孔施工(一)开挖孔前,桩位应定位放样准确,在桩外设置定位龙门桩,安装护壁模板必须用桩心点校正模板位置。
(二)首先进行探坑施工,若桩底未达到实际滑动面,并根据实际情况申请加长桩长,保证抗滑效果。
(三)井圈中心线与设计轴线的偏差不得大于20mm,井圈顶面应比场地高出150mm~200mm,同一水平面上的井圈任意直径的级差不得大于50mm。
(四)每节护壁均应在当日连续施工完毕,护壁混凝土必须保证密实,根据土层渗水情况使用速凝剂,护壁模板的拆除宜在24h 后进行,桩身钢筋的接头按钢筋按图中说明进行。
(五)遇有局部或厚度不大于1.5m的流动性淤泥和可能出现涌土涌砂时,每节护壁的高度可减小到300~500mm,并随挖、随验、随时浇筑混凝土。
(六)应采取有效的排水措施,挖至设计标高时,孔底不应积水,终孔后应清理好护壁上的淤泥和孔底残渣、积水,然后进行隐蔽工程的验收。
验收合格后,应立即封底和浇注桩身混凝土。
(七)浇注桩身混凝土时,应用串筒,串筒末端离孔底高度不宜大于2m,混凝土宜采用插入式振捣器振实。
(八)当渗水量过大(影响混凝土浇注质量时),应采取有效的措施保证混凝土的浇注质量。
(九)安全措施a、孔内必须设置应急软梯,供人员上下井。
使用的电葫芦、吊笼等应安全可靠并配有自动卡保险装置,不得使用麻绳和尼龙绳吊挂或脚踏井壁凸缘上下。
电葫芦宜用按钮式开关,使用前必须检验其安全起吊能力。
b、每日开工前必须检测井下的有毒气体,并应有足够的安全防护措施。
c、孔口四周必须设置护栏,一般加0.8m高围栏围护。
d、挖出的土石方应及时运离孔口,不得堆放在孔口四周1m范围内,机动车辆的通行不得对井壁的安全造成影响。
(十)检测a. 钢筋、水泥及混凝土的检测要求见相关规范。
b.桩基采用低应变检测。
(十一)注意事项1)滑坡地段施工宜在旱季施工,应及时采取防止滑坡继续恶化的措施。
2)对于滑坡的观测应进行到完工后一个雨季;观测资料附入竣工文件。
施工技术交底记录编号:工程名称路基工程分项工程名称抗滑桩技术交底内容:一、抗滑桩设计及施工方法1.设计情况2.施工方法:二、施工工艺1.测量放样及施工准备2.挖孔护壁3.钢筋制作与安放4.桩身混凝土灌注5.石方爆破6.爆破警戒及瞎炮处理7.爆破材料领用三、原材料堆放及质量标准四、质量保证措施五、挖孔桩施工安全施工注意事项记录:时间:项目总工/日期参加人员详见会议签到表抗滑桩施工技术交底一、抗滑桩设计及施工方法1.设计情况抗滑桩是本工程滑坡段治理的工程内容之一,本合同段共设计抗滑桩124根。
其中截面为1.6m×2m的抗滑桩26根,桩长16至18米;截面为2m×3m的抗滑桩36根,桩长30至32米;截面为2.6m×3.6m的抗滑桩62根桩长32至35米。
抗滑桩上部地质情况为粉质粘土,下部为强风化砂岩和中风化砂岩。
2.施工方法:采用挖孔桩施工工艺,间1挖1,相邻两孔不得同时开挖,要间隔交错跳挖。
每段滑坡治理段桩孔如不能达到全部开挖,则必须从两端向中间逐渐开孔,不得先施工中间的抗滑桩,后施工两端的抗滑桩。
施工时每开挖挖一节必须及时浇筑一节护壁混凝土。
开挖时,孔内普通土、硬采用土人工用锹、镐挖掘;软石、次坚石采预裂控制爆破掘进,卷扬机配合吊斗出碴。
锁口和护壁均采用C25钢筋混凝土,钢筋在钢筋加工场地制作完成,人工孔内绑扎成型。
护壁混凝土和桩身混凝土均采用搅拌机集中拌制,混凝土罐车运输至施工现场,护壁混凝土通过卷扬机配合吊斗输送到位,插入式振动器捣固;桩身混凝土采用导管法逐层连续浇筑,插入式振动器捣固。
桩孔内采用汇水坑集水,高扬程水泵抽水。
二、施工工艺1.测量放样及施工准备施工前平整场地,采用GPS进行桩位放样,确定桩孔准确位置,施测桩孔十字骑马护桩,开挖锁口,灌注钢筋混凝土锁口(井圈高出地面不小于30cm)。
安装提升设备,布置好出土道路,沿边坡底纵向做好场地内的临时排水,准备通风设设备。