电力系统及自动化综合实验报告
- 格式:docx
- 大小:172.94 KB
- 文档页数:11
《电力系统自动化综合实训》Practice of Power System Automation课程代码:21206010 课程性质:实验实习实训(必修)适用专业:电管、电气开课学期:17总学时数:两周总学分数:2.0一、实习的性质和目的本课程是电管和电气工程及其自动化专业必修课程之一,是理论与应用相结合,重在实际动手操作和案例分析的课程。
二、实习内容及学时分配(一)同步发电机准同期并列实验1、手动准同期2、半自动准同期3、全自动准同期4、准同期条件整定(二)电力系统功率特性和功率极限实验1、无调节励磁时功率特性和功率极限的测定2、手动调节励磁时,功率特性和功率极限的测定3、自动调节励磁时,功率特性和功率极限的测定(三)电力系统暂态稳定实验1、短路对电力系统暂态稳定的影响2、提高暂态稳定的措施实验3、异步运行和再同步的研究具体分配参见下表:附件:电力系统实验操作规程本实验的目的在于培养学生掌握系统的实验方法与操作技能,培养学生学会根据实验目的、实验内容及实验设备,拟定实验线路,选择所需仪器,确定实验步骤,测取所需数据,进行电路工作状态分析研究,得出必要结论,完成实验。
一.实验前先熟悉所用的组件,记录继电器铭牌数据和选择合适的仪表量程,然后依次排列组件和仪表,便于测取数据。
二.根据实验线路图及所选组件、仪表按图接线。
接线原则应先接串联主回路,再接并联支路。
实验线路图中的直流、交流和控制回路,应分别用不同颜色的导线连接。
三.实验中如果需要改接线路,必须先按下“停止”按钮以切断交流电源,保证实验操作的安全。
四.开启电源前,“单相自耦调压器”电源开关必须在“关”的位置,调压器必须调至零位。
五.如果出现异常,应立即切断电源,并排除故障后方可进行实验。
六.预习继电器及其保护装置的实验方法,对所测数据的大小作到心中有数。
正式实验时,应根据实验步骤逐次测取数据,注意其关联性。
电力系统及其自动化实验1. 了解并熟悉微电网及控制实验系统;2. 通过摹拟的牵引供电系统,了解牵引供电系统的结构和工作情况;3. 了解西南交通大学—施耐德电气联合实验室。
微网系统是一种相对于配电网规模较小的分散式独立系统,它基于以现代电力电子技术,将风电,光伏发电,储能设备组合在一起,直接供小型用户使用,它可以被视为电网中的一个可控单元,在短期内动作以满足外部输配电网络及负载的需求。
我们所参观的实验室中风电是由发动机摹拟的,其系统由8 个子系统所组成:1) 同步发机电组,容量10kW ,380V;2) 风力直驱发机电组,容量5kW ,380V;3) 双馈风力发机电组,容量10kW ,380V;4) 光伏发电系统,容量2kW,120V;5) 蓄电系统,容量2kW,20AH;6) 负载,容量15kW,功率因数-0.8~1,非线性负载;7) 并网控制器,电流50A/380V;8) 线缆监控系统,线缆长度0~5km;每套系统采用模块化设计,安装于独立测试台内,便于安装和维护。
但是其抗电磁干扰问题还有待进一步研究。
其系统结构如图1 所示。
微电网的运行方式有并网和孤岛两种模式:并网模式是指在正常情况下微电网与常规电网并网运行,当检测到电网故障或者电能质量不满足要求时,微电网将及时与电网断开而独立运行,转为孤岛模式运行。
孤岛模式是只至同步发机电建立一个稳定的电压和频率并使之运行在允许范围内,其他子系统更随该电网运行。
控制方式采用主从站控制实现其基本功能,为多代理控制技术奠定基础。
微电网还应有以下几点功能:1) 任意电源接入对系统不造成影响,确保人员电气安全;2) 自主可选择运行点,微电网控制应该做到能够基于本地信息对电网中的事件进行反映,并自动切换至独立运行方式;3) 并网或者脱网平滑;4) 有功无功独立控制;5) 具有校正电压跌落和系统不平衡能力。
图1 系统结构框图1) 通过计算机进行任务的调度及功率的分配,并且显示个子系统的运行状况,本系统采用自励方式,当拖动变频器拖动同步发电机,同步发机电定子绕组产生感应电压,经过整流提供给励磁绕组励磁。
电力系统自动化技术实习纪实报告
实习概述
本次实习是在某电力公司进行的电力系统自动化技术实习。
实习期间,我主要参与了电力系统自动化设备的安装、调试和维护工作,同时也了解了电力系统自动化技术的基本原理和应用。
实习内容
1. 设备安装:我参与了电力系统自动化设备的安装工作。
根据图纸和技术要求,我和团队成员一起进行了设备的安装,包括控制器、传感器等。
在安装过程中,我学习了设备的基本组成和安装方法,并了解了设备与电力系统的连接方式。
2. 调试工作:在设备安装完成后,我参与了设备的调试工作。
通过与其他团队成员的合作,我们对设备进行了连接和测试,确保设备能够正常运行。
我学习了设备调试的基本方法和技巧,掌握了如何调整参数和排除故障。
3. 维护工作:除了安装和调试,我还参与了设备的日常维护工作。
我学习了设备的保养方法和维修技巧,了解了设备故障排查和
维修的基本流程。
通过实际操作,我提升了自己的技能和实践能力。
实习收获
通过这次实习,我对电力系统自动化技术有了更深入的了解和
认识。
我学习了电力系统的基本原理和运行方式,了解了自动化设
备在电力系统中的作用和应用。
同时,我也提升了自己的实践能力
和团队合作能力,学会了与他人有效沟通和协作。
总结
通过这次实习,我对电力系统自动化技术有了更全面的认识,
也对自己的职业发展有了更明确的规划。
我将继续学习和提升自己
的专业知识和技能,为电力系统自动化技术的发展做出贡献。
电力系统及自动化综合实验报告姓名:学号:第三章一机中间开关站电压;DU 输电线路的电压降落3、单回路稳态非全相运行实验确定实现非全相运行的接线方式,断开一相时,与单回路稳态对称运行时相同的输送功率下比较其运行状态的变化。
具体操作方法如下:(1)首先按双回路对称运行的接线方式(不含QF5);(2)输送功率按实验1中单回路稳态对称运行的输送功率值一样;(3)微机保护定值整定:动作时间0秒,重合闸时间100秒;(4)在故障单元,选择单相故障相,整定故障时间为0²<t<100²;(5)进行单相短路故障,此时微机保护切除故障相,准备重合闸,这时迅速跳开“QF1”、“QF3”开关,即只有一回线路的两相在运行。
观察此状态下的三相电流、电压值与实验1进行比较;(6)故障100²以后,重合闸成功,系统恢复到实验1状态。
表3-2UAUBUCIAIBICPQS全相运行值2102102100000002102102100000、、1非全相运行值2102102050000002122152000000、100、121522518000、50、750、300、322023017001、221、320、500、52052152100000002122052100000、100、12251902100、350、500、300、32301752151、221、2300、500、5四、实验报告要求1、整理实验数据,说明单回路送电和双回路送电对电力系统稳定运行的影响,并对实验结果进行理论分析。
2、根据不同运行状态的线路首、末端和中间开关站的实验数据、分析、比较运行状态不同时,运行参数变化的特点和变化范围。
3、比较非全相运行实验的前、后实验数据,分析输电线路输送功率的变化。
五、思考题1、影响简单系统静态稳定性的因素是哪些?答:由静稳系数SEq=EV/X,所以影响电力系统静态稳定性的因素主要是:系统元件电抗,系统电压大小,发电机电势以及扰动的大小。
《电力系统及自动化综合实验报告》摘要:本报告主要介绍了电力系统及自动化综合实验的内容、目的、原理以及实验结果的分析。
通过对电力系统的模拟与控制实验,加深了对电力系统基本原理和自动化技术的理解,提高了实际操作能力。
一、引言电力系统及自动化是电气工程及其自动化专业的重要课程,其理论知识与实践技能对于学生未来的工程应用具有重要意义。
为了加深对电力系统及自动化理论的理解,提高实际操作能力,进行了电力系统及自动化综合实验。
本报告将详细介绍实验的内容、目的、原理及实验结果的分析。
二、实验内容及目的1.实验内容本实验主要包括以下内容:(1)电力系统模拟实验:通过模拟软件,建立电力系统的模型,分析电力系统的稳定性、暂态稳定性等性能指标。
(2)电力系统自动化控制实验:利用PLC编程技术,实现对电力系统的自动控制,包括发电机电压、频率的调节,负载的自动分配等。
2.实验目的(1)掌握电力系统的基本原理,如电路理论、电机原理等。
(2)了解电力系统的运行特性,如稳定性、暂态稳定性等。
(3)熟悉电力系统自动化控制技术,如PLC编程、传感器应用等。
(4)提高实际操作能力,培养解决实际问题的能力。
三、实验原理1.电力系统模拟实验原理电力系统模拟实验主要通过模拟软件建立电力系统的模型,分析其性能指标。
模拟软件根据电力系统的电路原理和电机原理,通过数值计算方法,模拟电力系统的运行过程,从而得出电力系统的性能数据。
2.电力系统自动化控制实验原理电力系统自动化控制实验主要利用PLC编程技术,实现对电力系统的自动控制。
PLC(Programmable Logic Controller,可编程逻辑控制器)是一种专门用于工业控制的计算机,具有逻辑运算、定时、计数等功能。
通过编写PLC程序,实现对电力系统的自动控制。
四、实验结果及分析1.电力系统模拟实验结果及分析通过模拟实验,得到了电力系统的稳定性、暂态稳定性等性能数据。
分析数据可以得出以下结论:(1)电力系统的稳定性与电力系统的结构、参数等有关,合理的电力系统结构和参数可以保证电力系统的稳定运行。
电力系统自动化及继电保护综合实验报告(DOC 108页)一、电磁型电流继电器和电压继电器实验一、实验目的熟悉DL型电流继电器和DY型电压继电器的实际结构、工作原理、基本特性:掌握动作电流值、动作电压值及其相关参数的整定方法。
二、预习与思考1、电流继电器的返回系数为什么恒小于1 ?2、动作电流(压)、返回电流(压)和返回系数的定义是什么?3、实验结果如返回系数不符合要求,你能正确地进行调整吗?4、返回系数在设计继电保护装置中有何重要用途?三、原理说明DL-20c系列电流继电器用于反映发电机、变压器及输电线路短路和过负荷的继电保护装置中。
DY-20c系列电压继电器用于反映发电机、变压器及输电线路的电压升高(过电压保护)或电压降低(低电压起动)的继电保护装置中。
D L-20c、D Y-20c系列继电器的内部接线图见图l-l。
上述继电器是瞬时动作的电磁式继电器,当电磁铁线圈中通过的电流达到或超过整定值时,衔铁克服反作用力矩而动作,且保持在动作状态。
过电流(压)继电器:当电流(压)升高至整定值(或大于整定值)时,继电器立即动作,其常开触点闭合,常闭触点断开。
低电压继电器:当电压降低至整定电压时,继电器立即动作,常开触点断开,常闭触点闭合。
继电器的铭牌刻度值是按电流继电器两线圈串联,电压继电器两线圈并联时标注的指示值等于整定值:若上述二继电器两线圈分别作并联和串联时,则整定值为指示值的2倍。
转动刻度盘上指针,以改变游丝的作用力矩,从而改变继电器动作值。
图1-3 过电压继电器实验接线图四、实验设备序号设备名称使用仪器名称数量l ZBll DL-24C/6电流继电器l2 ZBl5 DY-28C/160电压继电器 13 ZB35 交流电流表 14 ZB36 交流电压表l5 DZB0l-l 单相自耦调压器l 交流器 1 触点通断指示灯 1 单相交流电源l 可调电阻Rl 6.3 Ω/10A l6 1000伏兆欧表ll、绝缘测试单个继电器在新安装投入使用前或经过解体检修后,必须进行绝缘测试,对于额定电压为100伏及以上者,应用1000伏兆欧表测定绝缘电阻:对于额定电压为100伏以下者,则应用500伏兆欧表测定绝缘电阻。
电力系统及其自动化实践报告概述电力系统是现代社会运转的重要基础设施之一。
为了实现电力系统的高效稳定运行,自动化技术应运而生。
本报告旨在介绍电力系统及其自动化的实践应用。
1. 电力系统简介电力系统是由发电厂、输电网和配电网等组成的能源传输、转换和分配系统。
发电厂产生的电能通过输电网输送到各地,再经由配电网供应给用户。
电力系统的稳定运行对于现代社会的正常运转至关重要。
然而,传统的电力系统管理存在一些挑战,例如人工干预的局限性、故障处理的复杂性以及系统稳定性的维护。
2. 电力系统自动化的意义电力系统自动化的出现解决了传统管理方法所面临的挑战。
自动化技术的应用提高了电力系统的效率、可靠性和稳定性。
通过引入智能化设备、通信系统和监控系统,电力系统的运行可以更加精确地控制和管理,减少了人为因素的干预。
3. 电力系统自动化的关键技术电力系统自动化的实现依赖于一系列关键技术:3.1 信息通信技术(ICT):ICT的应用使得电力系统中的各个设备能够实现互联互通,实时传输数据和指令,从而实现系统各个部分之间的协同工作。
3.2 SCADA系统:监视、控制和数据采集系统(SCADA)通过传感器和执行器与电力系统的各个设备连接,实时监控系统状态,并采集和存储数据。
运营人员可以通过SCADA系统对电力系统进行远程控制和管理。
3.3 人工智能:人工智能技术的引入为电力系统中的问题预测、故障诊断和优化提供了更加精确的方法。
通过机器学习和数据分析,人工智能能够对电力系统的运行进行预测,并提供相应的调整建议。
4. 电力系统自动化的应用案例4.1 智能配电网:智能配电网通过在配电网中引入现代通信和计算技术,实现对电力的精细控制和管理。
通过智能电表和集中式监控系统,运营人员可以实时监测用户用电情况,并对电力负荷进行合理调控。
4.2 故障检测与处理:电力系统中的故障检测与处理是保障系统稳定运行的重要环节。
自动化技术的应用使得故障检测更加精确,能够实时定位并迅速处理故障,提高了系统的可靠性。
电力系统自动化实验报告(二)引言概述:本文是关于电力系统自动化实验的报告,旨在分析和总结电力系统自动化的实验结果和应用。
本报告主要总结了电力系统自动化实验的五个主要方面,包括实验目的、实验装置、实验过程、实验数据分析和实验结果。
通过对这些方面的详细分析和讨论,旨在加深对电力系统自动化实验的理解。
正文:1. 实验目的:1.1 掌握电力系统自动化的基本原理和方法。
1.2 理解电力系统自动化在实际应用中的重要性。
1.3 学习使用电力系统自动化设备和软件。
2. 实验装置:2.1 介绍所使用的特定设备和软件。
2.2 分析实验装置的功能和特点。
2.3 讨论实验装置的优缺点。
3. 实验过程:3.1 详细描述实验的步骤和流程。
3.2 解释每个步骤的目的和意义。
3.3 分析实验过程中可能出现的问题和解决方法。
4. 实验数据分析:4.1 记录实验过程中获得的数据。
4.2 对数据进行分析和解释。
4.3 比较不同实验条件下的数据结果。
5. 实验结果:5.1 总结实验所得的主要结果。
5.2 分析实验结果与预期目标的一致性。
5.3 探讨实验结果的启示和应用前景。
总结:通过对电力系统自动化实验的详细分析和讨论,本报告总结出以下几点结论:首先,掌握了电力系统自动化的基本原理和方法,这对于实际应用具有重要意义。
其次,实验装置的功能和特点对于实验结果具有重要影响,需要充分了解和评估。
第三,实验过程中可能出现的问题需要及时解决,以确保实验顺利进行。
第四,实验数据的分析和解释对于得出准确的实验结果至关重要。
最后,本实验结果与预期目标基本一致,说明电力系统自动化具备良好的应用前景。
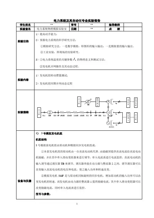
电力系统及自动化综合实验报告学院:专业:电气工程及其自动化:学号:第三章一机—无穷大系统稳态运行方式实验一、实验目的1.了解和掌握对称稳定情况下,输电系统的各种运行状态与运行参数的数值变化围;2.了解和掌握输电系统稳态不对称运行的条件;不对称度运行参数的影响;不对称运行对发电机的影响等。
二、原理与说明电力系统稳态对称和不对称运行分析,除了包含许多理论概念之外,还有一些重要的“数值概念”。
为一条不同电压等级的输电线路,在典型运行方式下,用相对值表示的电压损耗,电压降落等的数值围,是用于判断运行报表或监视控制系统测量值是否正确的参数依据。
因此,除了通过结合实际的问题,让学生掌握此类“数值概念”外,实验也是一条很好的、更为直观、易于形成深刻记忆的手段之一。
实验用一次系统接线图如图2所示。
图2 一次系统接线图本实验系统是一种物理模型。
原动机采用直流电动机来模拟,当然,它们的特性与大型原动机是不相似的。
原动机输出功率的大小,可通过给定直流电动机的电枢电压来调节。
实验系统用标准小型三相同步发电机来模拟电力系统的同步发电机,虽然其参数不能与大型发电机相似,但也可以看成是一种具有特殊参数的电力系统的发电机。
发电机的励磁系统可以用外加直流电源通过手动来调节,也可以切换到台上的微机励磁调节器来实现自动调节。
实验台的输电线路是用多个接成链型的电抗线圈来模拟,其电抗值满足相似条件。
“无穷大”母线就直接用实验室的交流电源,因为它是由实际电力系统供电的,因此,它基本上符合“无穷大”母线的条件。
为了进行测量,实验台设置了测量系统,以测量各种电量(电流、电压、功率、频率)。
为了测量发电机转子与系统的相对位置角(功率角),在发电机轴上装设了闪光测角装置。
此外,台上还设置了模拟短路故障等控制设备。
三、实验项目和方法1.单回路稳态对称运行实验在本章实验中,原动机采用手动模拟方式开机,励磁采用手动励磁方式,然后启机、建压、并网后调整发电机电压和原动机功率,使输电系统处于不同的运行状态(输送功率的大小,线路首、末端电压的差别等),观察记录线路首、末端的测量表计值及线路开关站的电压值,计算、分析、比较运行状态不同时,运行参数变化的特点及数值围,为电压损耗、电压降落、沿线电压变化、两端无功功率的方向(根据沿线电压大小比较判断)等。
测试记录:THLWL-3型微机励磁装置测试记录报告一、技术指标;无功调节精度为<THLWL-3型微机励磁装置电流调节精度为<0.5%I;电压调节精度为<0.5%UF6.0%Q二、实验数据第一章发电机组的起动与运转实验测试结论:按实验步骤可顺利完成发电机组的起励建压、并网、解列、停机等相关操作,实验现象与指导书中的描述一致,满足要求。
第二章同步发电机励磁控制实验实验2 不同α角(控制角)对应的励磁电压波形1.观测三相全控桥的电压输出及其波形⑴测试记录及数据处理观测到的波形如下:0.029A励磁电压波形0.5A励磁电压波形0.5A励磁电压波形1.5A励磁电压波形2A励磁电压波形2.5A励磁电压波形2.5A励磁电压波形2.68A励磁电压波形⑵测试结论:观测到的波形与理论波形基本一致,满足要求。
⒊控制角α的测量⑴测试记录及数据处理:观测到的典型波形如下:α=60°时Uac和Uk的对应关系α=120°时Uac和Uk的对应关系α=120°时Uac和Uk的对应关系表2-2-1序号12345电量励磁电流If(A)00.5 1.5 2.5 2.68励磁电压Ud(V)014.3238.163.468.1输入电压Uac(V)62.762.261.460.860.5由公式计算的α角120°86.6°62.73°38.49°32.78°示波器读出的α角120°84°66°42°36°计算公式:Ud=1.35UacCOSα (0≤α≤π/3)⑵测试结论:由公式计算的α角和由示波器读出的α角相差4°以内,基本相等,满足要求。
实验3 典型方式下的同步发电机起励实验测试结论:按实验步骤可顺利完成恒UG方式起励、恒Ug方式起励和恒IL方式起励等三种方式的起励建压操作,过程中出现的实验现象与实验指导书中的描述一致,满足要求。
电力系统综合实验实验报告一、实验目的电力系统综合实验旨在深入了解电力系统的运行原理、特性和控制方法,通过实际操作和数据分析,提高对电力系统的认识和解决实际问题的能力。
二、实验设备与工具本次实验使用了以下设备和工具:1、电力系统模拟实验台:包括发电机、变压器、输电线路、负载等模拟组件。
2、测量仪器:如电压表、电流表、功率表、频率表等。
3、计算机及相关软件:用于数据采集、分析和模拟计算。
三、实验原理1、电力系统的基本构成电力系统由发电、输电、变电、配电和用电等环节组成。
发电环节将其他形式的能源转化为电能,通过输电线路将电能输送到变电站,经降压后分配给用户。
2、电力系统的运行特性包括电压、电流、功率、频率等参数的变化规律,以及系统的稳定性、可靠性和经济性等方面的特性。
3、电力系统的控制方法通过调节发电机的输出功率、变压器的变比、无功补偿设备等,实现对电力系统的电压、频率和功率的控制。
四、实验内容与步骤1、电力系统潮流计算(1)根据给定的电力系统网络结构和参数,建立数学模型。
(2)使用计算机软件进行潮流计算,得出各节点的电压、电流和功率分布。
2、电力系统稳定性分析(1)在实验台上设置不同的运行工况,如短路故障、负荷突变等。
(2)观察系统的动态响应,分析系统的稳定性。
3、电力系统的电压调整(1)改变发电机的励磁电流,观察母线电压的变化。
(2)投入无功补偿设备,如电容器、电抗器,研究其对电压的调节效果。
4、电力系统的频率调整(1)改变发电机的输出功率,观察系统频率的变化。
(2)研究一次调频和二次调频对频率稳定的作用。
五、实验数据与结果分析1、潮流计算结果各节点的电压幅值和相角。
各支路的电流和功率。
分析潮流分布的合理性,找出可能存在的问题。
2、稳定性分析结果系统在故障或扰动后的振荡情况。
计算稳定裕度,评估系统的稳定性。
3、电压调整结果发电机励磁电流与母线电压的关系曲线。
无功补偿设备投入前后的电压变化情况。
4、频率调整结果发电机输出功率与系统频率的关系曲线。
电力系统及其自动化实验报告-高电压[全文5篇]第一篇:电力系统及其自动化实验报告-高电压电力系统及其自动化实验电力系统及其自动化实验报告3一、实验目的1.介质损耗角正切的测量。
通过本试验了解现场设备预试的基本过程,并巩固所学知识。
具体内容如下:学习使用预防性试验规程;掌握Q S-l电桥正、反接线测量方法;掌握用摇表测绝缘的方法;了解高压试验时基本的安全技术、注意事项;2.工频高压演示实验。
掌握工频高压的几种测量方法:用测量球隙进行测量、用高压静电电压表进行测量和用工频分压器(电容式分压器)配合低压仪表进行测量。
二、实验内容1.介质损耗角正切的测量 1.1西林电桥基本原理图1西林电桥原理接线图西林电桥原理接线图如图1所示。
图中Cx,Rx为被测试样的等效并联电容与电阻,R3、R4表示电阻比例臂,Cn为平衡试样电容Cx的标准,C4为平衡损耗角正切的可变电容。
根据电容平衡原理,当:ZxZ4=ZnZ3式中Zx、Zn、Z3、Z4分别是电桥的试样阻抗,标准电容器阻抗以及桥臂Z3和Z4的阻抗。
11111=+jωCxZn==+jωC4Z=RZRjωCZR3,4xn,34其中:x。
解所得方程式,得:电力系统及其自动化实验R41 Cn⨯2R31+tanδxCx=tanδx=ωC4R4电桥的平衡是通过R3和C4来改变桥臂电压的大小和相位来实现的。
在实际操作中,由于R3和C4相互之间也有影响,故需反复调节R3和C4,才能达到电桥的平衡。
由于绝大多数电气设备的金属外壳是直接放在接地底座上的,换言之,被试品的一极往往是固定接地的。
这时就不能用上述正接线来测量它们的tanδ,而应改用图2所示的反接线法进行测量。
图2西林电桥反接线原理图1.2tanδ测量的影响因素 1)外界电磁场的干扰影响在现场进行测量时,试品和桥体往往处在周围带电部分的电场作用范围之内,虽然电桥本体及连接线都如前所述采取了屏蔽,但对试品通常无法做到全部屏蔽。
这时等值干扰电源电压就会通过对试品高压电极的杂散电容产生干扰电流,影响测量。
电力系统及其自动化实验报告4一、实验目的通过建立仿真模型,对统一潮流控制器(Unified Power Flow Controller,UPFC)作静止同步串联补偿器SSSC运行时对输电线路进行阻抗补偿的功能的验证。
二、实验原理—UPFC串联变换器作SSSC运行的控制策略UPFC的串联变流器可以补偿线路阻抗,增加输电线路的传输容量,这时的串联变流器就是作为SSSC运行的。
当串联变流器作为SSSC运行时,其补偿的阻抗可以是容性阻抗,也可以感性阻抗。
其基本原理是:首先通过锁相环获得输电线路电流的相角,将其作为PARK变换的初相角。
然后对串联变流器注入输电线路电压的d轴分量以及q轴分量进行控制。
其中电压的d轴分量用来平衡串联变流器自身的有功损耗,q轴分量来补偿线路阻抗。
由串联变流器做SSSC运行的原理我们可以得到其控制框图,如图1所示。
U图1UPFC串联变流器做SSSC运行的控制框图PI调节器输出信号产生电压d轴分量的指令信号,线路电流q轴分量与补偿线路阻抗指令值*X相乘得到q轴分量的指令信号。
c三、实验内容建立UPFCC串联变流器做SSSC的仿真模型并进行参数设定,对UPFC作SSSC运行时对输电线路进行阻抗补偿的功能的验证。
1.UPFC主电路模型的建立由UPFC的结构图可知,UPFC的装置的主电路是由两个共用直流电容的电压源型变流器组成的,并且二者通地两个变压器分别并联、串联接入系统。
shuntIn2Conn 2Conn 3Conn 5Conn 1Conn 4seriesIn1Conn 1Conn 2Conn 4Conn 5Conn 7Conn 8Conn 3Conn 6R=2 Ohm L=25mHA B CA B C R=0.2 Ohm L=2mHA BCA B CCBr VBr _abc & I Br_abcA B C a bc B2 VB 2_abcA B C a b c B1 VB 1_abcA B C a b c 220V/50Hz/15degreeNA B C220V/50Hz/0degree NA BC PWM2PWM 11图2 UPFC 在系统仿真主电路模型由图2可以知道,该模型是由主电路、测量模块、控制电路以及线路连接组成。
电力系统自动化实验报告概述电力系统自动化是指通过使用先进的控制、监测和保护技术,实现电力系统的自主运行和管理。
本实验旨在探究电力系统自动化的原理和实际应用,通过采集数据并进行分析,评估电力系统运行的稳定性和可靠性。
实验目标和步骤本次实验的主要目标是通过对电力系统自动化设备的配置和实际操作,了解电力系统的运行原理,包括负荷管理、设备监测和故障保护等方面。
具体步骤如下:1. 确定实验需求和方案:根据实验要求和设备配置,制定实验方案,包括电力系统的拓扑结构、测试点的选择和数据采集与分析方法等。
2. 连接实验设备:根据实验拓扑结构图,连接电力系统自动化设备,包括主变压器、发电机、负荷和保护设备等。
3. 采集数据:通过电力系统自动化设备,实时采集电力系统的运行数据,包括电流、电压、频率等。
4. 数据分析与评估:利用采集到的数据,对电力系统运行的稳定性和可靠性进行分析和评估,包括负荷管理、设备监测和故障保护等方面。
实验结果与讨论通过对采集的数据进行分析和评估,可以得出以下结论:1. 负荷管理:根据所采集的负荷数据,可以确定电力系统的负荷特性和负荷变化趋势,进而优化电力系统的负荷调度,提高电力系统的效率和稳定性。
2. 设备监测:通过监测电力系统中各个设备的运行状态和参数,可以实时掌握设备的工作情况和性能指标,避免设备故障和损坏,提高设备的可靠性和寿命。
3. 故障保护:根据电力系统中各个设备的数据和故障保护策略,可以实现快速故障检测和隔离,并及时采取应对措施,保障电力系统的安全运行。
结论通过本次实验,我们深入了解了电力系统自动化的原理和实际应用,通过采集和分析数据,评估了电力系统的稳定性和可靠性。
电力系统自动化技术的运用,能够提高电力系统的效率、稳定性和可靠性,对于现代电网的发展具有重要意义。
黑龙江科技学院综合设计性实践报告
实践项目名称电力系统及自动化综合实验
所属课程名称电力系统工程实践
实践日期2011.8.29----2011.9.02
班级电气08-3班
学号15号
姓名吕洋志
成绩
电气与信息工程学院实践基地
Window2000 操作平台的真正32位集成软件系统。
它完全按照国家电力部的要求设计,并结合本公司的设备作出优化,使其在运行中达到最佳效果。
CAMS系统分为四个模块,分别为:运行系统,前置机系统,实时数据库系统,二次开发系统。
G-E
G-A
W-G
KMD
MF MG
G-B
MA
G-D
MB
MC
MD
纯电阻
纯电感
感性负荷
G-C
ME
双回输电线路接线示意图
【实验环境】(使用的软件)
1.硬件:LH-WDT-III电力系统自动化综合实训装置
2.LH-PS-5G电力系统微机监控实训平台
3.软件:综合自动化组态软件CAMS
实践内容:
【实践方案设计】
实践一:选择它励恒Uf控制方式,开机建压不并网,改变机组的转速45Hz-52Hz,
、
实践三图
实践一:当发电机频率改变时,观察发电机电压,励磁电流。
(1)首先检查各电流表,电压表调零,检验仪器是否正常;
(2)同期方式打倒“OFF”,励磁方式为“微机它励”,调速装置中为“手动”,“0”,悬钮打在最小值,手动励磁悬钮在最小值;
(3)打开电源开关、励磁开关、原动机开关;
(4)在调速装置中从左向右缓慢地旋转旋钮以调节发电机的频率;
(5)当频率改变时,记录发电机电压、励磁电压,励磁电流;
实践一数据表:
发电机频率发电机电压励磁电流励磁电压
47Hz 355V 1.1A 25V
48Hz 360V 1A 23V
50Hz 365V 0.9A 21V
51Hz 325V-360V 0.7A 10V-20V 分析:
在发电机频率不断增大的情况下,励磁电压和励磁电流不断减小,原因是由于发电机的旋转,在原动机内产生反向磁场,从而减小了原动机的励磁电压,又因为。