施工组织流水施工的组织方式与工期计算3144
- 格式:doc
- 大小:89.00 KB
- 文档页数:11
流水施工得组织方式与工期计算建筑工程得流水施工要求有一定得节拍,才能步调与谐,配合得当。
流水施工得节奏就是由流水节拍所决定得。
由于建筑工程得多样性,各分部分项得工程量差异较大,要使所有得流水施工都组织成统一得流水节拍就是很困难得。
在大多数情况下,各施工过程得流水节拍不一定相等,甚至一个施工过程本身在各施工段上得流水节拍也不相等。
因此形成了不同节奏特征得流水施工。
在节奏性流水施工中,根据各施工过程之间流水节拍得特征不同,流水施工可分为:等节拍流水施工;异节拍流水施工与无节奏流水施工三大类。
一、等节拍流水施工定义:就是指同一施工过程在各施工段上得流水节拍都相等,并且不同施工过程之间得流水节拍也相等得一种流水施工方式,也称为全等节拍流水或同步距流水。
节拍均为2天,组织等节拍流水施工,计算工期。
组织步骤:1、确定施工顺序,分解施工过程。
2、确定项目施工起点流向,划分施工段。
3、根据等节拍流水施工要求,计算流水节拍数值。
4、确定流水步距,K=t5、计算流水施工得工期。
工期计算:T=(m+n-1)×K=(4+4-1)×2=14 (天)二、异节拍流水施工定义:就是指同一施工过程在各施工段上得流水节拍都相等,但不同施工过程之间得流水节拍不完全相等得一种流水施工方式。
分为:一般异节拍流水与成倍节拍流水。
(一)一般异节拍流水施工定义:就是指同一施工过程在各施工段上得流水节拍相等,不同施工过程之如:某工程划分为A、B、C、D四个施工过程,分四个施工段组织流水施工,各施工过程得流水节拍分别为:tA =3,tB=4,tC=5,tD=3;试求该工程得工期。
组织步骤:1、确定流水施工顺序,分解施工过程。
2确定施工起点流向,划分施工段。
3确定流水节拍。
4确定流水步距。
5确定计划总工期工期计算:流水步距K A,B =t A =3天;K B,C =t B =4天;K C,D =m ×t C -(m -1)×t D =4×5-(4-1)×3=11(天)工期T=∑K+t n =(3+4+11)+(4×3)=30 (天)(二) 成倍节拍流水定义:就是指同一施工过程在各个施工段上得流水节拍相等,不同施工 过t A =2,t B =6,t C =4 试组织等步距得异节拍流水施工。
流水施工工期计算方法流水施工原理一、掌握流水施工参数的概念知识点:流水施工的参数为了说明组织流水施工时,各施工过程在时间和空间上的开展情况及相互依存关系,这里引入一些描述工艺流程、空间布z和时间安排等方面的状态参数――流水施工参数,包括工艺参数、空间参数和时间参数。
(一)工艺参数工艺参数是指组织流水施工时,用以表达流水施工在施工工艺方面进展状态的参数,通常包括施工过程和流水强度两上参数。
1.施工过程组织建设工程流水施工时,根据施工组织及计划安排需要而将计划任务划分成的子项称为施工过程。
施工过程的数目通常用小写n去则表示,它就是流水施工的确必须参数之一。
根据性质和特点相同,施工过程通常分成三类,即为修建类施工过程、运输类施工过程和制取类施工过程。
(1)建造类施工过程,是指在施工对象的空间上直接进行砌筑、安装与加工,最终形成建筑产品的施工过程。
(2)运输因施工过程,就是所指将建筑材料、各类构配件、成品、制品和设备等运往工地仓库或施工现场采用地点的施工过程。
(3)制备类施工过程,是指为了提高建筑产品生产的工厂化、机械化程度和生产能力而形成的施工过程。
如砂浆、混凝土、各类制品、门窗等的制备过程和混凝土构件的预制过程。
由于修建类施工过程占据施工对象的空间,直接影响工期的长短,因此必须列为施工进度计划,并在其中大多做为主导施工过程或关键的工作。
运输类与制取类施工过程通常不占据施工对象的工作面,不影响工期,故不须要列为流水施工进度计划之中,只有当其占据施工对象的工作面,影响工期时,才列为施工进度计划中。
2.流水强度流水强度就是指流水施工的某施工过程(专业工作队)在单位时间内顺利完成的工程量,也称作流水能力或生产能力。
流水强度通常用大写v来表示。
则表示:v――某施过程(队)的流水强度ri――资金投入该施工过程的第i种资源量(施工机械台数或工人数)si――资金投入该施工过程的第i种资源的产量定额x――资金投入该过程的资源种类数(二)空间参数空间参数是指在组织流水施工时,用以表达流水施工在空间布z上开展状态的参数。
流水施工组织方式与工期计算建筑工程的流水施工要求有一定的节拍,才能步调和谐,配合得当。
流水施工的节奏是由流水节拍所决定的。
由于建筑工程的多样性,各分局部项的工程量差异较大,要使所有的流水施工都组织成统一的流水节拍是很困难的。
在大多数情况下,各施工过程的流水节拍不一定相等,甚至一个施工过程本身在各施工段上的流水节拍也不相等。
因此形成了不同节奏特征的流水施工。
在节奏性流水施工中,根据各施工过程之间流水节拍的特征不同,流水施工可分为:等节拍流水施工;异节拍流水施工和无节奏流水施工三大类。
一、等节拍流水施工定义:是指同一施工过程在各施工段上的流水节拍都相等,并且不同施工过程之间的流水节拍也相等的一种流水施工方式,也称为全等节拍流水或同步距流水。
如:2天,组织等节拍流水施工,计算工期。
组织步骤:1、确定施工顺序,分解施工过程。
2、确定工程施工起点流向,划分施工段。
3、根据等节拍流水施工要求,计算流水节拍数值。
4、确定流水步距,K=t5、计算流水施工的工期。
工期计算:T=(m+n-1)×K=〔4+4-1〕×2=14 (天)二、异节拍流水施工定义:是指同一施工过程在各施工段上的流水节拍都相等,但不同施工过程之间的流水节拍不完全相等的一种流水施工方式。
分为:一般异节拍流水和成倍节拍流水。
〔一〕一般异节拍流水施工定义:是指同一施工过程在各施工段上的流水节拍相等,不同施工过程之间的流水节拍不相等也不成倍数的流水施工方式。
的流水节拍分别为:t A=3,t B=4,t C=5,t D=3;试求该工程的工期。
组织步骤:1、确定流水施工顺序,分解施工过程。
2确定施工起点流向,划分施工段。
3确定流水节拍。
4确定流水步距。
5确定方案总工期工期计算:流水步距K A,B =t A =3天;K B,C =t B =4天;K C,D =m ×t C -〔m -1〕×t D =4×5-〔4-1〕×3=11(天)工期T=∑K+t n =〔3+4+11〕+〔4×3〕=30 (天)〔二〕 成倍节拍流水 定义:是指同一施工过程在各个施工段上的流水节拍相等,不同施工过程的流水节拍之间存在整数倍关系的流水施工方式。
施工组织流水施工的组织方式与工期计算集团标准化小组:[VVOPPT-JOPP28-JPPTL98-LOPPNN]流水施工的组织方式与工期计算建筑工程的流水施工要求有一定的节拍,才能步调和谐,配合得当。
流水施工的节奏是由流水节拍所决定的。
由于建筑工程的多样性,各分部分项的工程量差异较大,要使所有的流水施工都组织成统一的流水节拍是很困难的。
在大多数情况下,各施工过程的流水节拍不一定相等,甚至一个施工过程本身在各施工段上的流水节拍也不相等。
因此形成了不同节奏特征的流水施工。
在节奏性流水施工中,根据各施工过程之间流水节拍的特征不同,流水施工可分为:等节拍流水施工;异节拍流水施工和无节奏流水施工三大类。
一、等节拍流水施工定义:是指同一施工过程在各施工段上的流水节拍都相等,并且不同施工过程之间的流水节拍也相等的一种流水施工方式,也称为全等节拍流水或同步距流水。
为2天,组织等节拍流水施工,计算工期。
组织步骤:1、确定施工顺序,分解施工过程。
2、确定项目施工起点流向,划分施工段。
3、根据等节拍流水施工要求,计算流水节拍数值。
4、确定流水步距,K=t5、计算流水施工的工期。
工期计算:T=(m+n-1)×K=(4+4-1)×2=14 (天)二、异节拍流水施工定义:是指同一施工过程在各施工段上的流水节拍都相等,但不同施工过程之间的流水节拍不完全相等的一种流水施工方式。
分为:一般异节拍流水和成倍节拍流水。
(一)一般异节拍流水施工定义:是指同一施工过程在各施工段上的流水节拍相等,不同施工过程之间的流过程的流水节拍分别为:tA =3,tB=4,tC=5,tD=3;试求该工程的工期。
组织步骤:1、确定流水施工顺序,分解施工过程。
2确定施工起点流向,划分施工段。
3确定流水节拍。
4确定流水步距。
5确定计划总工期工期计算:流水步距K A,B =t A =3天;K B,C =t B =4天;K C,D =m ×t C -(m -1)×t D =4×5-(4-1)×3=11(天)工期T=∑K+t n =(3+4+11)+(4×3)=30 (天)(二) 成倍节拍流水定义:是指同一施工过程在各个施工段上的流水节拍相等,不同施工 过程的流水如:某项目有A,B,C 三个施工过程组成,流水节拍分别是t A =2,t B =6,t C =4 试组织等步距的异节拍流水施工。
流水施工原理一、掌握流水施工参数的概念知识点:流水施工的参数为了说明组织流水施工时,各施工过程在时间和空间上的开展情况及相互依存关系,这里引入一些描述工艺流程、空间布置和时间安排等方面的状态参数——流水施工参数,包括工艺参数、空间参数和时间参数.(一)工艺参数工艺参数是指组织流水施工时,用以表达流水施工在施工工艺方面进展状态的参数,通常包括施工过程和流水强度两上参数.1.施工过程组织建设工程流水施工时,根据施工组织及计划安排需要而将计划任务划分成的子项称为施工过程。
施工过程的数目一般用小写n来表示,它是流水施工的确要参数之一。
根据性质和特点不同,施工过程一般分为三类,即建造类施工过程、运输类施工过程和制备类施工过程.(1)建造类施工过程,是指在施工对象的空间上直接进行砌筑、安装与加工,最终形成建筑产品的施工过程。
(2)运输因施工过程,是指将建筑材料、各类构配件、成品、制品和设备等运到工地仓库或施工现场使用地点的施工过程。
(3)制备类施工过程,是指为了提高建筑产品生产的工厂化、机械化程度和生产能力而形成的施工过程.如砂浆、混凝土、各类制品、门窗等的制备过程和混凝土构件的预制过程.由于建造类施工过程占有施工对象的空间,直接影响工期的长短,因此必须列入施工进度计划,并在其中大多作为主导施工过程或关键的工作。
运输类与制备类施工过程一般不占有施工对象的工作面,不影响工期,故不需要列入流水施工进度计划之中,只有当其占有施工对象的工作面,影响工期时,才列入施工进度计划中.2.流水强度流水强度是指流水施工的某施工过程(专业工作队)在单位时间内完成的工程量,也称为流水能力或生产能力。
流水强度通常用大写V来表示。
表示:V—-某施过程(队)的流水强度Ri—-投入该施工过程的第i 种资源量(施工机械台数或工人数)Si——投入该施工过程的第i 种资源的产量定额X——投入该过程的资源种类数(二)空间参数空间参数是指在组织流水施工时,用以表达流水施工在空间布置上开展状态的参数.1.工作面工作面是指在某专业工种的工人或某种施工机械进行施工的活动空间。
流水施工原理一、掌握流水施工参数的概念知识点:流水施工的参数为了说明组织流水施工时,各施工过程在时间和空间上的开展情况及相互依存关系,这里引入一些描述工艺流程、空间布置和时间安排等方面的状态参数-—流水施工参数,包括工艺参数、空间参数和时间参数。
(一)工艺参数工艺参数是指组织流水施工时,用以表达流水施工在施工工艺方面进展状态的参数,通常包括施工过程和流水强度两上参数。
1.施工过程组织建设工程流水施工时,根据施工组织及计划安排需要而将计划任务划分成的子项称为施工过程。
施工过程的数目一般用小写n来表示,它是流水施工的确要参数之一。
根据性质和特点不同,施工过程一般分为三类,即建造类施工过程、运输类施工过程和制备类施工过程.(1)建造类施工过程,是指在施工对象的空间上直接进行砌筑、安装与加工,最终形成建筑产品的施工过程。
(2)运输因施工过程,是指将建筑材料、各类构配件、成品、制品和设备等运到工地仓库或施工现场使用地点的施工过程。
(3)制备类施工过程,是指为了提高建筑产品生产的工厂化、机械化程度和生产能力而形成的施工过程.如砂浆、混凝土、各类制品、门窗等的制备过程和混凝土构件的预制过程.由于建造类施工过程占有施工对象的空间,直接影响工期的长短,因此必须列入施工进度计划,并在其中大多作为主导施工过程或关键的工作。
运输类与制备类施工过程一般不占有施工对象的工作面,不影响工期,故不需要列入流水施工进度计划之中,只有当其占有施工对象的工作面,影响工期时,才列入施工进度计划中。
2。
流水强度流水强度是指流水施工的某施工过程(专业工作队)在单位时间内完成的工程量,也称为流水能力或生产能力.流水强度通常用大写V来表示.表示:V-—某施过程(队)的流水强度Ri——投入该施工过程的第i 种资源量(施工机械台数或工人数)Si—-投入该施工过程的第i 种资源的产量定额X—-投入该过程的资源种类数(二)空间参数空间参数是指在组织流水施工时,用以表达流水施工在空间布置上开展状态的参数.1。
流水施工原理一、掌握流水施工参数的概念知识点:流水施工的参数为了说明组织流水施工时,各施工过程在时间和空间上的开展情况及相互依存关系,这里引入一些描述工艺流程、空间布置和时间安排等方面的状态参数流水施工参数,包括工艺参数、空间参数和时间参数。
(一)工艺参数工艺参数是指组织流水施工时,用以表达流水施工在施工工艺方面进展状态的参数,通常包括施工过程和流水强度两上参数。
1. 施工过程组织建设工程流水施工时,根据施工组织及计划安排需要而将计划任务划分成的子项称为施工过程。
施工过程的数目一般用小写n来表示,它是流水施工的确要参数之一。
根据性质和特点不同,施工过程一般分为三类,即建造类施工过程、运输类施工过程和制备类施工过程。
(1) 建造类施工过程,是指在施工对象的空间上直接进行砌筑、安装与加工,最终形成建筑产品的施工过程。
(2) 运输因施工过程,是指将建筑材料、各类构配件、成品、制品和设备等运到工地仓库或施工现场使用地点的施工过程。
(3) 制备类施工过程,是指为了提高建筑产品生产的工厂化、机械化程度和生产能力而形成的施工过程。
如砂浆、混凝土、各类制品、门窗等的制备过程和混凝土构件的预制过程。
由于建造类施工过程占有施工对象的空间,直接影响工期的长短,因此必须列入施工进度计划,并在其中大多作为主导施工过程或关键的工作。
运输类与制备类施工过程一般不占有施工对象的工作面,不影响工期,故不需要列入流水施工进度计划之中,只有当其占有施工对象的工作面,影响工期时,才列入施工进度计划中。
2. 流水强度流水强度是指流水施工的某施工过程(专业工作队)在单位时间内完成的工程量,也称为流水能力或生产能力。
流水强度通常用大写V来表示。
表示:V——某施过程(队)的流水强度Ri——投入该施工过程的第i种资源量(施工机械台数或工人数)Si ——投入该施工过程的第i种资源的产量定额X——投入该过程的资源种类数(二)空间参数空间参数是指在组织流水施工时,用以表达流水施工在空间布置上开展状态的参数。
流水施工组织方式与工期计算建筑工程的流水施工要求有一定的节拍,才能步调和谐,配合得当。
流水施工的节奏是由流水节拍所决定的。
由于建筑工程的多样性,各分部分项的工程量差异较大,要使所有的流水施工都组织成统一的流水节拍是很困难的。
在大多数情况下,各施工过程的流水节拍不一定相等,甚至一个施工过程本身在各施工段上的流水节拍也不相等。
因此形成了不同节奏特征的流水施工。
在节奏性流水施工中,根据各施工过程之间流水节拍的特征不同,流水施工可分为:等节拍流水施工;异节拍流水施工和无节奏流水施工三大类。
一、等节拍流水施工定义:是指同一施工过程在各施工段上的流水节拍都相等,并且不同施工过程之间的流水节拍也相等的一种流水施工方式,也称为全等节拍流水或同步距流水。
如:某工程划分A B、C、D四个施工过程,每个施工过程分四个施工段,流水节拍均为2天,组织等节拍流水施工,计算工期。
组织步骤:1、确定施工顺序,分解施工过程。
2 、确定项目施工起点流向,划分施工段。
3 、根据等节拍流水施工要求,计算流水节拍数值。
4 、确定流水步距,K=t5 、计算流水施工的工期。
工期计算:T=(m+n—1) X K= (4 + 4- 1)x 2= 14 (天)二、异节拍流水施工定义:是指同一施工过程在各施工段上的流水节拍都相等,但不同施工过程之间的流水节拍不完全相等的一种流水施工方式。
分为:一般异节拍流水和成倍节拍流水。
流水节拍分别为:t A=3,t B=4,t C=5,t D=3;试求该工程的工期。
组织步骤:1、确定流水施工顺序,分解施工过程。
23 4 5确定施工起点流向,划分施工段。
确定流水节拍。
确定流水步距。
确定计划总工期工期计算:流水步距K\,B=t A=3 天;Kj,c=t B=4天;K c,D=m X t C—( mi— 1)x t D=4X 5—(4—1)X 3=11(天)工期T=E K+t n= (3+4+11)+ (4 X 3)=30(天)(二)成倍节拍流水定义:是指同一施工过程在各个施工段上的流水节拍相等,不同施工过程的流水节拍之间存在整数倍关系的流水施工方式。
流水施工道理之杨若古兰创作一、把握流水施工参数的概念常识点:流水施工的参数为了说明组织流水施工时,各施工过程在时间和空间上的开展情况及彼此依存关系,这里引入一些描述工艺流程、空间安插和时间安插等方面的形态参数——流水施工参数,包含工艺参数、空间参数和时间参数.(一)工艺参数工艺参数是指组织流水施工时,用以表达流水施工在施工工艺方面进展形态的参数,通常包含施工过程和流水强度两上参数.1.施工过程组织建设工程流水施工时,根据施工组织及计划安插须要而将计划任务划分成的子项称为施工过程.施工过程的数目普通用小写n来暗示,它是流水施工的确要参数之一.根据性质和特点分歧,施工过程普通分为三类,即建造类施工过程、运输类施工过程和制备类施工过程.(1)建造类施工过程,是指在施工对象的空间上直接进行砌筑、安装与加工,终极构成建筑产品的施工过程.(2)运输因施工过程,是指将建筑材料、各类构配件、成品、成品和设备等运到工地仓库或施工现场使用地点的施工过程.(3)制备类施工过程,是指为了提高建筑产品生产的工厂化、机械化程度和生产能力而构成的施工过程.如砂浆、混凝土、各类成品、门窗等的制备过程和混凝土构件的预制过程.因为建造类施工过程据有施工对象的空间,直接影响工期的是非,是以必须列入施工进度计划,并在其中大多作为主导施工过程或关键的工作.运输类与制备类施工过程普通不据有施工对象的工作面,不影响工期,故不须要列入流水施工进度计划当中,只要当其据有施工对象的工作面,影响工期时,才列入施工进度计划中.2.流水强度流水强度是指流水施工的某施工过程(专业工作队)在单位时间内完成的工程量,也称为流水能力或生产能力.流水强度通经常使用大写V来暗示.暗示:V——某施过程(队)的流水强度Ri——投入该施工过程的第i 种资本量(施工机械台数或工人数)Si——投入该施工过程的第i 种资本的产量定额X——投入该过程的资本品种数(二)空间参数空间参数是指在组织流水施工时,用以表达流水施工在空间安插上开展形态的参数.1.工作面工作面是指在某专业工种的工人或某种施工机械进行施工的活动空间.工作面的大小,标明能安插施工人数或机械台数的多少.每个功课的工人或每台施工机械所需工作面的大小,取决于单位时间内其完成的工程量和平安施工的请求.工作面确定的合理与否,直接影响专业工作队的生产效力.是以,必须合理确定工作面.2.施工段将施工对象在平面或空间上划分成若干个劳动量大致相等的施工段落,称为施工段或流水段.施工段的数目普通用m暗示,它是流水施工的次要参数之一.(1)划分施工段的目的划分施工段的目的就是为了组织流水施工.在组织流水施工时,专业工作队完成一个施工段上的任务后,遵守施工组织顺序又到另一个施工段上功课,发生连续流动施工的后果.在一段情况下,一个施工段在同一时间内,只安插一个专业工作队施工,各专业工作队遵守施工艺顺序顺次投入功课,同一时间内在分歧施工段上平行施工,使流水施工均衡地进行.组织流水施工时,可以划分足够数量的施工段,充分利用工作面,防止窝工,尽能缩短工期.(2)划分施工段的准绳①同一专业工作队在各个施工段上的劳动量应大致相等,相差幅度不宜于超出10%~15%;②每个施工段内要有足够的工作面,以包管响应数量的工人、主导施工机械的生产效力,满足合理劳动组织的请求;③施工段的界限应尽可能与结构界限(如沉降缝、伸缩缝等)相吻合,或设在对建筑结构全体性影响小的部位,以包管建筑结构的全体性;④施工段的数目要满足合理组织流水施工的请求.施工段数目过多,会降低施工速度,耽误工期;施工段过少,晦气于充分利用工作面,可能形成窝工.⑤对于多层建筑物、构筑物或须要分层施工的工程,应即分施工段,又分施工层,各专业工作队顺次完成第一施工层中各施工段任务后,再转入第二施工层的施工段上功课,依此类推.以确保响应专业队在施工段与施工层之间,组织连续、均衡、有节奏地流水施工.(三)时间参数是指在组织流水施工时,用以表达流水施工在时间安插上所处形态的参数,次要包含流水节拍、流水步距和流水施工工期等.1.流水节拍流水节拍是指在组织流水施工时,某个专业工作队在一个施工段上的施工时间.第j个专业工作队在第i个施工段的流水节拍普通用tj,i来暗示(j=1,2……,n;i=1,2,……,m).流水节拍是流水施工的次要参数之一,它标明流水施工的速度和节奏性.流水节拍小,其流水速度快,节奏感强;反之则相反.流水节拍决定着单位时间的资本供应量,同时,流水节拍也是区别流水施工组织方式的特征参数.同一施工过程的流水节拍,次要由所采取的施工方法、施工机械和在工作面答应的前提下投入施工的工人数、机械台数和采取的工作班次等身分确定.有时,为了均衡施工和减少转移施工段时耗费的工时,可以适当调整流水节拍,其数值最好为半个班的整数倍.流水节拍确定方法:(1)定额计算法如果已有定额尺度时,可按公式(2-2)或公式(2-3)确定流水节拍.式中:Sj——第j个专业工作队的计划产量定额;Rj——第j个专业工作队所投入的人工数或机械台数;Nj——第j个专业工作队的工作班次;Qj,i——第j个专业工作队在第i个施工段要完成的工程量或工作量.(2)经验估算法2.流水步距流水步距是指组织流水施工时,相邻两个施工过程(或专业工作队)接踵开始施工的最小间隔时间.流水步距普通用Kj,j+1来暗示,其中j(j=1,2,……,n-1)为专业工作队或施工过程的编号.它是流水施工的次要参数之一.流水步距的数目取决于介入流水的施工过程数.如果施工过程数为n个,则流水步距的总数为n-1个.流水步距的大小取决相邻两个施工过程(或专业工作队)在各个施工段上的流水节拍及流水施工的组织方式.确定流水步距,普通应满足以下基本请求:(1)各施工过程按各自流水速度施工,始终坚持工艺前后顺序;(2)各施工过程的专业工作队投入施工后尽可能坚持连续功课;(3)相邻两个施工过程(或专业工作队)在满足连续施工的条件下,能最大限制地实现全理搭接.3.流水施工工期流水施工工期是指从第一个专业工作队投入流水施工开始,到最初一个专业工作队完成流水施工为止的全部持续时间.因为一项建设工程常常包含有很多流水组,故流水施工工期普通均不是全部工程的总工期.典型题型:1.建设工程组织流水施工时,某专业工作队在单位时间内所完成的工程量称为( C ).A.流水节拍B.流水步距C.流水强度D.流水节奏2.建设工程组织流水施工时,用以表达流水施工在空间安插上上开展形态的参数有(D ).A.流水节拍B.流水步距C.间歇时间D.施工段3.建设工程组织流水施工时,用以表达流水施工在施工工艺方面进展形态的参数之一是( B).A.流水段B.施工过程C.流水节拍D.流水步距4.施工段是用以表达流水施工的空间参数.为了合理地划分施工段,应遵守的准绳包含(BCE ).A.施工段的界限与结构界限有关,但应使同一专业工作队在各个施工段的劳动量大致相等B.每个施工段内要有足够的工作面,以包管响应数量的工人、主导施工机械的生产效力,满足合理劳动组织的请求C.施工段的界限应设在对建筑结构全体性影响小的部位,以包管建筑结构的全体性D.每个施工段要有足够的工作面,以满足同一施工段内组织多个专业工作队同时施工的请求E.施工段的数目要满足合理组织流水施工的请求,并在每个施工段内有足够的工作面二、把握非节奏流水施工的特点、流水步距及流水施工工期的计算方法2.1、非节奏流水施工的特点1.各施工过程在各施工段的流水节拍不全相等;2.相邻施工过程的流水步距不尽相等;3.专业工作队数等于施工过程数;4.各专业工作队能够在施工段上连续功课,但有的施工段之间可能有空闲时间.2.2、流水步距的确定在非节奏流水施工中,通常采取累加数列错位相减取大差法计算流水步距.因为这类方法是由潘特考夫斯基首先提出的,故又称为潘特考夫斯基法.累加数列错位相减取大差法的基本步调:1.对每一个施工过程在各施工段上的流水节拍顺次累加,求得各施工过程流水节拍的累加数列;2.将相邻施工过程流水节拍累加数列中的后者错后一名,相减后求得一个差数列;3.在差数列中取最大值,即为这两个相邻施工过程的流水步距.例:某工程由3个施工过程构成,分为4个施工段进行流水解:(1)求各施工过程流水节拍的累加数列:施工过程Ⅰ:2,5,7,8施工过程Ⅱ:3,5,9,11施工过程Ⅲ:3,7,9,11(2)错位相减求得差数列:2.3、流水施工工期确定流水施工工期可按公式计算:T=∑K+∑tn+∑Z+∑G-∑C式中:T——流水施工工期;∑K——各施工过程(或专业工作队)之间流水步距之和;∑tn——最初一个施工过程(或专业工作队)在各施工段流水节拍之和;∑Z——组织间歇时间之和;∑G——工艺间歇时间之和;∑C——提前拔出时间之和.典型题型:1.建设工程组织非节奏流水施工时的特点包含( BCE).A.各专业工作队不克不及在施工段上连续功课B.各施工过程在各施工段的流水节拍不全相等C.相邻专业工作队的流水步距不尽相等D.专业工作队数小于施工过程数E.有些施工段之间可能有空闲时间2.某分部工程有两个施工过程,各分为4个施工段组织流水施工,流水节拍分别为2、4、3、4天和3、5、4、5天,则流水步距和流水施工工期分别为( B )天.A.2和19 B.3和20C.4和20 D.5和192.4、熟悉固定节拍流水施工特点及流水施工工期的计算方法常识点:(一)固定节拍(等节拍)流水施工的特点1.所有施工过程在各个施工段上的流水节拍均相等;2.相邻施工过程的流水步距相等,且等于流水节拍;3.专业工作队数等于施工过程数,即每一个施工过程成立一个专业工作队,由该队完成响应施工过程所有施工段上的任务;4.各个专业工作队在各施工段上能够连续功课,施工段间没有空闲时间.常识点(二)固定节拍(等节拍)流水施工工期某固定节拍流水施工,有A.B.C.D四个施工过程,施工段数m等于3个施工段,固定节拍流水所有施工过程在各个施工段上的功课时间全部相等,如A在第一个工作段是2天,第二个工作段是2天,第三个工作段是2天;B同样在第一个施工段2天,第二个流水段是2天,第三个流水段是2天,同理C.D一样,在每个施工段上的流水节拍都是2天.相邻的两个施工过程之间的间隔叫流水步距,A和B是两上相邻的两个施工过程,A和B之间的时间间隔是KA,B.KB,C.KC,D.流水工期:T=(n-1)K+mt=(n-1)t+mt=(m+n-1)t1.有间歇时间的固定节拍流水施工所谓间歇时间,是指相邻两个施工过程之间因为工艺或组织安插须要而添加的额外等待时间,包含工艺间歇时间(Gj,j+1)和组织间歇时间(Zj,j+1).某固定节拍流水施工,有A.B.C.D四个施工过程,施工段数m等于3,流水节拍为2天,在C与D之间有工艺间歇时间G.T=(m+n-1)t+GT=(m+n-1)t+∑G+∑Z例:施工过程数n=4,施工段数m=4,流水节拍t=2,流水步距K=t=2,所有组织间歇Z=0,除Ⅱ和Ⅲ之间GⅡ,Ⅲ=1,其余的为0.如许的一个工程要组织固定节拍流水施工,其流水施工总工期是多少?按公式:T=(m+n-1)×t+∑G+∑Z=(4+4-1)×2+1=15天2.有提前拔出时间的固定节拍流水施工所谓提前拔出时间,是指相邻两个专业工作队在同一施工段上共同功课的时间.在工作面答应和资本有包管的前提下,专业工作队提前拔出施工,可以缩短流水施工工期.对于有提前拔出时间的固定节拍流水施工,其流水施工工期T可按公式计算:T=(n-1)t+∑G+∑Z-∑C+m•t=(m+n-1)t+∑G+∑Z-∑C典型题型:1.基础工程划分4个施工过程(挖基槽、作垫层、混凝土浇筑、回填土)在5个施工段组织固定节拍流水施工,流水节拍为3天,请求混凝土浇筑2天后才干进行回填土,该工程的流水工期为(C)天.A.39 B.29 C.26 D.142.5、熟悉成倍节拍流水施工特点及流水施工工期的计算方法常识点(一)加快的成倍节拍流水施工的特点1.同一施工过程在其各个施工段上的流水节拍均相等;分歧施工过程的流水节拍不等,但其值为倍数关系;2.相邻专业工作队的流水步距相等,且等于流水节拍的最大公约数(K);3.专业工作队数大于施工过程数,即有的施工过程只成立一个专业工作队,而对于流水节拍大的施工过程,可按其倍数添加响应专业工作队数目;4.各个专业工作队在施工段上能够连续功课,施工段之间没有空闲时间.常识点(二)加快的成倍节拍流水施工工期T=(n-1)K+mt=(n-1)t+mt=(m+n-1)t典型题型:1.建设工程组织流水施工时,相邻专业工作队之间的流水步距相等,且施工段之间没有空闲时间的是( C).A.非节奏流水施工和加快的成倍节拍流水施工B.普通的成倍节拍流水施工和非节奏流水施工C.固定节拍流水施工和加快的成倍节拍流水施工D.普通的成倍节拍流水施工和固定节拍流水施工2.在流水施工方式中,加快成倍节拍流水施工的特点之一是(A).A.相邻施工过程之间流水步距相等,且等于流水节拍的最大公约数B.相邻施工过程之间流水步距相等,且等于流水节拍的最小公约数C.相邻施工过程之间流水步距不尽相等,但流水步距之间为倍数关系D.相邻施工过程之间流水步距不尽相等,但流水步距是流水节拍的倍数关系3.某分部工程有3个施工过程,各分为3个施工段组织加快的成倍节拍流水施工,各施工过程在各施工段上的流水节拍分别为6、4、6天,则专业工作队数应为(D )个.A.3 B.5 C.6 D.84.某分部工程有3个施工过程,各分为4个流水节拍相等的施工段,各施工过程的流水节拍分别为6、4、4天.如果组织加快的成倍节拍流水施工,则专业工作队数和流水施工工期分别为(D ).A.3个和20天B.4个和25天C.5个和24天 D.7个和20天三、了解组织施工的方式及特点常识点:组织施工的方式考虑工程项目的施工特点、工艺流程、资本利用、平面或空间安插等请求,其施工可以采取顺次、平行、流水等组织方式.1.顺次施工概念:是将拟建工程项目中的每一个施工对象分解为若干个施工过程,按施工工艺请求顺次完成每一个施工过程;当一个施工对象完成后,再按同样的顺序完成下一个施工对象,顺次类推,直至完成所有施工对象.这类方式叫做顺次施工.顺次施工的特点(1)没有充分地利用工作面进行施工,工期长;(2)如果按专业成立工作队,则各专业队不克不及连续功课,有时间间歇,劳动力及施工机具等资本没法均衡使用;(3)如果由一个工作队完成全部施工任务,则不克不及实现专业化施工,晦气于提高劳动生产率和工程质量.(4)单位时间内投入的劳动力、施工机具、材料等资本量较少,有益于资本供应的组织;(5)施工现场的组织、管理比较简单.2.平行施工概念:平行施工方式是组织几个劳动组织不异的工作队,在同一时间、分歧的空间,按施工工艺请求完成各施工对象.平行施工特点:(1)充分利用工作面进行施工,工期短;(2)如果每一个施工对象均按专业成立工作队,则各专业队不克不及连续功课,劳动力及施工机具等资本没法均衡使用;(3)如果由一个工作队完成一个施工对象的全部施工任务,则不克不及实现专业化施工,晦气于提高劳动生产率和工程质量;(4)单位时间内投入的劳动力、施工机具、材料等资本量成倍地添加,晦气资本供应的组织;(5)施工现场的组织、管理比较复杂.3.流水施工概念:流水施工方式是将拟建工程项目中的每一个施工对象分解为若干个施工过程,并按照施工过程成立响应的专业工作队,各专业队按照施工顺序顺次完成各个施工对象的施工过程,同时包管施工在时间和空间上连续、均衡和有节奏的进行,使相邻两专业队能最大限制地搭接功课.流水施工方式的特点:(1)尽可能地利用工作面进行施工,工期比较短;(2)各工作队实现了专业化施工,有益于提高技术水平和劳动生产率,也有益于提高工程质量;(3)专业工作队能够连续施工,同时使相邻专业队的开工时间能够最大限制地搭接;(4)单位时间内投入的劳动力、施工机具、材料等资本量较为均衡,有益于资本供应的组织;(5)为施工现场的文明施工和科学管理创造了有益条件.典型题型:1.建设工程流水施工方式的特点之一是( C).A.单位时间内投入的劳动力较少B.专业工作队能够连续施工C.能够充分地利用工作面进行施工D.施工现场的组织管理比较简单2.建设工程平行施工的特点包含( AD ).A. 可以充分利用工作面进行施工B. 单位时间内投入的资本量较少C. 施工现场的组织管理比较简单D. 劳动力及施工机具等资本没法均衡使用E. 各专业工作队能够连续功课3.某分部工程有3个施工过程,各分为5个流水节拍相等的施工段组织加快的成倍节拍流水施工.已知各施工过程的流水节拍分别为4、6、4天,则流水步距和专业工作队数分别为( D ).A.6天和3个 B.4天和4个C.4天和3个 D.2天和7个4.某分部工程有两个施工过程,分为4个施工段组织流水施工,流水节拍分别为3、4、4、5天和4、3、4、5天,则流水步距为(C )天.A.3 B.4 C.5 D.6。
建筑施工组织流水建筑施工的组织方式及工期计算建筑施工组织流水是指在施工过程中,根据工程的具体要求和施工方法,进行合理的组织、安排和协调工程人力、材料、机械和施工工艺等各项资源,以达到施工质量、进度、安全和经济的目标。
下面将介绍建筑施工的组织方式以及工期计算的方法。
1.建筑施工的组织方式(1)功能线组织方式:功能线是指建筑施工中各项专业施工工序的组织线路,按照功能线组织,能够实现施工工序之间的连续、高效进行。
常见的功能线包括地下工程施工线、地上主体结构施工线、装饰装修施工线等。
这种组织方式适用于较大规模的建筑工程,可以提高施工效率和质量。
(2)作业区域组织方式:按作业区域进行施工组织,将施工现场划分为不同的工区,每个工区进行独立的施工作业。
这种组织方式适用于施工面积较大,工序繁多且相互干扰较大的项目。
通过划分作业区域可以有效控制施工过程中的施工质量和安全。
(3)模块化组织方式:将建筑工程划分为多个相对独立的模块,在施工过程中分别进行施工,最后组装起来。
这种组织方式适用于施工期限紧、施工环境受限等情况。
通过使用模块化组织方式可以提高施工速度和质量。
2.工期计算的方法在建筑施工中,工期计算是对施工活动的时间进行合理安排和控制的过程。
下面介绍两种常用的工期计算方法。
(1)关键路径法(CPM):关键路径法是一种通过网络图来计算工期的方法。
首先,将工程的各个施工工序进行排序,并根据工序之间的先后顺序确定各工序之间的节点关系和时间关系。
然后,根据这些节点和时间关系,画出一个网络图。
最后,通过计算出每个工序的最早开始时间和最晚完成时间,以及整个工程的最早开始时间和最晚完成时间,可以确定出关键路径,即工期最长的路径。
关键路径上的工序不能延误,否则将影响整个工程的工期。
(2)平均负荷法:平均负荷法是一种通过对施工活动的时间进行合理安排和分配的方法。
首先,将施工活动按工序进行排序,并确定每个工序的工期。
然后,根据施工活动的时序关系,将工序进行逐步安排,使得工作处于平衡状态,即在施工过程中各个工序的开始时间和结束时间都能最大限度地重叠。
流水施工的原理工艺参数和工期计算方法流水施工的特点工业生产的实践证明,流水施工作业法是组织生产的有效方法。
流水作业法的原理同样也适用于土木工程的施工。
土木工程的流水施工与一般工业生产流水线作业十分相似。
不同的是,在工业生产中的流水作业中,专业生产者是固定的,而各产品或中间产品在流水线上流动,由前个工序流向后一个工序;而在土木施工中的产品或中间产品是固定不动的,而专业施工队则是流动的,他们由前一施工段流向后一施工段。
为了说明土木工程中采用流水施工的特点,可比较建造m幢相同的房屋时,施工采用的依次施工、平行施工和流水施工三种不同的施工组织方法。
采用依次施工时,是当第一幢房屋竣工后才开始第二幢房屋的施工,即按着次序一幢接一幢地进行施工。
这种方法同时投入的劳动力和物资资源较少,但各专业工作队在该工程中的工作是有间隙的,工期也拖得较长(图11-1a)。
图11-1 不同施工方法的比较a)依次施工b)平行施工c)流水施工采用平行施工时。
m幢房屋同时开工、同时竣工(图11-1b)。
这样施工显然可以大大缩短工期,但是各专业工作队同时投入工作的队数却大大增加,相应的劳动力以及物资资源的消耗量集中,着都会给施工带来不良的经济效果。
采用流水施工时,是将m幢房屋依次保持一定的时间搭接起来,陆续开工,陆续完工。
即把各房屋的施工过程搭接起来,使各专业工作队的工作具有连续性,而物资资源的消耗具有均衡性(图11-1c)。
流水施工与依次施工相比工期也较短。
流水施工的特点是物资资源需求的均衡性;专业工作队工作的连续性,合理地利用工作面,又能使工期较短。
同时,流水施工是一种合理的、科学的施工组织方法,它可以在土木工程施工中带来良好的经济效益。
工程施工进度计划图表是反映工程施工时各施工过程按其工艺上的先后顺序、相互配合的关系和它们在时间、空间上的开展情况。
流水施工的工程进度计划图表采用线条图表示时,按其绘制方法的不同分为水平图表(又称横道图)(图11-2a)及垂直图表(又称斜线图)(图11-2b)。
流水施工的组织方式与工期计算建筑工程的流水施工要求有一定的节拍,才能步调和谐,配合得当。
流水施工的节奏是由流水节拍所决定的。
由于建筑工程的多样性,各分部分项的工程量差异较大,要使所有的流水施工都组织成统一的流水节拍是很困难的。
在大多数情况下,各施工过程的流水节拍不一定相等,甚至一个施工过程本身在各施工段上的流水节拍也不相等。
因此形成了不同节奏特征的流水施工。
在节奏性流水施工中,根据各施工过程之间流水节拍的特征不同,流水施工可分为:等节拍流水施工;异节拍流水施工和无节奏流水施工三大类。
一、等节拍流水施工定义:是指同一施工过程在各施工段上的流水节拍都相等,并且不同施工过程之间的流水节拍也相等的一种流水施工方式,也称为全等节拍流水或同步距流水。
节拍均为2天,组织等节拍流水施工,计算工期。
组织步骤:1、确定施工顺序,分解施工过程。
2、确定项目施工起点流向,划分施工段。
3、根据等节拍流水施工要求,计算流水节拍数值。
4、确定流水步距,K=t5、计算流水施工的工期。
工期计算:T=(m+n-1)×K=(4+4-1)×2=14 (天)二、异节拍流水施工定义:是指同一施工过程在各施工段上的流水节拍都相等,但不同施工过程之间的流水节拍不完全相等的一种流水施工方式。
分为:一般异节拍流水和成倍节拍流水。
(一)一般异节拍流水施工定义:是指同一施工过程在各施工段上的流水节拍相等,不同施工过程之间如:某工程划分为A 、B 、C 、D 四个施工过程,分四个施工段组织流水施工,各施工过程的流水节拍分别为:t A =3,t B =4,t C =5,t D =3;试求该工程的工期。
组织步骤:1、确定流水施工顺序,分解施工过程。
2确定施工起点流向,划分施工段。
3确定流水节拍。
4确定流水步距。
5确定计划总工期工期计算:流水步距K A,B =t A =3天;K B,C =t B =4天;K C,D =m ×t C -(m -1)×t D =4×5-(4-1)×3=11(天)工期T=∑K+t n =(3+4+11)+(4×3)=30 (天)(二) 成倍节拍流水定义:是指同一施工过程在各个施工段上的流水节拍相等,不同施工 过程如:某项目有A,B,C 三个施工过程组成,流水节拍分别是t A =2,t B =6,t C =4 试组织等步距的异节拍流水施工。
施工组织流水施工的组织方式与工期计算WTD standardization office【WTD 5AB- WTDK 08- WTD 2C】流水施工的组织方式与工期计算建筑工程的流水施工要求有一定的节拍,才能步调和谐,配合得当。
流水施工的节奏是由流水节拍所决定的。
由于建筑工程的多样性,各分部分项的工程量差异较大,要使所有的流水施工都组织成统一的流水节拍是很困难的。
在大多数情况下,各施工过程的流水节拍不一定相等,甚至一个施工过程本身在各施工段上的流水节拍也不相等。
因此形成了不同节奏特征的流水施工。
在节奏性流水施工中,根据各施工过程之间流水节拍的特征不同,流水施工可分为:等节拍流水施工;异节拍流水施工和无节奏流水施工三大类。
一、等节拍流水施工定义:是指同一施工过程在各施工段上的流水节拍都相等,并且不同施工过程之间的流水节拍也相等的一种流水施工方式,也称为全等节拍流水或同步距流水。
如:某工程划分A、B、C、D四个施工过程,每个施工过程分四个施工段,流水节拍均为2天,组织等节拍流水施工,计算工期。
组织步骤:1、确定施工顺序,分解施工过程。
2、确定项目施工起点流向,划分施工段。
3、根据等节拍流水施工要求,计算流水节拍数值。
4、确定流水步距,K=t5、计算流水施工的工期。
工期计算:T=(m+n-1)×K=(4+4-1)×2=14 (天)二、异节拍流水施工定义:是指同一施工过程在各施工段上的流水节拍都相等,但不同施工过程之间的流水节拍不完全相等的一种流水施工方式。
分为:一般异节拍流水和成倍节拍流水。
(一)?? 一般异节拍流水施工定义:是指同一施工过程在各施工段上的流水节拍相等,不同施工过程之间的流水节拍不相等也不成倍数的流水施工方式。
如:某工程划分为A、B、C、D四个施工过程,分四个施工段组织流水施工,各施工过程的流水节拍分别为:t A=3,t B=4,t C=5,t D=3;试求该工程的工期。
流水施工原理一、掌握流水施工参数的概念知识点:流水施工的参数为了说明组织流水施工时,各施工过程在时间和空间上的开展情况及相互依存关系,这里引入一些描述工艺流程、空间布置和时间安排等方面的状态参数-—流水施工参数,包括工艺参数、空间参数和时间参数。
(一)工艺参数工艺参数是指组织流水施工时,用以表达流水施工在施工工艺方面进展状态的参数,通常包括施工过程和流水强度两上参数。
1.施工过程组织建设工程流水施工时,根据施工组织及计划安排需要而将计划任务划分成的子项称为施工过程。
施工过程的数目一般用小写n来表示,它是流水施工的确要参数之一。
根据性质和特点不同,施工过程一般分为三类,即建造类施工过程、运输类施工过程和制备类施工过程。
(1)建造类施工过程,是指在施工对象的空间上直接进行砌筑、安装与加工,最终形成建筑产品的施工过程。
(2)运输因施工过程,是指将建筑材料、各类构配件、成品、制品和设备等运到工地仓库或施工现场使用地点的施工过程。
(3)制备类施工过程,是指为了提高建筑产品生产的工厂化、机械化程度和生产能力而形成的施工过程。
如砂浆、混凝土、各类制品、门窗等的制备过程和混凝土构件的预制过程。
由于建造类施工过程占有施工对象的空间,直接影响工期的长短,因此必须列入施工进度计划,并在其中大多作为主导施工过程或关键的工作。
运输类与制备类施工过程一般不占有施工对象的工作面,不影响工期,故不需要列入流水施工进度计划之中,只有当其占有施工对象的工作面,影响工期时,才列入施工进度计划中。
2.流水强度流水强度是指流水施工的某施工过程(专业工作队)在单位时间内完成的工程量,也称为流水能力或生产能力。
流水强度通常用大写V来表示。
表示:V—-某施过程(队)的流水强度Ri——投入该施工过程的第i 种资源量(施工机械台数或工人数)Si—-投入该施工过程的第i 种资源的产量定额X——投入该过程的资源种类数(二)空间参数空间参数是指在组织流水施工时,用以表达流水施工在空间布置上开展状态的参数。
流水施工工期的计算流水施工的概念和特点目录1 流水施工的组织方式有依次施工、平行施工和流水施工 (1)2 流水施工的基本参数有工艺参数、空间参数和时间参数 (1)3 流水施工工期的计算有三种情况:固定节拍流水施工,成倍节拍流水施工,分别流水施工。
(3)1流水施工的组织方式有依次施工、平行施工和流水施工1.1 依次施工往往是前一个施工过程完成后,下一个施工过程才开始,一个工程全部完成后,另一个工程才开始。
1.2 平行施工时将同类的施工任务,组织几个施工队,在同一时间,不同空间上,完成同样的施工任务的施工组织方式1.3 流水施工是将拟建工程的整个建造过程分解为若干个不同的施工过程,也就是划分为若干个工作性质不同的分布、分项工程或工序;同时将拟建工程在平面上划分成若干个劳动量大致相等的施工段,在竖向上划分成若干个施工层;按照施工过程成立相应的施工队;各专业施工队按照一定的顺序投入施工,在完成一个施工段上的施工任务后,在专业施工队的人数、使用的机具和材料不变的情况下,依次地、连续地投入到下一个施工段,在规定时间内完成同样的施工任务;不同的专业施工队在工作时间上最大限度地、合理地搭接起来;一个施工层的全部施工任务完成后,专业施工队依次地、连续地投入到下一个施工层,保证施工过程在时间上、空间上有节奏、连续、均衡地进行下去,直到完成全部施工任务。
2流水施工的基本参数有工艺参数、空间参数和时间参数2.1 工艺参数是用以表达流水施工在施工工艺方面的进展状态的参数,一般包括施工过程和流水强度2.1.1 一个建筑物的施工通常可以跨分为若干个施工过程。
施工过程所包含的施工内容,既可以是分项工程,也可以使分部工程,施工过程的数量用n表示。
2.1.2 流水强度时指流水施工的每一施工过程在单位时间内完成工程量的数量,用成为生产能力。
2.2 空间参数是指在组织流水施工时,用以表达流水施工在空间上开展状态的参数,主要包括工作面、施工段和施工层。
流水施工原理之青柳念文创作一、掌握流水施工参数的概念知识点:流水施工的参数为了说明组织流水施工时,各施工过程在时间和空间上的展开情况及相互依存关系,这里引入一些描绘工艺流程、空间安插和时间安插等方面的状态参数——流水施工参数,包含工艺参数、空间参数和时间参数.(一)工艺参数工艺参数是指组织流水施工时,用以表达流水施工在施工工艺方面停顿状态的参数,通常包含施工过程和流水强度两上参数.1.施工过程组织建设工程流水施工时,根据施工组织及计划安插需要而将计划任务划分成的子项称为施工过程.施工过程的数目一般用小写n来暗示,它是流水施工的确要参数之一.根据性质和特点分歧,施工过程一般分为三类,即建造类施工过程、运输类施工过程和制备类施工过程.(1)建造类施工过程,是指在施工对象的空间上直接停止砌筑、装置与加工,最终形成建筑产品的施工过程.(2)运输因施工过程,是指将建筑资料、各类构配件、成品、制品和设备等运到工地仓库或施工现场使用地点的施工过程.(3)制备类施工过程,是指为了提高建筑产品生产的工厂化、机械化程度和生产才能而形成的施工过程.如砂浆、混凝土、各类制品、门窗等的制备过程和混凝土构件的预制过程.由于建造类施工过程占有施工对象的空间,直接影响工期的长短,因此必须列入施工进度计划,并在其中大多作为主导施工过程或关键的工作.运输类与制备类施工过程一般不占有施工对象的工作面,不影响工期,故不需要列入流水施工进度计划之中,只有当其占有施工对象的工作面,影响工期时,才列入施工进度计划中.2.流水强度流水强度是指流水施工的某施工过程(专业工作队)在单位时间内完成的工程量,也称为流水才能或生产才能.流水强度通常常使用大写V来暗示.暗示:V——某施过程(队)的流水强度Ri——投入该施工过程的第i 种资源量(施工机械台数或工人数)Si——投入该施工过程的第i 种资源的产量定额X——投入该过程的资源种类数(二)空间参数空间参数是指在组织流水施工时,用以表达流水施工在空间安插上展开状态的参数.1.工作面工作面是指在某专业工种的工人或某种施工机械停止施工的活动空间.工作面的大小,标明能安插施工人数或机械台数的多少.每个作业的工人或每台施工机械所需工作面的大小,取决于单位时间内其完成的工程量和平安施工的要求.工作面确定的合理与否,直接影响专业工作队的生产效率.因此,必须合理确定工作面.2.施工段将施工对象在平面或空间上划分成若干个休息量大致相等的施工段落,称为施工段或流水段.施工段的数目一般用m暗示,它是流水施工的主要参数之一.(1)划分施工段的目标划分施工段的目标就是为了组织流水施工.在组织流水施工时,专业工作队完成一个施工段上的任务后,遵循施工组织顺序又到另外一个施工段上作业,发生持续活动施工的效果.在一段情况下,一个施工段在同一时间内,只安插一个专业工作队施工,各专业工作队遵循施工艺顺序依次投入作业,同一时间内涵分歧施工段上平行施工,使流水施工平衡地停止.组织流水施工时,可以划分足够数量的施工段,充分操纵工作面,防止窝工,尽能缩短工期.(2)划分施工段的原则①同一专业工作队在各个施工段上的休息量应大致相等,相差幅度不宜于超出10%~15%;②每个施工段内要有足够的工作面,以包管相应数量的工人、主导施工机械的生产效率,知足合理休息组织的要求;③施工段的边界应尽量与布局边界(如沉降缝、伸缩缝等)相吻合,或设在对建筑布局整体性影响小的部位,以包管建筑布局的整体性;④施工段的数目要知足合理组织流水施工的要求.施工段数目过多,会降低施工速度,延长工期;施工段过少,晦气于充分操纵工作面,可以造成窝工.⑤对于多层建筑物、构筑物或需要分层施工的工程,应即分施工段,又分施工层,各专业工作队依次完成第一施工层中各施工段任务后,再转入第二施工层的施工段上作业,依此类推.以确保相应专业队在施工段与施工层之间,组织持续、平衡、有节拍地流水施工.(三)时间参数是指在组织流水施工时,用以表达流水施工在时间安插上所处状态的参数,主要包含流水节拍、流水步距和流水施工工期等.1.流水节拍流水节拍是指在组织流水施工时,某个专业工作队在一个施工段上的施工时间.第j个专业工作队在第i个施工段的流水节拍一般用tj,i来暗示(j=1,2……,n;i=1,2,……,m).流水节拍是流水施工的主要参数之一,它标明流水施工的速度和节拍性.流水节拍小,其流水速度快,节拍感强;反之则相反.流水节拍决议着单位时间的资源供应量,同时,流水节拍也是区别流水施工组织方式的特征参数.同一施工过程的流水节拍,主要由所采取的施工方法、施工机械以及在工作面允许的前提下投入施工的工人数、机械台数和采取的工作班次等因素确定.有时,为了平衡施工和减少转移施工段时消耗的工时,可以适当调整流水节拍,其数值最好为半个班的整数倍.流水节拍确定方法:(1)定额计算法如果已有定额尺度时,可按公式(2-2)或公式(2-3)确定流水节拍.式中:Sj——第j个专业工作队的计划产量定额;Rj——第j个专业工作队所投入的人工数或机械台数;Nj——第j个专业工作队的工作班次;Qj,i——第j个专业工作队在第i个施工段要完成的工程量或工作量.(2)经历估算法2.流水步距流水步距是指组织流水施工时,相邻两个施工过程(或专业工作队)相继开端施工的最小间隔时间.流水步距一般用Kj,j+1来暗示,其中j(j=1,2,……,n-1)为专业工作队或施工过程的编号.它是流水施工的主要参数之一.流水步距的数目取决于参与流水的施工过程数.如果施工过程数为n个,则流水步距的总数为n-1个.流水步距的大小取决相邻两个施工过程(或专业工作队)在各个施工段上的流水节拍及流水施工的组织方式.确定流水步距,一般应知足以下基本要求:(1)各施工过程按各自流水速度施工,始终坚持工艺先后顺序;(2)各施工过程的专业工作队投入施工后尽量坚持持续作业;(3)相邻两个施工过程(或专业工作队)在知足持续施工的条件下,能最大限度地实现全理搭接.3.流水施工工期流水施工工期是指从第一个专业工作队投入流水施工开端,到最后一个专业工作队完成流水施工为止的整个持续时间.由于一项建设工程往往包含有许多流水组,故流水施工工期一般均不是整个工程的总工期.典型题型:1.建设工程组织流水施工时,某专业工作队在单位时间内所完成的工程量称为( C ).A.流水节拍B.流水步距C.流水强度D.流水节拍2.建设工程组织流水施工时,用以表达流水施工在空间安插上上展开状态的参数有(D ).A.流水节拍B.流水步距C.间歇时间D.施工段3.建设工程组织流水施工时,用以表达流水施工在施工工艺方面停顿状态的参数之一是( B).A.流水段B.施工过程C.流水节拍D.流水步距4.施工段是用以表达流水施工的空间参数.为了合理地划分施工段,应遵循的原则包含(BCE ).A.施工段的边界与布局边界无关,但应使同一专业工作队在各个施工段的休息量大致相等B.每个施工段内要有足够的工作面,以包管相应数量的工人、主导施工机械的生产效率,知足合理休息组织的要求C.施工段的边界应设在对建筑布局整体性影响小的部位,以包管建筑布局的整体性D.每个施工段要有足够的工作面,以知足同一施工段内组织多个专业工作队同时施工的要求E.施工段的数目要知足合理组织流水施工的要求,并在每个施工段内有足够的工作面二、掌握非节拍流水施工的特点、流水步距及流水施工工期的计算方法、非节拍流水施工的特点1.各施工过程在各施工段的流水节拍不全相等;2.相邻施工过程的流水步距不尽相等;3.专业工作队数等于施工过程数;4.各专业工作队可以在施工段上持续作业,但有的施工段之间可以有闲暇时间.、流水步距的确定在非节拍流水施工中,通常采取累加数列错位相减取大差法计算流水步距.由于这种方法是由潘特考夫斯基首先提出的,故又称为潘特考夫斯基法.累加数列错位相减取大差法的基本步调:1.对每个施工过程在各施工段上的流水节拍依次累加,求得各施工过程流水节拍的累加数列;2.将相邻施工过程流水节拍累加数列中的后者错后一位,相减后求得一个差数列;3.在差数列中取最大值,即为这两个相邻施工过程的流水步距.例:某工程由3个施工过程组成,分为4个施工段停止流水施工,其流水节拍见表2-1,试确定流水步距.解:(1)求各施工过程流水节拍的累加数列:施工过程Ⅰ:2,5,7,8施工过程Ⅱ:3,5,9,11施工过程Ⅲ:3,7,9,11(2)错位相减求得差数列:、流水施工工期确定流水施工工期可按公式计算:T=∑K+∑tn+∑Z+∑G-∑C式中:T——流水施工工期;∑K——各施工过程(或专业工作队)之间流水步距之和;∑t n——最后一个施工过程(或专业工作队)在各施工段流水节拍之和;∑Z——组织间歇时间之和;∑G——工艺间歇时间之和;∑C——提前拔出时间之和.典型题型:1.建设工程组织非节拍流水施工时的特点包含(BCE).A.各专业工作队不克不及在施工段上持续作业B.各施工过程在各施工段的流水节拍不全相等C.相邻专业工作队的流水步距不尽相等D.专业工作队数小于施工过程数E.有些施工段之间可以有闲暇时间2.某分部工程有两个施工过程,各分为4个施工段组织流水施工,流水节拍分别为2、4、3、4天和3、5、4、5天,则流水步距和流水施工工期分别为( B )天.A.2和19 B.3和20C.4和20 D.5和19、熟悉固定节拍流水施工特点及流水施工工期的计算方法知识点:(一)固定节拍(等节拍)流水施工的特点1.所有施工过程在各个施工段上的流水节拍均相等;2.相邻施工过程的流水步距相等,且等于流水节拍;3.专业工作队数等于施工过程数,即每个施工过程成立一个专业工作队,由该队完成相应施工过程所有施工段上的任务;4.各个专业工作队在各施工段上可以持续作业,施工段间没有闲暇时间.知识点(二)固定节拍(等节拍)流水施工工期某固定节拍流水施工,有A.B.C.D四个施工过程,施工段数m等于3个施工段,固定节拍流水所有施工过程在各个施工段上的作业时间全部相等,如A在第一个工作段是2天,第二个工作段是2天,第三个工作段是2天;B同样在第一个施工段2天,第二个流水段是2天,第三个流水段是2天,同理C.D一样,在每个施工段上的流水节拍都是2天.相邻的两个施工过程之间的间隔叫流水步距,A和B是两上相邻的两个施工过程,A和B之间的时间间隔是KA,B.KB,C.KC,D.流水工期:T=(n-1)K+mt=(n-1)t+mt=(m+n-1)t1.有间歇时间的固定节拍流水施工所谓间歇时间,是指相邻两个施工过程之间由于工艺或组织安插需要而增加的额外等待时间,包含工艺间歇时间(Gj,j+1)和组织间歇时间(Zj,j+1).某固定节拍流水施工,有A.B.C.D四个施工过程,施工段数m等于3,流水节拍为2天,在C与D之间有工艺间歇时间G.T=(m+n-1)t+GT=(m+n-1)t+∑G+∑Z例:施工过程数n=4,施工段数m=4,流水节拍t=2,流水步距K=t=2,所有组织间歇Z=0,除Ⅱ和Ⅲ之间GⅡ,Ⅲ=1,其余的为0.这样的一个工程要组织固定节拍流水施工,其流水施工总工期是多少?按公式:T=(m+n-1)×t+∑G+∑Z=(4+4-1)×2+1=15天2.有提前拔出时间的固定节拍流水施工所谓提前拔出时间,是指相邻两个专业工作队在同一施工段上共同作业的时间.在工作面允许和资源有包管的前提下,专业工作队提前拔出施工,可以缩短流水施工工期.对于有提前拔出时间的固定节拍流水施工,其流水施工工期T可按公式计算:T=(n-1)t+∑G+∑Z-∑C+m•t=(m+n-1)t+∑G+∑Z-∑C典型题型:1.基础工程划分4个施工过程(挖基槽、作垫层、混凝土浇筑、回填土)在5个施工段组织固定节拍流水施工,流水节拍为3天,要求混凝土浇筑2天后才干停止回填土,该工程的流水工期为(C)天.A.39 B.29 C.26 D.14、熟悉成倍节拍流水施工特点及流水施工工期的计算方法知识点(一)加快的成倍节拍流水施工的特点1.同一施工过程在其各个施工段上的流水节拍均相等;分歧施工过程的流水节拍不等,但其值为倍数关系;2.相邻专业工作队的流水步距相等,且等于流水节拍的最大公约数(K);3.专业工作队数大于施工过程数,即有的施工过程只成立一个专业工作队,而对于流水节拍大的施工过程,可按其倍数增加相应专业工作队数目;4.各个专业工作队在施工段上可以持续作业,施工段之间没有闲暇时间.知识点(二)加快的成倍节拍流水施工工期T=(n-1)K+mt=(n-1)t+mt=(m+n-1)t典型题型:1.建设工程组织流水施工时,相邻专业工作队之间的流水步距相等,且施工段之间没有闲暇时间的是( C).A.非节拍流水施工和加快的成倍节拍流水施工B.一般的成倍节拍流水施工和非节拍流水施工C.固定节拍流水施工和加快的成倍节拍流水施工D.一般的成倍节拍流水施工和固定节拍流水施工2.在流水施工方式中,加快成倍节拍流水施工的特点之一是(A).A.相邻施工过程之间流水步距相等,且等于流水节拍的最大公约数B.相邻施工过程之间流水步距相等,且等于流水节拍的最小公约数C.相邻施工过程之间流水步距不尽相等,但流水步距之间为倍数关系D.相邻施工过程之间流水步距不尽相等,但流水步距是流水节拍的倍数关系3.某分部工程有3个施工过程,各分为3个施工段组织加快的成倍节拍流水施工,各施工过程在各施工段上的流水节拍分别为6、4、6天,则专业工作队数应为(D )个.A.3 B.5 C.6 D.84.某分部工程有3个施工过程,各分为4个流水节拍相等的施工段,各施工过程的流水节拍分别为6、4、4天.如果组织加快的成倍节拍流水施工,则专业工作队数和流水施工工期分别为(D ).A.3个和20天B.4个和25天C.5个和24天 D.7个和20天三、懂得组织施工的方式及特点知识点:组织施工的方式思索工程项目标施工特点、工艺流程、资源操纵、平面或空间安插等要求,其施工可以采取依次、平行、流水等组织方式.1.依次施工概念:是将拟建工程项目中的每个施工对象分解为若干个施工过程,按施工工艺要求依次完成每个施工过程;当一个施工对象完成后,再按同样的顺序完成下一个施工对象,依次类推,直至完成所有施工对象.这种方式叫做依次施工.依次施工的特点(1)没有充分地操纵工作面停止施工,工期长;(2)如果按专业成立工作队,则各专业队不克不及持续作业,有时间间歇,休息力及施工机具等资源无法平衡使用;(3)如果由一个工作队完成全部施工任务,则不克不及实现专业化施工,晦气于提高休息生产率和工程质量.(4)单位时间内投入的休息力、施工机具、资料等资源量较少,有利于资源供应的组织;(5)施工现场的组织、管理比较简单.2.平行施工概念:平行施工方式是组织几个休息组织相同的工作队,在同一时间、分歧的空间,按施工工艺要求完成各施工对象.平行施工特点:(1)充分操纵工作面停止施工,工期短;(2)如果每个施工对象均按专业成立工作队,则各专业队不克不及持续作业,休息力及施工机具等资源无法平衡使用;(3)如果由一个工作队完成一个施工对象的全部施工任务,则不克不及实现专业化施工,晦气于提高休息生产率和工程质量;(4)单位时间内投入的休息力、施工机具、资料等资源量成倍地增加,晦气资源供应的组织;(5)施工现场的组织、管理比较复杂.3.流水施工概念:流水施工方式是将拟建工程项目中的每个施工对象分解为若干个施工过程,并依照施工过程成立相应的专业工作队,各专业队依照施工顺序依次完成各个施工对象的施工过程,同时包管施工在时间和空间上持续、平衡和有节拍的停止,使相邻两专业队能最大限度地搭接作业.流水施工方式的特点:(1)尽量地操纵工作面停止施工,工期比较短;(2)各工作队实现了专业化施工,有利于提高技术水平和休息生产率,也有利于提高工程质量;(3)专业工作队可以持续施工,同时使相邻专业队的开工时间可以最大限度地搭接;(4)单位时间内投入的休息力、施工机具、资料等资源量较为平衡,有利于资源供应的组织;(5)为施工现场的文明施工和迷信管理创造了有利条件.典型题型:1.建设工程流水施工方式的特点之一是( C).A.单位时间内投入的休息力较少B.专业工作队可以持续施工C.可以充分地操纵工作面停止施工D.施工现场的组织管理比较简单2.建设工程平行施工的特点包含( AD ).A. 可以充分操纵工作面停止施工B. 单位时间内投入的资源量较少C. 施工现场的组织管理比较简单D. 休息力及施工机具等资源无法平衡使用E. 各专业工作队可以持续作业3.某分部工程有3个施工过程,各分为5个流水节拍相等的施工段组织加快的成倍节拍流水施工.已知各施工过程的流水节拍分别为4、6、4天,则流水步距和专业工作队数分别为( D ).A.6天和3个 B.4天和4个C.4天和3个 D.2天和7个4.某分部工程有两个施工过程,分为4个施工段组织流水施工,流水节拍分别为3、4、4、5天和4、3、4、5天,则流水步距为(C )天.A.3 B.4 C.5 D.6。
流水施工的组织方式与工期计算建筑工程的流水施工要求有一定的节拍,才能步调和谐,配合得当。
流水施工的节奏是由流水节拍所决定的。
由于建筑工程的多样性,各分部分项的工程量差异较大,要使所有的流水施工都组织成统一的流水节拍是很困难的。
在大多数情况下,各施工过程的流水节拍不一定相等,甚至一个施工过程本身在各施工段上的流水节拍也不相等。
因此形成了不同节奏特征的流水施工。
在节奏性流水施工中,根据各施工过程之间流水节拍的特征不同,流水施工可分为:等节拍流水施工;异节拍流水施工和无节奏流水施工三大类。
一、等节拍流水施工定义:是指同一施工过程在各施工段上的流水节拍都相等,并且不同施工过程之间的流水节拍也相等的一种流水施工方式,也称为全等节拍流水或同步距流水。
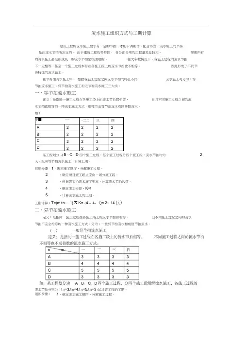
如:n m一二三四A2222B2222C2222D2222某工程划分 A、B、C、D 四个施工过程,每个施工过程分四个施工段,流水节拍均为 2 天,组织等节拍流水施工,计算工期。
组织步骤:1、确定施工顺序,分解施工过程。
2、确定项目施工起点流向,划分施工段。
3、根据等节拍流水施工要求,计算流水节拍数值。
4、确定流水步距,K=t5、计算流水施工的工期。
工期计算:T=(m+n-1)×K=(4+4-1)×2=14 (天)二、异节拍流水施工定义:是指同一施工过程在各施工段上的流水节拍都相等,但不同施工过程之间的流水节拍不完全相等的一种流水施工方式。
分为:一般异节拍流水和成倍节拍流水。
(一) 一般异节拍流水施工定义:是指同一施工过程在各施工段上的流水节拍相等,不同施工过程之间的流水节拍不相等也不成倍数的流水施工方式。
n m一 二三四A3333B4444C5555D3333如:某工程划分为 A、B、C、D 四个施工过程,分四个施工段组织流水施工,各 施工过程的流水节拍分别为:tA=3,tB=4,tC=5,tD=3;试求该工程的工期。
组织步骤:1、确定流水施工顺序,分解施工过程。
2 确定施工起点流向,划分施工段。
3 确定流水节拍。
4 确定流水步距。
5 确定计划总工期工期计算:流水步距 KA,B=tA=3 天;KB,C=tB=4 天;KC,D=m×tC-(m-1)×tD=4×5 -(4-1)×3=11(天)工期 T=∑K+tn=(3+4+11)+(4×3)=30 (天)(二) 成倍节拍流水定义:是指同一施工过程在各个施工段上的流水节拍相等,不同施工 过程的流水节拍之间存在整数倍关系的流水施工方式。
n m A一二三222如:某项目有 A,B,C 三个施工过B C666444程组成,流水节拍分别是 tA=2,tB=6,tC=4 试组织等步距的异节拍流水施工。
组织步骤:1、确定流水施工顺序,分解施工过程。
2 确定施工起点流向,划分施工段。
3 确定流水节拍。
4 确定流水步距。
5 确定专业工作队数6 确定计划总工期工期计算:b1=t1÷K=2÷2=1;b2=t2÷K=6÷2=3;b3=t3÷K=4÷2=2 n1=1+2+3=6 即:m=n1=6工期 T=(6+6-1)×2=22 (天)三无节奏流水施工定义:是指同一施工过程在各施工段上的流水节拍不完全相等的一种流水施工方式,它是流水施工的普遍形式。
n m一 二三四A2432B3322C4232如:某工程有 A,B,C 三个施工过程,施工时在平面上划分四个施工段,每个施工过程在各施工段上的流水节拍如上图,试组织施工计算工期。
组织步骤:1、确定流水施工顺序,分解施工过程。
2 确定施工起点流向,划分施工段。
3 按相应的公式计算流水节拍。
4 确定相邻两个专业工作队之间的流水步距。
5 确定计划总工期工期计算:流水步距计算采用累加数列法(潘特考夫斯基法)计算:KA,B :2, 减6, 9, 3, 6,11 8, 103, 3, 3,—10KA,B=3(天) 同理:KB,C=3(天) 工期计算:T=∑K+tn=3+3+4+2+3+2=17(天)无节奏流水施工不象等节拍流水施工和异节拍流水施工那样有一定的时约束,在进度安排上比较灵活/自由,适用于各种不同结构性质和规模的工程施工组织,实际应用比较广泛。
在上述各种流水施工的基本方法中,等节拍和异节拍流水通常在一个分部或分项工程中,组织流水施工比较容易做到,即比较适用于组织专业流水或细部流水。
但对一个单位工程,特别是一个大型的建筑群来说,要求所划分的各分部/分项工程采用相同的流水参数组织流水施工,往往十分困 难,也不容易达到。
因此,到底采用哪一种流水施工的组织形式,除要分析流水 节拍的特点外,还要考虑工期要求和项目经理部自身的具体施工条件。
任何一种流水施工的组织形式,仅仅是一种组织管理手段,其最终目的是要 实现企业目标—工程质量好、工期短、成本低、效益高和安全施工。
施工段与施工过程数的关系: A.当 m>n 时,各专业工作队能够连续施工,施工段有空闲;B.当 m=n 时,各专业工作队能够连续施工,施工段没有空闲;C.当 m<n 时,专业工作队不能连续施工,施工段没有空闲,使专业工作队 窝工。
例 3-2:某项目有四个施工段组成,分别由 A、B、C、D 四个专业工作队完成,在平面上划分成四个施工段,每个专业工作队 在各施工段上的流水节拍见下表,试确定相邻 专业工作队之间的流水步距.施工段 工作队 AⅠ ⅡⅢⅣ 4 232i.求各专业工作队的累加数列 A: 4 6 9 11 B: 3 7 10 14B3 434C3 223D2 212C: 3 5 7 10D: 2 4 5 7ii.错位相减A 与 B:4 6 9 11-3 7 10 144 3 2 1 -14B 与 C: -3 7 10 14 3 5 7 103 4 5 7 -10C 与 D:3 5 7 10-245 73 3 3 5 -7 iii.求流水步距因流水步距等于错位相减中数值最大者,故有:3.3.3.无节奏专业流水施工在项目实际施工中,通常每个施工过程在各个施工阶段上的工程量彼此不 同,各专业工作队的生产效率差别较大,导致大多数的流水节拍也彼此不相等, 不可能组织成等节奏或异节奏专业流水施工。
在这种情况下,往往利用流水施工 的基本概念,在保证施工工艺、满足施工顺序要求的前提下,按照一定的计算方 法,确定相邻专业工作队之间的流水步距,使其在开工时间上最大限度地、合理 地搭接起来,形成每个专业工作队都能够连续作业的流水施工方式,称为无节奏 专业流水施工,也叫做分别流水。
(1)特点①每个施工过程在各个施工段上的流水节拍不尽相同; ②在多数情况下,流水步距彼此不相等,而且流水步距与流水节拍二者之间 存在着某种函数关系; ③各专业工作队都能连续施工,个别施工段可能有空闲。
(2)本施工方式的组织步骤 ①确定施工起点流向,分解施工过程; ②确定施工顺序,划分施工段; ③按相应的公式计算各施工过程在各个施工段上的流水节拍; ④按一定的方法确定相邻两个专业工作队之间的流水步距; ⑤计算流水施工的计划工期T——流水施工的计划工期; Kj,j+1——j 与 j+1 两个专业工作队之间的流水步距;tzhi——最后一个施工过程在第 i 个施工段上的流水节拍; ∑Z——技术间歇时间之和;∑Zj,j+1——相邻两个专业工作队 j 与 j+1 之间的技术间歇时间之和(1≤j≤ n-1);∑Zk,k+1——相邻两个施工层之间的技术间歇之和(1≤k≤r-1); ∑G——组织间歇时间总和; ∑Gj,j+1——相邻两个专业工作队 j 与 j+1 之间的组织间歇时间之和(1≤j ≤n-1); ∑Gk,k+1——相邻两个施工层之间的组织间歇时间之和(1≤k≤r-1); ∑Cj,j+1——相邻两个工作队 j 与 j+1 之间的平行搭接时间之和(1≤j≤ n-1)。
⑥绘制流水施工进度表(3)举例分析例 3-11 某项目经理部拟承建一项工程,该工程有Ⅰ、Ⅱ、Ⅲ、Ⅳ、Ⅴ五 个施工过程,施工时在平面上划分成四个施工段,每个施工过程在各个施工段上 的流水节拍见表,规定施工过程Ⅱ完成后,其相应施工段至少要养护两 2 天;施 工过程Ⅳ完成后,其相应施工段要留有 1 天的准备时间,为了尽早完成,允许施 工过程Ⅰ与Ⅱ之间搭接施工 1 天,试编制流水施工方案。
施工段施 工过程 Ⅰ Ⅱ Ⅲ Ⅳ Ⅴ解:根据题设条件,该工程只能组织无节奏专业流水施工A.求流水节拍的累加数列①②③④Ⅰ: 3 5 7 11Ⅱ: 1 4 9 123224Ⅲ: 2 3 6 11 Ⅳ: 4 6 9 121353Ⅴ: 3 7 9 102135B.确定流水步距4233K1,23 5 7 11- 1 4 9 1234213 4 3 2 -12所以:K1,2=max{3,4,3,2,-12}=4(天)K2,31 4 9 12- 2 3 6 111 2 6 6 -11所以:K2,3=max{1,2,6,6,11}=6(天) 同理: K3,4=max{2,-1,0,2,-12}=2(天)K4,5=max{4,3,2,3,-10}=4(天)C.确定计划工期 Z2,3=2 天 G4,5=1 天 C1,2=1 天T=∑Kj,j+1+∑ti+∑Z+∑G-∑C =(4+6+2+4)+(3+4+2+1)+2+1-1 =28(天)分部工程划分为 3 个施工段,4 个施工过程,各过程在各施工段的持续时间如下表所示。
试组织流水施工节拍特点:同一施工过程在各施工段上的流水节拍不完全相等无节奏流水施工特点 节拍特征:同一施工过程在各施工段上流水节拍不一定相等 步距求解:“逐段累加,错位相减、差之取大”工期特征:T=∑Ki,i+1+TN 2,5,6-) 2,3,5 KA,B=max[ 2, 3, 3, -5] = 3 天KB,C=max[ 2,3,4,5 4,7, 9-1, -2, -9] = 2 天同理: KC,D=5 天T=∑K+TN=3+2+5+(2+5+3)=20 天1.双代号网络图的三要素是指( C )。
A.节点、箭杆、工作作业时间B.紧前工作、紧后工作、关键线路C.工作、节点、线路D.工期、关键线路、非关键线路2.利用工作的自由时差,其结果是( A )。
A.不会影响紧后工作,也不会影响工期B.不会影响紧后工作,但会影响工期C.会影响紧后工作,但不会影响工期D.会影响紧后工作和工期6.网络计划的缺点是( C )。
A.不能反映工作问题的逻辑B.不能反映出关键工作C.计算资源消耗量不便D.不能实现电算化7.某项工作有两项紧后工作 C、D,最迟完成时间:C=20 天,D=15 天,工作持续时间:C=7 天,D=12 天,则本工作的最迟完成时间是( B )。