实验室废水处理方案之令狐文艳创作
- 格式:doc
- 大小:120.02 KB
- 文档页数:9
常见工业废水处理技术介绍 1令狐文艳企业,主要分布在电子、塑胶、电镀、五金、印刷、食品、印染等行业。
从废水的排放量和对环境污染的危害程度来看,电镀、线路板、表面处理等以无机类污染物为主的废水和食品、印染、印刷及生活污水等以有机类污染物为主的废水是处理的重点。
本文主要介绍几种比较典型的工业废水的处理技术。
一、表面处理废水1.磨光、抛光废水在对零件进行磨光与抛光过程中,由于磨料及抛光剂等存在,废水中主要污染物为COD、BOD、SS。
一般可参考以下处理工艺流程进行处理:废水→调节池→混凝反应池→沉淀池→水解酸化池→好氧池→二沉池→过滤→排放2.除油脱脂废水常见的脱脂工艺有:有机溶剂脱脂、化学脱脂、电化学脱脂、超声波脱脂。
除有机溶剂脱脂外,其它脱脂工艺中由于含碱性物质、表面活性剂、缓蚀剂等组成的脱脂剂,废水中主要的污染物为pH、SS、COD、BOD、石油类、色度等。
一般可以参考以下处理工艺进行处理:废水→隔油池→调节池→气浮设备→厌氧或水解酸化→好氧生化→沉淀→过滤或吸附→排放该类废水一般含有乳化油,在进行气浮前应投加CaCl2破乳剂,将乳化油破除,有利于用气浮设备去除。
当废水中COD浓度高时,可先采用厌氧生化处理,如不高,则可只采用好氧生化处理。
3.酸洗磷化废水酸洗废水主要在对钢铁零件的酸洗除锈过程中产生,废水pH一般为2-3,还有高浓度的Fe2+,SS浓度也高。
可参考以下处理工艺进行处理:废水→调节池→中和池→曝气氧化池→混凝反应池→沉淀池→过滤池→pH回调池→排放磷化废水又叫皮膜废水,指铁件在含锰、铁、锌等磷酸盐溶液中经过化学处理,表面生成一层难溶于水的磷酸盐保护膜,作为喷涂底层,防止铁件生锈。
该类废水中的主要污染物为:pH、SS、PO43-、COD、Zn2+等。
可参考以下处理工艺进行处理:废水→调节池→一级混凝反应池→沉淀池→二级混凝反应池→二沉池→过滤池→排放4.铝的阳极氧化废水所含污染物主要为pH、COD、PO43-、SS等,因此可采用磷化废水处理工艺对阳极氧化废水进行处理。
·············工程令狐文艳施工方案建设单位:··········施工单位:················负责人:·············编制人:·······年···月···日油化柴油汽车装车栈台污水池工程施工方案【一】、工程概况本工程为··················工程,,承建位置座落在···················,为半地下水池,几何尺寸长×宽×深=···········,地面上500㎜高,地面下3800㎜深,C30混凝土结构(垫层C10),由下至上结构尺寸为垫层100㎜厚,底板600㎜厚,池壁400㎜厚,盖板200㎜厚。
水和废水监测分析方法一、令狐文艳二、浊度浊度是由于水中含有泥沙、粘土、有机物、无机物、、浮游生物和微生物等悬浮物质所造成的,可使光散射或吸收。
天然水经过混凝、沉淀和过滤等处理,使水变得清澈。
样品收集于具塞玻璃瓶内,应在取样后尽快测定。
如需保存,可在4℃冷藏、暗处保存24h,测试前要激烈振摇水样并恢复到室温。
(一)分光光度法⒈方法原理在适当温度下,硫酸肼与六次甲基四胺聚合,形成白色高分子聚合物.以此作为浊度标准液,在一定条件下与水样浊度相比较。
2.干扰及消除水样应无碎屑及易沉降的颗粒.器皿不清洁及水中溶解的空气泡会影响测定结果.如在680nm波长下测定,天然水中存在的淡黄色、淡绿色无干扰。
3.方法的适用范围本法适用于测定天然水、饮用水的浊度,最低检测浊度为3度。
⒋仪器①50ml比色管。
②分光光度计⒌试剂⑴无浊度水将蒸馏水通过0.2µm滤膜过滤,收集于用滤过水荡洗两次的烧瓶中。
⑵浊度贮备液①硫酸肼溶液:称取 1.000g硫酸肼((NH2)2SO4·H2SO4)溶于水中,定容至100ml。
②六次甲基四胺溶液:称取10.00g六次甲基四胺((CH2)6N4)溶于水中,定容至100ml。
③浊度标准溶液:吸取5.00ml硫酸肼溶液与5.00ml六次甲基四胺溶液于100ml容量瓶中,混匀。
于25℃±3℃下静置反应24h。
冷却后用水稀释至标线,混匀.此溶液浊度为400度.可保存一个月。
⒍步骤⑴标准曲线的绘制吸取浊度标准溶液0、0.50、1.25、2.50、5.00、10.00和12.50ml,置于50ml比色管中,加无浊度水至标线.摇匀后即得浊度为0、4、10、20、40、80、100的标准系列。
于680nm波长,用3cn比色皿,测定吸光度,绘制校准曲线.⑵水样的测定吸取50.0ml摇匀水样(无气泡,如浊度超过100度可酌情少取,用无浊度水稀释至50.0ml),于50ml比色管中,按绘制校准曲线步骤测定吸光度,由校准曲线上查得水样浊度。
目录令狐文艳第一部分启动—污泥的驯化和培养一、调试启动基本流程系统启动主要分3个阶段闷曝培养→连续进水驯化→稳定进水试运行具体操作方案如下:1、投加菌种将曝气池注满有机废水(或用清水混合桔水至COD>300mg/L),按曝气池蓄水量的0.5%~0.8%向曝气池中投加脱水活性污泥,尽量在2天内投加完毕。
2、培菌步骤当有菌种进入曝气池时,无论菌种是否投加完毕,必须立即开始培菌步骤。
(1)闷曝:所有曝气机的搅拌都开启,各转角的曝气机风机开启,剩余风机暂不开。
根据自控仪表显示的溶解氧变化调整曝气机风机的开停数量使溶解氧保持在1.5~2.5mg/L之间。
在污泥量少,供氧有富余时闷曝3~5小时后进入静沉步骤。
(2)静沉:将所有曝气机停止0.5~1小时。
需要注意的是开始静沉前,应将溶解氧提高到2.5~3mg/L之间。
(3)间歇补充废水:按(1)→(2)→(1)的顺序不断反复上述步骤,当监测到的COD值较最初降低了50%时,向曝气池补充设计处理量50%的有机废水。
以前2次进水时间间隔为基准安排进水时间,并且每天将此间隔缩短1半。
(4)完成培菌:经过5-7天的培养,曝气池污泥浓度(MLSS)达到1500mg/L左右时,可以进入驯化步骤。
3、驯化步骤:按设计处理量的30%左右连续进水,溶解氧控制在 1.5—3mg/L之间,在系统正常运行前提下每天按现有处理量的10%递增进水,直到达到设计处理量。
4、试运行:控制方法参看运行管理相关章节二、多系统调试步骤:如果为多曝气池的并联系统则应该先在其中1个池子中进行培菌,当污泥浓度达到1000mg/L以上时将一半污泥放至另一个池培养,如此反复直到所有池子都达到设计浓度时培菌完成。
三、溶解氧控制方法说明闷曝期间的溶解氧控制是较为灵活的。
在污泥浓度较低的调试阶段设备的充氧效率非常高,设备全开可以在短短1小时内将曝气池溶解氧从0提高到4mg/L。
因此,此阶段需要调试人员密切监控溶解氧的变化,建议每30分—1小时测定一次溶解氧值,根据实际变化调整曝气机的开停和开机数量。
第一章施工总说明令狐文艳第一节编制依据及编制原则一、编制依据1、贵州红果经济开发区两河新区污水集中治理建设项目(勘察、设计、施工)EPC总承包招标文件及设计图纸;2、工程现场勘察调研资料;3、相关法规、条例;4、贵州竞亿建筑工程有限公司管理体系《管理手册》;5、我公司现有施工力量和技术装备情况;6、我公司合作技术力量和行业资源、专业厂商、材料供应商;7、我公司在其他类似工程施工中总结出的经验;8、现行的有关设计、验收规范、施工技术规范。
8.1设计、地勘要求及规范:8.1.1建筑结构可靠度设计统一标准 (GB 50068-2001)8.1.2建筑结构荷载规范 (GB 50009-2012)8.1.3建筑抗震设计规范 (GB 50011-2010)8.1.4建筑工程抗震设防分类标准 (GB 50223-2008)8.1.5建筑地基基础设计规范 (GB 50007-2011)8.1.6贵州建筑地基基础设计规范 (DB 22/45-2004)8.1.7混凝土结构设计规范 (GB 50010-2010)8.1.8砌体结构设计规范 (GB 50003-2011)8.1.9地下工程防水技术规范(GB 50108-2008)8.1.10给水排水工程钢筋混凝土水池结构设计规程(CECS 138:2002)8.1.11给水排水工程构筑物结构设计规范(GB50069-2002)8.1.12混凝土外加剂应用技术规范(GB50119-2003)8.1.13北京金水源岩土工程有限公司提供的贵州红果经济开发区两河新区污水集中治理建设项目的地勘报告。
8.2《工程测量规范》GB50026-93;8.3《建筑地基基础工程施工质量验收规范》GB50202-2002;8.5《建筑地基处理技术规范》JGJ79-2002;8.6《混凝土结构工程施工质量验收规范》GB50204-2002;8.7《砌体工程施工质量验收规范》GB50203-2002;8.8《砌体工程现场检测技术标准》GB/T50315-2000;8.9《钢筋焊接及验收规程》JGJ18-2003;8.10《混凝土强度检验评定标准》GBJ107-87;8.11《建筑装饰装修工程施工质量验收规范》GB50210-2001;8.12《建筑地面工程施工质量验收规范》GB50209-2002;8.13《地下防水工程施工质量验收规范》GB50208-2002;8.14《屋面工程施工质量验收规范》GB50207-2002;8.15《建筑电气工程施工质量验收规范》GB50303-2002;8.16《通风与空调工程施工质量验收规范》GB50243-2002;8.17《建筑给水排水及采暖工程施工质量验收规范》GB50242-2002;8.18《民用建筑室内环境污染控制规范》GB50325-2001;8.19其它相应建筑工程和设备安装工程施工规范。
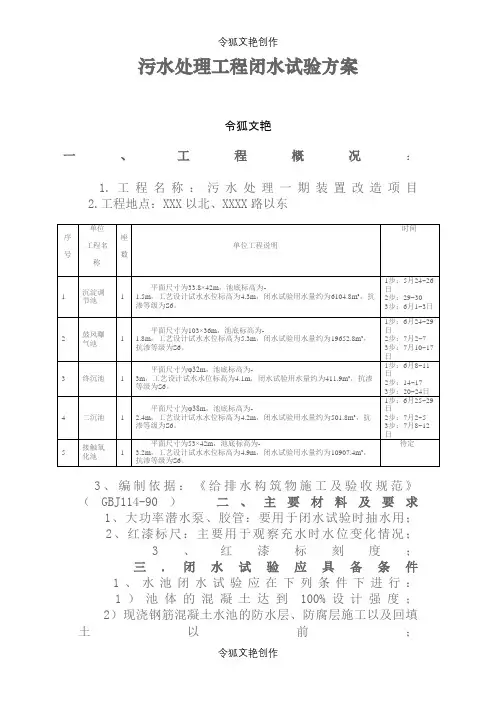
污水处理工程闭水试验方案令狐文艳一、工程概况:1.工程名称:污水处理一期装置改造项目2.工程地点:XXX以北、XXXX路以东3、编制依据:《给排水构筑物施工及验收规范》(GBJ114-90)二、主要材料及要求1、大功率潜水泵、胶管:要用于闭水试验时抽水用;2、红漆标尺:主要用于观察充水时水位变化情况;3、红漆标刻度;三.闭水试验应具备条件1、水池闭水试验应在下列条件下进行:1)池体的混凝土达到100%设计强度;2)现浇钢筋混凝土水池的防水层、防腐层施工以及回填土以前;2、水池闭水试验前,应做好下列准备工作:1)将池内清理干净,修补池内外的缺陷,临时封堵预留孔洞、预埋管口及进出水口等;2)检查充水及排水闸门,不渗漏;3)设置水位观测标尺;4)标定水位测针;5)准备现场测定蒸发量的设备;6)充水的水源应采用清水并做好充水和放水系统的设施。
3、水池闭水试验前,应做好下列检查工作:1)外观质量检查合格;2)构筑物内清理完毕,无杂物积水现象;3)全部预留孔洞封堵不得漏水,位于水池底板以下的管道应封堵坚固不得漏水,堵板承载力经核算并大于水压力;4)闭水试验所需材料设备进场,人员到位;5)试验脚手架搭设完毕,并符合安全规定。
四、闭水试验程序施工准备----清理检查内壁-----封堵预留洞口-----注水浸泡------检查外壁及预留洞口渗水情况------验收------缓慢放水四、闭水试验方法根据设计要求每个构筑物都必须在其主体结构混凝土达到100%设计强度后,并在防水层及防腐层施工前进行满水试验,用以考核检验污水处理构筑物的渗水量是否达到标准要求,以免污水渗漏,再次污染环境,而且也避免钢筋混凝土结构内钢筋遭受腐蚀,影响结构安全。
这期间应注意闭水试验必须用清水(切忌用污水),逐池缓慢地放水试验,发现渗漏点要做好标记。
试水水位应放至正常使用的最高水位,经二个昼夜的观察、记录,无渗漏再逐步放水。
1、准备工作充水之前首先将池内清理干净,以免充水后池内浮渣漂浮水面,影响测试精度。
满水试验方案第一章令狐文艳第二章工程概况1.1工程情况仙林污水处理厂二期项目施工项目位于栖霞区戴家库村,门牌编号为戴家库117号,其服务范围包括仙林新市区、栖霞镇、栖霞山风景名胜区,服务面积达到76km2。
原有仙林污水处理厂为一期,其现有规模为5万m3/d,此次招标为二期工程建设,将在原一期工程5万m3/d一级B排放标准规模基础上,改扩建新增5万m3/d处理能力,使现有处理能力提升至10万m3/d,并且将排放提升到一级A排放标准。
一期建设时已经在围墙内预留了二期工程用地,二期工程主要处理构筑物是在原有一期工程预留用地内进行建设。
主要施工内容为新建膜池、后缺氧池、超细格栅间、储泥池、回用泵房接触消毒池、机修车间、配套建筑、改造生化池、提升泵房的施工及维保;以及除自控系统外的全部设备安装及调试、联调安装及保修等。
现状场区南侧为南象山、北侧紧邻沪宁铁路、西侧厂外道路对面为村委会、东侧约80m处向东至红枫路范围内为居民区,整个厂区占地面积为57664.99m2,厂区设计标高为13.30m。
1.2现场情况选择现场水源及排水地点:对水池进行充水水源由施工现场用的自来水供应,供应能力为50m3/h,水管采用口径DN100PE管热熔连接管子直接铺设至1区后缺氧池上方,对水池试验用水排除采用4台3寸水泵排出连接管子直接铺设至下一只需满水试验的水池上方。
施工现场具备可靠的供电电源。
第2章编制依据2.1编制说明仙林污水处理厂二期项目施工,因工艺设计要求,其后缺氧池、膜池、超细格栅间、消毒接触池等污水处理构筑物中均为现浇钢筋混凝土结构水池,为保证以上单位工程污水处理的使用功能,按照《给水排水构筑物施工及验收规范》的要求,必须进行满水试验。
表3-1 现浇钢筋混凝土水池一览表2.2 编制依据1、各个构筑物施工图纸设计要求2、《给排水构筑物施工及验收规范》(GB50141-2008)3、《城市污水处理厂工程质量验收规范》(GB50344-2002)第3章满水试验3.1水池满水试验的前提条件1、水池试水试验应待受力结构完成且达到混凝土设计强度才能进行。
实验室废弃物的处理令狐文艳1. 前言废弃物,包含的种类繁多。
从实验室排出的废弃物,主要为列于附录中的物质。
排放这些废弃物时,受到政府颁布的各项法令的限制。
特别是化学物质,由于考虑到它会以某种形式危及人们的健康,所以从防止污染环境的立场出发,即使数量甚微,也要避免把它排放到自然水域或大气中去,而必须加以适当的处理。
通常从实验室排出的废液,虽然与工业废液相比在数量上是很少的,但是,由于其种类多,加上组成经常变化,因而最好不要把它集中处理,而由各个实验室根据废弃物的性质,分别加以处理。
为此,废液的回收及处理自然就需依赖实验室中每一个工作人员。
所以,实验人员应予足够的重视,疏忽大意固然不对,而即使由于操作错误或发生事故,也应避免排出有害物质。
同时,实验人员还必须加深对防止公害的认识,自觉采取措施,防止污染,以免危害自身或者危及他人。
本章所叙述的,是对实验室的废弃物中,以列于防止水质污染法的有害物质为对象,提出一些处理方法示例。
然而,这里所叙述的方法不是万能的,也可能由于废液的组成不同而不能充分发挥其应有的效果。
并且,随着各地处理设施或所要求的条件的不同,也可有各自不同的处理方法。
因此,对于各有关研究机构来说,若已有确定的处理标准,应按其进行;而若有新的更合理的处理方法,则应将其正确使用,进而自己也必须保持高度的热情,研究出更合理的处理方法。
2. 收集、贮存一般应注意的事项1).废液的浓度超过表4—1所列的浓度时,必须进行处理。
但处理设施比较齐全时,往往把废液的处理浓度限制放宽。
2).最好先将废液分别处理,如果是贮存后一并处理时,虽然其处理方法将有所不同,但原则上仍如表4—1所列的方法,将可以统一处理的各种化合物收集后进行处理。
3).处理含有络离子、螯合物之类的废液时,如果有干扰成份存在,要把含有这些成份的废液另外收集。
4).下面所列的废液不能互相混合:①过氧化物与有机物;②氰化物、硫化物、次氯酸盐与酸;③盐酸、氢氟酸等挥发性酸与不挥发性酸;④浓硫酸、磺酸、羟基酸、聚磷酸等酸类与其它的酸;⑤铵盐、挥发性胺与碱。
某纺织印染企业废水处理方案设计令狐文艳1 总论1.1简介纺织印染行业是工业废水排放大户,据估算,全国每天排放的废水量约(3-4)×106m3,且废水中有机物浓度高,成分复杂,色度深,pH变化大,水质水量变化大,属较难处理工业废水。
某企业拟新建以腈纶本色纱为主的棉化纤纺织及印染精加工项目。
根据《建设项目管理条例》和《环境保护法》之规定,环保设施的建设应与主体工程“三同时”。
受该企业委托,我们提出了该项目的废水处理方案,按本方案进行建设后,可确保废水的达标排放,能极大地减轻该项目外排废水对某县的不利影响。
1.2方案设计依据①《纺织染整工业水污染物排放标准》GB4287-92。
②《室外排水设计规范》GBJ14-87。
③《建筑给排水设计规范》GBJ15-87。
④国家相关法律、法规。
⑤委托方提供的有关资料。
⑥其它同类企业废水处理设施竣工验收监测数据等。
1.3方案设计原则①本设计严格执行国家有关法规、规范,环境保护的各项规定,污水处理后必须确保各项出水水质指标均达到污水综合排放标准。
②采用先进、成熟、稳定、实用、经济合理的处理工艺,保证处理效果,并节省投资和运行管理费用。
③设备选型兼顾通用性和先进性,运行稳定可靠,效率高,管理方便,维修维护工作量少,价格适中。
④系统运行灵活,管理方便,维修简单,尽量考虑操作自动化,减少操作劳动强度。
⑤设计美观,布局合理,与周围环境统一协调。
⑥尽量采取措施减小对周围环境的影响,合理控制噪声,气味,妥善处理与处置固体废弃物,避免二次污染。
1.4设计范围①污水处理站污水、污泥处理工艺技术方案论证。
②污水处理站工程内容的工艺设备、建筑、结构、电气、仪表和自动控制等方面的工程设计及总平面布置。
③工程投资预算编制。
2 工程概况2.1废水来源及特点该企业的工业废水主要来自退浆、煮炼、漂白(合称炼漂废水)和染色、漂洗(合称印染废水)工段,各工段废水特点如下:①退浆废水退浆是利用化学药剂去除纺织物上的杂质和浆料,便于下道工序的加工,此部分废水所含杂质纤维较多。
※※※※※※※※※※※※※※※※※※※※※※※※※※※令狐文艳1200m3/h印染污水处理工程※※※※※※※※※※※※※※※※※※※※※※※※※※※技术方案目录一、工程概况二、设计依据、规范范围及原则三、设计水量与水质四、处理工艺的选择五、处理工艺设计六、运行成本及效益分析七、环境影响分析八、投标设备质量性能保证和检验、验收九、技术、售后服务承诺一、工程概况本工程所要处理的污水为染整废水主要是在印染过程中产生的一系列废水,废水的主要特点是:温度高、悬浮物含量高,有机污染物浓度大,色度大,另外还含有化学试剂,同时另一股废水来自拉链处理过程中的产生的涂装废水和氧化废水,其中印染废水为900m3/d,涂装、氧化废水为250m3/d。
业主根据环保要求已经建成了污水处理站,印染废水通过冷却塔降温,降温后进入调节池由提升泵提升至气浮装置,经调节PH值,投加聚凝剂、助凝剂搅拌反应后,通过固液分离处理,降解水中的色度、悬浮物、油类物质、有机物等有害物质,调节废水的可生化性;涂装废水、氧化经收集后通过隔油处理进入调节池由提升泵提升至PH值调节系统,调整PH值后投加聚凝剂、助凝剂,搅拌反应后进入沉淀处理系统进行固液分离,去除废水中的油、重金属、悬浮物、有机物等有害物质后通过过滤出来后,二股废水经处理系统处理后合并进入A-O生化处理系统,生化处理系统采用A-O接触氧化法,利用硝化和反硝化生物处理原理,去除水中的有机物、氨氮、磷、色度等。
经生化处理后的出水进入沉淀池进行固液分离,经沉淀池处理后的废水排入自然水体。
由于当时建污水站时的排放指标要求比较低,处理工艺设计按照当时行业保证进行设计,通过几年运行,处理工艺已经处于劣势,加上近年来环保要求升级,各项指标排放要求提高,处理系统排水难以满足排放保证。
针对这一情况业主决定对系统进行升级改造,保证排放污水各项指标达到国家规定的要求。
我公司受厂方的委托,根据厂方提供的废水水量、水质资料,借鉴相关工程实际运行经验,本着投资省、处理效果好、运行成本低的原则,编制了该初步改造设计方案,供业主和有关部门决策参考。
安康市紫阳县污水处理厂离子除臭系统令狐文艳技术方案2016年4月1日1.项目概况紫阳县污水处理厂,坐落于陕西安康市,设计处理能力为日处理污水0.80万立方米。
自2013年8月正式投入运行以来,污水处理设备运转良好,日平均处理污水量为0.44万立方米。
该项目采用先进的污水处理设备,厂区主体工艺采用CASS处理工艺。
紫阳县污水处理厂建成后极大地改善了城市水环境,对治理污染,保护当地流域水质和生态平衡具有十分重要的作用,同时对改善安康市的投资环境,实现安康市经济社会可持续发展具有积极的推进作用。
臭气是一类挥发性的气体,其分子在空气中扩散,对机械设备会产生腐蚀作用,被吸入人体的嗅觉器官,将引起极不愉快的气味感觉。
为了削减污水处理厂运行过程中臭气的浓度,避免所产生的异臭味废气对设备的腐蚀及对水厂员工、生产环境、周围大气环境等造成一定的影响。
根据要求,须对产生恶臭气体的污水和污泥设施进行除臭处理,以确保处理后的尾气必须达标后排放。
经计算,本项目臭气处理量3000m3/h经过本公司实地调研及详细工艺比选,结合甲方的要求,紫阳污水处理厂选择等离子除臭技术对臭气进行处理,处理后臭气达到GB14554-93《恶臭污染物排放标准》中厂界15m排放标准。
具体排放量见下表:2.设计依据及设计原则2.1设计依据◆《中华人民共和国环境保护法》(1989年12月);◆《中华人民共和国大气污染防治法》)(2000年4月29);◆《中华人民共和国恶臭污染物排放标准》(GB14554-93);◆《城镇污水处理厂污染物排放标准》(GB18918-2002);◆《实用环境工程手册》(大气污染控制工程);◆《工业企业设计卫生标准》(GBZ1-2002);◆《地表水环境质量标准》(GB3838-2002);◆《工业自动化仪表工程施工及验收规范》(GBJ93-86);◆《工业场所有害因素职业接触限值》(GBZ2-2002);◆《采暖通风与空气调节设计规范》(GB50019-2003);◆《通风与空调施工质量验收规范》(GB50243-2002);◆建设方提供的生产工艺、臭气处理量、处理要求等基础资料。
SBR-BAF工艺处理乳酸废水的研究令狐文艳摘要对采用SBR-BAF工艺处理乳酸废水的工艺作了详细说明。
工程实践表明,进水COD和BOD5分别为 1 402~1 621、634~823mg/L,经过SBR-BAF两级生化处理后,出水COD和BOD5分别为65~80、11~17 mg/L,COD和BOD5的总去除率分别为95%和98%,出水符合《污水综合排放标准》(GB 8978—1996)一级标准。
关键词SBRBAF 乳酸废水Treatment of lactic acid wastewater by SBR-BAF process Wang Baiyang,Wang Huiping,Lai Jianghua,Liu Wenting.(School of Environmental Science and Engineering,Nanchang University,Nanchang Jiangxi 330029)Abstract: The craft SBR-BAF processforlactic acid wastewater was introduced. The engineering example indicated that the lactic acid wastewater which has highly concentrated organic impurities and large fluctuating of quality and flux can be treated effectively by this process,the quality of the final effluent can meet the First Grade of the NationalEffluent Discharge Standard(GB8978——1996). It has notable advantages such as simple design,flexible operation,less land and stable effect on treatment.Keywords: sequencing batch reactor;biological aerated filter;lactic acid wastewater某公司以淀粉糖为原料,通过发酵生产乳酸。
xxxxx有限公司令狐文艳1000m3/d废水处理工程设计方案有限公司二零一一年八月目录第一章概述1.1 项目背景xxxxx有限公司年产5万吨新型铝型材项目拟选址于xxxxxxxxxxxxxx。
项目总占地面积136亩,总投资4800 万元,其中环保投资472.3万元,约占总投资的9.8%,新建生产车间、仓库、办公室、生活用房及附属配套设施等53286m2。
项目投产后可年产铝型材5万吨。
项目计划于2011年6月开工建设,建设期12个月,预计于2012年7月投入试生产。
项目拟建20吨熔铸炉12台、12米深井铸锭设备6套、全自动铝型材挤压生产线24条、氧化电泳涂漆生产线3条、卧式喷涂带木纹生产线2条、卧式静电喷涂生产线2条、隔热穿条生产线2条。
这些生产线在加工过程中会产生大量的生产污水,如不经处理直接外排会对环境造成极大危害。
据国家有关环保法律法规,该废水必须进行有效处理,实现达标排放。
本项目排水包括生产废水、生产管理废水、生活污水、清洁下水,其中除清下水外其他废水均收集后进入污水综合处理站处理。
由于工艺生产中废水(主要是表面处理废水)种类多、水质较复杂,应本着分类收集、分类处理、充分发挥现有经验和确保达标排放的原则做好生产废水的治理工作。
而总镍是第一类污染物,必须在车间排放口达标。
生产过程中含镍废水主要由着色和封孔工序产生,将这两股水在车间内汇合后经石灰乳中和深沉,总镍处理达到车间排放标准后进入综合调节池与其它废水一同进行后续处理;含氟废水采用中和-絮凝沉淀的处理方法处理达标后自流入综合反应池一进行后续处理;碱蚀废水先用于酸性废气洗涤塔,吸收酸后同其它废水一起汇入综合废水调节池,由泵提升至综合处理系统中进行处理。
的污染治理设计、施工、调试等技术工作经验,从实际出发,本着科学、合理的原则,为企业解决环境污染治理问题,是企业环境治理问题方面的知心朋友,长期在全国各地进行优质、优良的环保技术服务。
依据长期的技术积累和同类废水处理的实践经验,特提出该废水处理方案,供企业和有关部门的领导参考决策。
1. 设计水质令狐文艳1.1 进水水质参照国内类似城市污水水质,并结合当地经济发展水平,确定污水厂的进水水质如表1所示。
表1 污水厂进水水质指标单位:mg/L指标COD cr BOD5SS NH3-N TP TN pH 进水500 300 360 35 3 40 6~91.2出水水质出水水质要求满足国家《城镇污水处理厂污染物排放标准》(GB8978-2002)一级A准,其水质如表2所示。
表 2 污水厂出水水质指标单位:mg/L指标COD cr BOD5SS NH3-N TP TN pH 出水50 10 10 5 0.5 15 6~91.3 设计水温设计最低水温T1=8℃,平均水温T2=20℃,最高水温T3=25℃。
2. SBR(脱氮除磷)主要设计参数表3 SBR脱氮除磷工艺的主要设计参数3. 设计计算(1)反应时间T R:式中:T R——反应时间,h;m——充水比,取0.30;So ——反应池进水五日生化需氧量,mg/L ,300mg/L ;L S ——反应池的五日生化需氧量污泥负荷,kgBOD 5/(kgMLSS ·d),取0.12kgBOD 5/(kgMLSS ·d);X ——反应池内混合液悬浮固体(MLSS )平均浓度,kgMLSS/m 3取4.0kgMLSS/m 3。
取反应时间T R 为4h 。
(2)沉淀时间T S :当污泥界面沉降速度为7.14max X t 104.7u -⨯=(MLSS 在3000mg/L及以下)当污泥界面沉降速度为26.14max X 106.4u -⨯=(MLSS 在3000mg/L以上)设反应池的有效水深h 取5.0m ,缓冲层高度ε取0.5m 。
因此必要沉淀时间为: 取沉淀时间T S 为:1 h 。
(3)运行周期T :设排水时间T D 为1h ,反应池数N=4,则一个周期所需要的时间为:Tc ≥T R +T S +T D =(4+1+1)h=6h所以每天的周期数为:n=24/8=3 进水时间为:h24/8N /T T C F===(4)反应池容积SBR 反应池容积,可按下式计算: 式中:V ——反应池有效容积,m 3;Q’——每个周期进水量,m 3,每个周期进水量为)h /m (7.34)d /m (83332500Q 33===;So ——反应池进水五日生化需氧量,mg/L ,300mg/L ;L S ——反应池的五日生化需氧量污泥负荷,kgBOD 5/(kgMLSS ·d),取0.12kgBOD 5/(kgMLSS ·d);X ——反应池内混合液悬浮固体(MLSS )平均浓度,kgMLSS/m 3取4.0kgMLSS/m 3;T R —— 每个周期反应时间,h 。
xx有限公司令狐文艳水膜除尘废水处理回用工程设计方案xx有限公司2016.10目录1 总论- 1 -1.1 项目概况- 1 -1.2 设计依据- 1 -1.3 设计原则- 2 -1.4 设计范围- 3 -2 工艺设计- 4 -2.1 设计水量和水质- 4 -2.2 处理工艺设计- 4 -3.总平面布置和高程布置- 6 -3.1 高程布置- 6 -3.2.总图布置- 6 -4.建筑与结构设计- 7 -4.1.建筑设计- 7 -4.2.结构设计- 7 -5.电气、仪表- 8 -6.劳动定员- 9 -令狐文艳创作7.投资估算- 10 -7.1.投资估算依据- 10 -7.2.设备投资估算- 10 -7.3 其他费用- 10 -7.4 总投资- 10 -1 总论1.1 项目概况xx有限公司位于湖州市吴兴区妙西镇塔山,是一家从事蒸压加气砌块、板材(砂加气)的生产企业,该公司锅炉废气处理采用水膜除尘,循环使用后废水色度、悬浮物增加,并且PH降低,需经过处理后循环使用,废水中的主要污染物包括SS、色度、PH等,为贯彻落实环境保护政策,保护周边环境,节约水资源,该公司计划新建一座污水处理站,对水膜除尘废水处理后确保废水回用于废气处理。
我公司接受xx有限公司的委托,结合以往对该类废水的处理经验提出并编制完成了以下废气处理设计方案,谨供有关部门审核。
1.2 设计依据1.2.1. xx有限公司提供的相关资料。
1.2.2 《室外排水设计规范》(GB50014-2006)1.2.3《室外给水设计规范》(GBJ13-86)1.2.4 《给水排水工程结构设计规范》(GB50069-2002)1.2.5《建筑给水排水设计规范》(GBJ15-88)1.2.6《地下工程防水技术规范》(GBJ108-87)1.2.7 《建筑地基基础设计规范》(GB50007-2002)1.2.8 《建筑结构可靠性设计统一标准》(GB50068-2001)1.2.9 《建筑抗震设计规范》(GB50011-2001)1.2.10《混凝土结构设计规范》(GB50010-2002)1.2.11《电气装置施工及验收规范》(GBJ232—82)1.2.12《电力建设施工及验收设计规范》(DLJ58-81)1.2.13《电气装置安装工程盘、柜及二次回路结线施工及验收规范》(GB50171)1.2.14《机械设备安装工程施工及验收规范》(GBJ231-75)1.3 设计原则1.3.1. 严格执行国家的环境保护政策,遵循国家相关法规、规范和标准。
令狐文艳创作目录令狐文艳令狐文艳创作一、施工方案及技术措施1. 工程概况1.1 工程简介1.1.1 工程描述:XX项目污水处理站工程建设规模为750m3/d,工程包括土建工程,设备供货、安装及试运行工程。
本工程出水水质执行GB18918-2002《城镇污水处理厂污染物排放标准》规定的一级排放B标准或施工图设计要求。
1.1.2 现场位置:安阳市殷都区祥和小区。
1.2 工程内容1.2.1 工程范围1.2.1.1 厂区内所有构筑物及其生产附属建筑物的土建工程施工、所有工艺设备、电气设备、自控设备的供货、安装、检验及调测试、联动。
1.2.1.2包括各种工艺管,线、设备、电气管线的供货和安装。
1.2.1.3 配合业主和设备供货商进行设备调试和全厂试运行。
1.3工期计划开竣工日期:合同约定计划工期:90日历天2.编制说明2.1 编制范围本施工组织设计由我单位组织技术骨干力量,在认真阅读了招标文件、招标施工图,并组织了施工组织设计编制相关人员考查了拟建场地状况的基础上,认真编制了本施工组织设计。
本施工组织设计是我项目部对本工程质量、工期等方面进行程序化管理的指导性文件,用以指导本工程的施工和管理,确保优质、高速、文明完成本工程标书要求的全部施工任务。
2.2 编制依据XX项目污水处理站工程设计图纸、招标文件;我项目部对现场及对周边实际情况的了解;有关技术质量管理、安全施工管理、文明施工管理制度;2.3本工程采用的法规、规范、标准及其它《中华人民共和国建筑法》《建筑工程质量管理条例》国家、行业及地方颁布的现行建筑设计和建筑施工的各类规程、规范及验收标准安阳市人民政府有关建筑安装工程管理、环境保护等地方性法规、安全生产、文明施工的规定《给水排水构筑物工程施工及验收规范》(GB50141-2008)《混凝土结构工程施工质量验收规范》(GB50204-2015)《工程测量规范及条文说明》(GB50026-2007)《钢筋焊接接头试验方法标准》(JGJ/T27-2014)《钢筋焊接及验收规程》(JGJ18-2012)《砌体工程施工质量与验收规范》(GB50203--2011)《给水排水管道工程施工及验收规范》(GB50268-2008)《建筑工程施工质量验收统一标准》(GB50300-2013)《建筑电气工程施工质量验收规范》(GB50303-2011)3. 工程特点3.1 工程特点XX项目污水处理站工程除具有现浇混凝土量大、建筑物及构筑物多、工艺管线复杂等特点外,还具有以下特点:(1)XX项目污水处理站工程作为新建工程,所包含分部工程数量多。
工程编号:令狐文艳污水处理站恶臭气体治理工程《方案设计》XXXXXXXXXXXXX二零一三年八月编制目录第一章项目概述31.1、概述31.2、设计依据、原则与范围71.2.1、项目名称71.2.2、编制单位71.2.3、工艺设计依据71.2.4、工艺设计原则81.3、项目建设必要性9第二章设计规模、处理浓度和处理要求102.1、设计规模102.2、恶臭气体成分112.3、处理要求112.4、设计内容与范围12第三章恶臭气体工程设计方案的确定123.1、恶臭气体处理技术一般情况介绍123.3 核心技术153.4、推荐工艺16第四章工程设计及设计说明244.1恶臭气体捕集244.2成套预处理塔264.3成套生物洗涤塔264.4成套生物过滤塔264.5引风机274.6引风管道及冷凝水回收设计274.6控制系统284.7主要设备一览表28第五章投资估算305.1编制依据305.2投资概算30第六章技术经济指标分析356.1处理能力356.2处理效果356.3建设投资356.4运行成本估算35第七章结论与说明37第一章项目概述1.1、概述废水处理站日设计处理规模为240m3。
根据XXX废水水质特性和已投产类似白酒酿造废水处理站的实际运行情况分析,该废水处理站的调节池(事故池、储水池)、厌氧池、A2O池、接触氧化池、污泥浓缩池和污泥脱水等工序在生产运行过程中会产生难闻的恶臭气体,内含H2S、NH3和少量挥发性有机溶剂(VOCs)。
若不采取有效措施,恶臭气体四处散发,将导致废水处理站区和周边空气环境的污染。
为此,XXX非常重视,拟将废水处理站的废气除臭工作提到当前的重要议事日程上来,决定采取有效措施治理处理站产生的恶臭气体,以树立企业良好形象并促进可持续发展。
调节池(事故池一)检查孔缺氧、兼氧池事故池二恶臭气体处理主体设备安装位置成都XXX环境技术有限公司(下简称XXX环境)简介XXX公司受XXX的委托,派员实地了解XXX废水处理站恶臭气体现状、以后运行情况预测,编制了《四川XXX股份有限公司污水处理站恶臭气体治理工程方案设计》。
实验室废水处理项目
令狐文艳
技
术
方
案
目录
1、总论1
1.1工程概述1
1.2公司简介1
2、工程设计基本要求2
2.1进出水水质及设计要求2
2.2设计依据2
2.3设计原则3
2.4、设计范围3
3、工艺流程选择及确定4
3.1、废水特性分析4
3.2、废水处理工艺的选择4
4、设备概述5
4.1、设备概述5
4.2、设备优点5
5、经济分析6
5.1、运行成本6
5.2、投资成本6
1、总论
1.1工程概述
该公司是检测机构。
主营食品和废水检测。
现实验室废水经预处理后,需经深度处理,出水达到城市污水管网排放标准,根据公司提供的数据,废水排放量约6m3/d。
我公司根据项目特点,依据国家设计规范和同类工程调研及工程实践经验,本着处理达标、经济环保的原则,完成该方案设计。
2、工程设计基本要求
2.1进出水水质及设计要求
1、进水水量
根据公司提供的数据,平均每天污水产生量为6 m3,一天运行10小时,并按照最大时最大量确定,设计污水处理一体化设备污水处理量为1m3/h。
2、进水水质
设计污水处理系统进水水质数据如下:
3、出水水质
根据公司要求,设计排水执行《污水排入城市下水道水质标准》(CJ343-2010)B等级标准,出水排入城市下水道。
具体指标见下表:
2.2设计依据
1、《中华人民共和国环境保护法》
2、《中华人民共和国水污染防治法》
3、《污水排入城市下水道水质标准》(CJ343-2010)
4、《给水排水工程构筑结构设计规范》(GB50069-2002)
5、《建筑给水排水设计规范》(GB50015-2003)
6、《给水排水设计手册》和《环境工程设计手册(水污染防治卷)》
2.3设计原则
1、严格执行环境保护有关法律法规,按规定的排放标准排放,即使处理后的污水各项指标达到或优于排放标准。
2、结合厂方实际情况,采用先进、经济、合理、成熟、可靠的处理工艺并依据甲方要求进行设计。
3、工艺设计与设备选型能够在生产运行过程中具有较大的灵活性和调节余地,能适应水质、水量的变化,确保出水水质稳定,达标排放。
4、工艺运行过程中,便于操作管理及维修,节能、动力消耗和运行费用低。
2.4、设计范围
此废水处理设施为新建工程,废水由我方更改原废水管道,将废水引流至指定的位置进行处理。
3、工艺流程选择及确定
3.1、废水特性分析
废水是实验室废水经该公司原有废水处理设备处理后废水和实验器材清洗废水,其特点可概括如下:
1、废水pH呈现弱酸性。
2、废水COD主要来源为溶解性有机污染物。
3、废BOD较低,属难生化废水。
3.2、废水处理工艺的选择
基于溶解性有机物为COD的主要来源,且较难生化,本公司选定使用芬顿试剂对废水中有机物进行氧化分解,保证出水各项指标符合排放标准。
芬顿试剂特点:芬顿试是由H2O2和Fe2+组成的混合体系,它通过催化分解H2O2产生氧化性仅次于氟的·OH自由基,将大分子有机物降解为小分子有机物和分解大部分有机物生成二氧化碳、水等无机物。
COD去除率能达到70%以上。
3.3、工艺流程说明
根据甲方现场及水质情况,确定三个实验室分别用三根污水管道将废水引入废水处理系统的调节水槽,通过实验表明,该废水pH值为3时,利用芬顿试剂降解COD的效率最高,因此通过向调解槽废水进口处加入硫酸溶液,调节pH至3左右,当废水通过溢流进入反应槽一时,在其进口处投加一定量的硫酸亚铁溶液并充分搅拌,并在反应槽二的进口处投加一定量的双氧水,搅拌使之反应完全,此时废水中的有机物得到降解,COD含量符合排放标准,由于投加芬顿试剂使废水内含有大量的铁离子,因此需在反应槽二后设置絮凝反应槽和沉淀池,并在反絮凝反应槽的进口处投加NaOH 溶液,将pH调至7左右,还会使铁离子产生Fe(OH)3沉淀。
在进入沉淀池的管道内投加絮凝剂PAM,絮凝生成的不溶物,在沉淀池内与水分离使出水清澈。
考虑到设备运行环境和有限的占地面积,选择竖流沉淀池,沉淀池底部留有排污口,需定期排泥。
沉淀池内的上层清水符合排放标准。
沉淀池后接纯水箱,将部分纯水通过回流泵打入各个加药箱用于配药。
其余废水通过纯水箱溢流全部排入
城镇下水道管网。
工艺流程图
4、设备概述4.1、设备统计表
4.2、设备优点
(1)、具有处理速度快:可连续进水,连续出水。
(2)、整机面积小:1m3/h占地≤5m2。
(3)、出水净化度高:COD去除率>70%。
(4)、噪音低:<60分贝
(5)、自动化运行稳定可靠。
(6)、可大大节省设备的维修和保养费用以及操作人员等各种费用。
5、经济分析
5.1、运行成本
1、电费
设备总功率4.5kwh,以电费单价为0.52元/Kwh计,则吨水电费为2.3元。
2、药剂费
浓硫酸(98%):30ml/吨,0.5元
双氧水(30%):0.75L/吨,7元
硫酸亚铁(固体):0.3kg/吨,3元
氢氧化钠(固体):kg/吨,0.5元
PAM(固体):kg/吨,0.1元
总计吨水药剂费:0.5+7+3+0.5+0.1=11.1元
3、人工费
本设备为全自动化运行,每日只需专人加药一次。
4、运行成本
吨水运行成本以电费及药剂费进行计算,合计为2.3+11.1=13.4元。
5.2、投资成本。