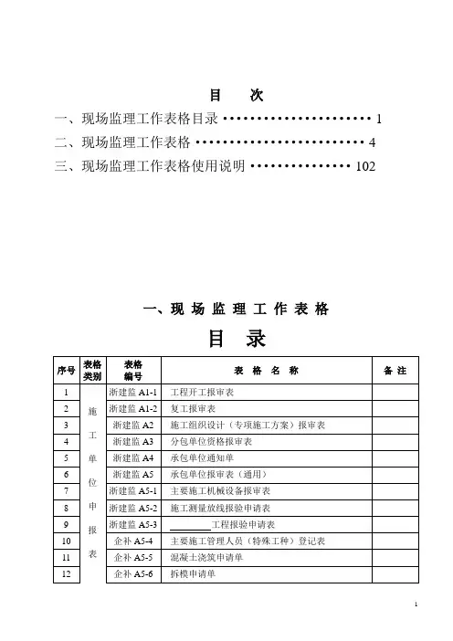
工程专用报审表汇总
- 格式:doc
- 大小:42.50 KB
- 文档页数:28
施工组织设计(方案)报审表位各留一份工程开工报审表分包单位资格报审表工程施工进度计划(调整计划)报审表成品、半成品供应单位资质报审表工程材料/构配件报审表本表由施工单位填写一式三份,审定后建设、监理、施工单位各留一份。
主要工程设备选型报审表复工申请表本表由施工单位填写一式三份,审定后建设、监理、施工单位各留一份工程变更费用申请表本表由施工单位填写一式三份,审定后建设、监理、施工单位各留一份费用索赔申报表延长工期报审表监理工程师通知回复单本表由施工单位填写一式三份,审定后建设、监理、施工单位各留一份技术联系报审表本表由施工单位填写一式三份,审定后建设、监理、施工单位各留一份分部、分项工程报验单报送专业监理工程师。
2、分部工程、重要分项工程的质量检验评定资料由总监理工程师审核签认。
3、地基与基础工程:主体结构中间验收应由质检员提前二天签发本通知单,报送总监理工程师。
4、所报工程检验不符合要求,监理工程师签发监理工程师通知单(监B-03)。
5、本表由施工单位填写一式三份,审核后建设、监理、施工单位各留一份施工测量放线报验单工程质量问题(事故)报告单5、本表由施工总承包单位填写一式四份,监理单位签收后建设、设计、施工、监理单位各留一份,重大质量事故报质检站。
工程质量问题事故处理方案报审单本表由施工总承包单位填写一式四份,监理单位签收后建设、设计、施工、监理单位各留一份。
项目月付款申报表本表由施工单位填写一式三份,审核后建设、监理、施工单位各留一份施工备忘录本表由施工单位填写一式三份,审核后建设、监理、施工单位各留一份工程洽商单一份,另一份退施工单位。
主要施工设备进场报验单混凝土浇注申请表项目月付款申报表工程竣工报验单。
A-20工程质量验评记录汇总报审表(W)(控制类型:W,检查方式:R)表号:A-28工程名称:编号:本表(含附件)一式份,由承包项目部填报,监理项目部存份,建设单位(业主项目部)填写、使用说明:1.此报审表用于说明工程验评记录统计结果。
2.调峰调频公司的单元工程相当于检验批。
3.送电线路工程按《110kV~500kV送变电工程质量检验及评定标准》第一部分Q/CS表C.1线统1和Q/CS表C.2线统2进行验评汇总。
4.本报审表在工程施工全部完成,竣工验收前报监理项目部。
出师表两汉:诸葛亮先帝创业未半而中道崩殂,今天下三分,益州疲弊,此诚危急存亡之秋也。
然侍卫之臣不懈于内,忠志之士忘身于外者,盖追先帝之殊遇,欲报之于陛下也。
诚宜开张圣听,以光先帝遗德,恢弘志士之气,不宜妄自菲薄,引喻失义,以塞忠谏之路也。
宫中府中,俱为一体;陟罚臧否,不宜异同。
若有作奸犯科及为忠善者,宜付有司论其刑赏,以昭陛下平明之理;不宜偏私,使内外异法也。
侍中、侍郎郭攸之、费祎、董允等,此皆良实,志虑忠纯,是以先帝简拔以遗陛下:愚以为宫中之事,事无大小,悉以咨之,然后施行,必能裨补阙漏,有所广益。
将军向宠,性行淑均,晓畅军事,试用于昔日,先帝称之曰“能”,是以众议举宠为督:愚以为营中之事,悉以咨之,必能使行阵和睦,优劣得所。
亲贤臣,远小人,此先汉所以兴隆也;亲小人,远贤臣,此后汉所以倾颓也。
先帝在时,每与臣论此事,未尝不叹息痛恨于桓、灵也。
侍中、尚书、长史、参军,此悉贞良死节之臣,愿陛下亲之、信之,则汉室之隆,可计日而待也。
臣本布衣,躬耕于南阳,苟全性命于乱世,不求闻达于诸侯。
先帝不以臣卑鄙,猥自枉屈,三顾臣于草庐之中,咨臣以当世之事,由是感激,遂许先帝以驱驰。
后值倾覆,受任于败军之际,奉命于危难之间,尔来二十有一年矣。
先帝知臣谨慎,故临崩寄臣以大事也。
受命以来,夙夜忧叹,恐托付不效,以伤先帝之明;故五月渡泸,深入不毛。
今南方已定,兵甲已足,当奖率三军,北定中原,庶竭驽钝,攘除奸凶,兴复汉室,还于旧都。
报审表格大全表 B.1.1 工程动工报审表工程名称:编号:致(项目监理机构)我单位肩负的工程,已达成了动工前的各项准备工作,具备开工条件,特申请于年月日动工,请审批。
附件:□施工组织设计已审批。
□施工单位安全生产允许资质已审察。
□质量、职业健康安全保证举措知足要求。
□各项施工管理制度和相应施工方案已拟订并审察合格。
□施工图已会审。
□技术交底已进行。
□质量查收及评定项目区分表已报审。
□工程控制网丈量 / 线路复测资料已报审。
□特种作业人员知足工程需要。
□施工人员和船舶、机械设施已进场。
□物质、资料准备知足连续施工的需要。
□计量器具、仪表经法定单位检验合格。
□分包单位资格审察文件以报审。
□试验(检测)单位资质审察文件已报审。
□与本工程有关的其余工作已达成。
施工单位(盖印)项目经理(署名):年月日项目监理机构审察建议:项目监理机构(盖印)总监理工程师(署名):年月日建设管理单位审批建议:建设单位(盖印):项目代表(署名):年月日注:1、本表一式4 份,项目监理机构签订审察建议后自留 1 份,报建设单位 1 份,返回施工单位 2 份。
2、报审中的“□”作为附件附在报审表后,确认后在框内打“√”。
3、项目监理机构审察重点:工程动工的各项准备工作能否充足;有关的报审手续能否已达成;确认能否具备动工条件。
表 B.1.2 工程复工申请表工程名称:编号:致(项目监理机构)依据第号工程暂停令的要求,我单位对暂停令指出的工程歇工要素进行了全面清理,当前歇工要素已经所有除去,知足了复工条件。
特申请于年月日复工,请审批。
附件: 1、复工报告。
2、证明文件。
施工单位(盖印)项目经理(署名):年月日专业监理工程师审察建议:专业监理工程师:年月日项目监理机构审批建议:项目监理机构(盖印)总监理工程师(署名):年月日建设管理单位审批建议:建设单位(盖印):项目代表(署名):年月日本表一式 4 份,由承包单位填报,建设管理单位存 1 份,项目监理部存 1 份,承包单位存 2 份。
工程材料报审表一、项目基本信息。
项目名称,XXX工程。
建设单位,XXX公司。
项目地点,XXX市。
二、申报材料清单。
1. 项目建设规划书。
2. 工程设计图纸。
3. 施工组织设计。
4. 施工图设计。
5. 工程施工合同。
6. 材料供应合同。
7. 质量检测报告。
8. 安全生产管理方案。
9. 环境保护措施方案。
10. 其他相关证明材料。
三、材料报审说明。
1. 项目建设规划书,包括项目建设的必要性、可行性分析、总体规划、工程概况等内容,需要详细描述项目的规划和设计思路。
2. 工程设计图纸,要求包括建筑设计图纸、结构设计图纸、给排水设计图纸、电气设计图纸等,确保图纸的合理性和完整性。
3. 施工组织设计,需要详细描述施工组织设计方案,包括施工工艺、施工步骤、施工方法等内容。
4. 施工图设计,要求提供施工图纸,包括平面布置图、剖面图、立面图等,确保施工图的准确性和完整性。
5. 工程施工合同,需要提供与施工单位签订的工程施工合同,确保合同内容完整、合法有效。
6. 材料供应合同,需要提供与材料供应商签订的材料供应合同,确保合同内容完整、合法有效。
7. 质量检测报告,需要提供相关材料的质量检测报告,确保材料质量符合标准要求。
8. 安全生产管理方案,需要提供项目的安全生产管理方案,包括安全生产组织机构、安全生产责任制度、安全生产管理制度等内容。
9. 环境保护措施方案,需要提供项目的环境保护措施方案,包括环境影响评价报告、环境保护措施设计方案等内容。
10. 其他相关证明材料,根据项目实际情况提供其他相关证明材料,确保材料的真实性和有效性。
四、报审流程。
1. 建设单位提交申报材料清单。
2. 相关部门进行初审,对申报材料进行初步审核。
3. 初审合格后,组织专家进行现场核查。
4. 核查合格后,报审材料提交审批部门进行最终审批。
五、注意事项。
1. 提交的申报材料必须真实有效,不得虚假造假。
2. 申报材料必须完整,确保内容详尽、规范。
工程开工报审表工程名称:稻香楼宾馆水上餐厅编号:本表由承包单位填报,一式四份,送监理机构审核后,建设、承包单位二份(其中报城建档案馆一份。
监理单位一份。
复工报审表工程名称:荣成花园楼工程编号:本表由承包单位填报,一式四份,送监理机构审核后,建设、承包单位各一份,监理单位一份。
施工组织设计(方案)报审表工程名称:主入口区域环境改造变电所迁移工程编号: 001本表由承包单位填报,一式三份,送监理机构审核后,建设、监理及承包单位各一份。
主要施工机械设备报审表工程名称:稻香楼宾馆水上餐厅编号:本表由承包单位填报,一式三份,送监理机构审核后,建设、监理及承包单位各一份。
施工进度计划(调整计划)报审表工程名称:主入口区域环境改造家属区污水管网工程编号:本表由承包单位填写,一式三份,送监理机构审核后,建设、监理及承包单位各一份。
分包单位资格报审表工程名称:编号:本表由承包单位填报,一式三份,送监理机构审核后,建设、监理及承包单位各一份。
试验室资格报审表工程名称:编号:本表由承包单位填报,一式三份,送监理机构审核后,建设、监理及承包单位各一份。
施工测量放线报验单工程名称:主入口区域环境改造家属区污水管网工程编号:本表由承包单位填报,一式四份,送监理机构审核后,建设、承包单位各一份,监理单位一份。
人员工程报验申请表工程名称:主入口区域环境改造变电所迁移工程编号: 001A5-1工程计量报审表工程名称:编号:本表由承包单位填报,一式四份,送监理、审计机构审核后,建设、监理、审计及承包单位各一份。
A5-2工程款支付申请表工程名称:荣城花园南苑D标段49# 编号: GX-49#-2007-7-26本表由承包单位填报,一式四份,送监理、审计机构审核后,建设、监理、审计及承包单位各一份。
监理工程师通知回复单工程名称:荣城花园南苑桩基工程编号:HF-001本表由承包单位填报,一式三份,送监理机构审核后,建设、监理及承包单位各一份。
工程施工方案报审表最新项目名称:XXX工程工程地址:XXX街道XXX号建设单位:XXX公司总包单位:XXX施工公司施工单位:XXX工程队一. 项目概况1.1 项目概述本工程位于XXX市XXX区,总建筑面积XXX平方米,分为主体建筑和附属设施。
主体建筑包括办公楼、生产车间、仓库等,附属设施包括停车场、绿化带、外围道路等。
工程建设内容主要包括土建工程、给排水工程、电气工程等。
1.2 施工范围本工程施工范围包括XXX平方米土建施工、XXX平方米电气施工、XXX平方米给排水施工等。
1.3 工程进度目前工程已完成前期准备工作,各项设计文件已经审图,已具备施工条件。
二. 施工方案2.1 安全施工方案本工程施工过程中,将严格按照相关安全规范和标准进行施工,制定专门的安全施工方案,并配备专业的安全员进行监督管理。
2.2 质量施工方案本工程施工过程中,将严格按照相关质量标准和规范进行施工,严格控制材料供应和施工工艺,确保施工质量。
2.3 进度施工方案本工程将按照施工进度安排进行施工,确保施工节点按时完成,提前做好施工进度预案,减少因进度原因造成的不良影响。
三. 施工设备3.1 施工机械施工期间,将使用各种施工机械设备,包括吊车、挖掘机、混凝土搅拌站等,确保施工效率和质量。
3.2 安全设备施工期间,将配备必要的安全设备,包括安全帽、安全带、防护墙等,并严格执行安全管理规定。
四. 施工组织4.1 施工队伍本工程将组建专业的施工队伍,分别负责土建工程、电气工程、给排水工程等,确保施工效率和质量。
4.2 施工方案管理将制定详细的施工方案,包括施工顺序、材料使用、工艺流程等,并进行施工方案管理,确保施工按照方案进行。
五. 施工安全5.1 安全管理将严格进行施工安全管理,设立安全管理岗位,负责安全管理工作,并确保安全生产。
5.2 应急预案将制定详细的施工应急预案,包括火灾、事故等突发事件的应急处理方案,确保施工中的安全。
六. 施工质量6.1 质量管理将进行严格的质量管理,对施工过程中的每个环节进行质量检查,并确保材料的质量符合标准。
工程施工开工报审表一、工程概况1. 工程名称:XXX工程2. 工程地点:XXX地区3. 施工单位:XXX建筑工程有限公司4. 监理单位:XXX监理有限公司5. 工程规模:XXX平方米6. 工程预算:XXX万元7. 工程工期:XXX天二、准备工作情况1. 施工许可证:已办理完毕,许可证编号为XXX。
2. 施工图纸:已收到并完成会审,无异议。
3. 施工组织设计:已编制完毕,并经监理单位审核合格。
4. 现场管理人员:所有管理人员已到位,具备开工条件。
5. 施工人员:施工工人已到位,具备开工条件。
6. 施工材料:主要工程材料已落实,满足开工要求。
7. 施工机具:所有施工机具已落实,具备开工条件。
8. 进场道路、水、电、通信:已满足开工要求。
9. 质量管理技术、管理制度:已制定并落实。
10. 施工合同:已签订完毕,合同编号为XXX。
三、开工条件及时间1. 所有准备工作已就绪,符合开工条件。
2. 定于XXX年XXX月XXX日正式开工。
1. 请监理单位对施工准备工作进行审核。
2. 请监理单位对施工组织设计进行审核。
3. 请监理单位对施工人员、管理人员资格进行审核。
4. 请监理单位对施工材料、施工机具进行审核。
5. 请监理单位对施工现场进行全面检查,确保安全文明施工。
五、承诺事项1. 施工单位承诺严格按照施工图纸、施工组织设计进行施工。
2. 施工单位承诺严格遵守国家和地方的相关法律法规,确保施工安全。
3. 施工单位承诺做好施工现场的环保工作,减少对环境的影响。
4. 施工单位承诺及时上报施工进度、质量、安全等情况。
六、审核意见1. 监理单位对施工准备工作进行审核,并提出审核意见。
2. 监理单位对施工组织设计进行审核,并提出审核意见。
3. 监理单位对施工人员、管理人员资格进行审核,并提出审核意见。
4. 监理单位对施工材料、施工机具进行审核,并提出审核意见。
5. 监理单位对施工现场进行全面检查,并提出检查意见。
七、审批意见1. 监理单位审批施工准备工作是否符合开工条件。
建筑工程专项方案报审表项目名称:XXX大楼工程专项方案项目地址:XXX市XXX区申报单位:XXX建筑设计有限公司一、项目概况1.工程名称:XXX大楼2.工程地点:XXX市XXX区3.项目规模:地上20层、地下3层,总建筑面积为XXX平方米4.工程内容:主要包括地基处理、建筑结构、给排水及通风、消防设施等内容5.建设单位:XXX房地产开发有限公司6.设计单位:XXX建筑设计有限公司7.施工单位:XXX建筑施工有限公司8.监理单位:XXX监理有限公司二、项目背景随着城市人口的不断增加和经济的发展,XXX市对于商业办公楼的需求日益增加。
XXX大楼是为了满足市场需求而投资兴建的一栋商业办公楼,地处市中心繁华地段,交通便利,具有较高的投资价值。
因此,XXX建筑设计有限公司承担了该项目的工程设计任务。
三、项目特点1.地质条件:工程所在地地质属于XX类型,地基条件较好,无明显地质灾害隐患。
2.建筑结构:XXX大楼为多层钢筋混凝土框架结构,考虑到商业办公楼对于空间利用的需求,采用了大跨度柱、梁等结构设计。
3.节能环保:本项目将采用节能材料,减少能源消耗,配备高效节能设备,并配备了太阳能光伏板等节能设施。
4.消防安全:为了保障建筑的消防安全,本项目将配备消防水系统、报警系统、疏散通道等消防设施。
五、主要工程内容1.地基处理:工程采用XXX处理方式,确保建筑地基稳固。
2.建筑结构设计:根据地质条件和建筑要求,采用钢筋混凝土框架结构,并使用了XXX材料。
3.给排水及通风:给排水系统采用XXX设计,通风系统采用XXX设计。
4.消防设施:配备了消防水系统、消防报警系统、疏散通道等消防设施。
六、工程实施方案1.地基处理:根据地基勘察报告和设计要求,采用XXX方式进行地基处理。
2.建筑结构施工:选取了符合设计要求的材料和工艺,确保施工质量。
3.给排水及通风设施安装:根据设计要求,安装符合国家标准的给排水及通风设施。
4.消防设施配备:配备了符合国家标准的消防设施,并配备了专业的消防设备及人员。
工程专项方案报审表一、项目基本情况项目名称:某某工程项目项目编号:XXXX项目性质:工程建设项目单位:某某集团项目地址:某某地区项目负责人:某某二、项目背景和项目必要性分析本项目是某某集团在某某地区开展的一项重要工程建设项目,该项目对于提升当地基础设施、促进经济发展起到了极其重要的作用。
同时,该项目对于某某集团在该地区的发展也具有重要意义。
因此,本项目的实施具有极其重要的必要性。
三、项目建设内容和规模1. 项目建设内容:本项目主要包括xxxxx、xxxxx、xxxxx等主要内容。
2. 项目规模:本项目总投资xxxx万元,占地xxxx亩,建筑面积xxxx平方米,xxxxxx等。
四、项目建设条件1. 土地条件:本项目地处某某地区,具有得天独厚的地理位置和自然资源条件,是开展工程建设的理想地点。
2. 社会环境条件:本项目所在地区政治稳定、社会秩序良好、交通运输便利、资源丰富、人才济济,为项目建设提供了良好的社会环境条件。
3. 经济条件:某某集团具有雄厚的资金实力和先进的技术设备,能够保证本项目的顺利进行。
五、项目建设目标和总体布局1. 项目建设目标:本项目的建设目标是xxx、xxx、xxx等。
2. 总体布局:本项目按照xxx、xxx、xxx等原则进行总体规划和布局。
六、项目建设方案的技术可行性分析1. 技术方案:本项目的技术方案经过了多次专家评审和论证,具有良好的可行性和可靠性。
2. 技术先进性:本项目的技术方案采用了国际先进的工程建设技术,具有很高的技术先进性。
七、项目建设方案的经济可行性分析1. 投资和收益估算:本项目的投资和收益估算经过了多次细致的测算和分析,具有较高的可行性。
2. 经济效益:本项目的建设将带动当地经济发展,产生了良好的经济效益,对于社会贡献极大。
八、项目建设方案的社会效益分析1. 就业和扶贫带动:本项目的建设将为当地提供大量就业机会,带动了大量农村劳动力转移与务工,对于当地的扶贫工作有良好的带动作用。
工程开工报审表工程名称:施工组织设计(方案)报审表工程名称:施工单位:编号:A02-(单位代号)-ZH-流水号致送现报上施工组织设计(方案)(全套、部分),已经我单位上级技术部门审查批准,详细说明和图表见附件。
请予审查和批准。
承包商(章):专业工程师:年月日项目负责人:年月日监理机构审核意见:项目监理机构(章):监理工程师:年月日总监理工程师:年月日建设单位意见:建设单位(章):专业工程师:年月日建设单位代表:年月日本表一式三份,由承包商填写。
建设单位、项目监理机构、承包商各存一份。
分包商资格报审表工程名称:施工单位:编号:A03-(单位代号)-ZH-流水号致送经考察,我方认为拟选择的(分包商)具备承担下列工程的施工资质和施工能力,可以保证本工程项目按合同的规定进行施工。
分包后,我方仍承担总包商的全部责任。
请予以审查和批准。
附:1.分包商资质材料;2.分包商业绩材料。
承包商(章):专业工程师:年月日项目负责人:年月日监理机构审核意见:项目监理机构(章):监理工程师:年月日总监理工程师:年月日建设单位意见:建设单位(章):专业工程师:年月日建设单位代表:年月日本表一式三份,由承包商填写。
建设单位、项目监理机构、承包商各存一份。
工程质量报验申请表工程名称:施工单位:编号:A04-(单位代号)-YS-流水号工程量签证报审表工程名称:施工单位:编号:A05-(单位代号)-ZH-流水号致送于年月日收到业主方安排我方施工的工程的工程联系单(或XX通知),该工程联系单编号为:,现将这些施工中产生的工程量报上,请予核验审定。
核定的结果将作为我方申请工程款的依据。
附件:工程量审核确认表。
承包商(章):专业工程师:年月日项目负责人:年月日监理机构审核意见:项目监理机构(章):监理工程师:年月日总监理工程师:年月日建设单位意见:建设单位(章):专业工程师:年月日建设单位代表:年月日本表一式三份,由承包商填写。
建设单位、项目监理机构、承包商各存一份。
工程开工报审表表 B.1.1 工程名称:编号:致(项目监理机构)我单位承担的工程,已完成了开工前的各项准备工作,具备开工条件,特申请于年月日开工,请审批。
附件:□施工组织设计已审批。
□施工单位安全生产许可资质已审查。
□质量、职业健康安全保证措施满足要求。
□各项施工管理制度和相应施工方案已制定并审查合格。
□施工图已会审。
□技术交底已进行。
□质量验收及评定项目划分表已报审。
□工程控制网测量/线路复测资料已报审。
□特种作业人员满足工程需要。
□施工人员和船舶、机械设备已进场。
□物资、材料准备满足连续施工的需要。
□计量器具、仪表经法定单位检验合格。
□分包单位资格审查文件以报审。
□试验(检测)单位资质审查文件已报审。
□与本工程相关的其他工作已完成。
施工单位(盖章)项目经理(签字):年月日项目监理机构审查意见:项目监理机构(盖章)总监理工程师(签字): 年月日建设管理单位审批意见:建设单位(盖章):项目代表(签字):年月日注:1、本表一式 4 份,项目监理机构签署审查意见后自留1份,报建设单位1份,返回施工单位2份。
2、报审中的“□”作为附件附在报审表后,确认后在框内打“√”。
3、项目监理机构审查要点:工程开工的各项准备工作是否充分;相关的报审手续是否已完成;确认是否具备开工条件。
工程复工申请表表B.1.2工程名称:编号:致(项目监理机构)根据第号工程暂停令的要求,我单位对暂停令指出的工程停工因素进行了全面清理,目前停工因素已经全部消除,满足了复工条件。
特申请于年月日复工,请审批。
附件:1、复工报告。
2、证明文件。
施工单位(盖章)项目经理(签字):年月日专业监理工程师审查意见:专业监理工程师:年月日项目监理机构审批意见:项目监理机构(盖章)总监理工程师(签字): 年月日建设管理单位审批意见:建设单位(盖章):项目代表(签字):年月日本表一式 4 份,由承包单位填报,建设管理单位存 1 份,项目监理部存 1 份,承包单位存 2 份。
A-01 工程开工/复工报审表工程名称:编号:致:我方承担的工程,已完成了以下各项工作,具备了开工/复工条件,特此申请施工,请核查并签发开工/复工指令。
已完成的报审条件有:1、施工组织设计、环安计划已报审; 2、人员已进场,已完成各项资质报验; 3、机械设备已进场报验; 4、工程材料已进场报验; 5、道路、水电、通讯设备已完成并报监。
承包单位(章):项目经理:日期:监理审批意见:项目监理机构(章):总监理工程师:日期:本表一式三份,经监理审批后,建设、监理、承包单位各留一份。
A-02 施工组织设计(方案)报审表工程名称:编号:致:我方已根据施工合同的有关规定完成了的报告的编制,并经我单位上级技术负责人审查批准,请予以审查。
附件:关于A6标使用外购沥青混合料的报告承包单位(章):项目经理:报审日期:专业监理工程师审查意见:专业监理工程师:日期:总监理工程师审核意见:项目监理机构(章):总监理工程师:日期:本表一式三份,经监理审批后,建设、监理、承包单位各留一份。
A-02-A 重点部位、关键工序施工组织报审表工程名称:编号:致:我方已根据国家规范的有关规定完成了(重点部位、关键工序)的施工工艺和确保工程质量措施的编制工作,请予以审查签认。
附件: 1、重点部位、关键工序施工工艺 2、质量保证措施承包单位(章):项目经理:报审日期:专业监理工程师审查意见:项目监理机构(章):专业监理工程师:日期:本表一式三份,经监理单位审批后,建设、监理、承包单位各留一份。
A-02-B 新材料/新工艺/新技术/新设备报审表工程名称:编号:致:经我单位上级技术部门审查批准,决定在(工程部位)的施工中采用(新材料/新工艺/新技术/新设备),详细说明和相关资料见附件。
请予以审查和批准。
附件:新材料/新工艺/新技术/新设备的施工工艺措施和证明材料承包单位(章):项目经理:报审日期:专业监理工程师审查意见:项目监理机构(章):专业监理工程师:日期:本表一式三份,经监理单位审批后,建设、监理、承包单位各留一份。
A-03 分包单位资格报审表工程名称:编号:致:经考察,(总包单位)具有承担下列工程的施工资质和施工能力,可以保证本工程项目按合同的规定进行施工。
请予以审查和批准。
附件:1、企业营业执照 2、企业法人年度检验情况 3、企业基本信息 4、企业承诺书 5、安全生产许可证 6、质量管理体系认证证书承包单位(章):项目经理:日期:工程名称(部位)单位工程量单价工程合同金额(万元)合计专业监理工程师审查意见:专业监理工程师:日期:总监理工程师审核意见:项目监理机构(章):总监理工程师:日期:本表一式三份,监理单位审查后,建设、监理、承包单位各留一份。
A-04 报验申请表分部、分项工程划分工程名称:编号:致:我单位已完成了工作,现报上该工程报验申请表,请予以审查和验收。
附件:分部、分项工程划分表承包单位(章):项目经理:日期:监理工程师审查意见:项目监理机构(章):总/专业监理工程师:日期:本表一式二份,监理审核后,监理、承包单位各留一份。
A-04-A 施工测量成果报验申请表工程名称:编号:致:根据合同要求,我方已完成(部位),(内容)的测量放线工作,经自检合格,工作清单如下,请予以查验复核。
附件:测量及放样资料承包单位(章):项目经理:日期:工程或部位名称放样内容备注监理工程师审核意见:□ 查验合格□ 纠正差错后合格□ 纠正差错后再报附件:监理复验资料项目监理机构(章):专业监理工程师:日期:本表一式二份,监理审核后,监理单位、承包单位各留一份。
A-04-F 分部(子分部)/单位(子单位)工程质量报验认可单工程名称:编号:致:我单位已完成了[分部(子分部)/单位(子单位)]工程施工工作,按有关规范、验收标准进行了自检,质量合格,请查验。
附件:承包单位(章):项目经理:日期:监理审核意见:项目监理机构(章):总监理工程师:日期: 1、本表一式三份,监理审核后,建设、监理、施工单位各一份。
工程不合格时,应发《整改通知》。
2、地基与基础、主体分部工程、单位工程,必须由施工企业技术(质安)部门核定。
A-05 工程款支付申请表工程名称:编号:致:我方已完成了工作,按施工合同的规定,建设单位应于年月日前支付该项工程款共(大写)元(小写:元),现报上工程付款申请表,请予以审查并开具工程款支付证书。
附件:1、工程量清单; 2、计算方法。
承包单位(章):项目经理:日期:本表一式三份,建设、监理、承包单位各留一份。
A-06 监理工程师通知回复单工程名称:编号:致:我方接到编号为的监理工程师通知后,已按要求完成了工作,现报上,请予以复查。
详细内容:承包单位(章):项目经理:日期:监理复查意见:项目监理机构(章):总/专业监理工程师:日期:本表一式三份,审核后建设、监理、承包单位各留一份。
A-07 工程临时延期申请表工程名称:编号:致:据合同条款条的规定,由于的原因,我方申请工程延期,请予以批准。
附件: 1、工程延期的依据及工期计算合同竣工日期:申请延期后竣工日期: 2、证明材料承包单位(章):项目经理:日期:本表一式三份,建设、监理、承包单位各留一份。
A-08 费用索赔申请表工程名称:编号:致:根据施工合同条款条的规定,由于的原因,我方要求索赔金额(大写)元,请予核准。
索赔的详细理由及经过:索赔金额的计算:附件:证明材料承包单位(章):项目经理:日期:本表一式三份,建设、监理、承包单位各留一份。
A-09 工程材料/构配件/设备报审表工程名称:编号:致:我方于年月日进场的工程材料/构配件/设备数量如下。
现将质量证明文件及自检结果报上,请验证并准予使用。
名称规格单位数量生产厂家复试单/检验单记录号上述材料拟用的工程部位:承包单位(章):项目经理:日期:监理审查意见:经检查上述工程材料/构配件/设备,符合/不符合设计文件和规范的要求,准许/不准许进场,同意/不同意使用于拟定部位。
项目监理机构(章):总/专业监理工程师:日期:本表一式二份,监理审批后,监理单位、承包单位各留一份。
A-09-A 材料/构配件/设备供应单位资质报审表工程名称:编号:致:上海建通工程建设有限公司根据本工程合同要求,经我方审查上海携程工程橡胶有限公司具有提供橡胶垫块产品的资质和能力。
可以保证本工程项目按合同的规定进行。
请于认可,以利委托。
附件:营业执照复印件、企业资质证书、有关许可证等。
承包单位(章):项目经理:日期:产品名称单位数量供货时间专业监理工程师审查意见:专业监理工程师:日期:总监理工程师审核意见:项目监理机构(章):总监理工程师:日期:A-09-B 承包单位试验室资质报审表工程名称:编号:致:经我方审查单位具有对本工程材料、产品进行检测和试验的资质和能力。
请于认可,以利委托。
附件:1、试验室资质等级及其试验范围2、法定计量部门的计量检定证明文件 3、试验人员资格承包单位(章):项目经理:日期:专业监理工程师审查意见:项目监理机构(章):专监理工程师:日期:总监理工程师审查意见:项目监理机构(章):总监理工程师:日期:本表一式三份,监理单位审查后,建设、监理、承包单位各留一份。
A-10 工程竣工报验单工程名称:编号:致:我方已按合同要求完成了工程,经自检合格,请予以检查和验收。
附件:承包单位(章):项目经理:日期:监理审查意见:经监理验收,该工程: 1、符合/不符合我国现行法律、法规要求; 2、符合/不符合我国现行工程建设标准; 3、符合/不符合设计文件要求; 4、符合/不符合施工合同要求。
综上所述,该工程初步验收合格/不合格,可以/不可以组织正式验收。
项目监理机构(章):总监理工程师:日期:本表一式三份,经监理单位审核后,建设、监理、承包单位各留一份。
A11 工程施工进度计划报审表工程名称:编号:致:兹报上年(月、周)工程施工进度计划(调整计划),请予以审查和批准。
附件:施工进度计划 1 份。
承包单位(章):项目经理:日期:监理审定意见: 1、同意 2、不同意 3、应补充说明:项目监理机构(章):总/专业监理工程师:日期:本表一式三份,监理审核后,建设、监理、施工单位各留一份。
A-12 承包单位通用报审表工程名称:编号:致:事由:内容:附件:承包单位(章):项目经理:日期:监理审核意见:专业监理工程师:日期:有关单位意见:负责人(签字):单位(盖章):日期:本表适用于砼试件、钢筋焊接试验、电焊条进场报验,以及没有专用表格时使用。
A-13 施工现场质量管理检查记录开工日期:年月日工程名称施工许可证(开工证)建设单位项目负责人设计单位项目负责人监理单位总监理工程师项目项目技术负施工单位经理责人序号内容项目 1 现场质量管理制度 2 质量责任制 3 主要专业工种操作上岗证书 4 分包方资质与对分包单位的管理制度5 施工图审查情况 6 地质勘察资料 7 施工组织设计、施工方案及审批 8 施工技术标准 9 工程质量检验制度 10 搅拌站及计量设置 11 现场材料、设备存放与管理 12 检查结论:总监理工程师:(建设单位项目负责人)年月日本表一式三份,审核后建设、监理、施工单位各留一份。
A-13-A 施工管理、主要专业工种人员上岗资格报验单工程名称:编号:致:下列人员已进场,我方确认所报人员具有承担本工程相应岗位的资格和能力。
符合工程施工合同要求,请予以审查和批准。
姓名拟担任的岗位姓名拟担任的岗位附件:相关证明资料承包单位(章):项目经理:日期:监理审查意见:项目监理机构(章):总/专业监理工程师:日期:本表一式三份,监理单位审查后,建设、监理、承包单位各留一份。
A-13-B 计量、检测、测量仪器报验单工程名称:编号:致:下列计量、检测、测量仪器已按工程施工合同要求进场,我方确认所报仪器已通过检定,质量可靠。
请予以查验和批准使用。
仪器名称规格型号数量进场日期技术状况拟用何处备注附件:1、相关证明资料承包单位(章):项目经理:日期:监理审查意见:项目监理机构(章):总/专业监理工程师:日期:本表一式三份,监理单位审查后,建设、监理、承包单位各留一份。
A13-C 进场施工设备报验单工程名称:编号:致:下列施工设备已按合同规定进场,请查验签证,准予使用。
承包单位(章):项目经理:日期:设备名称规格型号数量进场日期技术状况拟用何处备注工程钻机 GPS-10 1 2009.3.24 合格钻孔桩监理审核意见: 1、性能数量能满足施工需要准予进场的设备: 2、性能不符合施工要求更换后再报的设备:3、数量或能力不足由承包单位补充的设备: 4、按施工进度要求,配足所需设备期限:年月日项目监理机构(章):总/专业监理工程师:日期:本表一式三份,监理审核后,建设、监理、施工单位各留一份。