《数控机床安装调试与维修实训--华中数控系统》编写大纲
- 格式:docx
- 大小:18.37 KB
- 文档页数:7
任务一 数控系统的连接与调试一、实训内容(1)华中HNC-21 数控系统相关的连接。
(2)伺服放大器的相关连接。
(3)实训导线的连接及电气控制系统启动。
(4)数控系统的调试。
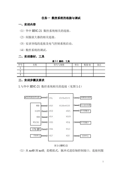
二、实训器材、工具表1-1 器材、工具三、实训步骤及要求1.与华中HNC-21 数控系统相关的连接(见图1-1)开关量输出其它进给装置开关量输入主控单元伺服驱动装置手持单元远程板软驱以态网键盘A C 24V /D C 24V 电源图1-1 HNC-21(1)从xs40到xs43, 是模拟式,脉冲式进给轴控制接口,连接伺服驱动器。
从xs30开始连接驱动一(2)风扇,电池,软键,MDI等在系统出厂时均已连接好,不用改动,但要检查是否在运输的过程中有松动的地方,如果有,则需要重新连接牢固,以免出现异常现象。
(3)伺服检测口,不需要连接。
(4)电源线一般有xs1,电源正负不能接反,具体接线为:a接24V;b接0V;c接保护地。
(5)RS232接口是与电脑通讯的连接口,共有一个,如果不与电脑连接,不用接此线(推荐使用存储卡代替232口,传输速度及安全性都比串口优越)。
(6)模拟主轴的连接,本实训台使用变频模拟主轴,主轴信号指令由xs30模拟主轴接口引出,控制主轴转速。
(7)主轴编码器接口,车床系统一般都装有主轴编码器,反馈主轴转速,以保证螺纹切削的准确性。
(8)存储卡插槽(系统的正面),用于连接存储卡、可对参数、程序、梯形图等数据进行输入/输出操作,也可以进行DNC加工。
2. 与松下伺服驱动器的相关链接(见图1-2 与伺服驱动器相关的链接图)图1-2 与伺服驱动器相关的链接图(1)L1和L1C、L3和L2C是接单项220V电源。
(2)伺服放大器驱动电压输出口U、V、W、,连接到伺服电动机,顺序为U、V、W、地线。
(3)X6接口为放大器内部继电器一对常开端子,放大器与CNC正常连接后,即CNC检测到放大器且放大器没有报警信号触发,CNC使能信号通知驱动器,驱动器内部信号使继电器吸合,从而使外部电磁接触器线圈得电,给放大器提供工作电源。
(数控加工)华中数控综合试验台实验指导书创新和选作实验二数控系统的连接和调试实验方案设计2学时,实验方案实施2学时。
壹、实验设计参考目标1.熟悉数控系统综合实验台各个组成部件的接口。
2.能读懂电气原理图,通过电气原理图能独立的进行数控系统各部件之间的互连。
3.掌握数控系统的调试及运行方法。
二、实验设计参考原理利用数控系统综合实验台,设计壹套数控系统,其中包括数控装置,变频器和三相异步电机构成的主轴驱动系统,交流伺服和交流伺服电机构成的进给伺服驱动系统,步进电机驱动器和步进电机构成的进给伺服驱动系统。
该数控系统可实现主轴驱动系统的速度控制,进给伺服驱动系统的开环、半闭环控制。
数控系统各组成部分电气原理图见图2-1~图2-11。
1.电源部分2.继电器和输入输出开关量3.数控装置和手摇和光栅尺的连接5.数控装置和步进驱动器连接6.数控装置和交流伺服连接7.数控系统刀架电机的连接三、实验设备、仪器、工具或材料1.数控系统综合实验台壹套2.专用连接线壹套3.万用表壹个4.工具壹套四、实验主要内容设计(壹)数控系统连接内容1.电源回路连接1)根据图2-1连接数控系统电源回路,接完线后仔细复查,确保接线正确。
2)断开所有空开,接入三相AC380V电源,用万用表测量QF1进线端是否有380V电压。
3)合上QF1,测量TC1的初级线圈、次级线圈和QF2的进线端电压,测量整流电路输出端的电压应为+35V左右。
4)合上QF2,测量QF2输出端和TC2初级线圈、次级线圈电压。
5)合上QF4,这时开关电源VC1的指示灯亮,测量开关电源VC1的输出电压应为+24V。
6)断开所有的空开,断开380V电源。
2.数控系统继电器和输入输出开关量连接内容1)根据图2-2、2-3连接数控系统的继电器和接触器。
2)根据图2-4连接数控系统的输入开关接口。
3)根据图2-5连接数控系统的输出开关接口。
3.数控装置和手摇连接内容1)根据图2-6连接数控装置和手摇。
数控加工实训指导书(车床部分)实训一:华中世纪星数控车床模拟编程与操作一、实训目的和要求了解华中世纪星型数控车床模拟软件的使用方法和操作过程;掌握华中世纪星型数控车床常用 GM 指令的格式、功能和编程方法;掌握数控车床加工路线的安排和加工参数的选择;提高数控车床加工程序编写的能力。
在进行实验前,详细阅读并理解“ 华中世纪星型数控车床模拟编程”软件的使用方法和操作过程,上机实验时能正确使用和操作软件。
具体分析所给定的被加工零件和参考程序,能自己编写出加工程序,并上机调试通过。
自己设计一个比较复杂的被加工零件,确定加工路线和加工工艺参数,编写出加工程序并上机调试通过。
认真完成本实验所规定的内容,实验过后全面完成实验所规定的实验报告二、数控车床模拟编程软件使用说明数控机床模拟编程软件,是为了解决数控机床编程教学而开发的通用微型计算机软件,在微型机算机上通过软件模拟数控机床的编程、操作及加工过程。
三、实训内容:(一)基本操作:1 、复位系统上电进入软件操作界面时,系统的工作方式为“急停”,使控制系统运行需左旋并拔起操作台右上角的“急停”按钮,使系统复位并接通伺服电源系统。
系统默认进入回参考点方式,软件操作界面的工作方式变为回零。
2 、机床回零检查操作面板上回零指示灯是否亮,若指示灯亮,则已进入回零模式;若指示灯不亮,则按下按钮,使指示灯变亮,转入回零模式。
在回零模式下,按下控制面板上的按钮,此时 X 轴将回零, CRT 上的 X 坐标变为“ 0.000 ”。
同样,再按下,可以将 Z 轴回零。
此时 CRT 界面如图 1 所示。
图 1 回零后的 CRT 界面3 、设置工件坐标系原点(对刀)数控程序一般按工件坐标系编程,对刀的过程就是建立工件坐标系与机床坐标系之间的关系的过程。
数控车床常见的是将工件端面中心点设为工件坐标系原点。
( 1 )试切法试切法对刀是用所选的刀具试切零件的外圆和端面,经过测量和计算得到零件端面中心点的坐标值。
华中数控车床操作实训指导书华中数控车床操作实训指导书是一本非常重要的文档,对于学习数控车床操作的学生和从事数控车床工作的工人们都有非常大的指导作用。
本文将从指导书的内容、实用性以及应用情况等方面进行详细的介绍。
指导书的内容一般包括了数控车床的组成、操作程序、常见故障及其排除方法等内容。
其中,组成部分介绍了整个数控车床的各个部件以及它们之间的作用关系。
这对于初学者来说非常有帮助,因为只有了解了各个部件的作用,才能更好地操作数控车床。
操作程序则介绍了数控车床的整个操作流程,包括开机、设置参数、设定工具,选择工件,加工工件以及关机等步骤。
对于学习数控车床操作的人来说,这是必不可少的。
常见故障及其排除方法则包括了各种可能遇到的故障及其解决方法,这在实际应用中也非常有帮助。
指导书的实用性非常强,因为它是由一些经验丰富的专家和工程师编写的,对于初学者和从事数控车床工作的工人们来说都非常实用。
指导书中的操作流程非常详细,而且还配有大量的图示,可以更好地理解各个操作步骤,而且还可以加深对数控车床各个部件的理解。
此外,指导书中介绍的故障排除方法也非常实用,对于工人在工作中遇到问题时可以帮助他们快速有效地解决问题。
应用情况方面,指导书被广泛应用于各个领域,在学校教育、企业培训中都有非常重要的作用。
学校教育方面,指导书通常作为教学资料使用,为学生提供实际操作的指导,加强学生的实践能力,以提高工作水平。
企业培训方面,指导书可以作为重要的培训资料,有效地缩短了工人们的培训时间,提高了工人们的工作效率。
总之,华中数控车床操作实训指导书是一本非常重要的文献,对于学生和工人们学习和掌握数控车床操作非常有帮助。
它不仅包含了丰富的实用信息,还具备强大的指导作用,为学生和工人们的学习、工作提供了重要的帮助。
第一部分华中数控HNC21的基本操作 (2)1.1 项目1 华中数控机床控制面板的基本认知 (2)1.2 项目2 华中数控机床的基本操作故障 (5)1.2.1 子项目1 上电故障 (5)1.2.2 子项目2 复位故障 (6)1.2.3 子项目3 返回机床参考点故障 (7)1.2.4 子项目4 超程故障解除 (7)1.2.6 子项目5 关机 (8)1.3 项目3 机床手动操作及故障 (9)1.3.1 子项目1 坐标轴移动故障 (9)1.3.2 子项目2 主轴控制系统及故障诊断 (10)1.3.3 子项目3 机床锁住 (12)1.3.4 子项目4 其他手动操作及故障 (12)1.3.5 子项目5 手动数据输入(MDI)运行(F4一F6) (15)1.3.6 子项目6 启动、暂停、中止、再启动 (16)1.3.7 子项目7 空运行 (18)1.3.8 子项目8 单段运行 (18)1.3.9 子项目9 加工断点保存与恢复 (18)1.3.10 子项目10 运行时干预 (20)第二部分华中数控HNC21的基本连接及故障诊断 (21)2.1 项目1 系统连接的注意事项 (21)2.1.1 子项目1 图形说明 (21)2.1.2 子项目2 接线的基本要求 (22)2.1.3 子项目3 运行与调试 (22)2.1.4 子项目4 使用 (22)2.1.5 子项目维修 (23)2.1.6 子项目产品型号 (23)2.2 项目2 系统连接 (23)2.2.1 子项目1 综合接线图 (25)2.2.2 子项目2 功能描述 (27)2.2.3 子项目3 电源 (29)2.3 开关量输入/输出接口 (31)2.3.1 开关量输入接口引脚定义 (32)2.3.2 开关量输出接口特性 (32)2.3.3 HNC-21本机开关量输出接口 (33)2.3.4 直接连接到数控装置 (36)2.3.5 通过I/0端子板连接 (36)2.4 PLC地址定义 (38)2.5 连接标准手持单元 (40)2.5.1 与手持单元相关的参数设置 (41)2. 6 数控装置与主轴装置的连接 (42)2.6.1 主轴控制接口XS9 (42)2.6.2 与主轴控制相关的输入/输出开关量 (43)2.6.3 主轴连接实例一交流变频主轴 (44)2.6.4 主轴连接实例---伺服驱动主轴 (45)2.6.5 与主轴相关的参数设置 (45)2.6.6 典型车床主轴连接图 (48)2.7 数控装置与进给驱动装置的连接 (48)2.7.1 模拟进给驱动接口 (48)2.7.2 连接HSV-16系列交流伺服驱动装置 (49)2.7.4 伺服电机规格 (51)2.7.5 信号与功能 (52)2.7.6 典型系统的连接图 (53)2.7.7 典型故障分析及故障诊断 (54)2.8 电磁兼容设计 (58)2.8.1 数控系统电磁兼容性主要内容 (58)2.8.2 接地技术 (58)第一部分华中数控HNC21的基本操作1.1 项目1 华中数控机床控制面板的基本认知华中世纪星HNC-21T是一基于PC的车床CNC数控装置,是武汉华中数控股份有限公司在国家八五、九五科技攻关重大科技成果。
《数控机床安装调试与维修》教案目录教案1--------概述教案2--------数控机床的安装调试教案3--------数控机床的验收教案4--------数控机床的调整、主轴部件教案5--------进给传动部件的调整教案6--------回转部件、自动换刀装置的调整教案7--------位置检测装置、床身导轨的调整教案8--------数控系统发展简介、FANUC-0ib功能介绍教案9--------FANUC-0ib系统构成、硬件连接教案10------系统参数与设定教案11------I/O接口及PMC编程教案12------ SINU MERIC 840C特点介绍主要功能教案13----- SINUMERIC 840C系统的结构及各部分的功能教案14------ fanuc-0ib系统报警分类及常见故障分析教案15-----FANUC-0ib常见报警及处理方法教案16----数控机床的故障诊断及维修技术概述教案17----利用PLC进行数控机床的故障检测教案18-----数控系统系统故障的诊断教案19-----伺服系统的故障及维修技术教案20-----检测装置的故障及诊断教师教案教案专用纸第一章概述1.数控机床的优点:数控机床集机械制造、计算机、气动、传感检测、液压、光机电技术等一体,其优点:⑴能够进行复杂型面零件的加工,解决工艺难题。
⑵提高生产率⑶具有柔性⑷减轻工人的劳动强度2.我国数控机床的发展现状起步年代:1958开始研制目前生产能力:2001年国内数控机床产量已达1.8万台国产数控系统:⑴华中理工大学华中一型、华中二型⑵北京航天机床数控集团航天一型⑶中科院沈阳计算机所蓝天一型⑷中国珠峰数控公司中华一型3.加强数控维修的意义⑴技术需要⑵市场需要⑶企业的效益需要4.对数控维修人员的要求⑴知识面广⑵良好的系统的培训⑶良好的英语阅读能力⑷敢于实践,通过实践不断总结经验⑸敬业精神⑹持续的学习精神5.本课程的学习任务、要求⑴掌握数控机床安装调试验收的的知识、验收机床精度的方法。
数控设备装调与维修综合实训姓名:班级:学号:提交日期:概要本文主要介绍了机床电气控制线路的分析,机床电气控制系统的设计、PLC的应用和典型的数控机床电气控制以及对电气原理图绘制于分析、PMC程序的完善和接线调试、故障排除。
本报告力求使读者通过学习,掌握数控机床电气控制系统的分析及初步设计的技能。
目录前言 (6)第一章数控车床的简介 (7)1. 1 数控车床的发展历史 (7)1. 2 数控车床的特点 (7)1. 3 数控机床的类型 (8)1. 4 数控车床的应用 (9)第二章数控车床典型零件 (10)2.1 数控机床典型零件的功能 (10)2.2 典型零件的主要参数计算 (10)2.3 典型零件的常用型号及选择 (11)第三章数控电气原理图绘制与分析 (13)3. 1 数控车床的电源电路图 (13)3.2 数控车床的主轴、卡盘控制系统图 (13)3.3 PMC程序完善 (18)3. 4 输入输出设备及I/O分配表 (19)第四章数控机床电气接线调试、故障排除 (21)4.1 控制系统安装、调试步骤 (21)4.2 电气故障检查及排除方法 (21)第五章数控机床的十字工作台装拆 (23)5.1 十字工作台的简介 (23)5.2 十字工作台的主要拆卸步骤 (24)5.3 滚珠丝杠的拆卸步骤 (24)5.4 十字工作台的主要装配步骤 (25)5.5 十字工作台装配步骤中的主要检测项目 (25)前言..................................................第一章数控车床的简介............................1.1 数控车床的发展历史..........................1.2 数控车床的特点..............................1. 3 数控机床的类型 ............................1. 4 数控车床的分类应用..........................第二章数控车床典型零件…………………….........2.1 数控机床典型零件的功能......................2.2 典型零件的主要参数计算....................2.3 典型零件的常用型号及选择................ ..... 第三章数控电气原理图绘制与分析................3. 1 数控车床的电源电路图. ...................3. 2 数控车床的主轴、卡盘控制图.................3. 3 PMC程序完善...........................3. 4 输入输出设备及I/O分配表...................第四章数控机床电气接线调试、故障排除.........4.1 控制系统安装、调试步骤.........................4.2 电气故障检查及排除方法.....................第五章数控机床的十字工作台装拆................. 5.1 十字工作台的简介.................................. 5.2 十字工作台的主要拆卸步骤.........................5.3 滚珠丝杠的拆卸步骤..............................5.4 十字工作台的主要装配步骤......................... 5.5 十字工作台装配步骤中的主要检测项目................ 结论............... .....................致谢................................................参考文献...........................................前言本实训项目通过对FANUC数控车床的装调与维护使用,进一步将本学期的<<机床电气控制基础>>、《数控维护与检修》等专业课程及在课程中已初步掌握的数控设备应用能力融合在一起,通过典型数控零件的功能、常用型号及主要参数、电气原理图绘制与分析,PMC程序完善,接线调试、故障排除等知识。
华中数控车床操作实训指导书华中数控车床操作实训指导书1. 前言数控技术是现代制造业中不可或缺的一环,其在工业自动化、信息化程度、生产效率以及产品质量方面的优越性已经得到普遍认可。
随着数控技术的不断发展和应用,各行各业对数控技术的需求也越来越迫切。
数控车床作为现代数控设备的代表之一,其不仅体现了数控技术的先进性,而且也在制造加工领域中起到了至关重要的作用。
本文旨在为使用华中数控车床的操作者提供一份详细的实训指导书,希望通过本指导书的阅读与实践,操作者能够更加深入地了解华中数控车床的相关知识与操作流程,以实现对该设备的熟练运用,提高制造加工效率和产品质量。
2. 华中数控车床概述2.1 基本介绍华中数控车床是一种高精度、高效率、高自动化的先进制造加工设备。
该设备采用了计算机数控技术,能够实现自动化加工、生产计算机控制、高精度测量等多种功能。
它主要用于汽车、航空、军工、机械制造、船舶等行业中的零部件、模具、轴类等工件的制作加工。
2.2 产品特点1. 高精度:采用高精度的导轨、丝杠和伺服电机,能够实现高精度的切割和加工。
2. 高效率:数控车床能够实现自动化加工,不但生产效率高,而且能够减少人工操作的错误率。
3. 多变量:该设备能够轻松处理零部件的多种形状和尺寸,且能够完成多种加工工艺。
4. 科技含量高:该设备采用了先进的计算机数控技术和高精度的测量仪器,是制造行业中的最新技术成果。
5. 操作简便:虽然数控车床需要较高的技术水平和专业知识,但实际操作起来非常简便。
3. 操作流程3.1 设备准备在操作数控车床前,需要先进行设备清洁和润滑,并检查设备是否处于正常工作状态。
以下是检查步骤:1. 检查油液和空气压力:先检查油液的水平,确保充足,然后检查空气压力表是否在合适范围内。
2. 检查负荷:检查装置和设备是否正确安装和调整。
3. 检查刀具:检查刀具的形状、长度、角度和截面等是否与加工要求相符合。
4. 检查夹具:检查夹具的压力和夹具爪是否损坏。
《数控机床装调维修工》职业培训大纲中级(国家职业资格四级)1.1 职业名称数控机床装调维修工。
1.2 职业定义使用工具、工装、仪器,对数控机床进行装配、调试和维修的人员1.3 职业等级:本职业共设四个等级,分别为中级(国家职业资格四级)、高级(国家职业资格三级)、技师(国家职业资格二级)、高级技师(国家职业资格一级)。
根据国家职业资格标准将数控机床装调维修工分为机械装调维修、电气装调维修二个独立考核的模块。
本考工大纲为电气装调维修的考核模块。
1.4 职业环境常温、室内。
1.5 职业能力特征具有较强的学习、理解、表达、计算能力;具有较强的空间感、形体知觉、听觉和色觉,具备手指、手臂灵活和形体动作协调性;具有独立作业和多人共同作业协调配合的能力。
1.6 基本文化程度:高中毕业或同等学历。
1.7 培训要求1.7.1 培训期限全日制职业学校教育,根据其培养目标和教学计划确定。
晋级培训期限:中级培训时间不少于400标准学时;(附中级培训计划)1.7.2 培训教师培训中、高级的教师应由具有本职业技师及以上职业资格证书或相关专业中级及以上专业技术职务任职资格;1.7.3 培训场地设备满足教学需要的标准教室和配备了必要的数控机床及零部件总成(包括配电柜)、工具、量具等的场所。
实际操作基本培训也可在车间装配现场进行。
1.8 鉴定要求1.8.1 适用对象从事或准备从事本职业的人员。
1.8.2 申报条件——凡申报本专业的人员必须具有电工上岗资格——中级(具备下列条件之一者)(1)取得相关职业(如装配钳工)初级资格证书后,连续从事本职业工作2年以上,经本职业中级正规培训达到规定标准学时数,并取得结业证书。
(2)取得相关职业初级职业资格证书后,连续从事本职业工作4年以上。
(3)连续从事本职业工作6年以上。
(4)取得经劳动保障行政部门审核认定的,以中级技能为培养目标的中等以上职业学校本职业(专业)毕业证书。
1.8.3 鉴定方式分为理论知识考试和技能操作考核两部分。
实验八华中数控系统的连接与参数调试实验一、实验目的1、熟悉华中系统与各部分之间的连接,能独自完成接线;2、了解参数设置对数控系统运行的作用及影响。
3、能够正确设置数控系统常用参数。
二、实验内容1、数控系统的连接2、世纪星HNC-21TF的参数设置调整;3、数控系统参数典型故障设置并分析故障原因。
三、仪器设备HED-21S数控综合实验台一台工具包 PC键盘一个四、相关知识1.参数树数控系统中的参数进行分级管理,各级参数组成参数树。
华中HNC-21TF数控系统的参数树如图1所示。
2.参数管理权限数控装置的运行,严格依赖于系统参数的设置,因此,对参数修改的权限采用分级管理。
在华中HNC-21TF数控装置中,设置了三种级别的权限,即数控厂家、机床厂家、用户;不同级别的权限,可以修改的参数是不同的。
1)数控厂家:最高级权限,能修改所有参数。
2)机床厂家:中间级权限,能修改机床调试时需要设置的参数。
3)用户厂家:最低级权限,仅能修改用户使用时需要改变的参数。
数控机床在最终用户处安装调试后,一般不需要修改参数。
在特殊的情况下,如需要修改参数,首先应输入参数修改的密码,所输入的密码正确,则可进行此权限级别的参数修改;否则,系统会提示密码输入错,不能进行该权限级别参数的修改。
3.主菜单与子菜单在华中HNC-21TF数控装置中主操作界面下,用Enter键选中某项后,若出现另一个菜单,则前者称主菜单,后者称子菜单。
菜单可以分为两种:弹出式菜单和图形按键式菜单,如图2所示。
4.参数的形式数控系统参数是以数据的形式保存在数控装置内具有掉电保护功能的存储区域里,系统参数可以显示在CRT上,以人机交互的方式设置、调整,通过参数与系统软件沟通,便达到在数控装置硬件不变的条件下功能调整。
数控系统参数一般有两种形式。
图1数控系统的参数树图2 主菜单和子菜单(1)位参数位参数即二进制的“l“或“0”,每位“1”或“O”可表示某个功能的“有”或“无”,也可表示不同功能形式的转换。
《数控机床电气装调实训》课程标准课程代码课程类别考查课程课程类型实践课程课程性质必修课程课程学分1学分课程学时24学时修读学期第4学期适用专业数控设备应用与维护合作开发企业长春数控机床有限公司、华中数控机床有限公司执笔人裴杰、周理审核人张鑫1.课程定位与设计思路1.1课程定位本课程是数控设备应用与维护专业的一门综合实践项目课程,是学生在学完《数控机床电气安装与调试》课程后,在一周时间内,通过完成数控车床或数控铣床电器柜电气部分安装以及电器柜与数控系统的连接与调试,使学生进一步强化数控机床电气柜配电、数控系统与电器柜连接、数控系统参数设置以及数控机床电气综合调试的技能。
前修课程为:《电机与电气控制B》、《数控机床电气安装与调试A》、《可编程序控制器技术应用B》。
后续课程为:《数控机床故障诊断与维修A》、《数控机床机电联调》、《数控机床维修实训》、《毕业设计》。
1.2 设计思路通过对数控机床电气装调的工作过程分析,从而确定了课程的设计思路为:以数控机床为载体,对数控机床开机、急停、刀架、主轴、进给轴等各部分进行电气调试,使学生达到预期的能力目标、知识目标和相应的素质目标,本课程学时24学时。
表1 学习项目2.课程目标《数控机床电气装调实训》课程是学习《数控机床电气安装与调试A》课程后,具备能力,进一步锻炼,从而培养适应岗位的能力。
通过对数控机床各功能部件安装与调试的工作过程,使学生具备数控机床电气控制部件安装与调试能力,提高学生的动手能力和分析问题、解决问题的能力,具有自我学习、自我发展的提高自己业务水平意识。
2.1能力目标(1)能够识读电气原理图。
(2)能够进行机床电气控制电路设计。
(3)能够使用工具对电路进行检测。
(4)能够数控机床电气控制电路安装与连接。
(5)能够调整相关系统参数。
(6)能够编写数控机床PLC程序。
2.2知识目标(1)了解数控技术发展的前沿。
(2)掌握数控系统的组成。
(3)熟悉数控机床电气原理图,了解数控机床原理。
《数控机床安装、调试与维修实训一一HNC —21系统》教材编写大纲
一、大纲说明
『课程性质』
本课程是高职高专及数控机床维修与操作高级工系列教材中的一门专业实践课程。
主要内容有:数控机床的安装与调试、HNC —21数控系统的连接调试与维修、HNC —21伺服系统的调试与维修、HNC —21系统数控机床机械系统的拆装与维修、HNC —21 系统数控机床综合维修与验收等五大模块。
『课程的任务和要求』
本课程的主要任务是学习数控机床的安装、调试和验收,HNC —21数控系统、伺
服驱动系统的工作原理及连接和调试,数控车床、数控铣床机械结构的拆卸、装配及调整,数控机床维修常用器具,数控机床常见故障及维修技能。
本课程的要求是:通过培训使学生初步掌握数控机床的安装、调试和验收方法,熟悉HNC —21数控系统、伺服驱动系统的工作原理及连接和调试,掌握数控车床、数控铣床机械结构的拆卸、装配步骤及调整方法,初步掌握数控机床维修常用器具,初步具备分析数控机床常见故障及维修技能。
『教学中应注意的问题』
本课程的教学应以理论与实践一体化,理论教学以技能培训为宗旨,在教学环节中注意培养学生的动手能力、分析问题和解决问题的能力。
教学中,任课教师应根据本校设备条件及学生认知能力的具体情况,有的放矢的实施教学。
为达到本课程的教学要求,应保证实训教学的时间。
建议实训场所最低配置数控车床CK6132和数控铣床(加工中心)XK713各一台,以便于实训模块的教学使用,同时有条件的学校可增加相应实训部件、维修工具和测量仪器的投入。
讲解加注※的教学内容时,需要提高设备的配置要求,如自动换刀刀库、光栅、电气控制仿真软件等,各学校可根据实际情况适当调整教学安排。
二、大纲内容
按照教学大纲的学时安排,本课程总学时为210学时,其中理论学时为60,实训学时为150,根据学时分配安排教学内容如表1-1所示:
注:每章后面要求配备习题或思考题。