标准塑胶色板使用规范
- 格式:doc
- 大小:489.50 KB
- 文档页数:8
注塑件成本核算一、目的:为确保本公司所有产品的外观件和导光件统一管理。
二、范围:适用于本公司所有产品的外观件和导光件。
三、技术规范:1、表面纹理1.1我司产品外观件和导光件的表面纹理通常可通过两种不同的加工工艺来获得,一种通过特种电加工——电脉冲来获得,另一种通过化学腐蚀——烂花来获得。
1.2 电脉冲获得的表面纹理,可分幼砂、细砂、中砂和粗砂,编号分别为S1、S2、S3、S4。
可参考标准色板S面。
见附图1。
1.3 烂花获得的表面纹理,可分幼皮纹、细皮纹、中皮纹和粗皮纹,编号分别为H1、H2、H3、H4。
可参考标准色板H面。
见附图1。
2、色板2.1 我司产品外观件和导光件的颜色通常有如下几种:黑色、红色、黄色、绿色、蓝色、棕色、灰色、米色、桃木色和白色等,每一种颜色有深色和浅色等,需按标准色板执行①。
2.2 通常我司的产品外观颜色通过四种不同的加工工艺来获得,分别采用注塑、披覆、喷漆和IMD技术②。
2.2.1 通过注塑直接获得的外观件和导光件,对原材料的颜色和原材料的配色提出了很高的要求,需按规定的标准色板执行①。
如装在仪表板上的前雾灯、后雾灯、后风窗加热开关等按钮,每个用户要求不尽然相同,有黑色、灰色、米色等,且色调亦不相同。
2.2.2 通过披覆获得的产品外观件,对注塑本身的表面质量有一定的要求。
表面一般以光面为亦,表面如有脉冲加工残留的纹理出现时,一般不宜超过细砂,注塑件表面不得有缺料和明显的凸凹不平、裂纹、毛刺等缺陷,允许有细微的熔接痕和银丝。
如红旗名仕的司机门五孔开关遮光板和世纪星小红旗开关控制面板——左前门护板采用的是桃木披覆工艺,颜色有较高的要求,需按规定的标准色板执行③。
2.2.3 通过喷漆获得的产品外观,针对需进行激光雕刻符号的按钮等,除对注塑件的表面质量要求同披覆件一致外,对原材料的颜色和原材料的配方还有着较高的要求,需按规定的标准色板执行①。
针对不需进行激光雕刻符号的按钮等,对注塑件的表面质量要求同披覆件一致。
标准色板使用规范1.1制定缘由提出一套色彩检验标准以作为设计,采购,品管各单位及第三方之间沟通与作业之依据.1.2标准色板材质分为:金属色板(SECC,铝镁合金,铝合金,---------)塑料色板(ABS,HIPS,PC+ABS,----------------)1.3编码规则DXC-A码B码C码A码:代表材质P:塑料色板C:塑料喷漆色板M:金属烤漆or阳极处理色板L:皮革漆色板B码:代表流水码,依先后顺序编排,从01~99C码:代表色系0:灰色系1:红色系2:橙色系3:黄色系4:绿色系5:蓝色系6:紫色系7:银粉(珠光)色系8:透明色系9:保留码1.4标准色板之用途标准色板之用途是由设计单位制作(及更新),分发至各相关单位及厂商,作为色彩承认或调色之依据.1.5标准色板之依据初次制作:依设计单位或客户所提出之原始色样为依据.复制更新:依初次制作之色板及其DATA为依据.1.6承认标准初次制作及复制之色板均须符合以下标准:1.6.1:标准色板须经由设计单位检验并符合目视(D65光源下,视角45°)及色差仪器(D65光源,10°角)之检验标准.-0.2≦△L≦0.2-0.2≦△A≦0.2-0.2≦△B≦0.2△E≦0.31.6.2:使用测色仪器,应以平光面(无咬花,喷点,非镜面)为基准,在特殊情况下,请以最接近平光面之面为基准.1.6.3:色差仪器检验每片色板至少须测试三点以取其平均值.1.6.4:遇特殊原因致使原设计单位须变更色板标准值时,须行文各相关单位将原色板作废并换发新色板.1.7金属色板制作标准色板板面制作方式,一半为平光面(无咬花,喷点,非镜面),一半为咬花面.1.8塑料色板制作标准1.8.1色板制作以平光面(无咬花,喷点,非镜面)为基准,咬花面为参考.1.8.2DXC标准色板正反两面定义:1.9标准色板Label包含:*色码(ColorNumber)*材质(Material)*表面处理(Coating)*发出日期(ReleaseDate)*确认单位(ApprovedBy)*有效期限(ExpireDate)*标准值(StandardLAB)colorchipcolornumbermaterialcoatingreleasedateapprovebyexpiredatestandardLAB1.10色板保存方式使用时应避免接触其表面,脏污时不宜再使用.不使用时应置于不褪色不透光之黑色护套内,必免接触阳光及潮湿污染之环境.1.11色板有效期限色板之有效期限为自制造日期一年,各保存使用单位及协力厂之色板若超过保存期限或遭污损时,应主动向原发放设计单位要求更新. 2产品承认规范2.1适用范围2.1.1DXC所有产品之外观零件2.1.2DXC委外制造之所有产品外观零件2.1.3客户委由DXC制造之所有产品外观零件2.2检验方式2.2.1所有产品外观零件色差DATA须符合以下标准-0.6≦△L≦0.6-0.6≦△A≦0.6-0.6≦△B≦0.6△E≦1.02.2.2银粉色及珠光色系成品光泽度≦50时:–1.7≦△L≦1.7-0.6≦△A≦0.6-0.6≦△B≦0.6成品光泽度>50时:–2.0≦△L≦2.0-0.6≦△A≦0.6-0.6≦△B≦0.62.2.3检验单位应以标准色板上与产品实际咬花面相同或最接近之表面作为比对的基准.2.2.4透明色系之产品外观零件因无法测色差,故采用与原设计单位承认之sample比对的方式做为检验标准.2.2.5若零件体积太小或产品外观无平面可供测量时(如弧面,球面等),与透明色系相同,采用与原设计单位承认之sample比对的方式做为检验标准.2.2.6客户委由DXC制造之产品外观检验,如客户另行提出标准,则依客户要求采个案处理;客户若无另行提出标准,则依照DXC标准检验.。
喷涂标准色板管理规定目的标准色板是评定涂膜质量的标尺,为了妥善管理标准样板,特制定本规适用范围本规定适用于表面处理供应商的打样板,自制样板,圭寸样样板, 客户提供样板和粉末供应商随货附带样板的管理规定。
3.0 管理规定3.1各种标准样板必须集中存放在专门的带小格的柜子中; 3.2各种标准样板必须装在特制的有封口的黑色无酸纸带中; 3.3标准样板尺寸为100*150*0.8mm,无特殊要求均为冷板; 3.4标准样板的确定34 1由喷涂车间配合打样,每种油漆或粉末打6块样,在检验员 确定0K后给客户确认。
3.4.2打样时必须将基材、底漆、中涂、面漆、清漆分开标识,每层进行屏蔽,便于检验每道油漆的性能。
3 .4.3对同批色板的要求为:△ E <0 . 3,膜厚在客户要求范围内,同批色板可允许±20 口 光泽±5%。
3 .4. 5待客户确认合格后,取回样板,贴上确认标签厚,并分发给供应商、客户、质量各一块,并建立分发台帐。
3.4.6余下的3块板用塑料袋加无酸信封装好,并摆放于样板柜中备用。
3.5对于客户提供的样板必须有以下标识内容:1.0疋2.03.5.1必须注明“客户提供”字样3.5.2提供样板时间3.5.3客户名称3.5.4项目名称3.5.5膜厚3.5.6光泽度3.5.7如果客户已经指定该样板所用油漆或者粉末的供应商和型号,须再注明油漆或粉末的供应商名称和油漆或者粉末的型号;3.6 对于已确认为标准样板的,必须有以下表示内容3.6.1必须注名样板来源;3.6.2打样时间;3.6.3粉末或者油漆的生产厂家;3.6.4粉末或者油漆的型号;3.6.5项目名称;3.6.6膜厚(包括底漆、中涂、面漆、清漆分别的膜厚以及累计膜厚);3.6.7光泽度;3.6.8色差;3.6.9附着力测试;3.6.10冲击试验3.6.11弯曲试验;3.6.12耐酒精测试;3.6.13伟泰确认人;3.6.14客户确认人;3.7粉末供应商随货附带样板必须有以下标识内容3.7.1必须注明“随货样板”字样;3.7.2供货时间;3.7.3供应商名称;3.7.4粉末或者油漆的型号;3.7.5粉末或油漆批次号3.7.6项目名称;3.7.7膜厚;3.7.8光泽度;3.7.9确认人4.0 标准样板的外借由于各种原因,标准样板可能要外借,外借人员必须提出申请,经管理人员批准,办理外借手续后,方可借出。
喷涂标准色板管理规定1.0 目的标准色板是评定涂膜质量的标尺,为了妥善管理标准样板,特制定本规定。
2.0 适用范围本规定适用于表面处理供应商的打样板,自制样板,封样样板,客户提供样板和粉末供应商随货附带样板的管理规定。
3.0 管理规定3.1各种标准样板必须集中存放在专门的带小格的柜子中;3.2各种标准样板必须装在特制的有封口的黑色无酸纸带中;3.3标准样板尺寸为100*150*0.8mm,无特殊要求均为冷板;3.4标准样板的确定3.4.1由喷涂车间配合打样,每种油漆或粉末打6块样,在检验员确定OK后给客户确认。
3.4.2打样时必须将基材、底漆、中涂、面漆、清漆分开标识,每层进行屏蔽,便于检验每道油漆的性能。
3.4.3对同批色板的要求为:△E≤0.3,膜厚在客户要求范围内,同批色板可允许±20µm,光泽±5%。
3.4.5待客户确认合格后,取回样板,贴上确认标签厚,并分发给供应商、客户、质量各一块,并建立分发台帐。
3.4.6余下的3块板用塑料袋加无酸信封装好,并摆放于样板柜中备用。
3.5对于客户提供的样板必须有以下标识内容:3.5.1必须注明“客户提供”字样3.5.2提供样板时间3.5.3客户名称3.5.4项目名称3.5.5膜厚3.5.6光泽度3.5.7如果客户已经指定该样板所用油漆或者粉末的供应商和型号,必须再注明油漆或粉末的供应商名称和油漆或者粉末的型号;3.6 对于已确认为标准样板的,必须有以下表示内容3.6.1必须注名样板来源;3.6.2打样时间;3.6.3粉末或者油漆的生产厂家;3.6.4粉末或者油漆的型号;3.6.5项目名称;3.6.6膜厚(包括底漆、中涂、面漆、清漆分别的膜厚以及累计膜厚);3.6.7光泽度;3.6.8色差;3.6.9附着力测试;3.6.10冲击试验3.6.11弯曲试验;3.6.12耐酒精测试;3.6.13伟泰确认人;3.6.14客户确认人;3.7 粉末供应商随货附带样板必须有以下标识内容3.7.1必须注明“随货样板”字样;3.7.2供货时间;3.7.3供应商名称;3.7.4粉末或者油漆的型号;3.7.5粉末或油漆批次号3.7.6项目名称;3.7.7膜厚;3.7.8光泽度;3.7.9确认人4.0 标准样板的外借由于各种原因,标准样板可能要外借,外借人员必须提出申请,经管理人员批准,办理外借手续后,方可借出。
色板管理制度模板一、总则第一条为了加强色板管理,规范色板使用行为,保障企业生产安全和产品质量,根据国家有关法律法规,制定本制度。
第二条本制度适用于企业内部色板的制作、发放、使用、回收和销毁等环节。
第三条企业应建立健全色板管理制度,明确各部门职责,加强色板管理培训和监督,确保色板管理的规范化、科学化。
第四条企业应严格按照国家有关标准和规定,选购、使用和管理色板,确保色板质量符合要求。
二、色板制作和管理第五条企业应设立专门的色板制作室,保持室内清洁、卫生,避免阳光直射和潮湿。
第六条色板制作材料应符合国家有关标准和规定,确保色板颜色稳定、耐用。
第七条色板制作过程中,应严格控制温度、湿度等条件,确保色板颜色的一致性和稳定性。
第八条企业应建立色板档案,记录色板的制作时间、批次、颜色等信息,便于追溯和管理。
第九条企业应定期对色板进行检测和校准,确保色板颜色准确无误。
三、色板发放和使用第十条企业应设立色板发放部门,负责色板的发放和回收工作。
第十一条色板发放时,应进行认真检查,确保色板完好无损。
第十二条员工在使用色板时,应严格按照操作规程进行,避免色板受损或污染。
第十三条员工不得私自复制、传播色板信息,确保色板使用的合法性和正当性。
四、色板回收和销毁第十四条企业应建立色板回收制度,明确回收时间和流程,确保色板及时回收。
第十五条色板回收时,应进行检查,分类存放,避免色板混淆或损坏。
第十六条企业应定期对回收的色板进行评估,对无法继续使用的色板进行销毁。
第十七条色板销毁应采取可靠的方式,确保色板信息无法恢复,避免泄露企业机密。
五、监督和考核第十八条企业应设立色板管理监督机构,负责对色板管理情况进行监督和检查。
第十九条企业应定期对色板管理人员进行培训,提高色板管理水平和能力。
第二十条企业应建立色板管理考核制度,对色板管理的各项工作进行评估和考核。
第二十一条对违反色板管理制度的行为,企业应依法依规进行处理,确保色板管理的严肃性和权威性。
塑胶产品表面通用标准根据欧洲的标准,塑胶产品的色差标准是:与色卡比较相差1ΔE~1.2ΔE,与客供样板比较相关0.8ΔE,因为一般情况下客供样板如果也作颜色参照样,则客人会对其提供的样板作出要求,与色卡比较相差在0.3ΔE内。
但主要以色卡为主。
而且欧洲都采用Lab色差数据。
塑胶件的色差标准?如何判定产品的色差, 那些色差会影响客户购买?补充- 9个月前CA(Chromatic Aberration)即色差,CA(Area)值用来衡量图像的色差水平,这个值越低说明品质越好。
0-0.5:可以忽略,肉眼难以辨认出;0.5-1.0:很低,只有受过长期专业训练的人才能勉强发现;1.0-1.5:中等,高倍率输出时时常看到;大于1.5:严重,高倍率输出时非常明显。
由仪器测量的颜色座标系计算色宽容度和色差之业界标准(本标准已获准用於美国国防部)简介本标准最初是许多独立发行的色差的仪器评估方法合并的结果.正如在1979年修订的,它包括四个可用仪器测得颜色标量值的颜色空间,其中很多内容业已废弃, 不同色标值下的色差可由十个方程计算得出.根据现代颜色测量技术,仪器,校正标准和方法,测量程序只有很少的意义.1993年出版的修订版删去了这些章节,并把颜色空间和成熟的色差方程,限定为三个广泛应用於烤漆和相关涂装工业的方程.本次修订又增加了两个新的色宽容度方程,并为历史意义从1993年版本的色差方程中提出了两个列入附件中.Hunter的LH, aH ,bH和FMC-2色差方程不再推荐.这次修订也使本标准的地位从方法过度到业界标准.1.范围1.1 本业界标准包括了两个不透明样本间,如烤漆板,不透明塑胶,纺织品样本等的,色宽容度和微小色差的计算.它基於采用日光光源的用仪器测量的颜色座标系.考虑到所测样本可能是同色异谱,通过视觉相似的颜色占有不同的光谱曲线,所以业界标准D4086用於证明仪器测量的结果.由这些程序测定的容差和差值根据 CIE1976CIELAB对立颜色空间中近似一致的颜色感觉表达,如CMC的容度单位,CIE-94的容度单位, 由DIN6167给出的DIN99色差公式,或新的CIEDE2000色差单位.基於Hunter的LH, aH ,bH相反颜色空间的色差,或Friele-MacAdam-Chickering(FMC-2)颜色空间的色差,不再推荐用於工业标准.1.2 为了产品的规范,买方和卖方应就样品和参考样之间容许的色差以及计算色宽容度的程序达成一致.每种材料和每次使用的测试条件都需要明确的色宽容度,因为其他外观因素(例如样本的相近,光泽,质地)可能影响测量色差数据之间的相关性和商业接受性.1.3 本标准没有声称包含所有安全因素,即便要,也须结合它的使用.本标准使用者有责任建立合适的安全和健康条件并注意适当的调整使用需求.2.参考文件2.1 ASTM标准(略)2.2其他标准(略)3.术语3.1在E284中的术语和定义可用於此标准.3.2本标准特有术语的定义3.2.1比色分光计n---分光计,它包含一个色散元件(例如棱镜,光栅,干涉过滤器,可调的或不连续的系列单色光源),通常有能力输出色度数据(如三刺激值,推导的颜色座标或表面品质系数).另外,比色分光计也可以根据色度数据的来源报告潜在的光谱数据.3.2.1.1 讨论----曾经,紫外解析分光光度计用於色度测量.现在,用於颜色测量的仪器有很多普通的组件,而紫外解析分光光度计最适合用在色度量的解析中,这需要非常精确的光谱位置和非常窄的带宽以及适度的基线稳定性.比色分光计被设计用於视觉色度计的数据仿真或作为计算机辅助颜色匹配系统的光谱和色度信息来源. 数字比色法允许更多关於光谱等级和光谱带宽的容差,但需要更高的放射等级稳定性.3.2.2 色宽容度方程,n---由可接受性评估得到的一个数学表达式,它基於颜色空间座标系扭曲了该颜色空间的度量,关於一个参考颜色,为了使单个光泽通过.3.2.2.1 讨论---色宽容度方程将一对样品中的一个设定为标准样计算pass/fail值.这样,在两个样本间可察觉的差异不变时,交互改变测试样与参考样将导致一个在可预见的接受水平上的色差变化.而色差方程用颜色空间裏的尺度量化那个颜色空间裏的距离.交互改变参考样与测试样既不改变可查觉的也不改变预知的色差.4.标准摘要4.1参考样与测试样本间的颜色差异由基於光谱或过滤器的色度计测量得来.据标准E308,从光谱仪器上读出的反射系数可经计算转化为颜色等级量,这些颜色等级量也可以从带自动计算的光谱仪器上直接读出.色差的单位是从这些颜色等级量中计算出来的,并近似等於参考和测试样间可察觉的色差.5.意义和应用5.1 原始的基於X,Y,Z三刺激值和色品座标系x,y的CIE颜色标量并不是真正一致的.每个基於CIE值的后续颜色标量都有用於提供某种补充- 9个月前5.1 原始的基於X,Y,Z三刺激值和色品座标系x,y的CIE颜色标量并不是真正一致的.每个基於CIE值的后续颜色标量都有用於提供某种程度上的一致性的额外因素,这样在不同颜色区域裏的色差将更有可比性.另一方面,由不同颜色标量体系计算的相同样品的色差不可能一致.为避免混乱,样品的色差或相关的容差只有在它们从同一个颜色标量体系中得到时才可比较. 在所有颜色样本中,没有简单的因素可被用於从一个差值或容差单位体系到另一个体系间精确地转换色差和色宽容度.5.2 为了标准的一致,CIE在1976年推荐使用两套颜色公制.CIELAB公制以及与其关联的色差方程在涂料,塑胶,纺织物和相关工业中得到了广泛认可.同时,它没有完全取代Hunter的LH aH bH和FMC-2标准.这两个等级标准的表现相对於有经验的视觉来说,太不足了.相比最近的基於CIELAB调整优化的色宽容度方程,它们不再被推荐了. 因此,包括附件中的两个老的标准,在本标准中只有历史意义.预期将来在修改本业界标准时,附件也会被同时删除.CIELAB公制,就其本身,在本业界标准中也不被推荐去描述小的,中等的色差(差值少於5.0ΔE*ab单位).四个最新定义的方程,这里有文件证明的,高度推荐用於0到5.0ΔE*ab单位范围内的色差.5.3色宽容度方程的使用者发现,在每个体系中,总合三个色差元素向量组成一个单独的标量值,可以有效的判定样本颜色是否在一个标准指定的色宽容度内.然而,为了控制产品的颜色,可能不仅要知道偏离标准的量,而且要知道偏离的方向.可以通过例出三个由仪器决定的色差元素来得到关於少量色差偏离方向的信息.5.4在基於仪器测量值选择色宽容度时,因该小心地与关於颜色、光亮度差异的可接受性的视觉评估和用惯例D1729 得到的饱和度相关.三个这里给出的宽容度方程已被广泛的验证,验证的对象包括纺织品和塑胶,显示出与视觉评估一致并在视觉判断的实验不确定性之内.这就是说,方程本身错误分类色差的苹率不再超过最有经验的颜色匹配师.5.5当色差方程和色宽容度方程按例用於多种不同的光源时,为了产品在日光下使用,他们已被推导或最优化,或二者都有.在其他光源下的计算结果,可能不具有与视觉判断好的相关性.不在日光下应用宽容度方程将需要在体节性水平上的视觉构造如标准D4086.6. 色差和色宽容度的描述:6.1 CIE1931和1964的颜色空间----不透明样本的日光颜色由颜色空间中的点表示,该空间由三个互相垂直的轴表示,三个轴分别为代表光亮度的Y座标和色品座标x和y,其中:X,Y和Z是1931年或1964年CIE标准观察者的三刺激值,它们遵守照明标准D65或其他日光相.这些标度没有提供可感知的统一颜色空间.结果是色差很少从x,y和Y的差异中直接计算出来.6.2 1976年CIE统一颜色空间L* a* b*和色差方程.这是一个接近统一的颜色空间,它基於三刺激值的非线性扩展.它提供差异以产生三个相反的轴,这三个轴分别近似於黑色--白色,红色--绿色和黄色--蓝色的视觉感觉.它在直角座标系上绘图产生, L*,a*,b*值的计算如下:ΔE*ab=(ΔL*2+Δa*2+Δb*2)1/2式中,三刺激值Xn,Yn,Zn定义了名义上的白目标色刺激的颜色.通常,白目标色刺激由一个CIE标准光源的光谱辐射功率给出,例如,C,D65光源或其它日光相,由良好的反射扩散体反射入观察者的眼内.在这些条件下,Xn,Yn,Zn是标准光源在Yn等於100时的三刺激值.6.2.1 根据L*,a*,b*得到的两种颜色的总色差ΔE*ab如下计算:ΔE*ab=(ΔL*2+Δa*2+Δb*2)1/2注意,所定义的颜色空间叫CIE1976 L*a*b*颜色空间并且色差方程是CIE1976L*a*b*色差公式.推荐使用缩写CIELAB(所有单词的首字母).6.2.2 1976年CIE公制(L*a*b*)在一个或多个X/Xn,Y/Yn,Z/Zn的比值小於0.008856时没有适当的收敛於零.在计算L*时, 如果正常公式用於Y/Yn的值大於0.008856,那麼当Y/Yn的值小於0.008856时原公式也许仍然可用.下述修正公式用於Y/Yn等於或小於 0.008856时:6.2.3 在计算a*和b*时,如果X/Xn,Y/Yn,Z/Zn都小於0,008856,可用以下修正方程代替正式方程:6.2.4 ΔE*ab的量没有指出差异的特性因为它没有指出关於颜色,色度和光亮度差异的相对量和方向.6.2.5 色差的方向由元素∆L*,∆a*和∆ b*的量和代数符号表示:其中,L*s,a* s,和b* s代表参考或标准. L*B,a*补充- 9个月前6.2.5 色差的方向由元素∆L*,∆a*和∆ b*的量和代数符号表示:其中,L*s,a* s,和b* s代表参考或标准. L*B,a* B,b* B代表测量样品或测量批.元素∆L*,∆a*和∆ b*的符号大致有如下意思:+∆L*=明亮的-∆L*=较暗的+∆a*=较红的 (少绿的)-∆a*=较绿的 (少红的)+∆ b*=较黄的 (少蓝的)-∆ b*=较蓝的 (少黄的)6.2.6 为了判断两种颜色色差的方向,可以计算它们的CIE1976公制颜色角hab 和CIE1976公制色度C*ab,公式如下:除了非常深的颜色外,测试样品和参考样品间的颜色角hab差异可与视觉可察觉的颜色差异联系起来.同样的,色度差值ΔC*a b ([C*ab]batch-[C*ab]standard) 可与视觉可察觉的色度差异联系起来.6.2.7 为了判断两种颜色间的不同光亮度,色度和颜色对总色差的贡献,可用CIE1976公制色差来计算ΔH*ab,公式如下:其中, ΔE*ab在6.2.1中计算. ΔC*ab在6.2.6中计算;於是方程:包含的项目显示了光亮度差异ΔL*,色度差异ΔC*ab和颜色差异ΔH*ab 对总色差ΔE*ab的相对贡献.这种计算公制色差的方法没有包含关於色差符号(正或负)的信息,对於接近中性轴的一对颜色的判断可能不稳定.一个可改正这两种问题的选择性方法已被提出:6.3 CMC色宽容度方程:--The Colour Measuremant Committee of Society of Dyers and Colourists英联邦染色师与配色师颜色测量委员会在英国J&P涂装线公司承担了改进JPC79公差方程结果的任务.它是CIELAB方程和当地最优的处於标准位置的产生了FMC-I的方程的结合.它更注重光亮度,色度和颜色改变引起的直接知觉,取代了老的注重光亮度,红绿和黄蓝色的方程. 它的目的是用作单个色泽的判断方程.现在不需用感觉元素去分解原方程—CIELAB模型中的元素已经那样做了.图1显示了CIELAB的色度板(a*, b*),有大量的CMC椭球画在板上.这个图形清楚地显示了椭球区域随CIELAB公制色度L*ab的增加和改变CIELAB公差颜色角而带来的改变. CMC元素和单个宽容度如下计算:参数(l,c)是系统偏差或参数效应如质地和样本差别的补偿.最普通的值是(2:1),用於纺织品和通过成型模仿纺织材料的塑料.这就意味著光亮度的差异占到色度和色调差异重要性的一半.值(1:1)通常代表一个仅仅能感觉到的差异,用於需要非常严格的容差或具有光泽的表面.对於不光滑的,无规粗糙的,有适度质地的,可用(1:1)到(2:1)之间的中间值.而值(1.3:1)最经常被报道.参数cf是一个商业参数,用於调整容差区域的总量,而接受或拒绝的决定也可以以色宽容度的单位量为基础.颜色依赖函数定义如下: 所有的角由角度给出,但通常需要转换成弧度,以便在数字电脑上处理.6.4 CIE94色宽容度方程,这个色宽容度方程的发展是由CMC色宽容度方程的成功促进的,它主要从汽车钢板烤漆的目视观察得来.正如CMC方程,它基於CIELAB颜色公制并用CIELAB颜色空间里的标准位置推导出一系列解析函数修正标准周围区域的CIELAB颜色空间.它的额外函数比CMC中的方程要简单得多.CIE94的色宽容度计算如下:不像其它早先的色差方程,CIE94是由一系列良好定义的条件得来的,在这些条件下方程将提供最佳结果,而偏离这些条件将导致与目视评估的色差显著不同.这些测试条件由表1给出:表1 CIE94色宽容度方程的基本条件特性要求照明 D65光源样品照明度 1000lx观测正常颜色视觉背景统一中性灰色监视模式目标样品尺寸>4°对象视角样品分离最小可能色差大小 0到5个CIELAB单位样品结构视觉均一参数kL ,kC ,kH是可被用於补偿质地和其它样本表达效果的参变因素,同时kv 基於工业偏差调整色宽容度量的大小.参数SL,SC,SH用於表现CIELAB颜色空间的局部变形,基於那个空间中的标准样本位置.它用下述方程计算:6.5 DIN99色差方程—由Rohner和Rich发表於1996年的论文促进了德国标准协会更进一步发展和标准化一个改良的翻译作为新的色差公式,一个用 CIELAB的对数座标系而不是用CMC和CIE94的线性和双曲线函数的球状颜色空间模型.该方程由DIN6167标准推导和证明.它提供了一个经轴旋转和对数扩张的新轴去与CIE94色宽。
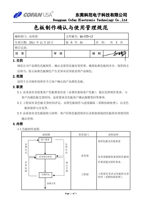
色板制作确认与使用管理规范编制部门:品质部文件编号:QA-STD-13 生效日期:2011 年11月18日 版 本 号: 01页 码: 共 3 页修订记录: 批 准审 核编 制1.目的规范公司产品颜色色板制作、确认及使用实施有效管理,确保标准色板的齐全,保管的方 法得当,防止标准色板颜色产生差异从而导致误判产品颜色。
2.范围适用于公司制作的所有予已客户确认的产品颜色色板。
3.职责3.1 业务部负责收集客户色板要求信息(必要时索取客户色板),提出色样制作需求,与 客户沟通色板交货时间、品质要求及色板客户确认跟催签回等事项。
3.2 工程部负责色板交货时间评定,安排色板制作与进度跟踪(采购协助处理),以及色板的保管与分发等。
3.3 品质部负责色板验收与封样,客户回签色板的保存以及检验现场的色板的有效使用的 确认管理。
4.内容4.1色板制作流程流程图职责部门流程说明客供色板及其他要求业务部根据收集到的色板制作要求提出制作需求。
工程部负责评定色板的交货时间(采购协助处理)。
东莞科范电子科技有限公司Dongguan Cofan Electronic Technology Co.,Ltd 业务提出需求交期评定需要 延 期 客户要求延期 信息反 馈 信 息确认交期按期交货业务部工程部4.2 色板管理规范:4.1封样完成后,品质部将本次制作的色板依客户需求数量返送给业务部,业务部送色板样品给客户确认(客供色板由品质部保管);4.2 业务部跟进色板样品客户回签时间,客户回签的色板样品交工程部,由工程部分发予相关部们并作记录;4.3 标准色板的保管标准色板在使用过程中由于阳光照射、使用中的污染或保存不当,颜色可能会发生变化,对标准色板的保管有以下要求:A) 标准色板必须用塑料袋封装且保存在清洁、干燥、避光之处,防止沾污与擦伤;B) 标准色板必须由专人负责管理,未经管理员同意,其他人不得擅自取用;C) 标准色板清洗一定要用清水处理,再用无尘布轻轻擦拭,不可使用任何化学溶剂清洗;4.4 色板使用管理、更换和回收A) 品质检验部门或其他使用部门必须对现场使用色板用塑料袋保存,并且每月与标准色板进行比对,以便能及时发现色板在使用过程中发生的颜色变化。
Q/ZX 深圳市中兴通讯股份有限公司企业标准(设计技术标准)Q/ZX 04.101.2 – 2002 结构设计规范—颜色要求2002-06-24发布 2002-07-15实施深圳市中兴通讯股份有限公司发布Q/ZX 04.101.2 –2002前言《结构设计规范》为系列标准:Q/ZX 04.101.1 《结构设计规范-文档要求》;Q/ZX 04.101.2 《结构设计规范-颜色要求》;Q/ZX 04.101.3 《结构设计规范-材料标记及推荐材料》;Q/ZX 04.101.4 《结构设计规范-镀涂表示方法》;Q/ZX 04.101.5 《结构设计规范-机柜尺寸系列》;Q/ZX 04.101.6 《结构设计规范-塑胶面板结构要求》;……为了规范中兴通讯产品外观颜色,特制订本标准。
本标准是《结构设计规范》的第2部分,规定了公司产品外观标准颜色种类、标牌、文字颜色的设计应用及标准色板的分类、编号和应用。
在Q/ZX 04.101.2的实施过程中,由于部分规定的实际效果不甚理想,给使用者带来一些不便,现进行第二次修改:a)在标准的第二章,将产品丝印的油墨色由五种增加到八种,即增加标准浅灰、黑色(K100)和白色(K0),将原油墨色卡中的“中兴”两字去掉,将中兴标准灰色(K80)改为灰色K80,去掉标准蓝色后的“C100M70”;b) 2.1产品外观颜色改为四种,去掉红色;c)为准确起见,将原标准中的“油墨色板”改为“油墨色卡”;d) 3.2增加对色板编号中“-”为“分隔符”的说明;e) 3.2.4表面状态“平光外观”改为“平面外观”,增加砂纹效果;f) 3.2.6在油漆色板编号“ZX”后增加分隔符“-”;g) 3.2.6在喷粉色板栏增加五种颜色的平面外观色板编号,将原油墨色卡中的“中兴”两字去掉,将中兴标准灰色(K80)改为灰色K80,去掉标准蓝色后的“C100M70”,增加砂纹色板,取消与红色相关的色板,取消黑色桔纹板;h) 3.2.6在油墨色板栏增加标准浅灰、黑色(K100)和白色(K0);i)为便于与外部交流,在3.2.6色板编号表的注释中增加与部分油墨色对应的PANTONE色号说明;j) 4.1中“ZX01*01(ZX-P01*01)”改为“01*01”k) 4.2中“ZX02*02(ZX-P02*02桔纹、ZXS02*02)”改为“02*02”;l) 4.3中“ZX03*01(ZX-P03*01桔纹、ZXS01*01、ZXS03*01)”改为“03*01”;m) 4.4中“ZX04*01(ZX-P04*01)”改为“04*01”;n)取消4.5;o) 4.7中增加对灰色K80、黑色(K100)、白色(K0)的使用说明,去掉a)、b)、c)的“中兴”;p) 5.1将“色板的有效期为一年”改为“塑胶色板、油漆色板、喷粉色板的有效期为一年,油墨色卡的有效期为两年”;Q/ZX 04.101.2 – 2002q)在5.4表3中增加“CDMA”、“西研所”、“手机”三部分,其对应的色板分配套数分别为20套、5套、5套,将接入与网络合并,数量改30套。
文件修订页1目的提出一套色彩检验标准以作为设计,采购,品管各部门及供应商之间沟通与作业的依据。
2适用范围本规定适用于所有产品的外观颜色的判定,本规定所涉及的部门有品质中心、烤漆厂、生产中心、采购中心、供应商、研发中心。
3标准色板材质分为3.1 金属色板:铝镁合金、铝合金、冷轧板、SECC等。
3.2 塑胶色板:ABS、PP、PC、PC+ABS等。
4命名规则:流水号表面处理基本色4.1基本色:(可延展)White 白色 WHBlack 黑色 BKGray 灰色 GYGolden 金色 GDGreen 绿色 GRBlue 蓝色 BURed 红色 RD4.2表面处理:(可延展)0.本色;1.烤漆;2.电镀;3.氧化;4.氧化高光填粉;5.拉丝氧化;6.阳极氧化;......4.3例:WH101 表示:白色烤漆+流水号。
5标准色板的依据5.1初次制作:依据统一采购的PANTON色卡号为原始色样依据。
5.2复制更新:依据初次制作的色板及其资料为依据。
6职责和权限6.1品质中心负责色板的存档保管、定期梳理更新(有效期为一年)。
作为对喷涂和装配所生产的产品外观颜色检验的依据。
6.1.1同时喷涂三套色板,产品中心、研发中心、品质中心分别保管;产品中心、研发中心保管的色板只做参考、查证依据,不做检验依据。
6.1.2色板由产品中心指定颜色色系,研发中心根据产品中心的色系提供及潘通色卡号的对比,选定色板的配色值,并做好《色板定标文件》且受控。
6.2采购部负责对色板的打样。
6.3供应管理部负责对我司喷涂加工供应商进行开拓、更新。
7标准色板的使用规范7.1品质部门在收到标准色板后应及时进行色板样品制作,后续检验人员检验来料、喷涂、装配的外观颜色时,以色板样品为主,标准色板应立即封存保管。
封存的标准色板只作为参考、查证、校对依据。
7.2使用标准色板、色板样品时,应佩戴手套,严禁裸手触摸色板、色样正面。
8标准色板的更换及回收标准色板的更换一般有以下两种情况:8.1标准色板在使用过程中造成损坏、丢失或颜色偏差。
关于色板的管理规定 The latest revision on November 22, 2020深圳市龙诚行实业有限公司关于色板的管理规定1、目的:为了我司外购件物料(涂装要求)能满足我司的涂装质量要求,我司生产的产品外观颜色满足客户的质量要求,特制订本规定。
2、适用范围和部门:本规定适用于所有需要涂装产品的外观颜色的判定,本规定所涉及的部门有质量部、涂装部、装配部、采购部、供应商、技术部3、职责和权限:3.1质量部负责色板的存档保管、定期更新(有效期为一年)。
对涂装和装配所生产的产品外观颜色检验的依据。
3.2涂装部负责对所生产的产品自检时对照时应的色板进行比对确认。
3.3装配部负责对前工序的来料自检时对照时应的色板进行比对确认3.4采购部负责对我司外购有涂装产品的供应商下发、存档、定期更新(有效期为一年)3.5供应商负责对我司加工有涂装的产品外观颜色进行的依据4、标准色板的使用:部门采用标准色板检验来料、涂装、装配的外观颜色时,以目视检验为主,色差仪测量为辅,目视判定合格即为合格。
在进行目视比色时要求采用W45~W60光源下,距离被测物体30~50CM,周围没有彩色物体的反射光目视时间为30秒。
将产品与标准色板置于同一平面,使用标准色板时,应佩戴手套,严禁裸手触摸标准色板正面。
5、标准色板的更换及回收:标准色板的更换一般有以下两种情况:第一,标准色板在使用过程中造成损坏、丢失或颜色偏差。
由于标准色板质量要求较高,一次制作合格率较低,因此每批制作成功的色板数量均有限。
必须加强对标准色板的保护,以减少非正常使用造成的损坏。
第二,标准色板过有效期或本批次标准色板用完。
标准色板必须同一批次制作,不允许多批次混用,下发新批次的标准色板后,旧批次的必须回收报废。
6、标准色板的保管及校准:标准色板在使用过程中由于阳光照射、使用中的污染或保存不当,颜色可能会发生变化,对标准色板的保管有以下要求:6.1色板需用专用胶袋封装保存在清洁、干燥、避光之处,防止沾污与擦伤;6.2准色板必须由专人负责管理,未经管理员同意,其他人不得擅自取用;6.3各部门或外协厂家每月必须自行核对一次标准色板颜色;6.4色板的各使用部门和厂家自接到标准色板之日起每3个月必须到标准色板的制作部门进行一次校准。
色板管理一﹑色板的定義即顏色的標准﹐以l﹑a﹑b﹑△E值表示其數值l表示白(+)﹑黑(-)a表示紅(+)﹑錄(-)b表示黃(+)﹑藍(-)△E=√a2+b2+l2二﹑色板的分類1: 塑膠原料色板2: 噴漆涂裝色板三﹑色板的接收1. 塑膠原料色板是廠商提供﹐噴漆涂裝色板是制工進行打樣制作2. 色板一般做成”上限二﹑上限一﹑中限﹑下限一﹑下限二”的樣式3. 經客戶簽回的色板﹐均屬于PM接收的標准色板四﹑色板的管制﹕1. 依類別﹑客戶別填寫<<色板一覽表>>﹐并在色板冊上蓋”色板管制章”﹔2. 按色板編號原則實施編號﹐并用黑色色板袋存放﹐以免發生顏色的差異﹔口- 口口口- 口口口- 口口類別﹕C塑膠原料色板P噴漆涂裝色板客戶別﹕依客戶機種代碼對應表機種別﹕依客戶機各代碼對應表流水號﹕01~993. 將編號完成之色板依類別分發至相關單位﹕塑膠原料色板分發至IQC﹑噴漆涂裝色板分發至涂裝品管﹔4. 各單位人員接收色板后﹐會放入柜中保管﹐并填于<<色差/光澤度管制表>>之欄號內a: 品管人員於接收色板后﹐應考慮色板面積大小﹐若色板面積足夠使用色差機測定﹐其L﹑A﹑B值就使用色差機測定﹐并登錄於《色差/光澤度管制表》﹐於檢驗塑膠原料或噴漆涂裝品時﹐將待測品與色板先目視比對﹐并依《色差/光澤度管制表》之色差設定值比較測定其色差﹐色差允收標准依客戶要求辦理b: 若色板面積太小﹐且無法使用色差機測定其L﹑A﹑B值時﹐則檢驗時﹐將待測品與色板目視比對﹐允收標准依客戶簽樣辦理五﹑色板的保存1. 塑膠原料色板有效期為半年﹐保存單位在色板超出有效期時﹐應向PM部申請新色板2. 噴涂色板有效期為一年﹐保存單位在色板超出有效期時﹐應向PM部再申請新色板。
3. 新色板發放時﹐原有同色色板保存單位需將其交還PM部作集中存檔。
1.0目的明确规定本公司与客户的标准色板、限度色板的制作、管理、发放等流程,使色板样品保持有效性,特制订此规范。
2.0适用范围适用于制程和成品等用于品质查证之实物。
3.0职责与权限3.1 营销中心市场部:提供客人确认或需要的颜色样板;3.2 各厂工程部:负责所属标准样品和限度样品的制作,协助确认客户提供的样品;3.3 研发中心:负责新产品颜色样板的提供;3.4 品质中心:负责最终样板的确认及管理;3.5 塑胶/喷油/五金厂:负责标准样板的试制并按标准样板进行啤塑/喷涂/冲压;4.0定义4.1标准样品:为了减少用于检测的检测仪或公司无检测条件时出现错误导致产生误差,选定符合所需项目标准的样品,作为参考或指导性标准。
4.2限度样品:制程上因产品外观品质,不能用测定器测定的特性判定合格与否,依据操作人员主观判断处理的品质项目,以最适当和客观性为基准制定的样品。
4.3外发样品:为了能使供方能为本公司提供合格的物料,本公司提供标准的物料实物,用于统一标准和指导性标准。
5.0作业内容5.1客户标准样板的制作及签认流程5.2 公司自制胶件/喷油件颜色样板的制作及签认5.3样品之管理5.3.1样品管理人员在作样品记录前需确认样品的有效性,将物料进行编号,再按类别存放在相应的区域,并记录在《样板(品)登记台账》中。
5.3.2 样品签认后,由品质部统筹管理,样品须每个月定期清理一次,确保样品的有效性。
5.3.3 色板保存期限:其有效期限一律为一年,超过有效期限的需重新进行签样。
5.3.4 对于须鉴定产品色泽或材质之样品,应妥善保管,避免损坏或褪色而造成标准不同。
5.3.5样品失效、变更或过期时,样品管理人员需通知相关人员,由工程师确认后对于无保留价值的方可报废或其它处理。
5.3.6样品的有效期至期时,经工程师与供方(客户)代表确认仍可使用,则重新制定有效期限使用。
5.3.7对于丧失有效性的样品,样品管理人员申请,经样品确认人确认后,贴上作废标贴,样品作废处理,客户提供的样品按客户要求处理,保存相应处理手续,以备查验。
喷涂标准色板管理规定1.0 目的标准色板是评定涂膜质量的标尺,为了妥善管理标准样板,特制定本规定。
2.0 适用范围本规定适用于表面处理供应商的打样板,自制样板,封样样板,客户提供样板和粉末供应商随货附带样板的管理规定。
3.0 管理规定3.1各种标准样板必须集中存放在专门的带小格的柜子中;3.2各种标准样板必须装在特制的有封口的黑色无酸纸带中;3.3标准样板尺寸为100*150*0.8mm,无特殊要求均为冷板;3.4标准样板的确定3.4.1由喷涂车间配合打样,每种油漆或粉末打6块样,在检验员确定OK后给客户确认。
3.4.2打样时必须将基材、底漆、中涂、面漆、清漆分开标识,每层进行屏蔽,便于检验每道油漆的性能。
3.4.3对同批色板的要求为:△E≤0.3,膜厚在客户要求范围内,同批色板可允许±20µm,光泽±5%。
3.4.5待客户确认合格后,取回样板,贴上确认标签厚,并分发给供应商、客户、质量各一块,并建立分发台帐。
3.4.6余下的3块板用塑料袋加无酸信封装好,并摆放于样板柜中备用。
3.5对于客户提供的样板必须有以下标识内容:3.5.1必须注明“客户提供”字样3.5.2提供样板时间3.5.3客户名称3.5.4项目名称3.5.5膜厚3.5.6光泽度3.5.7如果客户已经指定该样板所用油漆或者粉末的供应商和型号,必须再注明油漆或粉末的供应商名称和油漆或者粉末的型号;3.6 对于已确认为标准样板的,必须有以下表示内容3.6.1必须注名样板来源;3.6.2打样时间;3.6.3粉末或者油漆的生产厂家;3.6.4粉末或者油漆的型号;3.6.5项目名称;3.6.6膜厚(包括底漆、中涂、面漆、清漆分别的膜厚以及累计膜厚);3.6.7光泽度;3.6.8色差;3.6.9附着力测试;3.6.10冲击试验3.6.11弯曲试验;3.6.12耐酒精测试;3.6.13伟泰确认人;3.6.14客户确认人;3.7 粉末供应商随货附带样板必须有以下标识内容3.7.1必须注明“随货样板”字样;3.7.2供货时间;3.7.3供应商名称;3.7.4粉末或者油漆的型号;3.7.5粉末或油漆批次号3.7.6项目名称;3.7.7膜厚;3.7.8光泽度;3.7.9确认人4.0 标准样板的外借由于各种原因,标准样板可能要外借,外借人员必须提出申请,经管理人员批准,办理外借手续后,方可借出。
1 目的:
规范本公司色彩检验标准,以作为设计,采购,品质各部门及客户,供应商等之间沟通及检验的依据,以保证产品颜色在可控范围内,满足客户要求。
2 适用范围:
适用于公司所有注塑成型的塑胶件以及外购塑胶配件。
3 术语:
3.1 色调(hue):表示红、黄、绿、蓝、紫等颜色特性。
颜色的三属性之一。
3.2 明度(lightness):物体表面相对明暗的特性。
在同样的照明条件下,以白板作为基准,对物体表面的视知觉特性给予的分度。
颜色的三属性之一。
3.3 饱和度(saturation):用以估计纯彩色在整个视觉中的成分的视觉属性。
颜色的三属性之一。
3.4 D65光源箱(D65 标准光源又称国际标准人工日光(Artificial Daylight) ,其色温为
6500K(色温)作为评定货品颜色的标准光源特别是夜班时间,使用标准光源检测货品颜色偏差尤其重要。
多光源标准光源箱中除了必须包含的D65标准光源外,还有TL84、CWF、UV、F、A、U30、HOR等光源。
具备测试同色异谱效应的功能。
3.5 CIE1976L*a*b*色差公式又称CIE1976LAB(或L*a*b*)系统,简称CIELAB,由国际照明
委员会(CIE)于1976年规定的标准色度系统, 主要应用于色彩设计及复制、颜料和图像艺术工业,。
1987年我国发布的GB7921-87标准中将LAB空间作为国家标准。
另外,在近代所有的颜色数码成像标准和实际应用也使用CIE LAB色差公式。
4 职责:
标准色板由ID工程师签样分发至各相关部门及客户,供应商等处,作为色彩承认、调色或检验的依据。
5 定义:
5.1颜色:色彩。
光的各种现象(例如黑色、白色、灰色、红色、橙色、黄色、绿色、蓝色、
紫色、金色、银色和透明色等),或使人们得以区分在大小、形状和结构等方面完全
相同的物体的视觉或知觉现象。
5.2色差(Chromatic aberration):色差又称色相差,简单来说就是颜色的差别,发生在多色
光为光源的情况下,单色光不产生色差。
可见光的波长范围大约400至700纳米,
不同波长的光,颜色各不相同。
在通过透镜时的折射也不同。
这样物方一个点,在
像方则可能形成一个色斑。
色差一般有位置色差,放大率色差。
位置色差就像在任
何位置观察,都带有色差或是晕环。
而放大色差就像带有颜色的边缘或是偏向其它
颜色。
5.3色差仪:广泛运用于塑胶和印刷行业,主要根据CIE(国际照明委员会)色空间的LAB LCH
原理,测量出样板的色差△E以及△L A B值(多光源下数值,例如红光,蓝光,绿
光,白光)。
5.4色差单位:色差是用数值方式表示的两种颜色给人色彩感觉上的差别。
在LAB色彩空间中
即是两种颜色所在的坐标点在空间上的距离,由以下公式计算所得:
△E*=[(△L*)2+(△a*)2+(△b*)2]1/2。
色差的单位用NBS(National bureau of standard)表示,△E为1时成为1NBS。
值
的大小即两种颜色在视觉感受上的相差大小。
色差值和视觉感受的对应关系
色差△E 人眼的感觉
小于0.25 非常小或没有,是理性匹配
0.25至0.5 微小,是可接受的匹配
0.5至1.0 微小到中等,在一些应用中可接受
1.0至
2.0 中等,在特定应用中可接受
2.0至4.0 有差距,在特定应用中可接受
大于4.0 非常大,在大部分应用中不可接受
色差主要针对样品和已知样品标准颜色测量值的比较,这样可判断样品与标准的接近程度在LAB颜色空间中,
"L"代表物体的明亮度:0-100表示从黑色到白色
"a"代表物体的红绿色:正值表示红色,负值表示绿色
"b"代表物体的黄蓝色:正值表示黄色,负值表示蓝色
色差仪自动比较样板与被检品之间的颜色差异:
输出L、a、b三组数据和比色后的△E、△L、△a、△b四组色差数据。
其中△E表示总色差的大小
如果ΔL为正,说明试样比标样浅,如果ΔL为负,说明试样比标样深。
如果Δa为正,说明试样比标样红(或者少绿),如果为负,说明试样绿(或者少红)
如果Δb为正,说明试样比标样黄(或者少蓝),如果为负,说明试样蓝(或这少黄)LAB颜色空间色差的计算
6 色差检验工作流程:
6.1 检验条件
6.1.1 在自然光或D65光源箱,目视检查高度在1.5米以内条件下检查。
6.1.2 观察距离:30cm左右
6.1.3 观察位置:被测面与水平呈45度角,观测时上下左右转动15度
6.1.4 检测数量:至少检验5PCS,每2小时可目视观察,如感觉有色差可用色差仪进行测量,
最终结果以目视为准。
1-光源
2-观察视线
3-试样
光源为D65标准光源。
光源背景颜色为吸光型中灰色(neutral gray)。
6.2 容差值设定
6.2.1 设置容差范围时需考虑所测的颜色
A: 白色、灰色和银色这样饱和度底的颜色,色差很容易被察觉。
B: 在亮度(△ L*)上的色差不易被察觉,但是在色度(△ A*,△ B*)上的差异就很容易被察觉。
C: 对于鲜艳的颜色,即饱和度高的颜色,颜色上的变化不易被察觉。
D: 一般而言,塑胶材料在高温加工后,容易偏黑、偏黄;因此色板的LAB值控制建议略为偏白、偏蓝。
6.2.2 颜色标准偏差范围
6.2.3 仪器操作(色差仪作业)
开机测量时必须先对仪器进行校正,依照色差仪操作指导手册作业。
应以标准色板存储的原始LAB值作为检验基准,不能以色板每次测量的值作为标准。
注意事项:
1、即使测量的结果完全符合标准要求的偏差范围,也需要对产品进行目视评价
2、当测量结果与目视结果不一致时,以目视结果为最终评价
3、在未做明确规定下所有产品颜色外观均以客户要求为准
7 标准色板签样:
7.1 签样条件(上下限度)
7.1.1 初次制作:根据客户提供的潘通色值或参考样品作为依据。
复制更新:根据初次制作的色板及其测量数据为依据。
初次制作及复制色板须符合目视及色差仪器检验标准:
-0.2≤△L≤0.2
-0.2≤△A≤0.2
-0.2≤△B≤0.2
△E≤0.3
7.1.2 色彩差异小(无偏红,偏绿,偏黄,偏蓝等色相上的差异),可以允许明度上存在5%
以内的差异(如偏亮,偏暗)但不允许一个上限一个下限(例如底壳偏暗,电池盖偏亮,需正态分布)。
7.1.3 同颜色签样,同颜色签一个颜色色板(例如:底壳和电池盖是使用一个颜色,签样
时仅需签电池盖或是底壳中的一个,其它同色遵循签样样板颜色)
7.2标准色板命名规则
品牌名-潘通色号
例如:品牌蓝色为XXX-PT295C
7.3 色板保存方式
使用时应避免接触其表面,脏污时不宜再使用。
不使用时应置于不褪色不透光的黑色护套内,避免接触阳光及潮湿污染环境。
色板有限期限为自制造日期三年。
若超过保存期限或遭污损时应及时更新色板。