竣工图格式说明
- 格式:doc
- 大小:40.00 KB
- 文档页数:15
竣工资料版式、填写及交付要求1 程序排版要求1.1 页面设置页边距:上3厘米,下2厘米;左2.5厘米,右2厘米版式:页眉1.7厘米,页脚1.5厘米1.2 封面字体文件标题:黑体、二号(或小二号,据文字多少调整)、加粗程序类型:宋体、小四号、加粗内部编码:Times New Roman、三号、加粗十九位编码:Times New Roman、四号、加粗1.3 文件修改记录页“文件修改记录”标题字体为宋体、四号、加粗,段前0行、段后0.5行;表格内字体为宋体、五号,行距20磅,段前、段后0行。
1.4 目录页“目录”标题字体为宋体、四号、加粗,中间空两格;自动生成2级目录,宋体、小四,目录级别不错开,以Times New Roman形成密点;行距20磅,段前、段后均为0行。
1.5 正文页正文:中文字体为宋体、小四,英文字母及数字为Times New Roman、小四。
行间距20磅,段前、段后均为0行,字间距为标准。
注意,正文页开头不写文件名称。
标题:一、二级标题字体为宋体、小四、加粗,其中一级标题段前、段后0.5行。
1.6 页眉中文字体为宋体(英文字母及数字为Times New Roman)、五号、标准字距。
文件名称写在页眉左上角;文件内部编码、版本、页码依次写在页眉右上角,中间空两格。
1.7 文件页码页数包括封面页。
封面页眉不标记,默认第1页,从修改记录页开始编为第2页,直到附录的最后一页,即为整本程序的页码,编排形式使用“页码/总页码”。
2 记录表格的格式在报送文件之前将文件中形成的表格模板按要求进行规范,同时提交其相应的电子版以备使用。
表格的页面设置(特殊表格除外):1)页边距:左2.5厘米,右2厘米,上3厘米,下2厘米2)版式:页眉1.7厘米,页脚1.5厘米3)表格名称:宋体四号加粗,标准字距,段后0.5行4)编码:宋体五号,居表格右上角5)表格的左、右、下外框线与边线平齐6)表格内字体:宋体五号(或小五号,据字数多少调整;需统一)3 竣工图要求3.1 竣工图制作和审查移交最终提交时,必须提供纸质白图并在白图上盖章、签字(签字应齐全、清楚,不得代签),作为竣工图原件提交。
一、竣工文件编制要求1、归档的竣工文件应完整、准确、系统。
应根据建设项目实际情况,及时收集所缺少的重要文件,按要求复制补齐。
2、对施工文件、施工图及设备技术文件的准确性和更改情况进行核实,并按要求修改或补充标注到相应的文件上。
3、归档的竣工文件必须书写工整,字迹、线条清楚,图样清晰,格式统一,签字手续完备。
4、文件材料图幅原则采用A4纸,页边距为:上边20mm,下边15 mm,装订边25 mm,翻页边15 mm。
竣工图采用A3纸,图幅的短边不得加长,长边加长的长度应为210mm的整倍数,并折叠成A4纸装订,规格必须符合国家标准,用纸优良。
5、文件文字,标题采用小2号黑体,正文采用3号仿宋体,内文标题采用3号黑体。
6、每页文件材料必须用阿拉伯数字编号:单面书印的文件材料标注在右下角;双面书印的文件材料正面标注在右下角,背面标注在左下角;标注页号应与卷内目录的页号相对应。
7、录音、录像、图片文件须长期储存的,应以光盘介质为主;施工图片必须提交电子文档打印件和光盘。
8、永久、长期保存的文件书写材料必须采用碳素墨水,禁止使用易褪色的书写材料(如圆珠笔、铅笔、红色墨水、纯蓝墨水、复写纸等)。
凡由易褪色书写材料制成的资料(如复写纸、热敏纸)应复印并加盖本单位公章保存。
二、竣工图编制要求1、竣工图应完整、准确、清晰、规范、修改到位,真实反映项目竣工验收时的实际情况。
2、竣工图按里程、专业、图号排列,竣工图应根据不同情况编制:(1)按施工图施工没有变动的,由竣工图编制单位在施工图上加盖并签署竣工图章;(2)一般性图纸变更及符合杠改或划改要求的变更的,可在原图上(必须是新图)更改,加盖并签署竣工图章;(3)涉及结构形式、工艺、平面布置、项目等重大改变及图面变更面积超过35%的,应重新绘制竣工图。
重绘图按原图编号,末尾加注“竣”字,或在新图图标内注明“竣工截断”加盖并签署竣工图章;(4)重复使用的标准图、通用图可不编入竣工图中,但应在图纸目录中列出图号,指明该图所在位置并在编制说明中注明。
竣工图制作具体要求一、竣工图封面1.页面设置:上、下、左、右均设置为3厘米;2.路线名称:字体(宋体)、字号(小初);3.里程桩号:字体(宋体加黑)、字号(小初);4.主题内容:字体(黑体)、字号(50);5.竣工图:字体(黑体)、字号(72);6.施工单位名称:字体(宋体)、字号(32);7.编制日期:字体(宋体)、字号(32);8.主题内容为一行的版式见附件一的1~4页,主题内容为两行的版式见附件一的5页。
二、竣工图目录1.目录名称:目录(居中、20号字、黑体);2.图册名称:XXXX至XXXX高速公路XX段工程K5+500~K11+400路基工程竣工图(14号字、宋体);见附件二(1)和附件二(2)。
3.不制作竣工图的部分:(1)原设计第一篇<总说明书>后面的附件不制作竣工图;(2)原设计第三篇<路线>中的“公路用地图”不制作竣工图(部分设计院把“公路用地图”放在施工图中);(3)原设计第九篇<绿化美化图>路基标段没施工的,不制作竣工图,已施工的加入竣工图;(4)原设计《筑路材料》不制作竣工图;(5)原设计《施工组织计划》中的“临时工程数量表”要保留,其余不制作竣工图。
4.竣工图名:(1)原设计“路线地理位置图”改为“路线地理位置竣工图”;(2)原设计“路线平、纵面缩图”改为“路线平、纵面竣工缩图”;(3)原设计“总说明书”改为“竣工总说明”,原设计“路线说明”改为“路线竣工说明”;(4)原设计“××××数量表”改为“××××竣工数量表”;(5)原设计“××××布置图”改为“××××布置竣工图”;(6)原设计“××××构造图”改为“××××构造竣工图”;(7)原设计“××××详图”改为“××××竣工详图”;(8)原设计“××××设计图”改为“××××竣工图”;(9)原设计“征用土地表、赔偿树木青苗表、拆迁建筑物表、拆迁电力电讯及其他管线设施表”,在竣工图中不改名称(因为施工单位没法确认其数量是否正确)。
竣工图绘制规范竣工图是指工程竣工后所绘制的相关图纸,用于记录工程的实际完成情况,并作为验收、交付等环节的重要依据。
竣工图的绘制需要符合一定的规范,保证图纸的准确性和可读性。
以下是竣工图绘制的一些规范要求:一、图纸纸张规格和装订方式:竣工图的纸张规格一般为A3或者A4,根据工程的复杂程度和图纸内容的多少进行选择。
图纸应按照标准格式进行装订,包括封面、目录、图纸、图号索引等。
二、图纸编制单位和标识:竣工图应标明图纸的编制单位名称、图纸名称、编制日期等信息,以保证图纸的来源可追溯性。
图纸应配备对应的图号,便于管理和查找。
三、图纸布局和比例尺:图纸布局应合理,整齐清晰,图纸的安排应符合常规习惯。
在绘制竣工图时,应选择适当的比例尺进行绘制,确保图纸能清晰、准确地表达出实际情况。
四、图形和文字说明规范:图纸上的图形要符合一定的规范,如线条要粗细适宜、色彩搭配要协调等。
图纸上的文字说明应准确、简洁、规范,字体大小适中,易于阅读。
五、图纸内容完整和准确性:竣工图应包含工程的全部内容,包括平面图、立面图、剖面图、节点详情等。
图纸上的尺寸标注应准确,符合实际情况。
同时,图纸上的各种说明文字应准确描述工程的构造、材料、设备等特点。
六、图纸的可读性和标准符号使用:竣工图应保证图纸的可读性,采用合适的线宽、线型,突出重点、强调不同的图元。
图纸上应使用规范的符号和标识,确保图纸在不同工作环节中的易辨识性和可操作性。
七、图纸的清晰度和文件质量:竣工图应绘制清晰、精确,不得出现模糊、重叠、变形等情况。
图纸上不应留有脏污、涂改、划痕等痕迹,保证图纸品质。
总之,竣工图的绘制规范是保证工程质量和进展的重要保证,正确的绘制和使用竣工图能够提高工程的操作性和管理性,确保工程的顺利进行和验收交付。
摘要:水利工程竣工图及水利工程竣工图章的格式编制单位编制人技术负责人编制日期监理单位审核人日期水利工程竣工图编制要求及说明:(一)按施工图施工没有变动的,须在施工图上加盖并签署竣工图章;(二)一般性的图纸变动及符合杠改或划改要求的,可在原施工图上更改,在说明栏内注明变更依据,加盖并签署竣工图章;(三)凡涉及结构形式、工艺、平面布置等重大改变,或图面变列超过1/3的,应重新绘制竣工图(可不再加盖图章)。
重绘图应按原图编号,并在说明栏内注明变更依据,在图标栏内注明“竣工阶段”和绘制竣工图的时间、单位、责任人。
水利工程竣工图章的格式及尺寸(见上图)相关链接:工程竣工图章工程竣工图章工程竣工图章的相关资料:一、归档时必须有竣工图,竣工图要求图面清晰;具体编制工作,继续执行原国家建委《关于编制基本建设工程竣工图的几项规定》。
竣工图应逐张加盖竣工图章。
二、竣工图应逐张加盖竣工图章,竣工图章内容包括:××工程竣工图,施工单位名称,编制人、审核人、技术负责人和编制日期。
图章规格尺寸:70mm×50mm。
四、竣工图章应使用不易褪色的红印泥,应盖在图标栏上方空白处。
利用施工图改绘竣工图,必须标明变更修改依据;凡施工图结构、工艺、平面布置等有重大改变,或变更部分超过图面1/3的,应当重新绘制竣工图。
>>>工程竣工图章式样及要求(Microsoft Word文件格式)建设项目(工程)档案验收办法家装工程竣工验收报告2010年新版竣工图章式样工程竣工图章式样2010新版竣工图章内容提要:刻制竣工图章的统一格式和要求。
概述:所有竣工图必须加盖竣工图章,竣工图章应使用不褪色的红色印泥盖印,加盖在蓝图右下角设计图签的上方或周围不压盖图形文字的地方;并应由施工单位、编制人、技术负责人签字确认,应经监理单位审核,总监理工程师签字认可。
一、规格:1、竣工图章整体长80mm,宽50mm。
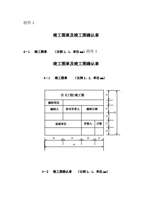
附件4
竣工图章及竣工图确认章
4-1 竣工图章(比例1:1,单位mm)附件4
竣工图章及竣工图确认章
4-1 竣工图章(比例1:1,单位mm)
4-2 竣工图确认章(比例1:1,单位mm)
10
10
20
监理单位审核人
审核日期
20
20
20
20
80
注:竣工图章中(X X 工程)应在图章制作时,直接填写上工程
项目的全称;竣工图章与确认章中的编制单位与监理单位均可在图章制作时,直接填写清
(比例1:1,单位mm)
4-2 竣工图确认章
注:竣工图章中(X X 工程)应在图章制作时,直接填写上工程项目的全称;竣工图章与确认章中的编制单位与监理单位均可在图章制作时,直接填写清楚。
关于广州地区竣工图组卷及编制说明竣工图是记载地上、地下建筑物、构筑物,以及设备、工艺管道、电气、自动化仪表等安装工程真实情况的技术文件,是工程进行交接验收、生产使用、维护、改建、扩建的依据,是国家规定的重要技术档案之一。
1、竣工图章的内容“竣工图”章应包括有施工单位、工程名称、编制人、审核人、技术负责人和编制日期等基本内容。
竣工图章应使用不褪色的红印泥,应盖在图标栏上方空白处。
竣工图章如下图:2、竣工图的形式及编制深度竣工图的形式和编制深度,一般应符合下列各项规定:(1)凡按图施工,在施工过程中没有变动的工程,由施工单位(包括总包和分包单位)在原施工图上加盖“竣工图”章后,即可作为竣工图。
(2)凡在施工中,虽有一般性设计变更,但能将原施工图加以修改、补充即可反映工程实际作为竣工图的,可不重新绘制,由施工单位负责在原施工图(必须是新蓝图)上,把设计变更修改内容(包括工程图纸会审提出的修改意见、工程洽商等)如实地注明。
在施工图上进行修改、补充或注明变更通知单(或图纸会审记录)的日期、条款,盖上“设计变更”章(或“图纸会审”章),最后加盖“竣工图”章作为竣工图。
(3)利用施工图改绘竣工图,必须以变更图章标明变更修改依据,变更图章尺寸为:35mm×15mm。
变更图章可以采用以下几种形式:(4)凡结构形式改变、工艺改变、平面布置改变、项目改变及其他重大改变,不宜在原施工图上修改、补充者,应重新绘图。
并在图标上方或旁边以文字注明变更修改依据。
设计原因造成的,由设计单位重新绘图;施工原因造成的,由施工单位重新绘图;其他原因造成的,由建设单位负责重新绘图。
施工单位负责在新绘制的图纸上加盖“竣工图”章并附以上有关记录说明作为竣工图。
(5)对发生设计变更的工程项目,要求编制设计变更通知单汇总表,该汇总表组卷时应放在所有设计变更通知单之前。
3、编制竣工图的职责与分工建设项目实行总包制的各分包单位应负责编制各自承包范围工程的竣工图;总包单位除应编制自行施工图外,还应负责审查、整理和汇总各分包单位编制的竣工图。
竣工图由施工单位编制右下角标题栏标题栏修改为施工单位各级人员,与原设计标题栏不同。
竣工图需要封面和目录。
竣工图格式:1、竣工图幅面尺寸一般为420(mm长)×297(mm宽),也可采用594mm×420mm、594mm×840mm等标准纸型。
长边可根据需要自由延长。
但装订时一律按420mm×297mm尺寸成册。
2、每册竣工图组卷顺序为:案卷封面+卷内目录+本册图纸封面+本册图纸目录+图纸+卷内备考表。
其中“图纸”包括:本册竣工图总体说明、工程数量汇总表、图、工程数量分表、附注等。
3、竣工图框适用范围:每册竣工图仅“图纸”(图、表)必须套用图框和盖竣工图章,但“图纸”中的“总体说明”除外。
图框内各栏的尺寸严格按照样规定执行。
图框线距页边距离:上、下、右为10mm,左为30mm。
当采用比420mm×297mm大的纸幅时,标题栏应紧靠右边线一侧。
4、竣工图章中的“施工单位”即接受业主招标并与业主签订合同时的施工单位全称;“技术负责人”为施工单位总工程师;“监理单位名称”为本项目总监办全称即与业主签订合同时的监理单位全称;“监理人”为驻地高监;“编制人”为本卷档案的组卷人;“编制日期”填写技术负责人的签字日期,用八位数(如:20030206)表示。
竣工图章中的编制单位和监理单位的名称均需刻到章上,签名和日期需手签。
竣工图章行高为从上至下分别为7mm、13mm、10mm、10mm、10mm、10mm,列宽从左至右分别为25mm、25mm、30mm。
刻制竣工图字体采用宋体。
用红色印泥盖章。
5、竣工图章应盖在每张图的正面右下方、图框标题栏的上方的空白处,以不遮盖图的有效部分为宜,若正面无空白处盖章则将竣工图章盖在此图的背面。
6、图框标题栏中的“图名”用简洁文字反映本幅图的主要内容,若有桩号,亦应示出。
7、图框标题栏中的“制图”和“复核”分别由施工单位绘制竣工图的人员和专业工程师签名,标题栏中的“监理”为驻地监理组的专业监理工程师(对施工单位所绘竣工图进行审核)。
竣工图编制的要求及竣工图章尺寸竣工图编制的要求7.1竣工图编制的要求7.1.1各项新建、扩建、改建、技术改造、技术引进项目,在项目竣工时要编制竣工图。
项目竣工图应由施工单位负责编制。
如行业主管部门规定设计单位编制或施工单位委托设计单位编制竣工图的,应明确规定施工单位和监理单位的审核和签字认可责任。
7.1.2竣工图应完整、准确、清晰、规范、修改到位,真实反映项目竣工验收时的实际情况。
7.1.3参照原施工设计图顺序按实际竣工图图纸的数量重新编写图号,并把图号的第一拼音字母S(原代表施工图)改J(代表竣工图,。
7.1.4为了保证竣工图表统一,要求各竣工图表一律采用计算机绘制,幅面必须保持规范;7.1.5字体型号规定(1)封面、总目录、册目录、本册目录、型号见(参照原格式)(2)所有文件文字材料中的大标题用3,宋体,小标题用4,黑体字,其余均采用4,仿宋体(3)所有表格的表名采用3,宋体,表中的所有项目及填写内容可根据字数的多少选择4—5,仿宋体;(4)编制过程中,字体要求一律打印处理。
7.2竣工图的更改要求7.2.l凡更改的施工图,必须注明更改依据和更改日期,如设计变更通知单、洽商记录等的文件编号;7.2.2对新增加的文字说明,应在其涉及的竣工图上作相应的添加和变更;7.2.3更改应符合各专业的要求。
7.3竣工图章的作用7.3.1竣工图章尺寸为60mmX80mm,内容有:编制人、技术负责人和编制日期;监理单位名称、监理人;(式样见附图)编制单位安徽水利开发股份有限公司 7竣工图 13编制人技术负责人编制日期 101010 监理单位名称监理人10 西安华兴工程咨询监理公司25 25 30附图1 竣工图章“竣工图”字体用四号标准仿宋体其它字体用五号标准仿宋体“编制单位名称”应填写全称或“标准简称;“编制人”由编制人员签名;“技术负责人”由施工单位总工签名;“编制日期”填写竣工图编制完成日期;“监理单位名称”填写监理单位名称(合同中的单位全称);“监理人”由高级驻地签名;7.3.2所有竣工图应有编制单位逐张加盖竣工图章。
(1) 计算机绘制,宜用激光打印机打印,特殊图纸可晒成蓝图或用档案管理部门认可的其他方法进行复制,禁止手工绘制;(2) 图纸格式必须符合范本要求,如 A3 、标准图框、尺寸,一律使用“竣工文件编制范本及附件( C)”中的标准图框样式;(3) 竣工图一般使用 A3纸(297×420mm),其它规格的竣工图应按297×420mm折叠,只允许横向加长,不允许纵向加长;(4) 绘制竣工图应符合《道路工程制图标准》( GB50162-92 ),竣工图中文字应使用长仿宋体,字体大小可参考设计图(字高系列为 2.5 、 3.5 、 5 、 7 、 10 、 14 、 20mm ),一般情况下尺寸标注(阿拉伯数字)字高宜采用 2.5mm ,图内右下角说明文字字高宜采用 3.5mm ,标题字高宜采用 5mm ;(5) 竣工图应将设计通用标准图中不需要的部分去掉(例如:斜交盖板钢筋尺寸数量通用图中可能有 0 o 、 5 o 、 10 o 、 15 o等不同角度的尺寸,那么具体某个盖板涵时则只有一种尺寸,故应去掉不需的部分),同一合同段内出现完全重复的标准图时(前面为斜交5o的13m空心板,后面为斜交15o的13m空心板,则不是完全重复)则后面的不编入竣工图中,便必须在图纸目录中列出图号,指明该图所在位置并在编制说明中注明;(6) 图纸工程量表及有关尺寸标注应与工程计量支付的工程量相互一致,即通过标注的尺寸计算与工程量表中的数据相一致,非计量的工程量应与现场实际工程量一致,监理处应重点复核尺寸标注和工程量;(7) 图框上的所有签名应完整,签名严禁打印,宜用手工草签(即本人的手写体);(8) 文字说明语气应为完工的工程说明,即竣工说明,不能照抄原设计图的设计说明,在设计说明中的一些词不能使用在竣工图说明中,如建议、宜、必须、拟等。
竣工图说明应充分体现已完工程的施工过程,是已发生的;(9) 竣工图中的线条粗细宜早拟定,特别是不同人绘制同一册图纸,应保持同册竣工图风格一致,整洁,美观;(10) 竣工图纸完整、无遗漏,注意右上角页码的连续性;(11) 竣工图表的编号必须严格按照《范本》- C 册-第三部分中的竣工图号要求进行编号,并注意编号的连续性;(11) 承包人绘制完成后,内部审查,并在计量前交付监理处审查,根据监理处审查或修改意见承包人重新修改,只有在监理处审查合格并签名后,同计量文件一起报送合同部和竣工文件管理组。
竣工图说明写作指导下面是我找资料时再自己整理的一些要求及补充:1、文字说明语气应为完工的工程说明,即竣工说明,不能照抄原设计图的设计说明,在设计说明中的一些词不能使用在竣工图说明中,如建议、宜、必须、拟等。
竣工图说明应充分体现已完工程的施工过程,是已发生的;2、在工程发生重大的变更需在竣工图说明中写明原因以及变更的相关项目3、增加的工程量做一定的说明文字4、工程量减少的项目应列项统计(包含设计的工程量和实际完成的工程量)国家建委关于编制基本建设工程竣工图的几项暂行规定:一、基本建设竣工图是真实地记录各种地下地上建筑物、构筑物的技术文件,是对工程进行交工验收、维护、改建、扩建的依据,是国家的重要技术档案。
全国各建设、设计、施工单位和各主管部门,都要重视竣工图的编制工作,认真贯彻执行本规定。
二、各项新建、扩建、改建的基本建设工程,特别是基础、地下建筑、管线、结构、井巷、峒室、桥梁、隧道、港口、水坝以及设备安装等隐蔽部位,都要编制竣工图。
编制各种竣工图,必须在施工过程中(不能在竣工后),及时做好隐蔽工程检验记录,整理好建设变更文件,确保竣工图质量。
三、编制竣工图的形式和深度,应根据不同情况,区别对待:(一)凡按图施工没有变动的,则由施工单位(包括总包和分包施工单位,下同)在原施工图上加盖“竣工图”标志后,即作为竣工图。
(二)凡在施工中,虽有一般性设计变更,但能将原施工图加以修改补充作为竣工图的,可不重新绘制,由施工单位负责在原施工图(必须是新兰图)上注明修改的部分,并附以设计变更通知单和施工说明,加盖“竣工图”标志后,即作为竣工图。
(三)凡结构形式改变、工艺改变、平面布置改变,项目改变以及有其他重大改变,不宜再在原施工图上修改、补充者,应重新绘制改变后的竣工图。
由于设计原因造成的,由设计单位负责重新绘图:由于其他原因造成的,由建设单位自行绘图或委托设计单位绘图。
施工单位负责在新图上加盖“竣工图”标志并附以有关记录说明,作为竣工图。
竣工图编制的要求7.1竣工图编制的要求7.1.1各项新建、扩建、改建、技术改造、技术引进项目,在项目竣工时要编制竣工图。
项目竣工图应由施工单位负责编制。
如行业主管部门规定设计单位编制或施工单位委托设计单位编制竣工图的,应明确规定施工单位和监理单位的审核和签字认可责任。
7.1.2竣工图应完整、准确、清晰、规范、修改到位,真实反映项目竣工验收时的实际情况。
7.1.3参照原施工设计图顺序按实际竣工图图纸的数量重新编写图号,并把图号的第一拼音字母S(原代表施工图)改J(代表竣工图)。
7.1.4为了保证竣工图表统一,要求各竣工图表一律采用计算机绘制,幅面必须保持规范;7.1.5字体型号规定(1)封面、总目录、册目录、本册目录、型号见(参照原格式)(2)所有文件文字材料中的大标题用3#宋体,小标题用4#黑体字,其余均采用4#仿宋体(3)所有表格的表名采用3#宋体,表中的所有项目及填写内容可根据字数的多少选择4—5#仿宋体;(4)编制过程中,字体要求一律打印处理。
7.2竣工图的更改要求7.2.l凡更改的施工图,必须注明更改依据和更改日期,如设计变更通知单、洽商记录等的文件编号;7.2.2对新增加的文字说明,应在其涉及的竣工图上作相应的添加和变更;7.2.3更改应符合各专业的要求。
7.3竣工图章的作用7.3.1竣工图章尺寸为60mmX80mm,内容有:编制人、技术负责人和编制日期;监理单位名称、监理人;(式样见附图)“竣工图”字体用四号标准仿宋体其它字体用五号标准仿宋体“编制单位名称”应填写全称或“标准简称;“编制人”由编制人员签名;“技术负责人”由施工单位总工签名;“编制日期”填写竣工图编制完成日期;“监理单位名称”填写监理单位名称(合同中的单位全称);“监理人”由高级驻地签名;7.3.2所有竣工图应有编制单位逐张加盖竣工图章。
签字要求填写齐全、清楚,不得代签;7.3.3由委托单位编制竣工图时,应在新图中采用竣工图标,并按要求签署竣工图标。
(1) 计算机绘制,宜用激光打印机打印,特殊图纸可晒成蓝图或用档案管理部门认可的其他方法进行复制,禁止手工绘制;(2) 图纸格式必须符合范本要求,如 A3 、标准图框、尺寸,一律使用“竣工文件编制范本及附件( C)”中的标准图框样式;(3) 竣工图一般使用 A3纸(297×420mm),其它规格的竣工图应按297×420mm折叠,只允许横向加长,不允许纵向加长;(4) 绘制竣工图应符合《道路工程制图标准》( GB50162-92 ),竣工图中文字应使用长仿宋体,字体大小可参考设计图(字高系列为 2.5 、 3.5 、 5 、 7 、 10 、 14 、 20mm ),一般情况下尺寸标注(阿拉伯数字)字高宜采用 2.5mm ,图内右下角说明文字字高宜采用 3.5mm ,标题字高宜采用 5mm ;(5) 竣工图应将设计通用标准图中不需要的部分去掉(例如:斜交盖板钢筋尺寸数量通用图中可能有 0 o 、 5 o 、 10 o 、 15 o等不同角度的尺寸,那么具体某个盖板涵时则只有一种尺寸,故应去掉不需的部分),同一合同段内出现完全重复的标准图时(前面为斜交5o的13m空心板,后面为斜交15o的13m空心板,则不是完全重复)则后面的不编入竣工图中,便必须在图纸目录中列出图号,指明该图所在位置并在编制说明中注明;(6) 图纸工程量表及有关尺寸标注应与工程计量支付的工程量相互一致,即通过标注的尺寸计算与工程量表中的数据相一致,非计量的工程量应与现场实际工程量一致,监理处应重点复核尺寸标注和工程量;(7) 图框上的所有签名应完整,签名严禁打印,宜用手工草签(即本人的手写体);(8) 文字说明语气应为完工的工程说明,即竣工说明,不能照抄原设计图的设计说明,在设计说明中的一些词不能使用在竣工图说明中,如建议、宜、必须、拟等。
竣工图说明应充分体现已完工程的施工过程,是已发生的;(9) 竣工图中的线条粗细宜早拟定,特别是不同人绘制同一册图纸,应保持同册竣工图风格一致,整洁,美观;(10) 竣工图纸完整、无遗漏,注意右上角页码的连续性;(11) 竣工图表的编号必须严格按照《范本》- C 册-第三部分中的竣工图号要求进行编号,并注意编号的连续性;(11) 承包人绘制完成后,内部审查,并在计量前交付监理处审查,根据监理处审查或修改意见承包人重新修改,只有在监理处审查合格并签名后,同计量文件一起报送合同部和竣工文件管理组。
竣工图表编制说明第一节竣工图表绘制基本要求第一条竣工图应能全面、准确反映竣工工程的实际造型和特征。
第二条竣工图绘制的基本原则。
1、竣工图应真实全面反映竣工实物工程情况。
2、每册竣工图表中,对有变更的工程,在图表及说明中加以叙述。
3、竣工图中隐蔽工程的高程,各部尺寸和地质情况,必须标注清楚。
4、竣工图的图面要求布置合理、完整、清晰,各项数据真实准确。
5、竣工图必须全部重新绘制(除房建工程外)。
第三条竣工图图幅和图框。
1、竣工图均按A3图幅成图,即图纸长420㎜,宽297㎜。
2、竣工图图框按标准竣工图框的要求绘制。
竣工图图框内从左到右1—13项的内容填写说明:(1)打印:“腾冲(毛家营)至陇川(章凤)二级公路XX合同”;由项目名称和合同段名称两部分的简称组成。
(2)打印:“中标的法人单位全称”。
若工程施工过程中,中标法人单位名称发生更换,以工程交工时中标单位名称一致,如01合同为云南保山道路桥梁工程公司。
(3)打印:“竣工图的具体图名”;原则上与设计图的图名保持一致,将“XX 设计图”更改为“XX竣工图”。
(4)打印:“绘图”。
(5)填写:“绘图人签名”;检查合格后,由施工单位绘制竣工图的人员签署,必须用不褪色的碳素黑墨水按工程仿宋字签署。
(6)打印:“复核”。
(7)填写:“复核人签名”;复查合格后,由承包单位技术负责人签署,必须用不褪色的碳素黑墨水按工程仿宋字体签署。
(8)打印:“监理”。
(9)填写“专监或驻地高监签名”;审查合格后,由监理单位专监或驻地高监签署,必须用不褪色的碳素黑墨水按照工程仿宋字体签署。
(10)打印:“图号”。
(11)打印:“竣工图图号”;按竣工图图号编列的要求,统一编制后,规范打印。
(12)打印:“日期”。
(13)打印:“编制日期”;工程交工验收后绘制竣工图审核合格后正式出图时间。
格式按:“2011.03”,月份统一双位数。
第四条竣工表格1、竣工表均按A3纸制表,即纸张长420㎜,宽297㎜。
竣工图编制说明格式
工程竣工图编制说明
一、工程概况:(对承包工程范围的描述)
例:工程地点、四至、全长、占地面积、总建筑面积、楼高××层、开工日期、竣工日期、分××个标段、包括××个分项工程、施工方案及质量情况、总工程量、工程量完成情况等。
由××××监理公司承担监理、由××××设计单位设计等。
二、竣工图编制依据:
例:1、《建设工程文件归档整理规范》GB/T50328—2001;
2、工程竣工资料规范整理培训班的有关要求;
3、城建档案馆、城建工程管理局验收组、城建工程管理局档案室等部门的有关要求。
4、根据××××设计院的设计施工图绘制;
5、根据变更××号,更改部分见竣工图第××页(全部变更资料都要列举)。
……
三、资料内容:(对全套竣工图内容的描述)
例:竣工图共分××卷,
其中×卷——×卷为 ;(例:道路工程竣工图)
×卷——×卷为 ;(例:电气工程竣工图)
×卷——×卷为 ;(例:给排水工程竣工图)……
四、其它需要说明的问题。
(盖竣工图章) 单位名称(盖章)
日期。
竣工图格式说明相关标签:•竣工图编辑1、竣工图幅面尺寸一般为420(mm长)×297(mm宽),也可采用594mm×420mm、594mm×840mm等标准纸型。
长边可根据需要自由延长。
但装订时一律按420mm×297mm尺寸成册。
2、每册竣工图组卷顺序为:案卷封面+卷内目录+本册图纸封面+本册图纸目录+图纸+卷内备考表。
其中“图纸”包括:本册竣工图总体说明、工程数量汇总表、图、工程数量分表、附注等。
3、竣工图框适用范围:每册竣工图仅“图纸”(图、表)必须套用图框和盖竣工图章,但“图纸”中的“总体说明”除外。
图框内各栏的尺寸严格按照样规定执行。
图框线距页边距离:上、下、右为10mm,左为30mm。
当采用比420mm×297mm大的纸幅时,标题栏应紧靠右边线一侧。
4、竣工图章中的“施工单位”即接受业主招标并与业主签订合同时的施工单位全称;“技术负责人”为施工单位总工程师;“监理单位名称”为本项目总监办全称即与业主签订合同时的监理单位全称;“监理人”为驻地高监;“编制人”为本卷档案的组卷人;“编制日期”填写技术负责人的签字日期,用八位数(如:20030206)表示。
竣工图章中的编制单位和监理单位的名称均需刻到章上,签名和日期需手签。
竣工图章行高为从上至下分别为7mm、13mm、10mm、10mm、10mm、10mm,列宽从左至右分别为25mm、25mm、30mm。
刻制竣工图字体采用宋体。
用红色印泥盖章。
5、竣工图章应盖在每张图的正面右下方、图框标题栏的上方的空白处,以不遮盖图的有效部分为宜,若正面无空白处盖章则将竣工图章盖在此图的背面。
6、图框标题栏中的“图名”用简洁文字反映本幅图的主要内容,若有桩号,亦应示出。
7、图框标题栏中的“制图”和“复核”分别由施工单位绘制竣工图的人员和专业工程师签名,标题栏中的“监理”为驻地监理组的专业监理工程师(对施工单位所绘竣工图进行审核)。
8、图框标题栏中的“比例”的填写:当整张图中各图比例一致时比例填在标题栏内,若各图不一致则分别表示在各分图题名的正下方或右侧;9、图框标题栏中的“图号”按编制办法竣工图册目录编写,如第二册第一分册的第一页表示为“J2-1-1”,又如第六册第二分册的A册的第3页表示为“J6-2-A-3”。
10、图框标题栏中的所有各级人员的姓名签字必须是手书,不得用盖签名章代替。
11、图框右上角的”第页共页”指某部位、某结构或表(如桩基系梁)的第几页共有几页,而非此册图的页码。
每册竣工图均须自卷内目录后的竣工图封面开始从自然数“1”开始编页码竣工资料编制办法为进一步加强改善工程管理,规范项目管理,确保工程质量,适应改善工程建设的需要。
现根据国家《档案法》、关于《省改善工程竣工资料编制办法》,结合我市改善工程的有关规定,特制定此办法。
一、总要求1、竣工资料的内容该工程项目实施阶段与项目有关的全部文件、资料、图纸、报告、报表、记录、纪要、总结以及全部监理、质检、试验表格等文字、图表材料。
2、尺寸要求竣工资料采用A3、A4两种尺寸,图纸允许加长,但不准加宽。
3、笔迹要求形成一套原始件,笔迹需用碳素墨水,其余允许复印件。
4、数量要求竣工资料必须上报5套(省、市、市处、单位、施工单位各一套)。
5、资料装订预留位置要求“竖页纸”左方为装订线,“横页纸”上方为装订线;注意不得倒装,装订预留尺寸一般以2.5公分为宜。
6、组册要求每册文件应依次有封面、扉页、总目录、本册目录、本分册目录、备考表及封底。
二、竣工资料编制格式要求第一卷综合卷第一册综合册1.线形平面位置缩图2.工程概述3.综合竣工表工程技术指标表工程量清单项目造价汇总表统一里程及施工桩号对照表水准基点表征地表拆迁建筑物表拆迁电力及电讯设备表每公里路基土石方数量表挡土墙及防护工程表其他排水工程表涵洞工程一览表路面工程一览表桥梁工程一览表交叉工程一览表沿线设施一览表安全设施一览表绿化一览表直线、曲线及转角一览表第二册征地拆迁工程1.前期工作文件2.征地批文3.红线图4.协议书第三册工程决算第四册交工验收1.质监站检测数据及鉴定意见2.交工验收材料3.工程总结第五册竣工验收1.省局工程质量鉴定书2.市质监站检测及鉴定意见3.关于工程项目执行情况的报告4.关于工程项目设计情况的报告5.关于工程施工情况的报告6.关于工程监理情况的报告7.关于工程养护情况的报告8.工程财务决算审计报告第二卷竣工图表第一册路线平面竣工图1.竣工说明2.平面竣工图3.路线竣工表直线、曲线及转角点一览表统一里程及施工桩号一览表桥梁、涵洞、纵向排水工程一览表注:平面竣工图中必须用φ1.2公分的圆分别表示桥、涵及纵向排水工程的位置。
第二册路线纵断面竣工图1.竣工说明2.纵断面竣工图第三册路基路面竣工图1.竣工说明2.路面结构竣工图3.路基标准横断面、典型截面竣工图及横断面一览表4.挡土墙竣工图5.路面工程一览表、每公里土石方数量一览表、挡土墙工程一览表第四册涵洞竣工图1.竣工说明2.涵洞竣工图(一涵一图)3.涵洞工程一览表注:涵洞的填土高度必须标明,板涵每道至少应有三张图第五册桥梁竣工图1.竣工说明2.桥梁竣工图3.桥梁工程一览表第六册沿线设施竣工图1.竣工说明2.沿线设施竣工图3.沿线设施一览表附册1.通用图(标准图)册2.修改设计图册第三卷施工资料第一册施工管理1.施工组织计划2.施工管理文件3.工程总结4.工程质量自评分5.工程施工月进度报告第二册路基及防护工程1.素土层2.底基层(低剂量灰土处理层)3.防护工程以上三个分项工程的资料包括:路槽现场质量检验、路基工程质量检验单、分项工程检测记录和土的各项指标检验材料、工程报验单、工程检验认可书、建筑材料报验单等。
第三册路面工程1.结构层2.面层3.中央分隔带4.硬路肩5.路缘石以上5个分项工程的资料包括自检资料、分项工程检测记录、路基工程现场检测记录、及各分项材料试验资料、建筑材料报验单、原材料质保书、工程报验单、工程检验认可书等。
第四册涵洞工程每道涵洞的原始记录、试验材料和分项工程检测记录,圆管涵管节质保书及涵底砼抗压强度试验,盖板涵原材料试验、建筑材料报验单。
第五册桥梁工程1.施工放样记录、施工工艺报验、建筑材料报验、进场设备报验等。
2.桥梁施工阶段各分项工程的试验材料和自检记录、钻孔灌注桩记录等。
注:桥头接线资料与道路一起组册第四卷监理资料第一册工程管理1.工程管理文件材料施工许可证监理总结工程简报、通讯报道2.计量支付材料第二册监理资料1.工程质量检验监测评定材料2.工程月进度材料(报省报表)3.各分项工程质量抽检材料4.往来文件材料5.监理工程师通知、工地指示、现场指示6.设计变更通知7.工程例会记录及签到簿8.监理工程师日记第三册“劳动竞赛”活动1.“质量评比”活动材料2.社会主义劳动竞赛其它1.监理工作照片(连底片)及其它监理声像资料2.道路及桥梁施工照片(连底片)、录像(音)带、磁盘等声像资料全套资料的附册:1.施工图2.地质勘察资料3.其它零星材料第五卷前期资料(业主文件)1.立项批复,可行性研究报告2.施工图审查纪要3.项目报建表4.招投标文件及评标报告5.中标书及施工合同协议书6.质量监督报告7.开工报告8.施工许可证三、竣工图图标编制方法(一)图号编制一览表序号竣工图分项工程名称图号表示方法例123456789线形平面位置缩图J01-1 J01-1(1/1)平面竣工图J01-2 J01-2(本图所在页数/平面图总页数)纵断面竣工图J01-3 J01-3(本图所在页数/纵断面图总页数)占地界线竣工图J01-4路面结构竣工图J02-1 J02-1(本图所在页数/路面结构图总页数)横断面竣工图J02-2 J02-2(本图所在页数/横断面图总页数)挡土墙竣工图J03-1 J03-1(本图所在页数/挡土墙图总页数)涵洞竣工图J04-1 J04-1(本图所在页数/涵洞图总页数)桥梁竣工图J05-1(不同桥名依次类推)(二)图标有关栏目的编制第一栏××—××一级公路常—×—×合同{黑体3号字}第二栏竣工图分项工程名称(详见图号编制一览表){黑体3号字}第三栏“图名”一栏填本图所示的桩号及详名{宋体4号字}第四栏“比例”栏一般填实际比例,无适当比例的填“示意”,图中部分特殊比例填“图示”{宋体4号字}第五栏详见“图号编制一览表”{宋体4号字}第六栏施工单位填全名,不能用简称{宋体4号字}第七栏必须由项目负责人及监理的亲笔签名第八栏道路工程开工日为年月日或年月日;道路工程竣工日为年月日;桥梁工程开工日为接到中标通知书的那一天,竣工日为实际竣工日;{宋体4号字}(三)竣工图右上角φ10mm小分圆中,“分子”填该页在本册中的位置页码,“分母”填该册总页数。
四、竣工资料成册后的工作1.每册在右上角用号码机编制页号2.编制本册、本分册详细目录(文件要填清文号、责任者、及日期)3.编制竣工文件总目录及详细目录、清单4.复印、连原件在内共形成5套材料5.复印份数1)竣工图每页复印5份2)监理资料每页复印5份3)施工资料每页复印4份4)综合册、交工竣工验收资料每个施工单位都要单独有一份,故复印份数为:4份加施工单位个数。
工程竣工资料清单更新时间:2003-10-28 16:25:07每项燃气工程竣工后应交付以下资料:一、项目合同复印件;二、防火专篇或初步设计,可行性研究报告;三、立项文件、含项目批件:四、防火批件;五、规划批件、土地使用证;六、施工图;七、竣工图;八、总规划图,含一期和二期及总供气规模的范围九、施工资料:1、材料、设备出厂合格证、材质证明书、安装技术说明2、隐蔽工程记录、管道吹扫记录;3、管道强度试验记录,工艺管、外管、户内管;4、管道气密性试验记录,工艺管、外管、产内管5、焊缝无损探伤检验记录及照片;6、防腐绝缘层检验记录;7、设计变更资料;8、挖沟、管道敷设、回填土质量检查记录,管道埋深,坡度测量记录;9、开工报告;10、竣工报告;11、工程验收报告;12、防火验收批件及投产使用证。
建设工程竣工验收备案行政管理指南2006-01-19一、设置依据《建设工程质量管理条例》《房屋建筑工程和市政基础设施工程竣工验收备案管理暂行办法》(建设部令第78号)。
二、承办机构市建设工程竣工验收备案管理办公室。
三、受理范围市重点建设项目、国家和市批准立项的建设项目以及跨区县(自治县、市)的大中型建设项目中的房屋建筑和市政工程。
四、提交材料(一)工程竣工验收备案申请书2份(提供原件);(二)工程施工许可证1份(提供正本复印件);(三)市建委的工程竣工验收意见书1份(提供原件);(四)施工、监理、勘察、设计单位的工程质量报告各1份(提供原件);(五)规划、消防、环保等部门准许使用文件各1份(提供原件、复印件);(六)建设工程档案验收意见书1份(提供原件、复印件);(七)建设单位已按合同约定支付工程款的有关证明1份(提供原件);(八)市建委制订的格式文本填写的建设工程质量保修书1份(提供原件、复印件);(九)商品住宅质量保证书和商品住宅使用说明书1份(提供原件、复印件);(十)市政基础设施的有关质量检测和功能性试验资料1份(提供原件、复印件);(十一)法律、规章等规定必须提供的其它文件(防雷、航道等)1份(提供原件)。