竣工图说明及竣工图规范填写参考
- 格式:doc
- 大小:53.50 KB
- 文档页数:3
XXX水电站1#堆积体开挖工程竣工图编制说明
一、编制依据:
本竣工图是按照国家颁布的有关规程、规范和设计施工图及设计修改通知、工程联系单等进行编制而成。
二、编制原则:
本竣工图是在设计施工图的基础上结合设计修改通知和现场情况,按照图物相符的原则及国家建委(82)建发施字50号《关于编制基本建设竣工图的几项暂行规定》中“凡按图施工没有变动的,或有一般性设计变更,符合杠改或划改要求的,可在原图上修改…”或“…变更面积超过25%的,应重新绘制竣工图…”的原则进行绘制。
1#堆积体开挖工程变更较多,所以本套竣工图均为重新绘制。
三、编制内容:
本工程竣工图按工程实际完工情况编制,竣工图真实反映工程竣工验收时的实际情况。
本套图中竣工线为1#堆积体开挖工程完工后的实测开挖断面线,原始地形线为本工程开工前实测的原始地面线,并经监理工程师核审,符合有关规定,达到了图物相符的要求。
原1#堆积体开挖设计施工图共6张,其中GY103b-0944-69-01-2/6(M1-M1’~M2-M2’剖面图)不在本合同施工范围,因此本套竣工图中未予绘制。
本套竣工图共5张,图号在原设计施工图图号末尾加注“竣”字。
由于竣工图中采用的地形线为工程开工前实测地形线,比原设计施工图中地形线测量范围小。
因此,虽然竣工图与原设计施工图采用相同比例绘制,但1#堆积体开挖平面竣工图图纸幅面由原设计施工图的A1改为A2图纸,其他竣工图图纸幅面为原设计施工图的幅面。
详细编制情况如下:
中水XXX局XXX工程项目部
2003年1月6日。
建筑工程竣工图类型、内容及绘制要求建筑工程竣工图是反映工程项目建设最终成果的技术文件,对于工程的验收、使用、维护、改建扩建及历史档案保存具有重要意义。
竣工图根据工程变更情况可分为不同的类型,每种类型有其特定的内容及绘制要求。
以下是对建筑工程竣工图类型、内容及绘制要求的详细操作指南:1.竣工图类型1.无变更竣工图:对于在施工过程中,设计文件未被修改或变更的,可以直接使用施工图加盖竣工图章作为竣工图。
2.变更较小的竣工图:在施工过程中,设计文件仅发生少量变更的,可在原施工图上通过“杠改法”、“叉改法”或“圈改法”进行修改,并注明变更依据后,加盖竣工图章作为竣工图。
3.变更较大的竣工图:当设计文件变更较大,在原施工图上修改已无法清晰表示时,应重新绘制竣工图。
4.重新绘制的竣工图:对于无法直接利用施工图或设计变更单修改的,或重新绘制的图纸比修改原图更简便的,应重新绘制竣工图。
2.竣工图内容竣工图应完整反映工程项目的实际情况,包括但不限于以下内容:●总平面图:展示整个项目的布局、建筑位置、道路、绿化等。
●建筑专业图纸:包括各楼层的平面图、立面图、剖面图,以及门窗、楼梯、卫生间等详图。
●结构专业图纸:基础、柱、梁、板、墙等结构构件的布置图及详图。
●给排水专业图纸:给排水管道的布置图、设备安装图及详图。
●电气专业图纸:电气线路布置图、设备安装图、照明平面图及详图。
●暖通专业图纸:暖通空调管道的布置图、设备安装图及详图。
●设计变更及工程洽商记录:所有影响竣工图绘制的变更及洽商记录均需在竣工图中体现。
3.绘制要求1.准确性:竣工图必须准确反映工程实际施工情况,包括所有设计变更和现场修改。
2.规范性:竣工图的绘制应符合国家相关制图标准和规范,图面清晰、图例一致、尺寸准确。
3.完整性:竣工图应包含项目所需的所有图纸,无遗漏。
4.一致性:竣工图中各图纸之间应相互呼应,保持一致性,避免矛盾。
5.标注清晰:变更内容应采用明显标记(如云线、标注变更说明等),并注明变更依据(如设计变更单编号)。
竣工图类型内容与要求竣工图是建筑工程竣工档案的重要组成部分,是工程建设完成后主要凭证性材料,是建筑物真实的写照,是工程竣工验收的必备条件,是工程维修、管理、改建、扩建的依据。
各项新建、改建、扩建项目均必须编制竣工图。
1编制要求1.1凡按施工图施工没有变动的,由竣工图编制单位在施工图图签附近空白处加盖并签署竣工图章。
1.2凡一般性图纸变更,编制单位可根据设计变更依据,在施工图上直接改绘,并加盖及签署竣工图章。
1.3凡结构形式、工艺、平面布置、项目等重大改变及图面变更超过40%的,应重新绘制竣工图。
重新绘制的图纸必须有图名和图号,图号可按原图编号。
1.4编制竣工图必须编制各专业竣工图的图纸目录,绘制的竣工图必须准确、清楚、完整、规范、修改必须到位,真实反映项目竣工验收时的实际情况。
1.5用于改绘竣工图的图纸必须是新蓝图或绘图仪绘制的白图不得使用复印的图纸。
1.6竣工图编制单位应按照国家建筑制图规范要求绘制竣工图使用绘图笔或签字笔及不退色的绘图墨水。
2、主要内容2.1竣工图应按单位工程,并根据专业、系统进行分类和整理。
2.2竣工图包括以下内容:2.2.1工艺平面布置图等竣工图建筑竣工图、幕墙竣工图结构竣工图、钢结构竣工图建筑给水、排水与采暖竣工图燃气竣工图建筑电气竣工图智能建筑竣工图(综合布线、保安监控、电视天线、火灾报警、气体灭水等)通风空调竣工图地上部分的道路、绿化、庭院照明、喷泉、喷灌等竣工图地下部分的各种市政、电力、电信管线等竣工图3、竣工图的类型3.1利用施工蓝图改绘的竣工图3.2在二底图上修改的竣工图3.3重新绘制的竣工图4、竣工图绘制要求4.1利用施工蓝图改绘的竣工图在施工蓝图上一般采用杠(划)改、叉改法,局部修改可以圈出更改部位,在原图空白处绘出更改内容,所有变更处都必须引划索引线,并注明更改依据。
在施工图上改绘,不得使用涂改液涂抹、刀刮、补贴等方法修改图纸。
具体的改绘方法可视图面、改动范围和位置、繁简程度等实际情况而定,以下是常见改绘方法的举例说明。
竣工图类型内容与要求竣工图是建筑工程竣工档案的重要组成局部,是工程建立完成后主要凭证性材料,是建筑物真实的写照,是工程竣工验收的必备条件,是工程维修、管理、改建、扩建的依据。
各项新建、改建、扩建工程均必须编制竣工图。
1、编制要求1.1 凡按施工图施工没有变动的,由竣工图编制单位在施工图图签附近空白处加盖并签署竣工图章。
1.2 凡一般性图纸变更,编制单位可根据设计变更依据,在施工图上直接改绘,并加盖及签署竣工图章。
1.3 凡构造形式、工艺、平面布置、工程等重大改变及图面变更超过40%的,应重新绘制竣工图。
重新绘制的图纸必须有图名和图号,图号可按原图编号。
1.4 编制竣工图必须编制各专业竣工图的图纸目录,绘制的竣工图必须准确、清楚、完整、规*、修改必须到位,真实反映工程竣工验收时的实际情况。
1.5 用于改绘竣工图的图纸必须是新蓝图或绘图仪绘制的白图不得使用复印的图纸。
1.6 竣工图编制单位应按照国家建筑制图规*要求绘制竣工图使用绘图笔或签字笔及不退色的绘图墨水。
2、主要内容2.1 竣工图应按单位工程,并根据专业、系统进展分类和整理。
2.2 竣工图包括以下内容:2.2.1 工艺平面布置图等竣工图建筑竣工图、幕墙竣工图构造竣工图、钢构造竣工图建筑给水、排水与采暖竣工图燃气竣工图建筑电气竣工图智能建筑竣工图〔综合布线、保安监控、电视天线、火灾报警、气体灭水等〕通风空调竣工图地上局部的道路、绿化、庭院照明、喷泉、喷灌等竣工图地下局部的各种市政、电力、电信管线等竣工图3、竣工图的类型3.1 利用施工蓝图改绘的竣工图3.2 在二底图上修改的竣工图3.3 重新绘制的竣工图4、竣工图绘制要求4.1 利用施工蓝图改绘的竣工图在施工蓝图上一般采用杠〔划〕改、叉改法,局部修改可以圈出更改部位,在原图空白处绘出更改内容,所有变更处都必须引划索引线,并注明更改依据。
在施工图上改绘,不得使用涂改液涂抹、刀刮、补贴等方法修改图纸。
竣工图绘制规范竣工图是指工程竣工后所绘制的相关图纸,用于记录工程的实际完成情况,并作为验收、交付等环节的重要依据。
竣工图的绘制需要符合一定的规范,保证图纸的准确性和可读性。
以下是竣工图绘制的一些规范要求:一、图纸纸张规格和装订方式:竣工图的纸张规格一般为A3或者A4,根据工程的复杂程度和图纸内容的多少进行选择。
图纸应按照标准格式进行装订,包括封面、目录、图纸、图号索引等。
二、图纸编制单位和标识:竣工图应标明图纸的编制单位名称、图纸名称、编制日期等信息,以保证图纸的来源可追溯性。
图纸应配备对应的图号,便于管理和查找。
三、图纸布局和比例尺:图纸布局应合理,整齐清晰,图纸的安排应符合常规习惯。
在绘制竣工图时,应选择适当的比例尺进行绘制,确保图纸能清晰、准确地表达出实际情况。
四、图形和文字说明规范:图纸上的图形要符合一定的规范,如线条要粗细适宜、色彩搭配要协调等。
图纸上的文字说明应准确、简洁、规范,字体大小适中,易于阅读。
五、图纸内容完整和准确性:竣工图应包含工程的全部内容,包括平面图、立面图、剖面图、节点详情等。
图纸上的尺寸标注应准确,符合实际情况。
同时,图纸上的各种说明文字应准确描述工程的构造、材料、设备等特点。
六、图纸的可读性和标准符号使用:竣工图应保证图纸的可读性,采用合适的线宽、线型,突出重点、强调不同的图元。
图纸上应使用规范的符号和标识,确保图纸在不同工作环节中的易辨识性和可操作性。
七、图纸的清晰度和文件质量:竣工图应绘制清晰、精确,不得出现模糊、重叠、变形等情况。
图纸上不应留有脏污、涂改、划痕等痕迹,保证图纸品质。
总之,竣工图的绘制规范是保证工程质量和进展的重要保证,正确的绘制和使用竣工图能够提高工程的操作性和管理性,确保工程的顺利进行和验收交付。
公路工程竣工图表编制4.1 竣工图表绘制基本要求4.1.1 竣工图绘制的基本原则4.1.1.1竣工图应真实全面反映竣工实物工程情况。
4.1.1.2竣工图表中的“说明”要针对施工图“附注”的内容作针对性说明,对有变更的工程,在图表中说明变更事由及变更令号。
4.1.1.3竣工图中隐蔽工程的高程,各部尺寸和地质情况,必须标注清楚。
4.1.1.4竣工图的图面要求布置合理、完整、清晰、各项数据真实准确。
4.1.1.5竣工图必须全部重新绘制(除房建工程外)。
4.1.1.6除竣工说明外,图纸及竣工表格均加图框。
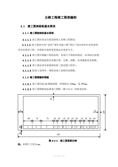
4.1.2 竣工图图幅和图框4.1.2.1竣工图均按A3图幅成图,即图纸长420mm,宽297mm。
4.1.2.2竣工图图框按标准竣工图框(图4-1-1)的要求绘制。
图4-1-1 竣工图图框示例注:本图尺寸均为mm。
竣工图图框内 1—13的内容填写说明:1.打印内容:“云南XX高速公路XX第XX合同”;由项目名称和合同段名称两部份的简称构成,具体简称由各项目业主统一规定。
2.打印内容:“中标的法人单位全称”。
若工程施工过程中,中标法人单位名称发生更换,以工程交工时中标单位名称一致。
3.打印内容:“竣工图的具体图名”;原则上与设计图的图名对应,将“XX 设计图”更改为“XX竣工图”。
4.打印内容:“绘图”;5.填写:“绘图人签名”;检查合格后,由施工单位绘制竣工图的相关人员签署,必须用不褪色的碳素黑墨水签署。
6.打印内容:“复核”;7.填写:“复核人签名”;复查合格后,由承包单位技术负责人签署,必须用不褪色的碳素黑墨水签署。
8.打印内容:“监理”;9.填写“专监或驻地监理签名”;审查合格后,由监理单位专业监理工程师或驻地监理工程师签署,必须用不褪色的碳素黑墨水签署。
10.打印内容:“图号”;11.打印内容:“竣工图图号”;按本章第三节竣工图图号编列的要求,统一编制后,规范打印。
12.打印内容:“日期”;13.打印内容:“编制日期”;工程交工验收后绘制竣工图审核合格后正式出图月份时间。
竣工图规范竣工图是建筑工程的最终设计图纸,用于清晰准确地表达建筑物的各项参数、尺寸与构造细节,并作为施工的依据。
竣工图的编制应遵循一定的规范,以确保图纸的准确性和一致性。
以下是竣工图编制的一些规范要求。
1. 图纸比例:竣工图应以适当的比例绘制,一般为1:100或1:50,以确保图纸上的尺寸与实际建筑物的尺寸相符。
2. 图纸尺寸与标注:竣工图的标准尺寸一般为A1、A2或A3。
图纸上的文字、尺寸标注和图例应清晰可读,字体一般为5mm以上,以确保施工人员能够准确阅读和理解图纸。
3. 绘图符号和图例:竣工图上应使用规范化的绘图符号和图例,以便施工人员能够迅速理解和识别各种构造细节和材料。
绘图符号和图例应符合当地的建筑设计规范和标准。
4. 建筑结构:竣工图上应清晰准确地展示建筑物的结构细节,包括墙体、楼板、屋顶等。
应注明各个构件的尺寸、材料和施工方法,以确保施工过程中的准确性。
5. 安全设施:竣工图上应包括建筑物的安全设施,如消防通道、安全出口、灭火器位置等。
这些设施应符合相关的安全设计标准和规范,以确保建筑物在紧急情况下的安全性。
6. 污水和排水系统:竣工图上应清晰显示建筑物的污水和排水系统,包括污水管道、排水沟和污水处理设备等。
这些系统应符合当地的卫生和环保标准,以确保建筑物的卫生和环境质量。
7. 电气和照明系统:竣工图上应清晰显示建筑物的电气和照明系统,包括电线、电表和开关等。
这些系统应符合当地的电气安全标准和能源效率要求,以确保建筑物的安全和节能性能。
8. 热力和通风系统:竣工图上应清晰显示建筑物的热力和通风系统,包括供暖设备、通风口和空调设备等。
这些系统应符合当地的能源效率标准和室内环境要求,以确保建筑物的舒适性和能源节约。
9. 施工工艺和细节:竣工图上应注明建筑物的施工工艺和细节,包括混凝土浇筑、砌筑墙体和安装门窗等。
这些工艺和细节应符合当地的施工标准和质量要求,以确保建筑物的结构安全和质量可靠。
路基竣工说明一、主要技术指标:我合同段路基全长887m(以单线计),施工段落为LK158+930~LK159+225、LK160+705.46~+808、RK158+840~+均为分离式路基,右线以填筑为主,左线以挖方为主,除移挖作填有部分填土方外,均为填石路基,其主要设计技术指标为:1、路基横断面布置分离式单幅路基宽度12.50米,由行车道(2×7.5米)、左右侧土路肩(0.75米)、左侧硬路肩(0.75米)、右侧硬路肩(2.75米,含路缘带0.5m)组成。
并在左线LK159+022.5~+177.5和右线RK159+092.5~+247.5设立港湾式停车区,停车区宽16.5m。
2、路拱横坡路缘带、行车道、硬路肩及港湾式停车区横坡采用2%,土路肩横坡采用3%。
3、护坡道在填方边坡坡脚外的原地面设置护坡道,宽2.0m,向外倾斜2%的横坡。
4、碎落台挖方路基边沟外侧设置碎落台,与路肩齐平,岩石路段碎落台宽2.0m,土质路段碎落台宽1.0m。
5、中央分隔带中央分隔带采用凸起式,其内回填种植土并植草种树绿化。
6、路基超高平曲线半径小于2500m时设置超高,分离式路基以距左侧路基边缘1.0m 处作为设计标高,超高过渡以此为旋转轴,超高渐变率不小于1/330。
7、路堤边坡填方高度(H)小于8.0m,路基边坡采用直线形,坡率为1:1.5;填方高度20.0m≥H≥8.0m,路基边坡采用阶梯形,在路基边缘以下8.0m以内的边坡坡率为1:1.5,8.0~20.0m采用1:1.75,在8.0m处设变坡平台,平台宽2.0m。
8、路堑边坡路堑边坡坡度1:0.5~1:0.75,边坡型式根据坡高采用一坡到顶或阶梯形,台阶高以10m为基准,10m为一级,级间设2.0m宽平台。
9、路基防护设计路基填方边坡高度H≤3.0m时,采用三维植被网垫湿式喷播植草防护,路基填方边坡高度H>3.0m时,采用拱形骨架植草防护,骨架采用M7.5浆砌片石砌筑,以C20混凝土预制块作镶边石;路堑边坡分级分类别防护,第一级边坡采用护面墙防护,一级以上采用人字形骨架植草防护,若挖方高度小于一级时,以人字形骨架植草防护;对于地质条件较差,不宜开挖过高处采用仰斜式路堑墙加人字形骨架植草护坡进行防护;在路堤填筑处横坡较陡,放坡过远时,设置衡重式路肩墙;挡土墙、护面墙、骨架护坡均采用M7.5砂浆砌筑,采用M10砂浆勾缝。
竣工图说明一、概况:本设计根据《中国移动通信VI规范手册》、《中国移动通信普通店VI执行手册》、《中国移动通信24小时自助服务厅VI规范手册》及相关装修设计规范(详见附表)结合本省具体情况和益阳市移动通信的统一要求,由本公司设计人员实地勘测,现场制图和布局使用功能后,征得使用单位同意认可审批后设计制作。
二、结构:根据使用单位要求,本设计需对原房屋布局进行使用功能调整,对原建筑结构是否造成影响,使用单位必须经原建筑设计单位和有关部门审核批准,方能施工。
三、施工管理:1、本工程必须由具有建筑装饰资质和安装资质的专业工程公司实施施工管理。
施工时,需由有关专业人员对“电信、计算机、水电、空调、消防、结构、安全”等与装饰及相关专业之间进行协调配合。
2、若现场尺寸与本设计图稍有不符,在不影响使用功能和设计风格时,可根据现场实际情况进行合理调整,但事先须征得主审负责人的同意,方能实施。
四、基层饰面主材及工艺要求:A:普装部份天花:采用888三遍白色乳胶漆三遍饰面。
地面:采用防尘自流坪地面墙面:采用888三遍白色乳胶漆三遍饰面。
B:机房部份1、天花部份:采用888三遍白色乳胶漆三遍饰面。
2、地面部份:防尘自流坪地面3、墙面部份:888三遍白色乳胶漆三遍C:普通员工办公室1、天花部份:采用标准高晶板及轻钢龙骨石膏板吊顶2、地面部份:PVC塑胶地面3、墙面部份:888三遍白色乳胶漆三遍D:经理办公室1、天花部份:采用轻钢龙骨石膏板造型顶2、地面部份:PVC塑胶地面3、墙面部份:木质造型及888三遍白色乳胶漆三遍E:领导办公室1、天花部份:采用轻钢龙骨石膏板及标准高晶板吊顶2、地面部份:高档地毯铺地3、墙面部份:标准高晶板造型F:楼层过道1、天花部份:采用标准高晶板吊顶2、地面部份:采用PVC塑胶地面3、墙面部份:钢化玻璃办公隔断及米黄玻化砖挂贴贴面G:楼梯间1、天花部份:原顶刷白2、地面部份:玻化砖梯级板开防滑槽3、墙面部份:原墙刷白,黑色玻化砖踢脚线4、栏杆:定制不锈钢扶手栏杆H:电梯间1、天花部份:轻钢龙骨石膏板造型顶2、地面部份:白麻花岗岩贴面3、墙面部份:白麻花岗岩饰面,冲孔铝板及不锈钢造型I:卫生间1、天花部份:卫生间部份采用600*600标准高晶板天花吊顶2、地面部份:600*600防滑地砖贴面3、墙面部份:卫生间部份采用300*600灰色玻化砖磨边贴面隔断采用进口卫生间专用防潮隔断J:各类型会议室:详参施工图五、陈设:1、导办台、终端销售区柜台、业务受理台、员工办公桌等必须按图订购。
竣工图绘制规范及标准
竣工图绘制规范及标准主要包括以下几个方面:
1. 绘图规范:竣工图应符合统一的绘图规范,包括图幅尺寸、线型和线宽、字体和字号、图例标注等。
绘图应准确、清晰、整齐、美观。
2. 比例尺:竣工图应标明比例尺,以便读者准确测量图中的距离和尺寸。
3. 标题和注释:竣工图应具有清晰明确的标题,描述图的主要内容和目的。
图中应有必要的注释信息,如图号、图纸版本、作者、日期等。
1
4. 建筑布局:竣工图应准确显示建筑物的布局,包括建筑物的平面
布局、立面和剖面图等。
建筑物应按照标准的符号和图例进行绘制。
5. 尺寸标注:竣工图应标注建筑物各部分的尺寸,以便读者准确测
量和理解建筑物的尺寸关系。
尺寸标注要简洁明了,符合相关标准
规范。
6. 符号和图例:竣工图应使用统一的符号和图例,以确保读者对图
中的各个要素和设施有准确的理解。
7. 材料和工艺说明:竣工图应包括对各种材料和工艺的详细说明,
以确保建筑物的施工和装饰达到设计要求。
8. 规范合规:竣工图应符合相关建筑设计规范和标准,包括建筑布
局规范、施工技术规范、消防安全规范等。
2
以上是竣工图绘制规范及标准的一些基本要求,具体的要求可以根据不同的国家或地区规范进行适当调整。
为了保证竣工图的质量和准确性,建议由专业的建筑设计师或相关技术人员负责绘制。
3。
1.竣工图总说明的图别该填什么
建设工程竣工图的图别栏,应标注为()、()、()、()
参考答案:建竣、结竣、水竣、电竣
竣工图,就是在竣工的时候,由施工单位按照施工实际情况画出的图纸,因为在施工过程中难
免有修改,为了让客户(建设单位或者使用者)能比较清晰地了解土建工程,房屋建筑工程,
电气安装工程,给排水工程中管道的实际走向和其它设备的实际安装情况,国家规定在工程竣
工之后施工单位必须提交竣工图。
建筑工程的特点
第三个特点是各项工程建设都是在一个特定的地域内进行的,工程项目之间具有密切的相关性。
工程建设单位在组织设计和现场勘察时,必须了解相邻工程的状况,这样才能统筹规划和正确
处理各项工程在水平和竖直方向的关系。
竣工图类型内容与要求竣工图是建筑工程竣工档案的重要组成部分,是工程建设完成后主要凭证性材料,是建筑物真实的写照,是工程竣工验收的必备条件,是工程维修、管理、改建、扩建的依据。
各项新建、改建、扩建项目均必须编制竣工图.1、编制要求1.1 凡按施工图施工没有变动的,由竣工图编制单位在施工图图签附近空白处加盖并签署竣工图章。
1.2 凡一般性图纸变更,编制单位可根据设计变更依据,在施工图上直接改绘,并加盖及签署竣工图章.1。
3 凡结构形式、工艺、平面布置、项目等重大改变及图面变更超过40%的,应重新绘制竣工图.重新绘制的图纸必须有图名和图号,图号可按原图编号。
1.4 编制竣工图必须编制各专业竣工图的图纸目录,绘制的竣工图必须准确、清楚、完整、规范、修改必须到位,真实反映项目竣工验收时的实际情况。
1.5 用于改绘竣工图的图纸必须是新蓝图或绘图仪绘制的白图不得使用复印的图纸。
1。
6 竣工图编制单位应按照国家建筑制图规范要求绘制竣工图使用绘图笔或签字笔及不退色的绘图墨水。
2、主要内容2.1 竣工图应按单位工程,并根据专业、系统进行分类和整理。
2.2 竣工图包括以下内容:2.2.1 工艺平面布置图等竣工图建筑竣工图、幕墙竣工图结构竣工图、钢结构竣工图建筑给水、排水与采暖竣工图燃气竣工图建筑电气竣工图智能建筑竣工图(综合布线、保安监控、电视天线、火灾报警、气体灭水等)通风空调竣工图地上部分的道路、绿化、庭院照明、喷泉、喷灌等竣工图地下部分的各种市政、电力、电信管线等竣工图3、竣工图的类型3。
1 利用施工蓝图改绘的竣工图3.2 在二底图上修改的竣工图3.3 重新绘制的竣工图4、竣工图绘制要求4.1 利用施工蓝图改绘的竣工图在施工蓝图上一般采用杠(划)改、叉改法,局部修改可以圈出更改部位,在原图空白处绘出更改内容,所有变更处都必须引划索引线,并注明更改依据.在施工图上改绘,不得使用涂改液涂抹、刀刮、补贴等方法修改图纸。
竣工图类型内容与要求竣工图是建筑工程竣工档案的重要组成部分,是工程建设完成后主要凭证性材料,是建筑物真实的写照,是工程竣工验收的必备条件,是工程维修、管理、改建、扩建的依据。
各项新建、改建、扩建项目均必须编制竣工图。
1、编制要求1.1 凡按施工图施工没有变动的,由竣工图编制单位在施工图图签附近空白处加盖并签署竣工图章。
1.2 凡一般性图纸变更,编制单位可根据设计变更依据,在施工图上直接改绘,并加盖及签署竣工图章。
1.3 凡结构形式、工艺、平面布置、项目等重大改变及图面变更超过40%的,应重新绘制竣工图。
重新绘制的图纸必须有图名和图号,图号可按原图编号。
1.4 编制竣工图必须编制各专业竣工图的图纸目录,绘制的竣工图必须准确、清楚、完整、规范、修改必须到位,真实反映项目竣工验收时的实际情况。
1.5 用于改绘竣工图的图纸必须是新蓝图或绘图仪绘制的白图不得使用复印的图纸。
1.6 竣工图编制单位应按照国家建筑制图规范要求绘制竣工图使用绘图笔或签字笔及不退色的绘图墨水。
2、主要内容2.1 竣工图应按单位工程,并根据专业、系统进行分类和整理。
2.2 竣工图包括以下内容:2.2.1 工艺平面布置图等竣工图建筑竣工图、幕墙竣工图结构竣工图、钢结构竣工图建筑给水、排水与采暖竣工图燃气竣工图建筑电气竣工图智能建筑竣工图(综合布线、保安监控、电视天线、火灾报警、气体灭水等)通风空调竣工图地上部分的道路、绿化、庭院照明、喷泉、喷灌等竣工图地下部分的各种市政、电力、电信管线等竣工图3、竣工图的类型3.1 利用施工蓝图改绘的竣工图3.2 在二底图上修改的竣工图3.3 重新绘制的竣工图4、竣工图绘制要求4.1 利用施工蓝图改绘的竣工图在施工蓝图上一般采用杠(划)改、叉改法,局部修改可以圈出更改部位,在原图空白处绘出更改内容,所有变更处都必须引划索引线,并注明更改依据。
在施工图上改绘,不得使用涂改液涂抹、刀刮、补贴等方法修改图纸。
竣工图类型内容与要求竣工图是建筑工程竣工档案的重要组成部分,是工程建设完成后主要凭证性材料,是建筑物真实的写照,是工程竣工验收的必备条件,是工程维修、管理、改建、扩建的依据。
各项新建、改建、扩建项目均必须编制竣工图。
1、编制要求1.1凡按施工图施工没有变动的,由竣工图编制单位在施工图图签附近空白处加盖并签署竣工图章。
1.2凡一般性图纸变更,编制单位可根据设计变更依据,在施工图上直接改绘,并加盖及签署竣工图章。
1.3凡结构形式、工艺、平面布置、项目等重大改变及图面变更超过40%的,应重新绘制竣工图。
重新绘制的图纸必须有图名和图号,图号可按原图编号。
1.4编制竣工图必须编制各专业竣工图的图纸目录,绘制的竣工图必须准确、清楚、完整、规范、修改必须到位,真实反映项目竣工验收时的实际情况。
1.5用于改绘竣工图的图纸必须是新蓝图或绘图仪绘制的白图不得使用复印的图纸。
1.6竣工图编制单位应按照国家建筑制图规范要求绘制竣工图使用绘图笔或签字笔及不退色的绘图墨水。
2、主要内容2.1竣工图应按单位工程,并根据专业、系统进行分类和整理。
2.2竣工图包括以下内容:2.2.1工艺平面布置图等竣工图建筑竣工图、幕墙竣工图结构竣工图、钢结构竣工图建筑给水、排水与采暖竣工图燃气竣工图建筑电气竣工图智能建筑竣工图(综合布线、保安监控、电视天线、火灾报警、气体灭水等)通风空调竣工图地上部分的道路、绿化、庭院照明、喷泉、喷灌等竣工图地下部分的各种市政、电力、电信管线等竣工图3、竣工图的类型3.1利用施工蓝图改绘的竣工图3.2在二底图上修改的竣工图3.3重新绘制的竣工图4、竣工图绘制要求4.1利用施工蓝图改绘的竣工图在施工蓝图上一般采用杠(划)改、叉改法,局部修改可以圈出更改部位,在原图空白处绘出更改内容,所有变更处都必须引划索引线,并注明更改依据。
在施工图上改绘,不得使用涂改液涂抹、刀刮、补贴等方法修改图纸。
具体的改绘方法可视图面、改动范围和位置、繁简程度等实际情况而定,以下是常见改绘方法的举例说明。
关于竣工图绘制规范及标准竣工图类型内容与要求竣工图是建筑工程竣工档案的重要组成部分,是工程建设完成后主要凭证性材料,是建筑物真实的写照,是工程竣工验收的必备条件,是工程维修、管理、改建、扩建的依据。
各项新建、改建、扩建项目均必须编制竣工图。
1、编制要求1.1 凡按施工图施工没有变动的,由竣工图编制单位在施工图图签附近空白处加盖并签署竣工图章。
1.2 凡一般性图纸变更,编制单位可根据设计变更依据,在施工图上直接改绘,并加盖及签署竣工图章。
1.3 凡结构形式、工艺、平面布置、项目等重大改变及图面变更超过40%的,应重新绘制竣工图。
重新绘制的图纸必须有图名和图号,图号可按原图编号。
1.4 编制竣工图必须编制各专业竣工图的图纸目录,绘制的竣工图必须准确、清楚、完整、规范、修改必须到位,真实反映项目竣工验收时的实际情况。
1.5 用于改绘竣工图的图纸必须是新蓝图或绘图仪绘制的白图不得使用复印的图纸。
1.6 竣工图编制单位应按照国家建筑制图规范要求绘制竣工图使用绘图笔或签字笔及不退色的绘图墨水。
2、主要内容2.1 竣工图应按单位工程,并根据专业、系统进行分类和整理。
2.2 竣工图包括以下内容:2.2.1 工艺平面布置图等竣工图建筑竣工图、幕墙竣工图结构竣工图、钢结构竣工图建筑给水、排水与采暖竣工图燃气竣工图建筑电气竣工图智能建筑竣工图(综合布线、保安监控、电视天线、火灾报警、气体灭水等)通风空调竣工图地上部分的道路、绿化、庭院照明、喷泉、喷灌等竣工图地下部分的各种市政、电力、电信管线等竣工图3、竣工图的类型3.1 利用施工蓝图改绘的竣工图3.2 在二底图上修改的竣工图3.3 重新绘制的竣工图4、竣工图绘制要求4.1 利用施工蓝图改绘的竣工图在施工蓝图上一般采用杠(划)改、叉改法,局部修改可以圈出更改部位,在原图空白处绘出更改内容,所有变更处都必须引划索引线,并注明更改依据。
在施工图上改绘,不得使用涂改液涂抹、刀刮、补贴等方法修改图纸。
竣工图总说明Establish noble character. On the morning of October 2, 2022竣工图总说明一、工程概况本工程所处地理位置为南宁市相思湖新区,起点与罗文大道和新村大道相接,终点于城市一新建成规划路,道路全长3.9公里;该段属新建道路,道路原状绝大部分为农田、菜地、鱼塘,在中途跨过可利江,地形起伏较小;本标段道路路宽60米,全长1380米;本次竣工工程内容包括:道路工程、桥梁工程、排水工程;本工程建设单位为南宁市城市建设投资发展总公司,设计单位为南宁市城市规划设计院,施工单位为广西长长路桥建设有限公司,由柳州市天元工程监理有限公司对工程质量进行全面监理;二、工程竣工情况1、竣工平面本标段工程起点K1+060坐标为:X=,Y=,终点为K2+440坐标为:X=,Y=;工程全线无超高,无加宽;2、竣工宽度及横断面道路全宽60米,横断面布置为从左至右:7.25米宽人行道――6.5米宽非机动车道――2.5米宽侧分隔带――12.25米宽机动车道――3米宽中央分隔带――12.25米宽机动车道――2.5米宽侧分隔带――6.5米宽非机动车道――7.25米宽人行道;3、竣工纵断面本工程路线起点K1+060竣工高程为80.10米,终点K2+440竣工高程为78.12米;竣工最高点在K1+260,竣工最低点在K2+010,竣工最大纵坡%,竣工最小纵坡%,最小坡长为200米,最小竖曲线半径为3000米;4、竣工横坡本工程竣工路拱采用单折线路拱,机动车道、非机动车道路拱横坡为%,人行道横坡为%;5、竣工路面工程本工程采用水泥混凝土路面;水泥混凝土路面主车道下结构总厚度为85cm,其中水泥砼面层厚26cm,沥青石屑封油层厚1cm,水泥稳定碎石层厚28cm,天然三合土垫层厚30cm;辅助车道下结构总厚度为78cm,其中水泥砼面层厚24cm,沥青石屑封油层厚1cm,水泥稳定碎石层厚25cm,天然三合土垫层厚28cm;6、竣工桥涵工程本工程竣工桥梁起点桩号为K1+,终点桩号为K1+,桥长275米,桥梁宽度55.5米,桥跨布置为5×20m+3×250m+5×20m先张预应力钢筋砼先简支后结构连续空心板桥;桥梁横断面组成为:5.0m栏杆和人行道+6.5m非机动车道+2.5m侧分带+12.25m机动车道+3.0m 中央分隔带+12.25m机动车道+2.5m侧分带+6.5m非机动车道+5.0m栏杆和人行道;下部结构桥墩为墩柱式桥墩,采用×1.0米的系梁,钻孔桩基础,桩径1.5米;桥台为U形桥台,加扶壁,设承台,钻孔桩基础,桩径1.5米;桥梁立面采用装饰板形成圆拱的形状;7、竣工雨水、污水工程路面雨水由双联井通过支管接入检查井;左侧雨水管布置在车行道下距中20.25米,其中K1+060—K1+120段为D2400钢筋混凝土Ⅱ级管180°C20砼基础、K1+286—K1+760段为D2400钢筋混凝土Ⅱ级管C20砼全包管基础,K1+760—K2+400段为D2400钢筋混凝土Ⅱ级管180°C20砼基础,K2+400—K2+440段D2200钢筋混凝土Ⅱ级管180°C20砼基础,本标段起点在K1+060竣工高程为72.16米终点在K2+440竣工高程为73.48米,全长为1214米;右侧雨水管布置在车行道下距中20.25米,其中K1+060—K1+120段为D2200钢筋混凝土Ⅱ级管180°C20砼基础、K1+340—K1+760段为D2400钢筋混凝土Ⅱ级管C20砼全包管基础,K1+760—K2+360段为D2400钢筋混凝土Ⅱ级管180°C20砼基础,K2+360—K2+440段D2200钢筋混凝土Ⅱ级管180°C20砼基础,本标段起点在K1+060竣工高程为71.86米终点在K2+440竣工高程为73.48米,全长为1160米;三、工程主要变更情况一、路基工程变更1、由于原设计图中土石方工程数量在计算时是按不计路面结构厚度的数量,现按扣除路面厚度重新计算;2、K1+680—K2+440路段土质与原设计土质不符,将此段路基范围内软土杂土挖弃后回填三合土;3、K1+060~K1+440新增征地面积6003平方米;4、不良地质路段主要为杂填土、素填土和淤泥,素填土复盖厚度小于3米时,则全部换填三合土,复盖厚度大于3米时,素填土只换3米深,再换填三合土,挖出的素填土全部清除;淤泥和杂填土地基全部清除,再换填三合土;二、路面工程变更1、取消K2+380路口原设计中央分隔带及侧分隔带,由于路口已按原设计施工,取消的分隔带位置无法按原设计路面结构施工,须用C15砼代替原设计水泥稳定碎石及三合土垫层;三、桥梁工程变更1、由于原设计图无桥面铺装设计图,新增加5×20米跨及3×25米跨铺装层钢筋构造图;2、可利江河道整治后的常水位下必须保证系梁不露出,因此将桥墩系梁顶标高原设计为69.5m改为70.5m;3、本工程需进行基桩的单桩承载力检测,采用高应变动测法进行检测,抽检率为总桩数的5%;4、取消原设计梁底调平块;5、取消0号台至1号墩以及12号墩至13号台两侧的装饰板,在2至3号墩以及10至11号墩之间增加平台及护坡;6、取消原设计湖底铺砌片石;7、原设计开挖河道范围为桥身中心线上下游各40米,现更改为上下游出桥面各3米,总宽64.5米;8、将预制空心板钢筋N6`有Φ25变更为Φ12,但在铰缝处进行加强;9、为方便施工将铰缝钢筋进行调整;10、由于原设计河道整治断面的变更,取消原设计桥台挡土墙;11、桥台台身、侧墙及扶壁砼标号变更为C30;12、新增桥梁装饰柱大样图及装饰板弧线大样图;13、0、13桥台背回填无砂大孔砼标号为,厚度为桥台前墙、侧墙台后50cm,范围是承台顶至搭板底;四、排水工程变更1、将左侧雨水管K1+286~K2+400段d2400管整体抬高0.9米,K2+400~K2+440段d2200管整体抬高0.7米,右侧雨水管K1+340~K2+360段d2400管整体抬高0.9米,K2+360~K2+440段d2200管整体抬高0.7米;2、当管道基础坐落软塑状态粘土层、亚粘土层等容许承载力在100KPa以上但达不到180KPa时,处理方法采用换土回填砂砾石,厚0.5米,然后进行管基施工;当管道基础坐落软塑~流塑状态粘土层、亚粘土层、粉细砂层等容许承载力在100KPa以下且不良地质在管基底以下层厚为1米以内时,处理方法采用抛填~1米厚片石层,再做0.2米厚砂砾石填缝找平,进行管基施工;;当管道基础坐落软塑~流塑状态粘土层、亚粘土层、粉细砂层等容许承载力在100KPa以下且不良地质在管基底以下层厚超过1米时,处理方法采用打桩长3米,梢径不小于12厘米的松木桩,呈梅花形布置,桩距0.5米,桩头用0.5米厚片石挤密,再做0.2米厚砂砾石填缝找平,进行管基施工;3、将原设计K1+670处农田水利过路涵位置改至K1+700处; K1+850处农田水利过路涵位置改至K1+920处;4、将原设计可利大道雨水管道排入可利江的四座一字墙出水口取消,保留出水口底板及下游护砌;5、K1+~K1+767、K1+785~K1+940段右侧以及K1+920左侧跌井连接水利明沟段新增砖砌明沟280.5米;6、K1+780右侧新增D800砼全包管基18米;7、取消可利江东岸K1+370右侧雨水检查井;8、取消可利江西岸K1+120~K1+240右侧雨水管道及检查井,雨水出水口就近在K1+120处排入改造后的可利江河道;桥梁工程竣工主要工程数量表一、桥台、桥墩钻孔桩基:砂土、粘土层:854.06米砂砾石层:983.42米软石层:1925.67米二、墩台挖基干处土方:7500立方米三、桥台工程数量:现浇C25号砼:3574立方米现浇C30号砼:立方米现浇C10砼垫层:立方米Ⅰ级钢筋:吨Ⅱ级钢筋:吨四、桥墩工程数量:现浇C25号砼:5622立方米现浇C30号砼:立方米Ⅰ级钢筋:吨Ⅱ级钢筋:吨五、上部构造工程数量:C50号砼:立方米C40号砼:立方米C30号砼:立方米C25号砼:立方米装饰板荒暴石:1252平方米异型钢C-80伸缩缝:220米/4道GYF普通橡胶支座δ=60mm d=300mm:504个圆板式橡胶支座δ=60mm d=300mm:1680个CTA聚丙烯腈纤维:4821公斤钢绞线Φ:吨Ⅰ级钢筋:吨Ⅱ级钢筋:吨六、河道整治工程开挖河道土方:110802立方米浆砌片石:立方米C20片石砼: 立方米砂砾垫层:193.8立方米。
竣工图说明及竣工图规范填写参考
竣工图说明及竣工图规范填写(参考)
[ 标签:竣工,竣工验收,律师]
情况是这样的:备案还没备好,但工程已结束2-3个月,竣工报告不知道怎么写?对了,还有就是我们是跨省的。
请教各位,谁知道怎么写?麻烦教教小弟。
谢谢!
满意答案
好评率:0%
《规范》第 16.4..1条规定:“单独签订施工合同的单位工程,竣工后可单独进行竣工验收。
在一个单位工程中满足规定交工要求的专业工程,可征得发包人同意,分阶段竣工验收。
”
《规范》第16.4.2条规定:“单项工程竣工验收应符合设计文件和施工图纸要求,满足生产需要或具备使用条件,并符合其他竣工验收条件要求。
”
《规范》第16.4.3条规定:“整个建设项目已按设计要求全部建设完成,符合规定的建设项目竣工验收标准,可由发包人组织设计、施工、监理等单位进行建设项目竣工验收,中间竣工并已办理移交手续的单项工程,不再重复进行竣工验收。
”
竣工验收是一项法律制度,《合同法》、《建筑法》、《建设工程质量管理条例》对竣工验收已做了明确的规定。
为了保证建设工程竣工验收顺利进行,必须遵循项目一次性基本特征,按施工的客观规律和竣工的先后顺序进行竣工验收。
在建设工程项目管理实践中,因承包的范围不同,交工的形式也会有所不同。
从承包人的角度看,交付竣工验收,意味着项目经理部任务的完成,可以承担新项目。
工程交付竣工验收一般按三种情况分别进行:
1.单位工程(或专业:工程)竣工验收
以单位工程或某专业工程内容为对象,独立签订建设工程施工合同的,达到竣工条件后,承包人可单独进行交工,发包人根据竣工验收的依据和标准,按施工合同约定的工程内容组织竣工验收,比较灵活地适应了目前工程承包的普遍性。
按照现行建设工程项目划分标准,单位工程是单项工程的组成部分,有独立的施工图纸,承包人施工完毕,征得发包人同意,或原施工合同已有约定的,可进行分阶段验收。
这种验收方式,在一些较大型的、群体式的、技术较复杂的建设工程中比较普遍地存在。
我国加入世贸组织后,建设工程领域利用外资或合作搞建设的会越来越多,采用国际惯例的做法也会日益增多。
分段验收或中间验收的做法也符合国际惯例,它可以有效控制分项、分部和单位工程的质量,保证建设工程项目系统目标的实现。
我国近几年来也借鉴了国际上的一些经验和做法,修订了施工合同示范文本,增加了中间交工的条款。
新的《建设工程施工合同(示范文本)》GF—1999—020l“通用条款”32.6款规定:“中间交工工程的范围和竣工时间,双方在专用条款内约定,其验收程序按本通用条款32.4款办理”。
在施工合同‘专用条款”中,双方一旦约定了中间交工工程的范围和竣工时间,如群体
工程中,哪个(些)单位工程先行交工,再如公路工程的哪个合同段先行交工等,则应按合同约定的程序进行分阶段的竣工验收。
2.单项工程竣工验收
指在一个总体建设项目中,一个单项工程或一个车间,已按设计图纸规定的工程内容完成,能满足生产要求或具备使用条件,承包人向监理人提交“工程竣工报告”和“工程竣工报验单”经签认后,应向发包人发出“交付竣工验收通知书”,说明工程完工情况,竣工验收准备情况,设备无负荷单机试车情况,具体约定交付竣工验收的有关事宜。
对于投标竞争承包的单项工程施工项目,则根据施工合同的约定,仍由承包人向发包人发出交工通知书请予组织验收。
竣工验收前,承包人要按照国家规定,整理好全部竣工资料并完成现场竣工验收的准备工作,明确提出交工要求,发包人应按约定的程序及时组织正式验收。
对于工业设备安装工程的竣工验收,则要根据设备技术规范说明书和单机试车方案,逐级进行设备的试运行。
验收合格后应签署设备安装工程的竣工验收报告。
3.全部工程竣工验收指整个建设项目已按设计要求全部建设完成,并已符合竣工验收标准,应由发包人组织设计、施工、监理等单位和档案部门进行全部工程的竣工验收。
全部工程的竣工验收,一般是在单位工程、单项工程竣工验收的基础上进行。
对已经交付竣工验收的单位工程(中间交工)或单项工程并已办理了移交手续的,原则上不再重复办理验收手续,但应将单位工程或单项工程竣工验收报告作为全部工程竣工验收的附件加以说明。
对一个建设项目的全部工程竣工验收而言,大量的竣工验收基础工作已在单位工程和单项工程竣工验收中进行。
实际上,全部工程竣工验收的组织工作,大多由发包人负责,承包人主要是为竣工验收创造必要的条件。
全部工程竣工验收的主要任务是:负责审查建设工程的各个环节验收情况;听取各有关单位(设计、施工、监理等)的工作报告;审阅工程竣工档案资料的情况;实地察验工程并对设计、施工、监理等方面工作和工程质量、试车情况等做综合全面评价。
承包人作为建设工程的承包(施工)主体,应全过程参加有关的工程竣工验收。