热工学实验指导书
- 格式:doc
- 大小:2.45 MB
- 文档页数:13
工程热力学实验指导书目录实验课注意事项 (3)有关从事实验的基础知识 (4)实验—二氧化碳p—v—T关系测定实验 (7)实验二可视性饱和蒸汽压力和温度关系实验 (13)实验三喷管实验 (16)实验四气体定压比热测定实验 (16)实验注意事项1、实践的观点是辩证唯物的认识之第一的基本的观点。
所以对待实验课必须严肃认真。
课前先做预习,明确目的要求。
课内亲自动手,留心观察现象,准确测取数据,及时分析问题,实验结束后,根据材料,进行科学的分析及综合,做出有材料,有观点,有分析,有讨论的精简扼要的实验报告。
2、爱护国家财产,珍惜实验设备,动手操作前先弄清仪器设备的使用方法,不要不懂装懂,乱行启动,以致损坏设备,造成损失,影响教学,非本次实验用的仪器设备,一律不准使用。
3、认真执行的原则,在保证实验质量的前题下,努力降低水电等物质的消耗额。
4、遵守下列安全规定,做好安全工作。
(1)进入实验室后,要严肃认真,不得追逐嬉笑。
(2)不要赤足或穿拖鞋进入实验室,以防触电。
有关从事实验的基础知识一、从事科学实验的基本态度实验人员首先要具有一种最基本的态度即实事求是的态度。
我们这里所说的“实事求是”就是要把实验中所观测到的现象、数据、规律忠实地记录下来,把它们当作第一手的材料来对待,科学推理以实验观测为依据,科学理论要用实验观测来检验,因此记录下来的应该是实际观测到的情况,而不能在任何理由下加以编造,修改或歪曲。
例如某个参数根据理论计算其值应该是100,而在实验中测到只是20的值记录下来,然后再去找原因,而不能用任何其他数字来搪塞。
实验中直接观测到的现象和数字,当然也可能不够准确,也可能有错误,但是某次实验数据不可靠也只能用反复多次的实验来核对,不能够“与书本已有的陈述不符”或“与依据某种理论的计算结果不符”就来修改记录或取消某次记录,对待实验观察必须严肃认真,决不能随便记录某个数字。
二、有关从事实验的基础知识(一)、实验课和重要性实验课在帮助同学们学好本课程的主要内容方面,在培养同学运用理论和实践相结合的方面及独立地从事科学实验的能力方面有极为重要的意义。
《热工综合实验指导书》何涛编刘建华审机械工程实验教学中心目录实验一、气体定压比热的测定 (2)实验二、稳态平板法测定绝热材料导热系数 (7)实验三、强迫对流单管管外放热系数测定.............................................. (11)实验四、大容器沸腾换热系数测定 (18)实验五、换热器综合实验 (21)实验一气体定压比热的测定一、实验目的1.熟悉测定气体比热过程中测温、测压、测热量、测流量的方法。
2.了解气体比热测定装置的基本原理和构思。
3.分析实验系统中产生误差的原因及减少误差的可能途径。
从而增加热物性实验研究方面的感性认识,促进理论联系实际,以利于培养分析问题和解决问题的能力。
4.综合运用湿空气、定压比热等方面的知识,验证空气的定压比热在0—300℃温度条件下与温度近似呈线性关系,培养综合应用能力。
二、实验设备风机、LML—1型湿式气体流量计、秒表、比热仪本体、功率调节器、功率表、干湿球温度计、U型玻璃管压力计、水银气压计、玻璃管水银温度计、电源。
整套装置由风机、流量计、比热仪本体、电功率调节器及测量系统组成。
如图一示,为一开口系统。
比热仪本体如图二所示。
空气由风机经流量计送入比热仪本体,经过加热、均流、混流、测温后流出。
出口温度由输入电加热器的电压调节。
本装置可以测300℃以下气体的定压比热。
三、参数测量1. 用胶管将比热仪本体与流量计、节流阀、风机连通。
2. 连接功率表和调压器。
3. 选择合适的温度计插入混流网的凹槽中。
4. 接通电源,开动风机,调节流量达最大值。
5. 在加热器没工作的情况下,调节节流阀使流量保持每10升气体通过流量计所需时间在55~60秒之间。
6. 启动电热器开始工作,缓慢提高电压,使出口温度上升。
7. 待系统工况稳定后(出口温度在10分钟之内无变化或有微小起伏,即可视为稳定)测量下列数据:每10升气体通过流量计所需时间(秒);比热仪进口温度和出口温度;当场大气压;流量计出口处的气体表压;电热器的加热功率;8. 提高电热器功率,使出口温度上升,系统达到新的平衡后,重复步骤7的工作。
热工学理论基础实验指导书(集控、热动专业)前言本实验指导书是为电厂集控运行专业及电厂热能动力装置专业开设的专业课程的实验教学指导。
通过实验帮助广大学生加强对书本知识的理解,并在实验的进行过程中锻炼基本的操作技能与动手能力。
本实验指导书由于编写时间、水平有限,难免会有疏漏谬误之处,热切期望实验指导老师与学生们能够提出宝贵的意见,谢谢。
实验要求及方法热工实验包括预习,讲解与实际操作,实验总结与考核等,为保证实验正常进行,应遵守如下规则:1.明确实验目的,端正学习态度,认真参加实际操作,并在指定岗位上进行实操,服从实验指导教师的指导。
2.注重操作技能,认真听取实验指导教师讲解,仔细观察示范操作,将理论联系实际。
3.掌握基本的专业技能,能严格按实验要求计算,整理实验数据,并认真完成实验报告。
4.注意节约实验材料,爱护设备,并应正确使用与妥善保管,因使用不当等原因造成设备损坏应照价赔偿。
5.遵守实验规则和安全操作规程,保持实验岗位的干净,整洁。
实验考核方式以实验的各项实际操作过程考核为主,结合实验报告及学习态度评定。
实验一:换热器综合实验一.实验目的1.熟悉换热器性能的测试方法;2.了解套管式换热器,螺旋板式换热器和列管式换热器的结构特点及其性能的差别;3.加深对顺流和逆流两种流动方式换热器换热能力差别的认识;二.实验装置;换热器性能测试试验,主要对应用较广得间壁式换热器中的三种换热:套管式换热器螺旋板式换热器和列管式换热器进行其性能的测试。
其中,对套管式换热器和螺旋板式换热器可以进行顺流和逆流两种流动方式的性能测试,而列管式换热器只能作一种流动方式的性能测试。
1.热水流量调节阀 2.热水螺旋板、套管、列管启闭阀门组 3.冷水流量计4.换热器进口压力表5.数显温度计6.琴键转换开关7.电压表8.电流表9.开关组10.冷水出口压力计11.冷水螺旋板、套管、列管启闭阀门组12.逆顺流转换阀门组13.冷水流量调节阀换热器性能试验的内容主要未测定换热器的总传热系数,对传热温差和热平衡误差等,并就不同换热器,不同两种流动方式,不同工况的传热情况和性能进行比较和分析。
第三篇建筑热工实验实验一建筑热工参数测定实验一、实验目的1、了解热工参数测试仪器的工作原理;2、掌握温度、湿度、风速的测试方法,达到独立操作水平;3、利用仪器测量建筑墙体内外表面温度场分布,检验保温设计效果;4、测定建筑室内外地面温度场分布;5、可经过对室外环境的观测,针对住宅小区或校园内地形、地貌、生物生活对气候的影响,进而研究在这个区域内的建筑如何应用有力的气候因素和避免不利的气候影响。
二、实验仪器概述I. WNY —150数字温度仪用途:用于对各种气体、液体和固体的温度测量。
特点:采用先进的半导体材料为感温元件,体积小,灵敏度高,稳定性好。
温度值数字显示,清晰易读,测温范围:-50 C〜150 C ,分辨力:0.1 C。
测试方法及注意事项:1. 取下电池盖将6F22, 9V叠层电池装入电池仓。
2. 按ON键接通电源,显示屏应有数字显示。
3. 插上传感器,显示屏应显示被测温度的数值。
4. 显示屏左上方显示LOBAT 时, 应更换电池。
5. 仪器长期不用时, 应将电池取出, 以免损坏仪表。
II .EY3-2A 型电子微风仪用途: 本产品是集成电子化的精密仪器, 适用于工厂企业通风空调, 环境污染监测, 空气动力学试验, 土木建筑, 农林气象观测及其它科研等部门的风速测量, 用途十分广泛。
特点:1. 测量范围宽, 微风速灵敏度高, 最小分度值为0.01m/s。
2. 高精度, 高稳定度, 使用时可连续测量, 不须频繁校准3. 仪器热敏感部件,最高工作温度低于200 C ,使用安全可靠在环境温度为-10C〜40C内可自动温度补偿。
4. 电源电压适用范围宽:4.5V〜10V功耗低。
主要技术参数:1. 测量范围:0.05〜lm /s 1〜30m/s(A型)2. 准确度:<± 2% F.S。
3. 工作环境条件:温度—10 C〜+ 40 C 相对湿度W85%RH。
4. 电源:R14型(2#)电池4节工作原理:本仪器根据加工作温度为风速函数这一原理设计。
实验一 燃烧热的测定一、实验目的1.学习煤的燃烧热的测定原理和测定方法,掌握绝热式热量计的使用方法。
2.掌握燃料实际燃烧温度的计算方法,并讨论燃料热值是否达到使用要求。
二、实验原理本实验用数字式全自动量热计测定不同煤样的燃烧热。
这是一种绝热式量热计,实验过程中外筒温度自动跟踪内筒温度,即内外筒在实验过程中“绝热”。
测量燃烧热所依据的基本原理是能量守恒定律。
样品在氧弹中燃烧放出的热,引火丝燃烧放出的热及氧气中少量氮气氧化成硝酸的生成热,全部被量热体系所吸收,其温度升高,测得了温度升高值,即可求出算该样品的燃烧热。
发热量:Gcqb h T h T KH Q f DT 43.1)]()[(1122----+=(1)式中:fDT Q ——被测试样的发热量G ——被测试样的重量(克) K ——热量计水当量(克) q ——引火线的燃烧热(卡/克) b ——实际消耗的引火线重量(g ) H ——1.000℃T 1、T 2——直接观察的内筒初始及终了平衡点温度(℃) h 1、h 2——温度为T 1、T 2时对温度计的校正C ——滴定洗弹液所消耗的1ml1/10N NaOH 溶液体积(ml )三、实验步骤1. 精确称取燃料煤样1g ±0.1g 。
2.安装点火丝。
3.氧弹中加入10ml 蒸馏水,拧紧氧弹盖,放在充氧仪上充氧,充至压力2.8~3.0MPa ,并保持30秒钟。
4.内筒加水2100ml 左右,将氧弹放入内筒,水应淹没氧弹盖的顶面10~20mm.(注意每次用水量应一致,相差1g 以内),观察氧弹的气密性,氧弹应无气泡漏出。
5.把氧弹放在内筒支架上,盖上顶盖。
6.按[测量]键,输入编号、样重,选择测定煤炭或生料,搅拌器形如搅拌,测试开始。
注意:液晶显示器显示内筒温度和试验时间,5min 后显示内筒温度t0和外筒温度tj ,并通电点火,仪器中“嘟嘟”报讯四声,开始重新记时。
如果点火一分钟后,温升小于0.05℃,则点火失败,仪器“嘟嘟”报警10声,显示点火失败试验终止。
热工实验指导书篇一:热工实验指导书(正文)实验一二氧化碳p、v、t关系的测定一、实验目的1.学习在准平衡状态下,测定气体三个基本状态参数关系的方法。
2.观察在临界状态附近汽液两相互变的现象,测定co2的临界参数。
3.掌握活塞式压力计及恒温器等仪表的使用方法。
二、实验原理在准平衡状态下,气体的绝对压力p、比容v和绝对温度t之间存在某种确定关系,即状态方程f(p,v,t)?0理想气体的状态方程具有最简单的形式:pv=rt实际气体的状态方程比较复杂,目前尚不能将各种气体的状态方程用一个统一的形式表示出来,虽然已经有了许多在某种条件下能较好反映p、v、t之间关系的实际气体的状态方程。
因此,具体测定某种气体的p、v、t关系,并将实测结果描绘在平面的坐标图上形成状态图,乃是一种重要而有效的研究气体工质热力性质的方法。
因为在平面的状态图上只能表达两个参数之间的函数关系,所以具体测定时有必要保持某一个状态参数为定值,本实验就是在保持绝对温度t不变的条件下进行的。
三、实验设备本实验装置所测定的气体介质是二氧化碳。
整套装置由试验台本体、测温仪表、活塞式压力计和恒温器四大部分所组成,其系统示意在图一中。
图一试验台系统图试验台本体的结构如图二所示。
图二试验台本体其中1—高压容器;2—玻璃杯;3—压力油;4—水银;5—填料压盖;6—密封填料;7—恒温水套;8—承压玻璃管;9—co2空间;10—温度计。
它的工作情况可简述而下:由活塞式压力计送来的压力油首先进入高压容器,然后通过高压容器和玻璃杯之间的空隙,使玻璃杯中水银表面上的压力加大,迫使水银进入预先灌有co2气体的承压玻璃管,使其中的co2气体受到压缩。
如果忽略中间环节的各种压力损失,可以认为co2气体所受到的压力即活塞式压力计所输出的压力油的压力,其数值可在活塞式压力计台架上的压力表中读出。
至于承压玻璃管中co2 气体的容积,则可由水银柱的高度间接测出(下面还将详细述及)。
《热工过程及设备》实验报告书姓名:余辉华班级:06无非(2)班学号:200630451216实验要求 (2)实验一球体法粒状材料的导热系数的测定 (3)实验二套管换热器液-液换热实验 (8)实验三燃料发热量的测定(综合) (11)附录1铜一康铜热电偶分度表 (17)附录2精密数字温度温差仪使用方法 (18)实验要求1.实验前应预习与实验有关的教材内容和实验指导书,了解实验目的、实验原理和实验要求,做到心中有数。
2.在实验室要首先熟悉实验装置的构造特点、性能和使用方法,使用贵重仪器时需得到指导教师的许可,方可动用。
3.实验时应严肃认真、一丝不苟,细致地观察实验屮的各种现象,并作好记录,通过实验,训练基本操作技能和培养科学的T作作风。
4.实验结束时,学生先自行检查全部实验记录,再经指导教师审阅后,方可结束实验。
5.学生实验时,如出现实验仪器损坏情况,应及时向指导教师报告。
6.按规定格式认真填写实验报告,并按期交出。
实验一球体法粒状材料的导热系数的测定一、实验目的1.巩固稳定导热的基本理论,学习球体法测定物质的导热系数的实验方法;2.实验测定被测材料的导热系数X ;3.绘制出材料导热系数入与温度t的关系曲线。
二、实验原理加热圆球(见图1)山两个壁厚1.2毫米的大小同心圆球(1)纽成。
小球内装有电加热器(2)用来产牛热量。
大球内壁与小球外壁各设有三对铜-康铜热电偶(4)。
为温度达到稳定状态后, 电加热器产牛的热量全部通过中间的测试材料(3)传到外球,再rh外球传给空气。
1.大小同心球;2.电加热器;3.颗粒状试材;4 •铜康铜热电偶;5 •专用稳压电源;6•专用测试仪;7・底盘;8. UJ36a电位差计图1加热圆球示意图测取小球的温度tl,t2, t3,取其平均温度:T1 二(ti+ t2+ t3) /3;测収大球的温度t4, t5, t6,取其平均温度:T2=(t4+ t5+ 16) /3;根据圆球导热公式:入二[UI(1/D I -1/D 2)]/[2H (T1+T2)] 式屮:U ——加热电压;I ——加热电流;Di ——小球直径;D 2——大球直径;三、实验装置及主要技术指标实验装置YQF-1型导热系数测定仪的面板图见图2 专用电源的而板图见图338图2 YQF-1型导热系数测定仪的而板图1.电源开关;2•电源指示灯;3.3. 5位数显毫伏表;4.亳伏表调零电位器;5.补偿电 压调节电位器;6.补偿按键;7.热电偶测量 电压输出端;8.热电偶输入选择开关。
《热工基础及设备A》实验指导书《热工基础及设备A》课程实验指导书目录1.煤的燃料热测定 (1)2.火焰温度测定 (4)3.稳态法测导热系数 (7)4.工业烟气的成分分析及漏风量的测定 (11)实验1 煤的燃烧热测定一、实验目的1、了解氧弹式量热计的结构和工作原理,掌握氧弹法测定媒的发热量的方法。
2.了解恒压反应热与恒容反应热的差别及相互关系。
二、实验原理煤的发热量是燃煤的一项重要质量指标,它是以恒温条件下单位质量的煤完全燃烧时所产生的热量来表示的,单位为kJ/kg 或J/g 。
目前测定煤的发热量最常用的方法是氧弹法。
该法是把一定量的媒样放在充有高压纯氧的密闭弹筒(即氧弹)中完全燃烧,并使煤燃烧放出的热量通过弹筒传递给水及仪器系统,再根据水温的变化计算出煤的发热量。
用氧弹法测得的媒的发热量称为弹筒发热量。
事实上,试样完全燃烧放出的热量不仅被水吸收,亦被弹筒本身、内筒、搅拌器和温度计等实验装置吸收,故上述实验装置统称为量热系统。
该量热系统本身具有的热容量(亦称水当量),事先已用已知标准发热量的物质(如苯甲酸)进行标定,作为仪器常数给出。
由于生产中可利用的是煤的低发热量,故将各种发热量的概念及换算关系简介如下:1. 弹筒发热量在密闭的弹筒中充高压纯氧至2.8~3.0MPa ,终了时燃烧产物为25℃,燃烧单位质量试样所产生的热量称为弹筒发热量,J/g, 记作Q DT 。
煤的燃烧产物为:CO 2、H 2SO 4、HNO 3、水和固态的灰分。
Q DT =GGT E d∑-E——仪器热容量,J/g ;在仪器使用前用基准物质(如苯甲酸等)进行标定得到。
ΔT ——修正后的温升,℃;∑G d ——添加物(如点火丝等)产生的总热量,J;G——煤试样质量,g;2.恒容高位发热量弹筒发热量Q DT 减去稀硫酸和二氧化硫生成热之差以及稀硝酸生成热即为恒容高位发热量J/g, 记作Q GT .V。
实质上Q GT 。
V 等于在测定弹筒发热量相同条件下燃烧单位质量试样所产生的热量,不同的是燃烧产物中硫以二氧化硫状态、氮以游离状态存在。
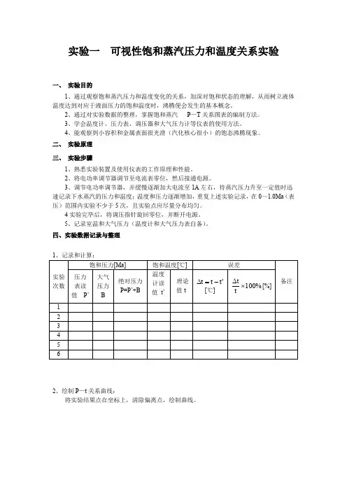
实验一可视性饱和蒸汽压力和温度关系实验一、实验目的1、通过观察饱和蒸汽压力和温度变化的关系,加深对饱和状态的理解,从而树立液体温度达到对应于液面压力的饱和温度时,沸腾便会发生的基本概念。
2、通过对实验数据的整理,掌握饱和蒸汽P—T关系图表的编制方法。
3、学会温度计、压力表、调压器和大气压力计等仪表的使用方法。
4、能观察到小容积和金属表面很光滑(汽化核心很小)的饱态沸腾现象。
二、实验原理三、实验步骤1、熟悉实验装置及使用仪表的工作原理和性能。
2、将电功率调节器调节至电流表零位,然后接通电源。
3、调节电功率调节器,并缓慢逐渐加大电流至1A左右,待蒸汽压力升至一定值时迅速记录下水蒸汽的压力和温度;温度和压力逐渐增加,重复上述实验记录,在0~1.0Ma(表压)范围内实验不少于5次,且实验点应尽量分布均匀。
4实验完毕后,将调压指针旋回零位,并断开电源。
5、记录室温和大气压力(温度计和大气压力表自备)。
四、实验数据记录与整理2、绘制P—t关系曲线:将实验结果点在坐标上,清除偏离点,绘制曲线。
]图2 饱和水蒸气压力和温度的关系曲线图3饱和水蒸气压力和温度的关系对数坐标曲线3、总结经验公式:将实验曲线绘制在双对数坐标纸上,则基本呈一直线,故饱和水蒸气压力和温度的关系可近似整理成下列经验公式:4100P t4、误差分析:通过比较发现测量比标准值低1%左右,引起误差的原因可能有以下几个方面: (1)读数误差。
(2)测量仪表精度引起的误差。
(3)利用测量管测温所引起的误差。
五、注意事项1、实验装置通电后必须有专人看管。
2、实验装置使用压力为1.0Ma (表压),切不可超压操作。
饱和水蒸气热力性质表(按温度排列)实验二气体定压比热测定实验一、实验目的1. 了解气体比热测定装置的基本原理和构思。
2. 熟悉本实验中的测温度、测功率、测压差、测流量的方法。
3. 掌握由基本数据计算出比热值和求得比热公式的方法。
4. 分析本实验产生误差的原因及减小误差的可能途径。
《热工学》实验指导书高寿云编南京工业大学城建学院2011年10月5日实验一、气体定压比热测定实验气体定压比热的测定是工程热力学的基本实验之一。
实验中涉及温度、压力、热量(电功)、流量等基本量的测量;计算中用到比热及混合气体(湿空气)方面的基本知识。
本实验的目的是增加热物性实验研究方面的感性认识,促进理论联系实际,以利于培养分析问题和解决问题的能力。
一、实验目的1)了解气体比热测定基本原理和构思。
2)熟悉本实验中的测温、测压、测热、测流量的方法。
3)掌握由基本数据计算出比热值和比热公式的方法。
4)分析本实验产生误差的原因及减小误差的可能途径。
二、实验装置1)整个装置由风机、流量计、比热仪本体、电功率调节及测量系统共四部分组成,如图一所示。
2)比热仪本体如图二所示。
其中1一进口温度计;2一多层杜瓦瓶;3一电热器;4一均流网;5一绝缘垫;6一旋流片;7一混流网;8一出口温度计。
3)空气(也可以是其它气体)由风机经流量计送人比热仪本体,经加热、均流、旋流、混流、测温后流出。
气体流量由节流阀控制,气体出口温度由输入电热器的电压调节。
4)该比热仪可测300℃以下气体的定压比热。
三、测量与计算1)接通电源及测量仪表,选择所需的出口温度计插入混流网的凹槽中。
2)摘下流量计上的温度计,开动风机,调节节流阀,使流量保持在额定值附近。
测出流量计出口空气的干球温度(ot)和湿球温度(w t)。
3)将温度计插回流量计,调节流量,使它保持在额定值附近。
逐渐提高电压,使出口温度升高至予计温度C可以根据下式予先估计所需电功率:τtE∆≈12。
式中W为电功率(瓦);t∆为进出口温度差(℃);τ为每流过10升空气所需时间(秒))。
4)待出口温度稳定后(出口温度在10分钟之内无变化或有微小起伏,即可视为稳定),读出下列数据:每10升气体通过流量计所需时间(τ,秒);比热仪进口温度(t1,℃)和出口温度(t。
,℃);当时应大气压力(B,毫米汞柱)和流量计出口处的表压(h∆,毫米水柱)。
热工性能试验作业指导书工业锅炉热工性能试验作业指导书1.目的为了确保工业锅炉热工性能试验工作符合相关规程、标准的规定,指导工业锅炉热工性能试验的进行,提高测试的准确性以保障锅炉的性能指标,特制定本作业指导书。
2.范围2.1本作业指导书适用于工作压力小于3.8MPa的蒸汽锅炉以及热水锅炉的热工性能试验(包括定型试验、验收试验、仲裁试验和运行试验)2.2本作业指导书适用于手工或机械燃烧固体燃料的锅炉、燃烧液体或气体燃料的锅炉和以电作为热能的锅炉。
热油载体锅炉(导热油炉),以及垃圾燃料的锅炉可参照本指导书。
3.试验开展依据下列文件,在本指导书公布时所示版本均为有效,其所包含的条款,经本指导书的引用而构成本指导书的条款。
文件可能会被修改,使用本作业指导书时,请探讨使用下列文件最新版本的可能性。
3.1GB/T474-1996煤样的制备方法(eqv ISO1988:1975)3.2GB/T10180-2003工业锅炉热工性能试验规程4.作业要求4.1燃料取样的方法:1)固体燃料取样量不得少于总燃料量的1%,但总取样量不少于10kg,取样方法按附录A进行。
取样时需注意一防止煤中水分蒸发,二防止异物混入样品中。
2)液体燃料从油箱或燃烧器前管道抽取不少于1L样品,倒入容器内加盖密封,并作上封口标记;在重油作为燃料取样时,应在管道上取样。
3)气体燃料可由当地煤气公司或石油天然气公司提供化验报告或在燃烧器前管道上取样,在取样时注意把燃气取样器中残剩的气体赶干净。
4)对于混合燃料可按各种燃料的成分分析资料,按混合比例求得对应值,可作为同一燃料处理。
4.2燃料计量的方法:1)固体燃料用精度不低于0.5级的磅秤承重。
试验开始与结束时,锅筒水位和煤斗的煤位均应保持一致。
为此,在试验开始前在水位表和煤斗中应作好标记。
当试验结束时,水位和煤斗应回到其标记处。
在整个试验期间过量空气系数、煤层厚度、炉排速度、给水量,给煤量等参数应尽可能保持一致。
实验二 物质导热系数测定实验一、实验目的1. 学习在稳定热流条件下测定物质导热系数的原理、方法; 2. 确定所测物质导热系数随温度变化的关系;3. 学习、掌握相关热工测量仪表的结构与使用方法。
二、 实验原理测定物质导热系数的方法有很多,如稳态平板法、球体法、常功率平面热源法等,本实验采用的是稳态多层圆筒壁同心法,如图1-1所示。
图1-1 稳态多层圆筒壁同心原理示意图被测试样装满于试样筒内,则被测试样成一圆筒型。
设试样筒的内外两侧表面温度分别为t h 和t l 。
为防止试样在筒内产生热对流,采用二个很薄的金属套管将其分隔开来,保证热量在试样筒内以导热方式径向传递。
套管壁的热阻很小,可以忽略。
当试样内维持一维稳态温度场时,则有)()()/ln(212l h l h l t t Bt t r r l Q -=-=λπλ (1-1)其中:λ为试样的导热系数,单位W/m ·℃;lr r B π2)/ln(12=为仪器几何常数, 本实验所用仪器为DTI -811型导热系数测定仪,其结构简图见图1-2。
图1-2 DTI -811型导热系数测定仪结构简图考虑到测定仪端部的热损失为Q n ,装在试样筒内且与之同心的加热器所提供的热流Q =IV ,只有Q l 是由径向经待测试样传出,故Q=Q l +Q n =IV (1-2)仪器端部特性用热阻R (℃/W )表示,有:)(1l h n t t RQ -=(1-3) 把式(1-1)、(1-3)代入式(1-2),并令B/R=C ,得C tBIV-∆=λ W/(m ·℃) (1-4) 式中:△t =(t h -t l ),单位℃;I 、V ——电加热丝的电流(A ),电压(V ); C ——热损失修正常数,C=B/R 。
因此,只要维持试样筒内、外侧的温度稳定,测出导热量Q l 以及试样筒内外两侧表面的温度t h 、t l ,即可由式(1-4)求得在温度t m =(t h +t l )/2下试样的导热系数。
“热工学基础”实验指导书天津大学机械工程学院编著二零一零年十二月前言热工学基础实验包括:“工程热力学”和“传热学”两部分实验内容,共有9个基础实验。
实验教学的目的是验证巩固和补充课堂讲授的理论知识,通过实验使学生初步掌握热能有效利用以及热能和其他能量转换规律的基本知识,以及热量传递的基本规律。
使学生能正确运用热力学的基本原理进行热工和热力循环的分析;培养学生运用所学的理论解决实际问题的能力以及对实验结果进行综合分析并撰写实验报告的能力,通过实验使学生能辨识热工设备、学会热工仪器仪表的使用方法。
《热工学基础实验指导书》是根据高等教育自学测试课程“热工学基础”实践教学大纲的教学计划编写的。
在编写过程中参考了《热工实验基础》(1986年高等教育出版社)、《工程热力学实验指导书》、《传热学实验指导书》(1996年工程热物理教研室、热工实验室编著)及教材《热工基础和使用》(机械工业出版社2009年第二版),并结合热工实验室的实际设备,吸收了多年来实验室设备的改进和科研工作的成果而编著的。
根据学生在实验过程中的表现及实验报告的质量对学生进行考核。
考核内容包括实验前预习、实验过程、实验方法和步骤以及实验结果的数据处理、分析等内容,进行综合考核。
本指导书由郑宗和、刘靖主持编整。
目录实验1 热电偶温度计的刻度和校验 (4)实验2 压力表校验 (8)附录1 压力表的常见故障机器发生原因和排除方法 (11)实验3 二氧化碳气体P-V-T关系的测定 (12)实验4 喷管中气体流动基本特性试验 (16).实验5 压气机性能试验 (23).实验6 蒸汽压缩制冷(热泵)装置性能实验 (27)..实验7 用球体法测量导热系数实验 (31)实验8 空气横掠单管强迫对流换热系数测定实验 (34)附录2 空气横掠单管强迫对流换热系数测定实验的简要说明 (39)实验9 套管式换热器性能测试试验 (40)实验1 热电偶温度计的刻度和校验温度是热力学中一个基本状态参数,在各种热工实验中都离不开温度。
工程热力学与传热学实 验 指 导 书工程技术学院热工教研组编2009年12月实验一传热学的先导实验电位差计的原理与使用用热电偶测温时需测量热电偶的热电势差,此电势差很小,一般都在毫伏级。
该电势可用动圈仪表(毫伏计)测量,但测量误差较大;也可用高灵敏度的数字电压表测量,虽使用方便,但该仪表价格太高。
另外一种测量仪表为电位差计,其测量精密度较高。
电位差计的工作原理是以一个已知的标准电势与被测电势相比较,使这两个电势差相等,则被测电势即为已知的标准电势。
这方法相当于用电桥法测量电阻值,更形象地说如同用天平来称物体的质量,当给定的法码与被测物体平衡时,被测物体的质量就是法码的质量。
图1-1 电位差计的工作原理图1-2 UJ-36型电位差计的盘面图1-1所示是电位差计的工作原理图。
图中由E、R p、R、R N组成工作电路。
E为工作电源,当R为一定值且通过它的电流I也为一定值是时其两端电势差也为一定值。
由于工作电源E在工作时有消耗电源电压会变动,因而引起I变化。
为了保证I不变,可以调整电阻R P使I不变。
如何知道I能保持设计值不变呢?这时可用标准电池E N来进行检验。
在电路中R N为标准电阻值,当工作电流为设计值时,R N两端的电势差等于标准电池的电势E N,E N等于1.01896 V。
因此,在测量前首先用标准电池校正电路的工作电流,用检流计来检查标准电路是否平衡。
如果不平衡则调整电阻R P直至平衡,这时工作电路电流I为设计值。
测量时将检流计接至测量电路,调整电阻R上的滑动触点Q的位置,直至检流计再次指零,R Q上的势即为测电势。
图1-2所示为常用的UJ-36型电位差计,其盖子背面有操使用说明。
使用步骤如下:(1)先将热电偶两电极接在有“未知”字样的两个接线柱上(注意极性),再将倍率开关旋向所需的位置上(×1或×0.2),这时已接通电位差计的工作电源,同时也接通了检流计的工作电源,检流计会发生偏转。
热工自动控制系统实验讲义胡德双许洪华编承德石油高等专科学校热能工程教研室实验须知一、实验前充分准备,认真做好预习,否则不得进行实验。
二、实验室内不得喧哗、打闹。
三、与本次实验无关的仪器设备不得乱动。
四、仪表装置的启动必须征得指导教师的许可。
五、实验完毕,必须清理好现场仪表盘面,切断水、电、气源,并征得老师同意,方可离开现场。
六、实验报告每人提交一份,若同时几人一组,原始记录曲线自行描绘。
七、实验中的操作技能,实验过程中的纪律性以及报告完成的情况等均作为实验成绩评定内容。
八、实验中属于人为造成仪表故障的,应按价赔偿。
目录一、实验装置介绍二、调节器Ⅰ使用说明三、调节器Ⅱ使用说明四、调节器Ⅲ使用说明五、实验前的准备工作实验一热工对象动态特性测试——阶跃测试法实验二单回路自动调节系统——调节系统的投运、整定和质量的研究实验三串级自动调节系统——调节系统的投运、整定和质量的研究实验四比值自动调节系统——调节系统的投运、整定和质量的研究实验五双冲量自动调节系统——调节系统的投运、整定和质量的研究实验六单级三冲量自动调节系统——调节系统的投运、整定和质量的研究实验七串级三冲量自动调节系统——调节系统的投运、整定和质量的研究一热工自动控制系统实验装置介绍该控制系统为汽包锅炉给水自动调节系统的模拟装置,汽包用水箱代替,蒸汽流量用出口流量代替,通过调节入口流量即给水量可维持水位的恒定。
用它也可以完成其它的实验项目,达到其它的实验目的。
所以,用这套装置也可以来模拟过热蒸汽温度自动调节系统、燃烧过程自动调节系统的各种实施方案。
本实验装置可分为两大部分:模拟装置和仪表操作控制盘。
模拟装置是由控制系统的工艺设备(泵、管线、水箱等)、一次仪表和执行器组成的。
控制系统所用的二次仪表都安装在仪表盘上。
各控制方案的实现,只要改变模拟装置的有关工艺阀门和启动相应的机泵,同时改变操作盘上排题板的联接线路,即可构成不同的控制方案,达到不同的实验目的。
热工基础实验指导书Thermodynamics and Heat transfer Basic ExperimentInstructor(Belong to Pyrology Staff Room)Hefei University of Technology2003.1(工程热力学实验)实验一 气体定压比热容测定实验一、实验目的1、增强热物性实验研究方面的感性认识,促进理论联系实际,了解气体比热容测定的基本原理和构思。
2、学习本实验中所涉及的各种参数的测量方法,掌握由实验数据计算出比热容数值和比热容关系式的方法。
3、学会实验中所用各种仪表的正确使用方法。
二、实验原理由工程热力学所知,气体定压比热容的定义式为:p Th C )(0∂∂= (1) 在没有对外界作功的气体定压流动过程中,M dQ dh p=,此时气体的定压比热容可表示为:p p TQ M C )(1∂∂= (2) 当气体在此定压过程中由温度t 1被加热至t 2时,气体在此温度范围内的平均定压比热容可由下式确定:)(1221t t M Q C p t t pm -= (kJ/kg ℃) (3)式中:M ――气体的质量流量,kg/s ;Q p ――气体在定压流动过程中吸收的热量,kJ/s 。
大气是含有水蒸汽的湿空气,当湿空气由温度t 1被加热至t 2时,其中的水蒸汽也要吸收热量,这部分热量要根据湿空气的相对湿度来确定。
如果计算干空气的比热容,必须从加热给湿空气的热量中扣除这部分热量,剩余的才是干空气的吸热量。
在距室温不远的温度范围内,空气的定压比热容与温度的关系可近似认为是线性的,即可近似的表示为:Cp=A+Bt (4)由t 1加热到t 2的平均定压比热容则为:m t t pm Bt A t t B A dt t t Bt A C +=++=-+=⎰221122121 (5) 这说明,此时气体的平均比热容等于平均温度t m =(t 1+t 2)/2时的定压比热容,因此,可以对某一气体在n 个不同的平均温度t mi 下测出其定压比热容C pmi ,然后根据最小二乘法原理。
《热工学》实验指导书高寿云编南京工业大学城建学院2011年10月5日实验一、气体定压比热测定实验气体定压比热的测定是工程热力学的基本实验之一。
实验中涉及温度、压力、热量(电功)、流量等基本量的测量;计算中用到比热及混合气体(湿空气)方面的基本知识。
本实验的目的是增加热物性实验研究方面的感性认识,促进理论联系实际,以利于培养分析问题和解决问题的能力。
一、实验目的1)了解气体比热测定基本原理和构思。
2)熟悉本实验中的测温、测压、测热、测流量的方法。
3)掌握由基本数据计算出比热值和比热公式的方法。
4)分析本实验产生误差的原因及减小误差的可能途径。
二、实验装置1)整个装置由风机、流量计、比热仪本体、电功率调节及测量系统共四部分组成,如图一所示。
2)比热仪本体如图二所示。
其中1一进口温度计;2一多层杜瓦瓶;3一电热器;4一均流网;5一绝缘垫;6一旋流片;7一混流网;8一出口温度计。
3)空气(也可以是其它气体)由风机经流量计送人比热仪本体,经加热、均流、旋流、混流、测温后流出。
气体流量由节流阀控制,气体出口温度由输入电热器的电压调节。
4)该比热仪可测300℃以下气体的定压比热。
三、测量与计算1)接通电源及测量仪表,选择所需的出口温度计插入混流网的凹槽中。
2)摘下流量计上的温度计,开动风机,调节节流阀,使流量保持在额定值附近。
测出流量计出口空气的干球温度(ot)和湿球温度(w t)。
3)将温度计插回流量计,调节流量,使它保持在额定值附近。
逐渐提高电压,使出口温度升高至予计温度C可以根据下式予先估计所需电功率:τtE∆≈12。
式中W为电功率(瓦);t∆为进出口温度差(℃);τ为每流过10升空气所需时间(秒))。
4)待出口温度稳定后(出口温度在10分钟之内无变化或有微小起伏,即可视为稳定),读出下列数据:每10升气体通过流量计所需时间(τ,秒);比热仪进口温度(t1,℃)和出口温度(t。
,℃);当时应大气压力(B,毫米汞柱)和流量计出口处的表压(h∆,毫米水柱)。
5)根据流量计出口空气的干球温度和温球温度,从湿空气的干湿图查了含湿量(d ,克/公斤干空气),并根据下式计算出水蒸汽的面积成分:622/1622/d d w +=γ图 一6)干空气流量为:skg t h B t h B T R V P Gg o w o o g g w /)15.273()6.13/)(1(106447.4)15.273(27.2910001056.73510)6.13)(1(34+∆+-⨯=+⨯⨯∆+-==-τγτγ7)水蒸汽流量为:()skg t h B t h B T R V P Gw o w o w o w w /)5.273()6.13/(10889.215.27306.4710001056.735106.1334+∆+⨯=+⨯⨯⎪⎭⎫ ⎝⎛∆+==-τγτγ 8)水蒸汽吸收的热量为:Wt t t t G d t G Q w tt t w w 321221210187.4)](00005835.0)(4404.0[)0001167.04404.0(21⨯⨯-+-=+=⎰图 二9)干空气的定压比热为:()())./(|121212k kg W t t G Q Q t t G Q C g wg g t t pm --=-=10)比热随温度的变化关系假定在0~300℃之间,空气的真实定压比热与温度之间近似地有线性关系;则由1t 到2t 的平均比热为:2)(|21122121t t ba t t dtb a C t t tt pm ++=-+=⎰因此,若以221t t +为横坐标,12|t t C cm 为纵坐标,则可根据不同温度范围内的平均比热确定截距a 和斜率b,从而得出比热温度变化的计算式。
四、注意事项1)切勿在无气流通过的情况下使电热器投入工作,以免引起局部过热而损坏比热仪本仪。
2)输入电热器的电压不得超过220伏。
气体出口最高温度不得超过300℃。
3)加热和冷却要缓慢进行,防止温度计和比热仪本体因温度骤升骤降而断裂。
4)停止试验时,应先切断电热器,让风机继续运行十五分钟左右(温度较低时可适应缩短)。
五、数据记录及处理表格2六、对实验结果进行必要的分析实验二、稳态球体法测定粒状材料的导热系数实验一、实验目的1、了解如何用实验方法测定颗粒物质的导热系数。
2、掌握测量壁温的知识及方法。
3、正确使用测量仪表。
二、实验原理:球体法测材料的导热系数是基于等厚度球状壁的一维稳态导热过程,它特别适用于粒状松散材料。
球体导热仪的构造依球体冷却的不同可分为空气自由流动冷却和恒温液体强制冷却两种。
本实验属后一种恒温水冷却液套球体方式。
图1所示球壁的内径直径分别为d 1和d 2(半径为r 1和r 2)。
设球壁的内外表面温度分别维持为t 1和t 2,并稳定不变。
将傅里叶导热定律应用于此球壁的导热过程,得drdt FQ λ-= drdtr 24πλ∙-= W (1) 边界条件为r=r 1 t=t 1r=r 2 t=t 2 由于在不太大的温度范围内,大多数工程材料的导热系数随温度的变化可按直线关系处理,对式(1)积分并代入边界条件,得)(2121t t d d Q m-=δλπ W (2) 或 )(2121t t d d Q m -=πδλ W/m ·℃ (3) 式中 δ——球壁之间材料厚度,δ=(d 2-d 1)/2,m ; 图1 原理图 λm ——t m =(t 1+t 2)/2时球壁之间材料的导热系数。
因此,实验时应测出内外球壁的温度t 1和t 2,然后可由式(3)得出t m 时材料的导热系数λm 。
测定不同t m 下的λm 值,就可获得导热系数随温度变化的关系式。
三、实验设备导热仪本体结构及量测系统示意图如图2所示。
图 2体结构及量测系统示意图本体由两个厚1~2mm的不锈钢球壳1和2组成,内球壳外径d1,外球壳内径d2,在两球壳之间均匀充填粒状散料。
一般d2为175mm,d1为60mm,故充填材料厚为57.5mm,内壳中装有电加热器,它产生的热量将通过球壁充填材料传导至外球壳。
为使内外球壳同心,两球壳之间有支承杆。
外球壳的散热方式一般有两种:一种是以空气自由流动方式(同时有辐射)将热量从外壳带走;另一种是外壳加装冷却液套球,套球中通以恒温水或其他低温液体作为冷却介质。
本实验为水套球结构。
为使恒温液套球的恒温效果不受外界环境温度的影响,在恒温液套球之外再加装一个保温空气套球。
保温空气套与稳态平板法一样,利用球体导热仪的设备亦可测量材料的导温系数。
四、实验方法及数据整理1.球壁腔内的试验材料应均匀地充满整个空腔。
充填前注意测量球壳的直径,充填后应记录试料的质量,以便准确记录试料的容积质量[kg/m3]。
装填试料还应避免碰断内球壳的热电偶及电源线,并特别注意保持内外球壳同心。
2.改变电加热器的电压,即改变导热量,t m将随之发生变化,从而可获得不同t m下的导热系数。
实验应在充分热稳定的条件下记录各项数据。
3.由式(3)计算导热系数。
将测量结果标绘在以λ为纵坐标、t为横坐标的图上。
按λ=λo(1+bt)整理,确定λo及b值,进一步计算实验点与代表线之间的偏差及实验中的各项误差。
五、思考问题1.试分析材料充填不均匀所产生的影响?2.试分析内、外球壳不同心所产生的影响?3.内、外球壳之间有支承杆,试分析这些支承杆的影响?4.如果用空气自由流动冷却的球体试分析室内空气不平静(有风)时会产生什么影响。
5.采用什么方法来判断,检验球体导热过程已达到热稳定状态。
6.采用恒温液套球时,为什么可以把恒温液的温度当作外球壳的表面温度?7.球体导热仪在计算导热量时,是否需要考虑热损的问题?8.对于以空气自由流动冷却的球体,试按测得的数据,计算圆球表面自由对流换热系数(从加热功率中减去表面辐射散热量,即为自由对流换热量。
辐射散热量的计算方法可参见相关教材)。
9.球体导热仪从加热开始,到热稳定状态所需时间取决于哪些因素?实验三、空气横掠单管时平均换热系数的测定实验一、实验目的1、了解实验装置,熟悉空气流速及管壁的温度的测量方法。
掌握测试仪器、仪表的使用方法。
2、通过对实验数据的综合、整理、掌握强制对流换热试验的整理方法。
3、了解空气横掠管子时的换热规律。
二、实验原理:根据对流换热的分析,稳定受迫对流时换热规律中用下列准则关系式来表示: )(r e u 、P R f N =对于空气,温度变化范围又不大,上式中的普朗特数r P 变化很小。
可作为常数看待。
故上式简化为:(Re)f N u =其中:υλα/Re /vd d N u ==式中:α——空气横掠单管时的平均换热系数。
k m w 2/ v ——来流空气的速度m/s D ——定型尺寸,取管子外径m v ——空气的运动粘度s m /2λ——空气的导热系数w/m ·c要通过实验确定空气横向掠过单管时的Nu 与Re 的关系,就需要测定不同流速v 及不同管径D 时换热系数α的变化,故本试验中定管子所处的空气流速。
空气温度,管子表面的温度及管子表表面的散热量。
三、实验设备:试验系统见附图1,本体由风箱1、风箱2、有机玻璃风道3组成,试验用管子为一薄壁不锈钢圆管4、安装在有机玻璃风道中并采用硅整流器直接通电加热,空气横向掠过管子时将电流流过管子所产生的热量以对流换热方式带走,调整整流电源可改变对试验管的加热功率。
试验时Re 应有较大范围的变化。
以保证求得的空气横掠单节换热准则式的准确性。
Re 取决于管子所处空气流速v 及管子直径d 。
V 可通过调风门来改变,而V 的变化范围受到风机压头的限制,故可采用不同直径之管子作为试验管就可以达到大的Re 变化范围。
因此,我们在试验时可用直径不同的管子在不同空气速度的条件下进行。
最后将试验结果整理求得换热准则关系式。
四、测试方法,试验步聚及注意事项:空气来流速度由放在风道中的毕托管7通过倾斜式微压计8测试试验段中空气来流动压力头h ∆后计算得出。
试管上的加热功率由试验管段内的电压降U 及流过试验管的工作电流I,两者之积得出,U 、I 分别经分箱9及串联的标准电阻12,通过电位差计得出。
实验管壁温度w t 由电位差计指示出的温差f w t t -及空气流的温度f t 求得。
试验时对每一种直径的管子,空气流速可调整4个工况。
加热电流可根据管子直径及风速大小适当调整。
保持管壁与空气间有适当的温差。
每调整一个工况须待微压计。
热电偶读数等稳定后方能测量各有关数据。
将各部导线接好,并经指导教师或实验人员的检查后,方可进行试验。
试验时要先开风机。
后开整流电源,开整流电源之前要将调压柄转于输出电压零位处。
而后逐渐升压。
对于单管,所调电流有一定限制。