江苏省示范监理项目评分表
- 格式:doc
- 大小:377.00 KB
- 文档页数:14
表A 项目监理机构前期筹办工作单项评分表
评分人员: 考核日期: 年月日
表B 施工准备阶段监理工作单项评分表
评分人员: 考核日期: 年月日
表C 工程施工阶段监理工作单项评分表
评分人员: 考核日期: 年月日
表D 工程竣工验收阶段监理工作单项评分表
评分人员: 考核日期: 年月日
表E 施工协议管理单项评分表
评分人员: 考核日期: 年月日
表F 监理资料旳管理工作单项评分表
评分人员: 考核日期: 年月日
表G 项目监理机构工作评价总表工程监理单位名称:
工程项目监理机构名称:
工程项目专业类别等级:
项目总监理工程师姓名及其执业证书号:
参与评价人员:。
江省示监理项目评分表(600分)
表A 项目监理机构前期筹备工作单项评分表
工程项目名称:监理单位名称:编号:
日
表B 施工准备阶段监理工作单项评分表
工程项目名称:监理单位名称:编号:
月日
表C 工程施工阶段监理工作单项评分表
工程项目名称:监理单位名称:编号:
评分人员:考评日期:年月日
表D 工程竣工验收阶段监理工作单项评分表
日
表E 施工合同管理单项评分表
工程项目名称:监理单位名称:编号:
日
表F 监理资料的管理工作单项评分表
工程项目名称:编号:
评分人员:考评日期:年月日。
附件1:
省示范监理项目检查用表
备注:1、考评总分为500分。
各分项的“实得分”等于分项“应得分”减去“实扣分”。
2、遇有考核项目为合理缺项时,该考评表实得总分按下式计算:
考核实得总分=实际考核项目各分项实得分之和/实际考核项目各分项应得分之和×500。
3、考核实得总分400分及以上的项目方可入围评比省示范监理项目。
附件2:
工程创建“省示范监理项目”公示
工程,经审核,符合创“省示范监理项目”申报条件。
现在《江苏省建设工程监理信息管理系统》上公示,接受社会监督。
工程基本情况:监理单位:,工程投资万元,监理取费万元,工程等级等,工程地点,开工日期,竣工日期,工期天。
总监姓名,专监姓名、、。
建设局(委)
年月日
附件3:
推荐上报创建“省示范监理项目”名单
市建设局(委)(盖章):年月日。
苏建函建管〔2011〕757号关于印发《江苏省项目监理机构工作评价标准》的通知各市建设局(委),苏州工业园区规划建设局,各监理企业:为进一步规范监理市场行为,提升监理规范化管理水平,提高监理现场工作质量,我厅组织编制了《江苏省项目监理机构工作评价标准》,现印发你们,请遵照执行。
2012年1月1日起,凡申报创建江苏省示范监理项目的,将依据《江苏省项目监理机构工作评价标准》对创建项目进行考核。
项目监理机构须依据本评价标准,对相应各阶段的工作进行自我评价,监理企业须对项目监理机构各个阶段的工作质量进行考核并作出评价,各地住房城乡建设行政主管部门须组织专家对整个项目作出综合评价,综合评价结果优秀的,上报省厅考核。
附件:江苏省项目监理机构工作评价标准二○一一年十月二十七日抄送:住房城乡建设部建筑市场监管司。
江苏省项目监理机构工作评价标准江苏省住房与城乡建设厅二O一一年十月目录1、总则2、评价程序3、单项评分表的评价方法4、评价等级表A 项目监理机构前期筹备工作单项评分表表B 施工准备阶段的监理工作单项评分表表C 工程施工阶段的监理工作单项评分表表D 工程竣工验收阶段的监理工作单项评分表表E 施工合同管理单项评分表表F 监理资料的管理工作单项评分表表G 项目监理机构工作评价总表1 总则1.1 为加强江苏省建设工程监理工作的标准化、规范化管理,提高项目监理机构的工作水平,科学、客观、公正地评价建设工程项目监理机构的工作质量和监理单位的履约能力,依据《建筑法》、《建设工程质量管理条例》、《建设工程安全生产管理条例》、《建设工程监理规范》及《关于进一步加强我省建设工程监理管理的若干意见》(苏建工[2007]168号)等法律、法规和规范性文件,并结合我省建设工程监理工作实际,制定本标准。
1.2 本标准适用于江苏省建设工程项目监理机构工作的评价与考核。
1.3 本标准对项目监理机构工作的评价,包括了组织机构与人员配备、监理服务情况、工作质量、工作绩效等内容,从而形成对项目监理机构工作水平的综合评价。
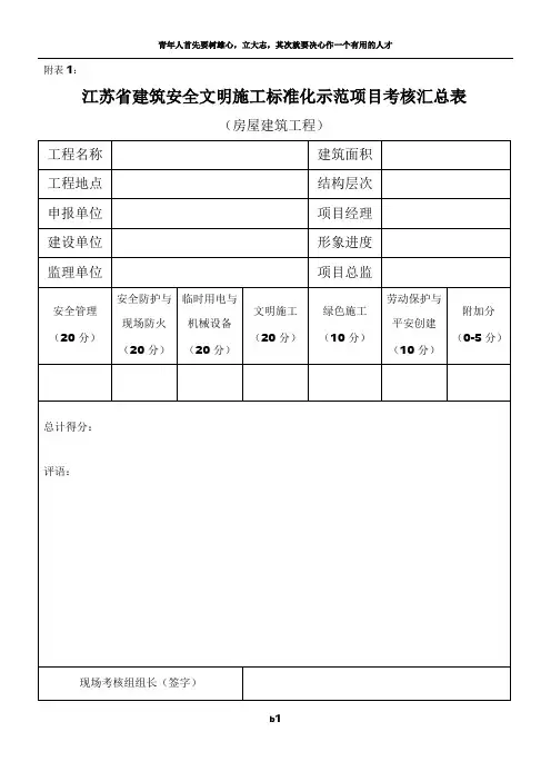
附表1:
江苏省建筑安全文明施工标准化示范项目考核汇总表
(房屋建筑工程)
注:在标准化示范项目创建中使用具有引导性作用的信息管理和技术手段,并取得较好的应用效果的,考核组集体讨论后,向评审组织部门推荐提出加分申请,并在评语中作出说明。
表一:现场安全管理考核评分表
(房屋建筑工程)
项目名称:项目经理:
注:★项目为保证项目,缺少保证项目的工地不得参评。
表二:现场安全防护考核评分表
(房屋建筑工程)
项目名称:项目经理:
注:★项目为保证项目,缺少保证项目的工地不得参评。
表三:临时施工用电、机械设备考核评分表
(房屋建筑工程)
项目名称:项目经理:
注:★项目为保证项目,缺少保证项目的工地不得参评。
表四:现场文明施工考核评分表
(房屋建筑工程)
项目名称:项目经理:
注:★项目为保证项目,缺少保证项目的工地不得参评。
表五:现场绿色施工考核评分表
(房屋建筑工程)
项目名称:
项目经理:
表六:劳动保护与平安创建考核评分表
(房屋建筑工程)
项目名称:项目经理:
注:★项目为保证项目,缺少保证项目的工地不得参评。
信你自己罢!只有你自己是真实的,也只有你能够创造你自己。
表A 项目监理机构前期筹备工作单项评分表
工程项目名称:监理单位名称:编号:
评分人员:考评日期:年月日
表B 施工准备阶段监理工作单项评分表
工程项目名称:监理单位名称:编号:
评分人员:
考评日期:年月日
表C 工程施工阶段监理工作单项评分表
工程项目名称:监理单位名称:编号:
评分人员:考评日期:年月日
表D 工程竣工验收阶段监理工作单项评分表
工程项目名称:监理单位名称:编号:
评分人员:
考评日期:年月日
表E 施工合同管理单项评分表
工程项目名称:监理单位名称:编号:
评分人员:考评日期:年月日
表F 监理资料的管理工作单项评分表
工程项目名称:编号:
评分人员:考评日期:年月日
表G 项目监理机构工作评价总表工程监理单位名称:
工程项目监理机构名称:
工程项目专业类别等级:
项目总监理工程师姓名及其执业证书号:
参加评价人员:。
表A 项目监理机构前期筹备工作单项评分表
工程项目名称:监理单位名称:编号:
评分人员:考评日期:年月日
表B 施工准备阶段监理工作单项评分表
工程项目名称:监理单位名称:编号:
评分人员:
考评日期:年月日
表C 工程施工阶段监理工作单项评分表
工程项目名称:监理单位名称:编号:
评分人员:考评日期:年月日
表D 工程竣工验收阶段监理工作单项评分表工程项目名称:监理单位名称:编号:
评分人员:
考评日期:年月日
表E 施工合同管理单项评分表
工程项目名称:监理单位名称:编号:
评分人员:考评日期:年月日
表F 监理资料的管理工作单项评分表
工程项目名称:编号:
评分人员:考评日期:年月日
表G 项目监理机构工作评价总表工程监理单位名称:
工程项目监理机构名称:
工程项目专业类别等级:
项目总监理工程师姓名及其执业证书号:
参加评价人员:。
附件1:
省示范监理项目检查用表
备注:1、考评总分为500分..各分项的“实得分”等于分项“应得分”减去“实扣分”..
2、遇有考核项目为合理缺项时;该考评表实得总分按下式计算:
考核实得总分=实际考核项目各分项实得分之和/实际考核项目各分项应得分之和×50 3、考核实得总分400分及以上的项目方可入围评比省示范监理项目..
附件2:
工程创建“省示范监理项目”公示
工程;经审核;符合创“省示范监理项目”申报条件..现在江苏省建设工程监理信息管理系统上公示;接受社会监督..
工程基本情况:监理单位: ;工程投资万元;监理取费万元;工程等级等;工程地点 ;开工日期;竣工日期;工期天..总监姓名 ;专监姓名、、 ..
建设局委
年月日
附件3:
推荐上报创建“省示范监理项目”名单
市建设局委盖章:年月日。
江苏省示范监理项目评分表(600分)
表A 项目监理机构前期筹备工作单项评分表
评分人员:考评日期:年月日
表B 施工准备阶段监理工作单项评分表
工程项目名称:监理单位名称:编
评分人员:考评日期:年月日
表C 工程施工阶段监理工作单项评分表
工程项目名称:监理单位名称:编号:
评分人员:考评日期:年月日
表D 工程竣工验收阶段监理工作单项评分表
日
表E 施工合同管理单项评分表
评分人员:考评日期:年月日
表F 监理资料的管理工作单项评分表
评分人员:考评日期:年月日。