梯形钢屋架设计跨度为30米
- 格式:docx
- 大小:20.36 KB
- 文档页数:1
《钢结构设计》课程设计设计名称钢屋架设计学院水土保持学院专业土木工程班级土木0-班学号00 4姓名指导教师2011年6月18日目录第一节钢结构课程设计题目2第二节钢屋架设计计算3一、屋架类型 3二、钢材及焊条 (3)三、屋架形式及几何尺寸 3四、支撑布置 4五、荷载和内力计算1. 荷载计算 52. 荷载组合 53. 内力计算7六、杆件截面设计1. 上弦杆102. 下弦杆113. 端斜杆124. 斜腹杆135. 竖杆14七、节点设计1. 下弦节点b 172. 上弦节点B 183. 屋脊节点K 194. 下弦跨中节点f 205. 支座节点a 21第一节钢结构课程设计题目一、设计题目某30m跨度热加工车间钢屋架设计。
二、设计任务与要求1.选择钢屋架的材料。
2.屋架选型;确定各杆件截面形式、计算长度和节点形式。
3.屋架及屋盖支撑的布置及布置图;4.荷载计算及内力分析;5.各杆件截面设计(包括计算过程和非拷贝的计算简图)。
6.节点设计(包括支座设计。
包括计算过程和非拷贝的计算简图)。
7.设计要求(1)完成计算书一套(应有封面和目录)。
(2)按制图规范绘制钢屋架施工图(电子拷贝图不能计分)及材料表。
(3)计算书书写工整,图纸布局均匀、图面整洁,线型正确,比例适当。
8.最晚放假前2周,提交纸质文本和手绘图件(A2)或提交电子文本与CAD 图件)。
e-mail:三、设计资料某一热加工车间,跨度30m,车间长度90m,柱距6m。
车间设有二台20/5t桥式吊车,中级工作制(JC25%),一端设有5t和3t的锻锤各一台。
当地计算温度高于―20℃。
地震设防烈度8度。
屋面采用1.5×6m预应力大型屋面板(为无檁体系)。
上铺80mm厚泡沫混凝土保温层;三毡四油防水层;屋面坡度为1/10;当地雪荷载为0.3kN/m2。
屋架铰接在钢筋混凝土柱上,上柱截面b×h=400×600mm,混凝土强度等级为C20。
钢结构课程设计班级:姓名:学号:指导老师:2013年12月30日梯形钢屋架课程设计一、设计资料(1) 题号72,屋面坡度1:10,跨度30m ,长度102m ,,地点:哈尔滨,基本风压:0.45kN/m 2,基本雪压:0.45 kN/m 2。
该车间内设有两台200/50kN 中级工作制吊车,轨顶标高为8.000m 。
(2) 采用1.5m ×6m 预应力混凝土大型屋面板,80mm 厚泡沫混凝土保护层,卷材屋面,屋面坡度i=1/10。
屋面活荷载标准值0.7kPa ,血荷载标准值为0.1 kN/m 2,积灰荷载标准值为0.6 kN/m 2。
屋架绞支在钢筋混凝土柱上,上柱截面为400mm ×400mm 。
(3) 混凝土采用C20,,钢筋采用Q235B 级,焊条采用 E43型。
(4) 屋架计算跨度:l 0=30m-2×0.15m=29.7m(5) 跨中及端部高度:采用无檩无盖方案。
平坡梯形屋架,取屋架在30m 轴线处的端部高度m h 210.20=',屋架的中间高度h=3.710(为lo/8)。
屋架跨中起拱按500/0l 考虑,取60mm 。
二、结构形式与布置屋架形式及几何尺寸如下图:梯形钢屋架支撑布置如下图:1、荷载计算屋面荷载与雪荷载不会同时出现,计算时取较大值进行计算,故取屋面活荷载0.7 kN/m 2进行计算。
屋架沿水平投影面积分布的自重(包括支撑)按经验公式2(0.120.011)/k g l kN m =+(1) 全跨永久荷载+全跨可变荷载:kN F 629.5565.1)82.1361.4(=⨯⨯+=(2) 全跨永久荷载+半跨可变荷载 全跨节点永久荷载:kN F 249.3965.1361.41=⨯⨯=半跨节点可变荷载:kN F 38.1665.182.12=⨯⨯=(3)全跨屋架(包括支撑)自重+半跨屋面板自重+半跨屋面活荷载 全跨节点屋架自重:kN F 47.565.1608.03=⨯⨯=半跨接点屋面板自重及活荷载:kN F 83.2565.1)98.089.1(4=⨯⨯+=(1)、(2)为使用节点荷载情况,(3)为施工阶段荷载情况。
30m梯形钢屋架结构设计目录一、设计计算资料 (3)二、屋架几何尺寸的确定 (3)三、屋盖支撑布置 (5)四、荷载计算 (7)五、屋架杆件内力计算与组合 (7)六.屋架节点板厚度,杆件截面选择和填板设置。
(10)六、节点设计 (16)七、说明 (19)一、设计计算资料1. 车间平面尺寸为144m×30m ,柱距9m ,跨度为30m ,柱网采用封闭结合。
车间内有两台15t/3t 中级工作制软钩桥式吊车。
2. 屋面采用长尺复合屋面板,板厚50mm ,檩距不大于1800mm 。
檩条采用冷弯薄壁卷边槽钢C200×70×20×2.5,屋面坡度i =l /20~l /8。
3. 钢屋架简支在钢筋混凝土柱顶上,柱顶标高9.000m ,柱上端设有钢筋混凝土连系梁。
上柱截面为400mm×400mm ,所用混凝土强度等级为C30,轴心抗压强度设计值f c =14.3N /mm 2。
抗风柱的柱距为6m ,上端与屋架上弦用板铰连接。
4. 钢材用 Q235-B ,焊条用 E43系列型。
5. 屋架采用平坡梯形屋架,无天窗,外形尺寸如下图所示。
6. 该车间建于杭州近郊。
7. 屋盖荷载标准值:(l) 屋面活荷载 0.50 kN /m 2(2) 基本雪压 s 0 0.45 kN /m 2(3) 基本风压 w 0 0.45 kN /m 2 (4) 复合屋面板自重 0.15 kN /m 2 (5) 檩条自重 查型钢表 (6) 屋架及支撑自重 0.12+0. 01l kN /m 2 8. 运输单元最大尺寸长度为15m ,高度为4.0m 。
二、屋架几何尺寸的确定1.屋架杆件几何长度屋架的计算跨度mm L l 29700300300003000=-=-=,端部高度取mmH 15000=跨中高度为mm 2243H ,5.224220229700150020==⨯+=+=取mm L i H H 。
钢结构课程设计班级:姓名:学号:指导老师:201X年 12月 30日梯形钢屋架课程设计一、设计资料(1) 题号72,屋面坡度1:10,跨度30m ,长度102m ,,地点:哈尔滨,基本风压:0.45kN/m 2,基本雪压:0.45 kN/m 2。
该车间内设有两台200/50kN 中级工作制吊车,轨顶标高为8.000m 。
(2) 采用1.5m ×6m 预应力混凝土大型屋面板,80mm 厚泡沫混凝土保护层,卷材屋面,屋面坡度i=1/10。
屋面活荷载标准值0.7kPa ,血荷载标准值为0.1 kN/m 2,积灰荷载标准值为0.6 kN/m 2。
屋架绞支在钢筋混凝土柱上,上柱截面为400mm ×400mm 。
(3) 混凝土采用C20,,钢筋采用Q235B 级,焊条采用 E43型。
(4) 屋架计算跨度:l 0=30m-2×0.15m=29.7m(5) 跨中及端部高度:采用无檩无盖方案。
平坡梯形屋架,取屋架在30m 轴线处的端部高度m h 210.20=',屋架的中间高度h=3.710(为lo/8)。
屋架跨中起拱按500/0l 考虑,取60mm 。
二、结构形式与布置屋架形式及几何尺寸如下图:梯形钢屋架支撑布置如下图:1、荷载计算屋面荷载与雪荷载不会同时出现,计算时取较大值进行计算,故取屋面活荷载0.7 kN/m2进行计算。
屋架沿水平投影面积分布的自重(包括支撑)按经验公式2(0.120.011)/k g l kN m =+计算,跨度单位为米(m )。
荷载计算表如下:荷载名称标准值(kN/m 2)设计值(kN/m 2) 预应力混凝土大型屋面板 1.41.4×1.35=1.89三毡四油防水层 0.4 0.4×1.35=0.54 找平层(厚20mm) 0.2×20=0.4 0.4×1.35=0.54 80厚泡沫混凝土保护层 0.08×6=0.480.48×1.35=0.648 屋架和支撑自重 0.12+0.011×030=0.450.45×1.35=0.608 管道荷载 0.1 0.1×1.35=0.135永久荷载总和 3.23 4.361 屋面活荷载 0.7 0.7×1.4=0.98 积灰荷载 0.6 0.6×1.4=0.84可变荷载总和 1.31.82设计屋架时,应考虑以下三种荷载组合 (1) 全跨永久荷载+全跨可变荷载:kN F 629.5565.1)82.1361.4(=⨯⨯+=(2) 全跨永久荷载+半跨可变荷载 全跨节点永久荷载:kN F 249.3965.1361.41=⨯⨯=半跨节点可变荷载:kN F 38.1665.182.12=⨯⨯=(3)全跨屋架(包括支撑)自重+半跨屋面板自重+半跨屋面活荷载 全跨节点屋架自重:kN F 47.565.1608.03=⨯⨯=半跨接点屋面板自重及活荷载:kN F 83.2565.1)98.089.1(4=⨯⨯+=(1)、(2)为使用节点荷载情况,(3)为施工阶段荷载情况。
钢结构课程设计-、设计资料1、已知条件:梯形钢屋架跨度30m,长度72m,柱距6m。
该车间内设有两台200/50 kN中级工作制吊车,轨顶标高为8.000 m。
冬季最低温度为-20℃,地震设计烈度为6度,设计基本地震加速度为0.1g。
采用1.5m×6m预应力混凝土大型屋面板,80mm厚泡沫混凝土保温层,卷材屋面,屋面坡度i=1/10。
屋面活荷载标准值为0.7 kN/m2,雪荷载标准值为0.65 kN/m2。
屋架铰支在钢筋混凝土柱上,上柱截面为400 mm×400 mm,混凝土标号为C25。
钢材采用Q235B级,焊条采用E43型。
2、屋架计算跨度:Lo=30-2×0.15=29.7m,3、跨中及端部高度:端部高度:h`=1900mm(轴线处),h=1915mm(计算跨度处)。
屋架的中间高度h=3400mm,屋架跨中起拱按Lo/500考虑,取60mm。
二、结构形式与布置图1 屋架形式及几何尺寸符号说明:GWJ-(钢屋架);SC-(上弦支撑):XC-(下弦支撑);CC-(垂直支撑);GG-(刚性系杆);LG-(柔性系杆)图2 屋架支撑布置图三、荷载与内力计算1.荷载计算荷载与雪荷载不会同时出现,故取两者较大的活荷载计算。
永久荷载标准值SBS改型沥青油毡防水层0.40kN/㎡找平层(20mm厚水泥砂浆)0.02×20=0.40kN/㎡保温层(100mm厚水泥珍珠岩)0.1×6=0.6kN/㎡隔气层(冷底子油)0.05 kN/㎡混凝土大型屋面板(包括灌浆) 1.40kN/㎡钢屋架和支撑自重0.12+0.011×30=0.45kN/㎡管道设备自重0.10 kN/㎡总计 3.23kN/㎡`可变荷载标准值屋面活荷载0.70 kN/㎡积灰荷载0.60kN/㎡总计 1.3kN/㎡永久荷载设计值 1.35×3.23=4.36kN/㎡可变荷载设计值 1.4×1.3=1.82kN/㎡2.荷载组合设计屋架时,应考虑以下三种组合:①全跨永久荷载+全跨可变荷载全跨节点永久荷载及可变荷载:F=(4.36+1.82) ×1.5×6=55.62kN②全跨永久荷载+半跨可变荷载全跨节点永久荷载:F1=4.36×1.5×6=39.24 kN半跨节点可变荷载:F2=1.82×1.5×6=16.38 kN③全跨屋架及支撑自重+半跨大型屋面板重+半跨屋面活荷载全跨节点屋架及支撑自重:F3 =0.45×1.35×1.5×6=5.47kN半跨大型屋面板重及活荷载:F4=(1.4×1.35+0.7×1.4) ×1.5×6= 25.83kN 3.内力计算四、杆件截面设计腹杆最大内力,N=-630.83KN ,由屋架节点板厚度参考可知:支座节点板刚度取14mm ;其余节点板与垫板厚度取12mm 。
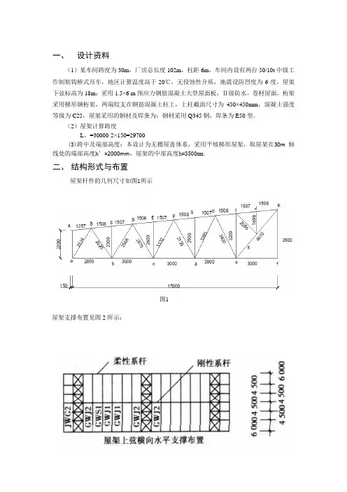
一、设计资料(1)某车间跨度为30m,厂房总长度102m,柱距6m,车间内设有两台50/10t中级工作制软钩桥式吊车,地区计算温度高于-20℃,无侵蚀性介质,地震设防烈度为6度,屋架下弦标高为18m;采用1.5×6 m预应力钢筋混凝土大型屋面板,Ⅱ级防水,卷材屋面,桁架采用梯形钢桁架,两端铰支在钢筋混凝土柱上,上柱截面尺寸为450×450mm,混凝土强度等级为C25,屋架采用的钢材及焊条为:钢材采用Q345钢,焊条为E50型。
(2)屋架计算跨度L。
=30000-2×150=29700(3)跨中及端部高度:本设计为无檩屋盖体系,采用平坡梯形屋架,取屋架在30m 轴线处的端部高度h’=2000mm,屋架的中部高度h=3500mm.二、结构形式与布置屋架杆件的几何尺寸如图1所示图1屋架支撑布置见图2所示:图2三、荷载与内力计算1、荷载计算永久荷载:改性沥青防水层0.4kN/m220厚1:2.5水泥砂浆找平层0.4kN/m2150厚加气混凝土保温层0.9kN/m2预应力混凝土大型屋面板(包括灌缝) 1.4kN/m2悬挂管道0.10N/m2屋架和支撑自重为0.120+0.011x30=0.45kN/m2 总和 3.65kN/m2可变荷载基本风压:0.40 kN/m2基本雪压:(不与活荷载同时考虑)0.5kN/m2积灰荷载0.7kN/m2不上人屋面活荷载0.7kN/m2总和 1.4kN/m2永久荷载设计值 1.2×3.65KN/㎡=4.38KN/㎡可变荷载设计值 1.4×1.4KN/㎡=1.96KN/㎡屋面坡度不大,对荷载影响小,未予考虑。
风荷载对屋面为吸力,重屋盖可不考虑。
2.荷载组合:设计屋架时应考虑以下三种组合:组合一全跨永久荷载+全跨可变荷载屋架上弦荷载P=(4.38KN/㎡+1.96KN/㎡) ×1.5×6=57.06KN组合二全跨永久荷载+半跨可变荷载屋架上弦荷载P1=4.38KN/㎡×1.5×6=39.42KNP2=1.96KN/㎡×1.5×6=17.64KN组合三全跨屋架及支撑自重+半跨大型屋面板自重+半跨屋面活荷载屋架上弦荷载P3=0.45KN/㎡×1.2×1.5×6=4.86KNP4=(1.4×1.2+0.7×1.4)×1.5×6=23.94KN四、内力计算用图解法或数解法皆可算出屋架杆件在全跨荷载作用下的内力,如表4.1 所示。
普通梯形钢屋架设计(2)-3说明书摘要:本说明书针对内蒙古工业大学钢结构课设-普通梯形钢屋架(2)-3方案编制。
屋架位于北京地区,抗震设防烈度8度,建筑面积324㎡,厂房长度54m ,跨度30m ,柱距6m 。
包括屋架布置,荷载计算,内力计算,截面设计,节点设计等几个方面的计算设计。
关键词:钢屋架1.设计资料普通梯形钢屋架,采用无檩屋盖体系,梯形钢屋架。
跨度为30m ,柱距6m ,长度为54m 。
,地震设计烈度为8度,1.5m ×6m 轻型混凝土保温屋面板。
屋架铰支在钢筋混凝土柱上,设计荷载标准值见表1(单位:kN/㎡)。
表12.钢材和焊条的选用根据当地区的计算温度、荷载性质和连接方法,屋架刚材采用 Q235B ,要求保证屈服强度 fy 、抗拉强度 fu 、伸长率δ和冷弯实验四项机械性能及硫(S )、磷(P )、碳(C )三项化学成分的合格含量。
焊条采用 E43型,手工焊。
3.屋架形式和几何尺寸屋面材料为轻型混凝土保温屋面板,采用无檩屋盖体系,平坡梯形钢屋架。
屋面坡度。
10/1=i屋架计算跨度。
mm l l 2700015023000015020=⨯-=⨯-= 屋架端部高度取:mm H 18000=。
跨中高度:mm i l H 330010/12/3000018002H 00=⨯+=⋅+=为了使屋架节点受荷,配合屋面板1.5m宽,腹杆体系大部分采用下弦节间水平尺寸为3.0m的人字形式,上弦节间水平尺寸为 1.5m,屋架几何尺寸如图1图1 30米跨屋架几何尺寸4.屋盖支撑布置根据车间长度、跨度及荷载情况,在车间两端 5.5m 开间内布置上下弦横向水平支撑,在设置横向水平支撑的同一开间的屋架两端及跨中布置三道竖向支撑,中间各个屋架用系杆联系,在屋架两端和中央的上、下弦设三道通长系杆,其中:上弦屋脊节点处及屋架支座出的系杆为刚性系杆(图2),安装螺栓采用 C 级,螺杆直径:d=20mm,螺孔直径:d0=21.5mm。
普通钢屋架设计计算书一、教学要求1. 了解普通钢屋架设计的全过程;2. 学习结构施工图的绘制和结构计算书的编制方法3. 了解钢屋盖支撑体系的作用并能正确布置支撑;4. 掌握钢屋架的内力计算、杆件截面选择,节点设计的方法;5. 掌握焊接连接的构造要求。
二、屋架形式及主要尺寸的确定(学号为306,跨度为30m,端部高度为1.95m,坡度为1/11)图一桁架形式及几何尺寸三、支撑布置根据车间长度,屋架跨度,荷载情况,以及吊车设置情况,宜布置三道上、下弦横向水平支撑,垂直支撑和系杆,屋脊节点及屋架支座处沿厂房通长设置刚性系杆,屋架下弦沿跨中通长设一道柔性系杆。
构件编号采用汉语拼音字母,凡与支撑连接的屋架可编号为WJ1,其它编均为WJ2,屋架垂直支撑:CC1、CC2…,屋架上弦水平支撑:SC1、SC2…,屋架下弦水平支撑:XC1、X C2…,刚性系杆:GG1、GG2…,柔性系杆:LG1、LG2…。
图二桁架支撑布置四、屋架内力计算1.计算的基本假定节点均为铰接:所有杆线的轴线均位于同一平面内,且同心交汇与节点;荷载均作用于结点。
2.荷载计算屋面活荷载与雪载一般不会同时出现,由荷载条件知,基本雪压大于屋面活荷载,基本风压不考虑。
沿屋面斜面分布的永久荷载应乘以1/cosα= +换算为沿水平投影面分布的荷载。
桁架沿水平投影面积分布112=11.1004/1的自重(包括支撑)按经验公式(P W=0.12+0.011⨯跨度)计算,跨度单位为m。
标准永久荷载:预应力混凝土大型屋面板2kN=⨯.1m406004.140.1/改性沥青防水层 1.0042=⨯kN402/.040.0m20厚1:2.5水泥砂浆找平层 1.0042/402.040.0m kN =⨯ 80厚加气混凝土保温层 1.0052/482.048.0m kN =⨯ 屋架和支撑自重为 0.12+0.0112/450.030m kN =⨯共 3.2422/m kN 标准可变荷载: 2/70.0m kN 屋面活荷载 3.荷载组合考虑三种组合:(1)全跨永久荷载+全跨可变荷载(按永久效应控制)全跨节点荷载设计值:F=(1.3556.4565.1)7.04.1242.3=⨯⨯⨯+⨯KN (2)全跨永久荷载+半跨可变荷载全跨节点永久荷载设计值: 对结构不利时:F 1.1=1.35kN 39.3965.1242.3=⨯⨯⨯ (按永久荷载为主的组合) F kN 01.3565.1242.32.12.1=⨯⨯⨯= (按可变荷载为主的组合) 对结构有利时:F 65.1247.30.13.1⨯⨯⨯==29.18kN 半跨节点可变荷载设计值:F kN 17.665.1)7.07.0(4.11.2=⨯⨯⨯⨯= (按永久荷载为主的组合) F kN 82.865.17.04.12.2=⨯⨯⨯= (按可变荷载为主的组合)(3)全跨桁架包括支撑+半跨屋面自重+半跨屋面基本雪压(按可变荷载为主的组合)全跨节点桁架自重设计值:对结构不利时:F kN 86.465.145.02.11.3=⨯⨯⨯=对结构有利时:F kN 05.465.145.00.12.3=⨯⨯⨯= 半跨节点屋面板自重及雪压设计值: F kN 94.2365.1)7.04.140.12.1(4=⨯⨯⨯+⨯=(1)、(2)为使用阶段荷载情况,(3)为施工阶段荷载情况。
单层工业厂房屋盖结构—30米跨梯形钢屋架设计1.设计资料:1.1由设计任务书的已知条件:某地一机械加工车间,长102m ,跨度30m ,柱距 6m ,车间内设有两台40/10T 中级工作制桥式吊车,轨顶标高18.5m ,柱顶标高27m ,地震设计烈度7度。
采用梯形钢屋架,封闭结合,1.5×6m 预应力钢筋混凝土大型屋面板(1.43/m kN ),上铺100mm 厚泡沫混凝土保温层(容重为13/m kN ),三毡四油(上铺绿豆砂)防水层(0.43/m kN ),找平层2cm 厚(0.33/m kN ),卷材屋面,屋面坡度i=1/10,屋架简支与钢筋混凝土柱上,混凝土强度等级C20,上柱截面400×400mm 。
钢筋选用Q235B ,焊条采用E43型。
屋面活荷载标准值0.73/m kN ,积灰荷载标准值0.63/m kN ,雪荷载为:0.353/m kN ,风荷载为:0.453/m kN 。
1.2屋架计算跨度:mm m m l 7.2915.02300=⨯-=1.3跨中及端部高度:本题设计为无檩屋盖方案,采用平坡梯形屋架,取屋架在30m 轴线处的端部高度mm h 990.1'0=,屋架的中间高度:mm h 490.3=(为5.8/0l ),则屋架在29.7处,两端的高度为mm h 005.20=。
屋架跨中起拱按500/0l 考虑,取60mm 。
屋架形式及几何尺寸如图所示:图1.梯形钢屋架形式和几何尺寸根据厂房长度(102m>60m)、跨度及荷载情况,设置三道上、下弦横向水平支撑。
因柱网采用封闭结合,厂房两端的横向水平支撑设在第一柱间,该水平支撑的规格与中间柱间支撑的规格有所不同。
在所有柱间的上弦平面设置了刚性与柔性系杆,以保证安装时上弦杆的稳定,在各柱间下弦平面的跨中及端部设置了柔性系杆,以传递山墙风荷载。
在设置横向水平支撑的柱间,于屋架跨中和两端各设一道垂直支撑。
钢结构课程设计所在学院:工程学院专业班级:09土木2班指导教师:******学号:***********钢结构课程设计一、课程设计介绍 (3)1、设计资料 (3)2、设计要求 (3)3、主要参考资料 (3)二、课程设计内容 (4)1、设计资料 (4)2、荷载计算 (4)3、几何尺寸及杆力系数图 (4)4、截面设计 (5)4.1上弦杆 (5)4.2下弦杆 (5)4.3腹杆 (6)5、屋架杆件选用表 (13)6、节点设计 (14)6.1下弦节点“C'” (14)6.2上弦节点“B” (15)6.3屋脊节点“K” (16)6.4普通节点“C” (17)6.5支座节点“A'” (17)三、钢结构施工图 (20)四、课程设计手算书 (21)钢屋盖设计任务书(梯形屋架)一、设计资料某车间(或厂房)跨度L,长度96m,柱距6m,屋盖采用梯形钢屋架,屋面材料为压型钢板复合板,檩条间距1.5m,屋面坡度i = 1/10,屋面活荷载标准值为0.5kN/m2,当地基本风压为0.55kN/m2,屋架简支于钢筋混凝土柱上,混凝土强度等级C30,柱截面400mm×400mm。
其他设计资料如下:二、设计要求计算书:内容应详尽,主要内容应包括:设计任务书,材料选择,屋架形式、几何尺寸,支撑布置,荷载汇集,杆件内力计算及组合,杆件截面选择,典型节点设计(屋脊、跨中拼接节点,上下弦节点)等。
图纸:应符合制图规范及要求,表达应完整;绘制要求:主要图面应绘制正面图、上下弦平面图,必要的侧面图、剖面图,以及某些安装节点或特殊零件的大样图;在图的左上角绘制屋架简图,并注明杆件几何长度(左半跨)及杆件内力设计值(右半跨),图面右侧应绘制材料表及编写有关文字说明,如钢材型号、(注:采用A1图纸594mm×841mm)附加说明、焊条型号、焊接方法、质量要求等。
三、主要参考资料1. 戴国欣主编.钢结构(第三版).武汉:武汉理工大学出版社,20072. 夏志斌,姚谏.钢结构—原理与设计.北京:中国建筑工业出版社,20043. 张耀春主编.钢结构设计原理.北京:高等教育出版社,20044. 汪一骏等.钢结构设计手册(第三版).北京:中国建筑工业出版社,20045. 建筑结构荷载规范(GB50009—2001 )6. 钢结构设计规范(GB50017—2003)7. 建筑结构制图标准(GB/T50105—2001)钢结构课程设计一、设计资料 1、结构形式某车间(或厂房)跨度30m ,长度96m ,柱距6m ,屋盖采用梯形钢屋架,屋面材料为压型钢板复合板,檩条间距1.5m ,屋面坡度i = 1/10,屋面活荷载标准值为0.5kN/m 2,当地基本风压为0.50kN/m 2,屋架简支于钢筋混凝土柱上,混凝土强度等级C30,柱截面400mm ×400mm 。
1.工程概况1.1.工程简介3号汽机房屋面结构采用梯形钢屋架上覆复合压型钢板,其中屋架跨度30.0m,屋架下弦标高+26.200m,共10榀,每榀屋架间由横向水平支撑及纵向垂直支撑联结成整体,屋架钢结构材质均选用Q235B,采用喷砂除锈,除锈等级Sa2.0,焊缝质量等级Ⅱ级。
钢屋架选自国家建筑标准图籍《梯形钢屋架》(05G511)中GWJ30-3A1、GWJ30-3A3(根据东北电力设计院F180ⅡS-T0215图纸,第15号杆件由L63x5变更为L75x5,在制作中应予以注意),屋架上弦选用L200x125x12角钢制作,下弦选用L180x110x12角钢制作,每榀桁架重5.09t,由两片梯形屋架采用M20普通螺栓组成整体。
1.2.主要工程量1.3.2007年9月1日完成钢屋架制作2.施工应具备的条件⑴图纸会检完毕,施工方案编写完成并报监理审批完毕并组织有关人员进行学习和技术交底,焊工必须经过培训合格,持岗位合格证上岗。
⑵进厂各类钢材根据材料需用计划准备充足,同时完成必要的复试、检验。
⑶钢煤斗制作基本完毕,制作钢屋架的场地满足施工要求。
2.施工主要机具及材料2.1.施工主要机具2.2.施工主要材料3.3.1.施工总体部署⑴屋架在钢结构加工厂制作成形,由于屋架总长30m,考虑到现场的道路情况,单榀屋架分两片制作,每片长15m,在主厂房A列外搭设临时组装平台进行钢屋架组装。
⑵钢屋架的构件加工、喷砂、除锈、刷漆均在钢结构加工厂完成,现场组装厂只进行屋架及构件的螺栓组装。
考虑到屋架安装的精度要求,单元组间的联系杆的节点板在吊装完毕后现场焊接。
⑶根据吊装方案,在组装厂将相临两榀桁架及桁架的所有纵向垂直支撑、横向组装成一个单元组(1-2轴、3-4轴、5-6轴、7-8轴、9-10轴)一次吊装,各单元组间的联系杆件现场安装。
⑷屋架的上、下弦的角钢接头形式采用型钢的标准接头。
3.2.施工步骤原材料的验收→加工准备及下料→零件加工→小装配 (小拼)→总装配 (总拼)→屋架焊接→支撑连接板,檩条、支座角钢装配、焊接→验收→除锈、油漆、编号3.3.施工方法☆根据《工程建设标准强制性条文》的有关规定:⑴焊接材料的品种、规格、性能等应符合现行国家产品标准和设计要求。
钢结构设计——课程作业二、梯形钢屋架结构1.设计资料某车间长度180 m,柱距 6 m。
车间内设有两台 20/5T 中级工作制吊车。
计算温度高于-20℃,地震设防烈度为 7 度。
采用 1.5×6m 预应力钢筋混凝土大型屋面板,8cm 厚泡沫混凝土保温层,卷材屋面。
雪荷载为 0.4,积灰荷载为 0.75。
屋架简支于钢筋混凝土柱上,上柱截面为 400×400,混凝土标号为 C20。
要求进行屋架设计计算。
2.屋架形式及荷载无檩屋盖方案,屋面坡度i =1/10,采用平坡梯形屋架。
屋架计算跨度为=L-300=29700mm,端部高度取=1715mm,中部高度H=3200mm。
根据建造地区的计算温度和荷载性质,钢材选用 Q235-B,焊条采用 E43 型,手工焊。
恒载标准值:二毡三油上铺小石子 0.35找平层(2cm 厚) 0.40泡沫混凝土保温层(8cm 厚) 0.50预应力混凝土大型屋面板(含灌缝) 1.40钢屋架和支撑自重 0.12+0.011×L管道设备自重 0.10活荷载标准值: 0.70雪荷载标准值: 0.50积灰荷载标准值: 0.753. 设计计算内容设计屋架时,跨度30m 计算;按“全跨屋架及支撑自重+半跨大型屋面板自重+半跨屋面活荷载”计算内力,并在屋架示意图上标出内力值。
【符号说明】:预应力混凝土大型屋面板(含灌缝)荷载设计值:钢屋架和支撑自重荷载设计值:活载设计值:混凝土大型屋面板自重等效到节点荷载设计值:钢屋架和支撑自重荷载等效到节点荷载设计值:活荷载等效到节点的荷载设计值“①”表示由永久荷载效应控制的组合,即永久荷载分项系数取1.35;“②”表示由可变荷载效应控制的组合,即永久荷载分项系数取1.2。
【解】水平投影面1m×1m时,其相应屋面斜面积为1m×1m/cosα,α为屋面及水平面夹角。
由已知数值算得本题α=5.71°,cosα=0.995 。
一、设计资料(1)某车间跨度为30m,厂房总长度102m,柱距6m,车间内设有两台50/10t中级工作制软钩桥式吊车,地区计算温度高于-20℃,无侵蚀性介质,地震设防烈度为6度,屋架下弦标高为18m;采用1.5×6 m预应力钢筋混凝土大型屋面板,Ⅱ级防水,卷材屋面,桁架采用梯形钢桁架,两端铰支在钢筋混凝土柱上,上柱截面尺寸为450×450mm,混凝土强度等级为C25,屋架采用的钢材及焊条为:钢材采用Q345钢,焊条为E50型。
(2)屋架计算跨度L。
=30000-2×150=29700(3)跨中及端部高度:本设计为无檩屋盖体系,采用平坡梯形屋架,取屋架在30m 轴线处的端部高度h’=2000mm,屋架的中部高度h=3500mm.二、结构形式与布置屋架杆件的几何尺寸如图1所示图1屋架支撑布置见图2所示:图2三、荷载与内力计算1、荷载计算永久荷载:改性沥青防水层0.4kN/m220厚1:2.5水泥砂浆找平层0.4kN/m2150厚加气混凝土保温层0.9kN/m2预应力混凝土大型屋面板(包括灌缝) 1.4kN/m2悬挂管道0.10N/m2屋架和支撑自重为0.120+0.011x30=0.45kN/m2 总和 3.65kN/m2可变荷载基本风压:0.40 kN/m2基本雪压:(不与活荷载同时考虑)0.5kN/m2积灰荷载0.7kN/m2不上人屋面活荷载0.7kN/m2总和 1.4kN/m2永久荷载设计值 1.2×3.65KN/㎡=4.38KN/㎡可变荷载设计值 1.4×1.4KN/㎡=1.96KN/㎡屋面坡度不大,对荷载影响小,未予考虑。
风荷载对屋面为吸力,重屋盖可不考虑。
2.荷载组合:设计屋架时应考虑以下三种组合:组合一全跨永久荷载+全跨可变荷载屋架上弦荷载P=(4.38KN/㎡+1.96KN/㎡) ×1.5×6=57.06KN组合二全跨永久荷载+半跨可变荷载屋架上弦荷载P1=4.38KN/㎡×1.5×6=39.42KNP2=1.96KN/㎡×1.5×6=17.64KN组合三全跨屋架及支撑自重+半跨大型屋面板自重+半跨屋面活荷载屋架上弦荷载P3=0.45KN/㎡×1.2×1.5×6=4.86KNP4=(1.4×1.2+0.7×1.4)×1.5×6=23.94KN四、内力计算用图解法或数解法皆可算出屋架杆件在全跨荷载作用下的内力,如表4.1 所示。
1设计资料某单跨单层厂房,跨度L=30,长度54m,柱距6m,厂房内无吊车、无振动设备,屋架采用梯形钢桁架,铰接于混凝土柱上,上柱截面尺寸为400*400,屋面采用1.5×6.0m太空轻质大型屋面板。
屋面坡度i=1/11,雪荷载为0.30kN/m2,钢材采用Q235-BF,焊条采用E43型,手工焊。
柱网布置如图1所示。
图1 柱网布置图2屋架形式、尺寸、材料选择及支撑布置采用平坡梯形屋架,i=1/11,屋架计算跨度,端部高度取,中部高度取,根据荷载性质,钢材可采用Q235-BF,屋架连接方法采用焊接,焊条可选用E43型,手工焊。
根据车间长度、屋架跨度和荷载情况,设置上、下弦横向水平支撑、垂直支撑和系杆,如下图所示。
屋脊节点及屋架支座处沿厂房通长设置刚性系杆,屋架下弦沿跨中通长设一道柔性系杆。
凡与支撑连接的屋架可编号为GWJ—2,其它编号均为GWJ—l。
3荷载和内力计算3.1永久荷载标准值大型屋面板0.902 kN/m2防水层0.10kN/m212屋架及支撑自重 0.15kN/m 2 悬挂管道 0.05kN/m 2总计 1.202 kN/m 23.2 可变荷载标准值雪荷载 0.30 kN/m 2 屋面活荷载 0.54 kN/m 23.3 荷载组合3.3.1 全跨永久荷载+全跨可变荷载全跨节点永久荷载及可变荷载设计值: 按永久荷载效应控制的组合按可变荷载效应控制的组合永久荷载荷载分项系数 ;屋面活荷载或雪荷载,荷载分项系数;组合系数1 1.4Q γ=;组合系数10.7ψ=; 3.3.2全跨永久荷载+半跨可变荷载全跨永久荷载设计值: 对结构不利时对结构有利时半跨可变设计值:3.3.3 全跨屋架和支撑自重+半跨屋面板自重+半跨屋面活荷载全跨节点桁架自重设计值:对结构不利时 对结构有利时半跨节点屋面自重和屋面活荷载:综合以上三种组合,故节点荷载取19.8KN,支座反力为。
3.4内力计算用电算法可解出全跨荷载作用下屋架杆件内力,图2 屋架几何尺寸及内力图图3 上弦横向水平支撑布置图图4 屋架、下弦水平支撑布置图34图5 1-1、2-2剖面图4 杆件截面设计腹杆最大内力219.7KN ,查表7.4,选用节点板厚度为t=8mm ,支座节点板厚度10mm 。
梯形钢屋架设计跨度为30米
一.设计资料:
1、结构形式
某厂房跨度为30m,总长90m,柱距6m,采用梯形钢屋架、1.5×6.0m预应力混凝土大型屋面板,屋架铰支于钢筋混凝土柱上,上柱截面400×400,混凝土强度等级为C30,屋面坡度为i1:10。
地区计算温度高于-200C,无侵蚀性介质,地震设防烈度为7度,屋架下弦标高为18m;厂房内桥式吊车为2台(中级工作制),锻锤为2台5t。
2、屋架形式及选材
屋架跨度为30m,屋架形式、几何尺寸及内力系数如附图所示。
屋架采用的钢材及焊条为:
Q235钢,焊条为E43型;
3、荷载标准值(水平投影面计)
①永久荷载:
三毡四油(上铺绿豆砂)防水层0.4 KN/m2水泥砂浆找平层0.4 KN/m2保温层0 .6KN/m2(按附表取)
一毡二油隔气层0.05 KN/m2水泥砂浆找平层0.3 KN/m2预应力混凝土大型屋面板1.4 KN/m2屋架及支撑自重:
按经验公式q 0.120.011L计算:0.45KN/m2
悬挂管道:0.15 KN/m2②可变荷载:
屋面活荷载标准值:0.7kN/m2雪荷载标准值:0.35KN/m2积灰荷载标准值:1.2KN/m2(按附表取)
1/ 1。