梯形钢屋架设计实例
- 格式:doc
- 大小:449.50 KB
- 文档页数:5
1.设计资料某工业厂房,总长度120M,屋架柱距6M,采用1.5⨯6M预应力钢筋混凝土大型屋面板。
20mm厚水混砂浆找平层,三毡四油防水层,屋架采用梯形钢桁架,两端铰支在钢筋混凝土柱上,混凝土柱上柱截面尺寸400⨯400mm,混凝土强度等级为C30,屋架采用的钢材为Q235B钢,焊条为E43型。
屋面坡度i=1/10。
2.结构形式与布置桁架形式及几何尺寸如图所示。
桁架支撑布置图3.荷载计算屋面活荷载与雪荷载不会同时出现,从资料可以知道屋面活荷载大于雪荷载,故取屋面活荷载计算。
沿屋面斜面分布的永久荷载应乘以(2a=+=)1cos10110 1.005换算为沿水平投影面分布的荷载。
桁架沿水平投影面积分布的自重(包括支撑)按经验公式(0.120.011P=+⨯跨度)计算,跨度单位为Wm。
1.永久荷载:三毡四油防水层: 0.4×1.005KN/M2=0.402KN/M2水泥砂浆找平层:0.4×1.005KN/M2=0.402KN/M2保温层: 0.45×1.005 KN/M2=0.45225KN/M2一毡二油隔气层: 0.05×1.005 KN/M2=0.05025KN/M2水泥砂浆找平层:0.3×1.005KN/M2=0.3015KN/M2预应力混凝土大型屋面板:1.4×1.005KN/M2=1.407KN/M2屋架和支撑自重为:(0.12+0.011×21)KN/M2=0.351 KN/M2 悬挂管道: 0.15KN/M2共 3.516 KN/M2 2.可变荷载屋面活荷载标准值:0.7 KN/M2雪荷载标准值:0.35 KN/M2因为屋面活荷载标准值大于雪荷载标准值所以只考虑屋面活荷载标准值积灰荷载标准值: 1.1KN/M2共 1.8KN/M2设计桁架时,应考虑以下三种荷载组合:(1)全跨永久荷载+全跨可变荷载(按永久荷载为主控制的组合) 全跨节点荷载设计值:222(1.35 3.516/ 1.40.70.7/ 1.40.91.1/)1.5661.37F kN m kN m kN m m m kN=⨯+⨯⨯+⨯⨯⨯⨯=(2)全跨永久荷载+半跨可变荷载 全跨节点永久荷载设计值: 对结构不利时:21.1 1.35 3.516 kN/m 1.5642.72F m m kN =⨯⨯⨯=(按永久荷载为主的组合) 21.2 1.2 3.516 kN/m 1.5637.97F m m kN =⨯⨯⨯=(按可变荷载为主的组合)对结构有利时:21.1 1.35 3.516 kN/m 1.5642.72F m m kN =⨯⨯⨯=半跨节点可变荷载设计:222.1 1.4 (0.70.7 kN/m 0.9 1.1kN/m ) 1.5618.65F m m kN =⨯⨯+⨯⨯⨯= 222.2 1.4 (0.7 kN/m 0.9 1.1kN/m ) 1.5621.30F m m kN =⨯+⨯⨯⨯=(3)全跨桁架包括支撑+半跨屋面板自重+半跨屋面活荷载(按可变为荷载为主的组合) 全跨节点桁架自重设计值:对结构不利时:23.1 1.2 0.351kN/m 1.56 3.79F m m kN =⨯⨯⨯= 对结构有利时:23.2 1.0 0.351kN/m 1.56 3.16F m m kN =⨯⨯⨯= 半跨节点屋面板自重及活荷载设计值:224(1.2 1.4kN/m 1.40.7kN/m ) 1.5623.94F m m kN =⨯+⨯⨯⨯=(1)(2)为使用阶段活荷载情况,(3)为施工阶段荷载情况。
钢结构课程设计任务书一、题目某厂房总长度90m,跨度为18m,屋盖体系为无檩屋盖。
纵向柱距6m。
1.结构形式:钢筋混凝土柱,梯形钢屋架。
柱的混凝土强度等级为C30,屋面坡度i=L/10;L为屋架跨度。
地区计算温度高于-200C,无侵蚀性介质,屋架下弦标高为18m。
2.屋架形式及荷载:屋架形式、几何尺寸及内力系数(节点荷载P=1.0作用下杆件的内力)如附图所示。
屋架采用的钢材、焊条为:Q345钢,焊条为E50型。
3.屋盖结构及荷载(1)无檩体系:采用1.5×6.0m预应力混凝土屋板(考虑屋面板起系杆作用)荷载:①屋架及支撑自重:按经验公式q=0.12+0.011L,L为屋架跨度,以m为单位,q为屋架及支撑自重,以kN/m2为单位;②屋面活荷载:施工活荷载标准值为0.7kN/m2,雪荷载的=0.35kN/m2,施工活荷载与雪荷基本雪压标准值为S载不同时考虑,而是取两者的较大值;积灰荷载为0.7kN/m2③屋面各构造层的荷载标准值:三毡四油(上铺绿豆砂)防水层 0.45kN/m2水泥砂浆找平层 0.7kN/m2保温层 0.4 kN/m2(按附表取)预应力混凝土屋面板 1.45kN/m2附图(a) 18米跨屋架(b)18米跨屋架全跨单位荷载几何尺寸作用下各杆件的内力值(c) 18米跨屋架半跨单位荷载作用下各杆件的内力值二、设计内容1.屋架形式、尺寸、材料选择及支撑布置根据车间长度、屋架跨度和荷载情况,设置上、下弦横向水平支撑、垂直支撑和系杆,见下图。
因连接孔和连接零件上有区别,图中给出W1、W2和W3 三种编号(a)上弦横向水平支撑布置图(b)屋架、下弦水平支撑布置图1-1、2-2剖面图2.荷载计算三毡四油防水层0.45 kN/m2水泥砂浆找平层0.7kN/m2保温层0.4kN/m2预应力混凝土屋面板 1.45kN/m2屋架及支撑自重0.12+0.011L=0.318kN/m2恒荷载总和 3.318kN/m2活荷载0.7kN/m2积灰荷载0.7kN/m2可变荷载总和 1.4kN/m2屋面坡度不大,对荷载影响小,未予以考虑。
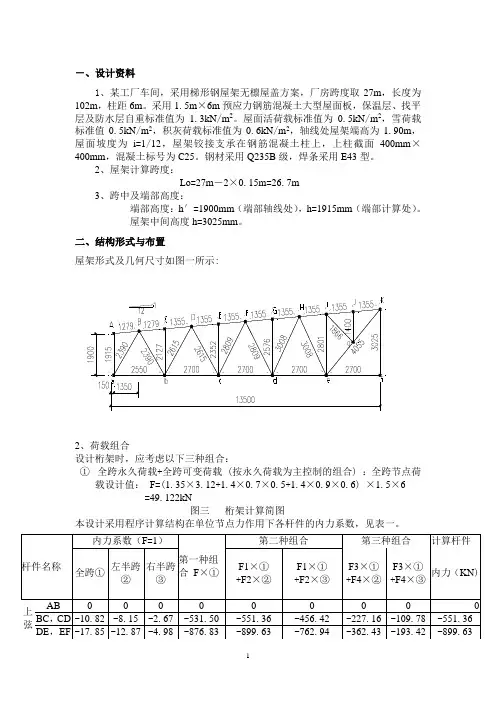
-、设计资料1、某工厂车间,采用梯形钢屋架无檩屋盖方案,厂房跨度取27m,长度为102m,柱距6m。
采用1.5m×6m预应力钢筋混凝土大型屋面板,保温层、找平层及防水层自重标准值为1.3kN/m2。
屋面活荷载标准值为0.5kN/m2,雪荷载标准值0.5kN/m2,积灰荷载标准值为0.6kN/m2,轴线处屋架端高为1.90m,屋面坡度为i=1/12,屋架铰接支承在钢筋混凝土柱上,上柱截面400mm×400mm,混凝土标号为C25。
钢材采用Q235B级,焊条采用E43型。
2、屋架计算跨度:Lo=27m-2×0.15m=26.7m3、跨中及端部高度:端部高度:h′=1900mm(端部轴线处),h=1915mm(端部计算处)。
屋架中间高度h=3025mm。
二、结构形式与布置屋架形式及几何尺寸如图一所示:2、荷载组合设计桁架时,应考虑以下三种组合:①全跨永久荷载+全跨可变荷载 (按永久荷载为主控制的组合) :全跨节点荷载设计值:F=(1.35×3.12+1.4×0.7×0.5+1.4×0.9×0.6) ×1.5×6=49.122kN图三桁架计算简图本设计采用程序计算结构在单位节点力作用下各杆件的内力系数,见表一。
1、上弦杆:整个上弦杆采用相等截面,按最大设计内力IJ 、JK 计算,根据表得: N = -1139.63KN ,屋架平面内计算长度为节间轴线长度,即:ox l =1355mm ,本屋架为无檩体系,认为大型屋面板只起刚性系杆作用,不起支撑作用,根据支撑布置和内力变化情况,取屋架平面外计算长度oy l 为支撑点间的距离,即:oy l =3ox l =4065mm 。
根据屋架平面外上弦杆的计算长度,上弦截面宜选用两个不等肢角钢,且短肢相并,如图四所示:图四 上弦杆腹杆最大内力N =-574.7KN ,查表可知,中间节点板厚度取12mm ,支座节点板厚度取14mm 。
30m梯形钢屋架结构设计目录一、设计计算资料 (3)二、屋架几何尺寸的确定 (3)三、屋盖支撑布置 (5)四、荷载计算 (7)五、屋架杆件内力计算与组合 (7)六.屋架节点板厚度,杆件截面选择和填板设置。
(10)六、节点设计 (16)七、说明 (19)一、设计计算资料1. 车间平面尺寸为144m×30m ,柱距9m ,跨度为30m ,柱网采用封闭结合。
车间内有两台15t/3t 中级工作制软钩桥式吊车。
2. 屋面采用长尺复合屋面板,板厚50mm ,檩距不大于1800mm 。
檩条采用冷弯薄壁卷边槽钢C200×70×20×2.5,屋面坡度i =l /20~l /8。
3. 钢屋架简支在钢筋混凝土柱顶上,柱顶标高9.000m ,柱上端设有钢筋混凝土连系梁。
上柱截面为400mm×400mm ,所用混凝土强度等级为C30,轴心抗压强度设计值f c =14.3N /mm 2。
抗风柱的柱距为6m ,上端与屋架上弦用板铰连接。
4. 钢材用 Q235-B ,焊条用 E43系列型。
5. 屋架采用平坡梯形屋架,无天窗,外形尺寸如下图所示。
6. 该车间建于杭州近郊。
7. 屋盖荷载标准值:(l) 屋面活荷载 0.50 kN /m 2(2) 基本雪压 s 0 0.45 kN /m 2(3) 基本风压 w 0 0.45 kN /m 2 (4) 复合屋面板自重 0.15 kN /m 2 (5) 檩条自重 查型钢表 (6) 屋架及支撑自重 0.12+0. 01l kN /m 2 8. 运输单元最大尺寸长度为15m ,高度为4.0m 。
二、屋架几何尺寸的确定1.屋架杆件几何长度屋架的计算跨度mm L l 29700300300003000=-=-=,端部高度取mmH 15000=跨中高度为mm 2243H ,5.224220229700150020==⨯+=+=取mm L i H H 。
跨度21⽶梯形钢屋架课程设计计算书梯形钢屋架课程设计⼀、设计资料(1)、某⼯业⼚房,建筑地点在太原市,屋盖拟采⽤钢结构有檩体系,屋⾯板采⽤100mm厚彩钢复合板(外侧基板厚度0.5mm,内侧基板厚度0.4mm,夹芯材料选⽤玻璃丝棉,屋⾯板⾃重标准值按0.20 kN/m2计算),檩条采⽤冷弯薄壁C型钢。
屋架跨度21m,屋⾯排⽔坡度i=1:10,有组织排⽔。
屋架⽀承在钢筋混凝⼟柱(C30)上,柱顶标⾼9.0m,柱距6m,柱截⾯尺⼨为400×400mm。
⼚房纵向长度60m。
基本风压0.40KN/m2,基本雪压0.35KN/m2。
不考虑积灰荷载。
注:屋架、檩条、拉条及⽀撑⾃重标准值可按下列数值考虑:0.30kN/m2(6.0m)(2)、屋架计算跨度:L0=21-2×0.15=20.7m(3)跨中及端部⾼度:屋盖拟采⽤钢结构有檩体系,屋⾯排⽔坡度i=1:10,取屋架在21m轴线处的端部⾼度h0’=1.99m, 屋架的中间⾼度h=3.025m,则屋架在20.7m,两端的⾼度为h o=2.004m。
⼆、结构形式与布置屋架形式及⼏何尺⼨如图2-1所⽰根据⼚房长度(60m),跨度及荷载情况,设置两道上下横向⽔平⽀撑。
因为柱⽹采⽤封闭形式,⼚房横向⽔平⽀撑设在两端第⼆柱间,图2-1梯形屋架形式和⼏何尺⼨在第⼀柱间的上弦平⾯设置了刚性系杆,以保证安装时的稳定。
在第⼀柱间的下弦平⾯也设置了刚性系杆,以传递⼭墙风荷载。
梯形钢屋架⽀撑布置如图2-2.桁架上弦⽀撑布置图桁架下弦⽀撑布置图垂直⽀撑布置1-1垂直⽀撑布置2-2SC—上弦⽀撑XC—下弦⽀撑CC—垂直⽀撑GG—刚性系杆LG—柔性系杆图2-1梯形屋架⽀撑布置图三、荷载计算荷载:屋架的受荷⽔平投影⾯积为:22602A>==,故按mm612621m《建筑结构荷载规范》取屋⾯活荷载(按不上⼈屋⾯)标准值为0.5kN/m2,雪荷载为0.35kN/m2,取屋⾯活荷载与雪荷载中较⼤值0.5kN/m2。
梯形钢屋架课程设计一、 设计资料(1)题号72,屋面坡度1:10,跨度30m ,长度102m ,,地点:哈尔滨,基本雪压:0.45 kN/m 2,基本风压:0.45kN/m 2。
该车间内设有两台200/50kN 中级工作制吊车,轨顶标高为8.5m 。
采用1.5m ×6m 预应力混凝土大型屋面板,80mm 厚泡沫混凝土保护层,卷材屋面,屋面坡度i=1/10。
屋面活荷载标准值0.7kPa ,血荷载标准值为0.1 kN/m 2,积灰荷载标准值为0.6 kN/m 2。
屋架绞支在钢筋混凝土柱上,上柱截面为400mm ×400mm 。
混凝土采用C20,,钢筋采用Q235B 级,焊条采用 E43型。
(2)屋架计算跨度:l 0=30m-2×0.15m=29.7m 。
(3)跨中及端部高度:采用无檩无盖方案。
平坡梯形屋架,取屋架在30m 轴线处的端部高度m h 005.20='。
屋架跨中起拱按500/0l 考虑,取60mm 。
二、结构形式与布置屋架形式及几何尺寸如下图:根据厂房长度(102>60)、跨度及荷载情况,设置三道上、下弦横向水平支撑。
因柱网采用封闭结合,厂房两端的横向水平支撑设在第一柱间,该水平支撑的规格与中间柱间的支撑规则有所不同。
梯形钢屋架支撑布置如下图:三、荷载计算1、荷载计算屋面荷载与雪荷载不会同时出现,计算时取较大值进行计算,故取屋面活荷载0.7 kN/m 2进行计算。
屋架沿水平投影面积分布的自重(包括支撑)按经验公式2/)11.012.0(m kN l g k +=计算,跨度单位为米(m )。
荷载计算表如下:荷载名称标准值(kN/m 2)设计值(kN/m 2) 预应力混凝土大型屋面板 1.41.4×1.35=1.89三毡四油防水层 0.4 0.4×1.35=0.54 找平层(厚20mm) 0.2×20=0.4 0.4×1.35=0.54 80厚泡沫混凝土保护层 0.08×6=0.480.48×1.35=0.648 屋架和支撑自重 0.12+0.011×030=0.450.45×1.35=0.608 管道荷载 0.1 0.1×1.35=0.135永久荷载总和 3.23 4.361 屋面活荷载 0.7 0.7×1.4=0.98 积灰荷载 0.6 0.6×1.4=0.84可变荷载总和 0.31.82设计屋架时,应考虑以下三种荷载组合 (1) 全跨永久荷载+全跨可变荷载: 全跨节点永久荷载及可变荷载:kN F 629.5565.1)82.1361.4(=⨯⨯+=(2) 全跨永久荷载+半跨可变荷载 全跨节点永久荷载:kN F 249.3965.1361.41=⨯⨯=半跨节点可变荷载:kN F 38.1665.182.12=⨯⨯=(3)全跨屋架(包括支撑)自重+半跨屋面板自重+半跨屋面活荷载 全跨节点屋架自重:kN F 47.565.1608.03=⨯⨯=半跨接点屋面板自重及活荷载:kN F 31.2365.1)7.089.1(4=⨯⨯+=(1)、(2)为使用节点荷载情况,(3)为施工阶段荷载情况。
钢结构课程设计学生姓名:学号:所在学院:专业班级:指导教师:2011年3月钢屋盖设计任务书(梯形屋架)一、设计资料某车间(或厂房)跨度L,长度96m,柱距6m,屋盖采用梯形钢屋架,屋面材料为压型钢板复合板,檩条间距1.5m,屋面坡度i = 1/10,屋面活荷载标准值为0.5kN/m2,当地基本风压为0.55kN/m2,屋架简支于钢筋混凝土柱上,混凝土强度等级C30,柱截面400mm ×400mm。
其他设计资料如下:A.跨度B.永久荷载C.雪荷载D各班学生在题目分配表中找到自己学号所对应的设计资料并结合各自班级的D组合进行设计。
三、设计要求计算书:内容应详尽,主要内容应包括:设计任务书,材料选择,屋架形式、几何尺寸,支撑布置,荷载汇集,杆件内力计算及组合,杆件截面选择,典型节点设计(屋脊、跨中拼接节点,上下弦节点)等。
图纸:应符合制图规范及要求,表达应完整;绘制要求:主要图面应绘制正面图、上下弦平面图,必要的侧面图、剖面图,以及某些安装节点或特殊零件的大样图;在图的左上角绘制屋架简图,并注明杆件几何长度(左半跨)及杆件内力设计值(右半跨),图面右侧应绘制材料表及编写有关文字说明,如钢材型号、附加说明、焊条型号、焊接方法、质量要求等。
(注:采用A1图纸594mm×841mm)目录1、设计资料 (1)2、屋架形式、几何尺寸及支撑布置 (1)3、荷载和内力计算 (1)3.1荷载计算 (1)3.2荷载组合 (2)3.3内力计算 (3)4、杆件截面计算 (3)4.1上弦 (3)4.2下弦 (4)4.3斜腹杆B-a (4)4.4斜腹杆B-b (5)4.5斜腹杆C-b (5)5、节点设计 (6)5.1下弦节点 (6)5.2上弦节点 (6)5.3屋脊节点 (9)5.4支座节点 (10)6、参考资料 (12)1. 设计资料某厂房跨度21m ,长度96m ,柱距6m ,采用梯形钢屋架,屋面材料为压型钢板复合板,檩条间距1.5m ,屋面坡度i 1/10=,屋面活荷载标准值为20.5kN/m ,当地雪荷载20.65kN/m ,基本风压20.55kN/m ,屋架简支于钢筋混凝土柱上,上柱截面400mm ⨯400mm ,混凝土标号为C30。
钢结构课程设计任务书一、题目某厂房总长度90m,跨度为18m,屋盖体系为无檩屋盖。
纵向柱距6m。
1.结构形式:钢筋混凝土柱,梯形钢屋架。
柱的混凝土强度等级为C30,屋面坡度i=L/10;L为屋架跨度。
地区计算温度高于-200C,无侵蚀性介质,屋架下弦标高为18m。
2.屋架形式及荷载:屋架形式、几何尺寸及内力系数(节点荷载P=1.0作用下杆件的内力)如附图所示。
屋架采用的钢材、焊条为:Q345钢,焊条为E50型。
3.屋盖结构及荷载(1)无檩体系:采用1.5×6.0m预应力混凝土屋板(考虑屋面板起系杆作用)荷载:①屋架及支撑自重:按经验公式q=0.12+0.011L,L为屋架跨度,以m为单位,q为屋架及支撑自重,以kN/m2为单位;②屋面活荷载:施工活荷载标准值为0.7kN/m2,雪荷载的=0.35kN/m2,施工活荷载与雪荷基本雪压标准值为S载不同时考虑,而是取两者的较大值;积灰荷载为0.7kN/m2③屋面各构造层的荷载标准值:三毡四油(上铺绿豆砂)防水层 0.45kN/m2水泥砂浆找平层 0.7kN/m2保温层 0.4 kN/m2(按附表取)预应力混凝土屋面板 1.45kN/m2附图(a) 18米跨屋架(b)18米跨屋架全跨单位荷载几何尺寸作用下各杆件的内力值(c) 18米跨屋架半跨单位荷载作用下各杆件的内力值二、设计内容1.屋架形式、尺寸、材料选择及支撑布置根据车间长度、屋架跨度和荷载情况,设置上、下弦横向水平支撑、垂直支撑和系杆,见下图。
因连接孔和连接零件上有区别,图中给出W1、W2和W3 三种编号(a)上弦横向水平支撑布置图(b)屋架、下弦水平支撑布置图1-1、2-2剖面图2.荷载计算三毡四油防水层 0.45 kN/m2水泥砂浆找平层 0.7kN/m2保温层 0.4kN/m2预应力混凝土屋面板 1.45kN/m2屋架及支撑自重 0.12+0.011L=0.318kN/m2恒荷载总和 3.318kN/m2活荷载 0.7kN/m2积灰荷载 0.7kN/m2可变荷载总和 1.4kN/m2屋面坡度不大,对荷载影响小,未予以考虑。
梯形钢屋架设计(21m跨)一、设计资料某地区某金工车间。
采用无檩屋盖体系,梯形钢屋架。
跨度为21 m,柱距6 m,厂房长度为144 m,厂房高度为15.7 m。
车间内设有两台150/520 kN中级工作制吊车,计算温度高于-20 ℃。
采用三毡四油防水屋面上铺小石子设计荷载标准值0.4 kN/m2,水泥砂浆找平层设计荷载标准值0.4 kN/m2,泡沫混凝土保温层设计荷载标准值0.1 kN/m2,水泥砂浆找平层设计荷载标准值0.5 kN/m2,1.5 m×6.0 m预应力混凝土大型屋面板设计荷载标准值1.4 kN/m2。
屋面积灰荷载0.35 kN/m2,屋面活荷载0.35 kN/m2,雪荷载为0.45 kN/m2,风荷载为0.5 kN/m2。
屋架铰支在钢筋混凝土柱上,柱截面为400 mm×400 mm,砼标号为C20。
二、屋架形式、尺寸、材料选择及支撑布置1、钢材及焊条选择根据建造地区(北京)的计算温度和荷载性质及连接方法,钢材选用Q235-B。
焊条采用E43型,手工焊。
2、屋架形式及尺寸本设计采用无檩屋盖,i=1/10,采用梯形屋架。
屋架跨度为L=21000 mmL=L-300=20700 mm,屋架计算跨度为H=2000 mm ,(1/16 ~ 1/12)L,(通常取为2.0 ~2.5 m)端部高度取H+0.5i L=2000 + 0.1×21000/2=3050 mm,中部高度取H=屋架杆件几何长度见附图1所示,屋架跨中起拱42 mm(f = L/500考虑)。
为使屋架上弦承受节点荷载,配合宽度为1.5 m的屋面板,采用上弦节间长度为3.0 m。
附图1:屋架杆件几何长度(单位:mm)3、屋盖支撑布置根据车间长度、屋架跨度和荷载情况,设置四道上、下弦横向水平支撑。
因柱网采用封闭结合,为统一支撑规格,厂房两端的横向水平支撑设在第二柱间。
在第一柱间的上弦平面设置刚性系杆保证安装时上弦杆的稳定,第一柱间下弦平面也设置刚性系杆以传递山墙风荷载。
. . .. ..一、设计资料:1.结构形式: 某厂房总长度90m,跨度为18m.,纵向柱距6m,采用梯形钢屋架,无檩屋盖体系,采用1.5×6.0m预应力混凝土屋面板,屋架铰支于钢筋混凝土柱上,上柱截面400x400,柱的混凝土强度等级为C30,屋面坡度i=1/10。
地区计算温度高于-200C,无侵蚀性介质,地震设防烈度为8度,屋架下弦标高为18m;厂房内桥式吊车为2台150/30t(中级工作制),锻锤为2台5t。
2. 屋架形式及荷载:屋架形式、几何尺寸及内力系数(节点荷载P=1.0作用下杆件的内力)如附图所示。
屋架采用的钢材为:Q235钢;焊条为:E43型。
3.荷载标准值(水平投影面计)荷载:①屋架及支撑自重:按经验公式q=0.12+0.011L,L为屋架跨度,以m为单位,q为屋架及支撑自重,以KN/m2为单位;②可变荷载:活荷载标准值为0.7KN/m2,雪荷载的基本雪压标准值为S=0.35KN/m2,0活荷载与雪荷载不同时考虑,而是取两者的较大值。
积灰荷载标准值: 0.7KN/m2③屋面各构造层的荷载标准值:三毡四油(上铺绿豆砂)防水层 0.4KN/m2水泥砂浆找平层 0.4KN/m2保温层: 0.4KN/m2一毡二油隔气层 0.05KN/m2水泥砂浆找平层 0.3KN/m2预应力混凝土屋面板 1.45KN/m2二、结构形式与布置图:屋架支撑布置图如下图所示。
符号说明:WGJ-钢屋架;SC-上弦支撑;XC-下弦支撑;CC-垂直支撑;GG-刚性系杆;LG-柔性系杆Aa+3.4700.000-6.221-8.993-9.102-9.102-6.502-3.382-0.690-0.462+4.739+1.884-0.462-1.0-1.0+0.812-0.5+7.962+9.279+9.279cegBC DE FG 0.5 1.0 1.0 1.0 1.01.01.a.18米跨屋架(几何尺寸)b.18米跨屋架全跨单位荷载作用下各杆件的内力值c . 18米跨屋架半跨单位荷载作用下各杆件的内力值三、荷载与内力计算:1、荷载计算荷载与雪荷载不会同时出现,故取两者较大的活荷载计算。
目录一、设计资料 (1)二、荷载与内力计算 (1)1、荷载计算 (1)2、荷载组合 (1)3、内力计算 (2)三、杆件截面设计 (2)1.上弦杆 (2)2.下弦杆 (4)3.端斜杆 aB (5)4.再分式腹杆 eg-gK (6)5.竖腹杆Ie (7)四、节点设计 (11)1.下弦节点“b” (11)2.上弦节点“B” (13)3.有工地拼接的下弦节点“f” (15)4.屋脊节点“K” (17)5.支座节点“a” (19)五、填板设计 (25)六、材料表 (25)附表 (27)一、设计资料1、屋架铰支于钢筋混凝土柱顶,混凝土标号 C25;2、车间柱网布置:柱距 9m ;跨度 L=20m ;3、上弦平面侧向支撑间距为两倍节间长度,下弦平面在柱顶和跨中各设一道纵向系杆;4、屋面坡度 1:10;5、钢材采用 Q235B 钢,焊条为 E43XX 系列,手工焊;6、屋面荷载标准值见表 1表1 荷载标准值7、屋架计算跨度:020.152020.1519.7m l L =-⨯=-⨯=,屋架形式和几何尺寸如图1 所示。
图1 屋架形式及几何尺寸二、荷载与内力计算1、荷载组合由永久荷载起控制作用:21.35 3.064 1.40.70.5 1.40.91 5.8864/KN m ⨯+⨯⨯+⨯⨯= 由可变荷载起控制作用:21.2 3.064 1.41 1.40.70.5 5.5668/KN m ⨯+⨯+⨯⨯=3、内力组合设计屋架时,应考虑以下三种组合:(1) 组合一:全跨永久荷载+全跨可变荷载。
根据荷载规范,具体有以下2 种情况21.2 1.4 1.2 1.45 1.40.75 2.79kN/m D L +=⨯+⨯=21.35 1.40.7 1.35 1.45 1.40.70.75 2.69kN/m D L +⨯=⨯+⨯⨯= 所以组合一屋架上弦节点荷载为2.79 1.51250.22kN P qA ==⨯⨯= (2) 组合二:全跨永久荷载+半跨可变荷载。
一、设计资料1、车间柱网布置图(24×240m),柱距6m。
2、屋架支承于钢筋混凝土柱顶(砼等级为C20),采用梯形钢屋架。
3、屋面采用1.5×6m的预应力钢筋混凝土大型屋面板(屋面板不考虑作为支撑用)。
4、荷载:1)屋架自重=(120+11L)N/㎡=0.12+0.011×24=0.384 KN/㎡;荷载类型序号荷载名称重量永久荷载1预应力钢筋混凝土屋面板(包括嵌缝)1.50 KN/㎡2 防水层0.38KN/㎡3 找平层20mm厚0.40 KN/㎡4 保温层0.97KN/㎡5 支撑重量0.80 KN/㎡可变荷载1 活载0.70 KN/㎡5、屋架坡度i:1/126、根据该地区温度及荷载性质,钢材采用Q235-C。
其设计强度为215KN/㎡,焊条采用E43型,手工焊接,构件采用钢板及热轧钢筋,构件与支撑的连接用M20普通螺栓。
屋架的计算跨度L。
=24000-2×150=23700,端部高度:檐口高度H0=2400mm,中部高度H=3400mm二、结构形式及支撑布置1.绘出屋架屋面的横向支撑及檩条图2.对钢屋架进行内力、杆件截面尺寸的计算,并进行最不利内力组合;设计一个下弦节点、一个上弦节点、支座节点、屋脊节点及下弦中央节点。
结构形式及支撑桁架支撑布置符号说明:SC:上弦支撑; XC:下弦支撑; CC:垂直支撑GG:刚性系杆; LG:柔性系杆三、荷载计算桁架及屋盖1.荷载标准值活荷载与雪荷载不会同时出现,故取两者较大的活荷载计算。
永久荷载标准值:防水层(三毡四油上铺小石子)0.38KN/㎡找平层(20mm厚水泥砂浆)0.40 KN/㎡保温层(40mm厚泡沫混凝土0.97 KN/㎡预应力混凝土大型屋面板 1.50 KN/㎡支撑自重0.80KN/㎡屋架自重0.384 KN/㎡总计:4.43KN/㎡可变荷载标准值:雪荷载<屋面活荷载(取两者较大值)0.7KN/㎡风载为吸力,起卸载作用,一般不予考虑。
学号:07课程设计题目36m跨径简支梯形钢屋架设计(有檩体系,屋面坡度1/12)学院交通学院专业工程结构分析班级结构fx1002 姓名翔指导教师晋2013 年7 月 1 日目录1设计资料 (1)2屋架型式、几何尺寸和支撑 (1)2.1屋架尺寸图 (1)2.2支撑布置图 (1)3荷载和力计算 (2)3.1荷载计算 (2)3.2力计算 (3)3.3结力求解器计算图 (4)3.4力计算表 (4)4截面选择 (5)4.1上弦杆 (5)4.2下弦杆 (6)4.3斜腹杆 (6)4.4竖腹杆 (14)4.5屋架截面选用表 (17)5节点设计 (19)5.1下弦节点“(2)” (19)5.2上弦节点“(36)” (20)5.3屋脊节点“(25)” (21)5.4支座节点“(1)” (22)5.5支座节点手绘图 (23)6参考文献 (24)7结束语 (24)附录教师评定表 (25)36m跨径简支梯形屋架设计(有檩)1设计资料厂房跨度为36m,长度为96m,柱距为12m,简支于钢筋混凝土柱上,屋面材料为长尺压型钢板,屋面坡度为i=1/12,采用轧制H型钢檩条,水平间距自定。
基本风压为=0.5KN/m2,屋面离地面高度为20m,无雪荷载,房屋有悬吊管道,重量按0.06KN/m2考虑。
钢材采用Q235B,焊条采用E43型,混凝土标号为C20.2屋架型式、几何尺寸及支撑布置i=1/12,采用平坡梯形屋架。
屋架计算跨度L o=L-300=35700mm,中部高度H=4200mm(35700/8.5),端部高度2710mm,屋架杆件几何长度见下图,跨中起拱按L/500=72mm。
根据车间长度、屋架跨度和荷载情况,设置上、下弦横向水平支撑和系杆。
3荷载和力计算3.1荷载计算3.1.1荷载屋架及支撑自重0.12+0.11L=0.12+0.011*36=0.516 KN/m2压型钢板0.15×=0.150 KN/m2檩条(约0.5 KN/m,间距1.8m)0.28KN/m2悬挂管道0.06 KN/m2恒荷载总和 1.0063.1.2风荷载风荷载高度变化系数为1.25,迎风面体型系数为-6,背风面-5.迎风面w1=-1.4×0.6×1.25×0.5=-0.525背风面w2=-1.4×0.5×1.25×0.5=-0.4375w1和w2垂直于水平面的分力未超过荷载分项系数取1.0时的永久荷载,故将拉杆的长细比控制在350以。
内蒙古工业大学钢结构课程设计普通梯形钢屋架设计说明书目录一、设计资料 (2)二、设计布骤 (2)三、设计内容 (3)1.杆件尺寸 (3)2.结构形式与布置 (4)3.屋架荷载计算 (4)4.内力计算 (5)5. 杆件的截面选择 (6)6. 节点设计 (14)四、参考文献: (21)普通钢屋架设计一、设计资料1.设计一房屋跨度为18m的钢屋架,房屋平面尺寸为18m 84 m,地区雪压0.80KN/m2,积灰荷载0.50KN/m2,分项系数为1.4,地震设防烈度为8(0.2g)。
2.钢材选用钱Q235B,焊条采用E43型,手工焊;上弦坡度i=1/10,端部高度=1.215m,每端支座缩进0.15m,下弦起拱500/L=36mm.H3.荷载SBS沥青改性卷材0.40KN/m220mm厚水泥砂浆找平层0.40KN/m2100mm厚水泥珍珠岩保温层0.4KN/m3冷底子油隔气层0.05KN/m2混凝土大型屋面板(包括灌浆) 1.4KN/m2二、设计步骤1.确定屋架的形式和几何尺寸,确定节点尺寸以及计算各杆件长度;绘制屋架的几何尺寸图;2.屋架杆件的内力组合;荷载组合,计算在单位力作用左半跨的杆件内力系数;并绘制内力系数图;3.杆件截面选择,按轴心受力构件(拉或压)进行设计;4.焊缝计算,焊缝在轴心力作用下的强度计算;5.节点设计,根据节点板的几何尺寸,计算焊缝的实际长度,根据计算焊缝的实际长度绘制节点图;6.绘制屋架施工图。
三、设计内容 1.杆件尺寸桁架计算跨度: m 7.1715.02180=⨯-=l 桁架的中间高度: m 1.2=h 在17.7m 的两端高度: m 215.1=h 在18m 轴线处端部高度: m 2.1=h 桁架跨中起拱36mm (500L ≈)。
2.结构形式与布置桁架形式与几何尺寸如图1所示。
图1 桁架形式及荷载作用 3.屋架荷载计算屋面和荷载与雪荷载不会同时出现,计算时,取较大的荷载标准值进行计算。
梯形钢屋架设计实例
1、题号60的已知条件是:梯形钢屋架跨度为30m,长度72m,柱距6m。
停车库内无吊车、无振动设备。
采用拱形彩色钢板屋面,80mm厚泡沫混凝土保温层,卷材屋面,屋面坡度i=1/10。
不上人屋面活荷载标准值为1.1kPa,雪荷载标准值为0.5kN/2
m,积灰荷载标准值为0.6 kN/2m。
屋架铰支在钢筋混凝土柱上,上柱截面为400mm×400mm,混凝土标号为C30。
钢材采用Q235B级,焊条采用E43型。
要求设计钢屋架并绘制施工图。
2、屋架计算跨度:
03020.1529.7
l m m m
=-⨯=
3、跨中及端部高度:
本例题设计为无檩屋盖方案,采用平坡梯形屋架,取屋架端部高度
02000
h mm
'=,屋架的中间高度:3500
h mm
=。
4、结构型式与布置
①屋盖结构体系
a、无檩设计方案
在钢屋架上直接放置预应力钢筋混凝土大型屋面板,其上铺设保温层和防水层。
这种方案最突出的优点是屋盖的横向刚度大,整体性好,所以对结构的横向刚度要求高的厂房宜采用无檩设计方案。
但因屋面板的自重大,屋盖结构自重大,抗震性能较差。
b、有檩设计方案
在钢屋架上设置檩条,檩条上面再铺设轻型屋面材料,如石棉瓦、压型钢板等。
对于横向刚度要求不高,特别是不需要做保温层的中小型厂房,宜采用有檩设计方案。
②本方案采用有檩屋盖,屋架型式及几何尺寸如图1、图2所示。
图1 半跨梯形钢屋架形式和几何尺寸
图2 全跨梯形钢屋架形式和几何尺寸
根据厂房长度(72m>60m)、跨度及荷载情况,设置三道上、下弦横向水平支撑。
因柱网采用封闭结合,厂房两端的横向水平支撑设在第一柱间,该水平支撑的规格与中间柱间支撑的规格有所不同。
在所有柱间的上弦平面设置了刚性与柔性系杆,以保证安装时上弦杆的稳定,在各柱间下弦平面的跨中及端部设置了柔性系杆,以传递山墙
风荷载。
在设置横向水平支撑的柱间,于屋架跨中和两端各设一道垂直支撑。
梯形钢屋架支撑布置如图3所示。
图3.1 桁架上弦支撑布置图
图3.2 桁架下弦支撑布置
图3.3垂直支撑1-1
垂直支撑2-2
SC-上弦支撑;XC-下弦支撑;CC-垂直支撑;GG-刚性系杆;LG-柔性系杆
图3.4梯形钢屋架支撑布置
5、荷载计算
屋面和荷载与雪荷载不会同时出现,计算时,取较大的荷载标准值进行计算。
故取屋面活荷载1.1kN/2m进行计算。
檩条采用卷边C 型,型号180×70×20×2.5,自重为7.05kg/m 。
屋架沿水平投影面积分布的自重(包括支撑)按经验公式(P 0.120.011L +=)计算,跨度单位为m 。
表1 荷载计算表
荷载名称 标准值 拱形彩色钢板
0.3(kN/2m ) 80mm 厚泡沫混凝土保温层
0.08×5=4(kN/2m )
屋架和支撑自重
0.120.01130+⨯=0.45
(kN/2m )
檩条 70.5(kN/m ) 永久荷载总和 F 1=465.95 kN 屋面活荷载
1.1(kN/2m ) 可变荷载总和
F 2=9.9 kN
设计屋架时,应考虑以下三种荷载组合: (1) 全跨永久荷载+全跨可变荷载 (2) 全跨永久荷载+半跨可变荷载
(3) 全跨屋架(包括支撑)自重+半跨屋面板自重+半跨屋面活荷载 6、内力计算
屋架在上述三种荷载组合作用下的计算简图如图7所示。
(a)左半跨
(b)右半跨
(c)全跨
图4 屋架计算简图
由图解法或数解法解得F=1的屋架各杆件的内力系数(F=1作用于全跨、左半跨和右半跨)。
然后求出各种荷载
情况下的内力进行组合,计算结果见表2.2。
表2 屋架杆件内力组合表。