评标办法经评审的合理低价法
- 格式:doc
- 大小:68.00 KB
- 文档页数:6
评标办法(合理低价法)评标办法1. 评标方法本次评标采用合理低价法。
评标委员会对满足招标文件实质性要求的投标文件,根据本章第2.2款规定的评分标准进行打分,并按得分由高到低顺序推荐中标候选人,或根据招标人授权直接确定中标人,但投标报价低于其成本的除外。
综合评分相等时,以投标报价低的优先;投标报价也相等的,招标人可采用被招标项目所在地省级交通主管部门评为较高信用等级的投标人优先或递交投标文件时间较前的投标人优先或其他方法确定第一中标候选人。
2. 评审标准2.1 初步评审标准2.1.1 形式评审标准:见评标办法前附表。
2.1.2 资格评审标准:见评标办法前附表(适用于未进行资格预审的)。
2.1.3 响应性评审标准:见评标办法前附表。
2.2 分值构成与评分标准2.2.1 分值构成(1)施工组织设计:见评标办法前附表;(2)项目管理机构:见评标办法前附表;(3)投标报价:见评标办法前附表;(4)其他评分因素:见评标办法前附表。
2.2.2评标基准价计算评标基准价计算方法:见评标办法前附表。
2.2.3投标报价的偏差率计算投标报价的偏差率计算公式:见评标办法前附表。
2.2.4评分标准(1)施工组织设计评分标准:见评标办法前附表;(2)项目管理机构评分标准:见评标办法前附表;(3)投标报价评分标准:见评标办法前附表;(4)其他因素评分标准:见评标办法前附表。
3. 评标程序3.1 初步评审3.1.1评标委员会可以要求投标人提交第二章“投标人须知”第3.5.1项至第3.5.5项规定的有关证明和证件的原件,以便核验。
评标委员会依据本章第2.1款规定的标准对投标文件进行初步评审。
有一项不符合评审标准的,作废标处理。
(适用于未进行资格预审的)3.1.2 投标人有以下情形之一的,其投标作废标处理:(1)第二章“投标人须知”第1.4.3项规定的任何一种情形的;(2)串通投标或弄虚作假或有其他违法行为的;(3)不按评标委员会要求澄清、说明或补正的。
第九章评标办法本项目采用有效合理低价法评标:本项目设有拦标价,高于拦标价的投标报价为无效报价。
拦标下限:以低于拦标价的各投标人报价的算术平均值乘以×(1-下浮系数)作为工程的最低价格底限,低于最低价格底限的投标报价为无效报价。
在拦标价与最低价格底限之间的报价为有效报价,在有效报价范围内,投标人按工程量清单报价,能够满足招标文件的实质性要求,并且经评标委员会评审按投标报价由低到高的顺序推荐三名有排序的中标候选人。
房屋建筑工程下浮系数范围为5%~8%,具体的下浮系数在评标现场以抽签方式随机确定。
评标程序及内容如下:1.初步评审:评委会成员按下表所述内容进行评审存在上述条款之一被否决的投标均属实质性偏离或不响应招标文件要求,应界定为废标或无效投标。
对于初审合格的投标文件,进行详细评审(技术标\商务标评审)。
2. 详细评审2.1 技术评审2.1.1 投标单位的施工组织设计(施工总平面布置、施工方案、施工计划安排、施工人员及设备计划、质量保证体系、安全生产、文明施工及工期技术组织措施等)是否科学完善、先进合理、切实可行。
2.1.2 投标人对工程施工在技术上有何合理化建议。
2.2 商务评审2.2.1 投标报价组成的合理性,包括总价、分部分项报价、措施项目报价、其他项目报价是否合理,是否存在漏项或缺项,综合单价和各单项费用的组成、工料消耗及单价、管理费和利润的确定是否合理。
如果有低于成本的投标报价,则认为是不合理报价,不予评审。
2.2.2主要材料的规格、型号、价格是否合理,是否具有证明材料,其证明材料有无说服力。
2.2.3 项目管理班子配备应满足工程需要,做到机构健全、职责明确、人员齐备、专业配套,项目经理应取得注册执业证书,其资质及所承担的业务范围应满足本工程项目的要求。
2.2.4 审查企业业绩信誉,有无类似工程经验、近年工程获奖情况及服务态度等。
详细评审过程中如果评标委员会认为投标文件中存在细微偏差,评标委员会将会要求投标人对偏差作出书面澄清或说明,只有投标人根据本款提交的澄清文件或说明被评标委员会接受,才能作为有效标函。
合理低价法评标办法计算方法
合理低价法的适用范围主要包括在招标文件中规定采用合理低价法的情况下,以及在投标文件中出现两个或两个以上的投标人的投标价格相差较大,且最低投标价较低的情况下。
在进行合理低价法评标办法计算方法时,需要按照以下步骤进行:
1. 首先,对投标文件中的投标价格进行初步审核,确定是否存在价格相差较大的情况,以及最低投标价是否较低。
2. 确定最低投标价后,需要对其进行合理性评估,主要包括对投标人的资质、经验、技术水平等进行综合考量,判断其是否存在价格不合理的情况。
3. 在评估的过程中,需要充分考虑招标项目的实际情况,包括项目的特殊性、技术难度、市场行情等因素,综合判断最低投标价是否符合合理低价法的要求。
4. 最后,对符合合理低价法的最低投标价进行确认,确定是否需要对其进行调整,以保证招标项目的公平、公正和合理性。
在进行合理低价法评标办法计算方法时,需要严格按照相关法律法规和招标文件的规定进行操作,确保评标结果的准确性和公正性。
同时,还需要充分尊重投标人的合法权益,保护其商业秘密,避免出现不当的价格调整,影响招标项目的正常进行。
总之,合理低价法评标办法计算方法是招标评标过程中非常重要的一环,需要严格按照规定进行操作,确保评标结果的公平、公正和合理性。
只有这样,才能有效保障招标项目的顺利进行,保护投标人的合法权益,促进招标市场的健康发展。
评标办法(经评审的合理低价法)评标办法前附表1. 评标方法本次评标采用经评审的合理低价法,评标委员会对满足招标文件实质要求的投标文件,按照得分由高到低的顺序推荐中标候选人。
如果得分相同,以投标报价低者优先;报价也相同的,则由招标人抽签决定。
2. 评审标准2.1 初步评审标准2.1.1 形式性评审标准:见评标办法前附表。
2.1.2 资格评审标准:见评标办法前附表。
2.1.3 响应性评审标准:见评标办法前附表。
2.2 详细评审标准2.2.1报价评分标准:见评标办法前附表。
3. 评标程序3.1评标准备3.1.1招标人的准备工作(1)招标人或招标代理机构将向评标委员会提供评标所需的信息和数据,包括招标文件、开标记录、经备案的招标控制价、招标人标底等;(2) 查询项目负责人是否有在建工程的记录。
查询地址(包括但不限于):“江苏建设工程招标网”中标人公告栏(.cn)、“江苏省交通运输厅”(.cn);(3)查询投标人及项目负责人是否有不良行为记录。
查询地址(包括但不限于):“江苏建设工程招标网”()、“江苏省住房和城乡建设厅”()、“泰兴市公共资源交易信息网”(.cn/ggzy/tx/)、“江苏省交通运输厅”(.cn);(4) 企业资质核查结果网上查询:江苏省建筑市场监管与诚信信息一体化平台(.230:7001/Jsjzyxyglpt/faces/public/default.jsp)--“企业信息”--“建筑业企业”,核查结果显示在有效期内的,即为核查合格。
(5)查询投标人是否被列入失信被执行人名单。
查询方式:登陆“信用中国”网站→信用服务→失信被执行人查询。
(6)查询投标人是否被列入经营异常名录。
查询地址:国家企业信用信息公示系统。
(7)有关的法律、法规、规章、国家标准以及评标委员会认为必要的其他信息和数据。
(1)评标委员会成员到达评标现场时,须填写评标专家回避确认表,以确认参加本次评标工作无需要回避的情况。
评标办法(合理低价法)评标办法前附表条款号评审因素与评审标准1评标方法综合评分相等时,评标委员会依次按照以下优先顺序推荐中标候选人或确定中标人:(1)以评标价低的投标人优先;(2)以企业信用得分高的优先;(企业信用得分按照企业2018年、2017年、2016年的信用等级年度信用得分加权计算合计为准)(3)以递交投标文件时间较前的投标人优先。
2.1.1 2.1.3形式评审与响应性评审标准第一个信封(商务及技术文件)评审标准:(1)投标文件按照招标文件规定的格式、内容填写,字迹清晰可辨:a.投标函按招标文件规定填报了项目名称、标段号、补遗书编号(如有)、工期、工程质量要求、安全目标;b.投标函附录的所有数据均符合招标文件规定;c.投标文件组成齐全完整,内容均按规定填写;d.按规定提供的单位营业执照、ISO9000系列质量体系认证、环境管理体系认证、职业健康安全管理体系认证、组织机构代码证(如已换发加载社会统一信用代码的营业执照可不提供)、基本账户开户许可证、企业章程、财务审计报告(需含北京地区会计师事务所或审计机构出具的审计报告须粘贴防伪标)、国家企业信用信息公示系统基础信息网页截图或验资报告或股东出资情况证明、拟投入人员的证件、业绩证明、劳务合同、社保证明等资料的彩色扫描件或彩色打印件(正本),证件齐全、清晰可辨、完整、有效且资料内容合理,各项表格、证件资料数据前后一致。
(2)投标文件上法定代表人或其委托代理人的签字、投标人的单位章盖章齐全,符合招标文件规定。
(3)与所投标段的其他投标人不存在控股、管理关系或单位负责人为同一人的情况;与招标人也不存在利害关系并可能影响招标公正性。
(4)投标人按照招标文件的规定提供了投标保证金:a.投标保证金金额符合招标文件规定的金额,且投标保证金有效期不少于投标有效期;b.若投标保证金采用现金或支票形式提交,投标人应在递交投标文件截止时间之前,将投标保证金由投标人的基本账户转入招标人指定账户;c.若投标保证金采用银行保函形式提交,银行保函的格式、开具保函的银行均满足招标文件要求,且在递交投标文件截止时间之前向招标人提交了银行保函原件。
附件1“双信封”两步骤开评标方式一、适用范围采用技术评分最低标价法、经评审的最低投标价法、合理低价法评审的施工总承包工程、专业承包工程、工程总承包项目及勘察、设计、监理、材料或设备采购等。
二、评审程序与方法(一)第一个信封初步评审.评标委员会依据招标文件规定的标准对投标文件第一个信封(商务及技术文件)进行初步评审。
有•项符合否决投标情形的,评标委员会应否决其投标。
(二)第一个侑封详细评审.评标委历会按招标文件规定的量化因本和分值进行打分(如有),并计算出各投标人的商务和技术得分。
分值计算保留小数点后两位,小数点后第三位“四舍五入”。
(三)第二个信封开标.第•个信封(商务及技术文件)评审结束后,招标人将按照招标文件规定的时间和地点对通过投标文件第•个信封(商务及技术文件)评审的投标文件第二个信封(报价文件)进行开标“(四)第二个信封初步评审.评标委员会依据招标文件规定的评审标准对投标文件第二个信封(报价文件)进行初步评审。
有一项符合否决投标情形的,评标委员会应否决其投标。
投标报价修正按卜.列规定进行:1.投标报价仃算术错误的,评标委员会按以下原则对投标报价进行修正,修正的价格经投标人确认后具有约束力0投标人不接受修正价格的,评标委m公应否决其投标.(1)投标文件中的大写金额与小写金额不一致的,以大写金额为准。
(2)总价金额与依据给价计算出的结果不一致的,以单价金额为准修正总价,但平价金额小数点有明显错误的除外。
(3)当单价与数量相乘不等于合价时,以单价计算为准.如果单价有明显的小数点位置差错,应以标HI的作价为准,同时对单价予以修正。
(4)当各子目的合价累计不等丁•总价时,应以各子日合价米计数为准,修正总价。
2.工程量清单中的投标报价有其他钳误的,评标委员会按以下原则对投标报价进行修正,修正的价格经投标人确认后具有约束力。
投标人不接受修正价格的,评标委员会应否决其投标。
(1)在招标人给定的工程量清单中漏报了某个工程子目的单价、合价或总额价,或所报单价、合价或总额价减少J'报价范围,则漏报的工程子目单价、合价和总额价或单价、合价和总额价中减少的报价内容视为已含入其他工程子目的单价、合价和总额价之中.(2)在招标人给定的工程量清单中多报了某个工程子F1.的单价、合价或总额价,或所报单价、合价或总额价增加了报价范圜则从投标报价中扣除多报的工程子目报价或工程子目报价中增加了报价范围的部分报价。
评标办法合理低价法评标办法(合理低价法)评标办法前附表1. 评标⽅法本次评标采⽤合理低价法。
评标委员会对满⾜招标⽂件实质要求的投标⽂件,按照本章第2.2款规定的评分标准进⾏打分,并按得分由⾼到低顺序推荐中标候选⼈。
综合评分相等时,以投标报价低的优先;投标报价也相等的,由招标⼈⾃⾏确定。
2. 评审标准2.1评标⼊围2.1.1投标⽂件存在评标办法前附表所列情况之⼀的,不再进⾏后续评标。
2.1.2当满⾜评标⼊围条件的投标⽂件超过20家时,评标委员会根据评标办法前附表载明的评标⼊围⽅法和数量,确定进⼊后续评标程序⼊围投标⼈。
2.2初步评审标准2.2.1 形式评审标准:见评标办法前附表。
2.2.2 响应性评审标准:见评标办法前附表。
2.3 详细评审2.3.1 评审因素及分值构成:见评标办法前附表;以投标报价为唯⼀评审因素的,本章中关于投标⼈市场信⽤评价的条款不适⽤。
2.3.2 评标基准价计算⽅法:见评标办法前附表。
2.3.3 评分标准(1) 投标报价评分标准:见评标办法前附表;(2)投标报价合理性分析评审:见评标办法前附表。
3. 评标程序3.1评标准备3.1.1 评标委员会成员到达评标现场时应在签到表上签到以证明其出席。
3.1.2 评标委员会成员⾸先推选⼀名评标委员会负责⼈,负责评标活动的组织领导⼯作。
3.1.3 招标⼈或招标代理机构应向评标委员会提供评标所需的信息和数据。
评标委员会负责⼈应组织评标委员会成员认真研究招标⽂件,未在招标⽂件中规定的标准和⽅法不得作为评标的依据。
3.2评标⼊围评标委员会按本章2.1条规定的⽅法确定进⼊初步评审的投标⼈名单。
3.3初步评审3.3.1形式性评审评标委员会根据本章第2.2.1款列出的评审标准,有⼀项不符合评审标准的,作⽆效标处理。
3.3.2响应性评审评标委员会根据本章第2.2.2款列出的评审标准,有⼀项不符合评审标准的,作⽆效标处理。
3.3.3投标报价有算术错误的,评标委员会按以下原则对投标报价进⾏修正,修正的价格经投标⼈书⾯确认后具有约束⼒。
评标办法(合理低价法)评标办法-合理低价法(一)制定依据本评标细则根据招标采购管理制度及实际情况而制定,作为评标工作小组评审《技术标(含符合性审查)》及《商务标》的依据。
(二)评标原则2.1、评标方法:合理低价法。
2.2、评标委员会成员应按招标文件的要求,认真审查、评审各投标人投标文件,并写出书面审查、评审意见;2.3、标委员会成员应在评标过程中评标小组成员行使评委的职权,并签字确认。
(三)评标小组成员组成3.1、评标小组成员由本项目的招标人组建,其成员名单在开标前确定并在中标结果确定前保密。
本次评标小组成员由5人及以上单数组成。
3.2、《技术评》(含符合性审查)评标小组组成员:由需求部门负责牵头组织;设计部1人、工程部1人、分管领导1人,共3人以上(含)单数组成。
3.3、《商务标》评标小组组成:由成本部人员负责牵头组织;成本部1人、招标采购部1人,共2人组成;成本部负责清标分析并出具书面《清标报告》、澄清后对有效《商务标》的评分;采购部负责复核并汇总相关评标结果,出具《评标报告》。
(四)评标程序4.1、评标程序:评标小组成员对各投标人提供的投标文件进行详细评审,具体评审过程按:“符合性审查→技术标评审(初评)→技术标澄清→技术标评审(终评)→商务标初评→商务标澄清→商务标终评→议标→定标会”。
(五)评标内容及方式根据招标文件所规定的“合理低价评标法”,对投标文件进行初评(即符合性及完整性评审)和详评(即技术标、商务标评审),内容如下:5.1、合理低价评标法适用范围:主要是指商务主导型招标项目,包括但不限于:“以公司实力和报价起主导地位的招标项目,包括:土石方工程、土壤氡(含室内空气质量)浓度检测、变形观测、护壁降水工程、抗浮锚杆、总承包工程、保温工程、外立面装饰工程(涂料、幕墙)、公共区域装饰工程、门窗工程(塑钢、铝合金)、钢结构及楼梯栏杆百叶工程、售楼部及样板房装修工程、总平景观工程、停车场划线、供配电工程、弱电工程、消防工程、光彩工程、材料与设备类采购与安装(外墙面砖、电梯、发电机、入户门、防火门、水泵、阀门、电线电缆、景观灯具、配线箱)、测绘、监理、造价咨询、物业保洁、技术主导类以外的招标项目”。
江西省水利工程建设项目施工招标评标办法(试行)经评审的合理低价法项目名称:市2012年小型农田水利重点县工程一、评标原则以公平、公正、科学,择优选择为原则,但不保证最低报价中标。
二、评标委员会的组建评标采取评标委员会负责制。
评标委员会由5名评标专家组成,其中招标人代表不超过1人,其余评标专家按照《江西省水利工程建设项目招标投标管理暂行办法》(赣水建管字【2010】236号文)随机抽取。
评标委员会设主任委员1名,由评标委员会推荐产生。
评标委员会分技术商务组和报价组,技术商务组由3名相关技术类专业人员组成,报价组由2名经济类专业人员组成。
三、评审程序1、评标委员会首先对每一投标人的资格条件进行审查,并对通过资格审查的投标人的投标文件进行详细评审,未通过资格审查的投标人的投标文件将被否决。
2、评标委员会对通过资格审查的所有投标人有效投标唱标价计算其报价得分和在赣信用等级得分(计算方法见评分标准),并按总分由高到低排序,取排序前九名(得分相同时并列进入)的进入实质性响应及报价复核评审。
如中标侯选人不足三家时,则依序补充评审。
3、评标委员会对通过响应性及报价复核评审的投标人按其投标得分由高到低顺序以及招标公告规定推荐不超过3名中标候选人。
如得分相等,则投标唱标价低的优先;投标唱标价也相等的,由招标人代表在招投标监管机构的监督下,当场随机抽取确定最终的中标候选人排序顺位四、资格审查条件不符合下列资格审查条件之一者,则该投标人不能通过资格审查。
1、具备独立法人资格,具有水利水电工程施工总承包叁级及以上资质。
2、具有有效营业执照证书。
3、具有有效安全生产许可证。
4、企业负责人必须执有有效的A类安全生产考核合格证;拟投入项目负责人必须执有水利水电专业贰级及以上注册建造师证或建造师临时执业证书和有效的B类安全生产考核合格证;根据《关于进一步加强水利建设市场管理工作的通知》(赣水建管字[2010] 192号)要求,临时水利水电注册建造师还须取得省级水行政主管部门颁发的岗位证(本省的以水利厅网站公布的最新名单为准)。
江西省水利工程建设项目施工招标评标办法(试行)经评审的合理低价法项目名称:一、评标原则以公平、公正、科学,择优选择为原则,但不保证最低报价中标。
二、评标委员会的组建评标采取评标委员会负责制。
评标委员会由5名评标专家组成,其中招标人代表不超过1人,其余评标专家按照《江西省水利工程建设项目招标投标管理暂行办法》(赣水建管字【2010】236号文)随机抽取。
评标委员会设主任委员1名,由评标委员会推荐产生。
评标委员会分技术商务组和报价组,技术商务组由3名相关技术类专业人员组成,报价组由2名经济类专业人员组成。
三、评审程序1、评标委员会首先对每一投标人的资格条件进行审查,并对通过资格审查的投标人的投标文件进行详细评审,未通过资格审查的投标人的投标文件将被否决。
2、评标委员会对通过资格审查的所有投标人有效投标唱标价计算其报价得分和在赣信用等级得分(计算方法见评分标准),并按总分由高到低排序,取排序前九名(得分相同时并列进入)的进入实质性响应及报价复核评审。
如中标侯选人不足三家时,则依序补充评审。
3、评标委员会对通过响应性及报价复核评审的投标人按其投标得分由高到低推荐不超过3名中标候选人。
如得分相等,则投标唱标价低的优先;投标唱标价也相等的,由招标人代表在招投标监管机构的监督下,当场随机抽取确定最终的中标候选人排序顺位。
四、资格审查条件不符合下列资格审查条件之一者,则该投标人不能通过资格审查。
1、具备独立法人资格,具有水利水电工程施工总承包级及以上资质。
2、具有有效营业执照证书。
3、具有有效安全生产许可证。
4、企业负责人必须执有有效的A类安全生产考核合格证;拟投入项目负责人必须执有水利水电专业(级别)注册建造师证或建造师临时执业证书和有效的B类安全生产考核合格证;根据《关于进一步加强水利建设市场管理工作的通知》(赣水建管字[2010]192号)要求,临时水利水电注册建造师还须取得省级水行政主管部门颁发的岗位证(本省的以江西省水利厅网站公布的最新名单为准)。
、评标方法及分析我国目前评标普通采用两种评标办法:综合评标法和最低价中标评标法。
综合评标法是按照招标文件设定的不同分值权重分别对投标人的技术标和商务标进行评分,按照得分或评标价高低推荐中标候选人。
最低价中标评标法则先进行第一阶段技术标的评审,确定符合招标文件的投标,再进行第二阶段的商务标评审,选择符合条件的最低报价的投标的单位作为中标单位。
因此,技术标评审和商务标评审是招标评审的两个不可缺少的环节。
技术标评审技术标评审通常评审投标人承诺的拟投入本工程的技术人员、设备的配置情况,以及投标人制定的施工方案中的关键工序、技术方案是否严密、可靠、有效,从而评价投标人的技术能力;评审投标人主要管理人员素质和安全生产保障措施与招标文件规定的质量与进度要求的符合程度,从而评价投标人的管理水平。
技术标分为施工方案、施工工期、工程质量以及项目经理及班子的配备四项,分别对各项内容评定并打分。
技术标评审规定每项内容经评定合格才能进行下项评定,或者评审总分必须达到满分的6 0%,才能进入下一阶段的评审。
对技术标应进行以下各项分析:(一)施工方案1、施工方案及平面布置合理性;2、施工进度计划及保证措施;3、质量、安全措施及质量保证体系;4、文明施工措施。
(二)施工工期1、工期满足招标文件要求;2、对工期有承诺及有违约经济处罚措施。
(三)工程质量1、工程质量符合招标文件要求;2、对质量有承诺,有违约经济处罚措施。
(四)项目经理及项目班子的配备1、有与承担本工程项目相适应的项目经理;2、近年来获各级优质工程奖、工程安全奖、优秀项目经理的情况;3、项目施工班子配备情况。
商务标评审商务标评审是按照招标文件规定的计算方法,采用直线内插法计算投标报价得分。
目前评标过程中普遍采用两种计算方法:一种是以标底(或业主的期望值)为基准,以所有投标单位报价的平均值(或剔除不合理报价后的平均值)为依据,计算两者的中间价,作为投报标价得分的最高价;另一种是以经过评审、剔除不合理价格后的最低投标报价,作为投标报价得分的最高价。
XX房屋建筑工程设备采购安装(低压配电柜)评标办法设备采购评分法(经评审的合理低价法)评标办法-设备采购评分法(经评审的合理低价法)1. 评标方法1.1本次评标采用经评审的合理低价法。
根据《中华人民共和国招标投标法》、《中华人民共和国招标投标法实施条例》、《房屋建筑和市政基础设施工程施工招标投标管理办法》、《评标委员会和评标方法暂行规定》和《XX省(市)建筑工程施工评标规则》(X建建X号文)中所规定的标准和补充规定等法律法规和有关实施办法。
评标委员会将对投标文件提出的工程质量、施工工期、施工组织设计、投标价格等,能否最大限度的满足招标文件中规定的各项要求和评价标准进行评审和比较。
1.2 评标办法如下:2.评标程序评标活动将按以下五个步骤进行:(1)评标标前会议;(2)初步评审;(3)技术标评定(4)经济标评审;(5)推荐中标候选人或者直接确定中标人及提交评标报告3.评标标前会议评标委员会成员由随机抽取专家名册中的专家和招标人专家组成。
评标委员会首先推选一名评标委员会主任,原则上评委会主任由专家名册产生,评标委员会主任负责评标活动的组织领导工作。
3.1 招标人或招标代理机构应向评标委员会提供评标所需的信息和数据,包括招标文件、未在开标会上当场拒绝的各投标文件、开标会记录、资格预审文件及各投标人在资格预审阶段递交的资格预审申请文件(适用于已进行资格预审的)。
3.2 评标委员会主任应组织评标委员会成员认真研究招标文件,了解和熟悉招标目的、招标范围、主要合同条件、技术标准和要求、质量标准和工期要求等,掌握评标标准和方法,熟悉本章及附件中包括的评标表格的使用,如果本章及附件所附的表格不能满足评标所需时,评标委员会应补充编制评标所需的表格,尤其是用于详细分析计算的表格。
未在招标文件中规定的标准和方法不得作为评标的依据。
4. 评审标准4.1 初步评审标准4.1.1 形式评审因素:(1)投标文件是否有投标单位法定代表人或其授权代表签字和加盖了投标单位的公章;(2)相关证件是否齐全;(3)投标人是否对同一招标项目做出两个以上报价而未明确效力;(4)技术性能、技术参数、使用年限是否满足招标文件要求;(5)货物到货地点是否符合招标文件要求;(6)交货期是否符合招标文件要求;4.2详细评审标准4.2.1技术标评审技术组评委按照招标文件要求,对投标文件进行评审,评标报告由评委会技术组组长拟稿,全体评标成员签字确认,对出现涉嫌串标围标的情形给予定论(评审标准详附表二)4.2.2经济标评审经济组评委按照招标文件要求对投标文件进行明评,其中分部分项工程量清单报价组成分析、主要材料厂家品牌响应性、措施性费用中措施项目清单报价比例部分的评审应由评标委员会经济组长带领全体评委共同完成。
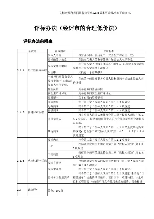
评标办法(经评审的合理低价法)评标办法前附表
1. 评标方法
本次评标采用经评审的合理低价法,评标委员会对满足招标文件实质要求的投标文件,按照得分由高到低的顺序推荐中标候选人。
如果得分相同,以投标报价低者优先;报价也相同的,则由招标人抽签决定。
2. 评审标准
2.1 初步评审标准
2.1.1 形式性评审标准:见评标办法前附表。
2.1.2 资格评审标准:见评标办法前附表。
2.1.3 响应性评审标准:见评标办法前附表。
2.2 详细评审标准
2.2.1报价评分标准:见评标办法前附表。
3. 评标程序
3.1评标准备
3.1.1招标人的准备工作
(1)招标人或招标代理机构将向评标委员会提供评标所需的信息和数据,包括招标文件、开标记录、经备案的招标控制价、招标人标底等;
(2) 查询项目负责人是否有在建工程的记录。
查询地址(包括但不限于):“江苏建设工程招标网”中标人公告栏()、“江苏省交通运输厅”();
(3)查询投标人及项目负责人是否有不良行为记录。
查询地址(包括但不限于):“江苏建设工程招标网”()、“江苏省住房和城乡建设厅”()、“泰兴市公共资源交易信息网”(/ggzy/tx/)、“江苏省交通运输厅”();
(4) 企业资质核查结果网上查询:江苏省建筑市场监管与诚信信息一体化平台(http://58.213.147.230:7001/Jsjzyxyglpt/faces/public/default.jsp)--“企业信息”--“建筑业企业”,核查结果显示在有效期内的,即为核查合格。
(5)查询投标人是否被列入失信被执行人名单。
查询方式:登陆“信用中国”网站→信用服务→失信被执行人查询。
(6)查询投标人是否被列入经营异常名录。
查询地址:国家企业信用信息公示系统。
(7)有关的法律、法规、规章、国家标准以及评标委员会认为必要的其他信息和数据。
3.1.2评标委员会的准备工作
(1)评标委员会成员到达评标现场时,须填写评标专家回避确认表,以确认参加本次评标工作无需要回避的情况。
(2)推荐评标委员会主任。
评标委员会主任由评标委员会推选或招标人直接确定。
评标委员会主任负责评标活动的组织领导工作,具有与评标委员会其他成员同等的表决权。
(3)评标委员会的分工:评标委员会分为资格审查组、技术组和商务组。
资格审查组由评标委员会全体成员组成。
(4)评标委员会主任组织评标委员会成员认真研究招标文件,了解和熟悉招标目的、招标范围、主要合同条件、技术标准和要求、质量标准和工期要求等,掌握评标标准和方法,熟悉相关评标表格的使用,如果表格不能满足评标所需时,评标委员会应补充编制评标所需的表格。
3.2清标
3.2.1清标工作由评标委员会负责,评标委员会应当对投标文件进行基础性数据分析和整理(简称为“清标”),从而发现并提取其中可能存在的对招标范围理解的偏差、投标报价的算术性错误、错漏项、投标报价构成不合理、不平衡报价等存在明显异常的问题,并就这些问题整理形成清标报告。
3.2.2清标内容
(1)投标报价超过招标控制价的;
(2)已标价的工程量清单:
①已标价的工程量清单中改变项目编码、项目名称、项目特征、计量单位和工程量的;
②已标价的工程量清单中出现缺项、多项的;
③已标价的工程量清单中改变不可竞争费用的;
④已标价的工程量清单中改变规费、税金费率标准的;
⑤已标价的工程量清单中存在计算错误的;
(3)投标工期、质量标准不响应招标文件要求的;
(4)投标有效期不满足招标文件要求的;
(5)投标保证金的缴纳不符合招标文件要求的(内容见开标记录);
(6)评标委员会认为需要列出的其他偏差。
3.3初步评审
3.3.1形式性评审
评标委员会根据本章第2.1.1款列出的评审标准,对投标人的投标文件进行形式性评审。
3.3.2资格评审
评标委员会根据本章第2.1.2款列出的评审标准,对投标人的投标文件进行资格评审。
3.3.3响应性评审
评标委员会根据本章第2.1.3款列出的评审标准,对投标人的投标文件进行响应性评审。
3.3.4投标报价有算术错误的,评标委员会按以下原则对投标报价进行修正,修正的价格经投标人书面确认后具有约束力。
投标人不接受修正价格的,评标委员会应当否决其投标。
(1)投标文件中的大写金额与小写金额不一致的,以大写金额为准;
(2)总价金额与依据单价计算出的结果不一致的,以单价金额为准修正总价,但单价金额小数点有明显错误、四舍五入原因的除外;
3.3.5澄清、说明或补正
在初步评审过程中,评标委员会应当就投标文件中不明确的内容要求投标人进行澄清、说明或补正,澄清、说明或补正按照本章第3.5款的规定进行。
3.3.6确定初步评审合格的投标人
通过形式性评审、资格评审和响应性评审合格的投标文件均进入详细评审;
3.4详细评审
初步评审合格的投标人进入详细评审。
详细评审按照评标办法前附表2.2.1条进行。
3.5投标文件的澄清和补正
3.5.1在评标过程中,评标委员会可以书面形式要求投标人对所提交的投标文件中不明确的内容进行书面澄清或说明。
评标委员会不接受投标人主动提出的澄清、说明或补正。
3.5.2 澄清、说明和补正不得改变投标文件的实质性内容。
投标人的书面澄清、说明和补正属于投标文件的组成部分。
3.5.3 评标委员会对投标人提交的澄清、说明或补正有疑问的,可以要求投标人进一步澄清、说明或补正,直至满足评标委员会的要求。
3.6推荐中标候选人
评标委员会在推荐中标候选人时,应遵照以下原则:
3.6.1 评标委员会按照有效投标的投标报价得分由高到低的顺序推荐中标候选人。
3.6.2 投标人数量少于三个或者所有投标被否决时,招标人应当依法重新招标。
3.6.3 评标委员会完成评标后,应当向招标人提交评标报告,并于评标结束时抄送有关行政监督部门。
3.7否决性条款汇总
3.7.1投标文件有下列情况之一的,视作投标人放弃投标。
⑴投标截止时间前,未上传投标文件的;
⑵投标截止时间止,无法确认其投标保证金已缴纳的。
⑶投标人存在第二章5.3款情形之一的。
3.7.2初步评审过程中,投标文件有下列情形之一的,评标委员会作无效标处理:
⑴按照本章第2.1.1款列出的形式性评审标准,出现一项评审因素不符合评审标准的;
⑵按照本章第2.1.2款列出的资格评审标准,出现一项评审因素不符合评审标准的;
⑶按照本章第2.1.3款列出的响应性评审标准,出现一项评审因素不符合评审标准的;
⑷拒绝按评标委员会要求澄清、说明或补正的。
3.7.3 根据招标文件规定,经评标委员会认定为无效报价的。
3.7.4投标文件有下列情形之一的,评标委员会作无效标处理,并视为串通投标,提请建设行政主管部门或者有关行政管理部门进行调查处理:
(1) 不同投标人的投标文件由同一单位或者同一个人编制的;
(2) 不同投标人委托同一单位或个人办理投标事宜;
(3) 不同投标人的投标文件载明的项目管理成员出现同一人的;
(4) 不同投标人的投标文件内容异常一致或报价组成异常一致或者呈规律性变化的;
(5) 不同投标人的投标文件相互混装的;
(6) 不同投标人的投标保证金从同一单位或者个人的账户转出;
(7)不同投标人的投标文件以及投标文件制作过程出现了评标委员会认为其他不应当雷同的情况的。
3.7.5以他人的名义投标、串通投标、以行贿手段谋取中标或者以其他弄虚作假方式投
标的。