大学计算机基础实践教程作业excel2
- 格式:doc
- 大小:11.00 KB
- 文档页数:2
第2题:(电子表格题,本题30分)请在【答题】菜单下选择【进入考生文件夹】命令,并按照题目要求完成下面的操作。
注意:以下的文件必须都保存在考生文件夹下。
在考生文件夹下打开文档EXCEL.XLSX。
【背景素材】财务部助理小王需要向主管汇报2013年度公司差旅报销情况,现在请按照如下需求,在EXCEL.XLSX文档中完成工作:(1)在"费用报销管理"工作表"日期"列的所有单元格中,标注每个报销日期属于星期几,例如日期为"2013年1月20日"的单元格应显示为 "2013年1月20日星期日",日期为"2013年1月21日"的单元格应显示为"2013年1月21日星期一"。
(2)如果"日期"列中的日期为星期六或星期日,则在"是否加班"列的单元格中显示"是",否则显示"否"(必须使用公式)。
(3)使用公式统计每个活动地点所在的省份或直辖市,并将其填写在"地区"列所对应的单元格中,例如"北京市"、"浙江省"。
(4)依据"费用类别编号"列内容,使用VLOOKUP函数,生成"费用类别"列内容。
对照关系参考"费用类别"工作表。
(5)在"差旅成本分析报告"工作表B3单元格中,统计2013年第二季度发生在北京市的差旅费用总金额。
(6)在"差旅成本分析报告"工作表B4单元格中,统计2013年员工钱顺卓报销的火车票费用总额。
(7)在"差旅成本分析报告"工作表B5单元格中,统计2013年差旅费用中,飞机票费用占所有报销费用的比例,并保留2位小数。
(8)在"差旅成本分析报告"工作表B6单元格中,统计2013年发生在周末(星期六和星期日)的通讯补助总金额。
1、在考生文件夹下打开工作簿Excel.xlsx,按照要求完成下列操作并以该文件名(Excel.xlsx)保存工作簿。
某公司拟对其产品季度销售情况进行统计,打开"Excel.xlsx"文件,按以下要求操作:(1)分别在"一季度销售情况表"、"二季度销售情况表"工作表内,计算 "一季度销售额"列和"二季度销售额"列内容,均为数值型,保留小数点后0位。
(2)在 "产品销售汇总图表"内,计算"一二季度销售总量"和"一二季度销售总额"列内容,数值型,保留小数点后0位;在不改变原有数据顺序的情况下,按一二季度销售总额给出销售额排名。
(3)选择"产品销售汇总图表"内A1:E21 单元格区域内容,建立数据透视表,行标签为产品型号,列标签为产品类别代码,求和计算一二季度销售额的总计,将表置于现工作表G1为起点的单元格区域内。
(1)【解题步骤】步骤1:在考生文件夹下打开工作簿Excel.xlsx。
在"一季度销售情况表"的D2单元格中输入"=产品基本信息表!C2*C2"后按"Enter"键,选中D2单元格,将鼠标指针移动到该单元格右下角的填充柄上,当鼠标变为黑十字时,按住鼠标左键,拖动单元格填充柄到要填充的单元格中。
步骤2:在"二季度销售情况表"的D2单元格中输入"=产品基本信息表!C2*C2"后按"Enter"键,选中D2单元格,将鼠标指针移动到该单元格右下角的填充柄上,当鼠标变为黑十字时,按住鼠标左键,拖动单元格填充柄到要填充的单元格中。
步骤3:在"一季度销售情况表"中,选中单元格区域D2:D21,单击【开始】选项卡下【数字】组中的"数字"按钮,弹出"设置单元格格式"对话框,在"数字"选项卡下的"分类"中选择"数值",在"小数位数"微调框中输入"0",单击"确定"按钮。
22秋学期(高起本1709-1803、全层次1809-2103)《大学计算机基础》在线作业二一、单选题共25题,50分1()是显示器的最重要指标。
A对比度B分辨率C亮度D尺寸大小答案:B2、数据库中表的组成内容包括()。
A查询和报表B字段和记录C报表和窗体D窗体和字段答案:B3、Excel中,对工作表使用“重命名”命令后,则下面说法正确的是( )。
A只改变工作表的名称B只改变它的内容C既改变名称又改变内容D既不改变名称又不改变内容答案:A4、将桌面作为一幅图片复制到剪贴板中的快捷键是()。
A PrtSCB PrtSc+AltC Alt+TabD Ctrl+Tab答案:A5、用什么算法求解鸡兔同笼问题最合适()。
A枚举法B递推法C递归法答案:A6、在对PowerPoint中进行自定义动画设置时,可以改变的是()。
A幻灯片中某一对象的动画效果B幻灯片的背景C幻灯片切换的速度D幻灯片的页眉与页脚答案:A7、一个汉字的机内码与国标码之间的差别是()。
A前者各字节的最高位二进制值各为1,而后者为0B前者各字节的最高位二进制值各为0,而后者为1C前者各字节的最高位二进制值各为1、0,而后者为0、1D前者各字节的最高位二进制值各为0、1,而后者为1、0答案:A8、Windows提供的用户界面是()。
A交互式的问答界面B交互式的图形界面C交互式的字符界面D显示器界面答案:B9、将高级语言的源程序翻译成机器指令的翻译方式有两种,包括()。
A编译和解释B翻译和解释C编译和连接D解释和连接答案:A10、-72的原码是()。
A01001000B11001000C10110111答案:B11、在微机中I/O设备是指()。
A控制设备B输入输出设备C输入设备D输出设备答案:B12、关于典型算法说法错误的是()。
A迭代法是数值分析中通过从一个初始估计出发寻找一系列近似解来解决问题的过程B分治法的基本思想是把一个规模为n的问题划分为若干个规模较小、且与原问题相似的子问题,因此和递归问题相同C递归法是利用函数直接或间接地调用自身来完成某个计算过程D回溯法先选择某一种可能情况向前探索,当发现所选用的试探性操作不是最佳选择,需退回一步(回溯),重新选择继续进行试探,直到找到问题的解或证明问题无解答案:B13、Word中段落的对齐方式不包括()。
Excel 2003操作电子表格软件Excel是用于数据处理的软件,它可以对由行和列构成的二维表格总的数据进行管理,能运算、分析、输出结果,并能制作出图文并茂的工作表格。
电子表格中的每一个单元格可以存储的数据并不是简单的数值,而是字符、数值、变量、公式、图像等信息。
实验一:Excel基本操作一、实验目的掌握Excel文档的编辑和格式化,利用公式和函数实现数据处理。
二、实验任务与要求1. 掌握电子表格的基本概念、中文Excel的功能、运行环境、启动和退出2. 掌握工作簿和工作表的基本概念、工作表的创建、数据输入、编辑和排版3. 掌握工作表的插入、复制、移动、更名、保存和保护等基本操作4. 熟练掌握单元格的绝对地址和相对地址的概念,工作表中公式的输入与常用函数的使用。
5. 掌握工作表的格式化、页面设置、打印预览和打印。
三、知识要点1. 工作簿、工作表和单元格2. 编辑栏3. 公式和函数四、实验步骤与操作指导【题目1】数据的基本操作要求:在Sheet1和Sheet2中输入图3.1所示的原始数据。
对Sheet2实现删除班级所在列;将专业列移动到学号列之前,成为A列;将所有的“公共事业管理”替换为“公管”。
操作步骤如下:(a)Sheet1(b) Sheet2图3.1 Sheet1和Sheet2原始数据1. 在Sheet1中输入数据,注意不同数据的输入方法2. 在Sheet2中输入数据。
Sheet2中学号、专业、班级可以使用填充,其他照原样输入。
3. 删除列4. 移动列5. 替换【题目2】工作表操作要求:1. 复制sheet2工作表到最后;并将新复制的工作表取名为“成绩”;2. 删除工作表Sheet3;在Sheet1和Sheet2之间插入2张空白工作表,并将它们命名为“表1”和“表2”;3. 复制Sheet1为Sheet1(2),并对工作表Sheet1(2)施加保护。
【题目3】公式和函数操作要求:在sheet2的G1:J1添加“总分”、“平均分”、“等级”、“军事高数均及格”列;下面各行分别为每位同学的总分、平均分(四舍五入,保留小数1位)、等级(分为优、合格和不合格,平均分85以上为优),军事高数均及格(分为合格和不合格)的具体数据;最后把“学号”、“姓名”和“平均分”的内容复制到“表1”中图3.2 利用公式计算数据操作步骤如下:1. 求总分1)在G2中输入:=SUM(D2:F2)2)鼠标指针移动到G2的填充柄上,拖动鼠标至G15后面有关求平均分、等级、均及格的操作都类似于求总分操作,所以只给出公式2. 四舍五入求平均分在H2中输入公式并填充,公式:=ROUND(A VERAGE(D2:F2),1)3. 求等级在I2中输入公式并填充,公式:=IF(H2>=85,”优”,IF(H2>=60,”合格”,“不合格”))4.求军事理论高等数学均及格在J2中输入公式并填充,公式:=IF(AND(D2>=60,E2>=60),”合格”,“不合格”)5.求最高平均分、最低平均分和平均分高于75的人数=MAX(H2:H15), =MIN(H2:H15), =COUNTIF(H2:H15, “>=75”)6. 把“学号”、“姓名”和“平均分”的内容复制到“表1”附:常用函数求和函数SUM(参数1,参数2,...)算术平均值函数A VERAGE(参数1,参数2,...)最大值函数MAX(参数1,参数2,...)最小值函数MIN(参数1,参数2,...)四舍五入函数ROUND(数值型参数,n)功能:返回对“数值型参数”进行四舍五入到第n位的近似值条件计数COUNTIF(条件数据区,“条件”)功能:统计“条件数据区”中满足给定“条件”的单元格的个数统计个数函数COUNT(参数1,参数2,...) 功能:求一系列数据中数值型数据的个数COUNTA(参数1,参数2,...) 功能:求“非空”单元格的个数COUNTBLANK(参数1,参数2,...) 功能:求“空”单元格的个数【题目4】格式化工作表要求:调整sheet2的A列为“最适合的列宽”;在第1行前插入一行作为标题行,文字为“学生成绩表”并对其格式化;为从“专业”到最后一名同学的“军事高数均及格”的单元格区域的各单元格加上边框;将军事理论、高等数学、计算机中小于60的数据用红色倾斜显示,大于等于90的用浅蓝色背景显示;操作步骤如下:1. 调整列宽2. 插入标题行3. 加边框4. 条件格式设置(1)选择军事理论、数学、计算机列包含数据的单元格(2)选择“格式”菜单的“条件格式”命令项(3)在条件格式对话框中完成相应的格式设置5. 设置“顶端标题行”(1)文件→页面设置(2)在“页面设置”对话框中完成设置。
Excel 07综合实验(二)【实验名称】Excel2007的综合实验操作【实验目的】通过本次课的学习,使学生能够掌握Excel2007中具有一定综合能力的实验,能利用Excel 2007进行各种类型的计算和解决实际问题的能力。
【实验背景】现有某班的学生成绩表,成绩及学生信息如图1所示,要求:1、在sheet2中制作出题目给出的学生成绩表。
并将单元格A1:L1合并并水平居中,将标题“学生成绩表”字号设为24号,加粗,隶书,红色字体,加单下划线,其它字体设为黑体,10号,且水平居中;2、用公式计算年龄、总成绩、平均成绩、最高分、最低分、名次及各个分数段的人数。
3、用公式计算平均分>=80分的人所占的比例。
4、若出生日期为当前月份,在备注栏里输入“祝你生日快乐”。
5、将sheet2更名为你的专业班级。
6、计算等级字段:平均成绩>=90分的为“优秀”,平均成绩大于等于70且小于90的为“良好”,平均成绩大于等于60且小于70的为“及格”,平均成绩小于60为“不及格”。
7、将英语成绩和计算机成绩中不及格显示为示红色加粗字体,90分以上的显示为绿色倾斜。
8、筛选出所有男生且平均成绩在80分以的人的信息,结果放在表的下面。
9、以姓名和总成绩为数据生成簇状柱形图。
图1成绩表【实验设备】装有Windows XP的微型计算机、Excel2007软件【预备知识】Windows操作系统的操作知识【实验原理】在Excel2007中,使用部分选项卡中的部分工具组【实验步骤】略【拓展实验】【选做】现有某单位的工资表,内容如图2所示,要求:1.在sheet2中做出图中给出的“成绩表”;标题以艺术字体显示。
2.在成绩表中计算总分和平均分(用公式)。
3.根据平均分用IF函数求出每个学生的等级;等级的标准:平均分60分以下为“差”;平均分60分以上(含60分)、75分以下为“中等”;平均分75分以上(含75分)、90分以下为“良好”;平均分90分以上为“优秀”。
Excel选择题1. Excel 工作表的单元格中存储内容与显示内容之间的关系不可能是()。
A. 存储计算公式也显示计算公式B. 存储数值也显示数值C. 存储计算公式显示运算结果D. 存储运算结果显示计算公式2. Excel 默认的第一张图表名为()。
A.工作表1B.图表1C.工作薄1D.无标题13. Excel 默认的工作窗口由()。
A. 标题栏、菜单栏、编辑栏、数据栏、状态栏等组成B. 标题栏、菜单栏、工具栏、数据编辑区、状态栏等组成C. 数据栏、菜单栏、工具栏、格式栏、状态栏等组成D. 数据栏、菜单栏、工具栏、编辑栏、视图栏等组成4. Excel 中使字体变斜的快捷键是()。
A.Shift+IB.End+IC.Ctrl+ID.Alt+I5. Excel工作表区域A2:C4中的单元格个数共有()。
A.3B.6C.9D.126、Excel是电子表格软件,它()。
A.在DOS环境下运行B.在Windows环境下运行C.在DOS和Windows环境下都可以运行D. 可以不要任何环境,独立地运行7、对于Excel 的数据图表,下列说法中正确的是()。
A.嵌入式图表与数据源工作表毫无关系B.嵌入式图表是将工作表和图表分别存放在不同的工作表中C.嵌入式图表是将数据表和图表存放在同一张工作表中D.嵌入式图表是将工作表数据和相应图表分别存放在不同的工作簿中8、关于Excel 的插入操作,正确的操作是先选择列标为D的列,然后应该()。
A.单击鼠标左键弹出快捷菜单选择“插入一列”后,将在原D列之前插入一列B.单击鼠标左键弹出快捷菜单选择“插入一列”后,将在原D列之后插入一列C.单击鼠标右键弹出快捷菜单选择“插入一列”后,将在原D列之前插入一列D.单击鼠标右键弹出快捷莱单选择“插入一列”后,将在原D列之后插入一列9、退出Excel 窗口的快捷键是()。
A.Shift+F4B.Ctrl+F4C.Alt+F4D.F410、下列不能输入到Excel工作表单元格中的数据是()。
167 (1)打开PowerPoint 文档之后,单击“插入”选项卡中“文本”组中“对象”按钮,在弹出的“插入对象”对话框中选择“由文件创建”,然后单击“浏览”按钮,如图7.54
所示。
图7.54 PowerPoint 中插入“对象”对话框
(2)在对话框中选择要插入的Excel 文档,单击“确定”按钮后即可在文档中插入表格,双击表格,即进入Excel 工作表编辑状态,方便编辑。
7.6 Excel 综合实例——职工工资表
我们以职工工资表为例,使用Excel 2013进行电子表格综合处理的示例。
要求如下。
1.如图7.55所示,建立工资表“第一车间(5月份)工资表”并
输入数据。
图7.55 工资表数据
2.对该工资表进行美化,加入表头“第一车间(5月份)工资表”,同时,设置字体字号、单元格对齐方式和表格边线。
3.将Sheet1表中内容复制到Sheet2表并将Sheet1表更名为“5月份”,Sheet2表更名为“6月份”(稍做修改留作下一个月的空白表格)。
4.求出“工资表”中“应发工资”和“实发工资”数据并填入相应单元格中(应发工资=基本工资+岗位津贴+工龄津贴+奖励工资,实发工资=应发工资-应扣工资)。
5.设计表格布局,添加一行求出表中除“工号”“姓名”“分组”外其他栏目的平均数(小数。
excel作业设计2全国计算机应用技术证书考试(NIT)作业设计——电子表格模块作业名称:电子表格软件包的应用一、概要说明:硬件:内存:512M;硬盘:40G;CPU:赛扬3.0 软驱:3.5英寸;显示器:SVGA;键盘:103;软件:windows2000(中文版);电子表格处理系统:Microsoft excel2000(中文版)二、作业内容:1、问题的引出:春节前后,盐百超市举行促销活动,对促销产品的售出量以及员工提成的统计计算是一项数据量和工作量均较大,较复杂的工作,加上为提高员工工作积极性,提高产品的销售数量,更增加了问题的复杂性和工作量,且容易出错,针对此情况,提出用电子表格实现对员工月提成数据统计手续的自动化。
2、原始销售规定与数据的收集:(1)、销售规定:为提高销量,提高售货员工作积极性,盐百超市规定:可口可乐:每位售货员每月销量达到160瓶,提成5角/瓶,达到180瓶后提成8角/瓶;康师傅方便面:每位售货员每月销量达到200袋,提成1角/袋,达到240袋后提成2角/袋;瓜子:每位售货员每月销量达到90斤,提成4角/斤,达到120斤后提成8角/斤。
(2)、原始数据:盐百超市经理提供原始数据。
包括:售货员人数、编号及基本工资。
(3)、中间数据:为了便于售货员对自己工作情况的了解,有原始数据可以派生出为获得最后结果,包括:售货员员各产品中所获提成。
(4)、结果数据:售货员月提成3、电子表格设计:表格包括:提成规定表,盐百一月促销活动售货员销售情况表,三种产品中都有提成的售货员销售情况表(1)、“提成规定表”包括:标题行,并给出促销产品以及提成规定标准。
(2)、“盐百一月促销活动售货员销售情况表”包括:标题行和销售员、可乐销量、方便面销量、瓜子销量、各项产品提出及总提成八个数据列组成。
(3)、“三种产品中都有提成的售货员销售情况表”是从“盐百一月促销活动售货员销售情况表”中筛选出的。
(4)、图表输出区:为了保证数据的输出及修改,调整工作表及各列列宽,合理安排纸张,保证打印输出。
电子表格Excel操作(2010-11-13)实验1 EXCEL输入和公式的使用一、实验目的1.掌握单元格内容的输入编辑;2.掌握利用填充炳自动填入数据;3.掌握利用函数公式进行统计计算;4.掌握工作表的格式设置。
二、实验内容1.在当前工作表Sheet1中输入表格数据;2.输入公式SUM、A VERAGE、MAX、RANK、IF和COUNTIF进行统计计算;3.工作表格式化和美化。
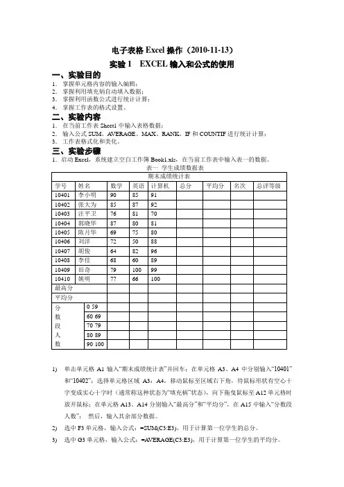
三、实验步骤1.启动Excel,系统建立空白工作簿Book1.xls,在当前工作表中输入表一的数据。
1)单击单元格A1输入“期末成绩统计表”并回车;在单元格A3、A4中分别输入“10401”和“10402”;选择单元格区域A3:A4,移动鼠标至区域右下角,待鼠标形状有空心十字变成实心十字时(通常称这种状态为“填充柄”状态),向下拖曳鼠标至A12单元格时放开鼠标;在单元格A13、A14分别输入“最高分”和“平均分”,在A15中输入“分数段人数”;然后,输入其余部分数据。
2)选中F3单元格,输入公式:=SUM(C3:E3),用于计算第一位学生的总分。
3)选中G3单元格,输入公式:=A VERAGE(C3:E3),用于计算第一位学生的平均分。
4)选中H3单元格,输入公式:=RANK(F3,$F$3:$F$12),计算出第一位学生总分成绩的名次(此处,假定共有10位学生)。
RANK函数的参数,如图1所示,Ref表示一组数据的单元格地址,一般用绝对引用。
5)选中I3单元格,输入公式:=IF(G3>=85,"优秀"," "),利用IF函数,将平均分高于90的学生评为优秀。
IF函数的参数,如图2所示,Logical_test为判断表达式,一般为关系表达式或逻辑表达式。
图2 IF函数的参数6)同时选中F3到I3单元格,将鼠标移至I3单元格右下角的成“细十字”状时,按住左键向下拖拉至H12单元格,完成其他学生的总分、平均分、名次及总评等级的统计处理工作。
Excel选择题1. Excel工作表的单元格中存储内容与显示内容之间的关系不可能是()。
A. 存储计算公式也显示计算公式B. 存储数值也显示数值C. 存储计算公式显示运算结果D. 存储运算结果显示计算公式2. Excel默认的第一张图表名为()。
A.工作表1B.图表1C.工作薄1D.无标题13. Excel默认的工作窗口由()。
A. 标题栏、菜单栏、编辑栏、数据栏、状态栏等组成B. 标题栏、菜单栏、工具栏、数据编辑区、状态栏等组成C. 数据栏、菜单栏、工具栏、格式栏、状态栏等组成D. 数据栏、菜单栏、工具栏、编辑栏、视图栏等组成4. Excel中使字体变斜的快捷键是()。
A.Shift+IB.End+IC.Ctrl+ID.Alt+I5. Excel工作表区域A2:C4中的单元格个数共有()。
A.3B.6C.9D.126、Excel是电子表格软件,它()。
A.在DOS环境下运行B.在Windows环境下运行C.在DOS和W indow s环境下都可以运行D. 可以不要任何环境,独立地运行7、对于 Excel的数据图表,下列说法中正确的是()。
A.嵌入式图表与数据源工作表毫无关系B.嵌入式图表是将工作表和图表分别存放在不同的工作表中C.嵌入式图表是将数据表和图表存放在同一张工作表中D.嵌入式图表是将工作表数据和相应图表分别存放在不同的工作簿中8、关于 Excel的插入操作,正确的操作是先选择列标为D的列,然后应该()。
A.单击鼠标左键弹出快捷菜单选择“插入一列”后,将在原D列之前插入一列B.单击鼠标左键弹出快捷菜单选择“插入一列”后,将在原D列之后插入一列C.单击鼠标右键弹出快捷菜单选择“插入一列”后,将在原D列之前插入一列D.单击鼠标右键弹出快捷莱单选择“插入一列”后,将在原D列之后插入一列9、退出 Excel窗口的快捷键是()。
计算机应用基础作业2一、单项选择题(共40题)1、Excel工作表中最小操作单元是(A)A.单元格 B.一行C.一列 D.一张表2、在Excel 2003工作表的单元格中,若想输入作为学号的数字字符串550327,则应输入(A)A.'550327 B.550327 C.'550327' D."550327"3、在Excel 2003中,日期数据的类型属于(D)A.数字 B.文字C.逻辑 D.时间4、在Excel 2003中,单元格F22的混合地址表示为(C)A.$F$22 B.22#F C.$F22 D.F225、不包含在Excel的格式工具栏中的按钮是(B)A.合并及居中B.打印C.货币样式D.边框6、当向Excel工作簿文件中插入一张电子工作表时,表标签中的英文单词为(A)A.Sheet B.Book C.Table D.List7、在Excel 2003中,单元格地址包括的信息是所在位置的(A)A.列和行的地址B.内容 C.列地址 D.行地址8、假定单元格D3中保存的公式为"=B3+C3",若把它复制到E4中,则E4中保存的公式为(D) A.=B3+C3 B.=C3+D3 C.=B4+C4 D.=C4+D49、Excel通过(B)功能实现图表的创建。
A.数据库应用B.图表向导C.函数D.数据地图10、在具有常规格式的单元格中输入数值后,其显示方式是(B)A.左对齐 B.右对齐 C.居中 D.随机11、在Excel的页面设置中,不能够设置(B)A.纸张大小 B.每页字数 C.页边距D.页眉12、在Excel中进行排序操作时,最多可按(C)个关键字进行排序。
A.1个B.2个C.3个D.需根据排序方式确定其项目个数13、在PowerPoint幻灯片中,插入SWF格式的Flash动画的方法是(B)A."插入"菜单中的"对象"命令 B.Shockwave Flash Object控件C.设置文字的超链接 D.设置按钮的动作14、在PowerPoint中,设置幻灯片背景的"填充效果"选项中包含(C)A.字体、字号、颜色、风格 B.设计模板、幻灯片版式C.渐变、纹理、图案和图片 D.亮度、对比度和饱和度15、PowerPoint中选择了某种"设计模板",幻灯片原来的背景是否显示(A)A.可以定义B.不能定义C.不能忽略模板D.不改变16、PowerPoint中,要隐藏某个幻灯片,应使用(D)A.选择"工具"菜单中的"隐藏幻灯片"命令项B.选择"视图"菜单中的"隐藏幻灯片"命令项C.左键单击该幻灯片,选择"隐藏幻灯片"D.右键单击该幻灯片,选择"隐藏幻灯片"17、在幻灯片视图窗格中,在状态栏中出现了“幻灯片2/7”的文字,则表示(B)A.共有7张幻灯片,目前只编辑了2张B.共有7张幻灯片,目前显示的是第2张C.共编辑了七分之二张的幻灯片D.共有9张幻灯片,目前显示的是第2张18、PowerPoint提供的设置放映方式有(A)A.演讲者放映、观众自行浏览、在展台浏览B.顺序放映、观众自行浏览、在屏幕浏览C.自定义放映、循环放映、在展台浏览D.手动放映、观众自行浏览、连续放映19、在PowerPoint的数据表中,数字默认是(B)A.左对齐B.右对齐C.居中D.两端对齐20、在幻灯片母版设置中,可以起到(A)的作用。
【实验目的】1.了解工作簿文件和工作表的基本操作。
2.掌握工作表中数据的输入方法。
3.掌握公式和函数的使用【实验内容】1.Excel 2003工作簿文件的建立。
2.向工作表中输入数据。
3.使用公式和函数计算学生总分、最高分、平均分并评出优秀学生。
4.工作表的改名、移动、复制。
5.保存工作簿。
【实验作业】1. 新建一个工作簿,完成下列操作。
[操作要求]①在Sheet1中按照图4-13所示的内容输入数据,序号和月份用填充柄输入。
②计算每种产品的月平均销售额。
③计算每种产品的季度销售额。
④将Sheet1工作表命名为“销售情况表”。
⑤保存工作簿文件为“某公司产品销售情况表.xls”。
[操作步骤]①启动Excel2003,建立Excel表格,用填充柄输入数据,序号,月份。
②选中G3单元格,点击编辑下的函数“fx”按钮,选择AVERAGE ,修改参数为C3:E3,点击确定。
拖动G3的填充柄,当其变为十字形时,拖动至G7,计算其他月平均。
③选中F3单元格,点击编辑下的函数“fx”按钮,选择SUM,系统检测参数为C3:E3,点击确定。
拖动D3的填充柄,当其变为十字形时,拖动至D7,计算其他季度合计。
④双击Sheet1,改名为“销售情况表”。
⑤点击文件按钮,选择保存,将文件名命名为“某公司销售情况表.xls”。
2.建立一个工作簿文件“职工工资表.xls”。
[操作要求]①在Sheet1中输入图4-14所示的数据。
②计算每人应发工资。
应发工资是基本工资、津贴和奖金三项收入的和。
③计算每人税金金额。
税金金额的计算公式为:税金金额=应发工资-800。
④计算每人的个人所得税。
个人所得税的计算方法为:税金在500元以下,交税金金额的5%;税金在500以上至2000元以下,交税金金额的10%;税金在2000元以上至5000元以下,交税金金额的15%。
⑤计算每人的实发工资。
实发工资的计算公式为:实发工资=应发工资-个人税-扣款。
实验二电子表格软件Excel应用(理科)实验类型:基本学时:4姓名:学号:班级:日期:注意:请输入你的班级和实验日期。
按照实验内容在实验教师的指导下,完成每一次的实验操作后,填写该实验报告。
按照《大学计算机基础实验指导》第2章Office应用软件实验中的实验内容,完成各项实验操作后,填写该实验报告。
一、实验目的1.熟练掌握电子表格软件Excel中数据的输入和编辑2.熟练掌握电子表格软件Excel中单元格绝对引用、相对引用和混合引用的方法。
3.熟练掌握电子表格软件Excel中利用公式和函数进行计算的方法4.熟练掌握电子表格软件Excel中利用排序、筛选和分类汇总对数据进行分析的方法以及由工作表中的数据生成各种图表的方法。
二、实验报告内容1.按照《大学计算机基础实验指导》第2章Office应用软件实验实验3的实验内容要求,参照P.57~P64的操作提示,将完成的成绩表如图2-32的表格内容粘贴至此:(提示:在Excel中选择数据区域后复制,在Word中选择“编辑/选择性粘贴/粘贴链接为Microsoft Office Excel对象)。
《大学计算机基础》电子实验报告实验二电子表格软件Excel应用(理科)2.按照《大学计算机基础实验指导》第2章Office应用软件实验实验3的实验内容要求,参照P.65的操作提示,将排序结果如图2-49的表格内容粘贴至此:(提示:在Excel中选择数据区域后复制,在Word中选择“编辑/选择性粘贴/粘贴链接为Microsoft Office Excel对象)。
将此电子实验报告以自己的学号为文件名(如:)保存到本地磁盘后上传3.按照《大学计算机基础实验指导》第2章Office应用软件实验实验3的实验内容要求,参照P.66的操作提示,将筛选结果如图2-52的表格内容粘贴至此:(提示:在Excel中选择数据区域后复制,在Word中选择“编辑/选择性粘贴/粘贴链接为Microsoft Office Excel对象)。
Excel选择题1. Excel 工作表的单元格中存储内容与显示内容之间的关系不可能是()。
A. 存储计算公式也显示计算公式B. 存储数值也显示数值C. 存储计算公式显示运算结果D. 存储运算结果显示计算公式2. Excel 默认的第一张图表名为()。
A.工作表1B.图表1C.工作薄1D.无标题13. Excel 默认的工作窗口由()。
A. 标题栏、菜单栏、编辑栏、数据栏、状态栏等组成B. 标题栏、菜单栏、工具栏、数据编辑区、状态栏等组成C. 数据栏、菜单栏、工具栏、格式栏、状态栏等组成D. 数据栏、菜单栏、工具栏、编辑栏、视图栏等组成4. Excel 中使字体变斜的快捷键是()。
A.Shift+IB.End+IC.Ctrl+ID.Alt+I5. Excel工作表区域A2:C4中的单元格个数共有()。
A.3B.6C.9D.126、Excel是电子表格软件,它()。
A.在DOS环境下运行B.在Windows环境下运行C.在DOS和Windows环境下都可以运行D. 可以不要任何环境,独立地运行7、对于Excel 的数据图表,下列说法中正确的是()。
A.嵌入式图表与数据源工作表毫无关系B.嵌入式图表是将工作表和图表分别存放在不同的工作表中C.嵌入式图表是将数据表和图表存放在同一张工作表中D.嵌入式图表是将工作表数据和相应图表分别存放在不同的工作簿中8、关于Excel 的插入操作,正确的操作是先选择列标为D的列,然后应该()。
A.单击鼠标左键弹出快捷菜单选择“插入一列”后,将在原D列之前插入一列B.单击鼠标左键弹出快捷菜单选择“插入一列”后,将在原D列之后插入一列C.单击鼠标右键弹出快捷菜单选择“插入一列”后,将在原D列之前插入一列D.单击鼠标右键弹出快捷莱单选择“插入一列”后,将在原D列之后插入一列9、退出Excel 窗口的快捷键是()。
A.Shift+F4B.Ctrl+F4C.Alt+F4D.F410、下列不能输入到Excel工作表单元格中的数据是()。
●作业要求:
1.将标题行“职工工资表”合并居中,并将格式设为黑体,字号20。
2.在“路程”与“沈梅”之间插入一行,数据为:刘怡 F 230.6 100 0
3.在B列和C列之间插入一列,标题为“性别”,利用函数将B列的性别代码变为性别信息,“M”为
“男”,“F”为“女”
4. 利用函数计算出每个人的房租,标准为基本工资在500元以上,房租为120元;基本工资在300-500
之间,房租为70元。
5.用公式求出每个人的实发工资(实发工资=基本工资+奖金+补贴-房租。
6. 在C25单元格中求出总人数;在C26单元格中求出男性人数;在C27单元格中求出女性的房租总
和,在C28单元格中求出奖金在300元以上、250元以下的人数。
职工工资表
姓名性别代码性别基本工资奖金补贴房租实发工资
刘惠民M男315.32253.00100.0070598.3270李宁宁F女
285.12230.00100.000615.120张鑫M男490.34300.00200.0070920.3470路程M男200.76100.000.000300.760刘怡F女230.60100.000.000330.600沈梅F女
580.00320.00300.001201080.00120高兴M男390.78240.00150.0070710.7870王陈M男500.60358.00200.00120938.60120陈岚F女300.80230.00100.0070560.8070周嫒F女450.36280.00200.0070860.3670王国强M男200.45100.000.000300.450
刘倩如F 女280.45220.0080.000580.450陈雪如F 女
360.30240.00100.0070630.3070赵英英F
女612.60450.00300.001201242.6012014645011总人数
男性人数女性房租总和奖金在300元以上、250元以下的人数。