六类焊接性能及特点
- 格式:docx
- 大小:14.85 KB
- 文档页数:2
对焊接的认识和理解一、焊接原理焊接是通过加热或加压,或两者并用,使两个分离的物体产生原子间结合力,从而连接成一个整体的工艺过程。
焊接的能量来源有很多种,包括气体火焰、电弧、激光、微波或其他类型的热源。
二、焊接方法根据加热方法的不同,焊接可以分为熔化焊、压力焊和钎焊三大类。
熔化焊主要包括电弧焊、气焊、激光焊等;压力焊主要包括超声波焊、摩擦焊等;钎焊则是利用液态钎料润湿母材,填充接头间隙,并与母材相互扩散实现连接。
三、焊接材料焊接材料包括焊条、焊丝、焊剂、保护气体等。
选择合适的焊接材料对于保证焊接质量至关重要,需要根据母材的化学成分、机械性能以及焊接工艺要求等因素进行选择。
四、焊接工艺焊接工艺是指焊接过程中的一系列操作步骤和参数,包括焊接方法、焊接材料、焊接电流、焊接速度等。
合理的焊接工艺能够保证焊接质量,提高生产效率,降低成本。
五、焊接缺陷焊接过程中可能出现各种缺陷,如气孔、夹渣、未熔合、裂纹等。
这些缺陷会影响焊接接头的力学性能和耐腐蚀性能,需要采取措施加以控制和预防。
六、焊接安全焊接作业涉及高温和高电压,可能对操作人员和周围环境造成危害。
因此,进行焊接作业时必须遵守安全规范,如穿戴防护服、戴防护眼镜、使用防护罩等。
七、焊接设备焊接设备包括各种焊接机、焊枪、焊机控制系统等。
选择合适的焊接设备能够提高生产效率,保证焊接质量,降低成本。
八、焊接质量检测焊接质量检测是确保焊接接头质量的重要环节。
检测方法包括外观检查、无损检测(如X射线检测、超声波检测等)、力学性能试验等。
通过质量检测可以及时发现并处理焊接缺陷,提高产品质量。
焊接缺陷分类:①从宏观上看,可分为裂纹、未熔合、未焊透、夹渣、气孔、及形状缺陷,又称焊缝金属表面缺陷或叫接头的几何尺寸缺陷,如咬边,焊瘤等。
在底片上还常见如机械损伤(磨痕),飞溅、腐蚀麻点等其他非焊接缺陷。
②从微观上看,可分为晶体空间和间隙原子的点缺陷,位错性的线缺陷,以及晶界的面缺陷。
微观缺陷是发展为宏观缺陷的隐患因素。
宏观六类缺陷的形态及产生机理①气孔:焊接时,熔池中的气泡在凝固时未能逸出而残留下来所形成的空穴。
气孔可分为条虫状气孔、针孔、柱孔,按分布可分为密集气孔,链孔等。
气孔的生成有工艺因素,也有冶金因素。
工艺因素主要是焊接规范、电流种类、电弧长短和操作技巧。
冶金因素,是由于在凝固界面上排出的氮、氢、氧、一氧化碳和水蒸汽等所造成的。
②夹渣:焊后残留在焊缝中的溶渣,有点状和条状之分。
产生原因是熔池中熔化金属的凝固速度大于熔渣的流动速度,当熔化金属凝固时,熔渣未能及时浮出熔池而形成。
它主要存于焊道之间和焊道与母材之间。
③未熔合:熔焊时,焊道与母材之间或焊道与焊道之间未完全熔化结合的部分;点焊时母材与母材之间未完全熔化结合的部分,称之。
未熔合可分为坡口未熔合、焊道之间未熔合(包括层间未熔合)、焊缝根部未熔合。
按其间成分不同,可分为白色未熔合(纯气隙、不含夹渣)、黑色未熔合(含夹渣的)。
产生机理:a.电流太小或焊速过快(线能量不够);b.电流太大,使焊条大半根发红而熔化太快,母材还未到熔化温度便覆盖上去。
C.坡口有油污、锈蚀;d.焊件散热速度太快,或起焊处温度低;e.操作不当或磁偏吹,焊条偏弧等。
④未焊透:焊接时接头根部未完全熔透的现象,也就是焊件的间隙或钝边未被熔化而留下的间隙,或是母材金属之间没有熔化,焊缝熔敷金属没有进入接头的根部造成的缺陷。
产生原因:焊接电流太小,速度过快。
坡口角度太小,根部钝边尺寸太大,间隙太小。
焊接时焊条摆动角度不当,电弧太长或偏吹(偏弧)⑤裂纹(焊接裂纹):在焊接应力及其它致脆因素共同作用下,焊接接头中局部地区的金属原子结合力遭到破坏而形成的新界面而产生缝隙,称为焊接裂纹。
焊丝区别及用途焊丝是焊接过程中必不可少的材料之一,它的种类繁多,每种焊丝都有其独特的特点和用途。
本文将以焊丝区别及用途为主题,探讨不同种类焊丝的特点和适用范围。
一、铝焊丝铝焊丝是一种常用的焊接材料,主要用于铝及铝合金的焊接。
铝焊丝具有良好的可塑性和导电性,焊接后的接头强度高,耐腐蚀性好。
在航空、汽车、船舶等领域广泛应用,用途十分广泛。
二、铜焊丝铜焊丝主要用于焊接铜及铜合金材料,具有良好的导电性和导热性能,焊接后接头牢固可靠。
铜焊丝广泛应用于电子、电器、管道等领域的焊接工艺中。
三、不锈钢焊丝不锈钢焊丝通常用于焊接不锈钢材料,具有耐高温、耐腐蚀、抗拉强度高等特点。
不锈钢焊丝广泛应用于化工、食品加工、医药等领域的焊接工艺中,用途广泛。
四、镍焊丝镍焊丝主要用于焊接镍及镍合金材料,具有耐腐蚀性好、耐高温性能优异的特点。
镍焊丝广泛应用于化工、电力、船舶等领域的焊接工艺中,用途广泛。
五、钛焊丝钛焊丝主要用于焊接钛及钛合金材料,具有良好的耐腐蚀性和耐高温性能。
钛焊丝广泛应用于航空航天、船舶、化工等领域的焊接工艺中,用途广泛。
六、镁焊丝镁焊丝主要用于焊接镁及镁合金材料,具有良好的轻质化特性和耐腐蚀性能。
镁焊丝广泛应用于汽车、航空航天、电子等领域的焊接工艺中,用途广泛。
七、镀锌焊丝镀锌焊丝主要用于焊接镀锌钢材料,具有良好的耐腐蚀性和机械强度。
镀锌焊丝广泛应用于建筑、制造业等领域的焊接工艺中,用途广泛。
八、镍铬铁焊丝镍铬铁焊丝主要用于焊接不锈钢、耐热钢等材料,具有良好的耐腐蚀性和高温强度。
镍铬铁焊丝广泛应用于石油化工、电力、核工业等领域的焊接工艺中,用途广泛。
九、硅钢焊丝硅钢焊丝主要用于焊接硅钢片,具有良好的导磁性和机械强度。
硅钢焊丝广泛应用于电机、变压器等领域的焊接工艺中,用途广泛。
总结:不同种类的焊丝具有各自独特的特点和用途,应根据具体的焊接材料和要求选择适合的焊丝。
铝焊丝适用于铝及铝合金的焊接,铜焊丝适用于铜及铜合金的焊接,不锈钢焊丝适用于不锈钢材料的焊接,镍焊丝适用于镍及镍合金的焊接,钛焊丝适用于钛及钛合金的焊接,镁焊丝适用于镁及镁合金的焊接,镀锌焊丝适用于镀锌钢材料的焊接,镍铬铁焊丝适用于不锈钢、耐热钢等材料的焊接,硅钢焊丝适用于硅钢片的焊接。
6类无氧铜全文共四篇示例,供读者参考第一篇示例:无氧铜是一种广泛应用于工业领域的铜合金,由于其具有良好的导电性和导热性,被广泛用于制造电器、电子产品、汽车零件等领域。
无氧铜并非只有一种,根据其成分不同,可以分为六类:钛铜、铋铜、磷铜、镉铜、锡铜和锌铜。
首先介绍钛铜,钛铜是一种含有少量钛的无氧铜合金。
钛的加入可以提高铜的硬度和强度,同时保持良好的导电性能。
钛铜常用于制造高性能的电器连接器、导线等。
其次是铋铜,铋铜是一种含有少量铋的无氧铜合金。
铋的加入可以提高铜的耐磨性和耐蚀性,使其更适用于高温和腐蚀环境下的应用。
铋铜常用于制造汽车零件、工业阀门等。
无氧铜是一种非常重要的工业材料,根据其成分的不同可以满足不同的工程需求。
通过合理的选择和设计,无氧铜可以发挥其最大的性能,为各个领域的应用提供可靠的支持。
【注:本文仅供参考,具体应用请根据实际情况进行调整】。
第二篇示例:无氧铜是一种纯净度极高的铜材料,其表面不含氧化膜,通常用于电气工程和其他高要求的应用领域。
无氧铜具有很低的氧含量,能够提供更好的电导率和热导率,因此在电气传输和散热领域得到了广泛应用。
根据铜材料的加工工艺和纯度等级,无氧铜可以分为多种类型,下面将介绍关于六类常见的无氧铜材料。
一、C10100无氧铜C10100是一种高传导性无氧铜,具有极高的电和热导率,属于无氧电解铜,适用于各种电气工程和导热领域。
C10100无氧铜的氧含量极低,可以有效减少导电阻力和热阻力,在电池制造、电线电缆、接线头等领域有着广泛的应用。
C10200无氧铜是一种较高电导率的材料,适用于需要高效导电的应用场合。
与C10100相比,C10200无氧铜的电导率更高,在要求更严格的电气设备和电子器件中得到广泛应用,如印刷电路板、导体等。
C10300无氧铜是一种含磷的铜材料,具有优异的氧自毁效果,适用于高温条件下的应用场合。
C10300无氧铜在航空航天、火箭发动机等领域有着重要的应用价值,可以提高材料的耐高温性能和抗腐蚀性能。
焊条的基础知识大全展开全文焊条的基础知识大全一、焊条的组成及其作用涂有药皮的供弧焊用的熔化电极称为电焊条,简称焊条。
焊条由焊芯和药皮 ( 涂层 ) 组成。
通常焊条引弧端有倒角,药皮被除去一部分,露出焊芯端头,有的焊条引弧端涂有引弧剂,使引弧更容易。
在靠近夹持端的药皮上印有焊条牌号。
焊条中被药皮包覆的金属芯称焊芯。
焊条电弧焊时,焊芯与焊件之间产生电弧并熔化为焊缝的填充金属。
焊芯既是电极,又是填充金属。
按国家标准 GB/1495.7-1999 《焊接用钢丝》和 GB/17854—1999 《焊接用不锈钢丝》的规定,用于焊芯的专用的金属丝( 称焊丝 )分为碳素结构钢、低合金结构钢和不锈钢3类。
焊芯的成分将直接影响着熔敷金属的成分和性能,各类焊条所用的焊芯(钢丝)见表2-1。
表 2-1各类焊接条所用的焊芯涂敷在焊芯表面的有效成分称为药皮,也称涂层。
焊条药皮是矿石粉末、铁合金粉、有机物和化工制品等原料按一定比例配制后压涂在焊芯表面上的一层涂料。
其作用是:1、机械保护焊条药皮熔化或分解后产生气体和熔渣,隔绝空气,防止熔滴和熔池金属与空气接触。
熔渣凝固后的渣壳覆盖在焊缝表面,可防止高温的焊缝金属被氧化和氮化,并可减慢焊缝金属的冷却速度。
2、冶金处理通过熔渣和铁合金进行脱氧、去硫、去磷、去氢和渗合金等焊接冶金反应,可去除有害元素,增添有用元素,使焊缝具备良好的力学性能。
3、改善焊接工艺性能药皮可保证电弧容易引燃并稳定地连续燃烧;同时减少飞溅,改善熔滴过渡和焊缝成形等。
4、渗合金焊条药皮中含有合金元素熔化后过渡到熔池中,可改善焊缝金属的性能。
二、焊条分类、型号和牌号焊条种类繁多,国产焊条约有300多种。
在同一类型焊条中,根据不同特性分成不同的型号。
某一型号的焊条可能有一个或几个品种。
同一型号的焊条在不同的焊条制造厂往往可有不同的牌号。
1、焊条分类焊条的分类方法很多,从不同的角度的分类见表2-2 。
表 2-2弧焊焊条的分类焊条的选用原则焊条的种类繁多,每种焊条均有一定的特性和用途。
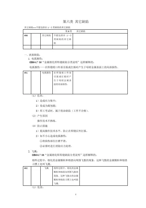
第六类 其它缺陷其它缺陷----不能包括在1~5类缺陷的其它缺陷一. 表面缺陷:1. 电弧擦伤:GB6417-86“金属熔化焊焊缝缺陷分类说明”这样解释的:电弧擦伤——在焊缝坡口外部引弧或打弧时产生于母材金属表面上的局部损伤。
1)造成应力集中;2)易成为腐蚀源;3)焊工考试时,属于致命缺陷(工件不合格)。
(2)产生原因操作技术不熟练。
(3)防止措施1)提高操作技术水平,防止在焊缝以外打弧。
2)如不小心造成电弧擦伤:①将损伤部位打磨平滑;②必要时进行消除应力处理。
2. 飞溅:GB6417-86“金属熔化焊焊缝缺陷分类说明”这样解释的:熔焊过程中,熔化的金属颗粒和熔渣向周围飞散的现象。
这种飞散的金属颗粒和熔渣习惯上也叫飞溅。
1)影响焊缝美观;2)飞溅中的孔穴,在射线照片片检验时,可能造成误判;3)易成为腐蚀源。
(2)产生原因1)焊接规范过大;2)工件未清理干净;3)焊条受潮,未烘干。
4)CO2焊时:①电流与电弧电压匹配不当;②保护气氛太差。
5)保护气体中有水分(3)防止措施1)选用适当的焊接规范;2)将工件清理干净;3)按规定烘干焊条;4)CO2焊时,电流与电弧电压匹配适当;选择适当的气体流量,将保护气瓶倒立提纯或更换保护气体。
3. 钨飞溅:GB6417-86“金属熔化焊焊缝缺陷分类说明”这样解释的:1)焊接规范超过钨电极许用电流太多;2)钨电极与母材或熔池接触;3)焊丝触到钨电极。
(2)防止措施:1)按钨电极许用电流调整焊接规范超;2)提高操作技能,避免钨电极与母材、熔池、焊丝接触。
4. 表面撕裂:GB6417-86“金属熔化焊焊缝缺陷分类说明”这样解释的:(1)危害:1)造成应力集中,成为裂纹发源地;2)易成为腐蚀源,成为裂纹发源地。
(2)产生原因:不按操作规程拆除临时焊接的附件。
(3)防止措施按操作规程拆除临时焊接的附件。
1)不得用锤击法拆除临时焊接的附件!2)采用火焰或机械切割方法拆除临时焊接的附件;3)打磨切口处与母材平齐。
钢筋焊接六大焊接缺陷的原因及预防一、外观缺陷外观缺陷(表面缺陷)是指不用借助于仪器,从工件表面可以发现的缺陷。
常见的外观缺陷有咬边、焊瘤、凹陷及焊接变形等,有时还有表面气孔和表面裂纹。
单面焊的根部未焊透等。
A、咬边是指沿着焊趾,在母材部分形成的凹陷或沟槽,它是由于电弧将焊缝边缘的母材熔化后没有得到熔敷金属的充分补充所留下的缺口。
产生咬边的主要原因:是电弧热量太高,即电流太大,运条速度太小所造成的。
焊条与工件间角度不正确,摆动不合理,电弧过长,焊接次序不合理等都会造成咬边。
直流焊时电弧的磁偏吹也是产生咬边的一个原因。
某些焊接位置(立、横、仰)会加剧咬边。
咬边减小了母材的有效截面积,降低结构的承载能力,同时还会造成应力集中,发展为裂纹源。
咬边的预防:矫正操作姿势,选用合理的规范,采用良好的运条方式都会有利于消除咬边。
焊角焊缝时,用交流焊代替直流焊也能有效地防止咬边。
B、焊瘤焊缝中的液态金属流到加热不足未熔化的母材上或从焊缝根部溢出,冷却后形成的未与母材熔合的金属瘤即为焊瘤。
焊接规范过强、焊条熔化过快、焊条质量欠佳(如偏芯),焊接电源特性不稳定及操作姿势不当等都容易带来焊瘤。
在横、立、仰位置更易形成焊瘤。
焊瘤常伴有未熔合、夹渣缺陷,易导致裂纹。
同时,焊瘤改变了焊缝的实际尺寸,会带来应力集中。
管子内部的焊瘤减小了它的内径,可能造成流动物堵塞。
防止焊瘤的措施:使焊缝处于平焊位置,正确选用规范,选用无偏芯焊条,合理操作。
C、凹坑凹坑指焊缝表面或背面局部的低于母材的部分。
凹坑多是由于收弧时焊条(焊丝)未作短时间停留造成的(此时的凹坑称为弧坑),仰立、横焊时,常在焊缝背面根部产生内凹。
凹坑减小了焊缝的有效截面积,弧坑常带有弧坑裂纹和弧坑缩孔。
防止凹坑的措施:选用有电流衰减系统的焊机,尽量选用平焊位置,选用合适的焊接规范,收弧时让焊条在熔池内短时间停留或环形摆动,填满弧坑。
D未焊满未焊满是指焊缝表面上连续的或断续的沟槽。
焊接性能最好的材料
焊接是一种常见的金属加工工艺,广泛应用于航空航天、汽车制造、建筑结构
等领域。
在焊接过程中,选择合适的材料对焊接质量起着至关重要的作用。
本文将介绍几种焊接性能最好的材料,帮助您在实际应用中做出更合适的选择。
首先,不锈钢是一种焊接性能极佳的材料。
不锈钢具有良好的耐腐蚀性和机械
性能,适用于多种焊接工艺,如电弧焊、气体保护焊等。
不锈钢的焊接接头强度高,耐腐蚀性好,适用于高温、腐蚀性环境下的工作条件,因此被广泛应用于化工、食品加工等领域。
其次,铝合金也是一种焊接性能出色的材料。
铝合金具有较低的熔点和良好的
导热性,适用于多种焊接工艺,如氩弧焊、电阻焊等。
铝合金的焊接接头强度高,重量轻,耐腐蚀性好,广泛应用于航空航天、汽车制造等领域。
此外,镍合金也是一种焊接性能优异的材料。
镍合金具有良好的耐高温性和耐
腐蚀性,适用于多种焊接工艺,如电弧焊、等离子焊等。
镍合金的焊接接头强度高,耐腐蚀性好,适用于高温、腐蚀性环境下的工作条件,因此被广泛应用于航空航天、化工等领域。
总之,选择合适的焊接材料对焊接质量至关重要。
不锈钢、铝合金和镍合金都
是焊接性能最好的材料,具有良好的焊接接头强度和耐腐蚀性,适用于多种工业领域。
在实际应用中,需要根据具体的工作条件和要求选择合适的材料,以确保焊接质量和工件性能。
钢筋焊接六大焊接缺陷的原因及预防一、外观缺陷外观缺陷(表面缺陷)是指不用借助于仪器,从工件表面可以发现的缺陷。
常见的外观缺陷有咬边、焊瘤、凹陷及焊接变形等,有时还有表面气孔和表面裂纹。
单面焊的根部未焊透等。
A、咬边是指沿着焊趾,在母材部分形成的凹陷或沟槽,它是由于电弧将焊缝边缘的母材熔化后没有得到熔敷金属的充分补充所留下的缺口。
产生咬边的主要原因:是电弧热量太高,即电流太大,运条速度太小所造成的。
焊条与工件间角度不正确,摆动不合理,电弧过长,焊接次序不合理等都会造成咬边。
直流焊时电弧的磁偏吹也是产生咬边的一个原因。
某些焊接位置(立、横、仰)会加剧咬边。
咬边减小了母材的有效截面积,降低结构的承载能力,同时还会造成应力集中,发展为裂纹源。
咬边的预防:矫正操作姿势,选用合理的规范,采用良好的运条方式都会有利于消除咬边。
焊角焊缝时,用交流焊代替直流焊也能有效地防止咬边。
B、焊瘤焊缝中的液态金属流到加热不足未熔化的母材上或从焊缝根部溢出,冷却后形成的未与母材熔合的金属瘤即为焊瘤。
焊接规范过强、焊条熔化过快、焊条质量欠佳(如偏芯),焊接电源特性不稳定及操作姿势不当等都容易带来焊瘤。
在横、立、仰位置更易形成焊瘤。
焊瘤常伴有未熔合、夹渣缺陷,易导致裂纹。
同时,焊瘤改变了焊缝的实际尺寸,会带来应力集中。
管子内部的焊瘤减小了它的内径,可能造成流动物堵塞。
防止焊瘤的措施:使焊缝处于平焊位置,正确选用规范,选用无偏芯焊条,合理操作。
C、凹坑凹坑指焊缝表面或背面局部的低于母材的部分。
凹坑多是由于收弧时焊条(焊丝)未作短时间停留造成的(此时的凹坑称为弧坑),仰立、横焊时,常在焊缝背面根部产生内凹。
凹坑减小了焊缝的有效截面积,弧坑常带有弧坑裂纹和弧坑缩孔。
防止凹坑的措施:选用有电流衰减系统的焊机,尽量选用平焊位置,选用合适的焊接规范,收弧时让焊条在熔池内短时间停留或环形摆动,填满弧坑。
D、未焊满未焊满是指焊缝表面上连续的或断续的沟槽。
一、焊接基础知识1、点焊是焊件装配成搭接接头,并压紧在(两电极)之间,利用(电阻热)熔化母材金属,形成焊点的电阻焊方法.2、点焊具有(大电流)、(短时间)、(压力)状态下进行焊接的工艺特点。
3、点焊方法按供电方向和一次形成的焊点数量分为(双面单点焊)、(单面双点焊)、(单面单双点焊)、(单面单点焊)、(双面双点焊)和(多点焊)等。
4、点焊的热源是(电阻热).5、焊接区的总电阻由(焊件与焊件之间的接触电阻)、(焊件与电极之间的接触电阻)和(焊件本身的内部电阻)等组成.6、电阻焊分为(点焊)、(凸焊)、(缝焊)和(对焊)等焊接方法.7、电阻焊是焊件组合后通过电极施加(压力),利用(电流)通过接头的接触及临近区域产生的电阻热进行焊接的方法.8、凸焊主要用于(螺母)、(螺栓)与板件之间的焊接。
9、点焊的主要焊接参数有(焊接电流)、(焊接时间)和(电极压力).10、点焊焊点的八种不可接受缺陷:(虚焊)、(裂纹)、(烧穿)、(边缘焊)、(位置偏差)、(扭曲)、(压痕过深)和(漏焊)。
11、混合气体保护焊最大气孔直径不能超过(1.6mm)。
12、混合气体保护焊同一条焊缝上在(25mm)内所有气孔的直径之和不能大于(6。
4mm)。
13、混合气体保护焊焊缝上相邻两个气孔的间距须(大于)最小气孔的直径.14、焊点质量的检查方法分为(非破坏性检查)和(破坏性检查)。
15、非破坏性检查方法分为(目视检查)和(凿检)。
16、凿检时,凿子在离焊点(3-10mm)处插入至一定深度。
17、凿检时,凿子插入的深度与被检查焊点(内端平齐)。
18、凿检频次每班不少于(3)次。
19、当焊点位置超过理论位置(10mm)时不合格焊点。
20、焊枪需与焊件表面垂直,偏移角度不能超过(25度).21、焊机的次级电压不大于(30v),所以操作者焊接中不会触电。
22、对于虚焊焊点的返修方法有两种:(1)在返修工位用点焊枪进行重新焊接,焊点位置离要求位置须小于(10mm).(2)在返修工位如果焊枪焊不到该焊点,则可用(混合气体保护焊)进行(塞焊)补焊,补焊位置必须离返修点(6mm)以内,塞焊孔直径为(5mm)。
温馨小提示:本文主要介绍的是关于供热管道焊缝设置要点的文章,文章是由本店铺通过查阅资料,经过精心整理撰写而成。
文章的内容不一定符合大家的期望需求,还请各位根据自己的需求进行下载。
本文档下载后可以根据自己的实际情况进行任意改写,从而已达到各位的需求。
愿本篇供热管道焊缝设置要点能真实确切的帮助各位。
本店铺将会继续努力、改进、创新,给大家提供更加优质符合大家需求的文档。
感谢支持!(Thank you for downloading and checking it out!)阅读本篇文章之前,本店铺提供大纲预览服务,我们可以先预览文章的大纲部分,快速了解本篇的主体内容,然后根据您的需求进行文档的查看与下载。
供热管道焊缝设置要点(大纲)一、供热管道概述1.1供热管道的定义与分类1.2供热管道的用途及特点二、焊缝设置的重要性2.1焊缝对供热管道的影响2.2焊缝设置的技术要求三、供热管道焊缝类型及选择3.1常见焊缝类型及特点3.2焊缝类型选择原则四、供热管道焊缝设置要点4.1焊缝位置的选择4.1.1焊缝位置与管道应力的关系4.1.2焊缝位置与管道安装及维护的便利性4.2焊缝间隙的控制4.3焊接材料的选用4.4焊接工艺参数的确定4.5焊接过程中的质量控制五、焊缝检验与验收5.1焊缝外观检验5.2焊缝无损检测5.3焊缝验收标准与要求六、焊缝常见问题及处理方法6.1焊缝质量问题及原因分析6.2焊缝缺陷处理方法6.3焊缝修复技术七、供热管道焊缝施工安全管理7.1焊接作业的安全措施7.2焊接现场环境保护7.3施工人员的安全培训与教育八、案例分析8.1供热管道焊缝设置成功案例8.2供热管道焊缝设置失败案例及教训九、发展趋势与展望9.1焊接新技术在供热管道中的应用9.2供热管道焊缝设置的优化方向9.3未来供热管道焊缝技术的发展趋势一、供热管道概述1.1供热管道的定义与分类供热管道,顾名思义,是一种用于输送热水或蒸汽以提供暖气的管道系统。
《焊接工程基础》知识要点复习第一章电弧焊基础知识及第二章焊丝的熔化和熔滴过渡一焊接的概念:通过适当的物理化学过程(加热或者加压,或者两者同时进行,用或不用填充材料)使两个分离的固态物体产生原子(分子)间结合力而连接成一体的连接方法。
二电弧的概念:电弧是在一定条件下电荷通过电极间气体空间的一种导电过程,或者说是一种气体放电现象。
三电弧中带电粒子的产生:电弧是由两个电极和它们之间的气体空间组成。
电弧中的带电粒子主要依靠两电极之间的气体电离和电极发射电子两个物理过程所产生的,同时也伴随着解离、激励、扩散、复合、负离子的产生等过程。
四电离与激励(一)电离:在一定条件下中性气体分子或原子分离为正离子和电子的现象称为电离.电离的种类: 1 .热电离:高温下气体粒子受热的作用相互碰撞而产生的电离称为热电离。
2. 电场电离:带电粒子从电场中获得能量,通过碰撞而产生的电离过程称为电场作用下的电离。
3.光电离: 中性粒子接受光辐射的作用而产生的电离现象称为光电离。
(二)电子发射:金属表面接受一定的外加能量,自由电子冲破金属表面的约束而飞到电弧空间的现象.1、热发射金属表面承受热作用而产生的电子发射现象.热阴极:W、C 电极的最高温度不能超过沸点;冷阴极:Fe,Cu,Al,Mg等。
影响因素:温度、材质、表面形态2、电场发射:当金属表面空间存在一定强度的正电场时,金属内的自由电子受此电场静电库伦力的作用,当此力达到一定程度时,电子可飞出金属表面,这种现象称电场发射。
对低沸点材料,电场发射对阴极区提供带电粒子起重要作用。
影响因素:温度、材质、电场大小3、光发射:当金属表面接受光辐射时,也可使金属表面自由电子能量增加,冲破金属表面的约束飞到金属外面来,这种现象称为光发射。
4、粒子碰撞发射:高速运动的粒子(电子或离子)碰撞金属表面时,将能量传给金属表面的自由电子,使其能量增加而跑出金属表面,这种现象称为粒子碰撞发射。
在一定条件下,粒子碰撞发射是电弧阴极区提供导电所需电子的主要途径。
六类焊接性能及特点
一、什么是钎焊?钎焊是如何分类的?钎焊的接头形式有何特点?
钎焊是利用熔点比母材低的金属作为钎料,加热后,钎料熔化,焊件不熔化,利用液态钎料润湿母材,填充接头间隙并与母材相互扩散,将焊件牢固的连接在一起。
根据钎料熔点的不同,将钎焊分为软钎焊和硬钎焊。
(1)软钎焊:软钎焊的钎料熔点低于450°C,接头强度较低(小于70 MPa)。
(2)硬钎焊:硬钎焊的钎料熔点高于450°C,接头强度较高(大于200 MPa)。
钎焊接头的承载能力与接头连接面大小有关。
因此,钎焊一般采用搭接接头和套件镶接,以弥补钎焊强度的不足。
二、电弧焊的分类有哪些,有什么优点?
利用电弧作为热源的熔焊方法,称为电弧焊。
可分为手工电弧焊、埋弧焊和气体保护焊等三种。
手工自动焊的最大优点是设备简单,应用灵活、方便,适用面广,可焊接各种焊接位置和直缝、环缝及各种曲线焊缝。
尤其适用于操作不变的场合和短小焊缝的焊接;埋弧焊具有生产率高、焊缝质量好、劳动条件好等特点;气体保护焊具有保护效果好、电弧稳定、热量集中等特点。
三、焊条电弧焊时,低碳钢焊接接头的组成、各区域金属的组织与性能有何特点?
(1)焊接接头由焊缝金属和热影响区组成。
1)焊缝金属:焊接加热时,焊缝处的温度在液相线以上,母材与填充金属形成共同熔池,冷凝后成为铸态组织。
在冷却过程中,液态金属自熔合区向焊缝的中心方向结晶,形成柱状晶组织。
由于焊条芯及药皮在焊接过程中具有合金化作用,焊缝金属的化学成分往往优于母材,只要焊条和焊接工艺参数选择合理,焊缝金属的强度一般不低于母材强度。
2)热影响区:在焊接过程中,焊缝两侧金属因焊接热作用而产生组织和性能变化的区域。
(2)低碳钢的热影响区分为熔合区、过热区、正火区和部分相变区。
1)熔合区位于焊缝与基本金属之间,部分金属焙化部分未熔,也称半熔化区。
加热温度约为1 490~1 530°C,此区成分及组织极不均匀,强度下降,塑性很差,是产生裂纹及局部脆性破坏的发源地。
2)过热区紧靠着熔合区,加热温度约为1 100~1 490°C。
由于温度大大超过Ac3,奥氏体晶粒急剧长大,形成过热组织,使塑性大大降低,冲击韧性值下降25%~75%左右。
3)正火区加热温度约为850~1 100°C,属于正常的正火加热温度范围。
冷却后得到均匀细小的铁素体和珠光体组织,其力学性能优于母材。
4)部分相变区加热温度约为727~850°C。
只有部分组织发生转变,冷却后组织不均匀,力学性能较差。
四、什么是电阻焊?电阻焊分为哪几种类型、分别用于何种场合?
电阻焊是利用电流通过工件及焊接接触面间所产生的电阻热,将焊件加热至塑性或局部熔化状态,再施加压力形成焊接接头的焊接方法。
电阻焊分为点焊、缝焊和对焊3种形式。
(1)点焊:将焊件压紧在两个柱状电极之间,通电加热,使焊件在接触处熔化形成熔核,然后断电,并在压力下凝固结晶,形成组织致密的焊点。
点焊适用于焊接4 mm以下的薄板(搭接)和钢筋,广泛用于汽车、飞机、电子、仪表和日常生活用品的生产。
(2)缝焊:缝焊与点焊相似,所不同的是用旋转的盘状电极代替柱状电极。
叠合的工件在圆盘间受压通电,并随圆盘的转动而送进,形成连续焊缝。
缝焊适宜于焊接厚度在3 mm以下的薄板搭接,主要应用于生产密封性容器和管道等。
(3)对焊:根据焊接工艺过程不同,对焊可分为电阻对焊和闪光对焊。
1)电阻对焊焊接过程是先施加顶锻压力(10~15 MPa),使工件接头紧密接触,通电加热至塑性状态,然后施加顶锻压力(30~50 MPa),同时断电,使焊件接触处在压力下产生塑性变形而焊合。
电阻对焊操作简便,接头外形光滑,但对焊件端面加工和清理要求较高,否则会造成接触面加热不均匀,产生氧化物夹杂、焊不透等缺陷,影响焊接质量。
因此,电阻对焊一般只用于焊接直径小于20 mm、截面简单和受力不大的工件。
2)闪光对焊焊接过程是先通电,再使两焊件轻微接触,由于焊件表面不平,使接触点通过的电流密度很大,金属迅速熔化、气化、爆破,飞溅出火花,造成闪光现象。
继续移动焊件,产生新的接触点,闪光现象不断发生,待两焊件端面全部熔化时,迅速加压,随即断电并继续加压,使焊件焊合。
闪光对焊的接头质量好,对接头表面的焊前清理要求不高。
常用于焊接受力较大的重要工件。
闪光对焊不仅能焊接同种金属,也能焊接铝钢、铝铜等异种金属,可以焊接0.01 mm 的金属丝,也可以焊接直径500 mm的管子及截面为20 000 mm2的板材。
五、激光焊的基本原理是什么?有何特点及用途?
激光焊利用聚焦的激光束作为能源轰击工件所产生的热量进行焊接。
激光焊具有如下特点:
1)激光束能量密度大,加热过程极短,焊点小,热影响区窄,焊接变形小,焊件尺寸精度高;
2)可以焊接常规焊接方法难以焊接的材料,如焊接钨、鉬、钽、锆等难熔金属;
3)可以在空气中焊接有色金属,而不需外加保护气体;
4)激光焊设备较复杂,成本高。
激光焊可以焊接低合金高强度钢、不锈钢及铜、镍、钛合金等;异种金属以及非金属材料(如陶瓷、有机玻璃等);目前主要用于电子仪表、航空、航天、原子核反应堆等领域。
六、电子束焊的基本原理是什么?有何特点及用途?
电子束焊利用在真空中利用聚焦的高速电子束轰击焊接表面,使之瞬间熔化并形成焊接接头。
电子束焊具有以下特点:
1)能量密度大,电子穿透力强;
2)焊接速度快,热影响取消,焊接变形小;
3)真空保护好,焊缝质量高,特别适用于活波金属的焊接。
电子束焊用于焊接低合金钢、有色金属、难熔金属、复合材料、异种材料等,薄板、厚板均可。
特别适用于焊接厚件及要求变形很小的焊件、真空中使用器件、精密微型器件等。