【重磅】生产工装管理程序
- 格式:doc
- 大小:70.00 KB
- 文档页数:8
生产工装管理程序生产工装管理程序1 目的通过规范工装设计、制造、验证及维护等活动的控制方法,确保投入生产的工装能够满足正常生产和保证产品质量。
2 范围本程序适用于对公司使用的自制工装、外购工装及顾客所有的工装的管理(量具管理按《计量器具管理程序》执行)。
3 术语和定义3.1 工艺装备工艺装备简称工装,是指为了实现工艺规程所需的各种刀具、量具、夹具、模具、工位器具以及辅助工具的总称。
3.2 首用点检首用点检是指操作者在使用新工装前,对其检查,并判定其是否能正常地投入生产。
4 职责和权限4.1 工模具中心4.1.1 负责工装归口管理、工装制造、外购、入库、发放和对各单位的使用保养进行监督。
4.1.2 负责模具设计。
4.2 使用单位4.2.1 负责向工模具中心委托制造工装。
4.2.2 负责如刀具、量具、夹具、工位器具等的设计。
4.2.3 负责工装质量的验收与验证(对本单位无法检测的部位可委托品质管理部门检测)。
4.2.4 负责工装的日常保养、维护、修理工作。
4.3 营销部门负责当顾客提供工装需修理或报废时,与顾客进行联系。
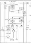
5 流程6 内容与要求6.1 客户要求6.1.1 使用单位(委托方)向工模具中心委托制造工装时,应填写《委托书》的相关栏目,并与图纸资料以及特殊要求(如:对工装易损、易断的单件提出相应数量的备件计划,主要零件的材料要求等)一同交工模具中心。
6.1.2 工模具中心对图纸资料、技术要求等进行可行性评估,做出报价,并填写《委托书》的相应栏目。
6.1.3 使用单位(委托方)对已有的工装需再次生产时,向工模具中心提出申请,并填写《工装生产计划明细表》,工模具中心按计划要求进行制造。
6.2 合约的评审6.2.1 工模具中心组织相关人员对《委托书》及使用单位提交的图纸资料进行评审。
“备注”栏内注明“接受委托”,并经双方代理人签字,单位领导确认。
6.2.2 外购工装由工模具中心向外包单位输入产品图纸或工装图纸资料、国家标准,并应附技术协议,对产品的性能、精度、外观、工装使用寿命等提出要求。
1.目的建立和实施生产工装管理系统,以确保生产过程顺畅,保证产品质量。
2.范围适用于公司所有用于生产的可能影响产品质量的模具、刀具及治具之管理。
3.权责3.1机电组:负责简单夹具和治具的设计制作、维修及跟踪。
3.2供应商:负责生产用模具、刀具及夹具的制作及跟踪。
3.3生产部:负责生产工装的日常维护及使用保养。
3.4研发部设计组或生产负责人:负责刀具及模具的设计及确认。
3.5采购部:负责生产用刀具及模具的购买或委外加工。
4.定义生产工装:泛指生产所需之模具、夹具、治具及刀具等生产辅助设施。
5.作业内容5.1生产工装管理流程图;5.2生产工装夹具的制作申请5.2.1生产部在制作样品过程中,确定计划及需求评估产品所需的辅助工具时,须填写【物料申购单】, (附所需的产品图样或样板)一式两份,直接交给采购部采购确认委外加工处理。
5.2.2采购接到通知后,应将制作【采购订单】一份附产品图纸或样板交供应商业务人员负责报价确认,并做采购。
5.2.3在订单评审阶段及生产过程中需增加、淘旧换新及产品改良所需的工装夹具,各生产部门以【物料申购单】提出。
5.3生产工装的设计及制作供应商接到【采购订单】后立即组织人员应在预期内完成生产工装的设计制作,完工后及时送交我公司,由采购及时通知相关生产部门。
5.4生产工装的验收及移交入库5.4.1新工装夹具制作完成后,由研发小组一起进行试生产验收,进行判定并验证模具加工是否满足生产的要求。
检测中如NG须交由采购通知供应商做更改,并在内容栏注明更改事项。
5.4.2模具验收合格后,如需试模,则通知生产部门及研发部:研发部产品工程师负责对模具加工之样品进行检测,结果记录于【样品检测报告】中,交由研发部主管进行判定并验证产品是否满足要求。
5.4.3 验收合格后的工装,由生产工装使用部门登录于【生产工装一览表】中。
5.4.4 顾客提供的生产工装,按5.4.2相应条款进行验收。
5.5生产工装的管理及维护保养5.5.1生产工装管理部门需对所有制作完成的工装夹具进行编号管理,编号原则如下:A.鞋模编号□□□----- □-----□□产品代码男/女序号(具体详见生产工装一览表)B.沐浴绵模具编号□□-----□□(□--□)公司代码序号公司代码为TK 序号01-99,模具个数为A—Z,C.刀模编号(激光刀)□□□-----□□□内外销代码序号内销代码为PRS 外销代码为USA 序号001-999,D.裁断刀编号(普通刀)依客户编码原则做编号并建立【生产工装一览表】。
工装管理制度流程一、制度目的为了规范公司员工工装的管理,提高员工形象和公司整体形象,提高员工工作积极性和专业性,制定本工作装管理制度。
二、适用范围本制度适用于公司所有员工的工装管理,包括制服、工作服以及相关配饰。
三、工装管理责任人1. 人力资源部门负责整体工装管理制度的制定、实施和监督,同时与相关部门合作进行审批、采购和发放工装。
2. 相关部门负责接收员工的工装申请,对申请进行审核,并将审核结果报送给人力资源部门。
3. 门卫部门负责对外来访客提供必要的临时工装。
四、工装审批流程1.员工提出工装申请员工在需要更换或补充工装时,先向所在部门提出申请,说明具体的需求和理由。
2.部门审核所在部门接收到员工的工装申请后,进行审核,确认申请的合理性和必要性。
3.部门报送审核结果审核通过的工装申请,部门将审核结果上报人力资源部门,待人力资源部门审批。
4.人力资源部门审批人力资源部门收到部门报送的工装申请信息后,进行审批,并根据工装管理制度规定,决定是否批准工装申请。
5.工装采购经过审批的工装申请,人力资源部门根据具体需求进行工装采购。
采购完成后,将工装发放给申请人。
五、工装使用管理1. 员工领取工装员工在收到工装后,需认真检查工装的完好性和相关配饰的齐全性,如有问题及时与人力资源部门联系。
2. 工装的使用员工在使用工装时,需保持整洁、规范,不能私自更换或添加相关配饰。
3. 工装的保养员工需按照工装说明书的要求进行工装的保养,避免人为损坏和使用寿命的延长。
4. 工装变更员工如需更换或补充工装,需重新按照上述审批流程进行申请,不得私自更改。
5. 临时工装的管理公司门卫部门负责对外来访客提供必要的临时工装,临时工装的使用和归还需经过门卫部门的登记和确认。
六、工装管理制度的落实1. 定期培训公司将定期组织员工进行工装管理制度的相关培训,使员工了解工装管理的重要性和规范性。
2. 监督检查人力资源部门将定期对工装管理制度进行监督检查,对员工的工装使用情况进行抽查,发现问题及时进行整改。
第一章总则第一条为确保公司生产现场工装(以下简称工装)的安全、高效、有序使用,保障生产任务的顺利完成,特制定本制度。
第二条本制度适用于公司所有生产现场工装的管理,包括工装的设计、制作、验收、使用、维护、报废等环节。
第三条公司生产现场工装管理应遵循“安全第一、预防为主、经济合理、高效使用”的原则。
第二章工装设计第四条工装设计应满足生产任务的要求,保证生产效率,降低生产成本,提高产品质量。
第五条工装设计应充分考虑操作人员的人体工程学,确保操作安全、舒适。
第六条工装设计需经过相关部门审核,确保符合国家相关标准和法规。
第三章工装制作第七条工装制作应选用优质材料,确保工装质量。
第八条工装制作过程应严格按照设计图纸和工艺要求进行,确保工装尺寸、形状、性能等符合设计要求。
第九条工装制作完成后,应由相关部门进行验收,合格后方可投入使用。
第四章工装验收第十条工装验收应严格按照验收标准进行,包括工装的外观、尺寸、性能、质量等方面。
第十一条验收不合格的工装,应立即返工或更换,直至合格。
第五章工装使用第十二条工装使用前,操作人员应熟悉工装的使用方法、注意事项和保养知识。
第十三条操作人员应严格按照操作规程使用工装,避免人为损坏。
第十四条工装使用过程中,如发现异常情况,应及时报告相关部门,采取措施进行处理。
第六章工装维护第十五条工装维护应定期进行,确保工装处于良好状态。
第十六条工装维护包括清洁、润滑、紧固、调整等。
第十七条工装维护应由专业人员进行,确保维护质量。
第七章工装报废第十八条工装达到使用寿命或因损坏无法修复时,应予以报废。
第十九条工装报废前,应进行技术鉴定,确认报废原因。
第二十条报废工装应由相关部门进行清理,并做好记录。
第八章责任与奖惩第二十一条各部门应认真履行工装管理职责,确保工装安全、高效、有序使用。
第二十二条对在工装管理工作中表现突出的个人或集体,给予表彰和奖励。
第二十三条对违反本制度,造成工装损坏、浪费等行为的,给予批评教育或经济处罚。
目的规范公司工装的入库、领用、发放、送检、回收、送修、报废等管理流程,确保工装工装处于受控状态,以更好地为生产服务。
适用范围本管理制度适用于公司内部生产所用的所有工装。
职责品质部负责按照生产提供的装配图对工装进行评审,并作记录;生产负责对不合格的工装进行判定,并作出处理决定。
负责按照月检计划将在用的工装报检;负责按照技术部给定的修理工艺对工装进行修复。
工装入厂检收工装入厂后,仓管根据工装生产厂家提供的送货清单,经核对无误后,暂收;品质在接收到仓管报检信息后,一个工作日内,安排人员完成对报检工装的入厂检验,加急另算;品质根据生产提供的装配图对工装进行评审,出具“工装检验记录”,如所有尺寸均合格,盖章合格确认,交仓储进行入库;如存在有尺寸不合格的情况,则必须经过生产&品质&设计的评审,由设计在“工装检验记录”中作出处理意见,如处理意见为“修理”,则由采购部负责退回工装制造厂进行修理,修理完成后,按新工装处理;如处理意见为“报废”,则由采购部负责与供方联系退换事宜。
工装领用&管理工装领用工装管理员在得到工装入库信息后,则办理领料手续,并将工装分产品进行建台账“工装台账”;工装建帐后,工装管理员应根据检验周期将此工装添加到“工装年检计划”中。
易损工装识别&管理工装管理员需在工装台账上识别出哪些为易损工装;并作标注。
为保证生产的连续性,生产根据易损工装的实际使用情况,设定使用寿命并做好标识,准备易损工装的备用清单,并设好最低库存。
当易损工装设定寿命达到预警值时,需及时进行更换,并做好更换记录。
易损工装更换后,需及时进行补充,以满足最低库存量生产每月对“易损工装备用清单”进行点检核实满足最低库存量生产每天作业前对使用中的易损工装进行时间点检,确保在保质期内。
工装周期点检工装日检每天产线开班前,工装管理员需根据《工装夹具日常保养记录表》上的日保养项目,对产线上所有的工装进行点检,并将点检结果记录在《工装夹具日常保养记录表》上。
产品工装管理制度内容一、总则为规范员工工装着装管理,提高企业形象,树立员工职业形象,特制定本管理制度。
本制度适用于公司所有员工,包括全职员工、兼职员工和实习生。
员工应遵守本管理制度的各项规定,如有违反,将按照公司规定做出相应处理。
二、员工工装要求1、员工着装应整洁、得体、规范,不得着装过于随意或暴露。
2、员工着装应符合公司形象,不得穿着破旧、褴褛、花哨等不符合公司形象的服装。
3、员工应根据不同场合着装,如业务洽谈、会议、外出参加活动等不同场合应穿戴不同的服装。
4、员工应注意服装的搭配,避免花哨夸张或不搭配的搭配。
5、员工应根据公司规定穿戴工装,不得擅自更换。
6、员工应自觉遵守公司关于着装的其他规定。
三、员工工装管理1、公司将为员工提供工装,员工应按时到公司领取,并妥善保管。
2、公司将对员工着装进行定期检查,发现问题及时纠正。
3、员工如遇到工装破损或无法使用时,应及时向公司申请更换。
4、员工应自觉爱护工装,不得私自改动或涂画工装。
5、员工在离职时应将公司工装交还,并做好交接手续。
四、员工工装配饰1、员工可以根据个人喜好配饰工装,但应注意规范,不得配饰过于花哨或不雅。
2、员工应遵守公司有关配饰的规定,不得擅自使用或佩戴不符合规定的配饰。
3、员工应注意搭配工装与配饰,做到合理搭配,不得破坏整体形象。
五、员工工装奖惩1、员工着装不规范或违反规定者,将受到公司的批评和警告。
2、员工着装不整洁、不得体者,公司将对其进行警告和调整。
3、员工着装造成不良影响,公司将作出相应处罚。
4、员工着装规范、整洁者,公司将给予奖励和表扬。
六、员工工装例外1、特殊工种员工着装规定可以根据工作需要适当调整,但仍需符合公司规定。
2、公司活动或特殊场合员工着装可以根据活动性质和要求适当调整,但不得影响公司形象。
七、最终解释权1、公司拥有本工装管理制度的最终解释权。
2、本工装管理制度如有调整或修改,将提前通知员工并进行宣传。
3、员工应认真遵守本工装管理制度,提高企业形象,树立良好职业形象。
工装管理制度流程表一、引言为规范公司员工的工装管理,提高工作效率和形象,制定本工装管理制度。
本制度适用于公司所有员工,在工作期间必须遵守。
二、目的1.规范员工的着装要求,提高公司整体形象;2.保护公司工装的质量和数量,延长使用寿命;3.提高员工辨识度和归属感。
三、适用范围本制度适用于公司所有员工,包括管理人员、前台接待、销售人员、后勤人员等。
四、工装管理流程1. 工装采购1.1 公司将统一制定工装标准,包括颜色、款式、尺寸等内容;1.2 公司负责统一采购工装,并按照员工的需求进行订购;1.3 财务部门负责与供应商签订采购合同,并对采购款项进行审核;1.4 采购部门负责收货、验收工装,并做好相关记录。
2. 工装发放2.1 人力资源部门负责根据员工的需求进行工装发放,并填写领用记录;2.2 员工应自行携带工装到指定领取地点,在领取时需出示员工证明;2.3 工装发放时,员工需在工装上标明自己的姓名和工号,以便辨识。
3. 工装管理3.1 员工应按照制定的着装要求穿着工装,并保持整洁、整齐;3.2 工装在使用过程中如有损坏或变形,应及时向主管反馈,并进行更换;3.3 不得私自调换、变更或篡改工装,如有违反将被追究责任;3.4 在离职或转岗时,员工应归还公司统一发放的工装,并进行交接记录。
4. 工装保养4.1 员工需自行负责工装的日常清洗和保养工作;4.2 如遇到污渍难以清洗的情况,可向主管申请更换工装;4.3 员工使用的工装应注意保护,避免受到磨损或污染。
五、奖惩制度1. 对于工装管理不当的员工,将按照公司规定进行相应的警告、处罚甚至解雇处理;2. 对于工装管理良好的员工,公司将给予表彰,并适当奖励。
六、附则1. 本制度由人力资源部门负责解释,并及时更新;2. 公司将定期对员工的工装进行检查,确保员工的遵守情况;3. 员工如有任何疑问或建议,可向人力资源部门反馈。
以上是本公司工装管理制度流程表,希望各位员工能严格遵守,共同维护公司的形象和利益。
生产工装控制程序
(IATF16949-2016/ISO9001-2015)
1.0目的
确定、提供和维护生产工装,使其满足生产要求,保证设备的正常使用,确保生产产品符合要求。
2.0范围
适用于公司产品生产有关的工装的管理。
3.0职责
3.1 生产部负责生产工装的验收、保养、维护、修理、报废等管理。
3.2技术部负责公司工装的设计。
4.0程序内容
4.1 工装控制程序
4.2 其他管理要求
4.2.1 工装定义
工装是指与设备结合、与产品接触、对产品特性形成起帮助作用的设施(模具、
夹具、刀具、磨具等)。
公司工装包括铸造模具,以及机加工用夹具、刀具等,其按上述4.1的要求管理。
4.2.2生产部负责建立《工装管理规定》文件,具体规定工装模具的管理要求和措施。
4.2.3 顾客提供的工装财产的管理还应满足《合同管理程序》的控制要求。
5.0相关文件
《设备管理程序》
《供方管理程序》
《文件管理程序》
《合同管理程序》
《持续改进管理程序》
《产品质量策划管理程序》
《纠正措施/预防措施管理程序》
《生产管理程序》
《工装模具台帐》
工装模具管理台帐.
d oc
《模具使用记录》
模具使用记录表.xl
s
《工装模具修理单》
工装模具修理记录
表.d oc
《工装模具验收单》
工装模具验收单.d
oc
《工装报废申请单》
工装报废申请单.xl
s。
公司生产现场工装管理制度一、目的与范围本制度旨在规范公司生产现场工装的管理活动,确保工装的正确使用和维护,提高生产效率,保证产品质量。
适用于公司所有生产线及相关管理部门。
二、责任划分1. 生产部门负责工装的日常使用和保养,确保工装处于良好状态。
2. 设备管理部门负责工装的定期检查、维修和更新。
3. 质量管理部门负责对工装使用过程中的质量问题进行监督和管理。
4. 采购部门负责工装的采购和供应商管理。
三、工装采购与验收1. 采购部门根据生产需求和设备管理部门的建议,选择合适的工装供应商并进行采购。
2. 新购工装到货后,由设备管理部门和使用部门共同进行验收,确保工装符合技术要求和质量标准。
四、工装的使用与保养1. 操作人员必须按照操作规程使用工装,禁止违规操作。
2. 使用前后应对工装进行检查,发现问题及时上报。
3. 定期对工装进行清洁和保养,保持其良好的工作状态。
五、工装的维护与检修1. 设备管理部门应制定工装的维护保养计划,并监督实施。
2. 发现工装有异常情况时,应立即停止使用并及时报修。
3. 对于损坏严重的工装,应及时进行更换或修复。
六、工装的更新与淘汰1. 根据生产技术的发展和产品升级换代的需要,适时对工装进行更新。
2. 对于已经过时或无法修复的工装,应当及时淘汰。
七、培训与考核1. 对操作人员进行工装使用和保养的培训,提高其技能水平。
2. 定期对操作人员的工装使用情况进行考核,确保规范操作。
八、记录与报告1. 各相关部门应做好工装的使用、保养、维修等记录,以便追溯和管理。
2. 定期向公司管理层报告工装管理的情况,包括工装状态、使用效率、故障率等。
生产设备和工装管理程序
(IATF16949-2016/ISO9001-2015)
1.0目的
通过对设备、工装的有效管理,真实了解设备、工装在企业内部的使用情况,确保公司使用设备、工装处于完好状态。
2.0适用范围
适用于本公司生产加工设备和工装的管理。
3.0术语
关键设备:指技术精度较高或大型的或稀有贵重的一旦发生故障容易形成生产瓶颈的设备。
易损工装:生产过程中,所使用的工装或工装零部件由于不断磨损、消耗会造成工装的使用失效或对产品的质量造成不良影响,也称为工装易损件。
4.0职责
4.1品技部负责工装设计、验收的管理。
4.2生产部负责生产设备验收、使用、日常维护、保养、维修和报废的管理。
4.3生产部负责工装的使用、保养和维修。
4.4供销部负责生产设备和工装的采购。
5.0生产设备管理的工作流程及内容
序号流程工作说明责任部门使用表单。
工装管理程序文件1. 总则1.1 目的为确保生产过程的顺利进行,提高生产效率,降低生产成本,保障产品质量,特制定本工装管理程序文件。
1.2 适用范围本文件适用于公司所有生产车间、部门工装的管理工作。
1.3 名词解释•工装:指在生产过程中使用的模具、夹具、量具、辅具等。
•工装管理:对工装进行选型、采购、验收、使用、维护、保养、报废等环节的管理。
2. 组织结构2.1 工装管理小组设立工装管理小组,负责公司工装管理的日常工作。
组长由生产部经理担任,组员包括各车间主管及工装管理员。
2.2 工装管理员职责•负责工装的选型、采购、验收工作。
•负责工装的使用、维护、保养、报废等工作。
•定期对工装进行盘点,确保工装数量、状态准确无误。
•及时向组长反馈工装管理工作中出现的问题,并提出改进措施。
3. 工装管理流程3.1 工装选型与采购•根据生产需求,工装管理员负责组织工装的选型工作。
•选型完成后,工装管理员负责编制工装采购计划,提交给组长审批。
•组长审批通过后,工装管理员负责联系供应商,进行工装采购。
•工装到货后,由工装管理员组织验收,确保工装质量符合要求。
3.2 工装使用与维护•生产过程中,操作人员必须按照规定的操作规程使用工装。
•操作人员发现工装出现问题,应及时上报工装管理员。
•工装管理员负责工装的日常维护、保养工作,确保工装处于良好状态。
3.3 工装报废•工装达到使用寿命或无法修复时,由操作人员提出报废申请。
•工装管理员对报废工装进行审核,确认无误后,提交给组长审批。
•组长审批通过后,工装管理员负责联系供应商进行回收或处理。
4. 工装管理要求4.1 工装存放•工装应按照分类、编号、规格进行存放,便于查找、使用。
•工装存放区域应保持清洁、干燥、通风,避免阳光直射。
4.2 工装保养•工装保养应按照保养规程进行,定期检查、润滑、清洗。
•工装保养记录应详细记录,以便追踪保养情况。
4.3 工装改造与升级•随着生产工艺的改进,工装可能需要进行改造或升级。
生产现场工装管理制度第一章总则第一条为规范生产现场工装管理,提高生产现场工作效率,保障员工安全,根据国家相关法律法规及公司实际情况,制定本制度。
第二条本制度适用于公司所有员工在生产现场的工作,包括生产车间、装配线等。
第三条生产现场工装包括工作服、劳保用品等。
第四条员工在生产现场工作时必须穿戴统一的工装,不得私自更换或擅自改动。
第五条员工应按照公司规定的工装管理要求定期更换、清洗、维护工装,保持工装的整洁、美观。
第六条员工应根据工作性质选择适合的工装,确保工装的舒适度和安全性。
第二章工装的管理第七条公司负责统一采购、发放工装,并定期对工装进行检查、清洗、维护。
第八条员工领取工装时应按照自己的实际需求选择合适的尺码,不得选择过小或过大的工装。
第九条员工不得将工装用于非生产现场工作,严禁私自擅用。
第十条员工在工装上不得擅自添加个人标识或涂鸦,保持工装的整洁、统一。
第十一条员工应定期清洗工装,确保工装的干净卫生;如有破损或污渍,应及时更换或修复。
第十二条员工如需离职或调岗,应如实申报所领取的工装,并进行交还或调换。
第三章工装的着装要求第十三条员工在生产现场工作时应穿戴统一的工装,保持整洁、规范。
第十四条工装包括工作服、劳保用品、防护装备等,员工应根据具体工作内容选择相应的配备。
第十五条员工在生产现场工作时应注意保持工装的整齐,不得随意褪色、变形或破损。
第十六条员工应根据具体工作要求选择适合的工装,如防静电服、防火服等,确保自身安全。
第十七条员工应按照规定携带和佩戴劳保用品,如安全帽、护目镜等,确保生产现场安全。
第四章工装的维护保养第十八条员工应按照公司规定的要求定期清洗、维护工装,保持其干净、整洁。
第十九条员工应随时检查工装的破损、污渍等情况,如有发现应及时更换或修复。
第二十条员工应根据工装的材质和使用频率选择合适的清洗方式,确保工装的保质期。
第二十一条员工应妥善保管工装,不得私自转借或遗失,如有破损或遗失应及时报告。
生产工装管理制度和方案第一章总则为规范生产工装管理,提高员工形象,保护员工安全,提高工作效率,特制定本管理制度。
第二章责任部门1. 生产工装管理由公司总经理直接负责。
具体执行由生产部门负责,由人力资源部门、安全保卫部门协助。
第三章生产工装管理制度1. 公司要求员工在工作时间和工作场所必须穿着规定的工装。
2. 工装必须整洁、干净,无褶皱和破损,保持清晰的LOGO标识。
3. 员工借用工装应及时归还,不得私自调换或转借给他人。
4. 穿着工装时应做好个人卫生保健工作,患有传染性疾病者应停止一切与产品直接接触的活动。
5. 进出车间及工作场所时应穿着工装,不得在工作场所穿着私人服装。
6. 工装的更换由生产部门负责,并进行登记管理,严禁私自更改。
7. 未被核发工装的员工不得进入车间及工作场所。
8. 工装损坏或丢失应及时向生产部门报告,并按照规定程序补办。
第四章工装管理方案1. 工装采购:公司根据员工数量需求和工作环境特点采购,采用耐磨、易清洁、透气等特点的材质制作,确保舒适度和耐用性。
2. 工装配发:工装配发由生产部门负责,根据员工数量和规格进行配发。
并进行登记管理,确保每位员工都有规范的工装。
3. 工装保养:公司设立专门的保洁小组,负责工装的清洁和保养工作。
每周对工装进行一次清洗,确保整洁干净。
4. 工装更换:公司根据季节和工作状况定期更换工装,保证员工穿着舒适。
同时要求员工必须在工作上岗时穿着工装。
5. 工装更新:公司对老化和损坏的工装进行定期更换,确保员工穿着的工装都是合格的。
第五章管理制度落实1. 生产部门定期进行工装检查,确保员工都符合规定穿着。
2. 生产部门负责制定工装使用规定和标准操作程序,确保员工对工装使用和管理有清晰的认识。
3. 安全保卫部门加强对员工工装穿着情况的监督,确保员工在工作场所穿着工装。
4. 生产部门负责对工装进行登记管理,确保每一件工装都有明确的使用记录。
5. 公司定期对员工进行工装着装情况进行督察,发现问题及时提出整改意见。
生产制造工装管理流程工装在生产制造里可太重要啦,就像战士上战场的武器一样。
那这工装管理流程得好好唠唠。
一、工装的采购。
这采购工装可不能马虎。
采购人员得像个超级侦探一样,先去了解生产线上到底需要啥样的工装。
是要那种特别耐用的呢,还是得很精密的?要和生产部门的小伙伴们好好沟通。
不能采购回来的工装不符合需求,那就成了个大笑话啦。
而且呀,在采购的时候,得货比三家。
不能只看价格便宜就下单,质量也得过关才行。
要是买了一堆质量差的工装,那在生产过程中出问题的几率可就大大增加了,就像买了个破鞋子,走路都走不稳当。
要看看供应商的口碑,有没有之前的客户说他们的工装不好呀?还要看看他们的生产工艺是不是先进的,售后服务咋样。
要是工装出了问题,供应商能及时来解决,这才是靠谱的供应商呢。
二、工装的验收。
工装买回来后,验收这个环节也很关键。
验收人员就像个严格的考官,得仔细检查工装的各个方面。
从外观上看,有没有破损呀,有没有划痕之类的。
要是外观都不咋地,那里面的质量也得打个问号了。
然后再检查工装的尺寸是不是符合要求。
这就好比买衣服,大小不合适怎么穿呢?对于工装的功能也要进行测试。
比如说一个加工零件的工装,得看看它能不能准确地把零件加工到规定的尺寸和精度。
要是验收的时候不认真,那把有问题的工装放到生产线上,就会影响整个生产进度。
这就像一颗老鼠屎坏了一锅粥一样。
三、工装的存储。
工装验收合格了,就得找个好地方把它们存起来。
存储的地方要干净、干燥,不能让工装受潮生锈。
可以想象一下,要是把工装放在一个又湿又脏的地方,就像把宝贝扔到了垃圾场一样。
要给工装分类存放,这样在需要的时候就能很快找到。
不能乱堆乱放,不然找个工装得翻遍整个仓库,那多浪费时间呀。
而且,存储工装的仓库也要定期进行检查,看看有没有工装损坏或者丢失。
要是发现工装少了,就得赶紧查一查是怎么回事,可不能稀里糊涂的。
四、工装的使用。
到了工装使用这一步啦。
使用工装的工人就像对待自己的小伙伴一样对待工装。
生产工装管理业务流程的下载温馨提示:该文档是我店铺精心编制而成,希望大家下载以后,能够帮助大家解决实际的问题。
文档下载后可定制随意修改,请根据实际需要进行相应的调整和使用,谢谢!并且,本店铺为大家提供各种各样类型的实用资料,如教育随笔、日记赏析、句子摘抄、古诗大全、经典美文、话题作文、工作总结、词语解析、文案摘录、其他资料等等,如想了解不同资料格式和写法,敬请关注!Download tips: This document is carefully compiled by theeditor. I hope that after you download them,they can help yousolve practical problems. The document can be customized andmodified after downloading,please adjust and use it according toactual needs, thank you!In addition, our shop provides you with various types ofpractical materials,such as educational essays, diaryappreciation,sentence excerpts,ancient poems,classic articles,topic composition,work summary,word parsing,copy excerpts,other materials and so on,want to know different data formats andwriting methods,please pay attention!生产工装管理业务流程主要包括工装需求计划、工装设计、工装制造、工装验收、工装使用与维护、工装报废等环节。
生产工装管理程序1目的通过规范工装设计、制造、验证及维护等活动的控制方法,确保投入生产的工装能够满足正常生产和保证产品质量。
2范围本程序适用于对公司使用的自制工装、外购工装及顾客所有的工装的管理(量具管理按《计量器具管理程序》执行)。
3术语和定义3.1工艺装备工艺装备简称工装,是指为了实现工艺规程所需的各种刀具、量具、夹具、模具、工位器具以及辅助工具的总称。
3.2首用点检首用点检是指操作者在使用新工装前,对其检查,并判定其是否能正常地投入生产。
4职责和权限4.1工模具中心4.1.1负责工装归口管理、工装制造、外购、入库、发放和对各单位的使用保养进行监督。
4.1.2负责模具设计。
4.2使用单位4.2.1负责向工模具中心委托制造工装。
4.2.2负责如刀具、量具、夹具、工位器具等的设计。
4.2.3负责工装质量的验收与验证(对本单位无法检测的部位可委托品质管理部门检测)。
4.2.4负责工装的日常保养、维护、修理工作。
4.3营销部门负责当顾客提供工装需修理或报废时,与顾客进行联系。
5流程6.1客户要求6.1.1使用单位(委托方)向工模具中心委托制造工装时,应填写《委托书》的相关栏目,并与图纸资料以及特殊要求(如:对工装易损、易断的单件提出相应数量的备件计划,主要零件的材料要求等)一同交工模具中心。
的相应栏目。
6.1.3使用单位(委托方)对已有的工装需再次生产时,向工模具中心提出申请,并填写《工装生产计划明细表》,工模具中心按计划要求进行制造。
6.2合约的评审6.2.1工模具中心组织相关人员对《委托书》及使用单位提交的图纸资料进行评审。
6.2.1.1对评审不合格的,工模具中心应及时与委托方协商解决,必要时可通知技术部门、生产管理部门、品质管理部门参加。
6.2.1.2对评审合格的,由工模具中心在《委托书》“备注”栏内注明“接受委托”,并经双方代理人签字,单位领导确认。
6.2.2外购工装由工模具中心向外包单位输入产品图纸或工装图纸资料、国家标准,并应附技术协议,对产品的性能、精度、外观、工装使用寿命等提出要求。
6.3签单及计划下达6.3.1对于可接收委托的由使用单位(委托方)与工模具中心代理人双方在《委托书》中签字。
6.3.2工模具中心计划员根据定单做出《年月自制工装设计生产计划表》,规定出工装生产的周期。
6.4工装设计控制6.4.1设计策划6.4.1.1工装设计单位必须对工装的设计进行策划和控制,而且该单位应将策划和控制活动应用于每个设计和开发阶段,并明确设计的职责和权限。
对参与设计的不同小组之间的接口实施管理,以确保有效的沟通,并明确职责分工。
6.4.1.2工装设计单位必须采用多方论证方法进行工装实现的准备工作。
6.4.2工装设计输入要求工装设计单位必须对工装设计输入要求进行识别、评审,例如:特殊特性、标识、相关信息、工装的质量、寿命、可靠性、成本等。
6.4.3工装设计输出应满足产品设计输入要求的工装图纸资料,工模具中心工艺技术人员根据工装图纸资料(包括客户提供工装图纸资料)编制《工艺卡片》。
6.4.4工装设计的评审要求设计输出由工模具中心相关的技术人员进行审核和标检,设计单位主管领导批准。
评审结果的记录及工装设计资料由工模具中心进行保管。
6.4.5工装设计的更改按《设计更改程序》的相关要求执行。
6.5工装制造控制6.5.1自制工装6.5.1.1自制工装操作者应认真执行《工艺卡片》和操作规程,持证上岗。
严格按照工装图纸和技术标准制造。
如发现图纸资料有问题,应及时反映,由主管技术人员与设计人员联系,经主管设计人员按要求处置后,方可继续加工。
6.5.1.2由于产品尺寸更改或其它的更改而引起的相关模具尺寸、模具结构的变更,工装设保复制时模具与实物的一致性。
6.5.2外购工装6.5.2.1使用单位为满足生产,需要购买工具,使用单位需填写《外购工具申请计划》,由工模具中心负责购买。
6.5.2.2使用单位为满足生产需要,而工模具中心因某种特殊原因不能加工的工装,由工模具中心委外加工和购买。
6.5.3使用单位的顾客提供工装由外经部、营销部门与顾客签订其使用、保养、维护协议,使用单位负责工装使用保养和维护。
顾客有特殊要求时,按顾客要求使用和维护。
6.6工装的验收6.6.1自制工装的验收6.6.1.1模具由使用单位与工模具中心相关人员共同进行试模,试模时由使用单位填写《试模卡》一式两份,并填写试模情况,双方签字确认,若试模不合格,使用单位应将《试模卡》、零部件的初物《检测记录表》和《工装维修信息反馈单》返给工模具中心计划员,工模具中心进行修理,修理完成后由工模具中心与使用单位进行重新试制,直至初物验证合格后方可认定模具试制合格。
6.6.1.2模具试制合格后,所生产的零件进入首批试生产阶段后,当模具使用单位接到技术部门(Ⅰ类首批初物)或品质管理部门(Ⅱ类首批初物)同意进行批量生产的《首批试生产报告》,由使用单位在《工装合格证》中“验证结论”栏内注明合格,转工模具中心。
6.6.1.3工模具中心接到使用单位传回的《工装合格证》后,出据《自制工装转移单》转使用单位及财务部门办理相关移交事宜。
6.6.1.4公差小于4μm的工作量规和不带位置度校对规的位置度量规须经品质管理部门中心计量室检定,其余量规由工模具中心检定。
检定合格后开具《专用量具保格证》连同实物交工模具中心库房。
6.6.1.5刃、夹具检验合格由工模具中心检验员开据《刃、夹具合格证》后方可转出使用。
6.6.2采购非标准工装按6.6.1要求执行。
6.6.3采购标准工具凭制造方合格证填写《工装验收单》入库。
6.7工装的储存6.7.1使用单位必须将所有在用和停用的工装建立统一台帐,实施定置摆放,专人保管,保持帐物相符。
6.7.2使用单位必须将合格的自制和外购模具用绿色油漆刷外表面,并用黑色油漆写清模具编号。
6.7.3顾客提供工装标识应按顾客要求在工装上贴上明显的标识,注明生产厂家、产品名称、产品代号、生产日期等。
6.7.4工装的存储,严格实施定置、分类放置、标识明显、油封、妥善保管。
不得有遗失、6.7.5对易变形的工装,按其性能进行合理放置。
大型模具应存放在指定位置,标记清晰,有专人保管,定期检查。
6.8工装的发放使用6.8.1工模具中心对自制、外购、客供工装建立收发总账,使用单位根据领用凭证建立内部的收发台账。
6.8.2使用单位根据工装的需求填写《工装请领单》、工具的需求填写《个人工具领用单》,由工装使用单位的主管计划员负责审核,然后领用。
6.8.3工装发放根据需要,实行按计划和定额发放。
6.8.4工装保全点检周期6.8.4.1工装的使用单位应明确规定工装保全点检周期。
6.8.4.2连续使用的模具在使用期间,操作者每次应在使用前按《模具点检卡》内容进行点检,并做好记录。
使用完后,操作者应做好交接记录,并签字认可。
6.8.4.3首次使用的模具,操作者应对模具的运动部件进行动作的灵活性和可靠性检查,经检查无误后方可使用,并填写《模具点检卡》。
6.8.4.4新模具在试模时,试制方必须在制造方的有关人员的指导下进行手动操作。
禁止野蛮操作,否则造成的一切损失由试模方承担。
6.8.4.5正常使用损坏的工具、量具、夹具等,由使用单位填写《工装报废单》,经工模具中心鉴定后,实施报废。
6.8.4.6非正常使用损坏的工具、量具、夹具等,由责任人保护好现场,并立即通知本单位工具员,由工具员通知工模具中心进行现场分析处理,视责任大小,按损坏工装价值的10%~20%给予经济赔偿。
6.8.4.7一般工装(价值低于500元)的丢失,由使用单位对责任者进行处理,处理结果报工模具中心确认;关重工序/或贵重工装(价值高于500元)的丢失,由工模具中心核实情况后,提出对责任人和责任单位的处罚意见,上报公司主管领导审批。
6.8.4.8量具的丢失按《计量器具管理程序》的相关要求执行。
6.8.4.9使用单位对使用过的正常工具转移,需要填写《在用工具转移单》,将需要转出的工具转移至工具调入单位,工模具中心进行备案。
6.9寿命监控6.9.1模具实际寿命应以《委托书》“特殊要求”栏内规定的寿命为依据。
6.9.2使用单位应做好每次使用模具的合模次数记录(记录在《模具点检卡》中),根据模具生产周期,制定模具复制计划,在模具报废后,提交工模具中心。
6.9.3使用单位应做好模具主要易损件每次更换的使用寿命的记录(记录在《维修记录卡》中的“维修原因”栏内)。
使用单位应填写《工装生产计划明细表》向工模具中心提出换件申请;对顾客提供的工装由外经部或营销部门向顾客申请更换。
丢失处理。
6.9.5贵重工装不论是否正常损坏均应分析原因,视具体情况处置。
6.10预防保养、维护和修理6.10.1预防保养6.10.1.1工装使用后应擦拭干净,并涂油处理,以防锈蚀。
6.10.1.2关、重、复杂的工装的维护修理,应由专人或在技术人员的指导下进行。
6.10.1.3正常工装的日常维护、保养,由工装使用单位负责,常用易损件和工装使用单位应有备件。
6.10.2维护和修理6.10.2.1使用单位工装需自行修理时,须填写《维修记录卡》,记录维修原因、时间、部位以及措施等。
须委托工模具中心维修的工装,应填写《工装维修信息反馈单》,将工装与反馈单一起传工模具中心维修。
6.10.2.2工模具中心根据《工装维修信息反馈单》进行维修,并填写《维修记录卡》;维修完后,将模具交使用单位,使用单位按6.6.1要求执行。
6.10.2.3使用单位对《模具点检卡》和《维修记录卡》按期进行统计分析,做到防患于未然。
6.10.2.4工模具中心每个季度应对使用单位的工装使用情况进行检查,填写《检查记录》,并对需改进的问题向发生单位下发《纠正和预防措施推进计划表》,要求其改进,并跟踪验证。
6.10.2.5问题发生单位对检查结果中存在的问题按《纠正和预防措施管理程序》的相关要求执行。
6.10.2.6工装在使用过程中,均应轻拿轻放,严禁堆放碰撞,以防损伤精度,保持工装的正常的使用性能、尺寸精度,能够满足产品质量的要求。
6.10.2.7对于生产完后交工具室的工装,工具室做好必要的维护和保养工作。
6.11报废6.11.1自制和外购模具报废,应由使用单位向工模具中心提交《工装报废单》,写明报废原因,经工模具中心鉴定,确认报废,并由工模具中心主管领导批准,如不能报废的重新按6.10.2条执行。
6.11.2客供工装报废,应由使用单位向营销部门报告,由营销部门将工装损坏情况通知顾客,按顾客要求执行。
6.11.3报废的客供工装由顾客自己处理,如顾客没有提出自行处理,由工模具中心统一处理。
6.11.4报废模具由工模具中心进行回收,做出“报废”标识;对可以利用的部件经技术人员及检验人员鉴定符合工装图纸要求,方可利用。