电梯集团公司资质要求
- 格式:doc
- 大小:76.02 KB
- 文档页数:9
电梯维保资质办理条件电梯维保资质办理条件电梯是现代社会的重要交通设施之一,为人们提供安全便捷的垂直交通服务。
然而,由于电梯设备涉及到人身安全问题,需要经常进行维保,以保证其正常运行和安全性。
因此,电梯维保资质的办理条件是非常重要的。
本文将从办理资质的条件、相关标准和要求等方面介绍电梯维保资质的办理条件。
一、电梯维保资质的办理条件1. 公司资质条件电梯维保服务商需要有企业法人营业执照,注册资本金需满足最低规定,具有维保服务资格的电梯工程技术人员,以及拥有全国工业产品生产许可证和安全生产许可证等方面的资质条件,同时还需要具备一定的固定资产,具体要求根据不同地区而异。
2. 经营能力条件电梯维保服务商需要有完善、规范、科学的管理制度,具备一定的技术人员和技术设备,对电梯设备进行日常巡检和定期维修,提供全方位的维修保养服务。
同时,还需具有完整的客户服务体系,为客户提供专业、周到、及时的服务。
3. 服务流程条件电梯维保服务商需要具备完整的服务流程,包括客户接待、现场勘察、方案制定、施工设计、施工实施、检验检测、移交交底、售后服务和管理运营等方面。
同时,需要制定科学、规范的服务标准,确保服务的质量和客户的满意度。
4. 服务质量条件电梯维保服务商需要对服务质量进行监控和评估,定期进行满意度调查和客户反馈等,及时处理客户的投诉和意见,以实现不断提高服务质量的目标。
同时,需要确保服务资质的合法性和透明度,遵循诚信经营的原则。
二、相关标准和要求在电梯维保服务领域,各地区的相关标准和要求可能会有所不同,但是一般都需要符合以下标准和要求:1. 《特种设备安全法》该法规是特种设备行业最基本的法规,是电梯维保服务商必须遵循的最基本标准。
2. 《电梯维修保养规范》该规范详细规定了电梯维护保养工作的要求和方法,对电梯维保服务商的服务标准和质量有着明确的规定。
3. 《安全生产许可证管理办法》该办法规定了电梯维保服务商需要获得安全生产许可证的管理标准和要求,是电梯维保服务商必须遵循的重要标准。
一、总则为保障电梯安全运行,维护人民群众生命财产安全,规范电梯维保公司资质管理,根据《特种设备安全法》、《特种设备安装改造维修许可证管理办法》等法律法规,特制定本制度。
二、资质要求1. 电梯维保公司必须取得《特种设备安装改造维修许可证》(以下简称《许可证》),并在许可的范围内从事电梯的安装、改造、维修和日常维护保养工作。
2. 电梯维保公司必须具有独立的法人资格,持有有效的营业执照,注册资金应与申请施工范围相适应。
3. 电梯维保公司应具备以下条件:(1)具备电梯安装、改造、维修、日常维护保养等业务的专业技术人员;(2)拥有符合电梯安装、改造、维修、日常维护保养等业务所需的设备、工具、检测仪器;(3)建立完善的电梯维保管理制度,包括人员培训、设备维护、质量管理、安全防范等;(4)配备专职安全管理人员,负责电梯维保过程中的安全监督和事故处理。
三、资质审核与发放1. 电梯维保公司申请《许可证》时,应向当地特种设备安全监督管理部门提交以下材料:(1)营业执照副本;(2)法定代表人、技术负责人、安全管理人员等相关人员的身份证、职称证书;(3)电梯安装、改造、维修、日常维护保养等业务的专业技术人员名单及资格证书;(4)设备、工具、检测仪器清单;(5)电梯维保管理制度。
2. 特种设备安全监督管理部门收到申请后,应在规定时间内进行审核。
审核合格的,颁发《许可证》;不合格的,书面通知申请人并说明理由。
四、资质管理1. 电梯维保公司应严格按照《许可证》规定的业务范围开展电梯维保工作,不得超出许可范围。
2. 电梯维保公司应定期向当地特种设备安全监督管理部门报送电梯维保情况,包括维保项目、人员、设备等信息。
3. 电梯维保公司应接受特种设备安全监督管理部门的监督检查,对监督检查中发现的问题,应立即整改。
4. 电梯维保公司如需变更《许可证》内容,应向原发证机关提出申请,经审核合格后,办理变更手续。
五、责任与处罚1. 电梯维保公司未取得《许可证》擅自从事电梯维保业务的,由特种设备安全监督管理部门依法予以查处。
电梯生产资质要求
电梯生产资质要求通常包括以下几个方面:
1. 企业资质:电梯生产企业需要具备独立法人资格,并具备工商营业执照等相关证书。
2. 研发能力:电梯生产企业需要具备一定的研发能力,包括拥有独立的研发机构、熟悉电梯技术和相关标准、能够进行电气、机械等方面的设计与研发工作。
3. 生产条件:电梯生产企业需要具备一定的生产条件,包括拥有生产厂房、生产设备和生产工艺等,并能够按照标准进行电梯的组装、调试和出厂检验等工作。
4. 质量管理体系:电梯生产企业需要建立完善的质量管理体系,包括拥有ISO9001质量管理体系认证、独立的质量检测实验
室等,能够进行电梯的质量控制和检测工作。
5. 安全认证:电梯生产企业需要拥有相关的安全认证,如中国特种设备制造许可证,以确保生产出的电梯符合安全标准和要求。
6. 售后服务:电梯生产企业需要提供完善的售后服务体系,包括技术支持、维修保养、故障处理等,以确保用户能够正常使用电梯并及时解决问题。
具体的电梯生产资质要求可能根据不同地区而有所不同,企业在申请资质时需要按照相关法规和标准进行申请和审核。
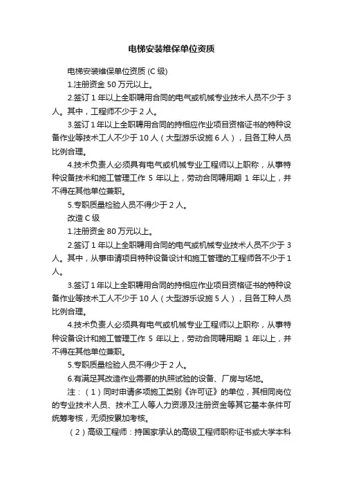
电梯安装维保单位资质电梯安装维保单位资质 (C级)1.注册资金50万元以上。
2.签订1年以上全职聘用合同的电气或机械专业技术人员不少于3人。
其中,工程师不少于2人。
3.签订1年以上全职聘用合同的持相应作业项目资格证书的特种设备作业等技术工人不少于10人(大型游乐设施6人),且各工种人员比例合理。
4.技术负责人必须具有电气或机械专业工程师以上职称,从事特种设备技术和施工管理工作5年以上,劳动合同聘用期1年以上,并不得在其他单位兼职。
5.专职质量检验人员不得少于2人。
改造C级1.注册资金80万元以上。
2.签订1年以上全职聘用合同的电气或机械专业技术人员不少于3人。
其中,从事申请项目特种设备设计和施工管理的工程师各不少于1人。
3.签订1年以上全职聘用合同的持相应作业项目资格证书的特种设备作业等技术工人不少于10人(大型游乐设施5人),且各工种人员比例合理。
4.技术负责人必须具有电气或机械专业工程师以上职称,从事特种设备设计和施工管理工作5年以上,劳动合同聘用期1年以上,并不得在其他单位兼职。
5.专职质量检验人员不得少于2人。
6.有满足其改造作业需要的执照试验的设备、厂房与场地。
注:(1)同时申请多项施工类别《许可证》的单位,其相同岗位的专业技术人员、技术工人等人力资源及注册资金等其它基本条件可统筹考核,无须按累加考核。
(2)高级工程师:持国家承认的高级工程师职称证书或大学本科毕业、十年以上的工作经历或研究生毕业、七年以上工作经历或大专毕业、十二年以上工作经历。
工程师:持国家承认的工程师职称证书或大学本科毕业、五年以上的工作经历或研究生毕业、二年以上工作经历或大专毕业、七年以上工作经历。
技术人员是指大中专以上或技术员职称以上的人员。
注:同时申请多项施工类别《许可证》的单位,其相同岗位的专业技术人员、技术工人等人力资源及注册资金等其它基本条件可统筹考核,无须按累加考核。
附件3:
机电类特种设备施工单位考核年度业绩要求
修
在考核的年度内,对应该单位许可范围至少承担了电梯8台套、起重机械5台套、客运索道或大型游乐设施2台套以上设备的维修业务,并且满足:
1.至少有3台套设备的技术参数,处于所申请等级的技术参数上限,申请各种类设备A级资格的,至少有3台套设备的技术参数,达到B级资格以上的技术参数(客运索道和大型游乐设施不适用);
2.考核年度内所维修设备经监督检验机构检验合格;
3.考核年度内维修的设备,没有因维修质量出现过设备事故,其用户也没有提出过重大质量问题;
4.考核年度内维修和电梯日常维护保养的设备,能够按照与产权单位签署的相关约定,提供承诺的服务且无重大失误。
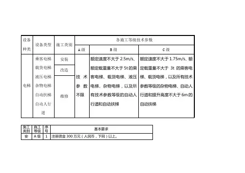
电梯公司资质要求————————————————————————————————作者:————————————————————————————————日期:设备种类设备类型施工类别各施工等级技术参数A级B级C级电梯乘客电梯载货电梯液压电梯杂物电梯自动扶梯自动人行道安装技术参数不限额定速度不大于2.5m/s、额定载重量不大于5t的乘客电梯、载货电梯、液压电梯、杂物电梯,以及所有技术参数等级的自动人行道和自动扶梯额定速度不大于1.75m/s、额定载重量不大于3t的乘客电梯、载货电梯,以及所有技术参数等级的杂物电梯、自动人行道和提升高度不大于6m的自动扶梯改造维修施工类别施工等级序号基本要求安A级 1 注册资金300万元(人民币,下同)以上。
装 2 签订1年以上全职聘用合同的电气或机械专业技术人员不少于8人;其中,高级工程师不少于2人,工程师不少于4人。
3 签订1年以上全职聘用合同的持相应作业项目资格证书的特种设备作业人员等技术工人不少于30人(客运索道或大型游乐设施20人),且各工种人员比例合理。
4 技术负责人必须具有国家承认的电气或机械专业高级工程师以上职称,从事特种设备技术和施工管理工作5年以上,并不得在其他单位兼职。
5 专职质量检验人员不得少于4人。
6 近5年累计安装申请范围内的特种设备数量至少为:电梯150台套;起重机械60台套;客运索道或大型游乐设施20台套。
B 级 1 注册资金150万元以上。
2 签订1年以上全职聘用合同的电气或机械专业技术人员不少于6人;其中,高级工程师不少于1人,工程师不少于3人。
3 签订1年以上全职聘用合同的持相应作业项目资格证书的特种设备作业人员等技术工人不少于20人(客运索道或大型游乐设施10人),且各工种人员比例合理。
4 技术负责人必须具有国家承认的电气或机械专业高级工程师以上职称,从事特种设备技术和施工管理工作5年以上,并不得在其他单位兼职。
5 专职质量检验人员不得少于3人。
电梯公司资质要求电梯是一种特殊的机械设备,它承载着人们的生命安全和财产安全。
为了保证电梯的安全运行,电梯公司需要具备一些特定的资质要求。
首先,电梯公司需要具备工商营业执照。
工商营业执照是电梯公司合法经营的基础。
只有具备工商营业执照的公司才能在正规渠道开展业务活动,才能与客户签订合同、接受委托和提供服务。
工商营业执照的有效期限也是电梯公司进行合法经营的依据。
其次,电梯公司需要获得相应的建筑业企业资质。
根据国家相关法律法规和政策规定,电梯安装、维修、改造等需要具备符合要求的建筑业企业资质。
对于不同类型的电梯相关服务,电梯公司需要有相应的施工、维修或改造资质。
此外,电梯公司还需要建立相应的技术服务团队,保证提供质量可靠的服务。
另外,电梯公司需要获得相关专业资质认证。
国家相关部门对电梯安装、维保等工作的质量和安全有一定的要求,需要电梯公司的技术人员拥有相关的从业资格证书。
比如,需要具备国家注册的电梯工程师、电梯维修员等资格。
这些证书的获得,是对电梯公司技术实力和服务水平的一种保证。
此外,电梯公司还需要具备一定的资金实力。
电梯的安装和维修都需要投入大量的资金,对电梯公司的财务实力有一定的要求。
电梯公司需要有足够的资金支持才能购买设备、招聘人员,并承担可能发生的各种费用,如施工费用、维修费用、人员培训费用等。
在资质要求方面,电梯公司还需要具备良好的信誉和声誉。
电梯公司需要通过正常渠道开展经营活动,不得参与违法违规行为。
电梯公司需要遵守相关的法律、法规和行业规范,严格按照合同规定提供服务。
同时,电梯公司还需要保持良好的信誉和声誉,提供高质量的产品和服务,以达到客户的满意度,获得市场的认可。
综上所述,电梯公司需要具备工商营业执照、建筑业企业资质、专业资质认证、资金实力和良好的信誉声誉等一系列的资质要求。
这些要求不仅是对电梯公司自身的要求,更是对电梯安全和人民生命财产安全的保障。
只有具备了这些资质要求,电梯公司才能更好地履行自己的职责和义务,向客户提供高质量的服务。
这是是需要具备电梯安装工程专业承包企业资质的,一般包含一级资质,即可承担各类型电梯的安装及维修工程;二级企业,可承担单项合同额不超过企业注册资本金5倍、速度为2.5米/秒及以下电梯的安装及维修工程。
一级资质标准1、企业经理具有8年以上从事了工程管理工作经历或具有中级职称;总工程师具有8年以上从事电梯安装施工技术管理工作经历并具有机电专业高级职称;总会计师具有高级会计职称。
2、企业有职称的工程技术和经济管理人员不少于40人,其中工程技术人员不少于25人;工程技术人员中,具有中级以上职称的人员不少于8人,且电气、机械、自动化等相关专业人员齐全。
3、企业具有的二级资质以上项目经理不少于6人,其中一级资质项目经理不少于1人。
4、企业注册资本金500万元以上,企业净资产600万元以上。
5、企业近3年最高年工程结算收入500万元以上。
6、企业具有相应的专业检测设备。
二级资质标准1、企业经理具有5年以上从事工程管理工作经历;技术负责人具有5年以上从事电梯安装施工技术管理工作经历并具有机电专业中级以上职称;财务负责人具有中级以上会计职称。
2、企业有职称的工程技术和经济管理人员不少于25人,其中工程技术人员不少于15人;工程技术人员中,具有中级以上职称的人员不少于6人,且电气、机械、自动化等相关专业人员齐全。
3、企业具有的三级资质以上项目经理不少于5人,其中二级资质以上项目经理不少于1人。
4、企业注册资本金300万元以上,企业净资产360万元以上。
5、企业近3年最高年工程结算收入300万元以上。
6、企业具有相应的专业检测设备。
综上就是有关电梯安装公司所需具备资质的介绍,希望对大家进一步的了解有所帮助,同时,如有不清楚的可咨询河南艾德依电梯机电工程有限公司。
电梯公司资质要求
1、资质证书
电梯公司安装、维修、改造等公司必须具备《机械设备安装维护许可证书》,《电梯安全检验许可证书》,《建设项目施工许可证》和《电梯安装运行许可证》。
2、资质认定
电梯公司应向当地特种设备安全监察机构提交经有关认定机构认定的资质认定书及相关资料,经审查合格后,机构出具《特种设备安全登记证》。
3、技术人员
电梯公司应拥有合格的技术人员,其中必须具备《电梯技术专业人员资格证书》,以及相关的检验人员资格证书和相关维修人员资格证书,以及参加过的培训证书。
4、安全政策
电梯公司应建立完善的安全政策和安全控制,加强安全培训,保护工人的生命和财产安全,避免事故发生,确保电梯安全运行、使用和维护。
5、项目许可
电梯公司在施工前,应向当地施工管理部门提出申请,出具相关许可证,并经审核合格后,方可开始施工。
6、经营范围
电梯公司的经营范围应包括电梯设计、制造、安装、维修、改造等;其中安装、维修、改造等必须在许可证范围内进行。
7、质量管理。
关于电梯企业资格要求
1、所选电梯品牌具有独立法人资格,且注册资金须达到2亿人民币及以上或同等外币(以当前中国银行首次发布的外币对人民币汇率计算);
2、电梯制造商具有国家法定质检部门颁发的曳引式客梯制造A级及安装、维修、改造A级资质,且在安徽省内设有直属分公司(分公司要求取得A级电梯安装、维修资质并满4年以上);
3、所选电梯制造商须具有IS09001、IS014001、OHSAS18001系列体系认证证书;
4、所选产品须具有VDI4707国际能效标准A级认证证书;
5、所选产品曳引机、控制系统、门机需与电梯同品牌生产配置(要求为电梯同品牌自主生产),业主将对供货企业进行实地考察,如不是自主生产,将取消供货资格;
6、所选电梯品牌企业银行资信情况信誉良好,具有基本开户行2016年提供的AAA等级证明。
7、所选品牌近三年取得有国家工商行政管理总局颁发的“守合同重信用证书”;
8、所选品牌投标企业取得国家版权局计算机著作权登记证书且达到6份以上,且包含“电梯主控软件”、“门机控制软件”、“轿厢通信软件”的计算机软件著作权登记证书。
电梯生产单位许可条件G2ﻩ制造(含安装、修理、改造)专项条件G2.1 曳引驱动乘客电梯(含消防员电梯)(A1)G2。
1.1。
4ﻩ质量检验人员(1)制造过程专职质量检验人员不少于5人,具有工程师职称;(2)现场施工过程检验、验收检验的专职质量检验人员不少于6人,由技术人员或者持有电梯修理作业资格证的人员担任。
G2.2 曳引驱动乘客电梯(含消防员电梯)(A2)G2。
2.1。
4ﻩ质量检验人员(1)制造过程专职质量检验人员不少于 3 人,具有工程师职称;(2)现场施工过程检验、验收检验的专职质量检验人员不少于 4 人,由技术人员或者持有电梯修理作业资格证的人员担任.G2。
3ﻩ曳引驱动乘客电梯(含消防员电梯)(B)、曳引驱动载货电梯和强制驱动载货电梯(含防爆电梯中的载货电梯)、自动扶梯与自动人行道、液压驱动电梯G2.3.1.4ﻩ质量检验人员(1)制造过程专职质量检验人员不少于2人,具有工程师职称;(2)现场施工过程检验、验收检验的专职质量检验人员不少于3人,由技术人员或者持有电梯修理作业资格证的人员担任.G2。
4杂物电梯(含防爆电梯中的杂物电梯)G2.4。
1。
4质量检验人员(1)制造过程专职质量检验人员至少 1 人,由技术人员担任;(2)现场施工过程检验、验收检验的专职质量检验人员至少 1 人,由技术人员或者持有电梯修理作业资格证的人员担任.G3 安装(含修理)专项条件G3.1曳引驱动乘客电梯(含消防员电梯)(A1)G3.1。
4ﻩ质量检验人员现场安装和修理过程检验、验收检验的质量检验人员不少于 6 人,由技术人员或者持有电梯修理作业资格证的人员担任。
G3。
2ﻩ曳引驱动乘客电梯(含消防员电梯)(A2)G3.2.4 质量检验人员现场施工过程检验、验收检验的专职质量检验人员不少于 4 人,由技术人员或者持有电梯修理作业资格证的人员担任.G3.3 曳引驱动乘客电梯(含消防员电梯)(B)、曳引驱动载货电梯和强制驱动载货电梯(含防爆电梯中的载货电梯)、自动扶梯与自动人行道、液压驱动电梯、杂物电梯(含防爆电梯中的杂物电梯)G3。