电梯公司资质要求
- 格式:doc
- 大小:90.50 KB
- 文档页数:10
电梯a1a2b级资质要求概述说明以及解释1. 引言1.1 概述在电梯行业中,电梯的安全性和质量是至关重要的考虑因素。
为了确保电梯的设计、制造、安装和维护都符合相关标准和规定,各国都制定了一系列资质要求。
本文旨在概述和解释电梯a1a2b级资质的要求,以提供相关从业人员和决策者一个清晰的指导。
1.2 文章结构本文分为以下几个部分进行阐述:引言、电梯a1a2b级资质要求概述、电梯a1a2b级资质说明、解释电梯a1a2b级资质要求的重点内容以及结论。
通过这样的结构,读者可以逐步了解到有关电梯a1a2b级资质的要求及其背后的原理和考虑因素。
1.3 目的目前,越来越多的人们选择使用电梯作为上下楼层的交通方式。
然而,由于种种原因,例如建筑物高度增加、人口密集度增加等,对安全、节能等方面提出了更高的要求,使得电梯行业不断发展并迎来新挑战。
因此,为了保障公众的生命安全以及建筑物的正常运行,各国都制定了电梯a1a2b级资质要求。
本文的目的是向读者提供有关电梯a1a2b级资质要求的详细信息和解释,以帮助从业人员更好地理解和遵守相关规定,并推动电梯行业的良性发展。
2. 电梯a1a2b级资质要求概述2.1 a级资质要求根据相关法规和标准规定,电梯的a级资质要求主要包括以下几个方面:- 设备基本参数:包括额定载重量、额定速度、电梯尺寸等;- 安全保护措施:包括制动装置、限速器、门锁等安全装置的设置与性能要求;- 运行性能:如平稳性、噪音水平和能耗等;- 显著标志与警示信息:必须在适当位置设置合格的标志与警示信息。
2.2 a1级资质要求相比于a级资质,a1级资质对一些特殊类型的电梯有更为严格的要求。
主要包括以下内容:- 设备结构设计:对于无机房电梯或曳引式电梯等特殊结构形式,其设计需要符合相关规范;- 排除危险因素:对于可能存在的导致事故或危险情况的因素需要进行有效排除;- 操作界面设计:操作界面应采用易于理解和使用的设计,并考虑到老年人和身体有特殊需求人群。
一、总则为保障电梯安全运行,维护人民群众生命财产安全,规范电梯维保公司资质管理,根据《特种设备安全法》、《特种设备安装改造维修许可证管理办法》等法律法规,特制定本制度。
二、资质要求1. 电梯维保公司必须取得《特种设备安装改造维修许可证》(以下简称《许可证》),并在许可的范围内从事电梯的安装、改造、维修和日常维护保养工作。
2. 电梯维保公司必须具有独立的法人资格,持有有效的营业执照,注册资金应与申请施工范围相适应。
3. 电梯维保公司应具备以下条件:(1)具备电梯安装、改造、维修、日常维护保养等业务的专业技术人员;(2)拥有符合电梯安装、改造、维修、日常维护保养等业务所需的设备、工具、检测仪器;(3)建立完善的电梯维保管理制度,包括人员培训、设备维护、质量管理、安全防范等;(4)配备专职安全管理人员,负责电梯维保过程中的安全监督和事故处理。
三、资质审核与发放1. 电梯维保公司申请《许可证》时,应向当地特种设备安全监督管理部门提交以下材料:(1)营业执照副本;(2)法定代表人、技术负责人、安全管理人员等相关人员的身份证、职称证书;(3)电梯安装、改造、维修、日常维护保养等业务的专业技术人员名单及资格证书;(4)设备、工具、检测仪器清单;(5)电梯维保管理制度。
2. 特种设备安全监督管理部门收到申请后,应在规定时间内进行审核。
审核合格的,颁发《许可证》;不合格的,书面通知申请人并说明理由。
四、资质管理1. 电梯维保公司应严格按照《许可证》规定的业务范围开展电梯维保工作,不得超出许可范围。
2. 电梯维保公司应定期向当地特种设备安全监督管理部门报送电梯维保情况,包括维保项目、人员、设备等信息。
3. 电梯维保公司应接受特种设备安全监督管理部门的监督检查,对监督检查中发现的问题,应立即整改。
4. 电梯维保公司如需变更《许可证》内容,应向原发证机关提出申请,经审核合格后,办理变更手续。
五、责任与处罚1. 电梯维保公司未取得《许可证》擅自从事电梯维保业务的,由特种设备安全监督管理部门依法予以查处。
电梯生产资质要求(最新版)目录1.电梯生产资质的重要性2.电梯生产资质的要求3.电梯生产资质的获取流程4.我国对电梯生产资质的管理正文【电梯生产资质的重要性】电梯作为现代城市和建筑物中不可或缺的垂直交通工具,其安全性和可靠性对于人们的生命财产安全至关重要。
因此,电梯生产资质的获取和监管显得尤为重要。
电梯生产资质是对电梯生产企业技术能力、生产条件和管理水平的一种认定,是保障电梯质量安全的基本前提。
【电梯生产资质的要求】电梯生产资质的要求主要包括以下几个方面:1.企业规模:企业需具备一定的生产规模和能力,以满足电梯生产、安装和维修等各方面的需求。
2.技术能力:企业应具备电梯设计、制造、安装、维修等方面的专业技术人员,并具备相应的技术研发能力。
3.生产设备:企业需要具备满足生产需要的设备、设施和生产工艺,以确保电梯的质量和安全性能。
4.质量管理:企业应建立完善的质量管理体系,从原材料采购、生产过程、产品检验到售后服务等环节进行严格把控,确保电梯质量。
5.售后服务:企业应具备完善的售后服务体系,能够为用户提供及时、有效的电梯维修和保养服务。
【电梯生产资质的获取流程】电梯生产资质的获取流程分为以下几个步骤:1.企业自查:企业需对照电梯生产资质的要求,进行自查,确保自身条件符合资质要求。
2.提交申请:企业需向所在地的质量技术监督部门提交电梯生产资质申请,并附上相关证明材料。
3.资料审查:质量技术监督部门将对企业提交的申请材料进行审查,确认企业是否符合资质要求。
4.现场评审:质量技术监督部门将组织专家对企业进行现场评审,核实企业的生产能力、设备条件、质量管理等方面的情况。
5.颁发资质证书:通过资料审查和现场评审的企业,将获得电梯生产资质证书。
【我国对电梯生产资质的管理】我国对电梯生产资质的管理十分严格,旨在保障电梯安全和质量。
国家市场监督管理总局(原国家质量监督检验检疫总局)负责全国电梯生产资质的监督管理工作。
电梯生产资质要求
电梯生产资质要求通常包括以下几个方面:
1. 企业资质:电梯生产企业需要具备独立法人资格,并具备工商营业执照等相关证书。
2. 研发能力:电梯生产企业需要具备一定的研发能力,包括拥有独立的研发机构、熟悉电梯技术和相关标准、能够进行电气、机械等方面的设计与研发工作。
3. 生产条件:电梯生产企业需要具备一定的生产条件,包括拥有生产厂房、生产设备和生产工艺等,并能够按照标准进行电梯的组装、调试和出厂检验等工作。
4. 质量管理体系:电梯生产企业需要建立完善的质量管理体系,包括拥有ISO9001质量管理体系认证、独立的质量检测实验
室等,能够进行电梯的质量控制和检测工作。
5. 安全认证:电梯生产企业需要拥有相关的安全认证,如中国特种设备制造许可证,以确保生产出的电梯符合安全标准和要求。
6. 售后服务:电梯生产企业需要提供完善的售后服务体系,包括技术支持、维修保养、故障处理等,以确保用户能够正常使用电梯并及时解决问题。
具体的电梯生产资质要求可能根据不同地区而有所不同,企业在申请资质时需要按照相关法规和标准进行申请和审核。
注:同时申请多项施工类别《许可证》的单位,其相同岗位的专业技术人员、技术工人等人力资源及注册资金等其它基本条件可统筹考核,无须按累加考核。
附件3:
机电类特种设备施工单位考核年度业绩要求
修
在考核的年度内,对应该单位许可范围至少承担了电梯8台套、起重机械5台套、客运索道或大型游乐设施2台套以上设备的维修业务,并且满足:
1.至少有3台套设备的技术参数,处于所申请等级的技术参数上限,申请各种类设备A级资格的,至少有3台套设备的技术参数,达到B级资格以上的技术参数(客运索道和大型游乐设施不适用);
2.考核年度内所维修设备经监督检验机构检验合格;
3.考核年度内维修的设备,没有因维修质量出现过设备事故,其用户也没有提出过重大质量问题;
4.考核年度内维修和电梯日常维护保养的设备,能够按照与产权单位签署的相关约定,提供承诺的服务且无重大失误。
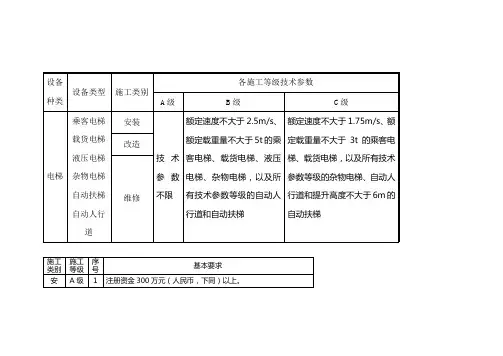
电梯公司资质要求————————————————————————————————作者:————————————————————————————————日期:设备种类设备类型施工类别各施工等级技术参数A级B级C级电梯乘客电梯载货电梯液压电梯杂物电梯自动扶梯自动人行道安装技术参数不限额定速度不大于2.5m/s、额定载重量不大于5t的乘客电梯、载货电梯、液压电梯、杂物电梯,以及所有技术参数等级的自动人行道和自动扶梯额定速度不大于1.75m/s、额定载重量不大于3t的乘客电梯、载货电梯,以及所有技术参数等级的杂物电梯、自动人行道和提升高度不大于6m的自动扶梯改造维修施工类别施工等级序号基本要求安A级 1 注册资金300万元(人民币,下同)以上。
装 2 签订1年以上全职聘用合同的电气或机械专业技术人员不少于8人;其中,高级工程师不少于2人,工程师不少于4人。
3 签订1年以上全职聘用合同的持相应作业项目资格证书的特种设备作业人员等技术工人不少于30人(客运索道或大型游乐设施20人),且各工种人员比例合理。
4 技术负责人必须具有国家承认的电气或机械专业高级工程师以上职称,从事特种设备技术和施工管理工作5年以上,并不得在其他单位兼职。
5 专职质量检验人员不得少于4人。
6 近5年累计安装申请范围内的特种设备数量至少为:电梯150台套;起重机械60台套;客运索道或大型游乐设施20台套。
B 级 1 注册资金150万元以上。
2 签订1年以上全职聘用合同的电气或机械专业技术人员不少于6人;其中,高级工程师不少于1人,工程师不少于3人。
3 签订1年以上全职聘用合同的持相应作业项目资格证书的特种设备作业人员等技术工人不少于20人(客运索道或大型游乐设施10人),且各工种人员比例合理。
4 技术负责人必须具有国家承认的电气或机械专业高级工程师以上职称,从事特种设备技术和施工管理工作5年以上,并不得在其他单位兼职。
5 专职质量检验人员不得少于3人。
电梯检测公司资质申请条件电梯作为现代化建筑的必备设施之一,其安全运行对于保障人们的生命财产安全至关重要。
为了确保电梯运行的安全可靠,电梯检测公司的资质申请需要符合一系列的条件和要求。
本文将针对电梯检测公司资质申请的相关参考内容进行详细介绍。
首先,电梯检测公司资质申请需要具备相应的技术能力和资质条件。
一般而言,电梯检测公司需要拥有一定数量和质量的技术人员,包括注册检测工程师、技术人员等。
这些人员需要具备相关的专业知识和技能,并且在电梯检测方面拥有一定的工作经验。
此外,电梯检测公司还需要拥有一定的检测设备和仪器,用于对电梯进行各项安全检测。
其次,电梯检测公司资质申请需要满足相关的法律法规和标准要求。
在我国,电梯的设计、制造、安装、改造和维修都需要符合国家相关的法律法规和标准要求。
因此,电梯检测公司在申请资质时需要了解并遵守这些法律法规和标准要求,确保电梯检测工作的合法性和规范性。
此外,电梯检测公司还需要具备相应的保险责任能力,确保在检测过程中发生意外时能够承担相应的责任和赔偿。
另外,电梯检测公司在资质申请时还需要具备一定的信誉和声誉。
电梯作为安全设施,对于电梯检测公司的专业能力和信誉要求较高。
因此,电梯检测公司需要在销售和服务过程中遵守商业道德,保证服务的质量和效果。
同时,电梯检测公司还需要积极参与相关的行业学术交流和讨论,提高自身的专业水平和知名度。
最后,电梯检测公司资质申请还需要满足一定的管理和运营要求。
电梯检测公司需要具备一定的组织机构,包括人事、财务和管理等方面的安排。
同时,电梯检测公司还需要建立健全的质量管理体系和安全管理体系,确保电梯检测工作的可持续性和稳定性。
此外,电梯检测公司还需要具备一定的经济实力和设备投入,确保检测工作的顺利进行。
综上所述,电梯检测公司资质申请需要满足一系列条件和要求。
具备相应的技术能力和资质条件、满足相关法律法规和标准要求、具备一定的信誉和声誉、以及具备一定的管理和运营能力,是电梯检测公司成功申请资质的基本要求。
电梯安装、修理、改造单位的资格要求电梯是现代社会重要的交通工具之一,其安装、修理、改造涉及到人们的出行安全和便利性。
为了保障电梯的正常运行和使用,电梯安装、修理、改造单位需要具备一定的资格要求。
本文将详细介绍电梯安装、修理、改造单位的资格要求。
一、电梯安装单位的资格要求(1)具备法定资质:电梯安装单位需要具备《建筑业企业资质证书》或《特种设备安装、改造、维修许可证》等法定资质证书,才能从事电梯安装工作。
(2)技术力量:电梯安装单位需要具备一定的技术力量,包括具备相应的工程技术人员、技术设备和技术方案等,能够按照相关规范和标准进行电梯安装工作。
(3)质量管理:电梯安装单位需要建立健全的质量管理体系,包括质量控制、质量检测等环节,确保电梯安装工程的质量达到相关标准和要求。
二、电梯修理单位的资格要求(1)具备法定资质:电梯修理单位需要具备《特种设备维修许可证》等法定资质证书,才能从事电梯修理工作。
(2)技术力量:电梯修理单位需要具备一定的技术力量,包括具备相应的维修技术人员、维修设备和维修方案等,能够按照相关规范和标准进行电梯修理工作。
(3)服务能力:电梯修理单位需要具备良好的服务能力,包括快速响应、高效维修和售后服务等,确保电梯故障得到及时解决,保障用户的出行安全。
三、电梯改造单位的资格要求(1)具备法定资质:电梯改造单位需要具备《特种设备改造许可证》等法定资质证书,才能从事电梯改造工作。
(2)技术力量:电梯改造单位需要具备一定的技术力量,包括具备相应的改造技术人员、改造设备和改造方案等,能够按照相关规范和标准进行电梯改造工作。
(3)安全措施:电梯改造单位需要制定合理的改造方案和施工计划,确保在改造过程中不影响电梯的正常运行,同时做好施工期间的安全措施,保障施工人员和用户的安全。
总结起来,电梯安装、修理、改造单位的资格要求主要包括具备法定资质、技术力量和质量管理(或服务能力、安全措施)等方面。
这些要求旨在保障电梯工程的质量和安全,提升人们的出行体验和安全保障水平。
电梯维保资质需要条件1. 背景介绍电梯维保是指定期对电梯进行保养、检修和维修,确保其正常、安全、有效地运行。
为了保证电梯维保的质量和安全性,电梯维保公司需要具备一定的资质和条件。
本文将介绍电梯维保公司需要满足的条件和资质要求。
2. 注册和许可证首先,电梯维保公司需要完成相关的注册和许可证手续。
这些手续包括: - 公司注册及相关资质申请; - 工商营业执照; - 税务登记证; - 维保业务许可证。
在申请维保业务许可证时,电梯维保公司需要提交相关的材料和证明文件,包括: - 公司资质证明; - 资金实力证明;- 相关技术人员的资格证明; - 设备和工具的配备清单。
3. 技术人员要求电梯维保公司需要有一支专业的技术团队来进行维保工作。
以下是技术人员的要求: - 具备相关的电梯维修、保养经验;- 拥有相关的技术资格证书,如电梯维保工程师证书、电梯安装维修员证书等; - 熟悉电梯维保的相关法律法规和标准;- 掌握电梯维保的常见问题和故障排除方法; - 具备良好的沟通和解决问题的能力。
4. 设备和工具要求为了确保电梯维保工作的顺利进行,电梯维保公司需要配备相应的设备和工具。
以下是常见的设备和工具要求: - 各类测量工具,如电流表、电压表、万用表等,用于检测电梯的电气系统; - 电梯故障诊断设备,如故障代码读取器等,用于定位和排除电梯故障; - 电梯维保工具包,包括扳手、螺丝刀、电工工具等,用于拆卸和更换电梯部件; - 保养用品,如润滑油、清洁剂等,用于维护电梯的日常保养。
5. 资金实力和保险要求电梯维保公司需要具备一定的资金实力,以确保维保工作的顺利进行。
以下是常见的资金实力和保险要求: - 公司注册资本要求; - 维保业务所需的流动资金; - 公司财务稳定性和信誉度; - 责任险和意外险保单。
6. 服务承诺和合同范围电梯维保公司需要在与客户签订合同之前,明确提供的服务承诺和合同范围。
以下是常见的服务承诺和合同范围: -定期保养和检修服务; - 故障排除和修复服务; - 24小时紧急救援服务; - 针对电梯特殊需求的个性化服务; - 价格和费用结构。
电梯安装维修改造资质的分级和要求电梯安装维修改造资质分为不同的级别,根据不同级别的要求和标准,可以进行安装、维修和改造电梯的相关工作。
以下是关于电梯安装维修改造资质的分级和要求的相关参考内容:1. 一级资质:一级资质是最高级别的电梯安装维修改造资质,可以进行任何级别的电梯的安装、维修和改造工作。
申请一级资质需要满足以下要求:- 具备相关工程技术负责人资格,拥有高级工程师职称或以上;- 具备良好的信誉和较高的职业道德;- 近5年内参与过3台及以上电梯的安装、维修或改造工作;- 有完善的质量管理体系,包括工程交底、施工管理、质量检验等。
2. 二级资质:二级资质是中级别的电梯安装维修改造资质,可以进行一定级别的电梯的安装、维修和改造工作。
申请二级资质需要满足以下要求:- 具备相关工程技术负责人资格,拥有中级工程师职称;- 具备良好的信誉和一定的职业道德;- 近3年内参与过2台及以上电梯的安装、维修或改造工作;- 有一定的质量管理体系,包括工程交底、施工管理、质量检验等。
3. 三级资质:三级资质是初级别的电梯安装维修改造资质,可以进行低级别的电梯的安装、维修和改造工作。
申请三级资质需要满足以下要求:- 具备相关工程技术负责人资格,拥有初级工程师职称;- 具备良好的信誉和基本的职业道德;- 近2年内参与过1台及以上电梯的安装、维修或改造工作;- 有基本的质量管理体系,包括工程交底、施工管理、质量检验等。
除了上述资质要求外,还需要满足以下通用要求:- 具备符合国家相关法律法规的企业资质和安全生产证书;- 具备独立预算和组织生产能力;- 有固定办公场所和完善的管理制度;- 拥有一定数量的员工和技术人员,涵盖不同的专业素质。
此外,还需要遵守电梯安装、维修和改造相关的法律法规,包括但不限于《特种设备安全法》、《电梯安全规范》等,确保施工过程中的安全性和合规性。
总而言之,电梯安装维修改造资质的分级和要求是为了保证施工单位具备相应的技术能力和管理水平,以确保电梯的安全运行和使用。
电梯公司资质要求电梯是一种特殊的机械设备,它承载着人们的生命安全和财产安全。
为了保证电梯的安全运行,电梯公司需要具备一些特定的资质要求。
首先,电梯公司需要具备工商营业执照。
工商营业执照是电梯公司合法经营的基础。
只有具备工商营业执照的公司才能在正规渠道开展业务活动,才能与客户签订合同、接受委托和提供服务。
工商营业执照的有效期限也是电梯公司进行合法经营的依据。
其次,电梯公司需要获得相应的建筑业企业资质。
根据国家相关法律法规和政策规定,电梯安装、维修、改造等需要具备符合要求的建筑业企业资质。
对于不同类型的电梯相关服务,电梯公司需要有相应的施工、维修或改造资质。
此外,电梯公司还需要建立相应的技术服务团队,保证提供质量可靠的服务。
另外,电梯公司需要获得相关专业资质认证。
国家相关部门对电梯安装、维保等工作的质量和安全有一定的要求,需要电梯公司的技术人员拥有相关的从业资格证书。
比如,需要具备国家注册的电梯工程师、电梯维修员等资格。
这些证书的获得,是对电梯公司技术实力和服务水平的一种保证。
此外,电梯公司还需要具备一定的资金实力。
电梯的安装和维修都需要投入大量的资金,对电梯公司的财务实力有一定的要求。
电梯公司需要有足够的资金支持才能购买设备、招聘人员,并承担可能发生的各种费用,如施工费用、维修费用、人员培训费用等。
在资质要求方面,电梯公司还需要具备良好的信誉和声誉。
电梯公司需要通过正常渠道开展经营活动,不得参与违法违规行为。
电梯公司需要遵守相关的法律、法规和行业规范,严格按照合同规定提供服务。
同时,电梯公司还需要保持良好的信誉和声誉,提供高质量的产品和服务,以达到客户的满意度,获得市场的认可。
综上所述,电梯公司需要具备工商营业执照、建筑业企业资质、专业资质认证、资金实力和良好的信誉声誉等一系列的资质要求。
这些要求不仅是对电梯公司自身的要求,更是对电梯安全和人民生命财产安全的保障。
只有具备了这些资质要求,电梯公司才能更好地履行自己的职责和义务,向客户提供高质量的服务。
电梯公司资质要求
1、资质证书
电梯公司安装、维修、改造等公司必须具备《机械设备安装维护许可证书》,《电梯安全检验许可证书》,《建设项目施工许可证》和《电梯安装运行许可证》。
2、资质认定
电梯公司应向当地特种设备安全监察机构提交经有关认定机构认定的资质认定书及相关资料,经审查合格后,机构出具《特种设备安全登记证》。
3、技术人员
电梯公司应拥有合格的技术人员,其中必须具备《电梯技术专业人员资格证书》,以及相关的检验人员资格证书和相关维修人员资格证书,以及参加过的培训证书。
4、安全政策
电梯公司应建立完善的安全政策和安全控制,加强安全培训,保护工人的生命和财产安全,避免事故发生,确保电梯安全运行、使用和维护。
5、项目许可
电梯公司在施工前,应向当地施工管理部门提出申请,出具相关许可证,并经审核合格后,方可开始施工。
6、经营范围
电梯公司的经营范围应包括电梯设计、制造、安装、维修、改造等;其中安装、维修、改造等必须在许可证范围内进行。
7、质量管理。
电梯a级资质要求
电梯安装维修资质分为A、B、C三个等级,其中A级最高,C级最低。
以下是申请A级电梯维修证的具体要求:
1. 注册资金应达到250万元以上。
2. 应签订全职聘用合同一年以上的机电专业人才不少于8人,其中高级工程师不少于2人,工程师不少于4人。
3. 应签订全职劳动合同一年以上并取得相应经营项目资格证书的特种设备操作人员和其他合格人员不少于40人,且各工种人员比例合理。
4. 技术负责人必须具有国家认可的机电专业高级工程师学历,且从事特种设备技术和施工管理工作5年以上,未在其他单位兼职。
5. 专职质检员不少于4人。
6. 最近5年维修使用范围内的特种设备电梯数量不少于150台。
电梯安装公司资质和现场安装人员资格要求下载提示:该文档是本店铺精心编制而成的,希望大家下载后,能够帮助大家解决实际问题。
文档下载后可定制修改,请根据实际需要进行调整和使用,谢谢!本店铺为大家提供各种类型的实用资料,如教育随笔、日记赏析、句子摘抄、古诗大全、经典美文、话题作文、工作总结、词语解析、文案摘录、其他资料等等,想了解不同资料格式和写法,敬请关注!Download tips: This document is carefully compiled by this editor. I hope that after you download it, it can help you solve practical problems. The document can be customized and modified after downloading, please adjust and use it according to actual needs, thank you! In addition, this shop provides you with various types of practical materials, such as educational essays, diary appreciation, sentence excerpts, ancient poems, classic articles, topic composition, work summary, word parsing, copy excerpts, other materials and so on, want to know different data formats and writing methods, please pay attention!电梯安装公司资质要求在中国,电梯安装公司需要符合一系列资质要求,以确保安装过程的安全性和质量。
电梯检测公司资质申请条件
电梯是现代城市中必不可少的交通工具,然而电梯的安全问题也备受关注。
为了确保电梯的安全性和可靠性,电梯检测公司起着非常重要的作用。
如果您计划申请电梯检测公司的资质,以下是一些申请条件的描述。
首先,您的公司需要具备相关的技术能力和专业知识。
电梯检测涉及到电梯的机械结构、电气系统、安全装置等多个方面的知识,因此申请公司需要有一支经验丰富的专业团队,包括工程师和技术人员,能够熟练运用相关的检测设备和工具,并能够准确判断电梯的安全性能。
其次,申请公司还需要拥有适当的设备和仪器。
电梯检测需要使用各种仪器和设备,如载荷测试器、电梯照明测试器和速度测量仪等。
这些设备需要符合国家相关标准,并且应该处于良好的工作状态,以保证检测结果的准确性和可靠性。
申请公司需要证明其具备这些设备,并能够对其进行有效的维护和保养。
此外,申请公司还需要了解和遵守相关的法律法规。
电梯作为一种特殊的交通工具,其使用和维护必须符合国家和地方相关法律法规的规定。
申请公司需要了解并熟悉这些法规,确保在检测过程中的操作符合法律要求,并能够提供合规的检测报告。
最后,在申请资质前,公司需要通过相应的认证和审核。
通常,申请公司需要向相关部门提交申请表格,并提供公司资质、技术及设备情况的证明材料。
相关部门会对申请材料进行审查,并进行现场检查,以确保申请公司符合资质条件。
总而言之,申请电梯检测公司的资质需要具备相应的技术能力和专业知识,拥有适当的设备和仪器,遵守相关法律法规,并通过认证和审核。
只有具备这些条件的公司才能获得电梯检测资质,为社会提供可靠的电梯检测服务。
从事电梯安装维修业务的企业资质条件按照国家的规定从事电梯安装、维修业务的企业要有一定的资质条件。
资质条件分一、二、三类企业:一、一类企业。
一类企业具有以下条件的可承担各类型电梯的销售、安装与维修业务。
1、从事电梯安装、维修10年以上,注册资金500万元以上;2、安装、维修是额定速率2.5米/秒,控制方式有变频、变压、电眼等方式的电梯;3、企业自有职工80人以上;4、企业经理应具有从事电梯安、维修管理工作5年以上的资历,有较丰富的电梯安装、维修管理经验;5、企业技术负责人应具有机电专业高级技术职称,并有 5 年以上电梯安装、维修管理经验;6、职工中应具有 6 个以上机电专业工程师,其中至少有 3 名以上经培训合格的电梯质量检测专业工程师;7、企业拥有一定数量的熟悉电梯安全、质量及安装、维修技术方面的技工,其中,电工不少于全员人数的30%,电气焊工不少于全员人数的10%,起重工不少于全员人数的10%。
二、二类企业。
二类企业具备以下条件的可承担 1.6 米/秒以下交流调速电梯的销售、安装与维修业务。
1、从事电梯安装、维修 5 年以上,注册资金 200 万元以上;2、安装、维修过额定速率 1.6 米/ 秒,控制方式为交流调速电梯;3、企业自有职工 50人以上;4、企业经理应具有从事电梯安装、维修管理工作 3 年以上的资历,有电梯安装、维修管理经验;1企业技术负责人应具有机电专业高级技术职称,并有5年以上电梯安装、维修管理经验;5、职工中应有 4 个以上机电专业工程师,其中至少有 2 名以上经培训合格的电梯质量检测专业工程师;(%)企业拥有一定数量的熟悉电梯安全、质量及安装、维修技术方面的技工,其中,电工不少于全员人数的30%,电气焊工不少于全员人数的10%,起重工不少于全员人数的10%。
三、三类企业。
三类企业具备以下条件可承担1.0米/秒以下电梯(含 PC 机)的销售、安装与维修业务。
1、从事电梯安装、维修 2 年以上,注册资金 50 万元以上;2、安装、维修过额定速率 1.0 米/秒的交流双速(含 PC 机)电梯;3、企业自有职工 30 人以上;4、企业经理应具有从事电梯安装,维修管理工作2年以上的资历,有电梯安装、维修管理经验;5、企业技术负责人应具有机电专业高级技术职称,并有2年以上电梯安装、维修管理经验;6、职工中应具有2个以上的机电专业工程师,其中至少有1名以上经培训合格的电梯质量检测专业工程师;7、企业拥有一定数量的熟悉电梯安全、质量及安装、维修技术方面的技工,其中,电工不少于全员人数的30%,电气焊工不少于全员人数的10%,起重不少于全员人数的10%。