完整word版500吨每天MBR生活污水处理方案
- 格式:doc
- 大小:205.58 KB
- 文档页数:12
500吨生活污水MBR处理方案随着人口的增加和城市化进程的加速,水资源的供需矛盾日益加剧。
生活污水是一种资源化利用的潜力巨大的水资源,采取合适的处理方案可以有效地减少对水资源的需求。
本文将介绍一种适用于处理500吨生活污水的MBR(膜生物反应器)处理方案。
MBR技术是一种将传统的生物处理工艺与膜分离技术相结合的新型污水处理技术。
它通过膜的过滤作用,将生物反应器中的固体颗粒和微生物截留在反应器内部,达到固液分离的目的。
MBR处理生活污水具有空间占地小、出水质量稳定、处理效果好、运行成本低等优点,被广泛应用于城市污水处理厂和工业废水处理系统。
该处理方案的主要技术流程如下:净化池:将原生活污水排入净化池中,通过物理和生物反应的作用去除污水中的悬浮物和有机物。
初沉池:将净化后的污水通过泵送至初沉池,利用重力沉淀原理,将部分悬浮物、泥沙等杂质沉入池底。
MBR反应器:初沉池沉淀后的污水进入MBR反应器,该反应器的核心是膜组件,膜组件可以选择中空纤维膜或平板膜。
污水在反应器内进行生物降解,同时,通过膜的过滤作用,将反应器中的悬浮物和微生物截留在反应器内部,从而实现固液分离。
MBR反应器可以有效去除COD、BOD、NH3-N等污染物,出水质量稳定。
膜清洗系统:MBR反应器内的膜组件将伴生污泥自动随水流排除,膜组件表面可能会形成较厚的污泥层,需要定期进行清洗以确保膜的正常使用。
消毒系统:MBR处理后的污水进入消毒系统,采用紫外线、过氧化氢或氯消毒等方式对水中残留的有害微生物进行杀灭。
除磷系统:如果原生活污水中磷含量较高,则需要设置除磷装置,去除污水中的磷负荷,以防止磷限制膜组件的使用寿命。
该处理方案的优势在于:1.出水质量稳定:MBR技术可以有效去除生活污水中的污染物,包括悬浮物、有机物、氨氮等,出水水质稳定可达到国家排放标准。
2.占地空间小:MBR反应器占地面积相比传统工艺减少30%~50%左右,适合用于城市污水处理厂容地紧张的情况。
M B R工艺=500T污水方案-CAL-FENGHAI-(2020YEAR-YICAI)_JINGBIAN石塘乡污水处理项目(每天500吨)(MBR工艺)技术方案编制单位:编制日期:2018年1月18日目录第一章概况 ............................................................................................... 错误!未定义书签。
背景 ........................................................................................................ 错误!未定义书签。
项目概况 ................................................................................................ 错误!未定义书签。
第二章设计依据及原则 ........................................................................... 错误!未定义书签。
设计依据 ................................................................................................ 错误!未定义书签。
设计规范及标准 ................................................................................ 错误!未定义书签。
设计原则 ................................................................................................ 错误!未定义书签。
一.膜生物反应器(MBR)工艺简介1.1一体化膜生物反应器工艺一体化膜生物反应器工艺将A/O+MBR工艺有机结合,并非将两种工艺进行简单叠加,有机物在微生物的作用下得到一定去除,同时依靠中空纤维膜的高效截留作用,是有机物得到充分降解,而生化池中一些世代时间较长的微生物得到很好的生长、繁衍,进一步提高废水的可生化性,使得废水中的污染物得到更好地降解。
膜生物反应器(MBR)技术是国际上90年代新兴的水处理高新技术,是传统污水处理工艺与现代膜技术的完美结合。
膜生物反应器(MBR)是将膜分离技术和生物处理技术有机结合的一种优化的污水处理技术,基本原理是膜分离取代二沉池的沉淀分离。
膜生物反应器具备有以下一些特点:反应器中生物污泥浓度可高出常规活性污泥的2~5倍,即可达6~15g/L,使污水中可降解的污染物最大限度地氧化,硝化也可进行彻底,因此出水水质非常好,耐冲击负荷强,最大限度的减少了污水对环境的污染。
膜的截留作用可使出水几乎没有悬浮物和大肠杆菌等病源微生物并可截留部份病毒。
高污泥浓度和长的泥龄,使降解速度慢的难降解有机物也可得到降解。
由于泥龄很长,所以剩余污泥量很少,因此使普通污水生物处理往往需要花费大量费用用于处理污泥的难题得以较好解决。
出水水质很好,高于国家杂用水的标准。
因为没有二沉池的沉淀分离问题,不用耽心污泥膨胀、上浮等麻烦。
膜生物反应器又可取代三级处理的若干处理单元,所以在占地上具有优势。
由于本方案采用的膜的孔径惟独0.1-0.4微米,在进行泥水分离的同时,可以截流部份致病病毒及绝大部份的致病微生物。
用水更加安全。
工艺流程简洁,单一的反应器取代众多处理设施,很便于自动化PLC控制。
1.2一体化MBR工艺特点膜生物反应器的生物工艺参数同传统的生物处理法类似,主要有污泥浓度、有机负荷、生物固体停留时间(SRT)、水力停留时间(HRT)等几个方面。
1)有机负荷对于传统的生物处理方法,在一定的有机负荷范围内,随着有机负荷的升高,处理效率下降,处理水的底物浓度将升高。
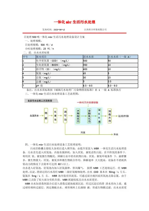
一体化mbr生活污水处理发布时间:2020-06-18 江西科丰环保有限公司日处理500吨一体化mbr生活污水处理设备设计方案一、处理规模:日处理规模:500 吨/d小时处理规模:25 吨/h备注:出水水质标准按《城镇污水处理厂污染物排放标准》表1 一级A 标准执行三、一体化mbr生活污水处理设备工艺流程图:四、一体化mbr生活污水处理设备工艺原理说明:污水经格栅去除较大杂质后进入调节池,由提升泵泵入MBR 一体化生活污水处理设备,污水首先进入厌氧池,内装有搅拌机,加入厌氧、兼氧活性污泥,在不供氧的条件下,利用厌氧、兼氧微生物酸化、降解污水中的有机物污染。
厌氧、兼氧环境条件下,菌群繁多,微生物量大,厌氧、兼氧多种微生物联合作用,降解速率大大提高。
设备在不消耗供氧动力的情况下去除率可达到60%以上。
出水进入好氧池,好氧池内加入好氧菌种,供风曝气,按照MBR工艺连续运行。
经MBR 处理、沉淀、澄清过的污水再经MBR二级好氧精细处理,出水COD 基本在50mg/L 左右。
氨氮在5mg/L 左右。
MBR池内装有回流泵,可通过混合液回流厌氧池去除总氮。
由于MBR已去除了较大部分有机负荷,MBR耗能较低且出水水质更好。
MBR出水加消毒剂混合后进入消毒过滤池底部沉淀,经过沉淀后的澄清水再向上流,通过球形填料过滤层,到达堰板出水。
球形填料上长满细菌,形成生物膜过滤,出水水质更好。
沉淀在底部的污泥由设在污泥坑内的污泥泵送叠螺机脱水处理、处置。
MBR 一体化生活污水处理设备工艺通过混合液回流不但可有效地脱氮除磷,同时采用生化污泥零排放工艺可使生化污泥有效减量80%。
五、MBR 一体化生活污水处理设备工艺特点:1、理想的推流过程使生化反应推动力增大,效率提高,池内厌氧、好氧处于交替状态,净化效果好。
2、运行效果稳定,污水在理想的静止状态下沉淀,需要时间短、效率高、出水水质好。
3、耐冲击负荷,池内有滞留的的处理水,对污水有稀释、缓冲作用,有效抵抗水量和有机污染物的冲击。
500吨/天生活污水处理设计方案日期:2012年11月1日目录一、工程概况 (2)二、设计标准及规范 (2)三、设计原则 (2)四、设计范围 (3)五、设计条件 (3)5.1进水水量、水质 (3)5.2.、出水水量、水质 (3)六、工艺流程及说明 (4)6.1工艺流程图 (4)6.2工艺流程说明 (4)6.3技术(设备)特点 (4)七、各处理单元功能及技术参数 (10)7.1调节池 (10)7.2缺氧池 (11)7.3MBR膜池 (12)7.4清水池......................................... 错误!未定义书签。
7.5污泥池......................................... 错误!未定义书签。
7.6设备房 (14)八、运行费用 (15)8.1电力消耗 (15)8.2运行成本分析 (15)九、控制系统 (15)十、工程预算 (16)10.1土建投资 (16)10.2设备投资 (16)十一、处理效果、效益分析 (17)11.1处理效果分析 (17)11.2环境效益和影响分析 (18)十二、售后服务 (18)一、工程概况略二、设计标准及规范《室外排水设计规范》(GBJ14-87)《建筑给水排水设计规范》(GBJ15-88)《污水再生利用工程设计规范》 (GB/T50335-2002)《工业建筑防腐蚀设计规范》 (GB50046-95)《建筑结构荷载设计规范》(GBJ9-87)《给水排水工程结构设计规范》(GBJ69-84)《工业企业噪声控制设计规范》(GBJ87-85)《工业与民用供配电系统设计规范》 (GB50052-95)《低压配电装置及线路设计规范》 (GB50054-95)《电力装置的继电保护和自动装置设计规范》(GB50060-92)《通用用电设备配电设计规范》 (GB50055-93)《污水综合排放标准》(GB8978-1996)《城市污水处理厂污水污泥排放标准》(CJ3025-93)《城镇污水处理厂附属建筑和设备设计标准》(CJJ31-89)《工业企业设计卫生标准》(TJ36-79)膜生物反应器相关技术规程三、设计原则采用技术先进,运行可靠,操作管理简单,适用于当地区的工艺,使先进性和可靠性有机地结合起来。
500吨每天MBR生活污水处理方案背景介绍随着城市化的发展和人口的增加,生活污水的处理越来越成为一个严重的环境问题。
MBR(膜生物反应器)技术是一种先进的生物处理技术,具有出水质量高、占地面积小、维护成本低等优点,因此被广泛应用于生活污水的处理。
方案设计本方案针对每天处理500吨生活污水,采用MBR工艺进行处理。
处理流程如下:1.进水口进水口位于厂区东侧,排放高度2m。
进水泵将生活污水输送至预处理单元。
2.预处理单元预处理单元采用格栅、砂沉池和调节池三个单元组成。
格栅用于去除污水中的大颗粒杂物,砂沉池用于去除污水中的沙子、石头等颗粒物质,调节池用于平衡进水的流量和水质。
3.MBR反应器MBR反应器位于厂区中央,由生物反应器和滤膜组成。
生物反应器中的微生物通过降解有机物,将废水中的有机物转化为二氧化碳和水。
滤膜则用于过滤出清洁的水。
当滤膜上的生物膜积累到一定程度时,通过对膜进行反冲洗来清洗膜。
4.出水口出水口位于厂区西侧,排放高度2m。
出水口出水入河,出水的水质符合国家相关标准。
设备选用本方案采用如下设备:1.进水泵:每小时工作时间12小时,流量600m³/h2.格栅:直径2m,进口水平,格栅间距20mm3.砂沉池:直径8m,深度3m4.调节池:直径12m,深度3m5.MBR反应器:滤膜面积5000m²,容积500m³6.消毒器:电流10A,电压380V7.出水泵:每小时工作时间12小时,流量600m³/h经济效益分析本方案的投资额为400万人民币,运营成本为80万元/年。
基于100000吨/年的处理能力,每吨废水处理成本为8元。
考虑可能的政府补贴等因素,预计年均收入为100万元/年,年回报率为18%,预计回收期为6年。
合法合规本方案符合国家有关环保法律法规、标准和规范要求。
在施工和运行过程中,公司将严格履行环境保护措施,对环境和周围居民的影响最小化。
结论本方案针对每天处理500吨生活污水,采用MBR工艺进行处理,具有处理效率高、占地面积小、维护成本低等优点。
500吨生活污水处理方案随着城市化进程的不断加快,城市生活污水的产生量也在不断增加。
如何有效地处理生活污水已成为当下城市建设的一项重要任务。
本文将介绍一种适用于每日处理500吨生活污水的处理方案。
现状分析为了更好地优化本方案,我们需要先了解当前的生活污水处理成效。
目前生活污水处理手段主要有以下三种:•曝气法•厌氧发酵法•生物膜法曝气法是最常用的一种处理方式,其原理是利用曝气机将空气通过轮换式插板产生微小气泡,提高生物氧化效率,去除污水中有机物和氮磷物质。
但这种方法耗能较大,产生噪音和废气,对环境造成一定污染。
厌氧发酵法是将厌氧发酵池作为前置处理设施,将生活污水中的有机质、氮磷物质进行发酵,将有机质转换转化成易消化有机物质,供生物膜法后续生物处理使用。
这种方法操作难度大,处理时间长,控制难度高。
生物膜法是目前最先进的生态处理方式,它直接将生物草膜支承在废水处理机械活性污泥上,通过实现水、空气和废水、微生物四个基础元素的双向传质过程,将废水中的污物进行分解合成,完成处理过程。
生物膜法具有高效、安全、清洁、省能等优点,目前已被广泛推广。
解决方案针对现有的生活污水处理方式存在的问题,我们提出了一种新的处理方案。
这种方案将采用下列步骤:1.初步处理:对生活污水进行削减处理,降低污水中的固体污染物含量,达到可进行生态处理的条件。
2.生态处理:采用生物膜法进行处理,将削减处理后的污水输入就近的生态池中,经过一系列微生物流变化作用,将有机质质转化为微生物繁殖和成长所需的物质,完成污水处理工作。
3.消毒处理:经过生态池的生物作用,还需对出水进行消毒处理,杀灭残留的病菌和病毒,使水质达到排放标准。
具体的,我们将按照下面的步骤来实施该方案:1. 初步处理对于每日500吨的生活污水的处理量,我们将建设一个处理能力为1000吨/天的削减池,在污水管道输送到生态池之前,需要先通过该池进行削减处理。
削减池的作用主要是通过沉淀、悬浮、吸附等方式,将固体污染物、过量氮磷成分以及其他污染物完全或部分地去除。
500吨每天MBR生活污水处理方案随着城市化进程的加快,城市生活污水的处理成为一个亟待解决的问题。
MBR 生活污水处理方案作为一种先进的技术,被广泛应用于城市的污水处理厂。
本文将介绍一种针对每天处理500吨生活污水的MBR方案,以期提供一个可行的解决方案。
1. 方案概述该方案采用膜生物反应器(MBR)技术,结合了生物处理和膜分离技术,能够高效地去除污水中的有机物、氮、磷等污染物,同时保持出水水质稳定。
该方案适合于处理生活污水,如居民区、商业区等产生的污水。
2. 工艺流程该方案的工艺流程主要包括预处理、生物处理和膜分离三个步骤。
2.1 预处理预处理主要是对生活污水进行初步处理,去除大颗粒悬浮物和沉淀物。
首先,污水经过格栅和沉砂池,去除大颗粒杂质和沉淀物。
然后,进入调节池进行调节,以平衡水质和水量的变化。
最后,通过细筛去除较小颗粒的悬浮物。
2.2 生物处理生物处理是该方案的核心步骤,通过生物反应器去除污水中的有机物和氮磷等污染物。
在生物反应器中,通过添加一定的微生物群落,使其附着在填料上进行降解有机物的过程。
同时,通过控制反应器内的氧气供应,促进氮磷的去除过程。
2.3 膜分离膜分离是该方案的关键步骤,通过膜的孔径大小,实现对污水中固体颗粒和细菌的截留。
在膜生物反应器中,通过超滤膜或者微滤膜对生物反应器中的水进行分离,实现出水的净化。
同时,膜分离还可以阻挠微生物的流失,提高系统的稳定性。
3. 设备选择和运行维护在该方案中,需要选择适合的设备进行处理。
对于预处理,可以选择格栅、沉砂池和细筛等设备。
对于生物处理,可以选择生物反应器和相应的微生物培养系统。
对于膜分离,可以选择超滤膜或者微滤膜等设备。
在运行维护方面,需要定期检查设备的运行情况,清洗膜污染物,调整反应器内的氧气供应等。
此外,还需要定期检测出水水质,确保出水符合相关标准。
4. 经济效益和环境效益采用MBR生活污水处理方案可以带来一系列经济效益和环境效益。
500吨每天MBR城市污水处理方案城市污水处理是现代城市建设中不可或缺的一部分,其处理效果直接关系到城市环境的卫生和公共卫生。
本文提出了一种可行的500吨每天MBR城市污水处理方案。
方案介绍本方案采用MBR膜生物反应器作为主要处理设备,利用膜思想与生物反应思想结合进行处理。
该膜具有高过滤速率、膜通量大、过滤效果好等显著的优点,可以高效地去除污水中的有机物、氮、磷等含有营养成分和污染物。
同时,还可避免二次污染和细菌的异味散发,达到生态环保的目的。
该工艺流程主要包括进水池、调节池、MBR反应器和回收池四个部分。
具体流程如下:1. 进水池:对城市污水进行初步过滤,去除较大的杂物和泥沙等物质。
2. 调节池:对水中的COD、BOD、体积等进行调节,调节后的水质更好。
3. MBR反应器:对经过调节后的污水实行高效生化处理,采用MBR膜技术,进一步去除污水中的沉淀物和悬浮物等有机污染物。
4. 回收池:处理好的水进入回收池经过三次过滤,消毒处理可达到出水要求。
设计要求方案的设计要求如下:1. 处理规模为500吨/天,保证连续运行24小时不中断。
2. 处理后出水符合国家及地方污水排放标准,并且水质稳定可靠。
3. 设备运行稳定可靠,操作维护简单,自动化程度高,提高生产效率。
实施效果该方案经过试验和估算,其实施效果如下:1. 处理能力:500吨/天。
2. 处理效果:CODcr<=60mg/l,BOD5<=20 mg/l,NH3-N≤5mg/l,TP≤0.5mg/l。
3. 设备稳定运行时间:大于20年。
结论本文提出的500吨每天MBR城市污水处理方案是一种简单可行的解决方案,其采用膜技术与生化技术的结合设计思想,能够保证污水的有效处理和水质的稳定性。
该方案可为城市污水处理提供一种可行的参考方案,实施效果良好,值得推广。
500吨生活污水处理方案生活污水是指来自人类生活活动的废水,其中含有各种有机物、无机盐、细菌、病毒等污染物质。
处理生活污水是保护环境和人类健康的重要措施。
以下是一个适用于处理500吨生活污水的方案。
1.确定处理工艺:根据生活污水特性和处理效果要求,选择合适的处理工艺。
传统工艺可选为活性污泥法,该法通过生物分解有机物质来去除污染物。
另一种选择是厌氧消化处理工艺,适用于高浓度有机废水。
2.预处理:生活污水进入处理系统之前,需要进行预处理,包括格栅和沉砂池的设置。
格栅可以过滤掉较大的固体颗粒物,防止对后续处理设备造成堵塞。
沉砂池则用于沉淀重颗粒物。
3.生物处理:活性污泥法需要设置好反应池、曝气系统和沉淀池。
进水后,通过持久搅拌和曝气,有机污染物经微生物降解分解为二氧化碳和水。
随后,在沉淀池中,污泥通过重力沉淀,被提取出来并回流到曝气池中。
清理后的水通过出水管道排除。
厌氧消化处理工艺则需要设置好消化池和厌氧消化池,通过厌氧消化分解有机物质。
4.消毒处理:为了杀灭残留的细菌和病毒,可采用紫外线消毒或氯消毒等方法。
紫外线消毒是一种无化学物质添加、无二次污染的消毒方式,可快速杀灭水中的微生物。
氯消毒则是利用氯化物在水中生成次氯酸和次氯酸根离子,具有较强的杀菌效果。
5.滤料处理:对处理后的水进行深度过滤,去除残留的颗粒物和有机物,以得到更清澈的水。
6.回用或排放:处理后的水可以通过管网回用,用于农田灌溉、工业用水等,从而实现资源循环利用。
如果无法回用,则可选择合适的排放方式,通过合规的排放系统将水体排放到环境中,确保其对环境的影响最小化。
在整个处理过程中,需要严格监测各项指标,如COD(化学需氧量)、BOD(生化需氧量)、SS(悬浮物)、氨氮等,确保处理后水质符合国家标准。
另外,处理过程中产生的污泥也需要妥善处理,并探索污泥资源化利用,如生物质能源利用、土壤改良剂等,以减少对环境的二次污染。
总之,处理500吨生活污水需要综合考虑废水特性、处理工艺和环境要求,采取适当的工艺,经过预处理、生物处理、消毒处理和滤料处理等环节,最终达到排放标准或回用要求。
500吨每天MBR生活污水处理方案MBR(膜生物反应器)是一种广泛应用于生活污水处理的技术,它采用的是生物反应器和膜过滤器的结合,能够高效地去除悬浮物、有机物和微生物等污染物,从而达到达到处理生活污水的标准。
对于每天处理500吨的生活污水,在以下1200字以上的方案中,我将介绍MBR生活污水处理方案的设计和运行。
首先,对于500吨生活污水的处理规模,可以采用并联工艺,并且系统应具有合理的备用处理能力。
系统的主要处理单元包括:预处理单元、生物反应器单元和膜过滤器单元。
预处理单元负责去除大颗粒悬浮物和沉积物,生物反应器单元负责去除有机物和微生物,膜过滤器单元负责去除颗粒物、细菌和病毒。
整个系统的设计应满足稳定高效、运维便捷以及降低用水和电力消耗的要求。
其次,预处理单元是保证生物反应器和膜过滤器正常运行的关键。
预处理单元包括格栅和沉砂池,格栅用于去除大颗粒悬浮物,而沉砂池则用于去除较重的固体沉积物。
格栅可采用机械格栅,具有自动清理功能,能够减少运维成本。
沉砂池则采用集水式设计,可根据实际需要进行排泥,保持水质清洁。
接下来是生物反应器单元的设计。
生物反应器单元采用MBR工艺,通过生物降解有机物和去除微生物。
生物反应器可采用一段式或多段式结构,以确保良好的生物降解效果。
为了提高系统的稳定性和处理效果,可以在反应器中加入曝气装置,以供给微生物适量的氧气。
同时,反应器内配备搅拌机以保持污泥均匀悬浮,提高反应效果。
最后是膜过滤器单元的设计。
膜过滤器单元通过孔径较小的膜滤器去除微小颗粒物、细菌和病毒。
膜过滤器可采用中空纤维膜或平板膜,具有较高的截污能力和较长的使用寿命。
为了清洁膜面,可以在膜过滤器单元中引入反冲洗装置,以定期清洗膜面,保持正常的通水能力。
此外,系统还应考虑到运营成本。
为了减少用水和电力消耗,可以采用水循环利用系统和能量回收装置。
水循环利用系统将处理后的生活污水提供给冲洗和冲厕水等其他用途,从而减少进水量。
500吨/日生活污水处理工程技 术 方 案 书佛 山 市 泓 尔 水 处 理 设 备 有 限 公 司FOSHAN HONGER WATER TREATMENT EQUIPMENT CO.,LTD. 日期:二零一三年十一月目录公司简介 (3)第一章总论 (5)一、方案编制依据 (5)二、设计依据 (5)三、设计原则 (5)四、废水水量、水质及排放标准 (6)五、工程范围 (7)第二章处理工艺 (8)一、废水处理的工艺选择 (8)二、工艺流程图 (8)三、工艺流程说明 (9)第三章工艺技术参数 (10)一、调节池 (10)二、脉冲布水器..................................................................................................... 错误!未定义书签。
三、水解酸化池 (11)四、一级接触氧化池 (11)五、二级接触氧化池 (12)六、竖流式沉淀池 (12)五、中间水池 (13)六、重力过滤器 (13)七、消毒剂投加装置 (13)八、回用水池......................................................................................................... 错误!未定义书签。
九、污泥池............................................................................................................. 错误!未定义书签。
十、板框压滤机..................................................................................................... 错误!未定义书签。
500T/D生活污水处理工程设计方案编制单位:*****************有限公司2018.03目录一、设计概况 (1)二、设计依据 (1)三、设计原则 (2)四、设计参数 (2)五、设计范围 (3)六、工艺流程 (3)七、主要构建筑物设计参数 (11)八、建筑结构设计说明 (17)九、电气与自控设计说明 (20)十、机电设备表 (23)十一、各单元设施处理效果分析表 (24)十二、环境效益分析 (24)十三、环境影响分析 (25)十四、劳动保护、消防及节能 (25)十四、运行成本分析 (29)十五、主要构、建筑物及配套设备一览表 (30)十六、附件 (31)十七、总投资估算 (32)一、设计概况环境保护是我国的基本国策。
为了保护和改善生活环境和生态环境,防治污染和其他公害,保障人体健康,促进环境保护与经济建设、社会发展相协调,我国相继制定了《中华人民共和国环境保护法》等有关法律、法规。
我国是一个水资源贫乏的国家,人均水资源仅为世界平均水平的1/4。
随着经济发展和城市化进程的加快,缺水问题尤为突出。
近年来国家出台了多项法律法规对浪费水资源现象进行整治,大力推广污水的综合治理,并最大限度地予以利用,几年来的实现证明,我国的环境相对已有明显改善,人们的生活在优越的环境下。
我公司在了解了项目实际情况,并结合我公司完成的同类工程的相关技术数据及实际经验,通过公司内部各相关专业技术人员讨论后,在遵守国家各项法律法规、标准规范的基础上编制了本方案。
供贵单位各级领导及相关管理部门选择决策时参考。
根据用户提供的条件及用户的实际情况,本生活污水处理装置采用成熟可靠的A/O法处理工艺。
处理后出水达到《城镇污水处理厂污染物排放标准》≤10mg/L,(GB18918-2002)的一级A标准,水质指标:CODcr≤50mg/L,BOD5SS≤10mg/L,NH-N≤5(8)mg/L。
主体设备采用碳钢防腐结构。
设备处理水量3选Q=25m3/h,全部设置于地面以下,上部种植花木、草坪,进一步美化环境。
500吨生活污水MBR处理方案MBR(膜生物反应器)是一种高效的污水处理技术,将生物反应器和膜分离技术结合起来,可有效去除生活污水中的悬浮物、有机物和微生物等。
针对500吨生活污水的处理,下面是一个MBR处理方案的具体介绍。
一、污水处理工艺流程:1.预处理:将生活污水通过格栅除杂,去除大颗粒的悬浮物,并进入沉砂池进行沉砂处理,去除沉积物。
2.厌氧池:将预处理过的生活污水引入厌氧池中,通过厌氧菌的作用将有机物转化为甲烷等可燃性气体,并去除一部分有机物。
3.好氧池:将经过厌氧处理的污水引入好氧池中,通过好氧菌的作用将有机物进一步降解,并去除废水中的氮、磷等营养物质。
4.MBR反应器:在好氧池出水后引入MBR反应器中,该反应器内设置有微孔滤膜,可以过滤掉微生物和悬浮物,从而得到出水。
5.永久污泥处理:MBR反应器中的微生物污泥需要定期处理和回流,可以通过氧化沟、回流罐等设施进行。
二、MBR膜的选择:对于500吨生活污水的处理,应选择适合的MBR膜。
常用的MBR膜有中空纤维膜和平板式膜,两种膜均可根据实际情况选择。
1.中空纤维膜:适用于处理规模较小的污水,具有较高的污水处理效果和良好的抗污染性能,但维护保养成本较高。
2.平板式膜:适用于处理规模较大的污水,具有较高的通量和较长的使用寿命,但初始投资较高。
选择适合的MBR膜应综合考虑处理规模、处理效果、维护成本和初始投资等多个因素。
三、MBR处理方案的优势:1.高效去除污染物:MBR处理技术可以有效去除生活污水中的悬浮物、有机物和微生物等,达到更严格的出水标准。
2.占地面积小:MBR反应器与传统活性污泥工艺相比,可以节省占地面积,并且更加灵活可调。
3.出水质量稳定:MBR膜能有效过滤微生物和悬浮物,使出水质量稳定,达到排放要求。
4.运行稳定可靠:MBR处理工艺运行过程中无需增加化学药剂,适用于长时间连续运行,运行稳定可靠。
综上所述,针对500吨生活污水的MBR处理方案需要结合实际情况选择合适的MBR膜,通过预处理、厌氧池、好氧池和MBR反应器等工艺步骤,可以高效去除污染物,达到出水标准。
500吨每天MBR生活污水处理方案MBR生活污水处理方案是一种高效、可靠的处理污水的技术,能够将污水中的有机物、悬浮物、微生物等进行有效去除,使污水达到排放标准。
本文将详细介绍500吨每天MBR生活污水处理方案的标准格式文本。
一、方案概述500吨每天MBR生活污水处理方案旨在处理每天500吨的生活污水,以达到排放标准。
该方案采用膜生物反应器(MBR)技术,结合预处理、生物反应和膜分离等工艺,能够高效地去除污水中的有机物、悬浮物和微生物。
二、方案流程1. 预处理:将原始污水通过格栅机去除大颗粒的固体物质,然后进入沉砂池去除污水中的沉淀物。
2. 生物反应:将经过预处理的污水进入生物反应器,通过生物菌群的作用,将有机物进行降解和转化,并产生污泥。
3. 膜分离:将生物反应器产生的污泥与污水进行分离,通过膜分离技术,将污泥截留在膜上,使清水通过膜孔排出。
三、方案设计参数1. 污水处理量:每天500吨。
2. 污水水质:COD浓度为300 mg/L,BOD浓度为150 mg/L,悬浮物浓度为100 mg/L。
3. 污水处理效果:COD去除率≥90%,BOD去除率≥95%,悬浮物去除率≥99%。
4. 膜通量:10-15 L/(m2·h)。
5. 膜孔径:0.1-0.4 μm。
四、设备选型1. 格栅机:根据污水处理量和颗粒物大小,选用合适的格栅机进行预处理。
2. 沉砂池:根据污水处理量和沉淀物含量,选择适当容量的沉砂池。
3. 生物反应器:根据污水处理量和处理效果要求,选用合适的MBR生物反应器。
4. 膜分离装置:根据污水处理量和膜通量要求,选用适当规格的膜分离装置。
五、运行维护1. 运行控制:根据实际情况,设定合理的进水流量、进水浓度和膜通量,以保证处理效果和设备正常运行。
2. 污泥处理:定期清理生物反应器中的污泥,并进行适当的处理,如浓缩、脱水和干化等。
3. 膜清洗:定期对膜进行清洗,以去除附着在膜上的污染物,保持膜的通透性。
500吨生活污水MBR方案设计方案2018年07月目录1工程概况 (3)1.1工程名称 (3)1.2工程地点 (3)1.3工程简介 (3)1.4工程范围 (3)1.5主要技术经济指标 (3)2方案选择原则及设计依据 (5)2.1方案选择原则 (5)2.2设计依据 (6)3设计参数 (7)3.1污水处理量 (7)3.2设计进水水质 (7)3.3设计出水水质 (7)4处理工艺选择 (9)4.1工艺选择原则 (9)4.2工艺选择 (9)4.3膜生物反应器工艺介绍 (10)5工艺设计 (12)5.1工艺流程 (12)5.2工艺说明 (12)6主要构筑物及设备参数 (15)6.1主要构筑物一览表 (15)6.2主要设备参数一览表 (15)7工程设计说明 (17)7.1总图设计 (17)7.2建筑设计 (17)7.3结构设计 (17)7.4电气设计 (18)7.5自控设计 (19)7.6采暖、通风设计 (20)8工程投资估算 (21)8.1工程投资 (21)8.2工程投资估算表 (21)9运行费用分析 (23)9.1工资费用 (23)9.2药剂费用 (23)9.3耗电费用 (23)9.4直接运行费用 (24)10效益分析 (25)10.1环境效益分析 (25)10.2经济效益分析 (25)11附件 (26)11.1工艺流程图 (26)11.2平面布置图 (26)1工程概况1.1 工程名称某生活污水处理回用工程。
1.2 工程地点××××。
1.3 工程简介目前,项目区内的生活污水未经处理直接排放,不但影响人们的生活,也污染了周围的环境,故对项目区内产生的污水进行处理,经处理后的出水用作景观用水,既减少对环境的污染,有能有效利用水资源,节约水源。
本项目所要处理的污水为生活污水,处理量为500m3/d,出水用作景观水。
要求污水经处理后达到国家标准《城市污水再生利用景观环境用水水质》(GB/T18921-2002)中观赏性景观环境用水的限值。
石塘乡污水处理项目(每天500吨)(MBR工艺)技术方案编制单位:编制日期:2018年1月18日目录第一章概况 (4)背景 (4)项目概况 (4)第二章设计依据及原则 (5)设计依据 (5)设计规范及标准 (5)设计原则 (5)第三章设计参数 (6)3.1 进水水质 (6)3.2 出水水质 (6)3.3 设计流量 (7)第四章设计方案 (7)工艺流程 (7)工艺原理 (8)格栅井+调节池 (8)一体化污水设备 (8)其他 (9)4.3 MBR膜 (10)概述 (10)技术参数 (11)膜清洗 (11)概述 (11)技术参数 (11)控制系统 (12)第五章设备配置 (13)设备配置(500m3/d) (13)第六章土建构筑物 (15)第七章运行成本分析 (15)用电负荷分析 (15)运行成本估算分析 (16)维护及保养方案 (16)维护成本分析 (18)环境影响社会效益 (18)运行及维护成本总计 (19)第八章验收标准 (20)第九章设备供货 (20)第十章人员培训计划 (21)第十一章劳动安全卫生及消防 (21)第十二章售后服务承诺 (22)第一章概况背景一般生活污水主要来源于餐厨废水、洗涤废水、沐浴废水及卫生间排水等四个方面。
呈现来源广、污染物浓度低、分散且处理率低等特征。
近年来,居民用水量呈现明显的上升趋势,这也使得区域的生活污水排放量愈来愈大。
我国生活污水处理设施处于欠缺状态,对生活污水进行统一处理难度大,所以生活污水对水资源的污染呈上升趋势。
若不加治理直接排放,将会污染受纳水体,影响人体健康,造成环境污染;当人们接触或食用被其污染的水、蔬菜和其他食物时,就可能导致疾病甚至引起传染病的流行。
石塘乡污水处理厂处理规模500t/d,本次设计属于污水厂改造范围。
污水厂改造拟采用MBR膜处理工艺,对生活污水进行处理后,使之达到《城镇污水处理厂污染物排放标准》(GB18918-2002)中的一级A标准。
500吨/天生活污水处理设计方案日期:日112012年月1目录一、工程概况 (2)二、设计标准及规范 (2)三、设计原则 (2)四、设计范围 (3)五、设计条件 (3)5.1进水水量、水质 (3)5.2.、出水水量、水质 (3)六、工艺流程及说明 (4)6.1工艺流程图 (4)6.2工艺流程说明 (4)6.3技术(设备)特点 (4)七、各处理单元功能及技术参数 (10)7.1调节池 (10)7.2缺氧池 (11)7.3MBR膜池 (12)7.4清水池 ........................................ 错误!未定义书签。
7.5污泥池 ........................................ 错误!未定义书签。
7.6设备房 (14)八、运行费用 (15)8.1电力消耗 (15)8.2运行成本分析 (15)九、控制系统 (15)十、工程预算 (16)10.1土建投资 (16)16 ..................................................... 设备投资10.2.十一、处理效果、效益分析 (17)11.1处理效果分析 (17)11.2环境效益和影响分析 (18)十二、售后服务 (18)一、工程概况略二、设计标准及规范《室外排水设计规范》 (GBJ14-87)《建筑给水排水设计规范》 (GBJ15-88)《污水再生利用工程设计规范》 (GB/T50335-2002)《工业建筑防腐蚀设计规范》 (GB50046-95)《建筑结构荷载设计规范》 (GBJ9-87)《给水排水工程结构设计规范》 (GBJ69-84)《工业企业噪声控制设计规范》 (GBJ87-85)《工业与民用供配电系统设计规范》 (GB50052-95)《低压配电装置及线路设计规范》 (GB50054-95)《电力装置的继电保护和自动装置设计规范》 (GB50060-92)《通用用电设备配电设计规范》 (GB50055-93)(GB8978-1996) 《污水综合排放标准》 (CJ3025-93)《城市污水处理厂污水污泥排放标准》《城镇污水处理厂附属建筑和设备设计标准》 (CJJ31-89)《工业企业设计卫生标准》 (TJ36-79)膜生物反应器相关技术规程三、设计原则采用技术先进,运行可靠,操作管理简单,适用于当地区的工艺,使先进性和可靠性有机地结合起来。
采用目前国内成熟先进技术,尽量降低工程投资和运行费用。
平面布置和工程设计时,布局力求合理、通畅尽量节省占地。
污水处理设施应尽量使操作运行与维护管理简单方便。
为确保工程的可靠性及有效性,提高自动化水平,降低运行费用,减少日常维护检修工作量,改善工人操作条件。
采用现代化技术手段,实现自动化控制和管理,做到技术可靠、经济合理。
尽量减少废水提升高度和提升次数,以节约能源。
四、设计范围本设计主要对污水处理工艺流程、处理构筑物及相关设备进行设计。
五、设计条件5.1进水水量、水质根据生活污水的经验数据,进水水质按下表设计。
Q=400t/d.表1:进水水质单位:mg/L污染物化学需氧量(COD)生化需氧量(BOD)氨氮(NH-N)悬浮物(SS) pH3Cr5200302506-9排放浓度mg/L 4005.2.、出水水量、水质出水达到生活杂用水水质标准(见表2)表2:出水水质单位:mg/L污染物化学需氧量(COD)生化需氧量(BOD)氨氮(NH-N)悬浮物(SS) pH3Cr5108106-9排放浓度mg/L 50六、工艺流程及说明6.1工艺流程图缺氧池格栅调节池污泥回膜MBR 风机以实际构筑物为准。
此工艺流程仅做参考 , 工艺流程说明6.2污水经调节池调节水量、均化水质后通过污水提升泵进入缺氧池,利用缺氧微生物的降解能力将污水中较难分解的有机高分子污染物分解成较易膜池泥水混合物回流至缺氧池,分解的有机低分子污染物,同时通过将MBR依靠原水中的含碳有机物利用缺氧微生物的反硝化作用将氮氨转化为氮气。
池,利用好氧微生物将污染物最终分解成二氧化缺氧池内混合液自流至MBR 碳和水,并利用好氧微生物的聚磷作用将磷从污水中分离出来,再经平板膜的过滤作用实现泥水混合物的固液分离,从而达到去除有机物、实现脱氮除磷的目的。
技术(设备)特点6.3)是将膜分离技术和生膜生物反应器(Membrane bioreactor, MBRMBR物反应器的生物降解作用集于一体的生物反应系统。
它以浸没式膜组件替代传统活性污泥法中的二沉池实现泥水分离。
该系统具有处理能力强、固液分离效率高、出水水质好、占地空间小、运行管理简单等特点。
由于膜的过滤作用,微生物被完全截留在生物反应器中,实现了水力停留时间与活性污泥具有对污染泥龄的彻底分离,消除了传统活性污泥法中污泥膨胀问题。
MBR 物去除效率高,硝化能力强,出水水质稳定,剩余污泥产量低,设备紧凑,操作简单等优点。
经过缺氧池进行脱氮反硝化后的污水进入膜生物反应池。
进入膜池的污水经硝化细菌的硝化作用实现脱氮作用,同时好氧微生物通过内源呼吸对.有机物进行氧化分解而达到降低COD的目的。
浸没安装在膜生物反应池中的MBR 平板膜装置对泥水混合液进行过滤处理,进一步去除SS、油、大肠杆菌等。
膜生物反应池运行稳定,清洗周期长,产水能耗低,不需投加混凝剂,助凝剂等化学药剂,降低了运行成本。
膜生物反应池内污泥浓度高,耐冲击性能好,占地面积小,出水水质良好。
(1)平板膜过滤出水原理图2:自旋回流过滤示意图平板膜竖直放置在好氧反应池中,清水及小分子物质(如盐分)在负压引流下垂直膜的表面透过膜,具有一定浓度的活性污泥混合液在曝气的作用下沿平板膜向上流动,并不断冲刷平板膜表面,使污泥不容易在膜表面堆积,从而保持恒定的透水产量。
)平板膜结构2(.图3:平板膜结构图具有特殊结构的导流板的最外层是以聚偏二氟乙烯(PVDF)材料制作的具有不对称结构的孔径为0.1微米的滤膜,经过滤膜过滤的清水从出水口被负压吸出或重力自流,工程中一般采用负压抽吸的方式。
)平板膜组件的构造3(.图4:膜组件结构图平板膜组件主要由曝气系统和膜板支撑框架组成。
曝气系统将从风机输送来的空气通过曝气管进入气水混合空间,经混合均匀后到达膜片部分,保障每一片平板膜均匀地获得气体冲刷力;膜板支撑框架通过导轨支撑膜板,使每块平板膜的空间距离一致,通过集水管把每块平板膜的出水联接在一起。
膜元件可以每张取出,检查和互换都很容易。
(4)膜组件的曝气系统膜组件的曝气主要有两方面的作用:a、连续不断地曝气对膜面起冲刷作用,这样就可以最大可能的减少通过过滤作用在膜面上形成的滤饼层,尽量降低膜的污染。
b、为微生物提供足够的氧气,满足微生物新成代谢的条件。
膜组件中的曝气管路系统如下图所示图4:曝气管路系统图曝气管冲洗方法:(1)自吸泵停止运行。
(2)打开清洗用阀门V2。
通过该操作使曝气管中的污泥逆流进入V2阀控制的放空管路,同空气一起被排放。
(3)保持阀门V2开一段时间后关闭阀门V2,如果曝气稳定则曝气系统已经正常,若曝气仍然不均匀重复上面的操作。
(4)自吸泵开启重新启动MBR系统DF浸没式平板膜组件通常采用恒流量间歇出水方式运行,这是因为连续出水会加快混合污泥在膜表面堆积,形成滤饼层。
采用间歇出水方式将大大改善这种状况。
当停止抽吸时,膜两侧的压差减少,以致降低为零,停止产水期间,曝气风机正常运行,堆积在膜表面的污泥在气泡和向上涌动的液流的搅动下脱落,达到清洗的效果。
使用膜生物反应器处理污水时,一般按照以下方式运行:抽吸出水时间8分钟,空曝时间2分钟,上述抽停时间循环往复。
(6)平板膜的清洗当平板膜在膜池内运行较长的时间,膜表面发生了污染,会使抽吸压力上升,如果不采取措施会导致产水量下降,因此必须进行清洗使膜性能恢复。
清洗的方式包括“在线化学清洗”、“离线物理清洗”和“离线化学清洗”。
A.在线化学清洗膜组件设置在池内的状态下,也可使药液进行清洗。
而且多组件一起运.行的情况下,也可对单组件或多个组件进行在线清洗。
一般在线化学清洗周期为3~4个月。
<1>清洗原理如下:图7:在线化学清洗图<2>在线化学清洗药液:碱清洗:根据工程安装平板膜的数量首先确定安装清洗装置,连接清洗管路。
DF150单片膜元件计算,每片膜约需5L的0.5%次氯酸钠溶液浸泡3-5小时。
酸清洗:按0.1%配比草酸溶液,浸泡3-5小时。
<3>在线化学清洗方法:(a)关闭出水管阀门③,开启阀门①及阀门②,将清洗液从高位水箱由漏斗注入抽吸管道至膜元件;(b) 注入清洗液为5L/片,注满后关闭阀门②,碱洗液浸泡 3~5 小时即可;(c) 浸泡完毕后关闭阀门①,重新开启阀门③,开启设备正常出水。
若漏斗设置于室外,在不使用时需加盖,防止脏物跟随清洗液进入抽吸管影响正常运行。
.B.物理清洗(一般不需要)当在线化学清洗无法解决问题时,需将膜元件从组件中取出,用高压水枪冲洗膜表面。
C.离线化学清洗(一般不需要)膜元件经过物理清洗后,再置于专用容器中,投加清洗剂,浸泡5小时,可使滤膜的过滤能力得到有效的恢复。
七、各处理单元功能及技术参数7.1 调节池用来收集生活污水,同时兼作污水提升泵集水池。
该池具有调节水量、均化水质,提高整个处理系统抗冲击性能的功能。
池底采用穿孔曝气,起搅拌作用,用来均和水质,防止SS下沉池底。
单池有效容积(m3):8000×5000×4500停留时间:8h材质:钢砼数量:1座配置:(1)格栅主要用于拦截大颗粒的固体物质及漂浮物,防止以上物质堵塞水泵叶轮及划破MBR膜池里的平板膜。
栅距:2mm(2)污水提升泵:型号:50QW20-15-1.5流量:20 m3/h,扬程:15 m功率:1.5Kw数量:2台(1用1备)(3)预曝气系统材质:UPVC数量:一套方式:穿孔曝气(4)液位控制系统采用浮球液位控制实现工艺的自动控制,浮球开关不含导致故障发生和波纹管、弹簧、密封等部件。
而是采用直浮子驱动开关内部磁铁,浮球开关的简捷的杠杆使开关瞬间动作。
浮子悬臂角有限位设计,防止浮子垂直。
浮球液位开关是一种结构简单、使用方便、安全可靠的液位控制器。
它比一般机械开关速度快、工作寿命长;与电子开关相比,它又有抗负载冲击能力强的特点,一只产品可以实现多点控制。
型号:FK型数量:2套7.2缺氧池主要作用是依靠污水中的有机物做为碳源将回流至该池泥水混合物中的硝酸盐、亚硝酸盐利用反硝化细菌的反硝化作用转化为氮气,从而实现脱氮作用,同时由于脱氮时也消耗了污水中的有机物所以也降低了COD。
有效尺寸:长×宽×高(mm):5000×3000×4500单池有效容积(m3):60m3停留时间:3.0h材质:钢结构数量:1座配置:(1)填料型号:YID-150材质:PP3数量:45m(2)填料支架材质:Q235螺纹钢防腐2 30 m数量:(3)曝气系统材质:UPVC数量:一套方式:穿孔曝气7.3 MBR膜池MBR膜池既实现了MBR膜支架的安装,又是传统意义上的好氧池,同时又利用MBR 平板膜的泥水分离特性实现了泥水分离。