集团公司钻井井控检查考核表(2016年)
- 格式:doc
- 大小:176.00 KB
- 文档页数:28
附录1
气分离器
台井控设
备
注:
1.现场考核以100分为基础分,按照检查表检查点项扣除相应分值后,为最终考核打分结果。
2.违章问题按照检查表对应分值扣分,同时按照《井控奖惩管理办法进行违章处罚》进行处罚。
3.相关服务单位出现违章问题按照《井控奖惩管理办法进行违章处罚》进行处罚,同时按照单位累计相应扣分分值。
4.如检查表中要求与施工井所在油气田企业的井控细则有冲突,执行细则要求。
5.检查中发现表中未含有的井控隐患,可依据相关标准、制度等要求,参照类似问题扣分或认定违章。
并上报工程技术处,对检查表进行修订。
6.该检查表由工程技术处负责解释。
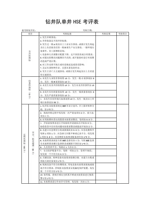
钻井队 HSE 现场检查表
(现场部分)8—1页 HSE/OSH5.2.2 单位:班次:检查时间:检查人:
钻井队 HSE 现场检查表
(钻台部分)8—2页 HSE/OSH5.2.2单位:班次:检查时间:检查人:
钻井队 HSE 现场检查表
(钻台部分)8—3页 HSE/OSH5.2.2单位:班次:检查时间:检查人:
钻井队 HSE 现场检查表
(泵房部分)8—4页 HSE/OSH5.2.2单位:班次:检查时间:检查人:
钻井队 HSE 现场检查表
(机房部分)8—5页 HSE/OSH5.2.2单位:班次:检查时间:检查人:
钻 井 队 HSE 现 场 检 查 表
( 技术、井控
部 分 )8—6页 HSE/OSH5.2.2
单 位: 班 次: 检查时间: 检查人:
钻井队 HSE 现场检查表
(泥浆、固控部分)8—7页 HSE/OSH5.2.2 单位:班次:检查时间:检查人:
钻井队 HSE 现场检查表
(营地部分)8—8页 HSE/OSH5.2.2 单位:班次:检查时间:检查人:。
2016年集团公司井控检查试卷1(技术员)单位:队号:姓名:分数:一、选择题(每小题2分,本题共有15小题)1.下列关于井控设备的功能叙述正确的是()。
(A)关井动作迅速 (B)操作方便 (C)能够关闭井口,密封钻具内和环空的压力 (D)现场维修方便2.增大井底压差,机械钻速会()。
(A)不变 (B)减小 (C)增大 (D)无规律变化3.环形防喷器在封井状态,可()。
(A)慢速转动钻具 (B)慢速上下活动钻具 (C)快速上下活动钻具 (D)快速转动钻具4.对钻井来说,()检测关系到快速、安全、低成本的作业甚至钻井的成败。
(A)地层温度 (B)地层压力 (C)地层倾角 (D)地层水密度5.锥形胶芯环形防喷器,胶芯由()块铸钢支承筋与橡胶硫化而成。
(A)10~14 (B)12~20 (C)12~30 (D)12~406.采用体积法进行压井时,当气体到达井口后,应()(A)边注重钻井液边放气 (B)先放气体,后注钻井液 (C)待注入钻井液沉落后,再释放气体 (D)打开节流阀迅速放喷7.钻井作业中,要求液气分离器的处理量不小于井口返出流量的()倍,允许采用两台以上的液气分离器并联或串联使用。
(A)1 (B)1.5 (C)2 (D)2.58.地层破裂压力是确定( )的重要依据之一。
(A)地层压力 (B)抽吸压力 (C)坍塌压力 (D)最大允许关井套管压力9.发生溢流后,()和压井液的量与井眼几何尺寸有关。
(A)地层压力的大小 (B)钻井液的粘度 (C)钻井液液的密度 (D)井内溢流的高度10.关井后,如果立管压力大于零,套管压力大于零,这时应()。
(A)压井 (B)开井 (C)循环观察 (D)恢复钻进11.dc指数法只适用于()地层。
(A)火成岩 (B)泥页岩 (C)基岩 (D)花岗岩12.起钻时,从井内每起出()柱钻铤必须向井内灌一次钻井液。
(A)1 (B)2 (C)3 (D)413.H S浓度为()ppm时,人吸上一口就会立即死亡。
钻井井控检查考核表西部钻探工程有限公司二〇一七年八月编制与使用说明为适应公司钻井队井控检查考核的需要,本着强化落实标准和制度的原则,依据《中国**天然****公司**与天然**钻井井控规定》、《中国**天然****公司钻井井控检查考核表》(2019版)、相关标准以及公司有关井控管理制度,工程技术与市场处组织有关人员编制了钻井井控检查考核表,主要包括:二级单位(含项目部)、基层队钻井现场、井控车间等,考核总分值500分,其中二级单位(含项目部)考分值占100分,井控车间占100分,基层队钻井现场占300分,基层队(站)按平均分计算。
表中检查内容若与施工所在**井控实施细则有冲突,则以井控实施细则为准。
表中未明确扣分项内容由检查组根据检查情况酌情考核打分。
本检查考核表适用于公司国内所属钻井队、井下作业侧钻队。
表1 二级单位检查考核表表2 基层队钻井现场检查考核表表3 井控车间审核评分表附:2019年下半年井控检查重点内容1.**公司及公司井控专项检查问题消项整改情况;2.公司各项井控管理制度执行、落实情况;3.各单位(项目部)定期检查、考核制度落实情况;4.各单位2019年井控工作计划执行完成情况;5.局、处两级井控专家(特别是技术服务单位)工作开展情况;6.井控车间井控装备管理提升推进情况;7.承包商队伍井控管理情况;8.应急管理工作开展情况,包括基层单位应急物资储备、高风险井井控装备更新、区域应急物资储备、项目部井控预案修订情况;9.井口两侧闸阀、钻井四通、内防喷工具及装备铭牌问题等专项治理工作整改情况;10.重点督查事项:克拉玛依、南疆、**各钻井项目部(组)井控职责落实情况;南疆区域井控风险评估及井控方案制定、审批、落实情况;井控装备计划、技术协议签定、采购、到货验收等环节管理制度执行情况;**狮子沟、涩北区块内防喷工具使用管理情况;克拉玛依区域新增队伍井控管理情况。
钻井井控检查考核表
中国石油天然气集团公司工程技术分公司
二〇一五年九月
编制与使用说明
1.依据《中国石油天然气集团公司石油与天然气钻井井控规定》以及相关标准,对2014年编写的检查表进行了
修订。
中石油以外作业队伍的检查列入油田公司考核范围。
2.针对海洋钻修井施工作业场地、个别设备设施的特殊性,检查表中有些内容的检查标准可以按照涉海企业井控
实施细则的规定进行检查。
1 / 28
表1 油田公司井控主管部门检查考核表
2 / 28
3 / 28
4 / 28
表2 钻探公司井控主管部门检查考核表
6 / 28
表3 勘探、开发公司(采油厂)检查考核表
勘探、开发公司(采油厂)年月日
7 / 28
表4 钻井(分)公司检查考核表
8 / 28
9 / 28
表5-1 钻井队现场检查考核表
10 / 28
12 / 28
13 / 28
14 / 28
15 / 28
16 / 28
17 / 28
表6 井控培训中心检查考核表
18 / 28
19 / 28
表7 钻井设计单位检查考核表
20 / 28
21 / 28
22 / 28
23 / 28
表8 钻井井控车间审核评分表
年月日
24 / 28
25 / 28
26 / 28
27 / 28。