SD卡引脚 电路图及工作原理介绍
- 格式:doc
- 大小:240.00 KB
- 文档页数:13
SD卡引脚及spi模式基本操作过程注:S:电源供给I:输入O:采用推拉驱动的输出PP:采用推拉驱动的输入输出SD卡SPI模式下与单片机的连接图:SD卡支持两种总线方式:SD方式与SPI方式。
其中SD方式采用6线制,使用CLK、CMD、DAT0~DAT3进行数据通信。
而SPI方式采用4线制,使用CS、CLK、DataIn、DataOut进行数据通信。
SD 方式时的数据传输速度与SPI方式要快,采用单片机对SD卡进行读写时一般都采用SPI模式。
采用不同的初始化方式可以使SD卡工作于SD方式或SPI方式。
这里只对其SPI方式进行介绍。
SPI方式驱动SD卡的方法SD卡的SPI通信接口使其可以通过SPI通道进行数据读写。
从应用的角度来看,采用SPI接口的好处在于,很多单片机内部自带SPI控制器,不光给开发上带来方便,同时也见降低了开发成本。
然而,它也有不好的地方,如失去了SD卡的性能优势,要解决这一问题,就要用SD方式,因为它提供更大的总线数据带宽。
SPI接口的选用是在上电初始时向其写入第一个命令时进行的。
以下介绍SD卡的驱动方法,只实现简单的扇区读写。
1)命令与数据传输写命令的例程:C程序//-------------------------------------------------------------------------向SD卡中写入命令,并返回回应的第二个字节//-------------------------------------------------------------------------unsignedchar Write_Command_SD(unsignedchar*CMD){unsignedchar tmp;unsignedchar retry=0;unsignedchar i;//禁止SD卡片选SPI_CS=1;//发送8个时钟信号Write_Byte_SD(0xFF);//使能SD卡片选SPI_CS=0;//向SD卡发送6字节命令for(i=0;i<0x06;i++){Write_Byte_SD(*CMD++);}//获得16位的回应Read_Byte_SD();//readthefirstbyte,ignoreit.do{//读取后8位tmp=Read_Byte_SD();retry++;}while((tmp==0xff)&&(retry<100));return(tmp);}初始化SD卡的初始化是非常重要的,只有进行了正确的初始化,才能进行后面的各项操作。
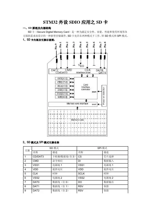
STM32外设SDIO 应用之SD 卡一、SD 原理及内部结构SD 卡(Secure Digital Memory Card )是一种为满足安全性、容量、性能和使用环境等各方面的需求而设计的一种新型存储器件,SD 卡允许在两种模式下工作,即SD 模式和SPI 模式。
1、SD 卡内部及引脚示意图:2、SD 模式及SPI 模式引脚名称P i n 3P i n 8P i n 7P i n 6P i n 5P i n 4P i n 2P i n 1P i n 93、Micro SD 引脚示意图及模式区别:二、SD 模式1、STM32的SDIO 适配器原理框图:注:R1b与R1格式相同,但可以选择在数据线上发送一个繁忙信号。
收到这些命令后,依据收到命令之前的状态,卡可能变为繁忙。
主机在收到此响应时应当检测忙状态。
R7中可接受的电压范围定义如下:6、部分命令详解CMD8用于初始化符合物理规范2.00版本的SD存储卡。
当卡处于空闲状态时,CMD8才是有效的。
该命令有两种功能:a.电压检测:检测卡是否能在主机提供的电压下工作b.扩充现有的命令及响应CMD8能通过重新定义某些现有命令的保留位,增加其新的功能。
ACMD41就是被这样被扩展后用于初始化高容量SD存储卡。
其中电源电压定义如下:当卡处于空闲状态,主机应当在发送ACMD41前发送CMD8。
在参数段,电源电压段是主机提供的电压值,而检测模式段可以是任何数值。
若主机支持卡的工作电压,卡会把接收到的电源电压及检测模式数值在命令响应中原样返回给主机。
若主机不支持卡的工作电压,卡不作响应并停留在空闲状态。
分是高容量卡(SDHC)还是标准容量卡(SDSC)。
7、SD卡寄存器SD卡寄存器有:卡识别寄存器(CID),相对卡地址寄存器(RCA),驱动级寄存器(DSR),特殊数据寄存器(CSD),SD卡配置寄存器(SCR),工作状态寄存器(OCR),SD状态寄存器(SSR),卡状态寄存器(CSR)。
SD卡引脚电路图及工作原理介绍SD卡在现在的日常生活与工作中使用非常广泛,时下已经成为最为通用的数据存储卡。
在诸如MP3、数码相机等设备上也都采用SD卡作为其存储设备。
SD卡之所以得到如此广泛的使用,是因为它价格低廉、存储容量大、使用方便、通用性与安全性强等优点。
既然它有着这么多优点,那么如果将它加入到单片机应用开发系统中来,将使系统变得更加出色。
这就要求对SD卡的硬件与读写时序进行研究。
对于SD卡的硬件结构,在官方的文档上有很详细的介绍,如SD卡内的存储器结构、存储单元组织方式等内容。
要实现对它的读写,最核心的是它的时序,笔者在经过了实际的测试后,使用51单片机成功实现了对SD卡的扇区读写,并对其读写速度进行了评估。
下面先来讲解SD卡的读写时序。
(1)SD卡的引脚定义:SD卡引脚功能详述:引脚编号SD模式SPI模式名称类型描述名称类型描述1 CD/DAT3 IO或PP 卡检测/数据线3#CS I 片选2 CMD PP 命令/回应DI I 数据输入3 V SS1S 电源地VSS S 电源地4 V DD S 电源VDD S 电源5 CLK I 时钟SCLK I 时钟6 V SS2S 电源地VSS2 S 电源地7 DAT0 IO或PP 数据线0 DO O或PP 数据输出8 DAT1 IO或PP 数据线1 RSV9 DAT2 IO或PP 数据线2 RSV注:S:电源供给I:输入O:采用推拉驱动的输出PP:采用推拉驱动的输入输出SD卡SPI模式下与单片机的连接图:SD卡支持两种总线方式:SD方式与SPI方式。
其中SD方式采用6线制,使用CLK、CMD、DAT0~DAT3进行数据通信。
而SPI方式采用4线制,使用CS、CLK、DataIn、DataOut进行数据通信。
SD方式时的数据传输速度与SPI方式要快,采用单片机对SD卡进行读写时一般都采用SPI模式。
采用不同的初始化方式可以使SD卡工作于SD方式或SPI方式。
sd卡工作原理分析侯会明2005-11-22 一CPU相关,ssio的连接和设置 (2)1 硬件初始化,ssio的相关配置 (2)1) 端口功能选择寄存器——GPCTL (2)2) 端口模式寄存器——GPPMA,GPPMB,GPPMC,GPPMD,GPPME (2)3) 同步SIO控制寄存器——SSIOCON (3)4) 同步SIO状态寄存器——SSIOST (3)5) 同步SSIO测试控制寄存器——SSIOTSCON (4)6) 同步SIO收发缓冲寄存器——SSIOBUF (5)7) 同步SIO中断申请寄存器——SSIOINT (5)8) 同步SIO中断使能寄存器——SSIOINTEN (5)2 CPLD片选 (6)3 第三步,ssio收发字符相关 (6)二数据包的封装与命令协议相关 (6)1 sd卡指令数据包 (6)2 sd卡命令索引表 (7)3 命令回应repond (10)1) R1模式 (10)2) R2模式 (11)3) R3模式 (11)三命令的控制与实现 (12)1程序中调用的sd卡命令 (12)1) 命令响应函数——UCS_DRSD_niCommandRespond (12)2) sd卡驱动程序初始化——UCS_DRSD_giSdIdentify (13)3) 读sd卡操作函数 (15)4) 写sd卡操作函数 (15)四sd卡的配置信息和相关结构体 (16)1卡识别寄存器——CID(card identification register ) (16)2卡特性寄存器——CSD(card specific data register) (17)一 CPU 相关,ssio 的连接和设置1 硬件初始化,ssio 的相关配置1) 端口功能选择寄存器——GPCTL地址:0xB7000000功能描述:这个寄存器配置各组GPIO 的管教原始功能或者第二功能;CPU 可以对这个寄存器进行读/写访问;复位后的默认值是0x0000。
1、简介:SD卡(Secure Digital Memory Card)是一种为满足安全性、容量、性能和使用环境等各方面的需求而设计的一种新型存储器件,SD卡允许在两种模式下工作,即SD模式和SPI模式,本系统采用SPI模式。
本小节仅简要介绍在SPI模式下,STM32处理器如何读写SD卡,如果读者如希望详细了解SD卡,可以参考相关资料。
SD 卡内部结构及引脚如下图所示:SD卡内部图.JPG 2、SD卡管脚图:SD卡图.JPG3、SPI模式下SD各管脚名称为:sd 卡:SPI模式下SD各管脚名称为.JPG注:一般SD有两种模式:SD模式和SPI模式,管脚定义如下:(A)、SD MODE 1、CD/DATA3 2、CMD 3、VSS1 4、VDD 5、CLK 6、VSS2 7、DATA0 8、DATA1 9、DATA2(B)、SPI MODE 1、CS 2、DI 3、VSS 4、VDD 5、SCLK 6、VSS2 7、DO 8、RSV 9、RSVSD 卡主要引脚和功能为:CLK:时钟信号,每个时钟周期传输一个命令或数据位,频率可在0~25MHz之间变化,SD卡的总线管理器可以不受任何限制的自由产生0~25MHz 的频率;CMD:双向命令和回复线,命令是一次主机到从卡操作的开始,命令可以是从主机到单卡寻址,也可以是到所有卡;回复是对之前命令的回答,回复可以来自单卡或所有卡;DAT0~3:数据线,数据可以从卡传向主机也可以从主机传向卡。
SD卡以命令形式来控制SD卡的读写等操作。
可根据命令对多块或单块进行读写操作。
在SPI模式下其命令由6个字节构成,其中高位在前。
SD卡命令的格式如表1所示,其中相关参数可以查阅SD卡规范。
4、MicroSD卡管脚图:MicroSD卡管脚图.JPG5、MicroSD卡管脚名称:MicroSD卡管脚名称.JPGSD 卡与MicroSD卡仅仅是封装上的不同,MicroSD卡更小,大小上和一个SIM卡差不多,但是协议与SD卡相同。
1、间介:SDxx (Secure Digital Memory Card )是一种为满足 XX 、容量、性能和使用环境等各方面的需求而设计的 一种新型存储器件,SDxx 允许在两种模式下工作,即 SD 模式和SPI 模式,本 系统采用SPI 模式。
本小节 仅间要介绍在SPI 模式下,STM32处理器如何读写 SDxx 如果读者如希望详细了解 SDxx,可以参考相关 资料。
SD xx 内部结构及引脚如下图所示:VDDDAT2 CMDCLKDATOCD/DAT3 InTeTface driver DAT1OCR[31:2] |O 01X127:0]jnterfaoecon^olJe rSCRffiSzOl K*RjCA(15:0] DSR[1?O] 窑ps Memor,1' core interfacereset2、SDxx官脚图:5-1 4MINl "川0 25M1NonruxyEqSDxx内部图JPGo HM rj1.1MINI切P05 I I 1095 S 76 CLLVSIDATDDA'zlxln炉磊」—t」l!'日kflfl-4FUrpn-ibl?General Ta <er^n<e +0 15SDxx .JPG3、SPI模式下SD各管脚名称为:sd卡:SPI模式下SD各管脚名称为JPG注:般SD有两种模式:SD模式和SPI模式,管脚定义如下:(A)、SDMODE、CD/DATA3 2、CMCB、VSS14、VDD5、CLK6、VSS2 7、DATA0 8 DATA1 9 DATA2(B)、SPI MODE 1 CS2 DI 3、VSS 4 VDD 5 SCLK 6 VSS2 7、DO8 RSV 9 RSVSD xx主要引脚和功能为:CLK时钟信号,每个时钟周期传输一个命令或数据位,频率可在025MHz之间变化,SDxx的总线管理器可以不受任何限制的自由产生0〜25MHz的频率;CMD双向命令和回复线,命令是一次主机到从xx操作的开始,命令可以是从主机到单xx寻址,也可以是到所有xx;回复是对之前命令的回答,回复可以来自单xx或所有xx;DAT〜3:数据线,数据可以xx向主机也可以从主机传向xx。
SD卡电路介绍和维修指导我们经常接触的内存卡,一般有四种:SD卡、miniSD卡、microSD卡、T-Flash(TF)卡。
尺寸上,这四种卡从左至右,越来越小;使用功能上,这四种卡几乎没有区别。
TF卡大小和microSD卡一样没有区别。
SD卡上的表面一些数字定义如下图:从上图可以看出CLASS 2:能满足观看普通MPEG4、MPEG2的电影、SDTV、数码摄像机拍摄;CLASS 4:可以流畅播放高清电视(HDTV),数码相机连拍等需求;CLASS 6:满足单反相机连拍和专业设备的使用要求;CLASS 10:全新的Class 10超越了高清视频录制性能需求。
另外我们在卡表面也会看到SD、SDHC、SDXC的标识,这个标识的含义如下:SD: 最大支持2GB。
SDHC: SD High Capacity. SD2.0发布的规范,容量2GB ~ 32GB,采用FAT32(FAT16最大只能到2GB)。
SDXC: SD eXtended Capactiy. SD3.0发布的规范,容量2GB ~ 2TB,采用exFAT(vista的新文件系统)。
支持UHS-1。
下面是介绍常用的micro SD卡的脚定义:SD卡有多个信号脚(VDD、VSS、CMD、CLK、DATA0~3),具体如上图所示,下面是信号脚介绍:脚位定义:VDD(VREG_L11_2P285):电源输入管脚,电流最高可达到800MA,所以PCB检查时注意线宽。
CLK:系统时钟信号,从上图可知在识别模式CLK是400KHz,在高速传输模式是50MHz。
CMD:命令/回复。
DATA0~3:数据信号,单根线可以传输200MHZ。
VSS:参考地。
DET_SD:热拔插脚,根据卡槽分高有效或者低有效,需要去看卡槽规格书确定此脚插入后状态。
电路上面信号脚串22R是为了防信号反射,以及防干扰。
具体参考电路图如下:SD卡出现不良问题如何维修,1、排除SD卡本体问题,可以换用不同卡试一下。
SD卡引脚及spi模式基本操作过程(摘自网络)对于SD卡的硬件结构,在官方的文档上有很详细的介绍,如SD卡内的存储器结构、存储单元组织方式等内容。
要实现对它的读写,最核心的是它的时序,笔者在经过了实际的测试后,使用51单片机成功实现了对SD卡的扇区读写,并对其读写速度进行了评估。
下面先来讲解SD卡的读写时序。
SD卡的引脚定义SD卡引脚功能详述:引脚编号SD模式SPI模式名称类型描述名称类型描述1 CD/DAT3 IO或PP 卡检测/数据线3#CS I 片选2 CMD PP 命令/回应DI I 数据输入3 VSS1 S 电源地VSS S 电源地4 VDD S 电源VDD S 电源5 CLK I 时钟SCLK I 时钟6 VSS2 S 电源地VSS2 S 电源地7 DAT0 IO或PP 数据线0 DO O或PP 数据输出8 DAT1 IO或PP 数据线1 RSV9 DAT2 IO或PP 数据线2 RSV注:S:电源供给I:输入O:采用推拉驱动的输出PP:采用推拉驱动的输入输出SD卡SPI模式下与单片机的连接图:SD卡支持两种总线方式:SD方式与SPI方式。
其中SD方式采用6线制,使用CLK、CMD、DAT0~DAT3进行数据通信。
而SPI方式采用4线制,使用CS、CLK、DataIn、DataOut进行数据通信。
SD方式时的数据传输速度与SPI方式要快,采用单片机对SD卡进行读写时一般都采用SPI模式。
采用不同的初始化方式可以使SD卡工作于SD方式或SPI 方式。
这里只对其SPI方式进行介绍。
SPI方式驱动SD卡的方法SD卡的SPI通信接口使其可以通过SPI通道进行数据读写。
从应用的角度来看,采用SPI接口的好处在于,很多单片机内部自带SPI控制器,不光给开发上带来方便,同时也见降低了开发成本。
然而,它也有不好的地方,如失去了SD卡的性能优势,要解决这一问题,就要用SD方式,因为它提供更大的总线数据带宽。
首先说几个概念:SD卡:<=2GBSDHC卡(SD High Capacity,大容量SD卡):4GB~32GBSDXC卡(SD eXtended Capacity):64GB~2TB,这是2009年SD协会发布的新标准SDIO:SD Input Output 带有输入输出设备的SD卡SD技术是一个大家族,由SD协会负责设置行业标准,应用在超过400 种品牌,涵盖数十种产品类别及超过8,000 种机型;SD协会由Panasonic、SanDisk Corporation、Toshiba Corporation在2000年1月成立,截止到今日,SD协会约有1,300名成员使用SD技术,进行产品的设计、开发、制造、或销售。
SD技术包含SD卡、SDHC卡和SDXC卡等,这三者是按照容量大小及协议差别而区分的,每次一升级均带来容量的飞越,尤其是SD协会在CES 2009上宣布的新一代存储卡标准SDXC (SD eXtended Capacity)最大容量为2TB。
SD与SDHC从体积又分为标准卡、mini卡和micro 卡,其中当属micro体积最小,仅为标准卡的四分之一,约指甲大小,但能力、可靠性、速度都与标准卡相同。
标准SD卡(Secure Digital,安全数字卡)的大小仅有24mm x 32mm x 2.1mm,约相当于邮票大小,重量仅为2克,然而却可以达到最大2GB的容量;SDHC卡(SD High Capacity,大容量SD卡)容量范围扩展至从4GB至32GB,开发人员能选择指定有保证最低数据速率的三种数据写入速度,三种SDHC速度等级(等级2、等级4、等级6) 每秒分别可传输至少2MB、4MB、6MB的数据。
SD卡的接口可以支持SD卡模式和SPI模式两种操作模式。
主机系统可以选择其中任一模式,SD卡模式允许4线的高速数据传输;SPI模式允许简单通用的SPI通道接口,但是SPI模式相比于SD模式的劣势是丧失了高速度。
1、简介:SDxx(Secure Digital Memory Card)是一种为满足xx、容量、性能和使用环境等各方面的需求而设计的一种新型存储器件,SDxx允许在两种模式下工作,即SD模式和SPI模式,本系统采用SPI模式。
本小节仅简要介绍在SPI模式下,STM32处理器如何读写SDxx,如果读者如希望详细了解SDxx,可以参考相关资料。
SD xx内部结构及引脚如下图所示:SDxx内部图.JPG 2、SDxx管脚图:SDxx.JPG3、SPI模式下SD各管脚名称为:sd 卡:SPI模式下SD各管脚名称为.JPG注:一般SD有两种模式:SD模式和SPI模式,管脚定义如下:(A)、SD MODE 1、CD/DATA3 2、CMD 3、VSS1 4、VDD 5、CLK 6、VSS2 7、DATA0 8、DATA1 9、DATA2(B)、SPI MODE 1、CS2、DI 3、VSS 4、VDD 5、SCLK 6、VSS2 7、DO8、RSV 9、RSVSD xx主要引脚和功能为:CLK:时钟信号,每个时钟周期传输一个命令或数据位,频率可在0~25MHz之间变化,SDxx的总线管理器可以不受任何限制的自由产生0~25MHz 的频率;CMD:双向命令和回复线,命令是一次主机到从xx操作的开始,命令可以是从主机到单xx寻址,也可以是到所有xx;回复是对之前命令的回答,回复可以来自单 xx或所有xx;DAT0~3:数据线,数据可以xx向主机也可以从主机传向xx。
SDxx以命令形式来控制SDxx的读写等操作。
可根据命令对多块或单块进行读写操作。
在SPI模式下其命令由6个字节构成,其中高位在前。
SDxx命令的格式如表1所示,其中相关参数可以查阅SDxx规范。
4、MicroSDxx管脚图:MicroSDxx管脚图.JPG5、MicroSDxx管脚名称:MicroSDxx管脚名称.JPGSD xx与MicroSDxx仅仅是封装上的不同,MicroSDxx更小,大小上和一个SIMxx差不多,但是协议与SDxx相同。
SD卡接口设计[附硬件电路和程序]1标准SD卡标准是SD卡协会针对可移动存储设备设计专利并授权的一种标准,主要用于制定卡的外形尺寸、电气接口和通信协议。
1.1SD卡引脚功能SD卡的外形如图1所示,引脚功能如表1所列。
SD卡的引脚具有双重功能,既可工作在SD模式,也可工作在SPI模式。
不同的模式下,引脚的功能不同。
SD模式多用于对SD卡读写速度要求较高的场合,SPI模式则是以牺牲读写速度换取更好的硬件接口兼容性。
由于SPI协议是目前广泛流行的通信协议,大多数高性能单片机都配备了SPI硬件接口,硬件连接相对简单,因此,在对SD卡读写速度要求不高的情况下,采用SPI模式无疑是一个不错的选择。
1.2SPI模式SPI模式是一种简单的命令响应协议,主控制器发出命令后,SD卡针对不S同的命令返回对应的响应。
SD卡的命令列表都是以CMD和ACMD开头,分别指通用命令和专用命令,后面接命令的编号。
例如,CMD17就是一个通用命令,用来读单块数据。
在SPI模式中,命令都是以如下的6字节形式发送的:每帧命令都以“01”开头,然后是6位命令号和4字节的参数(高位在前,低位在后),最后是7位CRC校验和1位停止位“1”。
SD卡的每条命令都会返回对应的响应类型。
在SPI模式下,共有3种响应类型:R1、R2和R3,分别占1、2和3个字节。
这里仅列出了R1响应的格式,如表2所列。
当出现表中所描述的状态时,相应的位置1。
R2和R3的第1个字节格式与R1完全一样,详细内容请参考SD卡标准。
2硬件设计本设计选用Freescale公司的32位低功耗微控制器MCF51QE128,采用SPI模式实现与SD卡的接口。
由于MCF51QE128是一款低功耗的微控制器,工作电压的典型值为3.6V,与SD卡的工作电压兼容,因而可以直接与SD卡连接,无需电平转换电路。
这里选用的是MCF51QE128的第2个SPI口,硬件连接如图2所示。
3软件实现软件部分主要实现MCF51QE128的初始化、底层SPI通信,以及SD卡的通用写命令、初始化和单块数据的读写等功能。
SD卡原理及内部结构1、简介:SD卡(Secure Digital Memory Card)是一种为满足安全性、容量、性能和使用环境等各方面的需求而设计的一种新型存储器件,SD卡允许在两种模式下工作,即SD模式和SPI模式,本系统采用SPI模式。
本小节仅简要介绍在SPI 模式下,STM32处理器如何读写SD卡,如果读者如希望详细了解SD卡,可以参考相关资料。
SD 卡内部结构及引脚如下图所示:SD卡内部图.JPG2、SD卡管脚图:SD卡图.JPG3、SPI模式下SD各管脚名称为:sd 卡:SPI模式下SD各管脚名称为.JPG注:一般SD有两种模式:SD模式和SPI模式,管脚定义如下:(A)、SD MODE 1、CD/DATA3 2、CMD 3、VSS1 4、VDD 5、CLK 6、VSS2 7、DATA0 8、DATA1 9、DATA2(B)、SPI MODE 1、CS 2、DI 3、VSS 4、VDD 5、SCLK 6、VSS2 7、DO 8、RSV 9、RSVSD 卡主要引脚和功能为:CLK:时钟信号,每个时钟周期传输一个命令或数据位,频率可在0~25MHz之间变化,SD卡的总线管理器可以不受任何限制的自由产生0~25MHz 的频率;CMD:双向命令和回复线,命令是一次主机到从卡操作的开始,命令可以是从主机到单卡寻址,也可以是到所有卡;回复是对之前命令的回答,回复可以来自单卡或所有卡;DAT0~3:数据线,数据可以从卡传向主机也可以从主机传向卡。
SD卡以命令形式来控制SD卡的读写等操作。
可根据命令对多块或单块进行读写操作。
在SPI模式下其命令由6个字节构成,其中高位在前。
SD卡命令的格式如表1所示,其中相关参数可以查阅SD卡规范。
4、MicroSD卡管脚图:MicroSD卡管脚图.JPG5、MicroSD卡管脚名称:MicroSD卡管脚名称.JPGSD 卡与MicroSD卡仅仅是封装上的不同,MicroSD卡更小,大小上和一个SIM卡差不多,但是协议与SD卡相同。
SD卡引脚及spi模式基本操作过程(摘自网络)对于SD卡的硬件结构,在官方的文档上有很详细的介绍,如SD卡内的存储器结构、存储单元组织方式等内容。
要实现对它的读写,最核心的是它的时序,笔者在经过了实际的测试后,使用51单片机成功实现了对SD卡的扇区读写,并对其读写速度进行了评估。
下面先来讲解SD卡的读写时序。
SD卡的引脚定义SD卡引脚功能详述:引脚编号SD模式SPI模式名称类型描述名称类型描述1 CD/DAT3 IO或PP 卡检测/数据线3#CS I 片选2 CMD PP 命令/回应DI I 数据输入3 VSS1 S 电源地VSS S 电源地4 VDD S 电源VDD S 电源5 CLK I 时钟SCLK I 时钟6 VSS2 S 电源地VSS2 S 电源地7 DAT0 IO或PP 数据线0 DO O或PP 数据输出8 DAT1 IO或PP 数据线1 RSV9 DAT2 IO或PP 数据线2 RSV注:S:电源供给I:输入O:采用推拉驱动的输出PP:采用推拉驱动的输入输出SD卡SPI模式下与单片机的连接图:SD卡支持两种总线方式:SD方式与SPI方式。
其中SD方式采用6线制,使用CLK、CMD、DAT0~DAT3进行数据通信。
而SPI方式采用4线制,使用CS、CLK、DataIn、DataOut进行数据通信。
SD方式时的数据传输速度与SPI方式要快,采用单片机对SD卡进行读写时一般都采用SPI模式。
采用不同的初始化方式可以使SD卡工作于SD方式或SPI 方式。
这里只对其SPI方式进行介绍。
SPI方式驱动SD卡的方法SD卡的SPI通信接口使其可以通过SPI通道进行数据读写。
从应用的角度来看,采用SPI接口的好处在于,很多单片机内部自带SPI控制器,不光给开发上带来方便,同时也见降低了开发成本。
然而,它也有不好的地方,如失去了SD卡的性能优势,要解决这一问题,就要用SD方式,因为它提供更大的总线数据带宽。
SD卡工作原理介绍和工作原理图大容量SD卡在海洋数据存储中的应用本设计使用8 GB的SDHC(High Capacity SD Memory Card,大容量SD存储卡),为了方便卡上数据在操作系统上的读取,以及数据的进一步分析和处理,在SDHC卡上建立了FAT32文件系统。
海洋要素测量系统要求数据存储量大、安全性高,采用可插拔式存储卡是一种不错的选择。
目前,可插拔式存储卡有CF卡、U 盘及SD卡。
CF卡不能与计算机直接通信;U盘需要外扩接口芯片才能与单片机通信,增加了外形尺寸及功耗;而SD卡具有耐用、可靠、安全、容量大、体积小、便于携带和兼容性好等优点,非常适合于测量系统长期的数据存储。
1 SD卡接口的硬件设计STM32F103xx增强型系列是意法半导体公司生产的基于Cortex-M3的高性能的32位RISC内核,工作频率为72 MHz,O端口和连接到2条APB总线的外设。
内置高速存储器(128 KB的闪存和20 KB 的SRAM),以及丰富的增强I,STM32F103xx系列工作于-40,+105?的温度范围,供电电压为2.0,3.6 V,与SD 卡工作电压兼容,一系列的省电模式可满足低功耗应用的要求。
SD卡支持SD模式和SPI模式两种通信方式。
采用SPI模式时,占用较少的I,O资源。
STM32F103VB包含串行外设SPI接口,可方便地与SD卡进行连接。
通过4条信号线即可完成数据的传输,分别是时钟SCLK、主机输入从机输出MISO、主机输出从机输入MOSI和片选CS。
STM32F103VB与SD卡卡座的接口电路如图1所示。
SD卡的最高数据读写速度为10 MB,s,接口电压为2.7,3.6 V,具有9个引脚。
SD卡使用卡座代替传输电缆,减少了环境干扰,降低了出错率,而且1对1传输没有共享信道的问题。
SD卡在SPI模式下各引脚的定义如表1所列。
2 SD卡接口的软件设计本设计采用STM32F103VB自带的串行外设SPI接口与SD卡进行通信,这里只介绍SPI模式的通信方式。
tf卡底层引脚定义TF卡底层引脚定义:TF卡,又称为Micro SD卡,是一种常见的存储设备,广泛应用于移动设备、数码相机等领域。
TF卡底层引脚定义了TF卡与外部设备之间的连接方式和通信规则。
本文将从TF卡底层引脚定义的角度,探讨TF卡的工作原理和应用场景。
一、TF卡底层引脚定义TF卡底层引脚一般包括以下几个引脚:1. VCC:供电引脚,用于提供电源给TF卡,一般连接到3.3V或5V 电源。
2. GND:地引脚,用于连接地线,与外部设备共享地。
3. CLK:时钟引脚,用于传输时钟信号,控制数据的读写。
4. CMD:命令引脚,用于发送读写命令给TF卡。
5. DAT0-DAT3:数据引脚,用于传输数据。
二、TF卡工作原理TF卡是一种闪存存储设备,采用了SPI(Serial Peripheral Interface)或SD(Secure Digital)接口协议。
TF卡通过底层引脚与外部设备进行通信,实现数据的读写和存储。
在TF卡的工作过程中,外部设备首先通过时钟引脚(CLK)发送时钟信号给TF卡,TF卡根据时钟信号进行同步。
然后,外部设备通过命令引脚(CMD)发送读写命令给TF卡,TF卡根据命令进行相应的操作。
同时,外部设备通过数据引脚(DAT0-DAT3)与TF卡进行数据的传输。
TF卡根据命令和数据进行存储或读取操作,并将结果返回给外部设备。
三、TF卡的应用场景TF卡由于其小巧、便携的特点,在各种移动设备和数码产品中得到了广泛应用。
以下是TF卡的几个主要应用场景:1. 手机存储扩展:由于手机内置存储容量有限,用户可以通过插入TF卡来扩展手机的存储空间,方便存储大量的照片、音乐和视频等文件。
2. 数码相机存储:数码相机通常使用TF卡作为存储介质,用户可以将拍摄的照片和视频保存在TF卡中,并通过TF卡读卡器将数据传输到电脑进行编辑和存储。
3. 智能穿戴设备:智能手表、智能眼镜等智能穿戴设备中,也常常使用TF卡作为存储介质,用于存储用户的健康数据、运动轨迹等信息。
1、简介:SD卡(Secure Digital Memory Card)是一种为满足安全性、容量、性能和使用环境等各方面的需求而设计的一种新型存储器件,SD卡允许在两种模式下工作,即SD模式和SPI模式,本系统采用SPI模式。
本小节仅简要介绍在SPI模式下,STM32处理器如何读写SD卡,如果读者如希望详细了解SD卡,可以参考相关资料。
SD 卡内部结构及引脚如下图所示:SD卡内部图.JPG2、SD卡管脚图:SD卡图.JPG3、SPI模式下SD各管脚名称为:sd 卡:SPI模式下SD各管脚名称为.JPG注:一般SD有两种模式:SD模式和SPI模式,管脚定义如下:(A)、SD MODE 1、CD/DATA3 2、CMD 3、VSS1 4、VDD 5、CLK 6、VSS2 7、DATA0 8、DATA1 9、DATA2(B)、SPI MODE 1、CS 2、DI 3、VSS 4、VDD 5、SCLK 6、VSS2 7、DO 8、RSV 9、RSVSD 卡主要引脚和功能为:CLK:时钟信号,每个时钟周期传输一个命令或数据位,频率可在0~25MHz之间变化,SD卡的总线管理器可以不受任何限制的自由产生0~25MHz 的频率;CMD:双向命令和回复线,命令是一次主机到从卡操作的开始,命令可以是从主机到单卡寻址,也可以是到所有卡;回复是对之前命令的回答,回复可以来自单卡或所有卡;DAT0~3:数据线,数据可以从卡传向主机也可以从主机传向卡。
SD卡以命令形式来控制SD卡的读写等操作。
可根据命令对多块或单块进行读写操作。
在SPI 模式下其命令由6个字节构成,其中高位在前。
SD卡命令的格式如表1所示,其中相关参数可以查阅SD卡规范。
4、MicroSD卡管脚图:MicroSD卡管脚图.JPG5、MicroSD卡管脚名称:MicroSD卡管脚名称.JPGSD 卡与MicroSD卡仅仅是封装上的不同,MicroSD卡更小,大小上和一个SIM卡差不多,但是协议与SD卡相同。
这是必须的。
在很多读者的实验中,很多是因为疏忽了这一点,而使初始化不成功。
随后就是写入两个命令CMD0与CMD1,使SD卡进入SPI模式初始化时序图:初始化例程:C程序//----------------------------------------------------------初始化SD卡到SPI模式//----------------------------------------------------------unsignedchar SD_Init(){unsignedchar retry,temp;unsignedchar i;unsignedchar CMD[]={0x40,0x00,0x00,0x00,0x00,0x95};SD_Port_Init();//初始化驱动端口Init_Flag=1;//将初始化标志置1for(i=0;i<0x0f;i++){Write_Byte_SD(0xff);//发送至少74个时钟信号}//向SD卡发送CMD0retry=0;do{//为了能够成功写入CMD0,在这里写200次temp=Write_Command_SD(CMD);retry++;if(retry==200){//超过200次return(INIT_CMD0_ERROR);//CMD0Error!}}while(temp!=1);//回应01h,停止写入//发送CMD1到SD卡CMD[0]=0x41;//CMD1CMD[5]=0xFF;retry=0;do{//为了能成功写入CMD1,写100次temp=Write_Command_SD(CMD);retry++;if(retry==100){//超过100次return(INIT_CMD1_ERROR);//CMD1Error!读SD卡的CSD寄存器共16字节返回0说明读取成功//-------------------------------------------------------------------unsignedchar Read_CSD_SD(unsignedchar*Buffer){//读取CSD寄存器的命令unsignedchar CMD[]={0x49,0x00,0x00,0x00,0x00,0xFF};unsignedchar temp;temp=SD_Read_Block(CMD,Buffer,16);//read16bytesreturn(temp);}4)读取SD卡信息综合上面对CID与CSD寄存器的读取,可以知道很多关于SD卡的信息,以下程序可以获取这些信息。
SD卡引脚电路图及工作原理介绍SD卡在现在的日常生活与工作中使用非常广泛,时下已经成为最为通用的数据存储卡。
在诸如MP3、数码相机等设备上也都采用SD卡作为其存储设备。
SD卡之所以得到如此广泛的使用,是因为它价格低廉、存储容量大、使用方便、通用性与安全性强等优点。
既然它有着这么多优点,那么如果将它加入到单片机应用开发系统中来,将使系统变得更加出色。
这就要求对SD卡的硬件与读写时序进行研究。
对于SD卡的硬件结构,在官方的文档上有很详细的介绍,如SD卡内的存储器结构、存储单元组织方式等内容。
要实现对它的读写,最核心的是它的时序,笔者在经过了实际的测试后,使用51单片机成功实现了对SD卡的扇区读写,并对其读写速度进行了评估。
下面先来讲解SD卡的读写时序。
(1)SD卡的引脚定义:SD卡引脚功能详述:引脚编号SD模式SPI模式名称类型描述名称类型描述1 CD/DAT3 IO或PP 卡检测/数据线3#CS I 片选2 CMD PP 命令/回应DI I 数据输入3 V SS1S 电源地VSS S 电源地4 V DD S 电源VDD S 电源5 CLK I 时钟SCLK I 时钟6 V SS2S 电源地VSS2 S 电源地7 DAT0 IO或PP 数据线0 DO O或PP 数据输出8 DAT1 IO或PP 数据线1 RSV9 DAT2 IO或PP 数据线2 RSV注:S:电源供给I:输入O:采用推拉驱动的输出PP:采用推拉驱动的输入输出SD卡SPI模式下与单片机的连接图:SD卡支持两种总线方式:SD方式与SPI方式。
其中SD方式采用6线制,使用CLK、CMD、DAT0~DAT3进行数据通信。
而SPI方式采用4线制,使用CS、CLK、DataIn、DataOut进行数据通信。
SD方式时的数据传输速度与SPI方式要快,采用单片机对SD卡进行读写时一般都采用SPI模式。
采用不同的初始化方式可以使SD卡工作于SD方式或SPI方式。
这里只对其SPI方式进行介绍。
(2)SPI方式驱动SD卡的方法SD卡的SPI通信接口使其可以通过SPI通道进行数据读写。
从应用的角度来看,采用SPI接口的好处在于,很多单片机内部自带SPI控制器,不光给开发上带来方便,同时也见降低了开发成本。
然而,它也有不好的地方,如失去了SD卡的性能优势,要解决这一问题,就要用SD方式,因为它提供更大的总线数据带宽。
SPI接口的选用是在上电初始时向其写入第一个命令时进行的。
以下介绍SD卡的驱动方法,只实现简单的扇区读写。
1)命令与数据传输1. 命令传输SD卡自身有完备的命令系统,以实现各项操作。
命令格式如下:命令的传输过程采用发送应答机制,过程如下:每一个命令都有自己命令应答格式。
在SPI模式中定义了三种应答格式,如下表所示:字节位含义1 7 开始位,始终为0 6 参数错误5 地址错误4 擦除序列错误3 CRC错误2 非法命令1 擦除复位0 闲置状态字节位含义1 7 开始位,始终为0 6 参数错误5 地址错误4 擦除序列错误3 CRC错误2 非法命令1 擦除复位0 闲置状态2 7 溢出,CSD覆盖6 擦除参数5 写保护非法4 卡ECC失败3 卡控制器错误2 未知错误1 写保护擦除跳过,锁/解锁失败0 锁卡字节位含义1 7 开始位,始终为0 6 参数错误5 地址错误4 擦除序列错误3 CRC错误2 非法命令1 擦除复位0 闲置状态2~5 全部操作条件寄存器,高位在前写命令的例程://-----------------------------------------------------------------------------------------------向SD卡中写入命令,并返回回应的第二个字节//----------------------------------------------------------------------------------------------- unsigned char Write_Command_SD(unsigned char *CMD){unsigned char tmp;unsigned char retry=0;unsigned char i;//禁止SD卡片选SPI_CS=1;//发送8个时钟信号Write_Byte_SD(0xFF);//使能SD卡片选SPI_CS=0;//向SD卡发送6字节命令for (i=0;i<0x06;i++){Write_Byte_SD(*CMD++);}//获得16位的回应Read_Byte_SD(); //read the first byte,ignore it.do{ //读取后8位tmp = Read_Byte_SD();retry++;}while((tmp==0xff)&&(retry<100));return(tmp);}2)初始化SD卡的初始化是非常重要的,只有进行了正确的初始化,才能进行后面的各项操作。
在初始化过程中,SPI的时钟不能太快,否则会造初始化失败。
在初始化成功后,应尽量提高SPI的速率。
在刚开始要先发送至少74个时钟信号,这是必须的。
在很多读者的实验中,很多是因为疏忽了这一点,而使初始化不成功。
随后就是写入两个命令CMD0与CMD1,使SD卡进入SPI模式初始化时序图:初始化例程://-------------------------------------------------------------------------- 初始化SD卡到SPI模式//-------------------------------------------------------------------------- unsigned char SD_Init(){unsigned char retry,temp;unsigned char i;unsigned char CMD[] = {0x40,0x00,0x00,0x00,0x00,0x95}; SD_Port_Init(); //初始化驱动端口Init_Flag=1; //将初始化标志置1for (i=0;i<0x0f;i++){Write_Byte_SD(0xff); //发送至少74个时钟信号}//向SD卡发送CMD0retry=0;do{ //为了能够成功写入CMD0,在这里写200次temp=Write_Command_SD(CMD);retry++;if(retry==200){ //超过200次return(INIT_CMD0_ERROR);//CMD0 Error!}while(temp!=1); //回应01h,停止写入//发送CMD1到SD卡CMD[0] = 0x41; //CMD1CMD[5] = 0xFF;retry=0;do{ //为了能成功写入CMD1,写100次temp=Write_Command_SD(CMD);retry++;if(retry==100){ //超过100次return(INIT_CMD1_ERROR);//CMD1 Error!}}while(temp!=0);//回应00h停止写入Init_Flag=0; //初始化完毕,初始化标志清零SPI_CS=1; //片选无效return(0); //初始化成功}3)读取CIDCID寄存器存储了SD卡的标识码。
每一个卡都有唯一的标识码。
CID寄存器长度为128位。
它的寄存器结构如下:名称域数据宽度CID划分生产标识号MID 8 [127:120]OEM/应用标识OID 16 [119:104]产品名称PNM 40 [103:64]产品版本PRV 8 [63:56]产品序列号PSN 32 [55:24]保留- 4 [23:20]生产日期MDT 12 [19:8]CRC7校验合CRC 7 [7:1]未使用,始终为1 - 1 [0:0]它的读取时序如下:与此时序相对应的程序如下://------------------------------------------------------------------------------------ 读取SD卡的CID寄存器16字节成功返回0//------------------------------------------------------------------------------------- unsigned char Read_CID_SD(unsigned char *Buffer){//读取CID寄存器的命令unsigned char CMD[] = {0x4A,0x00,0x00,0x00,0x00,0xFF};unsigned char temp;temp=SD_Read_Block(CMD,Buffer,16); //read 16 bytesreturn(temp);}4)读取CSDCSD(Card-Specific Data)寄存器提供了读写SD卡的一些信息。
其中的一些单元可以由用户重新编程。
具体的CSD结构如下:名称域数据宽度单元类型CSD划分CSD结构CSD_STRUCTURE 2 R [127:126] 保留- 6 R [125:120] 数据读取时间1 TAAC 8 R [119:112] 数据在CLK周期内读取时间2(NSAC*100)NSAC 8 R [111:104] 最大数据传输率TRAN_SPEED 8 R [103:96] 卡命令集合CCC 12 R [95:84] 最大读取数据块长READ_BL_LEN 4 R [83:80] 允许读的部分块READ_BL_PARTIAL 1 R [79:79] 非线写块WRITE_BLK_MISALIGN 1 R [78:78] 非线读块READ_BLK_MISALIGN 1 R [77:77] DSR条件DSR_IMP 1 R [76:76] 保留- 2 R [75:74] 设备容量C_SIZE 12 R [73:62] 最大读取电流@V DD min VDD_R_CURR_MIN 3 R [61:59] 最大读取电流@V DD max VDD_R_CURR_MAX 3 R [58:56] 最大写电流@V DD min VDD_W_CURR_MIN 3 R [55:53] 最大写电流@V DD max VDD_W_CURR_MAX 3 R [52:50] 设备容量乘子C_SIZE_MULT 3 R [49:47] 擦除单块使能ERASE_BLK_EN 1 R [46:46] 擦除扇区大小SECTOR_SIZE 7 R [45:39] 写保护群大小WP_GRP_SIZE 7 R [38:32] 写保护群使能WP_GRP_ENABLE 1 R [31:31]保留- 2 R [30:29] 写速度因子R2W_FACTOR 3 R [28:26] 最大写数据块长度WRITE_BL_LEN 4 R [25:22] 允许写的部分部WRITE_BL_PARTIAL 1 R [21:21] 保留- 5 R [20:16] 文件系统群FILE_OFRMAT_GRP 1 R/W [15:15] 拷贝标志COPY 1 R/W [14:14] 永久写保护PERM_WRITE_PROTECT 1 R/W [13:13] 暂时写保护TMP_WRITE_PROTECT 1 R/W [12:12] 文件系统FIL_FORMAT 2 R/W [11:10] 保留- 2 R/W [9:8] CRC CRC 7 R/W [7:1] 未用,始终为1 - 1 [0:0]读取CSD 的时序:相应的程序例程如下://----------------------------------------------------------------------------------------- 读SD卡的CSD寄存器共16字节返回0说明读取成功//-----------------------------------------------------------------------------------------unsigned char Read_CSD_SD(unsigned char *Buffer){//读取CSD寄存器的命令unsigned char CMD[] = {0x49,0x00,0x00,0x00,0x00,0xFF};unsigned char temp;temp=SD_Read_Block(CMD,Buffer,16); //read 16 bytesreturn(temp);}4)读取SD卡信息综合上面对CID与CSD寄存器的读取,可以知道很多关于SD卡的信息,以下程序可以获取这些信息。