欠压锁定电路
- 格式:pdf
- 大小:153.46 KB
- 文档页数:7
一种超低功耗欠压锁定电路设计与实现摘要:人们对高性能电子产品的需求越来越强烈,产品的安全性与可靠性也对IC设计者带来了巨大的考验,所以在芯片设计时,除了满足性能要求外,保护电路的设计也尤为重要,当芯片发生异常状况时,防止芯片被毁坏,减小芯片损伤,同时也提高了芯片的安全性。
开关电源的可靠性体现在当系统处于异常工作状态时,保护电路对环路的调节能力,保证各个模块的电流与电压工作在设定的阈值范围内,使系统处在正常的工作环境下。
欠压锁定电路UVLO(Under voltagelockout)是开关电源中必不可少的保护电路,其主要作用是保证转换器的电源电压工作在正常的范围内,避免当电源电压过低时导致数字逻辑发生错误以及器件损坏。
当输入电源电压较小时,表明系统当前处于欠压状态,此模块输出一个欠压信号,将芯片切断,使芯片内部保持在确定的安全状态下。
由于噪声对输入电源电压的干扰,电路在阈值电压附近来回切换,产生次谐波振荡,所以欠压保护电路都会设计一个迟滞电压产生器,留出一定的裕量,防止误操作.关键词:超低功耗;欠压锁定;电路设计;引言近年来科学技术的快速发展促进了各类电子产品的多样化发展,而供电电源的稳定性和安全性是保障电子设备正常工作的重要条件。
当系统长时间在低电源电压工作环境中运行时,虽然不会损坏芯片,但是严重影响系统的稳定性,导致电路的逻辑控制不正常和数据处理不正确等问题,影响芯片的安全性和寿命。
系统中欠压保护(Under-voltageLockout,UVLO)电路的使用是实现各模块电路稳定可靠工作的必要条件。
欠压保护电路是充放电系统中一种重要的保护电路,其主要功能是实现系统的供电电压检测。
当供电电压低于设定阈值时,欠压保护电路会输出信号关闭系统充放电回路,防止芯片由于低压工作导致的非正常逻辑输出和异常工作模式发生。
1工作原理分析在传统的欠压锁定电路中,通过电阻分压获得输入电源的采样电压,采样电压与外部电路提供的基准电压进行比较,输入电源电压的高低决定了欠压锁定电路输出信号的翻转,因此传统的欠压锁定电路如图1所示,主要由采样反馈电阻,带隙基准电压,比较器,输出整形电路等组成。
半球电磁炉欠压保护电路通常采用市电L、N两端经两只二极管或两只电阻与桥式整流器中的两只负极二极管组成桥式整流电路,产生脉动直流电压,此电压再通过电阻分压、电容滤波后产生较低电压,作为电磁炉的基准电压。
当市电电压下降到欠压保护电压时,电容两端电压下降,电容放电,通过电阻R32将电流送到热敏电阻SENSOR的另一端,此时热敏电阻的电阻值会随着温度升高而减小,从而使得SENSOR两端的电压变高,使同步电路检测到的电压不正常,从而触发欠压保护功能。
当市电电压恢复正常时,电容重新充电,电路回到正常工作状态。
控制芯片SG3525ASG3525A的内部结构见图,由基准电压调整器、振荡器、误差放大器、比较器、锁存器、欠压锁定电路、闭锁控制电路、软起动电路、输出电路构成.(1)欠压锁定功能基准电压调整器受巧脚的外加直流电压的影响,当低于7V时,基准电压调整器的精度值就得不到保证,由于设置了欠压锁定电路,当出现欠电压时,欠压锁定功能使A端线由低电压上升为逻辑高电平,经过SG3525A的13脚输出为高电平,功率驱动电路输出至功率场效应管的控制脉冲消失,逆变器无电压输出.(2)系统的故障关闭功能集成控制器SG3525A内部的T3晶体管基极经一电阻连接10引脚.过流保护环节检测到的故障信号使10脚为高电平.由于T3基极与A端线相连.故障信号产生的关闭过程与欠电压锁定过程类似.在电路中,过流保护环节还输出一个信号到与门的输入端,当出现过流信号时,检测环节输出一低电平信号到与门的输入端,使脉冲消失,与SG 3525的故障关闭功能一起构成双重保护.(3)软起动功能软起动功能的实现主要由SG3525A内部的晶体管T3和外接电容C3及锁存器来实现的.当出现欠压或者有过流故障时,A端线高电平传到T3晶体管基极,T3导通为8引脚外接电容C3提供放电的途径.C3经T3放电到零电压后,限制了比较器的PWM脉冲电压输出,电压上升为恒定的逻辑高电平,PWM高电平经PWM锁存器输出至D端线仍为恒定的逻辑高电平,C3电容重新充电之前,D端线的高电平不会发生变化,封锁输出.当故障消除后,A端线恢复为低电平正常值,T3截止,C3由50μA电流源缓慢充电,C3充电对PWM和D端线脉冲宽度产生影响,同时对P1和P2输出脉冲产生影响,其结果是使P1和P2脉冲由窄缓慢变宽,只有C3充电结束后,P1和P2的脉冲宽度才不受C3充电的影响.这种软起动方式,可使系统主回路电机及功率场效应管承受过大的冲击浪涌电流.4.1.2芯片管脚及其功能介绍SG3525脉宽调制型控制器是美国通用电气公司的产品,作为SG3524的改进型,更适合于运用MOS管作为开关器件的DC/DC变换器,它是采用双级型工艺制作的新型模拟数字混合集成电路,性能优异,所需外围器件较少.它的主要特点是:输出级采用推挽输出,双通道输出,占空比0-50%可调, 每一通道的驱动电流最大值可达200mA,灌拉电流峰值可达500mA.可直接驱动功率MOS管,工作频率高达400KHz,具有欠压锁定、过压保护和软启动等功能.该电路由基准电压源、震荡器、误差放大器、PWM比较器与锁存器、分相器、欠压锁定输出驱动级,软启动及关断电路等组成,可正常工作的温度范围是0-700℃.基准电压为5.1 V士1%,工作电压范围很宽,为8V到35V.SG3525采用16端双列直插DIP封装,引脚图及各端子功能介绍如下:INV.INPUT(反相输入端1):误差放大器的反相输入端,该误差放大器的增益标称值为80db,其大小由反馈或输出负载来决定,输出负载可以是纯电阻,也可以是电阻性元件和电容元件的组合.该误差放大器共模输入电压范围是1. 5V-5. 2V.此端通常接到与电源输出电压相连接的电阻分压器上.负反馈控制时,将电源输出电压分压后与基准电压相比较.NI.NPUT(同相输入端2):此端通常接到基准电压16脚的分压电阻上,取得2. 5V的基准比较电压与INV. INPUT端的取样电压相比较.SYNC(同步端3):为外同步用.需要多个芯片同步工作时,每个芯片有各自的震荡频率,可以分别他们的4脚和3脚相连,这时所有芯片的工作频率以最快的芯片工作频率同步.也可以使单个芯片以外部时钟频率工作.OSC.OUTPUT(同步输出端4):同步脉冲输出.作为多个芯片同步工作时使用.但几个芯片的工作频率不能相差太大,同步脉冲频率应比震荡频率低一些.如不需多个芯片同步工作时,3脚和4脚悬空.4脚输出频率为输出脉冲频率的2倍.输出锯齿波电压范围为0. 6V到3. 5V. Cr(震荡电容端5):震荡电容接至5脚,另一端直接接至地端.其取值范围为0.001u F到0. 1 u F.正常工作时,在Cr两端可以得到一个从0.6V到3. 5V变化的锯齿波.(震荡电阻端6):震荡电阻一端接至6脚,另一端直接接至地端. 的阻值决定了内部恒流值对Cr充电.其取值范围为2K欧到150K欧和Cr越大充电时间越长,反之则充电时间短.DISCHA TGE RD(放电端7):Cr的放电由5、7两端的死区电阻决定.把充电和放电回路分开,有利于通过死区电阻来调节死区时间,使死区时间调节范围更宽.其取值范围为0欧到500欧.放电电阻RD和CT越大放电时间越长,反之则放电时间短.这样,SG3525A的振荡频率可由下面的公式进行计算:SOFTSTA TR(软启动8):比较器的反相端即软启动器控制端8,端8可外接软启动电容,该电容由内部的50uA恒流源充电.COMPENSA TION(补偿端9):在误差放大器输出端9脚与误差放大器反相输入端1脚间接电阻与电容,构成PI调节器,补偿系统的幅频、相频响应特性.补偿端工作电压范围为1. 5V到5. 2V.SHUTDOWN(关断端10):10端为PWM锁存器的一个输入端,一般在10端接入过流检测信号.过流检测信号维持时间长时,软起动端8接的电容C被放电.一般用法是将过流脉冲信号送至关闭控制端10脚,当脚10电压大于0. 7V时,芯片将进行限流操作,当脚10电压超过1.4V 时,将使PWM锁存器关断,直至下一个时钟周期才能够恢复.OUTPUT A, OUTPUT B(脉冲输出端11、14):输出末级采用推挽输出电路,驱动场效应功率管时关断速度更快.11脚和14脚相位相差180°,拉电流和灌电流峰值达200mA.由于存在开闭滞后,使输出和吸收间出现重迭导通.在重迭处有一个电流尖脉冲,起持续时间约为l00ns.可以在处接一个约0. lμf的电容滤去电压尖峰.GROUND(接地端12):该芯片上的所有电压都是相对于GROUND而言,即是功率地也是信号地.在实验电路中,由于接入误差放大器反向输入端的反馈电压也是相对与12脚而言,所以主回路和控制回路的接地端应相连.VC(推挽输出电路电压输入端13):作为推挽输出级的电压源,提高输出级输出功率.可以和15脚共用一个电源,也可用更高电压的电源.电压范围是4.5V-35V .+VIN(芯片电源端15):直流电源从15脚引入分为两路:一路作为内部逻辑和模拟电路的工作电压;另一路送到基准电压稳压器的输入端,产生 5.1士1%V的内部基准电压.如果该脚电压低于门限电压(Turn-off=8V),该芯片内部电路锁定,停止工作(基准源及必要电路除外)使之消耗的电流降至很小(约2mA).另外,该脚电压最大不能超过35V,使用中应该用电容直接旁路到GROUND端.VREF(基准电压端16):基准电压端16脚的电压由内部控制在5. 1 V土1%.可以分压后作为误差放大器的参考电压.。
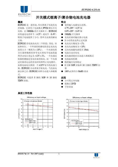
EUP8202-4.2/8.4A开关模式锂离子/聚合物电池充电器概述EUP8202是一款恒流,恒压锂离子电池充电控制器,它采用了电流模式PWM降压开关结构。
在500KHz的开关频率下,EUP8202给快速充电的单节(4.2V)或双节(8.4V)锂离子电池提供了小巧、简单且高效的解决方案。
EUP8202给电池充电有三个阶段:预充,恒流和恒压。
一个外部的检测电阻设定充电电流的大小(精度为±10%)。
一个内部电阻分压器和精准的参考电压将每节电池的最终浮动电压设定为4.2V±1%。
一个内部比较器检测接近充电结束的情况,而一个内部定时器设定总的充电时间和终止充电循环。
如果电池电压降到一个4.05V每节的内部门限,EUP8202自动重新开始充电。
当直流电源去掉之后,EUP8202同样自动进入休眠模式。
EUP8202可提供8脚的SOP和10脚的TDFN封装。
特点● 宽的输入电源电压范围:4.7V~20V-4.2V版8.9V~20V-8.4V版● 500kHz开关频率● 充电结束时输出指示电流● 3小时的充电终止定时器● 充电电压精度为+1%● 充电电流精度为+10%● 反向电池漏电流低至10uA● 电池自动再充电● 低电源消耗时自动进入休眠模式● 电池温度检测● 陶瓷输出电容稳定● 8引脚SOP封装和10引脚的TDFN封装● 100%无铅符合RoHS要求应用● 小巧笔记本电脑● 便携式DVD● 手持设备典型工作性能典型应用电路图1. 2A单/双节锂离子电池充电器图2. 1.5A单/双节锂离子电池充电器结构方块图图3封装类型引脚配置封装类型引脚配置TDFN-10 SOP-8引脚描述名称TDFN-10SOP-8描述COMP 11补偿,软启动和关闭控制脚。
当COMP 引脚达到850mV 时,充电开始。
推荐的补偿元件为2.2uF(或更大)电容和0.5K 串联电阻。
一个100uA 电流进入补偿电容也可设定软启动时间。
随着电能变换技术的发展,功率MOSFET被广泛应用于开关变换器中。
为此,美国硅通用半导体公司(Silieon General)推出了SG3525,以用于驱动n沟道功率MOSFET。
SG3525是电流控制型PWN控制器,可在其脉宽比较器的输入端直接用流过输出电感线圈信号与误差放大器输出信号进行比较,从而调节占空比,使输出的电感峰值电流跟随误差电压变化而变化。
由于结构上有电压环和电流环双环系统,因此,开关电源无论是电压调整率、负载调整率和瞬态响应特性都有提高,是目前比较理想的新型控制器。
介绍了由SG3525芯片为控制核心的500 W高频开关电源模块,该电源模块可应用于车载逆变电源的前级升压。
1 SG3525的结构特性SG3525脉宽调制控制器,不仅具有可调整的死区时间控制功能,而且还具有可编式软起动,脉冲控制封锁保护等功能。
通过调节SG3525第5脚上CT的电容和第6脚RT上的电阻就可以改变输出控制信号PWM的频率,调节第9脚COMP 的电压可以改变输出脉宽,这些功能可以改善开关电源的动态性能和简化控制电路的设计。
1.1 SG3525内部结构SG3525的内部结构如图1所示,由基准电压调整器、振荡器、误差放大器、比较器、锁存器、欠压锁定电路、闭锁控制电路、软起动电路和输出电路构成。
1.2 欠压锁定功能基准电压调整器的输入电压为15脚的输入电压VC,当VC低于8 V时,基准电压调整器的输出精度值就得不到保证,由于设置了欠压锁定电路,当出现欠压时,欠压锁定器输出一个高电平信号,再经过或非门输出转化为一个低电平信号输出到T1和T5的基极,晶体管T1和T5关断,SG3525的13脚输出为VC,11脚和14脚无脉冲输出,功率驱动电路输出至功率场效应管的控制脉冲消失,变换器无电压输出,从而实现欠压锁定保护的目的。
1.3 系统故障关闭功能集成控制器SG3525内部的T3晶体管基极经一个电阻连接10引脚。
当系统过流时,过流保护保护电路将输送给10脚一个高电平,由于T3基极与两个或非门相连,故障信号产生的关闭过程与欠电压锁定过程类似。
PWM 控制器描述SA3525是一个性能优良、功能齐全和通用性强的单片集成PWM 控制芯片,它简单可靠及使用方便灵活,输出驱动为推挽输出形式,增加了驱动能力;内部含有欠压锁定电路、软启动控制电路、PWM 锁存器,有过流保护功能,频率可调,同时能限制最大占空比。
主要特点♦ 工作电压范围宽: 8~35V ♦ 内置5.1 V ±1.0%的基准电压源♦ 芯片内振荡器工作频率宽100Hz ~400 kHz ♦ 具有振荡器外部同步功能 ♦ 死区时间可调♦ 末级采用推挽式电路,电流最大值可达400mA ♦ 内设欠压锁定电路 ♦ 内置软启动电路 ♦内置PWM(脉宽调制)应用♦ 电源变换器 ♦电焊机产品规格分类产品名称 封装形式 打印名称 环保等级 包装 SA3525DC DIP-16-300-2.54 SA3525DC 无卤 料管 SA3525SC SOP-16-225-1.27 SA3525SC 无卤 料管 SA3525SCTRSOP-16-225-1.27SA3525SC无卤编带内部框图管脚排列图管脚说明管脚号 管脚名称 I/O 功能说明1 E/A- I 误差放大器反相输入端2 E/A+ I 误差放大器同相输入端3 /SYNC I/O 同步信号端4 OSCOUT I 振荡信号输出5 CT I 振荡定时电容接入端6 RT I 振荡定时电阻接入端7 Discharge O 放电端8 Soft-Start I 软启动输入端9 EAOUT I 补偿端10 /Shutdown I 外部关断信号输入端11 AOUT O 输出端A12 GND P 信号地13 VC I 输出级偏置电压输入端14 BOUT O 输出端B15 VCC P 偏置电源输入端16 VREF O 基准电源输出端极限参数参 数 符 号 参数范围 单位 偏置电压V IN40 V 集电极偏置电压(Pin 13) V C40 V 输出电流,灌电流/拉电流(Pins 11, 14) I O500 mA 基准电源输出电流(Pin16) I REF50 mA 振荡器充电电流(Pin 9) I OSC 5 mA 耗散功率(T A = 25°C) P D1000 mW 工作温度T OPR0 ~ +70 °C 贮存温度T STG-65 ~ +150 °C电气参数(除非特殊说明,VCC =20V,TA=TJ= 0~70︒C,f OSC=40kHz,R T =3.6K, C T =0.01µF, R I= 0Ω)参 数 符 号 测 试 条 件 最小值 典型值 最大值 单位 待机电流输入电流I CC V CC = 35V -- 12 20 mA 基准电源输出电压V REF T J = 25°C 5.0 5.1 5.2 V 电源调整率∆V REF1V CC=8V~35V -- 9 20 mV 负载调整率∆V REF2I L=0 mA ~20 mA -- 20 50 mV 输出短路电流I SC V REF=0V,T J = 25°C -- 80 100 mA 温度稳定性ST T-- 20 50 mV 总的输出变化V REF 4.95 -- 5.25 V 长期稳定性ST T J = 125°C,1000小时-- 20 50 mV 振荡器部分振荡初始频率ACCUR T J = 25°C -- ±3 ±6 % 电压稳定性∆f/∆V CC V CC=8V~35V -- ±0.8 ±2 % 最大频率f(MAX)R T = 2k,C T = 470pF 400 430 -- kHz 最小频率f(MIN)R T = 200k,C T = 0.1µF -- 60 120 Hz 时钟幅度V(CLK)- 3 4 -- V 时钟宽度t W(CLK)T J = 25°C 0.3 0.6 1 µs 同步信号阈值V TH(SYNC)- 1.2 2 2.8 V 同步信号输入电流I I(SYNC)Sync = 3.5V -- 1.3 2.5 mA 误差放大器部分(V CM = 5.1V)输入失调电压V IO-- -- 1.5 10 mV 输入偏置电流I BIAS-- -- 1 10 µA输入失调电流I IO-- -- 0.1 1 µA 开环电压增益G VO R L≥10MΩ 60 80 -- dB 共模抑制比CMRR V CM = 1.5 to 5.2V 60 90 -- dB 电源纹波抑制比PSRR V CC = 8 to 35V 50 60 -- dB PWM比较器部分最小占空比D(MIN)- -- -- 0 %最大占空比D(MAX)- 45 49 -- % 输入阈值电压V TH10占空比0.7 0.9 -- VV TH2最大占空比-- 3.2 3.6 V 软启动部分软启动输入电流ISOFTV SD = 0V,V SS = 0V 25 51 80 µA软启动低电平VSLV SD = 2.5V -- 0.3 0.7 V关断阈值电压VTH(SD)- 0.9 1.3 1.7 V参 数符 号 测 试 条 件最小值 典型值 最大值 单位 关断输入电流 I N(SD)V SD = 2.5V--0.31mA输出部分 输出低电平1 V OL1 I SINK =20mA -- 0.1 0.4 V 输出低电平2 V OL2 I SINK =100mA -- 0.5 2.0 V 输出高电平1 V OH1 I SOURCE =20mA 18 19 -- V 输出高电平2 V OH2 I SOURCE =100mA 17 18 -- V 欠压锁定 V UV V8 and V9 = High 6 8.8 9.2 V 集电极漏电流 I LKG V CC = 35V-- 80 200 µA 上升时间 t R C L = 1nF ,T J = 25°C -- 80 600 ns 下降时间 t FC L = 1nF ,T J = 25°C--70300nsESD 人体模式V ESD2-- -- KV应用电路图345678109161514131211B VCC Shutdown OSCOUTDischargeEAOUTCT VREFSyncRT Soft-StartT10.009μF100k0.001μF 3.6k5μF,封装外形图单位MOS 电路操作注意事项:静电在很多地方都会产生,采取下面的预防措施,可以有效防止MOS 电路由于受静电放电影响而引起的损坏:声明:♦ 操作人员要通过防静电腕带接地。
s g3525中文资料摘要:对PWM控制芯片SG3524与SG3525的工作性能作了介绍和比较,通过实验得出了SG3525在软起动功能上较SG3524有很大的改进。
关键词:SG3524;SG3525;脉宽调制;软起动0 引言:目前,开关电源越来越广泛地应用于各行各业中,是各种用电设备的重要组成部分。
在开关电源的设计过程中,常常使用各种PWM的IC。
因此,作为开关电源的设计者,有必要熟悉各种PWM的集成芯片的性能差别,才能在设计的时候灵活应用。
下面主要针对常用的SG3524与SG3525两种芯片进行对比分析。
1 SG3524与SG3525:SG3524是定频PWM电路,采用16引脚标准DIP封装。
其各引脚功能如图1(a)所示,内部框图如图1(b)所示。
(a)SG3524的引脚(b)内部框图图1 SG3524引脚及内部框图脚9可以通过对地接阻容网络,补偿系统的幅频和相频响应特性。
根据试验结果,对地接电容就可以实现软起动功能。
SG3525也是定频PWM电路,采用16引脚标准DIP封装。
其各引脚功能如图2(a)所示,内部框图如图2(b)所示。
脚8为软起动端。
(a)SG3525的引脚(b)内部框图图2 SG3525引脚及内部框图2 SG3525相对SG3524的改进:SG3525在SG3524的基础上,主要作了以下改进。
1)增设欠压锁定电路电路主要作用是当IC输入电压<8V时,集成块内部电路锁定,停止工作(基准源及必要电路除外),使之消耗电流降至很小(约2mA)。
2)有软起动电路比较器的反相端即软起动控制端脚8可外接软起动电容。
该电容由内部5V基准参考电压的50μA恒流源充电,使占空比由小到大(50%)变化。
3)比较器有两个反相输入端 SG3524的误差放大器、电流控制器和关闭控制3个信号共用一个反相输入端,现改为增加一个反相输入端,误差放大器与关闭电路各自送至比较器的反相端。
这样,便避免了彼此相互影响,有利于误差放大器和补偿网络工作精度的提高。
v uvlo(欠压锁定)和v uvlo_hys(滞回电压)是电源管理电路中常见的两个重要参数,它们对于保护和稳定电源系统起着至关重要的作用。
本文将详细解释v uvlo和v uvlo_hys的概念、作用以及影响,帮助读者更好地理解和应用这两个参数。
1. v uvlo的概念和作用v uvlo是指输入电压低于设定值时,电源管理芯片会对其进行锁定,防止电源系统因输入电压过低而无法正常工作,保护整个系统免受损坏。
v uvlo的设定值一般由厂商根据实际电源系统需求进行设定,通常在数据手册中可以找到具体数值。
2. v uvlo_hys的概念和作用v uvlo_hys是指在输入电压低于设定值时,电源管理芯片会等待输入电压升高到一定值才会解除锁定状态,这个等待的电压差值即为v uvlo_hys。
v uvlo_hys的存在可以避免在输入电压波动较大的情况下,频繁锁定和解除锁定,保护整个系统。
3. v uvlo和v uvlo_hys的影响v uvlo和v uvlo_hys的设定值和大小都会对电源系统的稳定性、灵活性和响应速度产生影响。
过小的设定值和v uvlo_hys会使系统过于敏感,容易受到输入电压波动的影响而频繁锁定和解锁,降低系统的稳定性和可靠性;而过大的设定值和v uvlo_hys则会导致系统对输入电压变化的响应速度较慢,影响系统的动态性能和快速保护能力。
4. 如何合理选择v uvlo和v uvlo_hys的数值在选择v uvlo和v uvlo_hys的数值时,需要根据具体的电源系统需求和实际工作环境进行合理的设计和调整。
一般来说,厂商会在产品的数据手册中提供一些推荐的参数范围,用户可以根据自己的实际情况进行调整。
还可以通过仿真和实际测试来验证参数的合理性和稳定性。
通过本文的介绍,相信读者对v uvlo和v uvlo_hys这两个电源管理电路参数有了更清晰的理解和认识。
合理设置和调整这两个参数,可以有效保护电源系统免受输入电压低于设定值的影响,保障整个系统的稳定性和可靠性。
一种高速低压低静态功耗欠压锁定电路
在DC-DC电源管理芯片中,电压的稳定尤为重要,因此需要在芯片内部集成欠压锁定电路来提高电源的可靠性和安全性。
对于其它的集成电路,为提高电路的可靠性和稳定性,欠压锁定电路同样十分重要。
传统的欠压锁定电路要求简单、实用,但忽略了欠压锁定电路的功耗,使系统在正常工作时,仍然有较大的静态功耗,这样就降低了电源的效率,并且无效的功耗增加了芯片散热系统的负担,影响系统的稳定性。
基于传统的欠压锁定电路,本文提出一种CMOS工艺下的低压低静态功耗欠压锁定电路,并通过HSPICE仿真。
此电路可以在1.5V~6V的电源电压范围下工作,阈值可调,翻转速度很快。
电源电压正常工作时,此电路的静态功耗可低于2μW。
此电路结构简单,用标准CMOS工艺实现容易,可用于由电池供电的电源管理芯片或便携设备中作欠压保护电路。
1 欠压锁定电路工作原理
欠压锁定电路的基本原理图如图1所示。
电路包括电压采样电路、比较器、输出缓冲器和反馈回路。
VCC为待检测的电源电压,电阻R2、R 3、R4组成VCC的分压采样电路,实现对V CC的采样;NMOS开关管MN1和电阻R1构成比较器,对采样电压和MN1的VTH 进行比较,并输出比较结果;反向器INV1和INV2组成缓冲器电路,可对比较器的输出波形进行整形和缓冲,提高电路的负载能力;PMOS开关管MP1构成正反
的阈值附近振荡,馈回路,可以实现电路的迟滞功能,防止电路在V
CC
增加系统的稳定性。
调整R2、R3、R4的大小可实现不同阈值和迟滞量的V CC欠压保护。
欠压锁定电路结构简单,工作电压范围宽,适应性强,且无需额外的基准电压[2],因此有着广泛的应用。
电路正常工作时,MN1导通,流过R1的电流I1作为比较器的灌电流,全部流经MN1到地。
为使电路性能可靠,有较好的响应速度,电流I1通常需5μA~10μA。
静态时该电流为无效用电流,增加了系统的功耗,浪费了电源的能量,对系统的效率、散热及稳定性产生了不好的影响,并且其响应速度也不够快。
如果用增大R1的阻值减小电流I1的大小,虽然可以降低功耗,但减慢了电路的响应速度,并严重影响了电路的稳定性,因此需要对该电路
作进一步的改进。
2 改进的电路
改进的电路如图2所示,电路结构由采样、先导控制、比较器、迟滞反馈回路、加速响应电路、缓冲器六部分构成。
电阻R1、R2、R3、R4构成分压电阻网络实现对VCC的采样;MN1、R5、INV1组成先导控制电路,实现对比较器灌电流的控制;MN2、R6、MP2组成比较器,实现采样电压与MN2的VTH比较;MP1构成正反馈回路,可实现VCC的迟滞功能;INV2、MP3、R7构成正反馈回路,可加速比较器的翻转,从而提高电路的响应速度;SCHMITT触发器和INV3是缓冲电路,对比较器的输
出波形进行缓冲和整形,SCHMITT触发器的结构如图3所示,其工作原理详见参考文献[3];另外,电容C1起滤波和储能作用。
本电路通过低功耗的先导控制电路控制电流较大的比较器的灌电流,使比较器只有在状态发生翻转时有微弱的电流流过MN2。
在其余时间,无论比较器是输出高电平还是低电平,都没有电流流过MN2,也就是说使电路无论是在正常工作状态还是在欠压锁定状态,比较器都不消耗功率,这样就可以把电路的静态功耗降到最低。
为了加快比较器的翻转速度,可通过先导控制电路和加速响应电路来实现。
在VCC电压升高过程中,当电压较低时,由于MN1、MN2截止,D电位处于高电位,可通过先导控制电路使MP2导通,同时MP3也导通,给电容C1充电,使G点的电压等于VCC,使输出端为高电平,电路处于欠压锁定状态;随着VCC电压升高,由于B点的电压高于C点的电压,使MN1比MN2先导通,先导控制电路使MP2截止,使比较器的灌电流消失,此时由于电容C1没有放电回路,使G点保持高电平,电路仍处于欠压锁定状态;当VCC进一步上升使C点的电压高于MN2的阈值时,MN2导通,由于没有灌电流的作用,MN2迅速给C1放电,使G点电压迅速下降到0 V,电路解除欠压锁定,进入正常工作状态,此时MP1导通,R1被短接。
此后VCC继续升高,先导控制电路使MP2保持截止状态,使电路保持在正常工作状态。
由于比较器中没有灌电流,比较器的静态功耗为零。
因此VCC电压在上升过程中,其阈值为:
在V CC电压下降使电路由正常工作状态转为欠压锁定状态的过程中,由于MN2截止之后的很短时间内,MN1仍然导通,使MP2仍处于截止状态,电容C1无放电回路, G点仍处于低电平,电路仍处于正常工作状态,此时,比较器的静态功耗也为零;此后MN1截止,使MP1导通,M
N2仍处于截止,由于灌电流的作用,使G点电压高,通过INV2、MP 3、R7的正反馈作用,使MP3导通,由于R7阻值较小,使流过MP3、R 7的电流较大,G点电压迅速提升到VCC,电路进入欠压锁定状态;此后,MN2截止,使电路保持欠压锁定状态,由于比较器中没有电流流过MN2,因此比较器基本上无静态功耗。
因此VCC电压在下降过程中,其阈值为:
如图2所示,改变电阻R3的大小,可以调整MN1和MN2导通和截止的时间次序。
为了降低R5、MN1的功耗,应增大R5的阻值,减小MN1的W/L,使流过MN1和R5的电流很小。
为了减小MN1和MN2制造工艺的不匹配问题,要求MN2由若干个与MN1相同的NMOS管并联构成。
3 HSPICE仿真结果与分析
根据上面的计算结果,采用0.6μm工艺模型,利用Hspice 对电路进行模拟仿真。
在模拟仿真过程中,各器件的参数有调整。
在仿真时,分别增大和减小电源电压进行DC扫描,输出端的波形如图4所示,电路的总功耗如图5所示。
从图4的仿真的波形中可以看出:当增大电源电压时,电压低于1.7V 为欠压锁定;当减小电源电压时,电压低于1.65V为欠压锁定。
仍可进一步调整参数,以改变电源电压欠压阈值。
从图5的仿真波形中可以看出:当VCC的电压正常时,电路的总功耗随着VCC的升高而增大,当VCC=2.7V时,总功耗约为2μW,可见电路的静态功耗很低。
本电路采用标准CMOS工艺,通过先导控制技术和加速响应回路成功地实现了欠压锁定电路的快速响应和低静态功耗的功能,解决了电路在低功耗和快速响应之间的矛盾,可适应1.5V~6V的电源电压工作范
围,且阈值电压可调,在低电压低功耗IC集成电路芯片中,有较大的应用价值。
参考文献
[1] PAUL L.B,ALLEN.Supply independent low quiescent current undervoltage lockout circuit[P].United states patent:US6842321B2,Jan 11,2005.
[2] ALLEN P E.CMOS Analog circuit design(2nd ed)[M].Beijing:Publishing house of electronic Industry,2002.
[3] 康华光.电子技术基础(第四版)[M].北京:高等教育出版社,2001,367~369.。