75吨锅炉热力计算书
- 格式:pdf
- 大小:4.47 MB
- 文档页数:26
目录一.概述 (2)二.锅炉参数 (2)三.设计燃料 (2)四.锅炉各部分结构简述: (3)1、燃烧装置: (3)2、给煤装置 (3)3、床下点火装置 (4)4、分离及返料装置 (4)5、锅筒及其内部装置 (4)6、水冷系统 (5)7、过热器系统 (5)8、省煤器系统 (5)9、空气预热器 (5)10、梁和柱、平台扶梯 (6)11、炉墙 (6)12、密封结构 (7)13、锅炉本体水、汽侧流程: (7)14、锅炉本体烟气、灰侧流程: (7)15、吹灰装置 (7)16、锅炉过程监控 (7)五. 锅炉主要技术依据 (9)六. 注意事项:……………………………………………………………............. . 9七. 附表……………………………………………………………........................ .. 11附表1.《热力计算汇总表》 (11)附表2. 主要技术数据 (12)附图、石灰石粒度分布曲线 (13)一.概述本产品为75t/h中温、中压循环流化床锅炉,采用近年发展起来的循环流化床燃烧技术,并根据无锡华光与国内著名院校多年合作开发循环流化床锅炉的经验,以及国内同类型循环流化床锅炉运行的成功经验基础上,开发了这一产品。
本产品结构简单、紧凑,与传统的煤粉炉炉型相似,锅炉本体由燃烧设备、给煤装置、床下点火装置、分离和返料装置、水冷系统、过热器、省煤器、空气预热器、钢架、平台扶梯、炉墙等组成。
锅炉设计、制造、安装、运行应执行如下标准:TSG G0001 《锅炉安全技术监察规程》JB/T6696 《电站锅炉技术条件》GB/T16507 《水管锅炉》DL5190.2 《电力建设施工技术规范第2部分:锅炉机组》GB/T12145 《火力发电机组及蒸汽动力设备水汽质量标准》TSG G0002 《锅炉节能技术监督管理规程》DL5190.5 《电力建设施工技术规范第5部分:管道及系统》二.锅炉参数额定蒸发量75t/h额定蒸汽压力 3.82MPa额定蒸汽温度450℃给水温度105℃排烟温度~135℃锅炉设计效率90%锅炉排污率2%一、二次风比例50:50一、二次风热风温度109℃/107℃三.设计燃料1、煤种:各成分如下2、燃料颗粒度要求:煤为0~8mm;50%切割粒径d50=1.5mm。
锅炉热力计算●计算依据燃煤热值按4500千卡/公斤、醇基燃料热值按6500千卡/公斤、柴油热值按10200千卡/公斤,燃煤价格按750元/吨、醇基燃料按3500元/吨、柴油价格按7500元/吨,煤锅炉的效率按45%、油气锅炉的效率按95%计算:●4吨燃油蒸汽锅炉4吨燃油蒸汽锅炉的热功率为248万大卡/小时,* 使用燃煤蒸汽锅炉,使用成本为:248×104÷4500÷45%=1225公斤/小时×0.75=919元/小时*换装燃醇蒸汽锅炉使用醇基燃料使用成本为:248×104÷6500÷95%=401公斤/小时×3.5=1404元/小时*换装油气蒸汽锅炉使用柴油作为燃料的使用成本为:248×104÷10200÷95%=256公斤/小时×7.5=1920元/小时●300万大卡导热油锅炉*使用燃煤导热油锅炉,使用成本为:300×104÷4500÷45%=1482公斤/小时×0.75=1112元/小时*换装燃醇导热油锅炉使用醇基燃料使用成本为:300×104÷6500÷95%=486公斤/小时×3.5=1700元/小时*换装油气导热油锅炉使用柴油作为燃料的使用成本为:300×104÷10200÷95%=310公斤/小时×7.5=2325元/小时三、综合效益计算1、设备成本●4吨蒸汽锅炉沿用现有的燃煤锅炉使用醇基燃料,每小时使用成本为:248×104÷6500÷95%×3.5=1404元/小时每天按8小时计算,则每天为11232元。
若更换同等功率的燃油燃气蒸汽锅炉约需55万元,每小时使用成本为1920元,每天按8小时计算,则每天为15360元,每天节省燃料费3984元,约130天即可收回设备投入。
SZBQ6-1.25-T锅炉热力计算书计算依据《工业锅炉设计计算标准方法》2003SZBQ6-1.25-T炉膛热力计算序号计算项目符号单位公式或来源数值1 额定蒸发量 D t/h 设计选定 62 额定压力Pe MPa 设计选定 1.253 蒸汽湿度sd % 设计选定04 饱和蒸汽温度tbh ℃蒸汽特性表193.285 饱和蒸汽焓iss KJ/㎏蒸汽特性表2788.616 饱和水焓isw KJ/㎏蒸汽特性表822.237 汽化潜热qr KJ/㎏蒸汽特性表4907.378 给水温度tgs ℃设计选定209 给水焓ifw KJ/㎏表B14 85.1510 排污率pw % 设计选定 311 燃料种类- - 木质颗粒12 收到基碳Car % 表B2-1 46.8813 收到基氢Har % 表B2-1 5.7214 收到基氧Oar % 表B2-1 35.515 收到基氮Nar % 表B2-1 0.1416 收到基硫Sar % 表B2-1 0.0517 收到基灰份Aar % 表B2-1 1.818 收到基水份Mar % 表B2-1 9.9119 挥发份Vhf % 表B2-1 6020 挥发份燃烧系数Vfc - 式5-21 0.1521 燃料低位发热值Qar KJ/㎏表B2-1 1720022 理论空气量V0 Nm3/㎏式3-7 4.523 理论氮气量VN Nm3/㎏式3-19 3.5624 理论水蒸汽量VH Nm3/㎏式3-21 0.8325 实际水蒸汽量Vs Nm3/㎏式3-23 0.8726 三原子气量VR Nm3/㎏式3-20 0.8827 烟气总容积Vg Nm3/㎏式3-22 7.5528 炉膛入口空气系数kq1 - 设计选定 1.429 漏风系数dkq - 设计选定0.130 炉膛出口空气系数kq2 - 设计选定 1.531 排烟处空气系数kqpy - 设计选定 1.732 冷空气温度tlk ℃设计选定2033 冷空气焓Ilk KJ/㎏焓温表119.2734 供风温度tgf ℃设计选定2035 供风焓Igf KJ/㎏焓温表119.2736 空气带入炉膛的热量Qa KJ/㎏式5-12 178.937 锅炉有效利用热量Qef KJ/㎏式4-10 16117465.4638 锅炉输入热量Qin KJ/㎏式4-4 1720039 锅炉入炉热量Qfur KJ/㎏式5-11 17205.9440 排烟温度tpy ℃设计选定15041 排烟焓Ip KJ/㎏焓温表1749.4942 输出热量q1 KJ/㎏式4-10 14990.143 排烟热损失q2 % 式4-13 8.9544 气体不完全燃烧损失q3 % 设计选定 145 固体不完全燃烧损失q4 % 设计选定0.546 散热损失q5 % 表4-1 2.447 灰渣温度thz ℃设计选定60048 灰渣漏煤比blm - 设计选定0.9549 灰渣物理热损失q6 % 式4-22 050 锅炉热效率XL % 式4-28 87.1551 燃料耗量 B ㎏/h 式4-29 1075.2152 计算燃料耗量Bcal ㎏/h 式4-32 1069.8353 保热系数Br - 式4-21 0.9754 炉膛容积VL m3 设计选定1455 炉膛包容面积FL ㎡设计选定4556 辐射受热面积Hf ㎡设计选定1257 炉排面积Rlp ㎡设计选定7.858 炉墙与炉排面积比lr - 式5-25 0.2159 炉膛有效辐射层厚度S m 式5-10 1.1260 炉膛水冷度sld - 式5-9 0.3261 大气压力Patm MPa 设计选定0.162 烟气重量Gg ㎏/㎏式3-26 9.863 飞灰系数afh - 设计选定0.0564 飞灰浓度Mufh ㎏/㎏式3-27 .0000965 飞灰焓Ifh kJ/㎏式3-39 066 绝热燃烧温度tadi ℃焓温表1431.6667 水蒸汽容积份额rh - 式3-25 0.1168 三原子气容积份额rq - 式3-24 0.2369 三原子气辐射减弱系数Ktri 1/(m*MPa) 式5-19 2.1470 固体辐射减弱系数Kp 1/(m*MPa) 式5-21 0.1671 介质辐射减弱系数Kj 1/(m*MPa) 式5-18 2.372 烟气黑度ag - 式5-17 0.2373 辐射受热面黑度awal - 5.3.3条0.874 烟气平均热容量Vcav kJ/㎏*℃式5-16 13.1475 炉膛系统黑度afur - 式5-24 0.5776 波尔兹曼准则Bo - 式5-33 1.1377 受热面灰壁热阻系数Rzb ㎡*℃/W 式5-28 0.0025878 管壁灰表面温度twal ℃式5-28 506.8279 计算值m - 式5-31 0.1780 无因次温度变量值mbo - 式5-32 2.1781 无因次温度Wst - 解式5-32 0.7782 炉膛出口温度tl2 ℃解式5-32 1047.8883 炉膛出口烟焓Il2 KJ/㎏焓温表12163.4384 炉膛平均温度tav ℃式5-27 1152.9285 炉膛辐射放热量Qr KJ/㎏式5-30 4907.3786 辐射受热面热流密度qm W/㎡式5-29 121529.0587 炉排面积负荷强度qr W/㎡式5-47 658602.6588 炉膛容积负荷强度qv W/m3 式5-48 366935.7689 额定工况通风量Qetf m3/h - 7274.5590 额定工况烟气量Qeyq m3/h - 14032.09 一程顺列管束热力计算.序号项目符号单位公式及来源数值2.1 入口烟温t1 ℃上段计算结果1043.83 2.2 入口烟焓i1 KJ/kg 焓温表9808.88 2.3 出口烟温t2 ℃上段计算结果524.262.4 出口烟焓i2 KJ/kg 焓温表4775.23 2.5 冷空气温度tlk ℃设计选定202.6 冷空气焓Ilk KJ/kg 焓温表102.132.7 工质温度tj ℃程序查表1942.8 保热系数Br - 上段计算结果.972.9 计算燃料量Bcal - 上段计算结果1209.15 2.10 烟气放热量Qrp KJ/kg 式8-2 4892.22 2.11 入口空气系数kq1 - 设计选定 1.52.12 漏风系数dkq - 设计选定.052.13 平均空气系数kq - 设计选定 1.522.14 出口空气系数kq2 - 设计选定 1.552.15 烟气通道面积fx m2 设计确定.62.16 对流受热面积fxhf m2 由几何计算54.382.17 对流管直径dw mm 设计选定512.18 横向管距ss1 mm 设计选定1002.19 纵向管距ss2 mm 设计选定1052.20 纵向布管数量z2 - 设计确定272.21 横排几何系数Cs - 式8-25 12.22 纵排几何系数Cz - 式8-26 12.23 平均烟速w m/s 式8-14 13.052.24 导热修正系数MA - 程序查表.972.25 粘度修正系数MV - 程序查表.992.26 普朗特修正系数MPr - 程序查表.982.27 烟气导热系数 A - 程序查表.083667 2.28 烟气运动粘度V - 程序查表.000114 2.29 烟气普朗特数Pr - 程序查表.52.30 烟温与工质最大温差tmax ℃t1-tj 849.83 2.31 烟温与工质最小温差tmin ℃t2-tj 330.26 2.32 平均温压dt ℃式8-51 549.72 2.33 计算烟温tyj ℃tgz+dt 743.72 2.34 灰壁热阻系数Rhb W/(m.℃) 选取02.35 热流密度qm W/m2 Bcal*Qrp/(3.6*fxhf) 30216.41 2.36 灰壁温差dtb ℃qm*Rhb 77.96 2.37 管灰壁温度tb ℃dtb+dt 271.96 2.38 有效辐射层厚度sfb m 式8-48 .192.39 实际水蒸汽量Vs Nm3/kg 式3-23 .462.40 烟气总容积Vg Nm3/kg 式3-22 6.262.41 水蒸汽容积份额rh - 式3-25 .072.42 三原子气辐射减弱系数ktri 1/(m.MPa) 式5-19 5.492.43 烟气黑度ag - 式8-45 .12.44 对流换热系数ad W/m2℃式8-24 73.91 2.45 辐射换热系数af W/m2℃(式8-44) 10.65 2.46 传热有效系数psi - 设计选定.652.47 传热热系数Kcr W/m2℃式8-1 54.97 2.48 传热量Qcp KJ/kg 式8-2 4892.22 2.49 计算误差ca % - 0二程管束热力计算.序号项目符号单位公式及来源数值3.1 入口烟温t1 ℃上段计算结果524.26 3.2 入口烟焓i1 KJ/kg 焓温表4775.25 3.3 出口烟温t2 ℃上段计算结果352.05 3.4 出口烟焓i2 KJ/kg 焓温表3229.28 3.5 冷空气温度tlk ℃设计选定203.6 冷空气焓Ilk KJ/kg 焓温表102.13 3.7 工质温度tj ℃程序查表1943.8 保热系数Br - 上段计算结果.973.9 计算燃料量Bcal - 上段计算结果1209.15 3.10 烟气放热量Qrp KJ/kg 式8-2 1505.97 3.11 入口空气系数kq1 - 设计选定 1.553.12 漏风系数dkq - 设计选定.053.13 平均空气系数kq - 设计选定 1.583.14 出口空气系数kq2 - 设计选定 1.63.15 烟气通道面积fx m2 设计确定.463.16 对流受热面积fxhf m2 由几何计算42.093.17 对流管直径dw mm 设计选定513.18 横向管距ss1 mm 设计选定1003.19 纵向管距ss2 mm 设计选定1053.20 纵向布管数量z2 - 设计确定273.21 横排几何系数Cs - 式8-25 13.22 纵排几何系数Cz - 式8-26 13.23 平均烟速w m/s 式8-14 12.13.24 导热修正系数MA - 程序查表.973.25 粘度修正系数MV - 程序查表.993.26 普朗特修正系数MPr - 程序查表.973.27 烟气导热系数 A - 程序查表.05782 3.28 烟气运动粘度V - 程序查表.000061 3.29 烟气普朗特数Pr - 程序查表.533.30 烟温与工质最大温差tmax ℃t1-tj 330.26 3.31 烟温与工质最小温差tmin ℃t2-tj 158.05 3.32 平均温压dt ℃式8-51 233.67 3.33 计算烟温tyj ℃tgz+dt 427.67 3.34 灰壁热阻系数Rhb W/(m.℃) 选取03.35 热流密度qm W/m2 Bcal*Qrp/(3.6*fxhf) 12017.48 3.36 灰壁温差dtb ℃qm*Rhb 31.013.37 管灰壁温度tb ℃dtb+dt 225.01 3.38 有效辐射层厚度sfb m 式8-48 .193.39 实际水蒸汽量Vs Nm3/kg 式3-23 .473.40 烟气总容积Vg Nm3/kg 式3-22 6.463.41 水蒸汽容积份额rh - 式3-25 .073.42 三原子气辐射减弱系数ktri 1/(m.MPa) 式5-19 6.413.43 烟气黑度ag - 式8-45 .123.44 对流换热系数ad W/m2℃式8-24 73.873.45 辐射换热系数af W/m2℃(式8-44) 5.253.46 传热有效系数psi - 设计选定.653.47 传热热系数Kcr W/m2℃式8-1 51.433.48 传热量Qcp KJ/kg 式8-2 1505.97 3.49 计算误差ca % - 0SZS6-1.6省煤器热力及烟风阻力计算汇总序号项目符号单位公式及来源数值1 入口烟温t1 ℃原始数据2632 入口烟焓I1 KJ/kg 焓温表3042.7493 出口烟温t2 ℃计算结果168.81124 出口烟焓I2 KJ/kg 焓温表1932.4475 平均烟气速度w m/s 式(8-14) 9.989126 入口烟气速度w1 m/s - 11.084577 出口烟气速度w2 m/s - 9.1322538 烟气通道面积Fx m2 CAD查询.4369 出口烟气量Vy2 m3/h - 8.87211310 入口标准烟气量VY01 Nm3/h - 8600.63411 出口标准烟气量VY02 Nm3/h - 9117.33912 沿程阻力Pc Pa - 497.47813 烟气导热系数 a W/m.℃表B9 .040054714 烟气运动粘度v m2/s 表B9 3.269E-0515 烟气普朗特数Pr - 表B9 .61028916 对流换热系数ad W/m.℃式(8-27) 70.8863417 辐射换热系数af W/m.℃式(8-44) 5.61013518 传热系数kcr W/m.℃式(8-1) 53.5475319 烟气侧放热量Qrp kJ/kg 式(8-2) 1099.7420 传热量Qcp kJ/kg 式(8-1) 1099.74121 对流传热有效系数psi - 设计取值.722 R2O辐射减弱系数ktri - 式(5-19) 1.90017823 管壁黑度ab - 设计取值.824 烟气黑度ag - 式(8-45) .346309625 管灰壁热阻系数hrz m2.℃/W 设计取值.0025826 管灰壁温度差dtb ℃程序计算17.9984727 管壁计算温度tb ℃式(8-49) 97.9984728 热流密度qm W/m2 程序计算6976.15229 烟气与介质最大温差dtmax ℃式(8-51) 18330 烟气与介质最小温差dtmin ℃式(8-51) 88.8111631 平均温压dt ℃式(8-51) 130.279732 烟气计算温度tyj ℃式(8-23) 210.279733 管间有效辐射层厚度s m 式(8-48) .223727234 管子外径dw mm 计算取值5135 横向节距s1 mm 计算取值10036 纵向节距s2 mm 计算取值12037 纵向管排数z2 - 计算取值5038 横向相对节距sgma1 - S1/d 1.96078439 纵向相对节距sgma2 - S2/d 2.35294140 管排几何布置系数Cs Cs - 式(8-25) 141 纵向管排布置系数Cz Cz - 式(8-26) 142 工质温度tj ℃饱和蒸汽表8043 冷空气温度tlk ℃设计取值2044 冷空气焓Ilk KJ/kg 焓温表131.033845 入口空气系数kq1 - 设计取值 1.646 漏风系数dkq - 设计取值.147 出口空气系kq2 - 设计取值 1.748 固体不完全燃烧损失q4 % 设计取值849 锅炉散热损失q5 % 设计取值 1.750 锅炉热效率XL % 热平衡计算结果7951 保热系数Br - 热平衡计算结果.978934352 燃料耗量 B kg/h 热平衡计算结果111753 计算燃料量Bj kg/h 热平衡计算结果1027.6454 理论空气量V0 Nm3/kg 式(3-7) 4.94840955 二氧化物容积VR Nm3/kg 式(3-20) .906036356 理论氮气量VN Nm3/kg 式(3-19) 3.91620357 理论水蒸汽容积VH Nm3/kg 式(3-21) .530219458 实际水蒸汽容积VS Nm3/kg 式(3-23) .582004559 实际烟气量Vy Nm3/kg 式(3-22) 8.62070960 水蒸汽容积份额rh - 式(3-25) 6.751236E-0261 三原子容积份额rq - 式(3-24) .172612362 管束吸收功率Qgl MW 程序计算.313927163 烟气密度m kg/m3 程序计算.757133864 烟气通道当量直径ddl m CAD查询.091365 雷诺数Re - 程序计算27896.5666 单排阻力系数z0 - 式(1-15) .263394667 总阻力系数zn - 式(1-14) 13.1697368 动压头Pyt Pa - 37.7743569 沿程阻力F_pc Pa - 497.478 SZBQ6-1.25-T锅炉烟风阻力计算书计算依据《工业锅炉设计计算标准方法》20031.炉膛序号项目符号单位公式及来源数值1.1 炉膛负压p1 Pa 设计选定202.流程1烟气通道阻力计算.序号项目符号单位公式及来源数值2.1 对流管直径dw mm 设计选定512.2 横向管距ss1 mm 设计选定1002.3 纵向管距ss2 mm 设计选定1052.4 纵向布管数量z2 - 设计确定272.5 横向相对节距sm1 - s1/dw 1.962.6 纵向相对节距sm2 - s2/dw 2.062.7 布管形状系数fsi - (s1-dw)/(s2-dw) .912.8 烟气通道面积fx m2 设计确定.62.9 通道当量直径dl m 设计确定94.52.10 入口烟气温度t1 ℃热力计算1043.832.11 出口烟气温度t2 ℃热力计算524.262.12 计算烟温tyj ℃热力计算743.722.13 烟气平均速度w m/s 式8-14 13.052.14 烟气平均密度myp kg/m3 热力计算.352.15 烟气运动粘度v Pa.s 程序查表.00011385 2.16 雷诺数Re - 上段计算10833229.08 2.17 烟气平均动压pd Pa 上段计算30.142.18 单排管阻力系数zo - 式1-15 .082.19 管程总阻力系数zn - zo*z2 2.162.20 管程阻力dpa Pa 式1-14 02.21 管壁工质温度tj ℃设计选取1942.22 烟温与工质最大温差tmax ℃t1-tj 849.832.23 烟温与工质最小温差tmin ℃t2-tj 330.262.24 平均温压dt ℃式8-51 549.722.25 计算烟温tyj ℃热力计算743.722.26 通道当量直径ddl m 式1-4 94.52.27 烟气入口调和面积ft1 m2 式1-13 .62.28 烟气入口转向角度af1 度设计902.29 烟气入口动压pd1 Pa 式1-6 39.032.30 烟气入口阻力系数zn1 - 1.4.4条 12.31 烟气入口阻力dp1 Pa 式1-6 39.032.32 烟气出口调和面积ft2 m2 式1-13 .62.33 烟气出口转向角度af2 度设计902.34 烟气出口动压pd2 Pa 式1-6 23.632.35 烟气出口阻力系数zn2 - 1.4.4条 12.36 烟气出口阻力dp2 Pa 式1-6 23.632.37 计算管程烟气总阻力dp Pa 式1-1 127.723.流程2烟气通道阻力计算.序号项目符号单位公式及来源数值3.1 对流管直径dw mm 设计选定513.2 横向管距ss1 mm 设计选定1003.3 纵向管距ss2 mm 设计选定1053.4 纵向布管数量z2 - 设计确定273.5 横向相对节距sm1 - s1/dw 1.963.6 纵向相对节距sm2 - s2/dw 2.063.7 布管形状系数fsi - (s1-dw)/(s2-dw) .913.8 烟气通道面积fx m2 设计确定.463.9 通道当量直径dl m 设计确定92.63.10 入口烟气温度t1 ℃热力计算524.263.11 出口烟气温度t2 ℃热力计算352.053.12 计算烟温tyj ℃热力计算427.673.13 烟气平均速度w m/s 式8-14 12.13.14 烟气平均密度myp kg/m3 热力计算.513.15 烟气运动粘度v Pa.s 程序查表.00006146 3.16 雷诺数Re - 上段计算18230405.15 3.17 烟气平均动压pd Pa 上段计算37.563.18 单排管阻力系数zo - 式1-15 .073.19 管程总阻力系数zn - zo*z2 1.953.20 管程阻力dpa Pa 式1-14 03.21 管壁工质温度tj ℃设计选取1943.22 烟温与工质最大温差tmax ℃t1-tj 330.263.23 烟温与工质最小温差tmin ℃t2-tj 158.053.24 平均温压dt ℃式8-51 233.673.25 计算烟温tyj ℃热力计算427.673.26 通道当量直径ddl m 式1-4 92.63.27 烟气入口调和面积ft1 m2 式1-13 .63.28 烟气入口转向角度af1 度设计903.29 烟气入口动压pd1 Pa 式1-6 25.123.30 烟气入口阻力系数zn1 - 1.4.4条 13.31 烟气入口阻力dp1 Pa 式1-6 25.123.32 烟气出口调和面积ft2 m2 式1-13 .63.33 烟气出口转向角度af2 度设计903.34 烟气出口动压pd2 Pa 式1-6 19.693.35 烟气出口阻力系数zn2 - 1.4.4条 13.36 烟气出口阻力dp2 Pa 式1-6 19.693.37 计算管程烟气总阻力dp Pa 式1-1 117.864.流程3烟气通道阻力计算.序号项目符号单位公式及来源数值4.1 对流管直径dw mm 设计选定514.2 横向管距ss1 mm 设计选定1004.3 纵向管距ss2 mm 设计选定1054.4 纵向布管数量z2 - 设计确定274.5 横向相对节距sm1 - s1/dw 1.964.6 纵向相对节距sm2 - s2/dw 2.064.7 布管形状系数fsi - (s1-dw)/(s2-dw) .914.8 烟气通道面积fx m2 设计确定.354.9 通道当量直径dl m 设计确定99.64.10 入口烟气温度t1 ℃热力计算352.054.11 出口烟气温度t2 ℃热力计算270.564.12 计算烟温tyj ℃热力计算306.424.13 烟气平均速度w m/s 式8-14 13.554.14 烟气平均密度myp kg/m3 热力计算.624.15 烟气运动粘度v Pa.s 程序查表.00004449 4.16 雷诺数Re - 上段计算30334194.01 4.17 烟气平均动压pd Pa 上段计算56.924.18 单排管阻力系数zo - 式1-15 .074.19 管程总阻力系数zn - zo*z2 1.76 4.20 管程阻力dpa Pa 式1-14 04.21 管壁工质温度tj ℃设计选取194 4.22 烟温与工质最大温差tmax ℃t1-tj 158.05 4.23 烟温与工质最小温差tmin ℃t2-tj 76.56 4.24 平均温压dt ℃式8-51 112.42 4.25 计算烟温tyj ℃热力计算306.42 4.26 通道当量直径ddl m 式1-4 99.6 4.27 烟气入口调和面积ft1 m2 式1-13 .35 4.28 烟气入口转向角度af1 度设计904.29 烟气入口动压pd1 Pa 式1-6 61.4 4.30 烟气入口阻力系数zn1 - 1.4.4条 14.31 烟气入口阻力dp1 Pa 式1-6 61.4 4.32 烟气出口调和面积ft2 m2 式1-13 .35 4.33 烟气出口转向角度af2 度设计904.34 烟气出口动压pd2 Pa 式1-6 53.4 4.35 烟气出口阻力系数zn2 - 1.4.4条 14.36 烟气出口阻力dp2 Pa 式1-6 53.4 4.37 计算管程烟气总阻力dp Pa 式1-1 214.785.烟气通道阻力汇总:序号项目符号单位公式及来源数值5.1 炉膛负压P0 Pa 设计选定205.2 流程1 P1 Pa 计算127.72 5.3 流程2 P2 Pa 计算117.86 5.4 流程3 P3 Pa 计算214.78 5.5 除尘器阻力pc Pa 制造厂提供1200 5.6 其它烟道阻力pq Pa 设计预选1000 5.7 总阻力Pa Pa 2681。
******公司75T/序号名 称 符 号 单 位a)烟气侧参数1入口温度T1'℃2出口温度T1”℃3体积流量V1Nm3/h4密度ρ1kg/m35质量流量M1kg/h6入口比热Cp1KJ/kg℃7回收热量Q1Kw8截面尺寸(长) a mm9截面尺寸(宽)b mm10入口截面积S㎡11原体积流速V1m/sb)水侧参数1入口温度T2’℃2出口温度T2”℃3流量M2kg/h4压力P2MPa5入口温度的焓h2'KJ/kg℃6出口温度的焓h2”KJ/kg℃7出口温度饱和蒸汽的焓h汽”KJ/kg℃8吸热量Q2Kw9出口饱和蒸汽的量M汽kg/h10出口水流量M水kg/h11原入口尺寸(根数*直径*壁厚)n×D×δmm*mn12入口截面积S2'm213160℃,5.0MPa水的密度ρ2kg/m314入口流速V2'm/s15换热管(根数×直径×壁厚)n×D×δmm×mm16原出口尺寸(根数×直径×壁厚)n×D×δmm×mm17出口截面积S2”m218250℃,5.0MPa水的密度ρ水kg/m319250℃,5.0MPa水的密度ρ汽kg/m320出口流速V2”m/s二、基本选择a)热管内工作温度估算1烟气入口处Tv'℃2烟气出口处Tv”℃b)观景和扩展面选择(单支热管参数)1热管外径d0mm2热管内径di mm3热管壁厚δmm4翅片外径d f mm5翅片高度H mm6翅片厚度ςmm7翅片中心距Y mm8烟气侧长度L1mm9绕翅片部分长L1’mm10烟气侧光管表面积S1’㎡11烟气侧翅片表面积S1”㎡12烟气侧翅化比β13水侧长度L2mm每组省煤器热管采取叉排,第一数排为奇数,且奇数排为14根,偶数排一水由150℃升温至225℃1热管间距t mm2第一排管传热面积A0’m23烟气进口温度t'℃4传热系数K0W/m2.℃5对数平均温差Δt℃6估算传热面积A0㎡7管子根数n 根8管子排数N排9水实际流量G2Kg/㎡·S二水由225℃变为225℃蒸汽1热管间距t mm2第一排管传热面积A0'㎡3烟气进口温度t'℃4传热系数K0W/m2.℃5对数平均温差Δt℃6估算传热面积A0㎡7管子根数n 根8管子排数N排*****公司35T/序号名 称 符 号 单 位a)烟气侧参数1入口温度T1'℃2出口温度T1”℃3体积流量V1Nm3/h4密度ρ1kg/m35质量流量M1kg/h6入口比热Cp1KJ/kg℃7回收热量Q1Kw8截面尺寸(长) a mm9截面尺寸(宽)b mm10入口截面积S㎡11原体积流速V1m/sb)水侧参数1入口温度T2’℃2出口温度T2”℃3流量M2kg/h4压力P2MPa5入口温度的焓h2'KJ/kg℃6出口温度的焓h2”KJ/kg℃7出口温度饱和蒸汽的焓h汽”KJ/kg℃8吸热量Q2Kw9出口饱和蒸汽的量M汽kg/h10出口水流量M水kg/h11原入口尺寸(根数*直径*壁厚)n×D×δmm*mn12入口截面积S2'm213160℃,5.0MPa水的密度ρ2kg/m314入口流速V2'm/s15换热管(根数×直径×壁厚)n×D×δmm×mm16原出口尺寸(根数×直径×壁厚)n×D×δmm×mm17出口截面积S2”m218250℃,5.0MPa水的密度ρ水kg/m319250℃,5.0MPa水的密度ρ汽kg/m320出口流速V2”m/s二、基本选择a)热管内工作温度估算1烟气入口处Tv'℃2烟气出口处Tv”℃b)观景和扩展面选择(单支热管参数)1热管外径d0mm2热管内径di mm3热管壁厚δmm4翅片外径d f mm5翅片高度H mm6翅片厚度ςmm7翅片中心距Y mm8烟气侧长度L1mm9绕翅片部分长L1’mm10烟气侧光管表面积S1’㎡11烟气侧翅片表面积S1”㎡12烟气侧翅化比β13水侧长度L2mm每组省煤器热管采取叉排,第一数排为奇数,且奇数排为29根,偶数排一水由150℃升温至225℃1热管间距t mm2第一排管传热面积A0’m23烟气进口温度t'℃4传热系数K0W/m2.℃5对数平均温差Δt℃6估算传热面积A0㎡7管子根数n 根8管子排数N排9水实际流量G2Kg/㎡·S二水由225℃变为225℃蒸汽1热管间距t mm2第一排管传热面积A0'㎡3烟气进口温度t'℃4传热系数K0W/m2.℃5对数平均温差Δt℃6估算传热面积A0㎡7管子根数n 根8管子排数N排司75T/H循环流化床锅炉热管省煤器设计计算书数据来源或公式结 果备注一、热平衡计算已知630.000已知220.000已知90000.000《热工手册》0.849M1=ρ1×V111650.000《热工手册》 1.160Q1=Cp1×M×(T1’-T1”)/360015397.600已知5600.000已知2120.000S=a×b/100000011.872已知已知150.000已知255.000已知78000.000已知 4.620《热工手册》632.000《热工手册》1110.400《热工手册》2797.350Q2=98 %×Q113857.840M汽=[3600×Q2-M2×(h2”-h2’)]/ (h汽”-h2”)4863.215M水=M2-M汽30136.785已知2×108×7S2'=0.785×(D-2δ)2/10000000.014《热工手册》910.000V2'=(M2/ρ2)/(3600×S2) 1.716已知31×38×3.5已知3×108×7S2”=0.785×(D-2δ)2×3/10000000.021《热工手册》780.000《热工手册》23.670V2”=(M水/ρ水+M汽/ρ汽)/(3600×S2”) 5.411Tv'=(T1'+nT2")/(1+n)330.000n选4 Tv”=(T1"+nT2')/(1+n)164.000n选4设计38.000设计31.000δ=(d0-d i)/2 3.500设计70.000H=(d f-d0)/216.000设计 1.200设计10.000设计2450.000设计2320.000S1=π×d0×L1/10000000.292S1=0.785×(d f2-d02)×2×(L1'+Y)/1000000 1.259β=(S1’+S1”)/S1’ 5.306设计1500.000数排为14根,偶数排为13根,则烟气侧迎风面奇数排热管根数n=14×3=42,偶数排热管根数n=13×3=39设计100.000A0’=π×d0L1×14/1000000 4.093496.000假定119.000Δt=[(T1’-T2”)-(T1”-T2’)]/Ln[(T1’-T2”)/(T1”-T2’)]138.400A0=Q2/K0Δt629.000n=A0/πd0L12273.000N=2273/4254.000G2=M2/0.016×36000.225设计100.000A0’=π×d0L1×14/10000000.000630.000假定Δt=[(T1’-T2”)-(T1”-T2’)]/Ln[(T1’-T2”)/(T1”-T2’)]303.000A0=Q2/K0Δt107.800n=A0/πd0L1389.500N=2273/4210.000数据来源或公式结 果备注已知630.000已知220.000已知45000.000《热工手册》0.849M1=ρ1×V158275.000《热工手册》 1.160Q1=Cp1×M×(T1’-T1”)/36007700.000已知3200.000已知1440.000S=a×b/1000000 4.608已知已知150.000已知255.000已知35000.000已知 4.620《热工手册》632.000《热工手册》1110.400《热工手册》2797.350Q2=98 %×Q16930.000三、估算和结构设计司35T/H循环流化床锅炉热管省煤器设计计算书一、热平衡计算M汽=[3600×Q2-M2×(h2”-h2’)]/ (h汽”-h2”)4863.215M水=M2-M汽30136.785已知2×108×7S2'=0.785×(D-2δ)2/10000000.014《热工手册》910.000V2'=(M2/ρ2)/(3600×S2)0.770已知31×38×3.5已知3×108×7S2”=0.785×(D-2δ)2×3/10000000.021《热工手册》780.000《热工手册》23.670V2”=(M水/ρ水+M汽/ρ汽)/(3600×S2”) 3.258Tv'=(T1'+nT2")/(1+n)330.000n选4Tv”=(T1"+nT2')/(1+n)164.000n选4设计38.000设计31.000δ=(d0-d i)/2 3.500设计70.000H=(d f-d0)/216.000设计 1.200设计10.000设计1600.000设计1450.000S1=π×d0×L1/10000000.191S1=0.785×(d f2-d02)×2×(L1'+Y)/10000000.787β=(S1’+S1”)/S1’ 5.121设计600.000三、估算和结构设计数排为29根,偶数排为28根。
依据《小火电手册》《锅炉房手册》一、理论空气量V0单位五、1贫煤、无烟煤V r<15%12.04Nm3/kg2烟煤V r>15%12.77Nm3/kg3劣质煤Qdwr<12500kj/kg12.13Nm3/kg低位发热量Qdwr50000kJ/kg过剩空气系数à 1.5漏风系数△à二、理论烟气量V0y单位六、清华简化公式1贫煤、无烟煤V r<15%52.77Nm3/kg烟煤2劣质煤Qdwr<12500kj/kg52.54Nm3/kg洛辛和弗林公式1固体燃料46.15Nm3/kg2燃油55.50Nm3/kg七、三、实际烟气量V0(à-1)+V0y=V y58.79Nm3/kg四、锅炉燃料消耗量B=Q r/Q dw r/η1B八、0kg/h锅炉总吸热量Q r=D(i''-i')0kJ/h锅炉效率η187锅炉蒸发量D kg/h蒸汽焓i''kJ/kg给水焓i'kJ/kg送风机计算计算结果风量Vg K*à*B*V0*101/b01当地大气压b101.32风量Hg K*∑⊿h f*(101/b)*(1.293/ρ0k)01风道总阻力∑⊿h f(书中Pg237)空气密度ρ0k引风机计算计算结果风量Vy K*∑V0y*B*(101/b)*((273+t p)/273)02风压Hy K*∑⊿h y*(101/b)*(1.293/ρ0y)*((273+tp)/273+200)02烟道总阻力∑⊿h f(书中Pg237)排烟温度t p150风机电动计算灰渣量计算G=B*(A y+q4*Q dw r/33913)/1000应用基灰分A y23机械未完全燃烧q410损失说明:黄色区域为变量输入区。
m3/h kPaPa Pam3/hPa Pa ℃t/h %%。
75t/h次高温次高压焦炉煤气锅炉技术协议依据双方意向,2×15MW发电项目2×75t/h次高温次高压焦炉煤气锅炉及附属设备订货事宜,经买卖双方友好协商,买受方同意供方承担该整套设备的制造供货、运输、指导安装调试及技术服务和培训事项。
除合同有关条款外,经双方授权代表进一步协商及明确,对设备技术方面确定如下协议:一、技术规范1总则1.1本技术协议适用于有限公司发电工程75t/h次高温次高压焦炉煤气锅炉及附属设备。
对设备的功能、设计、结构、性能、安装和试验等方面提出技术要求。
1.2买受方在本技术协议提出了最低限度的技术要求,并未规定所有的技术要求和适用的标准,出卖方将提供满足本技术协议和标准要求的高质量产品及其服务。
对国家有关安全、环保等强制性标准,均满足其要求。
1.3出卖方将执行本技术协议所列标准及相应的国家和行业相关技术要求和适用的标准。
有矛盾时,按较高标准执行。
1.4合同签定后按本技术协议的要求,出卖方将提出设备的设计、制造、检验/试验、装配、安装、调试、试运、试验、运行和维护等标准清单给买受方,由买受方确认。
2设计和运行条件2.1工程主要原始资料1)燃料特性:焦炉煤气体积组份序号名称符号单位体积比1 氧气O2% 0.4~0.82 氢气H2% 55~603 一氧化碳CO % 23~284 氮气N2% 3~55 二氧化碳CO2% 1.5~36 甲烷CH4% 23~287 C m H n% 2~4 热值:16720~17560KJ/Nm3含硫量低于150mg/ Nm32)燃料工况锅炉燃料设计工况为:100%焦炉煤气3)锅炉点火和启动用燃料锅炉点火和启动采用焦炉煤气4)气象、地质条件满足当地气象、地质条件:最低温度:-28℃,地震烈度:8度,海拔高度:100米,最大风力:20米/秒,最大降雨量:365.4毫米/日、1219.6毫米/年。
2.2设计、制造标准出卖方在采用设计制造标准和规范方面应采用下列规则,在标准、图纸、质量记录和操作手册上均采用国际单位(SI);设备铭牌按制造厂标准:制造标准和规范按下列标准执行,原则上可采用国家和企业标准,如采用国际标准,则所采用的标准应不低于国内标准,并可在锅炉设计、制造上优先采用已获准采用的国际先进标准。
锅炉设计计算书长春博信诚科技有限公司2016-11-22锅炉设计计算书设计题目:220t/h燃煤锅炉一、锅炉热力计算1.1锅炉校核计算主要内容1、锅炉辅助设计:这部分计算的目的是为后面受热面的热力计算提供必要的基本计算数据或图表。
2、受热面热力计算:其中包含为热力计算提供结构数据的各受热面的结构计算。
3、计算数据的分析:这部分内容往往是鉴定设计质量等的主要数据。
1.2、整体校核热力计算过程顺序1、列出热力计算的主要原始数据,包括锅炉的主要参数和燃料特性参数。
2、根据燃料、燃烧方式及锅炉结构布置特点,进行锅炉通道空气量平衡计算。
3、理论工况下(a=1)的燃烧计算。
4、计算锅炉通道内烟气的特性参数。
5、绘制烟气温焓表。
6、锅炉热平衡计算和燃料消耗量的估算。
7、锅炉炉膛热力计算。
8、按烟气流向对各个受热面依次进行热力计算。
9、锅炉整体计算误差的校验。
10、编制主要计算误差的校验。
11、设计分析及结论。
1.3、热力校核计算基本资参数1) 锅炉额定蒸汽量De=220t/h2)给水温度:t GS=215℃3)过热蒸汽温度:t GR=540℃4)过热蒸汽压力(表压)P GR=9.8MPa5)制粉系统:中间储仓式(热空气作干燥剂、钢球筒式磨煤机)6)燃烧方式:四角切圆燃烧7)排渣方式:固态8)环境温度:20℃9)蒸汽流程:一次喷水减温二次喷水减温10)烟气流程:炉膛→屏式过热器→高温对流过热器→低温对流过热器→高温省煤器→高温空预器→低温省煤器→低温空预器1.4、燃料特性:(1)燃料名称:平顶山烟煤(2)煤的收到基成分漏风系数和过量空气系数(3)确定锅炉的基本结构采用单锅筒∏型布置,上升烟道为燃烧室及凝渣管。
水平烟道布置两级悬挂对流过热器。
布置两级省煤器及两级管式空气预热器。
整个炉膛全部布满水冷壁,炉膛出口凝渣管簇由锅炉后墙水冷壁延伸而成,在炉膛出口处采用由后墙水冷壁延伸构成的折焰角,以使烟气更好的充满炉膛。
采用光管水冷壁。
75吨锅炉及6000Kwh背压发电机组方案1.循环水为100t/h反渗透脱盐水系统:可购买单套100t/h反渗透脱盐水整套系统。
藁城是5套150吨脱盐水装置(山东聊城的),新乐是由2套200吨、2套60吨的(旧设备搬迁)。
2.YG-75/3.82-M6型锅炉系统:2.1、锅炉结构简介本锅炉是自然循环水管锅炉。
额定负荷为75 t/h,锅炉采用了循环流化燃烧方式,可以燃用无烟煤、烟煤,也可以燃用褐煤等低热值燃料,燃烧效率达95%~99%,可通过向炉内添加石灰石降低二氧化硫的排放,锅炉由两支只旋风分离器组成的循环燃烧系统,炉膛为膜式水冷壁结构,过热器分高、低二级布置,中间设喷水减温器,尾部设二级省煤器和一、二次空气预热器等。
2.2、锅筒锅筒内径为1500mm,壁厚46mm,筒体全长8786mm,筒身由20﹟钢板卷焊而成,封头是用同种钢板冲压而成。
锅筒内部装有24个Φ290的旋风分离器作为汽水粗分离,在锅筒顶部布置有波形板分离箱作为细分离。
锅筒内正常水位在锅筒中心线下100mm处,最高、最低安全水位距正常水位各为75mm。
为提高蒸汽的品质,降低炉水的含盐浓度,锅筒上装有连续排污管和炉内水处理用的加药管,连续排污率为2%。
2.3、水冷系统炉膛、炉顶均由膜式水冷壁组成。
炉膛横截面为3170mm*5290mm,壁垒炉顶标高为28877mm膜式水冷壁由Φ60*5的钢管组成。
燃烧室上部与炉膛膜式水冷壁相接,下部与水冷风室及水冷布风板相接,内衬耐火材料。
水冷布风板由Φ60钢管6×45扁钢组焊而成,在扁钢上开有小孔与风帽相接。
炉膛部分分成左、右、前、后四个水循环回路,引汽管由Φ133×6及Φ108×4.5钢管组成,下降管由Φ108×4.5钢管组成,在每个下集箱装有排污阀门以便定期排污。
另在两个旋风分离器料腿处设置了环形水冷套,水冷套由Φ42×5异型钢管组成,每个水冷套单独组成水循环系统。
编制校对审核审定中华人民共和国2004年6月一.概述本产品为75t/h中温、中压循环流化床锅炉,采用近年发展起来的循环流化床燃烧技术,并根据无锡华光锅炉股份有限公司与国内著名院校多年合作开发循环流化床锅炉的经验,以及同类型循环流化床锅炉运行的成功经验基础上,完善了这一产品。
本产品结构简单、紧凑,与传统的煤粉炉炉型相似,锅炉本体由燃烧设备、给煤装置、床下点火装置、分离和返料装置、水冷系统、过热器、省煤器、空气预热器、钢架、平台扶梯、炉墙等组成。
二.锅炉参数额定蒸发量75t/h额定蒸汽压力 3.82MPa额定蒸汽温度450℃给水温度150℃排烟温度~ 145℃锅炉设计效率85~90%三.设计燃料1、煤种:烟煤、无烟煤、贫煤、褐煤、混煤等;收到基低位发热值Q net.ar=20934~23500KJ/Kg。
2、燃料颗粒度要求:煤为0~10mm;50%切割粒径d50=1.5mm;详见附图1注意事项:用户应按照附图1严格控制煤颗粒度的大小,以利于锅炉的正常燃烧和运行。
3、石灰石颗粒度要求:<2mm。
50%切割粒径d50=0.25mm;详见附图2四.锅炉各部分结构简述:1、燃烧装置:流化床布风板采用水冷布风板结构,有效面积为7.7m2; 布风板上布置了266只钟罩式风帽,风帽间风板上填保温混凝土和耐火混火混凝土。
空气分为一次风及二次风,一、二次风之比为60:40,一次风从炉膛水冷风室二侧进入,经布风板风帽小孔进入燃烧室。
二次风在布风板上高度方向分二层送入。
布风板上布置了二只Ф219的放渣管(每只放渣管另接一只Ф219事故放渣管),可接冷渣机(用户自理)。
水冷风室底部还布置了二只Ф108的放灰管,用于定期清除水冷风室中的积灰。
2、给煤装置本锅炉炉前布置了三只给煤管,煤通过给煤管送入燃烧室。
给煤管上布置有送煤风和播煤风,以防给煤堵塞。
送煤风接一次冷风,播煤风接一次热风,二股风合计约为总风量的4%,每只送风管、播煤风管应布置一只风门(设计院设计),以调节送煤风量。
75t/h循环流化床锅炉说明书(国外引进技术)目录一、概述二、锅炉技术经济指标1.锅炉规范2.设计燃料及石灰石3.技术参数4.主要尺寸及数据三、基本结构及工作流程1.0 水汽系统1.1 省煤器1.1.1 低温省煤器1.1.2 高温省煤器1.2 锅筒及内部装置1.3 蒸发管1.4 水冷壁及下降管1.4.1 前后水冷壁回路1.4.2 侧水泠壁回路1.5 过热器及减温器1.6 阀门及管道2.0 循环燃烧系统2.1 配套设备2.2 燃烧室2.3 旋风分离器2.4 回送装置给煤接口2.5 点火燃烧器3.0 烟风系统3.1 配套设备3.2 空气预热器3.3 一次风室及布风装置3.4 二、三次风装置4.0 固定支撑系统4.1 刚性梁及吊挂装置4.2 钢架及平台楼梯4.3 导向装置四、锅炉其它系统5.0 内衬及保温系统5.1 燃烧室内衬5.2 分离器及其它部位内衬5.3 炉墙及保温结构6.0 灰渣冷却系统6.1 水冷螺旋出渣机6.2 灰冷却器6.3 旋转排灰锁气器(旋转排灰阀)7.0 锅炉控制系统7.1 热工检测7.2 热工保护、联锁7.3 自动调节五、锅炉安装注意事项备注: 本说明书仅供选型参考, 最终数据以随机提供的说明书为准。
一、概述本锅炉是我厂采用引进技术,由本厂自行制造的北锅型循环流化床燃煤锅炉。
该炉具有高效、低磨损、中温分离、灰循环安全易控、运行可靠、启动迅速等突出优点。
锅炉为室内(外)布置,由前部及尾部两个竖井烟道组成。
前部竖井为悬吊结构,炉膛由膜式水冷壁组成,自下而上依次为一次风室、浓相床、悬浮段、蒸发管、高低温过热器及高温省煤器。
尾部竖井采用支承结构,布置有低温省煤器及管式空气预热器,两竖井之间由两个并列的旋风分离器相连通,分离器下部接回送装置及灰冷却器。
燃烧室及分离器内部均设有防磨内衬,前部竖井采用敷管炉墙,后部竖井采用轻型炉墙,由八根型钢柱承受锅炉全部重量。
锅炉采用床下点火,分级燃烧,一次风率为55%,正常运行时,密相区为湍流床,床温始终控制在860 oC左右,这样既有利于石灰石与燃料中的硫发生反应,达到最佳的脱硫效果,又造成了低温缺氧燃烧环境,降低了NOx的生成量。
75t/h循环流化床锅炉说明书(国外引进技术)目录一、概述二、锅炉技术经济指标1.锅炉规范2.设计燃料及石灰石3.技术参数4.主要尺寸及数据三、基本结构及工作流程1.0 水汽系统1.1 省煤器1.1.1 低温省煤器1.1.2 高温省煤器1.2 锅筒及内部装置1.3 蒸发管1.4 水冷壁及下降管1.4.1 前后水冷壁回路1.4.2 侧水泠壁回路1.5 过热器及减温器1.6 阀门及管道2.0 循环燃烧系统2.1 配套设备2.2 燃烧室2.3 旋风分离器2.4 回送装置给煤接口2.5 点火燃烧器3.0 烟风系统3.1 配套设备3.2 空气预热器3.3 一次风室及布风装置3.4 二、三次风装置4.0 固定支撑系统4.1 刚性梁及吊挂装置4.2 钢架及平台楼梯4.3 导向装置四、锅炉其它系统5.0 内衬及保温系统5.1 燃烧室内衬5.2 分离器及其它部位内衬5.3 炉墙及保温结构6.0 灰渣冷却系统6.1 水冷螺旋出渣机6.2 灰冷却器6.3 旋转排灰锁气器(旋转排灰阀)7.0 锅炉控制系统7.1 热工检测7.2 热工保护、联锁7.3 自动调节五、锅炉安装注意事项备注: 本说明书仅供选型参考, 最终数据以随机提供的说明书为准。
一、概述本锅炉是我厂采用引进技术,由本厂自行制造的北锅型循环流化床燃煤锅炉。
该炉具有高效、低磨损、中温分离、灰循环安全易控、运行可靠、启动迅速等突出优点。
锅炉为室内(外)布置,由前部及尾部两个竖井烟道组成。
前部竖井为悬吊结构,炉膛由膜式水冷壁组成,自下而上依次为一次风室、浓相床、悬浮段、蒸发管、高低温过热器及高温省煤器。
尾部竖井采用支承结构,布置有低温省煤器及管式空气预热器,两竖井之间由两个并列的旋风分离器相连通,分离器下部接回送装置及灰冷却器。
燃烧室及分离器内部均设有防磨内衬,前部竖井采用敷管炉墙,后部竖井采用轻型炉墙,由八根型钢柱承受锅炉全部重量。
锅炉采用床下点火,分级燃烧,一次风率为55%,正常运行时,密相区为湍流床,床温始终控制在860 oC左右,这样既有利于石灰石与燃料中的硫发生反应,达到最佳的脱硫效果,又造成了低温缺氧燃烧环境,降低了NOx的生成量。
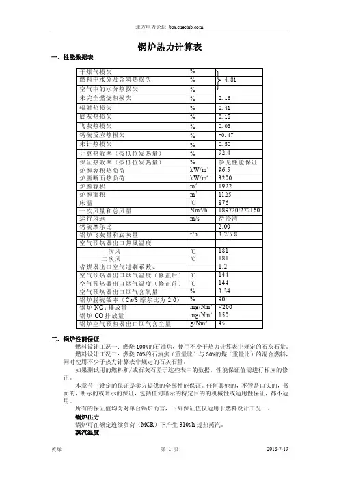
第一节热力计算汇总1.煤质资料
2.受热面结构尺寸
3.锅炉设计参数
4.热损失及热负荷(设计煤种)
注:
1.热负荷按燃料低位热值,不含风热计算
2.燃烧器投运层数是从下而上。
5.介质温度(设计煤种)
6.烟气温度
7.烟气平均流速(设计煤种)
8.吸热量
9.烟、空气流量(设计煤种)
10.空气温度(设计煤种)
11.锅炉设计参数(校核煤种)
12.热损失及热负荷
注:
1.热负荷按燃料低位热值,不含风热计算
2.燃烧器投运层数是从下而上。
15.烟气平均流速(校核煤种)
16.吸热量(校核煤种)
17.烟、空气流量(校核煤种)
18.空气温度(校核煤种)。
75t循环流化床锅炉详细参数说明书****************循环流化床锅炉采购项目投标文件目录技术部分一、太锅集团开发的低耗能CFB技术介绍 · 4二、技术规范 (9)1、总则 (9)2、货物需求一览表 (9)三、技术规格 (10)1、锅炉安装条件 (10)2、锅炉运行条件 (10)3、锅炉主要技术数据 (10)4、技术部分内容 (20)5、专题论述 (27)6、包装及运输 (37)7、验收和保管 (37)8、锅炉保证值条件 (37)四、供货范围 (39)1、一般要求 (39)2、供货范围 (39)五、技术资料及交付进度 (42)1、投标书文件与图纸资料 (42)2、配合电站设计提供的资料与图纸 (42)六、设计说明书 (44)1、前言 (46)2、锅炉设计条件及性能数据 (46)3、锅炉总体及系统 (48)4、主要部件 (53)5、防磨措施 (57)6、密封 (57)7、严密性试验 (58)8、锅炉安装及运行要求 (58)9、特别说明 (58)附:太锅集团75T/H产品图纸技术部分TGJT太原锅炉集团开发的低能耗循环流化床技术介绍太锅集团和清华大学合作,深入分析了常规循环流化床锅炉面临的问题和挑战,提出了低能耗循环流化床锅炉设计理论和方法,形成了低能耗循环流化床锅炉全套设计导则,完成了低能耗循环流化床锅炉的产品结构设计,首台低能耗产品在山西离石大土河热电厂已运行两年,运行结果及测试数据均表明,低能耗能型循环流化床锅炉与常规产品比较:节电30%以上节煤3-6%性能优异,可靠性高,连续运行时间为5000h,年运行时间8000h.低能耗型循环流化床锅炉代表了流化床技术发展的最新方向,该技术在我公司75t/h级别、130t/h级别、220t/h级别以及更大容量循环流化床锅炉都得到了应用,显示出强大的技术优越性。
一、CFB锅炉面临的问题和对策1.CFB锅炉三大突出优点CFB锅炉相比煤粉炉而言,具有燃料适应性广、环保性能优异、负荷调节范围宽广三大突出优点,正是凭借这些技术优势,近二十年来,循环流化床燃烧技术得到飞速发展,在国内中小容量锅炉机组中取得了不可替代的市场地位,成为了国际上公认的商业化程度最好的洁净煤燃烧技术。