充电宝容量测试
- 格式:docx
- 大小:18.12 KB
- 文档页数:2
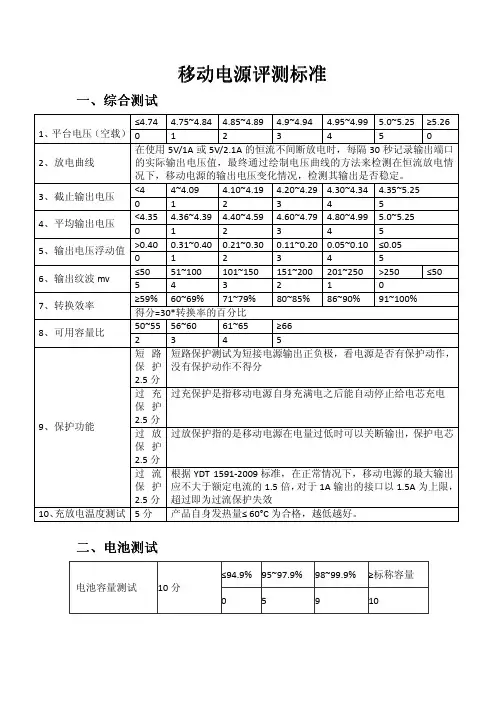
移动电源评测标准一、综合测试1、平台电压(空载)≤4.74 4.75~4.84 4.85~4.89 4.9~4.94 4.95~4.99 5.0~5.25 ≥5.26 0 1 2 3 4 5 02、放电曲线在使用5V/1A或5V/2.1A的恒流不间断放电时,每隔30秒记录输出端口的实际输出电压值,最终通过绘制电压曲线的方法来检测在恒流放电情况下,移动电源的输出电压变化情况,检测其输出是否稳定。
3、截止输出电压<4 4~4.09 4.10~4.19 4.20~4.29 4.30~4.34 4.35~5.25 0 1 2 3 4 54、平均输出电压<4.35 4.36~4.39 4.40~4.59 4.60~4.79 4.80~4.99 5.0~5.25 0 1 2 3 4 55、输出电压浮动值>0.40 0.31~0.40 0.21~0.30 0.11~0.20 0.05~0.10 ≤0.05 0 1 2 3 4 56、输出纹波mv ≤50 51~100 101~150 151~200 201~250 >250 ≤50 5 4 3 2 1 07、转换效率≥59% 60~69% 71~79% 80~85% 86~90% 91~100% 得分=30*转换率的百分比8、可用容量比50~55 56~60 61~65 ≥66 2 3 4 59、保护功能短路保护2.5分短路保护测试为短接电源输出正负极,看电源是否有保护动作,没有保护动作不得分过充保护2.5分过充保护是指移动电源自身充满电之后能自动停止给电芯充电过放保护2.5分过放保护指的是移动电源在电量过低时可以关断输出,保护电芯过流保护2.5分根据YDT 1591-2009标准,在正常情况下,移动电源的最大输出应不大于额定电流的1.5倍,对于1A输出的接口以1.5A为上限,超过即为过流保护失效10、充放电温度测试5分产品自身发热量≤ 60°C为合格,越低越好。
移动电源产品测试验证状态项目名称:产品型号:产品阶段:□初样阶段□正样阶段□试产阶段□量产阶段测试验证时间及验证状态:验证开始时间:验证结束时间:产品最新验证状态图:(例如)验证中出现的严重问题:移动电源测试规范1:目的:规范移动电源的测试,包括测试项目、测试条件、测试方法以及判定标准。
2:使用范围:适用于欣旺达研发中心研发一部所有的移动电源项目的测试。
3:参考标准:《移动电源通用规范》《EN55022-2006》《GB-18287-2000》《GJB4477-2002》《EN61000-4-2》《IEC61000-4-2》《IEEE1725-2006》《UL1642安全标准》测试仪器、测试工具、测试环境:测试仪器:测试工具:实验室所有的测试工具。
测试环境:测试实验室、环境实验室。
目录一:常规电气性能测试(必测)1.1:保护性能测试1.2:输入电压范围测试1.3:输出电压测试1.4:负载调整率测试1.5:静态电流测试1.6:动态负载测试1.7:过流测试1.8:短路测试1.9:容性负载测试1.10:充放电效率测试1.11:输出纹波测试1.12:充电转灯测试1.13:放电转灯测试1.14:充电特性测试1.15:放电特性测试1.16:开关按键测试1.17:放电容量转换效率测试1.18:充放电时间测试二:安规测试(只测试温升)2.1:温升测试三:ESD测试3.1:静电放电测试四:环境测试(需测试)4.1:高温存储测试4.2:低温存储测试4.3:高温运行测试4.4:低温运行测试4.5:恒定湿热测试4.6:高低温冲击测试五:EMC测试(根据客户要求,无要求可不测)5.1:辐射测试六:可靠性测试(在测试中心做各种跌落、撞击、老化等测试)一:常规电气性能测试1.1:保护性能测试:1:测试目的:检测移动电源的过充、过放保护电压以及延迟时间能否满足规格书的要求,同时记录保护的电压值和相应的延迟时间。
2:测试设备:a :安捷伦万用表b :安捷伦直流电源c :泰克示波器3:测试方法:a :将保护板的B+、B-分别接上电源的正负极;b :把示波器的电压探头一接到保护IC的Co、Do脚和地,电压探头二接上保护 IC的VDD端,调节电源电压直至保护;C :记录测试数据和保存测试波形。
移动电源评测之十五:小米10400mAh评测超能网小米10400mAh移动电源直到去年12月份,小米发布了一款容量为10400mAh的移动电源(NDY-02-AD),使用铝合金外壳、LG\三星电芯和TI的电源管理芯片,配置和小米手机一样高但售价仅有69元,雷军似乎有意将'期货模式'搬到移动电源领域。
当然这款小米移动电源也继承了小米产品的特点——非常难抢,最后我们花了88元才在天猫奸商买了回来。
<*albumx(31437)*>小米10400mAh这款移动电源在造型上是非常简约的,相比以前使用小米惯用的纸盒包装,这一次使用了“仿苹果”包装线路就使得产品看起来高大上。
但小米移动电源本身的接缝、字体的印刷色彩都还有提高的空间,雷军表示今年将会供应2000万个移动电源,看到时候是否会调整模具来修复这些小问题。
小米10400mAh移动电源的宽度略大,虽然能单手握持,但如果习惯于和手机叠放拿在手上,那么手感还是要差一些的(也就是说太方,如果是3节18650电芯的宽度就差不多了)。
另外,I/O接口的塑料平面和铝合金外壳之间的缝隙略大,不过考虑到这款电源标价只需要69,这么要求已经是高了。
小米10400mAh移动电源规格小米10400mAh移动电源拆解小米10400mAh移动电源上下的塑料片都使用双面胶固定,3个卡扣主要只起到定位的作用I/O接口这一面也是一样,揭开塑料片之后看到内部模具使用螺丝固定两片塑料片上,小心拆卸,不弄坏还是可以还原卸掉螺丝,拆下电源底部的模具后可以发现内面贴有一层棉垫4节电芯的负极倒是没有单独作绝缘处理电芯,电芯的两边各贴了一段减震垫,但电芯两极的绝缘处理还是不够妥当小米移动电源使用4节LG LGABB41865电芯,3.6V/2600mAh,累计10400mAh/37.44Wh,LG/三星电芯离松下/三洋电芯还是有那么一段距离的。
电芯中间贴有一个温度探头。
第1篇一、前言随着科技的飞速发展,电子产品在人们的生活中扮演着越来越重要的角色。
充电作为电子产品的必备功能之一,其性能的优劣直接影响到用户体验。
为了确保充电产品的质量,我作为一名充电测试工程师,在过去的几年里,始终秉持着严谨负责的态度,对充电产品进行了全方位的测试。
现将我的充电测试工作总结如下:二、工作内容1. 充电器测试- 外观检查:对充电器的外观进行检查,确保其表面无明显划痕、变形等缺陷。
- 接口测试:测试充电器接口的接触是否良好,是否存在松动、氧化等现象。
- 输出功率测试:测试充电器的输出功率是否符合产品规格要求。
- 转换效率测试:测试充电器的转换效率是否符合产品规格要求。
- 温升测试:测试充电器在长时间工作后的温升是否符合产品规格要求。
2. 数据线测试- 外观检查:对数据线的材质、编织方式进行检查,确保其耐用性。
- 线径测试:测试数据线的线径是否符合产品规格要求。
- 抗拉强度测试:测试数据线的抗拉强度是否符合产品规格要求。
- 传导性能测试:测试数据线的传导性能是否符合产品规格要求。
3. 移动电源测试- 外观检查:对移动电源的外观进行检查,确保其表面无明显划痕、变形等缺陷。
- 容量测试:测试移动电源的容量是否符合产品规格要求。
- 输出功率测试:测试移动电源的输出功率是否符合产品规格要求。
- 转换效率测试:测试移动电源的转换效率是否符合产品规格要求。
- 保护功能测试:测试移动电源的保护功能是否正常,如过充保护、过放保护、短路保护等。
4. 充电宝测试- 外观检查:对充电宝的外观进行检查,确保其表面无明显划痕、变形等缺陷。
- 容量测试:测试充电宝的容量是否符合产品规格要求。
- 输出功率测试:测试充电宝的输出功率是否符合产品规格要求。
- 转换效率测试:测试充电宝的转换效率是否符合产品规格要求。
- 保护功能测试:测试充电宝的保护功能是否正常,如过充保护、过放保护、短路保护等。
三、工作成果1. 提高产品质量:通过严格的充电测试,发现并解决了充电产品中存在的质量问题,提高了产品的整体质量。
充电宝测试标准充电宝的测试标准主要包括以下几个方面:1. 外观及标识:检查充电宝的外观是否完好,标识是否清晰、易于理解。
2. 接口:检查充电宝的接口是否符合标准,是否易于连接。
3. 有效输出容量:测试充电宝的实际输出容量是否符合标称容量。
4. 容量保持能力:测试充电宝在持续充放电过程中的容量保持情况。
5. 循环寿命:测试充电宝在多次充放电后的性能衰减情况。
6. 转换效率:测试充电宝的能量转换效率,即充电宝充满电后能够提供多少电量给设备。
7. 输出电压:测试充电宝的输出电压是否稳定,是否符合设备的充电需求。
8. 纹波和杂讯:测试充电宝的输出纹波和杂讯是否在允许范围内。
9. 充电状态下的电源适应性:测试充电宝在设备处于充电状态下的适应性,如设备是否可以正常使用,充电宝是否过热等。
10. 过充电保护:测试充电宝在电池充满时是否能够自动停止充电,以避免电池过充损坏。
11. 过放电保护:测试充电宝在电池电量过低时是否能够自动停止放电,以避免电池过放损坏。
12. 短路保护:测试充电宝在发生短路时是否能够自动切断输出,以避免设备损坏和人身安全问题。
13. 过载保护:测试充电宝在负载过重时是否能够自动切断输出,以避免设备损坏和人身安全问题。
14. 误操作保护:测试充电宝在误操作时是否能够自动保护,如在使用过程中将充电宝放在水中或其他恶劣环境中。
15. 整机电气安全:测试充电宝的整体电气安全性能,如耐压、绝缘等性能。
16. 材料阻燃:测试充电宝的外壳和内部材料是否具有阻燃性能,以降低火灾风险。
17. 应力消除:测试充电宝在受到外力作用时是否会产生形变、断裂等问题,以确定其结构稳定性。
18. 受限制电源:测试充电宝是否对某些受限制的电源进行识别并避免使用,如一些假冒伪劣电源。
19. 高温充放电:测试充电宝在高温环境下的充放电性能以及温度控制能力。
20. 无线电骚扰:测试充电宝在使用过程中是否会对周围电子设备产生无线电骚扰。
充电宝老化测试标准
充电宝老化测试是指对充电宝进行一系列严格的试验和测试,以模拟充电宝在长期使用过程中可能发生的各种情况,以确保其性能和安全性能的稳定。
以下是充电宝老化测试的一些常见标准和要求:
1. 充电循环测试:将充电宝进行多次循环充放电,以评估其电池循环寿命和容量衰减情况。
一般要求进行1000次以上的循环测试。
2. 高低温测试:将充电宝置于高温和低温的环境中,测试其在极端温度条件下的工作性能、充电和放电能力以及电池寿命表现。
3. 落地测试:在不同角度和高度下将充电宝从特定高度的位置上落地,测试其在跌落过程中是否会出现损坏、电池短路等现象。
4. 过充、过放测试:通过控制充电和放电电流和时间,对充电宝进行过充和过放测试,以验证其在异常充电、放电情况下的安全性能。
5. 外部力测试:施加不同的外部力,如挤压、冲击等,测试充电宝外壳的强度和防护能力。
6. 充电速度测试:测试充电宝的充电速度和效率,以评估其充
电功率和充电效果。
7. 过载测试:在设定的输出负载上进行长时间的工作,以评估充电宝在大电流输出时的稳定性和散热性能。
以上是充电宝老化测试的一些常见标准和要求,具体的测试内容和标准可能根据不同的厂商和产品有所差异。
在进行老化测试之前,需要根据产品的设计和规格,制定相应的测试方案和标准,以确保充电宝的质量和安全性能符合要求。
充电宝检测报告怎么办理?充电宝测试项目
充电宝其实就是方便易携带的大容量随身电源,相当于一个充电器和备用电池的混合体,相比备用电源而言可以简化一个充电插头的装置,而相比于充电器它又自身具有存电装置,可以在没有直电源或外出时给数码产品提供备用电源。
充电宝检测标准:
GB 4943.1-2011 信息技术设备安全第1部分:通用要求
GB/T 35590-2017-信息技术便携式数字设备用移动电源通用规范
充电检测项目:
1.外观及标识
2.接口
3.有效输出容量
4.容量保持能力
5.循环寿命
6.转换效率
7.输出电压
8.纹波和杂讯
9.充电状态下的电源适应性
10.过充电保护
11.过放电保护
12.短路保护
13.过载保护
14.误操作
15.整机电气安全
16.电池和电池组
17.材料阻燃
18.应力消除
19.受限制电源
20.高温充放电
21.无线电骚扰
22.抗扰度
23.恒定湿热
24.温度循环
25.振动
26.碰撞
27.自由跌落
28.限用物质限量
办理充电宝检测流程:
1、项目申请——向检测机构监管递交申请。
2、资料准备——根据要求,企业准备好相关的认证文件。
3、产品测试——企业将待测样品寄到实验室进行测试。
4、编制报告——认证工程师根据合格的检测数据,编写报告。
5、递交审核——工程师将完整的报告进行审核。
6、签发证书——报告审核无误后,颁发报告。
充电宝测试标准充电宝测试标准是指对充电宝的性能和质量进行评估和验证的一系列测试和标准。
以下是关于充电宝测试标准的详细介绍。
一、外观检查1.外观尺寸:检查充电宝的尺寸是否符合规定要求;2.外观工艺:检查充电宝的外观是否平整,无明显划痕、毛刺等;3.外观颜色:检查充电宝的颜色是否均匀、美观。
二、电池性能测试1.容量测试:测定充电宝的实际容量是否符合标称容量;2.循环充放电测试:通过连续进行多次充放电循环,检测充电宝的循环使用性能;3.充电效率测试:测量从电源到充电宝再到充电设备的整个充电过程中的能量损失;4.短路保护测试:模拟短路情况,检测充电宝是否能及时断开电路,保护充电设备和充电宝本身。
三、充电宝性能测试1.输入输出电流测试:测量充电宝的输入输出电流是否符合规定要求;2.输出电压测试:测量充电宝的输出电压是否稳定,并在正常范围之内;3.输出保持时间测试:测试充电宝在不同负载下的输出保持时间;4.充电速度测试:测试充电宝的充电速度是否满足需求;5.自放电率测试:测量充电宝的自放电率,即充电宝在长时间不使用时电量的消耗情况。
四、安全性能测试1.温升测试:测试充电宝在正常使用状态下的温度升高情况;2.过充过放测试:模拟充电宝充电和放电时的过充和过放情况,检测充电宝的过充过放保护性能;3.短路保护测试:模拟充电宝的短路情况,测试充电宝的短路保护性能;4.过流保护测试:模拟充电宝输出过大电流情况,测试充电宝的过流保护性能;5.电池高温测试:将充电宝置于高温环境下,测试充电宝的高温工作性能和安全性。
五、环境适应性测试1.低温测试:将充电宝置于低温环境下,测试充电宝的低温工作性能;2.高温测试:将充电宝置于高温环境下,测试充电宝的高温工作性能;3.湿度测试:将充电宝置于高湿度环境下,测试充电宝的湿度适应性。
六、其他测试1.充电宝的兼容性测试:测试充电宝与各类充电设备之间的兼容性;2.充电宝的使用寿命测试:通过对充电宝进行长时间使用模拟测试,评估其使用寿命。
cb移动电源过充电测试方法今天咱们来唠唠CB移动电源过充电测试方法。
咱先得搞清楚啥是过充电。
简单说呢,就是给移动电源充太多电啦,超过它正常能容纳的量。
这可有点危险呢,就像人吃太多会撑着一样,移动电源过充可能会鼓包、发热,甚至爆炸,所以这个测试很重要哦。
那咋测试呢?一般呀,咱得有个合适的测试环境。
找个温度比较稳定的地方,不能太冷也不能太热,就像咱人感觉舒服的那种温度环境,大概25摄氏度左右就挺不错的。
然后呢,咱得有专门的测试设备。
比如说一个能精确控制充电电流和电压的充电器。
把移动电源和这个充电器连接好,就像给手机充电那样。
接下来开始充电啦。
这个时候要密切关注移动电源的状态哦。
看看它有没有开始发热,要是有点温温的,先别慌,这可能是正常充电的小发热。
但是如果热得有点烫手,那就得小心啦。
在充电过程中,还要注意移动电源的电量显示。
正常情况下,它的电量应该是慢慢增加,直到达到它标注的最大电量。
但是如果电量显示开始乱跳,或者超过了最大电量还在往上走,那可能就是过充电的迹象喽。
还有哦,要看看移动电源的外观有没有啥变化。
要是它开始有点鼓起来,就像气球被吹了一点气似的,那可千万要停止充电啦,这就是过充电可能带来的不良后果。
另外呢,在测试的时候,最好能记录下充电的时间、电流、电压这些数据。
这样如果有啥问题,咱们就能更清楚地知道是哪里出状况了。
宝子们,CB移动电源过充电测试虽然有点小复杂,但为了安全,咱还是要认真对待的。
可不能让这个小小的移动电源变成个“小炸弹”呀。
希望大家都能安全地使用移动电源哦。
电来也户外电源测评户外电源是一个很实用的设备,特别适合户外活动使用。
在野外,电力资源往往有限,使用户外电源可以帮助我们充电以保持电力充足。
那么如何选择一款合适的户外电源呢?接下来就为大家进行一款户外电源的测评。
本次测评的户外电源是来也户外电源,该产品外观简洁大方,颜色搭配合理,具有一定的美感。
产品采用了ABS材质,手感舒适,表面有防滑处理,方便携带。
整个电源只有一个输入接口和四个输出接口,接口设计得合理,能够满足大部分充电需求。
首先,我们来测试一下来也户外电源的容量和输出功率。
经过测试,该电源的容量为20000mAh,能够满足大部分户外需求。
充满电后,在输出功率方面,输出电压稳定,能够满足多种设备的充电需求。
接下来,我们测试一下来也户外电源的充电速度。
首先,我们使用充电宝自带的充电线连接手机和电源,开始充电。
经过测试,发现充电速度相对较快,大约每分钟充电1%。
接着,我们将来也户外电源本身连接电源插头进行充电,充电速度更快,每分钟充电2%。
另外,重点来了,我们测试了一下来也户外电源的充电效率。
我们使用多种设备,如手机、相机、平板等,对电源进行测试。
通过测试发现,充电时电压稳定,没有出现明显的波动现象,充电效果一直很好。
电源的输出功率稳定,可以提供稳定的电流和电压给设备充电,大大减少了因为电压过大或者电流不稳定而对设备造成的损害。
此外,我们还采取了一些极端的情况进行测试。
比如,在户外环境下,我们给电源暴晒几个小时,然后再进行充电测试。
测试结果显示,电源的性能没有受到明显的影响,充电效果依然良好。
另外,我们还给电源进行了一些撞击测试,结果电源外表并未发生明显的变化,仍然继续正常工作。
最后,我们还对来也户外电源的重量和携带方便性进行了测试。
经过测试发现,该电源重量适中,手拿起来没有什么负担,很适合携带出去使用。
另外,电源的体积合理,不占用太大的空间,方便携带。
总之,经过我们的测试,来也户外电源在容量、充电速度、充电效率、稳定性以及携带方便性等方面表现良好。
22款充电宝评测揭秘,实际容量可能只有⼀半!春天到了,⼜到了出游拍照的季节了。
春游踏青必备充电宝,但是就怕⼿机拍着拍着突然没电啦!别担⼼!超级⽆敌贴⼼boy贾电佬夜以继⽇、辗转反侧,为你的⼿机精⼼策划了这场⽐武招亲相亲⼤会,精挑细选了22位充电宝供你选择!22款充电宝分别来⾃某宝⽹和某东⽹的推荐,以及两位来⾃⽤户的强烈求测推荐。
本栏⽬由放⼼选独家赞助冠名播出,栏⽬信息真实有效。
罗马仕Sense9宣称2万5千毫安、紫⽶QB820宣称1万5千毫安,其余20款充电宝宣称2万毫安,同时对⽐实际容量不公平,故将⽤户求测的这两款充电宝列为陪跑选⼿,单独说明。
着急看榜单戳这⾥放⼼选+充电宝评测红⿊榜⼩程序相亲⼤会各凭本事,结果有⼈欢喜有⼈忧。
本着认真负责的态度,我们从“安全感”、“内涵”以及“⾝材”三个⽅⾯对男嘉宾进⾏筛选,优中择优。
接下来实况回顾多图预警第⼀要求:踏实给⼈安全感别整那些有的没的,来参加评测,最重要的是给⼈安全感,质量安全必须过关。
今年2⽉,⼀架由⼴州飞往上海的航班在乘客登机时放置在⾏李舱的充电宝起⽕,处置及时未造成严重损害。
充电宝质量安全⾄关重要,外表再好看安全不过关贾电佬也绝不推荐!▲其他17款充电宝安全检测全部过关经过贾电佬缜密调查,发现魔睿、倍思、亿觅和以诺这⼏位男嘉宾连国标安全检测都不过关?价值399元的飞利浦居然过不了国标跌落质量测试?顺便扒了扒以诺的检测报告,实测容量只有9825mAh...再见,再也不见。
哼,有质量问题、安全隐患还想追姑娘?门⼉都没有,来⼈,抬⾛~具体检测过程附在⽂章末尾,感兴趣的⼩伙伴使劲往下滑!第⼀轮筛选过后场上还剩17位男嘉宾,⼤家要加油喽,千万不要抱着侥幸的⼼理哦。
第⼆要求:有内涵不说谎▲充电宝实际输出容量测试现场到测试充电宝实际容量环节,导演组⼼态爆炸,发现场上的17位选⼿竟然都不到2万毫安?最⾼才15590毫安。
看到这,你是不是想说:哎?说好的2W毫安呢?怎么都不到,这是虚假宣传啊!先别急,让贾电佬给你娓娓道来~▲拿⼩⽶2C举个栗⼦| 电池容量≠实际容量⼤红框“20000mAh”为⼩⽶电池容量,可以理解为理论容量、电池芯容量。
充电宝容量检测方法
充电宝的容量可以通过以下几种方法进行检测:
1. 标签信息:充电宝通常会在外包装或本体上标注容量信息,可以直接查看标签上的容量数值。
2. 使用电表检测:将充电宝连接到一个电表上,通过记录放电的时间和电流值,计算电荷量(Q=I*t),即可得到大致容量。
3. 使用专业测试仪器:市面上有一些专业的充电宝容量测试仪器,可以精确测试充电宝的容量,如恒流放电法。
4. 使用手机App:有些充电宝品牌提供了相应的手机App,可以通过连接充电宝并运行App,查看充电宝的容量信息。
需要注意的是,这些方法只能得到大致的容量数值,实际容量可能会受到多个因素的影响,如充电宝的损耗、环境温度等。
如果需要准确的容量信息,建议使用专业设备进行测试。
小型用具测评报告范文1. 引言本报告针对市场上的小型用具进行评测,根据产品的功能、质量、设计等方面进行综合评估,以便消费者选择合适的小型用具。
本次评测选择了市场上最受欢迎的三种小型用具进行测评,包括便携式充电宝、迷你照相机和智能手环。
2. 产品综合评估2.1 便携式充电宝便携式充电宝是近年来非常流行的小型用具。
我们从电池容量、充电速度、外观设计和充电效率等方面对充电宝进行评估。
2.1.1 电池容量我们选取了三款充电宝分别为A、B和C进行比较,它们的电池容量分别为5000mAh、10000mAh和20000mAh。
经过测试,A款充电宝能够满足一次手机充电需求,B款充电宝能够满足两次手机充电需求,而C款充电宝则能够满足四次手机充电需求。
因此,如果需要长时间外出或经常用手机充电的用户推荐选择C款充电宝。
2.1.2 充电速度我们通过测试发现,充电宝的充电速度与其电池容量和输出电流有关。
在我们的测试中,C款充电宝具有较高的充电电流,因此能够更快地给手机或其他设备充电,满足用户的急需。
2.1.3 外观设计外观设计是用户购买充电宝时考虑的重要因素之一。
经过评估,A款充电宝采用简约设计,适合商务人士使用;B款充电宝则采用可爱卡通设计,适合年轻人使用;而C款充电宝则采用精致的金属外观设计,适合任何人使用。
2.1.4 充电效率我们测试了三款充电宝的充电效率,发现它们都具有较高的充电效率,对于手机充电效果十分稳定。
因此,无论选择哪一款充电宝,用户都能够获得好的充电效果。
2.2 迷你照相机迷你照相机是便于携带的小型相机。
我们从照片质量、拍摄模式、便携性和用户体验等方面对迷你照相机进行评估。
2.2.1 照片质量我们选取了三款迷你照相机,分别为D、E和F,进行对比测试。
通过测试发现,D款迷你照相机的照片质量较差,色彩不鲜亮,细节表现不够清晰;而E款迷你照相机的照片质量较为出色,色彩还原度高,细节表现清晰;F款迷你照相机照片质量一般,但在夜间拍摄方面表现更好。
移动电源质量检测主要分为以下几个项目:实际容量检测、内阻检测、转换效率检测、过载及短路保护检测,空载电压,带载电压等。
移动电源检测主要用到的仪器仪表:直流电源,电子负载仪,电池内阻测试仪,功率计,万用表,老化柜等。
移动电源测试关键项目:1.实际容量检测:实际容量检测是对移动电源实际使用时能放出的电池容量值进行检测。
这一项检测可以测试移动电源标称的容量跟实际使用时能发出容量的差距,如果电池的实际容量低于标称容量,那么这款移动电源则视为虚标容量。
这项测试可以使用电子负载进行测试,使用电子负载恒流功能设置好放电电流以及放电截至电压值后,启动测试,电子负载能自动得出实际容量值。
所需设备:直流电子负载2.内阻测试:移动电源的内阻不是常数,在充放电过程中随时间不断变化,这是因为移动电源电芯内化学活性物质的组成,电解液的浓度和温度都在不断的改变。
欧姆内阻遵守欧姆定律,极化内阻随电流密度增加而增大,但不是线性关系。
常随电流密度的对数增大而线性增加。
不同类型的电池内阻不同。
相同类型的电池,由于内部化学特性的不一致,内阻也不一样。
电池的内阻很小,我们一般用毫欧的单位来定义它。
内阻是衡量电池性能的一个重要技术指标。
正常情况下,内阻小的电池放电能力强,内阻大的电池放电能力弱。
所需设备:电池内阻测试仪3.转换率测试:移动电源的转换效率的概念与LED驱动电源是一样的,即移动电源实际能输出的电能与电芯的实际输出电能之间的比例。
转换效率越高,那么移动电源的品质则越好,移动电源的转换效率是使用直流电子负载仪及直流电源的配合对每款移动电源的电路板进行检测。
检测过程中,使用直流电源模拟移动电源电芯,使用直流电子负载模拟用电器(智能手机等),观测输入输出两端数据。
通过计算能轻松得出移动电源的转换效率。
所需设备:直流电子负载仪,直流电源4.过载及短路测试:过载短路测试是属于移动电源安规测试。
短路保护方面,我们只需要在移动电源输出端接上电子负载进行短路测试,看移动电源是否是否做出保护动作,保护恢复时间是多久;而过载保护测试,则是在输出端接上直流电子负载直接进行OCP测试,可轻松测试出保护具体的保护值。
移动电源规格参数说明及测试方法1、输出空载电压:标准:5V±5%测试方法:启动电源,用万用表或负载仪连接移动电源输出口,应符合以上标准;2、输出负载电压标准:5V±5%测试方法:启动电源,在移动电源输出口接上负载(按设计负载电流标准设置电流)用万用表或负载仪连接移动电源输出口,应符合以上标准;3、过流保护(可软件设置)标准:按设计标准(一般负载1A,过流设置为1.5A以上;负载2A,过流设置为2.5A 以上)测试方法:使用负载仪,将电流设置为测试值,移动电源应在2S内关闭输出,并有相应的提示;4、轻载保护标准:电流小于50mA(可软件设置)测试方法:使用负载仪,将电流设置为小于测试值,移动电源应在20S内关闭输出.5、短路保护标准:此标准应根据使用的保护IC来确定(8250),一般一个8250过流在3~6A) 测试方法:在电路的任意电源正极(负极必须是8250的后面);进行电路或加大于3A 的电流,保护电路应该起控,此时需要对移动电源进行充电方能解除;6、充电电流标准:按设计标准测试方法:因专用的充电IC为线性充电方式,充电电流会根据电池电压增加而减小;测试时将将电池电压放完,以此时测试的电流为准;7、电量测试;标准:电量设置是根据MCU测量电池电压来转换计算,此电量并不是很精准,只能作为一个显示的参考;一般4个灯设置为 1、3.0~3.6 3.6~3.8 3.8~4.0 4.0以上±0.1 3个灯设置 1、 3.0~3.6 3.6~3.9 3.9以上±0.1低电报警: 3.0~3.4 (软件需提示)8、低电报警标准:电池电压低于3.3V测试方法:在移动电源电池端输入3.4电源,观察移动电源LED的提示,并至移动电源到低电关闭输出;9、功能测试:根据设计输入的要求,来测试移动电源的关功能是否达到设计要求,各电源要求都不一样,请自行制定;10、输出纹波电压标准:小于200Mv测试方法:用示波器选择交流测试档,看纹波电压是否符合;注意:探头接地线必须短;(参考测试:使用智能手机,在给手机充电时,手机的电容触摸屏不能失灵)11、待机电流:标准:待机电流一般是微安级:HR61:设计小于300uA测试方法:在电池上串连一个电流表,输入到移动电源的电池端;观察移动电源,在电源未在任何工作时,1分钟之内进入休眠状态时,看此时的电流必须小于300uA;12、生产中必须测试的内容;1、电量显示:需要有一个参考电压输入到移动电源,看相对应的LED是否亮;2、所有的LED是否能亮3、充电电流:看是否有充电电流和充电指示;4、负载电压:看带载电压是否符合5、轻载保护:需要测试2个值:A:小于轻载电流是否关机 B大于轻载电流是否会关机。
智能充电宝的功能检测与维修流程智能充电宝是一种便携式充电设备,它具有智能识别设备、快速充电和多重保护等功能。
但是在使用过程中,可能会遇到一些功能问题,需要进行检测和维修。
本文将介绍智能充电宝的功能检测与维修流程,帮助用户解决常见问题。
1. 功能检测步骤在进行维修之前,首先需要对智能充电宝的功能进行检测,以确定问题所在。
下面是一些常见的功能检测步骤:1.1 充电功能检测首先连接智能充电宝与电源适配器,插入充电线将充电宝与移动设备连接。
观察充电宝是否能够正常充电,以及充电速度是否符合要求。
同时,可以使用其他充电线和移动设备进行测试,以排除充电线或移动设备的问题。
1.2 输出电压检测使用万用表或电压检测仪测量智能充电宝的输出电压是否符合标准值。
一般情况下,智能充电宝的输出电压为5V。
如果输出电压异常,可能是电池或充电板发生故障。
1.3 容量检测通过特定的软件或设备,检测智能充电宝的电池容量。
一般来说,电池容量应该和产品标识的容量相符合,如果有较大差异,可能是电池老化或存在质量问题。
1.4 多重保护功能检测智能充电宝通常具有过充保护、过放保护、过流保护和短路保护等功能。
在进行功能检测时,可以通过模拟保护触发条件来检查这些保护功能是否正常工作。
例如,可以尝试超出充电宝的最大输入电流或输出电流来测试过流保护功能。
2. 维修流程如果在功能检测中发现问题,就需要进行维修。
下面是一些常见问题的维修流程:2.1 充电线损坏如果充电线损坏,用户可以尝试更换充电线来解决问题。
可以使用兼容的充电线,确保连接稳定可靠。
2.2 移动设备无法充电如果智能充电宝无法为移动设备充电,可以首先检查充电宝的输出电压是否正常。
如果电压正常,可以尝试更换充电线或移动设备进行排除故障。
如果仍然无法解决,可能是充电宝的充电板故障,需要联系售后维修。
2.3 容量问题如果智能充电宝的电池容量与标称容量相差较大,可能是电池老化或存在质量问题。
用户可以联系售后维修或更换电池来解决问题。
移动电源的能量到底有多大,自己计算一下就知道了----
充电宝的安全性是一个大问题,不打开测试,可以测试电压及电流部分,电压不可大于5.3v,短路情况下,电流不可超过额定输出。
输出波形不可过大,以免对手机造成危害。
但这只是移动电源最基本的安全要素,更重要的安全问题在内部
首先是否做好应有的绝缘处理,电路板和电池是否可能因松动或撞击造成短路,引发危险等。
其次是,电芯本身是否为合格电芯,最好是采用三星或松下进口电芯产品,确保使用寿命、容量以及安全性。
如果是采用劣质拆机电芯,则可能出现虚标严重,寿命短,内阻高,甚至出现极端情况时无法及时启动保护泄放阀,造成爆炸事故。
电路板本身采用的元件则更有讲究,是否采用同步整流,则关系到效率。
而采用元件质量以及电路设计,则可能关系到安全问题。
尽可能避免使用劣质电解电容,也是防止电容爆浆故障的有效手段。
3. 移动电源的容量现在是越标越大,越吹越牛,从几千到一万,再到两万,惊人的五万,神奇的八万,简直让我和我的小伙伴们都惊呆了!
真的有这么大容量吗?答案是: Impossible
自从松下收购了三洋的锂电事业后,松下就是目前钴酸锂电池技术最好的厂商了,其目前最大容量的18650做到了3400mAh的容量,但其价格也惊人到接近40,最常用的还是2600,国产电芯常用的基本不超过2400,而一个18650的重量在45~47g之间,依此我们算一下移动电源的重量: 50000÷2600×45=865g,而且敢标80000的移动电源绝不会用2600的电芯(想明白了吗?想不明白可私信,不要让别人知道了,会被笑话哦)
如果移动电源虚标得不多怎么知道有没有虚标呢?请听下面分解:
锂电池的容量是定义为一个小时放电放完的电流值,比如1000mAh的锂电池1000mA放电理论上是正好放一个小时,再加上输出效率,
所以有了公式:容量(mAh)×平均电压(3.7V)×效率=时间(小时)×放电电流(mA)×输出电压
而移动电源输出电压几乎是固定的,所以输出接个固定电阻就可以确定下来电流:电流(mA)=输出电压(V)÷电阻值(Ω)×1000
输出电压在开始测试后用万用表量取,如果没万用表直接取5V(但这样会误差增大)
电阻用12欧姆3W的高精度金属膜电阻,输出500mA的用一个电阻,输出1A的用两个并联,2A的USB口用3个并联,测试容量不建议满载输出
然后在电阻两端并个小LED指示灯(需串限流电阻,本人用的2kΩ,LED接反了会不亮哦)
把电阻和LED灯用烙铁接到USB线上,测试工具就这么简单,想不到吧?接下来开始测试了!
首先给移动电源充电,因移动电源电量指示灯实际指示的是电压而非电量(指示电量太复杂,也没多少实际意义),所以指示灯指示充满的时候正是锂电池由恒流充电转至恒压充电的时候(锂电池充电特性请百度学习),并没有充满,我们就大概再充1个小时吧!然后把制作的电阻当负载插入USB口,灯亮开始计时,电阻温度稳定后量取电阻电压(一开始量会增大误差),灯灭计时结束(请菜鸟注意不要搞错时间,例如20分钟不是0.2小时,是0.333小时哦!测试的时候电阻会烫得厉害,需注意安全,尤其要避开易燃物和小孩)
最后计算:容量(mAh)=时间(小时)×电压(V)×电压(V)÷3.7V÷电阻值(Ω)×1000÷效率(未知的话取个保守值80%吧)。