混凝土养护测温记录
- 格式:xlsx
- 大小:10.50 KB
- 文档页数:1
同条件养护混凝土试件测温记录
编号:表号:D-03 工程名称:分项名称:施工单位:
同条件养护混凝土试件测温记录填写说明
桥梁工程施工过程中,应根据施工需要,制取结构物同条件养护的试件,作为拆模、吊装、施加预应力、承受荷载等施工阶段的强度依据。
同条件养护是将成型脱模后的混凝土试件,放置在靠近相应结构构件或结构部位的适当位置,并采取相同的养护方法。
等效养护龄期可取按日平均温度逐日累计达到600℃﹒d时所对应的龄期,0℃及以下的龄期不计入;等效养护龄期不应小于14d,也不宜大于60d。
冬施混凝土养护测温记录第一天施工日期:20XX年XX月XX日天气:晴测温时间:上午9点测温仪器:温度计测温位置:混凝土表面测温值:5摄氏度备注:施工刚开始,气温较低,混凝土刚浇筑完成,温度较低。
第二天施工日期:20XX年XX月XX日天气:晴测温时间:上午8点测温仪器:温度计测温位置:混凝土表面测温值:3摄氏度备注:气温比第一天有所降低,混凝土温度继续下降,需要加强养护措施。
第三天施工日期:20XX年XX月XX日天气:晴测温时间:上午9点测温仪器:温度计测温位置:混凝土表面测温值:2摄氏度备注:气温持续下降,混凝土温度降至较低,需要采取绝热保温措施。
第四天施工日期:20XX年XX月XX日天气:阴测温时间:上午10点测温仪器:红外线测温仪测温位置:混凝土表面测温值:5摄氏度备注:气温有所回升,混凝土温度也开始回升,但仍需继续养护措施。
第五天施工日期:20XX年XX月XX日天气:阴测温时间:上午9点测温仪器:红外线测温仪测温位置:混凝土表面测温值:8摄氏度备注:气温有所回升,混凝土温度逐渐升高,养护措施效果良好。
第六天施工日期:20XX年XX月XX日天气:阴转小雨测温时间:上午10点测温仪器:红外线测温仪测温位置:混凝土表面测温值:10摄氏度备注:气温有所回升,混凝土温度继续上升,养护期即将结束。
第七天施工日期:20XX年XX月XX日天气:小雨测温时间:上午9点测温仪器:红外线测温仪测温位置:混凝土表面测温值:12摄氏度备注:气温和混凝土温度持续升高,养护期结束。
根据以上记录,在施工过程中,由于冬季气温较低,混凝土温度有所下降。
为了确保混凝土的质量和强度,施工方采取了充分的养护措施,包括绝热保温和覆盖防护。
通过有效的养护措施,混凝土的温度逐渐恢复正常,并在七天的养护期结束时达到了设计要求的强度。
此次施工的成功养护经验可供后续冬季施工参考和借鉴。
混凝土养护测温记录测温记录的目的是记录混凝土的温度变化情况,以了解其发展过程和温度变化规律。
这些记录对于制定养护计划、掌握混凝土强度发展情况以及评估养护效果等方面具有重要指导意义。
下面是一份混凝土养护测温记录的样例:-----------------------------------------------------------------------------------------------------------------------------------工程名称:xxx工程浇筑日期:xxxx年xx月xx日养护周期:xx天测温地点:xxxx测温仪器:xxxx序号测量时间温度(摄氏度)备注1 xx:xx xx xxx2 xx:xx xx xxx3 xx:xx xx xxx............-----------------------------------------------------------------------------------------------------------------------------------根据测量情况,我们可以对混凝土的温度发展情况进行分析和评估。
一般来说,测温记录应包括以下内容:1.序号:每次测量的序号,用于记录和参考。
2.测量时间:每次测量的具体时间,以小时和分钟为单位。
3.温度:每次测量所得到的温度值,以摄氏度为单位。
4.备注:对每次测量进行简要的说明和备注,如测量地点、测温仪器、外界环境等。
测温记录可以采用人工记录或者自动记录的方式进行,根据具体情况选择合适的方法。
同时,根据混凝土养护周期的长短,可以增加测量的次数,以获取更全面和准确的温度数据。
1.温度变化规律:根据测温记录,可以了解混凝土温度的变化趋势和规律,如温度的升降速率、峰值温度出现的时间等。
2.养护效果评估:通过测温记录,可以评估养护措施的效果。
如果温度变化平稳,温度保持在适宜范围内,说明养护措施有效;如果温度变化波动较大,温度超过了适宜范围,说明养护措施不足或不合理。
3月份筏板混凝土养护测温记录近年来,随着建筑工程的不断发展,筏板混凝土在基础工程中的应用越来越广泛。
筏板混凝土作为一种重要的基础结构材料,其质量的稳定性直接关系到整个建筑的安全性和稳定性。
而为了确保筏板混凝土的质量,养护过程中的温度是一个至关重要的因素。
3月份,作为春季的开始,气温逐渐回暖,对于筏板混凝土的养护温度控制提出了新的挑战。
在养护过程中,正确测量和记录筏板混凝土的温度,对于及时发现问题、调整养护措施至关重要。
在3月份的筏板混凝土养护过程中,我们采用了多种方法来进行温度测量和记录。
首先,我们使用了温度计来测量筏板混凝土的表面温度。
通过将温度计插入混凝土表面,我们能够准确地获取到筏板混凝土的实时温度。
同时,我们还使用了红外线测温仪来对筏板混凝土进行非接触式的温度测量,以确保测量的准确性和方便性。
除了表面温度的测量,我们还使用了埋点温度计来对筏板混凝土的内部温度进行测量。
在筏板混凝土浇筑完成后,我们在混凝土内部埋置了多个温度计,并定期记录温度数据。
这样一来,我们可以清楚地了解到混凝土内部温度的变化趋势,及时发现温度异常情况并采取相应的措施。
在测温记录方面,我们采用了电子记录仪来实现自动化的数据记录。
通过将温度计与电子记录仪相连,温度数据可以自动保存,并且可以通过电子记录仪的显示屏实时查看。
这种方式不仅提高了数据记录的准确性和效率,还方便了数据的保存和分析。
在3月份的筏板混凝土养护过程中,我们发现温度的变化对筏板混凝土的强度和稳定性有着重要影响。
在温度过高的情况下,筏板混凝土可能会出现开裂或变形等问题,从而影响建筑物的整体结构。
而在温度过低的情况下,混凝土的硬化速度会变慢,导致工期延长。
因此,合理控制筏板混凝土的养护温度,对于保证工程质量和进度具有重要意义。
3月份筏板混凝土养护测温记录的重要性不可忽视。
通过准确测量和记录筏板混凝土的温度,并及时采取措施调整养护温度,可以有效保证筏板混凝土的质量和稳定性,从而确保整个建筑工程的安全和稳定。
混凝土养护测温记录
注:1.本表由施工单位填写并保存。
2.附测温孔布置图及测温孔剖面图。
“混凝土养护测温记录”填写说明
1、混凝土养护期间的温度测量应符合下列规定:
1)采用蓄热法和综合蓄热法时,在达到受冻临界强度之前应每隔4~6h 测量一次;2)采用负温养护法时,在达到受冻临界强度之前应每隔2h 测量一次;
3)采用加热法时,升温和降温阶段每隔 1h 测量一次,恒温阶段每隔2h 测量一次。
4)混凝土在达到受冻临界强度后,可以停止测温。
2、养护温度的测量方法应符合下列规定:
1)测温孔应编号,并应绘制测温孔布置图,现场设置明显标识;
2)测温时,测温元件应采取措施与外界气温隔离;测温元件测量位置应处于结构表面下20mm 处,留置在测温孔内的时间不应少于3min;
3)采用非加热法养护时,测温孔应设置在易于散热的部位;采用加热法养护时,应分别设置在隔热源不同的位置。
大体积砼养护测温记录大体积混凝土在现代建筑工程中应用广泛,由于其体积较大,水泥水化热释放集中,内部温升较快,如果养护和温度控制不当,极易产生裂缝,影响结构的安全性和耐久性。
因此,在大体积混凝土施工过程中,做好养护测温记录至关重要。
一、工程概况本次施工的大体积混凝土结构为_____(具体部位),混凝土强度等级为_____,浇筑方量约为_____立方米。
混凝土浇筑时间为_____(具体日期和时间),预计养护时间为_____天。
二、测温设备及布置1、测温设备采用电子测温仪,其测温探头精度为±05℃,能够满足大体积混凝土测温的要求。
2、测温点布置根据混凝土结构的形状、尺寸和厚度,合理布置测温点。
在平面上,测温点呈梅花形布置,相邻测温点的间距不宜大于 5 米;在垂直方向上,每个测温点沿混凝土厚度方向布置 3 个测点,分别位于混凝土表面以下 50mm、混凝土中部和混凝土底面以上 50mm 处。
三、测温时间及频率1、测温时间从混凝土浇筑完成后开始测温,直至混凝土内部温度与环境温度之差小于 25℃为止。
2、测温频率在混凝土浇筑后的前 3 天,每 2 小时测温一次;第 4 至 7 天,每 4 小时测温一次;第 8 至 14 天,每 8 小时测温一次;第 15 至 28 天,每天测温一次。
四、测温数据记录|测温时间|测点位置|表面温度(℃)|中部温度(℃)|底面温度(℃)|环境温度(℃)|||||||||_____|_____|_____|_____|_____|_____||_____|_____|_____|_____|_____|_____||_____|_____|_____|_____|_____|_____|五、数据分析与处理1、绘制温度曲线根据测温数据,分别绘制混凝土表面温度、中部温度和底面温度随时间变化的曲线,以及混凝土内部温度与环境温度之差随时间变化的曲线。
通过温度曲线,可以直观地了解混凝土内部温度的变化情况。
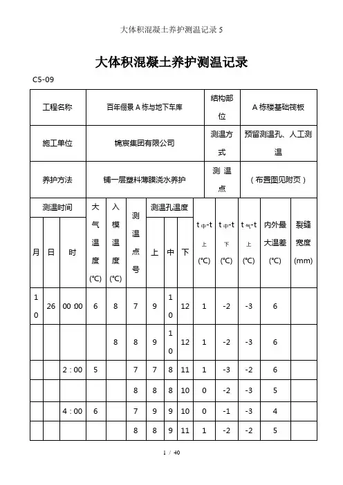
大体积混凝土养护测温记录C5-09
大体积混凝土养护测温记录C5-09
大体积混凝土养护测温记录C5-09
大体积混凝土养护测温记录C5-09
大体积混凝土养护测温记录C5-09
大体积混凝土养护测温记录C5-09
大体积混凝土养护测温记录C5-09
大体积混凝土养护测温记录C5-09
大体积混凝土养护测温记录C5-09
大体积混凝土养护测温记录C5-09
大体积混凝土养护测温记录C5-09
大体积混凝土养护测温记录C5-09
大体积混凝土养护测温记录C5-09
大体积混凝土养护测温记录C5-09
大体积混凝土养护测温记录C5-09
大体积混凝土养护测温记录C5-09
大体积混凝土养护测温记录C5-09
大体积混凝土养护测温记录C5-09
大体积混凝土养护测温记录C5-09
大体积混凝土养护测温记录C5-09
大体积混凝土养护测温记录C5-09。
大体积砼养护测温记录
注:1.本表由施工单位填写并保存。
2.附测温点布置图、t
表示大气温度。
气
“大体积砼养护测温记录”填写说明
1、大体积混凝土施工应对入模时大气温度、各测温孔温度、内外温差和裂缝进行检查和记录。
2.大体积混凝土养护测温应附测温点布置图。
3、相关要求:
1)温控指标宜符合下列规定:
① 混凝土浇筑体在入模温度基础上的温升值不宜大于50℃;
② 混凝土浇筑块体的里表温差(不含混凝土收缩的当量温度) 不宜大于25℃;
③ 混凝土浇筑体的降温速率不宜大于2.0℃/d。
④ 混凝土浇筑体表面与大气温差不宜大于20℃。
2)大体积混凝土浇筑体内监测点的布置,应真实地反映出混凝土浇筑体内最高温升、里表温差、降温速率及环境温度,可按下列方式布置:
① 监测点的布置范围应以所选混凝土浇筑体平面图对称轴线的半条轴线为测试区,在测试区内监测点按平面分层布置;
② 在测试区内,监测点的位置与数量可根据温凝土浇筑体内温度场分布情况及温控的要求确定;
③ 在每条测试轴线上,监测点位宜不少于4 处,应根据结构的几何尺寸布置;
④ 沿混凝土浇筑体厚度方向,必须布置外面、底面和中凡温度测点,其余测点宜按测点间距不大于600mm 布置;
⑤ 保温养护效果及环境温度监测点数量应根据具体需要确定;
⑥ 混凝土浇筑体的外表温度,宜为混凝土外表以内50mm 处的温度;
⑦ 混凝土浇筑体底面的温度,宜为混凝土浇筑体底面上50mm 处的温度。
大体积混凝土养护测温记录养护是混凝土工程中极为重要的一环,其中温度控制是养护工作中的一个关键因素。
特别是对于大体积混凝土结构,如大坝、混凝土梁、混凝土框架等,温度控制更加重要。
下面是对大体积混凝土养护测温记录的详细说明。
测温记录的目的是为了监测混凝土的温度变化情况,以便及时采取相应的调整措施。
测温记录通常包括以下内容:工程名称、日期、日期、时间、环境温度、混凝土温度、环境相对湿度、测温点位置等。
测温记录的时间应从拌合开始,每隔一定的时间间隔进行记录。
温度测量点的选择应该代表混凝土整体的温度变化情况,通常在混凝土模板中选取1/3和2/3的高度处各设立一测温点,在排列上应均匀分布。
混凝土温度的测量方法通常有两种:直接测量和间接测量。
直接测量是通过混凝土表面插入温度计或通过混凝土中插入温度传感器来测得的。
间接测量是通过对环境温度和相对湿度的测量,利用计算方法来推算混凝土温度。
测温记录样本如下:=================测温记录样本=================工程名称:XXX大坝日期:2024年1月1日环境温度:20℃混凝土温度:-1℃环境相对湿度:60%测温点位置:1/3高度、2/3高度-----------------------------------------时间1/3高度2/3高度-----------------------------------------09:00-2℃0℃12:000℃2℃15:002℃4℃18:004℃6℃-----------------------------------------该测温记录表中,环境温度为20℃,混凝土温度从早上9点开始测量,每隔3个小时进行一次测温,到晚上6点为止。
测量的温度分别在1/3高度和2/3高度处进行。
可以看出,随着时间的推移,混凝土温度逐渐升高,1/3高度和2/3高度之间的温度差逐渐增大。
根据测温记录,可以对混凝土的温度变化情况进行判断。
鲁JJ-066大体积混凝土养护测温记录在建筑工程中,大体积混凝土的施工是一个关键环节,而养护测温则是确保其质量的重要措施。
鲁 JJ-066 大体积混凝土养护测温记录就是对这一过程的详细记录,它为工程的顺利进行和质量保障提供了有力的数据支持。
大体积混凝土由于其体积较大,水泥水化热释放集中,内部温升较快,如果养护不当,容易产生温度裂缝,从而影响结构的安全性和耐久性。
因此,在施工过程中,必须对混凝土的温度进行实时监测和控制,以便及时采取有效的养护措施。
鲁 JJ-066 大体积混凝土养护测温记录通常包括以下几个方面的内容:首先是工程的基本信息,如工程名称、施工部位、混凝土强度等级、浇筑日期等。
这些信息能够明确所记录的测温数据所属的具体工程部位和施工时间,为后续的分析和处理提供了基础。
其次是测温设备的相关信息,包括测温仪器的型号、精度、校准日期等。
准确可靠的测温设备是获取准确温度数据的前提,因此对其进行详细记录是十分必要的。
接下来是测温点的布置情况。
测温点的布置应具有代表性,能够反映混凝土内部不同部位的温度变化。
一般来说,测温点会分布在混凝土的表面、中部和底部,以及结构的重要部位,如转角处、变截面处等。
每个测温点的编号、位置和深度都需要在记录中明确标注。
然后是测温的时间间隔和测温次数。
在混凝土浇筑后的初期,由于水化热释放较快,温度变化较大,因此测温的时间间隔通常较短,如每 2 小时一次。
随着混凝土内部温度逐渐稳定,测温时间间隔可以适当延长。
测温次数则应根据混凝土的养护时间和温度变化情况来确定,以确保能够全面掌握混凝土的温度变化规律。
在测温记录中,最重要的部分当然是温度数据的记录。
每次测温时,应分别记录每个测温点的表面温度、中部温度和底部温度,并计算出温差。
温差是判断混凝土是否会产生裂缝的重要依据之一,如果温差超过了规范规定的限值,就需要及时采取相应的养护措施,如覆盖保温材料、调整浇水养护的频率等。
除了温度数据,养护措施的记录也是不可或缺的。
8-(6)冬期施工混凝土养护测温记录《建筑工程冬期施工规程》 (JGJ104—97)规定1混凝土养护期间温度测量应符合下列规定:(1)蓄热法或综合蓄热法养护从混凝土人模开始至混凝土达到受冻临界强度,或混凝土温度降到Oc或设计温度以前,应至少每隔6h测量一次。
(2)掺防冻剂的混凝土在强度未达到本规程第7. 1. 1 (附后)条规定之前应每隔2h测量一次,达到受冻临界强度以后每隔6h测量一次。
(3)采用加热法养护混凝土时,升温和降温阶段应每隔1h测量一次,恒温阶段每隔2h测量一次。
(4)全部测温孔均应编号,并绘制布置图。
测温孔应设在有代表性的结构部位和温度变化大易冷却的部位,孔深宜为10 —15cm也可为板厚的1 /2或墙厚的1/2。
(测温孔在混凝土浇筑时预留,一般每一构件不少于一个,混凝土接搓处一定要留有测温孔,测温孔一般要深入混凝土内(过主筋)。
)测温时,测温仪表应采取与外界气温隔离措施,并留置在测温孔内不少于3min。
2•模板和保温层在混凝土达到要求强度并冷却到5C后方可拆除。
拆模时混凝土温度与环境温度差大于20 C时,拆模后的混凝土表面应及时覆盖,使其缓慢冷却。
附第7 . 1 . 1条冬期浇筑的混凝土,其受冻临界强度应符合下列规定:1 普通混凝土采用硅酸盐水泥或普通硅酸盐水泥配制时,应为设计的混凝土强度标准值的30 %。
采用矿渣硅酸盐水泥配制的混凝土,应为设计的混凝土强度标准值的40 %,但混凝土强度等级为C10及以下时,不得小于5.O N / mm 2。
注:当施工需要提高混凝土强度等级时,应按提高后的强度等级确定.2 掺用防冻剂的混凝土,当室外最低气温不低于一15 C时不得小于4.0 N / mm2,当室外最低气温不低于一30 C时不得小于 5.0 N / mm2。
【审阅要点】1无测温点布置图,或有测温点布置图但与结构平面图不一致;2测温点布置不合理,测温孔留设不规范,各测温点的编号及位置标注不清楚。
混凝土养护测温记录里的成熟度是如何计算的1:一、混凝土养护测温记录1.1 测温目的测温旨在监测混凝土的成熟度,以评估其强度发展情况,从而保证养护过程的有效性。
1.2 测温设备使用高精度温度计进行测温,确保测量值的准确性。
温度计应具备以下要求:- 精确度:±0.1℃;- 可靠性:能够长时间工作并保持稳定。
1.3 测温流程1) 在混凝土浇筑后的立即养护阶段,选择代表性的测温点;2) 使用温度计准确测量混凝土的温度;3) 按照测温间隔要求,定期测温并记录测温值;4) 根据测温值计算混凝土的成熟度。
1.4 混凝土成熟度计算方法混凝土的成熟度可以通过计算测温值与时间的函数关系来确定。
常用的成熟度计算公式有:- Arrhenius法则:M(t) = f(t) * exp(E/RT);- B-B time-temperature法则:M(t) = f(t) * (1 + β *ln(t/τ))。
其中,M(t)表示混凝土的成熟度,f(t)表示时间因子,E表示活化能,R表示气体常数,T表示温度,β表示经验常数,τ表示时间常数。
二、附件暂无附件。
三、法律名词及注释- 成熟度:混凝土的成熟度反映了其强度发展情况,是衡量养护效果的重要指标。
2:一、混凝土养护测温记录1.1 测温目的本文档旨在介绍混凝土养护过程中测温的目的和方法,以及如何计算混凝土的成熟度。
1.2 测温设备为了确保测温的准确性,我们使用高精度温度计进行测量。
温度计的要求如下:- 精确度:±0.1℃;- 可靠性:能够长时间工作并保持稳定。
1.3 测温流程在混凝土浇筑后的立即养护阶段,我们选择代表性的测温点进行测量,并按照测温间隔要求进行定期测温。
测温流程包括以下几个步骤:1) 准备好温度计和其他必要的工具;2) 在养护阶段选择合适的测温点;3) 使用温度计准确测量混凝土的温度;4) 记录测温值并标明测温时间;5) 根据测温数据计算混凝土的成熟度。
.8-(6)冬期施工混凝土养护测温记录.【整理要求】《建筑工程冬期施工规程》(JGJ104-97)规定1混凝土养护期间温度测量应符合下列规定:(1)蓄热法或综合蓄热法养护从混凝土人模开始至混凝土达到受冻临界强度,或混凝土温度降到O0C或设计温度以前,应至少每隔6h测量一次。
(2)掺防冻剂的混凝土在强度未达到本规程第7.1.1(附后)条规定之前应每隔2h测量一次,达到受冻临界强度以后每隔6h测量一次。
(3)采用加热法养护混凝土时,升温和降温阶段应每隔1h测量一次,恒温阶段每隔2h测量一次。
(4)全部测温孔均应编号,并绘制布置图。
测温孔应设在有代表性的结构部位和温度变化大易冷却的部位,孔深宜为10—15cm,也可为板厚的1/2或墙厚的1/2。
(测温孔在混凝土浇筑时预留,一般每一构件不少于一个,混凝土接搓处一定要留有测温孔,测温孔一般要深入混凝土内(过主筋)。
)测温时,测温仪表应采取与外界气温隔离措施,并留置在测温孔内不少于3min。
2.模板和保温层在混凝土达到要求强度并冷却到5℃后方可拆除。
拆模时混凝土温度与环境温度差大于20℃时,拆模后的混凝土表面应及时覆盖,使其缓慢冷却。
附第7.1.1条冬期浇筑的混凝土,其受冻临界强度应符合下列规定:1普通混凝土采用硅酸盐水泥或普通硅酸盐水泥配制时,应为设计的混凝土强度标准值的30%。
采用矿渣硅酸盐水泥配制的混凝土,应为设计的混凝土强度标准值的40%,但混凝土强度等级为C10及以下时,不得小于5.O N/mm2。
注:当施工需要提高混凝土强度等级时,应按提高后的强度等级确定.2 掺用防冻剂的混凝土,当室外最低气温不低于一15℃时不得小于4.O N/mm2,当室外最低气温不低于一30℃时不得小于5.O N/mm2。
【审阅要点】1无测温点布置图,或有测温点布置图但与结构平面图不一致;2 测温点布置不合理,测温孔留设不规范,各测温点的编号及位置标注不清楚。
3 测温记录中各项填写不清楚、准确、真实,签字不齐全。