2021-2022年市政水泥稳定土类基层及底基层检验批质量验收记录
- 格式:xls
- 大小:39.00 KB
- 文档页数:1
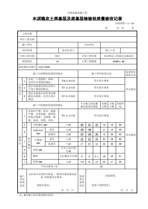
G2—14水泥稳定土类基层及底基层施工检验批质量检验记录表CJJ1—2021工程名称施工单位单位工程名称分项工程名称工程数量制表人交方班组检查工程土水泥粒料水1等原材料质量主控2压实度〔%〕项目7d无侧限抗压强3度检查工程分部工程名称验收部位工程经理技术负责人施工负责人质量检验贝接方班组检验日期检验依据或检查结果允许偏差〔mm〕符合CJJ1-2021第的规定主干路基层?97%,底基层?95%;其他道路基层?95%,底基层?93%应符合设计规定检查结果/实测点偏差值或实测值允许偏差或允许值合格〔mm〕应测合格123456789率点数点数%基层及底基层符合CJJ1-2021第1外观782-4的规定般中线偏位2<20项〔mm〕目纵断甘日±15 3基7高程层允许偏差或允许值检查结果/实测点偏差值或实测值检查工程应测合格点合格〔mm〕123456789率%点数数甘日<10基7层平整度底基层<15般项5宽度〔mm〕不小于设计规定+B目6 横坡±〕.3%且不反坡7厚度〔mm〕±10一般工程平均合格率〔%〕施工单位检查评定结果工程专业质量检查员:年月日监理〔建设〕单位验收结论专业监理工程师:〔建设单位工程专业技术负责人〕年月日注:1、B为施工时必要的附加宽度。
2、主控工程、一般工程的检查结果,需用语言描述的项,应按CJJ1-2021的要求详实描述;主控工程的计数检验项先填写“检验批主控工程计数检验记录表〞〔G1-1-1〕,然后将计数检验结果填写在本表相应的检查结果栏内;检验批一般工程计数检验数据较多、本表空格不够填写的项,可填写“检验批一般工程计数检验记录表〞〔G1-1-2〕,将该表作为本表的附页。
水泥稳定类基层及底基层检验批质量检验记录一、检测目的水泥稳定类基层及底基层检验批质量检验记录的目的是对水泥稳定类基层及底基层进行质量检验,确保施工质量符合相关标准和规范要求。
二、检验时间2022年5月1日三、检验人员主检人员:XXX协检人员:XXX、XXX四、检验项目及方法1. 外观质量检验:使用目测方法对水泥稳定类基层及底基层的外观进行检验,包括平整度、表面均匀性等。
2. 抗压强度检验:采用压力机进行检验,测定水泥稳定类基层及底基层的抗压强度。
3. 含水率检验:采用称重法或重量法对水泥稳定类基层及底基层的含水率进行检验。
4. 成分检验:采用化学分析方法对水泥稳定类基层及底基层的成分进行检验,包括水泥、砂、石、水等成分的含量。
五、检验结果1. 外观质量检验结果:经过目测,水泥稳定类基层及底基层的外观平整度良好,表面均匀无明显破损,符合相关要求。
2. 抗压强度检验结果:根据压力机测定,水泥稳定类基层及底基层的抗压强度为XX MPa,达到或超过设计要求。
3. 含水率检验结果:采用称重法测定,水泥稳定类基层及底基层的含水率为XX%,符合相关要求。
4. 成分检验结果:经化学分析,水泥稳定类基层及底基层中水泥的含量为XX%,砂的含量为XX%,石的含量为XX%,水的含量为XX%,符合相关标准要求。
六、结论根据以上检验结果,水泥稳定类基层及底基层的质量检验符合相关标准和规范要求,施工质量良好。
七、存在问题与建议在水泥稳定类基层及底基层的施工过程中,未发现明显质量问题。
建议在后续的施工中,继续加强施工质量管理,确保水泥稳定类基层及底基层的质量达到最优。
八、备注无以上是水泥稳定类基层及底基层检验批质量检验记录,根据实际情况进行填写,并确保记录的准确性与完整性。
市政道路工程路基(水稳层)检验批质量验收记录
此文档为WORD版,可编辑修改
SG—T007 水泥稳定碎石层分项工程质量验收记录
四川省建设厅制
市政道路工程路基质量验收记录
路表三
市政道路工程用表市政道路工程路基(水稳层)检验批质量验收记录路表三
(CJJ1-90)
市政道路工程用表 (CJJ1-90)
市政道路工程路基质量验收记录
路表三
市政道路工程用表市政道路工程路基(水稳层)检验批质量验收记录路表三
(CJJ1-90)
市政道路工程用表 (CJJ1-90)
市政道路工程路基质量验收记录
路表三。
水泥稳定碎石基层及底基层检验批质量检验记录1:水泥稳定碎石基层及底基层检验批质量检验记录一、项目概况1.1 项目名称:水泥稳定碎石基层及底基层检验批质量检验记录1.2 项目负责人:XXX1.3 项目施工单位:XXX公司1.4 项目地址:XXX地区二、项目背景2.1 项目目的:2.2 施工要求:2.3 施工范围:三、检验内容及要求3.1 基层检验内容:- 碎石配合比检验- 碎石稳定性试验- 碎石骨料物理性质检验3.2 底基层检验内容:- 底基层平整度检验- 底基层厚度检验- 底基层荷载承载力试验四、检验方法及标准4.1 基层检验方法及标准:- 碎石配合比检验方法及标准:XXX- 碎石稳定性试验方法及标准:XXX- 碎石骨料物理性质检验方法及标准:XXX 4.2 底基层检验方法及标准:- 底基层平整度检验方法及标准:XXX- 底基层厚度检验方法及标准:XXX- 底基层荷载承载力试验方法及标准:XXX五、检验结果记录5.1 基层检验结果:- 碎石配合比检验结果:XXX- 碎石稳定性试验结果:XXX- 碎石骨料物理性质检验结果:XXX 5.2 底基层检验结果:- 底基层平整度检验结果:XXX- 底基层厚度检验结果:XXX- 底基层荷载承载力试验结果:XXX六、检验结论与建议6.1 检验结论:6.2 建议:七、相关附件1. XXX附件12. XXX附件23. XXX附件3八、法律名词及注释- 法律名词1:解释1- 法律名词2:解释2- ...---2:水泥稳定碎石基层施工质量验收报告一、项目概况1.1 项目名称:水泥稳定碎石基层施工质量验收报告1.2 项目负责人:XXX1.3 项目施工单位:XXX公司1.4 项目地址:XXX地区二、项目背景2.1 项目目的:2.2 施工要求:2.3 施工范围:三、施工质量验收内容及要求3.1 碎石基层施工质量验收内容:- 碎石铺设质量验收- 碎石密实度质量验收- 碎石稳定性质量验收3.2 水泥稳定碎石基层施工质量验收内容:- 水泥稳定碎石配合比验收- 水泥稳定碎石铺设质量验收- 水泥稳定碎石稳定性质量验收四、施工质量验收方法及标准4.1 碎石基层施工质量验收方法及标准:- 碎石铺设质量验收方法及标准:XXX- 碎石密实度质量验收方法及标准:XXX- 碎石稳定性质量验收方法及标准:XXX4.2 水泥稳定碎石基层施工质量验收方法及标准:- 水泥稳定碎石配合比验收方法及标准:XXX- 水泥稳定碎石铺设质量验收方法及标准:XXX- 水泥稳定碎石稳定性质量验收方法及标准:XXX五、施工质量验收结果记录5.1 碎石基层施工质量验收结果:- 碎石铺设质量验收结果:XXX- 碎石密实度质量验收结果:XXX- 碎石稳定性质量验收结果:XXX5.2 水泥稳定碎石基层施工质量验收结果:- 水泥稳定碎石配合比验收结果:XXX- 水泥稳定碎石铺设质量验收结果:XXX - 水泥稳定碎石稳定性质量验收结果:XXX六、施工质量验收结论与建议6.1 施工质量验收结论:6.2 施工质量验收建议:七、相关附件1. XXX附件12. XXX附件23. XXX附件3八、法律名词及注释- 法律名词1:解释1- 法律名词2:解释2- ...。