市政道路工程检验批质量检验记录表格全套52197
- 格式:doc
- 大小:173.00 KB
- 文档页数:6
精选范文、公文、论文、和其他应用文档,希望能帮助到你们!史上最全的市政道路工程检验批质量检收记录全套表格土方路基检验批质量检验记录市政质检·1·1第页,共页挖石方路基检验批质量检验记录市政质检·1·2第页,共页填石方路基检验批质量检验记录市政质检·1·3第页,共页路肩检验批质量检验记录市政质检·1·4第页,共页砂垫层软土路基检验批质量检验记录市政质检·1·5第页,共页反压护道路基检验批质量检验记录市政质检·1·6第页,共页土工材料处理软土路基检验批质量检验记录市政质检·1·7第页,共页袋装砂井检验批质量检验记录市政质检·1·8第页,共页塑料排水板检验批质量检验记录市政质检·1·9第页,共页砂桩处理软土路基检验批质量检验记录市政质检·1·10第页,共页碎石桩处理软土路基检验批质量检验记录市政质检·1·11第页,共页粉喷桩处理软土路基检验批质量检验记录市政质检·1·12第页,共页湿陷性黄土强夯路基检验批质量检验记录市政质检·1·13第页,共页石灰稳定土,石灰、粉煤灰稳定砂砾(碎石),粉煤灰稳定钢渣基层及底基层检验批质量检验记录市政质检·1·14第页,共页水泥稳定土类基层及底基层检验批质量检验记录市政质检·1·15第页,共页级配砂砾(级配砂石)基层及底基层检验批质量检验记录市政质检·1·16第页,共页级配碎石及级配碎砾石基层和底基层检验批质量检验记录市政质检·1·17第页,共页沥青混合料(沥青碎石)基层检验批质量检验记录市政质检·1·18第页,共页------《吾爱网络项目》精选考试类和其他应用文档,如需本文,请下载-----沥青贯入式基层检验批质量检验记录市政质检·1·19第页,共页热拌沥青混合料检验批质量检验记录市政质检·1·20第页,共页热拌沥青混合料面层检验批质量检验记录市政质检·1·21第页,共页------《吾爱网络项目》精选考试类和其他应用文档,如需本文,请下载-----------《吾爱网络项目》精选考试类和其他应用文档,如需本文,请下载-----冷拌沥青混合料面层检验批质量检验记录市政质检·1·22第页,共页沥青混合料面层透层检验批质量检验记录市政质检·1·23第页,共页沥青混合料面层粘层检验批质量检验记录市政质检·1·24第页,共页沥青混合料面层封层检验批质量检验记录市政质检·1·25第页,共页沥青贯入式面层检验批质量检验记录市政质检·1·26第页,共页沥青表面处治施工检验批质量检验记录市政质检·1·27第页,共页水泥混凝土面层原材料检验批质量检验记录市政质检·1·28页,共页。
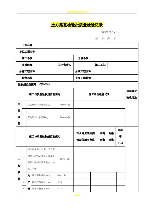
市政工程检验批质量检收记录全套表格土方路基检验批质量检验记录市政质检·1·1第页,共页工程名称单位工程名称施工单位分包单位项目经理技术负责人施工工长分部工程名称分项工程名称验收部位主要工程数量验收规范及图号CJJ1-2008施工与质量验收规范的规定施工单位检查记录监理单位验收记录1压实度应符合规范表6.3.12-2规定第6.8.1-1条主控项目2弯沉值不应大于设计规定第6.8.1-2条施工与质量验收规范的规定不合格点的实测偏差值或实测值应测点数合格点数合格率(%)1路床应平整、坚实,无显著轮迹、翻浆、波浪、起皮等现象,路堤边坡应密实、稳定、平顺。
第6.8.1-4条2路床纵断高程(mm)-20,+10 3路床中线偏位(mm)≤304路床平整度(mm)≤155路床宽度(mm)不小于设计值+B一般项目6允许偏差路床横坡(%)±0.3%且不反坡7边坡不陡于设计值平均合格率(%)施工单位检查意见质检员签名:年月日监理单位验收结论监理工程师签名:年月日挖石方路基检验批质量检验记录市政质检·1·2第页,共页工程名称单位工程名称施工单位分包单位项目经理技术负责人施工工长分部工程名称分项工程名称验收部位主要工程数量验收规范及图号CJJ1-2008施工与质量验收规范的规定施工单位检查记录监理单位验收记录1上边坡必须稳定,严禁有松石、险石。
第6.8.2-1条主控项目施工与质量验收规范的规定不合格点的实测偏差值或实测值应测点数合格点数合格率(%)1路床纵断高程(mm)+50;-1002路床中线偏位(mm )≤303路床宽(mm )不小于设计规定+B 4边坡不陡于设计规定允许偏差一般项目平均合格率(%)施工单位检查意见质检员签名:年 月日监理单位验收结论监理工程师签名:年 月 日填石方路基检验批质量检验记录市政质检·1·3第 页,共页工程名称单位工程名称施工单位分包单位项目经理技术负责人施工工长分部工程名称分项工程名称验收部位主要工程数量验收规范及图CJJ1-2008号施工与质量验收规范的规定施工单位检查记录监理单位验收记录1压实密度应符合试验路段确定的施工工艺。
土方路基检验批质量检验记录市政质检·1·1第页,共页挖石方路基检验批质量检验记录市政质检·1·2第页,共页填石方路基检验批质量检验记录市政质检·1·3第页,共页路肩检验批质量检验记录市政质检·1·4第页,共页砂垫层软土路基检验批质量检验记录市政质检·1·5第页,共页反压护道路基检验批质量检验记录市政质检·1·6第页,共页土工材料处理软土路基检验批质量检验记录市政质检·1·7第页,共页袋装砂井检验批质量检验记录市政质检·1·8第页,共页塑料排水板检验批质量检验记录市政质检·1·9第页,共页砂桩处理软土路基检验批质量检验记录市政质检·1·10第页,共页碎石桩处理软土路基检验批质量检验记录市政质检·1·11第页,共页粉喷桩处理软土路基检验批质量检验记录市政质检·1·12第页,共页湿陷性黄土强夯路基检验批质量检验记录市政质检·1·13第页,共页石灰稳定土,石灰、粉煤灰稳定砂砾(碎石),粉煤灰稳定钢渣基层及底基层检验批质量检验记录市政质检·1·14第页,共页水泥稳定土类基层及底基层检验批质量检验记录市政质检·1·15第页,共页级配砂砾(级配砂石)基层及底基层检验批质量检验记录市政质检·1·16第页,共页级配碎石及级配碎砾石基层和底基层检验批质量检验记录市政质检·1·17第页,共页沥青混合料(沥青碎石)基层检验批质量检验记录市政质检·1·18第页,共页沥青贯入式基层检验批质量检验记录市政质检·1·19第页,共页热拌沥青混合料检验批质量检验记录市政质检·1·20第页,共页热拌沥青混合料面层检验批质量检验记录市政质检·1·21第页,共页冷拌沥青混合料面层检验批质量检验记录市政质检·1·22第页,共页沥青混合料面层透层检验批质量检验记录市政质检·1·23第页,共页沥青混合料面层粘层检验批质量检验记录市政质检·1·24第页,共页沥青混合料面层封层检验批质量检验记录市政质检·1·25第页,共页。
土方路基检验批质量检验记录市政质检·1·1第页,共页挖石方路基检验批质量检验记录市政质检·1·2第页,共页填石方路基检验批质量检验记录市政质检·1·3第页,共页路肩检验批质量检验记录市政质检·1·4第页,共页砂垫层软土路基检验批质量检验记录市政质检·1·5第页,共页反压护道路基检验批质量检验记录市政质检·1·6第页,共页土工材料处理软土路基检验批质量检验记录市政质检·1·7第页,共页袋装砂井检验批质量检验记录市政质检·1·8第页,共页塑料排水板检验批质量检验记录市政质检·1·9第页,共页砂桩处理软土路基检验批质量检验记录市政质检·1·10第页,共页碎石桩处理软土路基检验批质量检验记录市政质检·1·11第页,共页粉喷桩处理软土路基检验批质量检验记录市政质检·1·12第页,共页湿陷性黄土强夯路基检验批质量检验记录市政质检·1·13第页,共页石灰稳定土,石灰、粉煤灰稳定砂砾(碎石),粉煤灰稳定钢渣基层及底基层检验批质量检验记录市政质检·1·14第页,共页水泥稳定土类基层及底基层检验批质量检验记录市政质检·1·15第页,共页级配砂砾(级配砂石)基层及底基层检验批质量检验记录市政质检·1·16第页,共页级配碎石及级配碎砾石基层和底基层检验批质量检验记录市政质检·1·17第页,共页沥青混合料(沥青碎石)基层检验批质量检验记录市政质检·1·18第页,共页沥青贯入式基层检验批质量检验记录市政质检·1·19第页,共页热拌沥青混合料检验批质量检验记录市政质检·1·20第页,共页热拌沥青混合料面层检验批质量检验记录市政质检·1·21第页,共页冷拌沥青混合料面层检验批质量检验记录市政质检·1·22第页,共页沥青混合料面层透层检验批质量检验记录市政质检·1·23第页,共页沥青混合料面层粘层检验批质量检验记录市政质检·1·24第页,共页沥青混合料面层封层检验批质量检验记录市政质检·1·25第页,共页沥青贯入式面层检验批质量检验记录市政质检·1·26第页,共页沥青表面处治施工检验批质量检验记录市政质检·1·27第页,共页水泥混凝土面层原材料检验批质量检验记录市政质检·1·28页,共页混凝土面层检验批质量检验记录市政质检·1·29第页,共页铺砌式料石面层检验批质量检验记录市政质检·1·30第页,共页铺砌式预制混凝土砌块面层检验批质量检验记录市政质检·1·31第页,共页广场与停车场料石面层检验批质量检验记录市政质检·1·32第页,共页广场与停车场预制混凝土砌块面层检验批质量检验记录市政质检·1·33第页,共页广场与停车场沥青混合料面层检验批质量检验记录市政质检·1·34第页,共页广场与停车场水泥混凝土面层检验批质量检验记录市政质检·1·35第页,共页料石铺砌人行道面层检验批质量检验记录市政质检·1·36第页,共页。
土方路基检验批质量检验记录市政质检·1·1第页,共页挖石方路基检验批质量检验记录市政质检·1·2第页,共页填石方路基检验批质量检验记录市政质检·1·3第页,共页路肩检验批质量检验记录市政质检·1·4第页,共页砂垫层软土路基检验批质量检验记录市政质检·1·5第页,共页反压护道路基检验批质量检验记录市政质检·1·6第页,共页土工材料处理软土路基检验批质量检验记录市政质检·1·7第页,共页袋装砂井检验批质量检验记录市政质检·1·8第页,共页塑料排水板检验批质量检验记录市政质检·1·9第页,共页砂桩处理软土路基检验批质量检验记录市政质检·1·10第页,共页碎石桩处理软土路基检验批质量检验记录市政质检·1·11第页,共页粉喷桩处理软土路基检验批质量检验记录市政质检·1·12第页,共页湿陷性黄土强夯路基检验批质量检验记录市政质检·1·13第页,共页石灰稳定土,石灰、粉煤灰稳定砂砾(碎石),粉煤灰稳定钢渣基层及底基层检验批质量检验记录市政质检·1·14第页,共页水泥稳定土类基层及底基层检验批质量检验记录市政质检·1·15第页,共页级配砂砾(级配砂石)基层及底基层检验批质量检验记录市政质检·1·16第页,共页级配碎石及级配碎砾石基层和底基层检验批质量检验记录市政质检·1·17第页,共页沥青混合料(沥青碎石)基层检验批质量检验记录市政质检·1·18第页,共页沥青贯入式基层检验批质量检验记录市政质检·1·19第页,共页热拌沥青混合料检验批质量检验记录市政质检·1·20第页,共页热拌沥青混合料面层检验批质量检验记录市政质检·1·21第页,共页冷拌沥青混合料面层检验批质量检验记录市政质检·1·22第页,共页沥青混合料面层透层检验批质量检验记录市政质检·1·23第页,共页沥青混合料面层粘层检验批质量检验记录市政质检·1·24第页,共页沥青混合料面层封层检验批质量检验记录市政质检·1·25第页,共页沥青贯入式面层检验批质量检验记录市政质检·1·26第页,共页。
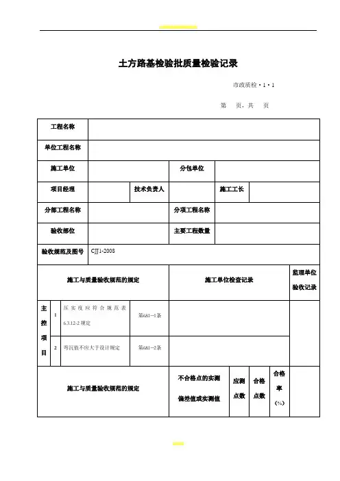
市政工程检验批质量检收记录全套表格土方路基检验批质量检验记录市政质检·1·1 第 页,共 页工程名称单位工程名称施工单位分包单位项目经理技术负责人施工工长分部工程名称分项工程名称验收部位主要工程数量验收规范及图号CJJ1-2008施工与质量验收规范的规定施工单位检查记录监理单位验收记录1压实度应符合规范表6.3.12-2规定第6.8.1-1条主控项目2弯沉值不应大于设计规定第6.8.1-2条施工与质量验收规范的规定不合格点的实测偏差值或实测值应测点数合格点数合格率(%)1路床应平整、坚实,无显著轮迹、翻浆、波浪、起皮等现象,路堤边坡应密实、稳定、平顺。
第6.8.1-4条2路床纵断高程(mm)-20,+103路床中线偏位(mm )≤304路床平整度(mm )≤15一般项目5允许偏差路床宽度(mm )不小于设计值+B6路床横坡(%)±0.3%且不反坡7边坡不陡于设计值平均合格率(%)施工单位检查意见质检员签名:年月日监理单位验收结论监理工程师签名:年月日挖石方路基检验批质量检验记录市政质检·1·2第页,共页工程名称单位工程名称施工单位分包单位项目经理技术负责人施工工长分部工程名称分项工程名称验收部位主要工程数量验收规范及图号CJJ1-2008施工与质量验收规范的规定施工单位检查记录监理单位验收记录1上边坡必须稳定,严禁有松石、险石。
第6.8.2-1条主控项目施工与质量验收规范的规定不合格点的实测偏差值或实测值应测点数合格点数合格率(%)1路床纵断高程(mm)+50;-1002路床中线偏位(mm )≤303路床宽(mm )不小于设计规定+B 4边坡不陡于设计规定允许偏差一般项目平均合格率(%)施工单位检查意见质检员签名:年 月 日监理单位验收结论监理工程师签名:年 月 日填石方路基检验批质量检验记录市政质检·1·3 第 页,共 页工程名称单位工程名称施工单位分包单位项目经理技术负责人施工工长分部工程名称分项工程名称验收部位主要工程数量验收规范及图号CJJ1-2008施工与质量验收规范的规定施工单位检查记录监理单位验收记录1压实密度应符合试验路段确定的施工工艺。
土方路基检验批质量检验记录市政质检·1·1第页,共页挖石方路基检验批质量检验记录市政质检·1·2第页,共页填石方路基检验批质量检验记录市政质检·1·3第页,共页路肩检验批质量检验记录市政质检·1·4第页,共页砂垫层软土路基检验批质量检验记录市政质检·1·5第页,共页反压护道路基检验批质量检验记录市政质检·1·6第页,共页土工材料处理软土路基检验批质量检验记录市政质检·1·7第页,共页袋装砂井检验批质量检验记录市政质检·1·8第页,共页塑料排水板检验批质量检验记录市政质检·1·9第页,共页砂桩处理软土路基检验批质量检验记录市政质检·1·10第页,共页碎石桩处理软土路基检验批质量检验记录市政质检·1·11第页,共页粉喷桩处理软土路基检验批质量检验记录市政质检·1·12第页,共页湿陷性黄土强夯路基检验批质量检验记录市政质检·1·13第页,共页石灰稳定土,石灰、粉煤灰稳定砂砾(碎石),粉煤灰稳定钢渣基层及底基层检验批质量检验记录市政质检·1·14第页,共页水泥稳定土类基层及底基层检验批质量检验记录市政质检·1·15第页,共页级配砂砾(级配砂石)基层及底基层检验批质量检验记录市政质检·1·16第页,共页级配碎石及级配碎砾石基层和底基层检验批质量检验记录市政质检·1·17第页,共页沥青混合料(沥青碎石)基层检验批质量检验记录市政质检·1·18第页,共页沥青贯入式基层检验批质量检验记录市政质检·1·19第页,共页热拌沥青混合料检验批质量检验记录市政质检·1·20第页,共页热拌沥青混合料面层检验批质量检验记录市政质检·1·21第页,共页冷拌沥青混合料面层检验批质量检验记录市政质检·1·22第页,共页沥青混合料面层透层检验批质量检验记录市政质检·1·23第页,共页沥青混合料面层粘层检验批质量检验记录市政质检·1·24第页,共页沥青混合料面层封层检验批质量检验记录市政质检·1·25第页,共页。
土方路基检验批质量检验记录市政质检·1·1第页,共页挖石方路基检验批质量检验记录市政质检·1·2第页,共页填石方路基检验批质量检验记录市政质检·1·3第页,共页路肩检验批质量检验记录市政质检·1·4第页,共页砂垫层软土路基检验批质量检验记录市政质检·1·5第页,共页反压护道路基检验批质量检验记录市政质检·1·6第页,共页土工材料处理软土路基检验批质量检验记录市政质检·1·7第页,共页袋装砂井检验批质量检验记录市政质检·1·8第页,共页塑料排水板检验批质量检验记录市政质检·1·9第页,共页砂桩处理软土路基检验批质量检验记录市政质检·1·10第页,共页碎石桩处理软土路基检验批质量检验记录市政质检·1·11第页,共页粉喷桩处理软土路基检验批质量检验记录市政质检·1·12第页,共页湿陷性黄土强夯路基检验批质量检验记录市政质检·1·13第页,共页石灰稳定土,石灰、粉煤灰稳定砂砾(碎石),粉煤灰稳定钢渣基层及底基层检验批质量检验记录市政质检·1·14第页,共页水泥稳定土类基层及底基层检验批质量检验记录市政质检·1·15第页,共页级配砂砾(级配砂石)基层及底基层检验批质量检验记录市政质检·1·16第页,共页级配碎石及级配碎砾石基层和底基层检验批质量检验记录市政质检·1·17第页,共页沥青混合料(沥青碎石)基层检验批质量检验记录市政质检·1·18第页,共页沥青贯入式基层检验批质量检验记录市政质检·1·19第页,共页热拌沥青混合料检验批质量检验记录市政质检·1·20第页,共页热拌沥青混合料面层检验批质量检验记录市政质检·1·21第页,共页冷拌沥青混合料面层检验批质量检验记录市政质检·1·22第页,共页沥青混合料面层透层检验批质量检验记录市政质检·1·23第页,共页沥青混合料面层粘层检验批质量检验记录市政质检·1·24第页,共页沥青混合料面层封层检验批质量检验记录市政质检·1·25第页,共页沥青贯入式面层检验批质量检验记录市政质检·1·26第页,共页沥青表面处治施工检验批质量检验记录市政质检·1·27第页,共页。
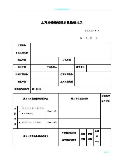
土方路基检验批质量检验记录市政质检·1·1第页,共页工程名称单位工程名称施工单位分包单位项目经理技术负责人施工工长分部工程名称分项工程名称验收部位主要工程数量验收规范及图号CJJ1-2008施工与质量验收规范的规定施工单位检查记录监理单位验收记录主控项目1压实度应符合规范表6.3.12-2规定第6.8.1-1条2弯沉值不应大于设计规定第6.8.1-2条施工与质量验收规范的规定不合格点的实测偏差值或实测值应测点数合格点数合格率(%)一般项目1路床应平整、坚实,无显著轮迹、翻浆、波浪、起皮等现象,路堤边坡应密实、稳定、平顺。
第6.8.1-4条2允许偏差路床纵断高程(mm) -20,+103 路床中线偏位(mm)≤304 路床平整度(mm)≤155 路床宽度(mm)不小于设计值+B6 路床横坡(%)±0.3%且不反坡7 边坡不陡于设计值平均合格率(%)施工单位检查意见质检员签名:监理单位验收结论监理工程师签名:第页,共页工程名称单位工程名称施工单位分包单位项目经理技术负责人施工工长分部工程名称分项工程名称验收部位主要工程数量验收规范及图号CJJ1-2008施工与质量验收规范的规定施工单位检查记录监理单位验收记录主控项目1上边坡必须稳定,严禁有松石、险石。
第6.8.2-1条施工与质量验收规范的规定不合格点的实测偏差值或实测值应测点数合格点数合格率(%)一般项目1允许偏差路床纵断高程(mm) +50;-1002 路床中线偏位(mm)≤303 路床宽(mm)不小于设计规定+B4 边坡不陡于设计规定平均合格率(%)施工单位检查意见质检员签名:监理单位验收结论监理工程师签名:第页,共页工程名称单位工程名称施工单位分包单位项目经理技术负责人施工工长分部工程名称分项工程名称验收部位主要工程数量验收规范及图号CJJ1-2008施工与质量验收规范的规定施工单位检查记录监理单位验收记录主控项目1压实密度应符合试验路段确定的施工工艺。
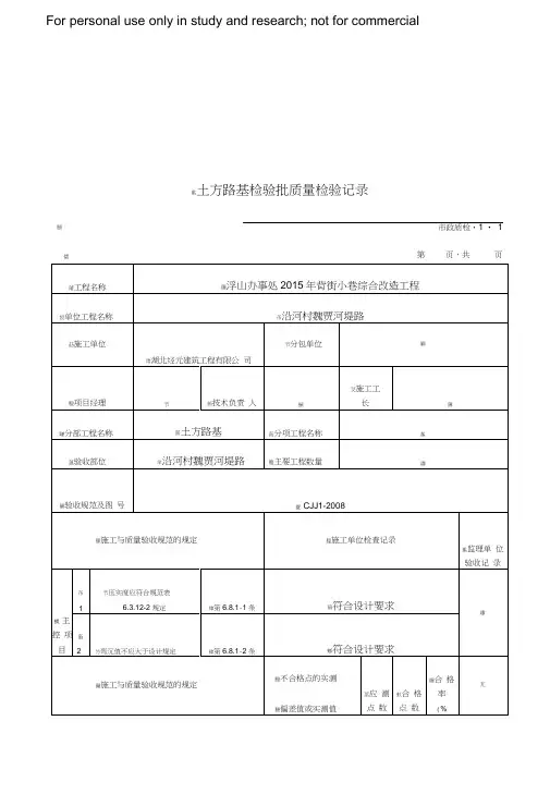
土方路基检验批质量检验记录 市政质检·1·1 第 页,共 页
工程名称 浮山办事处2015年背街小巷综合改造工程
单位工程名称 沿河村魏贾河堤路 施工单位 湖北经元建筑工程有限公司 分包单位 项目经理 技术负责人 施工工长 分部工程名称 土方路基 分项工程名称 验收部位 沿河村魏贾河堤路 主要工程数量 验收规范及图号 CJJ1-2008 施工与质量验收规范的规定 施工单位检查记录 监理单位验收记录
主控项目
1 压实度应符合规范表6.3.12-2规定 第6.8.1-1条 符合设计要求
2 弯沉值不应大于设计规定 第6.8.1-2条 符合设计要求
施工与质量验收规范的规定 不合格点的实测 偏差值或实测值 应测点数 合格点数 合格率(%)
一般项目
1 路床应平整、坚实,无显著轮迹、翻浆、波浪、起皮等现象,路堤边坡应密实、稳定、平顺。 第6.8.1-4条 符合设计要求 2 允许偏差 路床纵断高程(mm) -20,+10 -13 11 -1 2 5 2 3 路床中线偏位(mm) ≤30 25 16 18 12 19 26 4 路床平整度(mm) ≤15 12 11 12 16 8 6 5 路床宽度(mm) 不小于设计值+B(4M) 100 150 200 150 180 160
6 路床横坡(%) ±0.3%且不反坡 0.2 0.3 0.1 0.2 0.1 -0.1
7 边坡 不陡于设计值 0.07 0.06 0.08 0.08 0.09 0.06 平均合格率(%) 94.4% 施工 单位 检查 意见 主控项目合格,一般项目符合规范要求。 质检员签名: 年 月 日 监理 单位 验收 结论 监理工程师签名:
年 月 日
路肩检验批质量检验记录 市政质检·1·4 第 页,共 页
工程名称 浮山办事处2015年背街小巷综合改造工程
单位工程名称 沿河村魏贾河堤路
施工单位 湖北经元建筑工程有限公司 分包单位 项目经理 技术负责人 施工工长 分部工程名称 路肩 分项工程名称 验收部位 沿河村魏贾河堤路 主要工程数量 验收规范及图号 CJJ1-2008
施工与质量验收规范的规定 施工单位检查记录 监理单位验收记录
主控项目
施工与质量验收规范的规定 不合格点的实测 偏差值或实测值 应测点数 合格点数 合格 率(%)
一般项目
1 肩线应顺畅、表面平整,不积水、阻水。 第6.8.3-1条 符合要求
2
允许偏差
压实度 ≥90% 91 92 92 93 99 95 3 宽度(mm)
不小于设
计规定 √ √ √ √ √ √
4 横坡(%)
±1%且不
反坡 √ √ √ √ √ √ 平均合格率(%) 100% 施工 单位 检查 意见 主控项目合格,一般项目符合规范要求。 质检员签名: 年 月 日 监理单位验收结论 监理工程师签名:
年 月 日
混凝土面层检验批质量检验记录 市政质检·1·29 第 页,共 页 工程名称 浮山办事处2015年背街小巷综合改造工程
单位工程名称 沿河村魏贾河堤路
施工单位 湖北经元建筑工程有限公司 分包单位
项目经理 技术负责人 施工工长 分部工程名称 沿河村魏贾河堤路 分项工程名称 验收部位 混凝土面层 主要工程数量 验收规范及图号 CJJ1-2008
施工与质量验收规范的规定 施工单位检查记录 监理单位验收记录
主控项目
1 混凝土弯拉强度应符合设计要求。 第10.8.2-1条 符合要求
2 混凝土面层厚度应符合设计规定,允许偏差为±5mm 第10.8.2-2条 符合要求
3 抗滑构造深度应符合设计要求。 第10.8.2-3条 符合要求
施工与质量验收规范的规定 不合格点的实测 偏差值或实测值 应测点数 合格点数
合格
率
(%)
一般项目
1 水泥混凝土面层应板面平整、密实,边角应整齐、无裂缝、并不应有石子外露和浮浆、脱皮、踏痕、积水等现象,蜂窝麻面面积不得大于总面积的0.5%。
第10.8.2-4条 符合要求
2 伸缩缝应垂直、直顺,缝内不应有杂物。伸缩缝在规定的深度和宽度范围内应全部贯通,传力杆应与缝面垂直。
第10.8.2-5条 符合要求
3 允许偏差 纵断高程(㎜) ±15 15 12 13 -10 1 3
4 中线偏位(㎜) ≤20 20 21 12 15 16 17
5 平 整 度 (㎜)
标准差 σ值
快速路、主干路 ≤1.2
次干路、支路 ≤2 1.1 1.2 1.3 1.5 2 1.8 最大间隙
快速路、主干路 ≤3
次干路、支路 ≤5 4 3 2 3 2 1
6 宽度(㎜) 0,-20 -1 -15 -18 -19 -21 -10 7 横坡 ±0.3%且不反坡 0.2 0.1 0.3 0.2 0.1 0.1
8 井框与路面高差(㎜) ≤3 9 相邻板高差(㎜) ≤3 3 2 1 2 2 3 10 纵缝直顺度(㎜) ≤10 10 11 8 9 9 5
11 横缝直顺度(㎜) ≤10 8 9 8 7 8 6
12 蜂窝麻面面积(%) ≤2
平均合格率(%) 96.3%
施工单位检查意见
主控项目合格,一般项目符合规范要求。 质检员签名: 年 月 日 监理单位验收结论
监理工程师签名: 年 月 日
级配砂砾(级配砂石)基层及底基层检验批质量检验记录 市政质检·1·16 第 页,共 页
工程名称 浮山办事处2015年背街小巷综合改造工程
单位工程名称 沿河村魏贾河堤路 施工单位 湖北经元建筑工程有限公司 分包单位 项目经理 技术负责人 施工工长 分部工程名称 沿河村魏贾河堤路 分项工程名称 验收部位 路基垫层 主要工程数量 验收规范及图号 CJJ1-2008 施工与质量验收规范的规定 施工单位检查记录 监理单位验收记录 主控项目
1 集料质量及级配应符合规范第7.6.2条的规定。 第7.8.3-1条 符合要求
2 基层压实度大于等于97%,底基层压实度大于95%。 第7.8.3-2条 符合要求
3 弯沉值不应大于设计规定。 第7.8.3-3条
符合要求
施工与质量验收规范的规定 不合格点的实测 偏差值或实测值 应测点数 合格点数
合格率(%)
一般项目
1 表面应平整、坚实,无松散和粗、细集料集中现象。 第7.8.3-4条 符合要求
2
允许偏差
中线偏位(mm) ≤20 3 纵断高程 (mm)
基层 ±15 15 12 12 16 6 1
底基层 ±20
4 平整度 (mm)
底基层 ≤10
基层 ≤15 2 3 2 2 5 6 5 横坡(%)
±0.3%且不反
坡 0.2 0.3 0.4 1 -0.0
6 宽度(mm)
不小于设计规
定+B 200 180 150 120 130 100
7 厚度(mm)
砂石 +20,-10
砾石 +20, -10%层厚 1 1 2 3 5 6
平均合格率(%) 97%
施工 单位 检查 意见 主控项目合格,一般项目符合规范要求。 质检员签名: 年 月 日 监理单位验收结论 监理工程师签名:
年 月 日
水泥混凝土面层施工模板安装检验批质量验收记录表 CJJ 1—2008 工程名称 浮山办事处2015年背街小巷综合改造工程 施工单位 湖北经元建筑工程有限公司