电力电缆工程质量验收评定表
- 格式:doc
- 大小:274.00 KB
- 文档页数:9
成套配电柜、控制柜(屏、台)和动力、照明配电箱(盘)安装
检验批质量验收记录表
GB50303-2002
(Ⅰ)高压开关柜
成套配电柜、控制柜(屏、台)和动力、照明配电箱(盘)安装
检验批质量验收记录表
GB50303-2002
(Ⅱ)低压成套柜(屏、台)
成套配电柜、控制柜(屏、台)和动力、照明配电箱(盘)安装
检验批质量验收记录表
GB50303-2002
(Ⅲ)照明配电箱(盘)
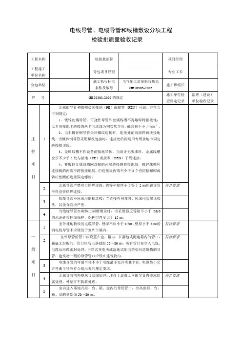
电线、电缆穿管和线槽敷线检验批质量验收记录表
GB50303-2002
电缆头制作、接线和线路绝缘测试检验批质量验收记录表
GB50303-2002
普通灯具安装检验批质量验收记录表
GB50303-2002
建筑物照明通电试运行检验批质量验收记录表
接地装置安装检验批质量验收记录表
GB50303-2002
避雷引下线和变配电室接地干线敷设检验批质量验收记录表
GB50303-2002
(Ⅰ)防雷引下线
避雷引下线和变配电室接地干线敷设检验批质量验收记录表
GB50303-2002
不间断电源安装检验批质量验收记录表
GB50303-2002
低压电气动力设备试验和试运行检验批质量验收记录表
GB50303-2002
分项工程质量验收记录
分部(子分部)工程质量验收记录。
城市10KV配网工程电缆线路工程质量检验评定表(二)电缆管配制及敷设分项工程质量检验评定表电缆管配制及敷设分项工程质量检验评定表)电缆支架安装分项工程质量检验评定表工程编号:表号:配缆02工序检验项目性质单位质量标准质量检验结果单项评定电缆架安装电缆托架配制按设计规定镀锌层完好预埋件布置按设计规定固定强度主要牢固布置及间距主要按设计规定最上(下)层横撑至沟顶或楼板距离按GB 50168-1992 中表4.0.3规定水平布置电缆架高低误差mm< 5垂直布置电缆架左右误差在有坡度的电缆沟内或建筑物上电缆架布置与电缆沟或建筑物冋坡度布置电缆架固定主要牢固电缆托架安装按设计规定组装后的钢结构竖井检查垂直误差mm< 0.2 %竖井高度支架横撑水平误差mm< 0.2 %竖井宽度对角线误差mm< 0.5 %竖井对角线长度外观检查无损伤,变形苴丿、它电缆架焊缝及竖井保护罩油漆完整电缆架全长接地牢固,全长导通良好质检机构质量检验评定意见电缆敷设分项工程质量检验评定表工程编号:表号:配缆3电缆敷设分项工程质量检验评定表工程编号:表号:配缆03(续)直埋电缆(隐蔽前)检查签证工程编号:表号:配缆4工程编号:表号:配缆5电力电缆中间接头制作安装分项工程质量检验评定表工程编号:表号:配缆06工序目项验检性质单位准标量质量质□□好良盒接间中缆电□伤损无、沖头接间中缆电格规盒夹接□缆电伤损无与芯线连接线连接接管与压与接要主口n皱褶隙空无间层均盖搭缆铅封油纸电置位□□电与壳处外套属护金属盒金□□1±隙卅缝牢财砂宀头表时附无粘□或接5地刺毛无接焊■□线0杳检封头接要•主□□□中间制作验收结论:头接质检机构质量检验评定意见电缆中间接头位置记录表号:配缆07电缆防火阻燃分项工程质量检验评定表-工序目项验检-性质-单位准标量质材料I验□全符糊0定规合符及阻火1嘀盘柜孔洞封堵一□固牢要□隙缝无<, e包火防□□置设墙隔火阻要□电缆封竖堵井要□亮光不固牢包火防□□要□隙缝无<, e其它□□昭览电纟力电J RP令□□缆电侧两墙隔火阻包带防火包绕□□定固0固牢扎堵封管缆电-要□□工程编号: 表号:配缆08验收结论:质检机构质量检验评定意见工序检验项目性 质单 位质量标准质量检验结果单项 评定附 件 安 装附件核对与各自产品使用说明相符合电缆接头安装主要符合OHF-469-030规定肘型电缆安装 主要符合 OHF-469-031规定套管、套管座及端子连接部清洁、无油污异物负荷开关开关、开关指示和相对位置一致开关操作检查灵活可靠电动检查动作可靠电气试验 主要符合规范和产品技术要求苴 丿、他箱内各零部件安装牢固、无松动电气元件、指示仪表完好无损坏控制接线方式及回路主要动作可靠保护系统 主要接线正确、动作可靠预留电缆长度符合设计要求接地线连接 主要牢固、可靠设备编号完善、清晰工程编号: 表号:配缆设备02 (续)验收结论:质检机构 质量评定意见 检验人签字 检验日期kV配电装置带电试运分部工程质量检验评定签证表。
电缆敷设分项工程质量检验评定表
单位工程名称:高河矿井瓦斯抽采泵站二期设备安装分项工程名称:电机安装分部工程名称:电气安装分项工程性质:一般
检验部位:
光缆敷设分项工程质量检验评定表(一)
单位工程名称:高河矿井选煤厂生产集控及调度系统安装分项工程名称:光缆敷设分部工程名称:分项工程性质:一般
光缆敷设分项工程质量检验评定表(二)
单位工程名称:高河矿井选煤厂生产集控及调度系统安装分项工程名称:光缆敷设分部工程名称:分项工程性质:一般
电缆敷设分项工程质量检验评定表(三)
单位工程名称:高河矿井选煤厂生产集控及调度系统安装分项工程名称:光缆敷设分部工程名称:分项工程性质:一般
注:d为电缆外径
分项工程质量检验评定报验申请表工程名称:高河矿井选煤厂生产集控及调度系统安装编号:。
全站电缆施工工程施工记录及质量验评表Q/CSG表2-7.0.135kV 及以上电缆敷设记录共页第页Q/CSG表2-7.0.1Q/CSG表2-7.0.2电缆敷设记录(设计变更部分)Q/CSG表2-7.0.3直埋电缆隐蔽前检查(签证)记录Q/CSG表2-7.0.4电力电缆中间接头位置记录Q/CSG 表2-7 全站电缆施工单位工程质量验收与评定记录表,未检查项打“/”;备注:1.检查意见栏填写要求:符合要求的检查项打“√”,不符合要求的检查项打“×”;2.验收结论栏填写“合格”或“不合格”3.单位工程质量验收是由业主项目部组织监理、设计、施工单位等单位参加的验收,验收合格后,移交给启委会验收组组织相关单位进行投产前的启动验收;Q/CSG表2-7.1 电缆管配制及敷设分部工程质量验收记录表工程编号:Q/CSG 表2-7.1Q/CSG表2-7.1.1电缆管配制及敷设分项工程质量验收记录表工程编号:Q/CSG表2-7.1.1电缆管配制及敷设分项工程质量验收记录表工程编号:Q/CSG 表2-7.2工程编号:Q/CSG 表2-7.2.1Q/CSG表2-7.3 电缆敷设分部工程质量验收记录表【W031】Q/CSG表2-7.3.1电缆敷设分项工程质量验收记录表工程编号:Q/CSG 表2-7.3.1Q/CSG表2-7.3.1续电缆敷设分项工程质量验收记录表工程编号:Q/CSG 表2-7.3.1续Q/CSG表2-7.3.2光缆敷设分项工程质量验收记录表工程编号:Q/CSG 表2-7.3.2【W031】Q/CSG表2-7.3.2续光缆敷设分项工程质量验收记录表工程编号:Q/CSG 表2-7.3.2续Q/CSG表2-7.3.3直埋电缆敷设分项工程质量验收记录表工程编号:Q/CSG 表2-7.3.3Q/CSG 表 2-7.4 电力电缆终端及中间接头制作安装分部工程质量验收记录表工程编号: Q/CSG 表 2-7.4Q/CSG 表 2-7.4.1 电力电缆终端制作安装分项工程质量验收记录表Q/CSG 表 2-7.4.2 电力电缆中间接头制作安装分项工程质量验收记录表Q/CSG表2-7.5 控制电缆终端制作及安装分部工程质量验收记录表工程编号:Q/CSG 表2-7.5Q/CSG表2-7.5.1控制电缆终端制作安装分项工程质量验收记录表工程编号:Q/CSG 表2-7.5.1Q/CSG表2-7.6 35kV 及以上电缆线路分部工程质量验收记录表工程编号:Q/CSG 表2-7.6Q/CSG表2-7.6.135kV 及以上电压等级电缆线路敷设分项工程质量验收记录表工程编号:Q/CSG 表2-7.6.1Q/CSG表2-7.6.1续35kV 及以上电缆线路分项工程质量验收记录表Q/CSG表2-7.7 电缆防火与阻燃分部工程质量验收记录表工程编号:Q/CSG 表2-7.7电缆防火阻燃分项工程质量验收记录表工程编号:Q/CSG 表2-7.7.1。