NFC14443A通信协议(主要知识点)梳理
- 格式:pdf
- 大小:493.26 KB
- 文档页数:8
中国金融集成电路(IC)卡与应用无关的非接触式规范中国金融集成电路(IC)卡标准修订工作组二零零四年九月目次1范围 (1)2参考资料 (2)3定义 (3)3.1集成电路Integrated circuit(s)(IC) (3)3.2无触点的Contactless (3)3.3无触点集成电路卡Contactless integrated circuit(s) card (3)3.4接近式卡Proximity card(PICC) (3)3.5接近式耦合设备Proximity coupling device(PCD) (3)3.6位持续时间Bit duration (3)3.7二进制移相键控Binary phase shift keying (3)3.8调制指数Modulation index (3)3.9不归零电平NRZ-L (3)3.10副载波Subcarrier (3)3.11防冲突环anticollision loop (3)3.12比特冲突检测协议bit collision detection protocol (3)3.13字节byte (3)3.14冲突collision (3)3.15基本时间单元(etu)elementary time unit(etu) (3)3.16帧frame (3)3.17高层higher layer (4)3.18时间槽协议time slot protocol (4)3.19唯一识别符Unique identifier(UID) (4)3.20块block (4)3.21无效块invalid block (4)4缩略语和符号表示 (5)5物理特性 (8)5.1一般特性 (8)5.2尺寸 (8)5.3附加特性 (8)5.3.1紫外线 (8)5.3.2X-射线 (8)5.3.3动态弯曲应力 (8)5.3.4动态扭曲应力 (8)5.3.5交变磁场 (8)5.3.6交变电场 (8)5.3.7静电 (8)5.3.8静态磁场 (8)5.3.9工作温度 (9)6射频功率和信号接口 (9)6.1PICC的初始对话 (9)6.2功率传送 (9)6.2.1频率 (9)6.2.2工作场 (9)6.3信号接口 (9)6.4A类通信信号接口 (10)6.4.1从PCD到PICC的通信 (10)6.4.2从PICC到PCD的通信 (12)6.5B类通信信号接口 (13)6.5.1PCD到PICC的通信 (13)6.5.2PICC到PCD的通信 (13)6.6PICC最小耦合区 (14)7初始化和防冲突 (15)7.1轮询 (15)7.2类型A-初始化和防冲突 (15)7.2.1字节、帧、命令格式和定时 (15)7.2.2PICC状态 (19)7.2.3命令集 (20)7.2.4选择序列 (21)7.3类型B 初始化和防冲突 (26)7.3.1比特、字节和帧的定时 (26)7.3.2CRC_B (28)7.3.3防冲突序列 (28)7.3.4PICC状态描述 (29)7.3.5命令集合 (31)7.3.6ATQB和Slot-MARKER响应概率规则 (31)7.3.7REQB命令 (31)7.3.8Slot-MARKER命令 (33)7.3.9ATQB(请求应答-类型B)响应 (33)7.3.10ATTRIB命令 (34)7.3.11对ATTRIB命令的应答 (36)7.3.12HALT命令及应答 (36)8传输协议 (38)8.1类型A PICC的协议激活 (38)8.1.1选择应答请求 (40)8.1.2选择应答 (40)8.1.3协议和参数选择请求 (43)8.1.4协议和参数选择响应 (45)8.1.5激活帧等待时间 (45)8.1.6差错检测和恢复 (45)8.2类型B PICC的协议激活 (46)8.3半双工块传输协议 (46)8.3.1块格式 (46)8.3.2帧等待时间(FWT) (49)8.3.3帧等待时间扩展 (49)8.3.4功率水平指示 (50)8.3.5协议操作 (50)8.4类型A和类型B PICC的协议停活 (52)8.4.1停活帧等待时间 (53)8.4.2差错检测和恢复 (53)9数据元和命令 (54)9.1关闭非接触通道命令 (54)9.1.1定义和范围 (54)9.1.2命令报文 (54)9.1.3命令报文数据域 (54)9.1.4响应报文数据域 (54)9.1.5响应报文状态码 (54)9.2激活非接触通道命令 (55)9.2.1定义和范围 (55)9.2.2命令报文 (55)9.2.3命令报文数据域 (55)9.2.4响应报文数据域 (55)9.2.5响应报文状态码 (55)附录A:标准兼容性和表面质量 (56)A.1.标准兼容性 (56)A.2.印刷的表面质量 (56)附录B:ISO/IEC其他卡标准参考目录 (57)附录C:类型A的通信举例 (58)附录D:CRC_A和CRC_B的编码 (60)D.1.CRC_A编码 (60)D.1.1.通过标准帧发送的比特模式举例 (60)D.2.CRC_B编码 (60)D.2.1.通过标准帧传送的比特模式实例 (60)D.2.2.用C语言写的CRC计算的代码例子 (61)附录E:类型A_时间槽-初始化和防冲突 (64)E.1.术语和缩略语 (64)E.2.比特、字节和帧格式 (64)E.2.1.定时定义 (64)E.2.2.帧格式 (64)E.3.PICC状态 (64)E.3.1.POWER-OFF状态 (64)E.3.2.IDLE状态 (65)E.3.3.READY状态 (65)E.3.4.ACTIVE状态 (65)E.3.5.HALT状态 (65)E.4.命令/响应集合 (65)E.5.时间槽防冲突序列 (65)附录F:详细的类型A PICC状态图 (67)附录G:使用多激活的举例 (69)附录H:协议说明书 (70)H.1.记法 (70)H.2.无差错操作 (70)H.2.1.块的交换 (70)H.2.2.等待时间扩展请求 (70)H.2.3.DESELECT (70)H.2.4. (71)H.3.差错处理 (71)H.3.1.块的交换 (71)H.3.2.等待时间扩展请求 (72)H.3.3.DESELECT (74)H.3.4. (74)附录I:块和帧编码概览 (77)1 范围本规范包括以下主要内容:-物理特性:规定了接近式卡(PICC)的物理特性。
中国金融集成电路(IC)卡非接触式规范二零零四年五月技术的进步给银行卡支付业务带来了令人振奋的机会和更多的业务渠道,如:移动电话、电子商务、非接触IC卡技术等新的支付技术正在蓬勃发展,特别是非接触式IC卡技术在交通、门禁、快餐等行业得到了广泛应用。
因此,愈来愈多的银行卡跨国公司、国家和地区都在积极进行非接触式金融IC卡试点,加大了对非接触式应用的开发和推广力度。
在国内,非接触式IC卡在行业应用中也获得了长足发展,由于《中国金融集成电路(IC)卡规范(V1.0)》针对接触式IC卡片,因此,各发卡机构没有统一的非接触式规范可以遵循,为了保持成员银行在卡支付领域的竞争优势、开拓新的支付市场、拓展金融IC卡应用、更加方便持卡人,“《中国金融集成电路(IC)卡规范》修订工作组”制订了《中国金融集成电路(IC)卡-非接触式规范》(以下简称《本规范》),作为《中国金融集成电路(IC)卡规范》修订标准的一部分。
《本规范》在内容上与与ISO/IEC 14443标准等同,增加了激活和关闭非接触式通道两条指令。
《本规范》适用于由银行发行或受理的带有非接触式金融IC卡应用。
其使用对象是与非接触式金融IC卡应用相关的卡片设计、制造、发行、管理,及应用系统的研制、开发、集成和维护等部门(单位),也可供非金融IC卡应用参考。
本规范由×××提出。
本规范由×××批准。
本规范由×××归口。
本规范起草单位×××。
本规范主要起草人×××。
本规范得到×××的协助。
1 范围 (1)2 引用标准 (2)3 术语和定义 (3)3.1 集成电路Integrated circuit(s)(IC) (3)3.2 无触点的Contactless (3)3.3 无触点集成电路卡Contactless integrated circuit(s) card (3)3.4 接近式卡Proximity card(PICC) (3)3.5 接近式耦合设备Proximity coupling device(PCD) (3)3.6 位持续时间Bit duration (3)3.7 二进制移相键控Binary phase shift keying (3)3.8 调制指数Modulation index (3)3.9 不归零电平NRZ-L (3)3.10 副载波Subcarrier (3)3.11 防冲突环anticollision loop (3)3.12 比特冲突检测协议bit collision detection protocol (3)3.13 字节byte (3)3.14 冲突collision (3)3.15 基本时间单元(etu)elementary time unit(etu) (3)3.16 帧frame (3)3.17 高层higher layer (4)3.18 时间槽协议time slot protocol (4)3.19 唯一识别符Unique identifier(UID) (4)3.20 块block (4)3.21 无效块invalid block (4)4 符号和缩略语 (5)5 物理特性 (8)5.1 一般特性 (8)5.2 尺寸 (8)5.3 附加特性 (8)5.3.1 紫外线 (8)5.3.2 X-射线 (8)5.3.3 动态弯曲应力 (8)5.3.4 动态扭曲应力 (8)5.3.5 交变磁场 (8)5.3.6 交变电场 (8)5.3.7 静电 (8)5.3.8 静态磁场 (8)5.3.9 工作温度 (9)6 射频功率和信号接口 (9)6.1 PICC的初始对话 (9)6.2 功率传送 (9)6.2.1 频率 (9)6.2.2 工作场 (9)6.3 信号接口 (9)6.4 A类通信信号接口 (10)6.4.1 从PCD到PICC的通信 (10)6.4.2 从PICC到PCD的通信 (12)6.5 B类通信信号接口 (13)6.5.1 PCD到PICC的通信 (13)6.5.2 PICC到PCD的通信 (13)6.6 PICC最小耦合区 (14)7 初始化和防冲突 (16)7.1 轮询 (16)7.2 类型A-初始化和防冲突 (16)7.2.1 字节、帧、命令格式和定时 (16)7.2.2 PICC状态 (20)7.2.3 命令集 (21)7.2.4 选择序列 (22)7.3 类型B 初始化和防冲突 (27)7.3.1 比特、字节和帧的定时 (27)7.3.2 CRC_B (29)7.3.3 防冲突序列 (29)7.3.4 PICC状态描述 (30)7.3.5 命令集合 (32)7.3.6 ATQB和Slot-MARKER响应概率规则 (32)7.3.7 REQB命令 (32)7.3.8 Slot-MARKER命令 (34)7.3.9 ATQB(请求应答-类型B)响应 (34)7.3.10 ATTRIB命令 (35)7.3.11 对A TTRIB命令的应答 (37)7.3.12 HALT命令及应答 (37)8 传输协议 (39)8.1 类型A PICC的协议激活 (39)8.1.1 选择应答请求 (41)8.1.2 选择应答 (41)8.1.3 协议和参数选择请求 (44)8.1.4 协议和参数选择响应 (46)8.1.5 激活帧等待时间 (46)8.1.6 差错检测和恢复 (46)8.2 类型B PICC的协议激活 (47)8.3 半双工块传输协议 (47)8.3.1 块格式 (47)8.3.2 帧等待时间(FWT) (50)8.3.3 帧等待时间扩展 (50)8.3.4 功率水平指示 (51)8.3.5 协议操作 (51)8.4 类型A和类型B PICC的协议停活 (53)8.4.1 停活帧等待时间 (54)8.4.2 差错检测和恢复 (54)9 数据元和命令 (55)9.1 关闭非接触通道命令 (55)9.1.1 定义和范围 (55)9.1.2 命令报文 (55)9.1.3 命令报文数据域 (55)9.1.4 响应报文数据域 (55)9.1.5 响应报文状态码 (55)9.2 激活非接触通道命令 (56)9.2.1 定义和范围 (56)9.2.2 命令报文 (56)9.2.3 命令报文数据域 (56)9.2.4 响应报文数据域 (56)9.2.5 响应报文状态码 (56)附录 A:标准兼容性和表面质量 (57)A.1. 标准兼容性 (57)A.2. 印刷的表面质量 (57)附录 B: ISO/IEC其他卡标准参考目录 (58)附录 C:类型A的通信举例 (59)附录 D: CRC_A和CRC_B的编码 (61)D.1. CRC_A编码 (61)D.1.1. 通过标准帧发送的比特模式举例 (61)D.2. CRC_B编码 (61)D.2.1. 通过标准帧传送的比特模式实例 (61)D.2.2. 用C语言写的CRC计算的代码例子 (62)附录 E:类型A_时间槽-初始化和防冲突 (65)E.1. 术语和缩略语 (65)E.2. 比特、字节和帧格式 (65)E.2.1. 定时定义 (65)E.2.2. 帧格式 (65)E.3. PICC状态 (65)E.3.1. POWER-OFF状态 (65)E.3.2. IDLE状态 (66)E.3.3. READY状态 (66)E.3.4. ACTIVE状态 (66)E.3.5. HALT状态 (66)E.4. 命令/响应集合 (66)E.5. 时间槽防冲突序列 (66)附录 F:详细的类型A PICC状态图 (68)附录 G:使用多激活的举例 (70)附录 H:协议说明书 (71)H.1. 记法 (71)H.2. 无差错操作 (71)H.2.1. 块的交换 (71)H.2.2. 等待时间扩展请求 (71)H.2.3. DESELECT (71)H.2.4. 链接 (72)H.3. 差错处理 (72)H.3.1. 块的交换 (72)H.3.2. 等待时间扩展请求 (73)H.3.3. DESELECT (75)H.3.4. 链接 (75)附录 I:块和帧编码概览 (78)1 范围本规范包括以下主要内容:-物理特性:规定了接近式卡(PICC)的物理特性。
NFC14443A通信协议主要知识点梳理NFC(Near Field Communication)是一种短距离的无线通信技术,它基于13.56MHz的无线射频标准,可用于实现设备之间的近距离通信、数据传输和支付等功能。
在NFC技术中,主要采用了ISO/IEC 14443A通信协议来实现设备之间的数据交换。
本文将对NFC14443A通信协议的主要知识点进行梳理和介绍。
一、ISO/IEC 14443A通信协议概述ISO/IEC 14443A通信协议是NFC技术中用于实现13.56MHz射频标准的一种协议,它定义了设备之间的数据交换方式、通信协议和数据传输格式等规范。
该协议在NFC技术中应用非常广泛,包括支付、门禁控制、电子票务等场景。
二、ISO/IEC 14443A通信协议的数据传输格式ISO/IEC 14443A通信协议定义了设备之间的数据传输格式。
在通信过程中,数据被分为帧(frame)进行传输。
每一帧包含了起始标识符、有效数据、纠错码和终止标识符等字段。
通过这些字段的组合,设备可以识别数据帧的起始和结束,确保数据的可靠传输。
三、ISO/IEC 14443A通信协议的通信方式ISO/IEC 14443A通信协议定义了设备之间的通信方式。
在通信过程中,设备之间会进行一系列的请求和响应,以完成数据的传输。
通信的主要步骤包括初始化、选择、认证、数据交换和终止等。
通过这些步骤的组合,设备可以在NFC技术下实现可靠的通信。
四、ISO/IEC 14443A通信协议的安全性ISO/IEC 14443A通信协议对于数据的安全性提供了一定的保障。
在通信过程中,设备之间需要进行认证和加密等操作,以确保数据的安全传输。
通信协议中采用了密码学算法和密钥管理等技术,使得数据的传输过程中具备一定的抗干扰和防篡改的能力。
五、ISO/IEC 14443A通信协议的应用场景ISO/IEC 14443A通信协议在NFC技术中被广泛应用于多个场景。
竭诚为您提供优质文档/双击可除nfc协议iso14443中文篇一:RFid协议iso14443国际标准国际化RFid常用协议标准射频标签的通信标准是标签芯片设计的依据,目前国际上与RFid相关的通信标准主要有:iso/iec18000标准(包括7个部分,涉及125khz,13.56mhz,433mhz,860-960mhz,2.45ghz等频段),iso11785(低频),iso/iec14443标准(13.56mhz),iso/iec15693标准(13.56mhz),epc标准(包括class0,class1和gen2等三种协议,涉及hF和uhF两种频段),dsRc标准(欧洲etc标准,含5.8ghz)。
a)iso/iec14443近耦合ic卡,最大的读取距离为10cm.iso/iec14443协议的读写器读取距离较近,基本为近距离。
其中,iso/iec14443a主要应用在生产自动化、门禁考勤、安防、一卡通和产品防伪等领域;iso/iec14443b主要应用是我国的二代身份证;b)iso/iec15693疏耦合ic卡,最大的读取距离为1m.iso/iec15693协议读写器读取距离较远,可远距离通信。
它的应用范围较广,生产自动化、医疗管理、珠宝盘点、资产管理、停车场管理和产品防伪、门禁考勤、会议签到、无障碍通道、资产管理、物流及供应链、图书管理、医药管理和门禁门票等领域。
现在按频率对一些常用标准做一些简单介绍(并附带介绍一下接触式ic卡的协议标准):1、iso7816:对接触式ic卡进行了一些规范。
2、125khz~135khz:iso18000-2,对低频识别RFid进行了一些规范。
举例:em4100:只读低频芯片。
em4469/4569:11个块,44个字节,512bit存储空间。
ata5567:7个块,28个字节,330bit存储空间。
ata5567是e5550、e5551、e5554、t5557的升级产品。
编号:_______________本资料为word版本,可以直接编辑和打印,感谢您的下载nfc协议iso14443中文甲方:___________________乙方:___________________日期:___________________nfc协议iso14443中文篇一:RFid协议iso14443国际标准国际化RFid常用协议标准射频标签的通信标准是标签芯片设计的依据,目前国际上与RFid相关的通信标准主要有:iso/iec18000 标准(包括7 个部分,涉及125khz,13.56mhz,433mhz,860 - 960mhz,2.45ghz 等频段),iso11785 (低频),iso/iec14443 标准(13.56mhz), iso/iec15693 标准(13.56mhz), epc 标准(包括class0,class1 和gen2等三种协议,涉及hF和uhF两种频段),dsRc标准(欧洲etc标准,含5.8ghz )。
a)iso/iec14443 近耦合ic卡,最大的读取距离为10cm.iso/iec14443 协议的读写器读取距离较近,基本为近距离。
其中,iso/iec14443a 主要应用在生产自动化、门禁考勤、安防、一"通和产品防伪等领域;iso/iec14443b 主要应用是我国的二代身份证;b)iso/iec15693 疏耦合ic卡,最大的读取距离为1m.iso/iec15693 协议读写器读取距离较远,可远距离通信。
它的应用范围较广,生产自动化、医疗管理、珠宝盘点、资产管理、停车场管理和产品防伪、门禁考勤、会议签到、无障碍通道、资产管理、物流及供应链、图书管理、医药管理和门禁门票等领域。
现在按频率对一些常用标准做一些简单介绍(并附带介绍一下接触式ic卡的协议标准):1、iso7816 :对接触式ic卡进行了一些规范。
2、125khz~135khz : iso18000-2,对低频识别RFid 进行了一些规范。
14443A协议相关CY—14443A系列支持Mifare S50,S70,UltraLight&Mifare Pro,FM11RF08等兼容卡片。
可以自动寻卡,默认情况下为自动寻卡。
ISO14443 Type A(ISO 14443A):此标准规范最远读取距离在7~15mm范围内,属超短距离非接触式RFID卡类。
它分成以下两派:1.Phillips及infineon研制的Mifare提供快速的读写功能(使用13.56MHz工作频率)总容量达1Kbytes具在卡片唯一识别码(Unique Identifier,UID),安全管制,电子钱包功能2.Inside Contactless公司提供的PicoPass version A14443A协议中并没有具体规定对射频卡的读写操作方式,故对每种卡的读写操作都必须考虑该卡的存储区域组织形式和应答形式。
MIFARE卡内部存储器是由E2PROM组成的,共划分为16个扇区,每个扇区4个块,每块16字节。
对E2PROM的读写都以块为单位进行,即每次读/写16字节。
非接触式IC卡技术是现在应用非常广泛的一门技术,既有操作便利快捷、可靠性高、寿命长、防伪性能好、抗干扰能力强等优点。
ISO/IEC 14443 TYPE A协议所使用的频率在射频识别系统中属于高频频段,这个频段的协议比较成熟,应用也比较广泛。
ISO/IEC 14443 TYPE A定义的卡是近耦合卡(PICC),对应的读卡器简写为PCD,采用13.56MHZ工作频率,具有防冲突机制。
目前同类产品读卡器的实现大多采用专用的射频读写集成芯片,结构简单,实现方便,但是专用的射频读写集成芯片涉及国外RFID芯片设计的相关知识产权。
14443A协议中并没有具体规定对射频卡的读写操作方式,故对每种卡的读写操作都必须考虑该卡的存储区域组织形式和应答形式。
MIFARE卡内部存储器是由E2PROM组成的,共划分为16个扇区,每个扇区4个块,每块16字节。
编号:_______________本资料为word版本,可以直接编辑和打印,感谢您的下载nfc协议iso14443中文甲方:___________________乙方:___________________日期:___________________nfc协议iso14443中文篇一:RFid协议iso14443国际标准国际化RFid常用协议标准射频标签的通信标准是标签芯片设计的依据,目前国际上与RFid相关的通信标准主要有:iso/iec18000 标准(包括7 个部分,涉及125khz,13.56mhz,433mhz,860 - 960mhz,2.45ghz 等频段),iso11785 (低频),iso/iec14443 标准(13.56mhz), iso/iec15693 标准(13.56mhz), epc 标准(包括class0,class1 和gen2等三种协议,涉及hF和uhF两种频段),dsRc标准(欧洲etc标准,含5.8ghz )。
a)iso/iec14443 近耦合ic卡,最大的读取距离为10cm.iso/iec14443 协议的读写器读取距离较近,基本为近距离。
其中,iso/iec14443a 主要应用在生产自动化、门禁考勤、安防、一"通和产品防伪等领域;iso/iec14443b 主要应用是我国的二代身份证;b)iso/iec15693 疏耦合ic卡,最大的读取距离为1m.iso/iec15693 协议读写器读取距离较远,可远距离通信。
它的应用范围较广,生产自动化、医疗管理、珠宝盘点、资产管理、停车场管理和产品防伪、门禁考勤、会议签到、无障碍通道、资产管理、物流及供应链、图书管理、医药管理和门禁门票等领域。
现在按频率对一些常用标准做一些简单介绍(并附带介绍一下接触式ic卡的协议标准):1、iso7816 :对接触式ic卡进行了一些规范。
2、125khz~135khz : iso18000-2,对低频识别RFid 进行了一些规范。
NFC14443A通信协议梳理
1.基本概念:
-NFC:指的是近距离无线通信技术,通常情况下NFC设备之间的通信
距离为数厘米。
2.通信模式:
-主动通信模式:一个设备作为主机,另一个设备作为被动设备,主
机为被动设备提供电力。
-被动通信模式:两个设备都可以作为被动设备,不需要提供电力。
3.物理层通信:
-载波调制:通信设备将数据调制到13.56MHz的载波频率上进行传输。
-感应耦合:当设备靠近时,感应电流会在两个设备之间感应并产生
电磁耦合。
-感应耦合范围:通常情况下,感应耦合的范围为几厘米到十几厘米。
4.数据交换方式:
-初始化:
-主机设备发送请求以建立通信连接。
-被动设备响应请求,并发送自己的唯一标识符。
-选定设备:
-主机设备根据被动设备的唯一标识符选中一个设备进行通信。
-发送命令和接收响应:
-主机设备发送命令给被动设备。
-被动设备接收并解析命令,并返回响应。
-终止通信:
-主机设备发送终止命令以结束通信。
5.数据格式:
- Type A:由4位的位计数器及4个块组成,每个块有16个字节。
- Type B:由4位的位计数器及4个块组成,每个块有16个字节。
- Type C:由4个块组成,每个块有16个字节。
6.安全性:
-身份验证:通过检查设备的唯一标识符,可以确保设备的合法性。
-数据加密:使用加密算法对数据进行加密,确保数据安全。
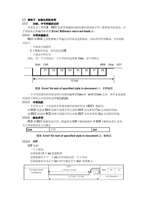
中国金融集成电路(IC)卡与应用无关的非接触式规范中国金融集成电路(IC)卡标准修订工作组二零零四年九月目次1 范围 (1)2 参考资料 (2)3 定义 (3)3.1 集成电路Integrated circuit(s)(IC) (3)3.2 无触点的Contactless (3)3.3 无触点集成电路卡Contactless integrated circuit(s) card (3)3.4 接近式卡Proximity card(PICC) (3)3.5 接近式耦合设备Proximity coupling device(PCD) (3)3.6 位持续时间Bit duration (3)3.7 二进制移相键控Binary phase shift keying (3)3.8 调制指数Modulation index (3)3.9 不归零电平NRZ-L (3)3.10 副载波Subcarrier (3)3.11 防冲突环anticollision loop (3)3.12 比特冲突检测协议bit collision detection protocol (3)3.13 字节byte (3)3.14 冲突collision (3)3.15 基本时间单元(etu)elementary time unit(etu) (3)3.16 帧frame (3)3.17 高层higher layer (4)3.18 时间槽协议time slot protocol (4)3.19 唯一识别符Unique identifier(UID) (4)3.20 块block (4)3.21 无效块invalid block (4)4 缩略语和符号表示 (5)5 物理特性 (8)5.1 一般特性 (8)5.2 尺寸 (8)5.3 附加特性 (8)5.3.1 紫外线 (8)5.3.2 X-射线 (8)5.3.3 动态弯曲应力 (8)5.3.4 动态扭曲应力 (8)5.3.5 交变磁场 (8)5.3.6 交变电场 (8)5.3.7 静电 (8)5.3.8 静态磁场 (8)5.3.9 工作温度 (9)6 射频功率和信号接口 (9)6.1 PICC的初始对话 (9)6.2 功率传送 (9)6.2.1 频率 (9)6.2.2 工作场 (9)6.3 信号接口 (9)6.4 A类通信信号接口 (10)6.4.1 从PCD到PICC的通信 (10)6.4.2 从PICC到PCD的通信 (12)6.5 B类通信信号接口 (13)6.5.1 PCD到PICC的通信 (13)6.5.2 PICC到PCD的通信 (13)6.6 PICC最小耦合区 (14)7 初始化和防冲突 (15)7.1 轮询 (15)7.2 类型A-初始化和防冲突 (15)7.2.1 字节、帧、命令格式和定时 (15)7.2.2 PICC状态 (19)7.2.3 命令集 (20)7.2.4 选择序列 (21)7.3 类型B 初始化和防冲突 (26)7.3.1 比特、字节和帧的定时 (26)7.3.2 CRC_B (28)7.3.3 防冲突序列 (28)7.3.4 PICC状态描述 (29)7.3.5 命令集合 (31)7.3.6 ATQB和Slot-MARKER响应概率规则 (31)7.3.7 REQB命令 (31)7.3.8 Slot-MARKER命令 (33)7.3.9 ATQB(请求应答-类型B)响应 (33)7.3.10 ATTRIB命令 (34)7.3.11 对A TTRIB命令的应答 (36)7.3.12 HALT命令及应答 (36)8 传输协议 (38)8.1 类型A PICC的协议激活 (38)8.1.1 选择应答请求 (40)8.1.2 选择应答 (40)8.1.3 协议和参数选择请求 (43)8.1.4 协议和参数选择响应 (45)8.1.5 激活帧等待时间 (45)8.1.6 差错检测和恢复 (45)8.2 类型B PICC的协议激活 (46)8.3 半双工块传输协议 (46)8.3.1 块格式 (46)8.3.2 帧等待时间(FWT) (49)8.3.3 帧等待时间扩展 (49)8.3.4 功率水平指示 (50)8.3.5 协议操作 (50)8.4 类型A和类型B PICC的协议停活 (52)8.4.1 停活帧等待时间 (53)8.4.2 差错检测和恢复 (53)9 数据元和命令 (54)9.1 关闭非接触通道命令 (54)9.1.1 定义和范围 (54)9.1.2 命令报文 (54)9.1.3 命令报文数据域 (54)9.1.4 响应报文数据域 (54)9.1.5 响应报文状态码 (54)9.2 激活非接触通道命令 (55)9.2.1 定义和范围 (55)9.2.2 命令报文 (55)9.2.3 命令报文数据域 (55)9.2.4 响应报文数据域 (55)9.2.5 响应报文状态码 (55)附录 A:标准兼容性和表面质量 (56)A.1. 标准兼容性 (56)A.2. 印刷的表面质量 (56)附录 B: ISO/IEC其他卡标准参考目录 (57)附录 C:类型A的通信举例 (58)附录 D: CRC_A和CRC_B的编码 (60)D.1. CRC_A编码 (60)D.1.1. 通过标准帧发送的比特模式举例 (60)D.2. CRC_B编码 (60)D.2.1. 通过标准帧传送的比特模式实例 (60)D.2.2. 用C语言写的CRC计算的代码例子 (61)附录 E:类型A_时间槽-初始化和防冲突 (64)E.1. 术语和缩略语 (64)E.2. 比特、字节和帧格式 (64)E.2.1. 定时定义 (64)E.2.2. 帧格式 (64)E.3. PICC状态 (64)E.3.1. POWER-OFF状态 (64)E.3.2. IDLE状态 (65)E.3.3. READY状态 (65)E.3.4. ACTIVE状态 (65)E.3.5. HALT状态 (65)E.4. 命令/响应集合 (65)E.5. 时间槽防冲突序列 (65)附录 F:详细的类型A PICC状态图 (67)附录 G:使用多激活的举例 (69)附录 H:协议说明书 (70)H.1. 记法 (70)H.2. 无差错操作 (70)H.2.1. 块的交换 (70)H.2.2. 等待时间扩展请求 (70)H.2.3. DESELECT (70)H.2.4. 链接 (71)H.3. 差错处理 (71)H.3.1. 块的交换 (71)H.3.2. 等待时间扩展请求 (72)H.3.3. DESELECT (74)H.3.4. 链接 (74)附录 I:块和帧编码概览 (77)1 范围本规范包括以下主要内容:-物理特性:规定了接近式卡(PICC)的物理特性。
中国金融集成电路(IC)卡与应用无关的非接触式标准中国金融集成电路(IC)卡标准修订工作组二零零四年九月目次1 范围......................................................错误!未定义书签。
2 参考资料..................................................错误!未定义书签。
3 概念......................................................错误!未定义书签。
集成电路 Integrated circuit(s)(IC)..............错误!未定义书签。
无触点的 Contactless ..............................错误!未定义书签。
无触点集成电路卡 Contactless integrated circuit(s) card错误!未定义书签。
接近式卡 Proximity card(PICC)...................错误!未定义书签。
接近式耦合设备 Proximity coupling device(PCD)...错误!未定义书签。
位持续时刻 Bit duration ...........................错误!未定义书签。
二进制移相键控 Binary phase shift keying ..........错误!未定义书签。
调制指数 Modulation index .........................错误!未定义书签。
不归零电平 NRZ-L ..................................错误!未定义书签。
副载波 Subcarrier .................................错误!未定义书签。
防冲突环 anticollision loop .......................错误!未定义书签。
ISO1443A通信协议梳理
1.NFC ISO组织架构
1、MifareClassic工作在Type2 标签下使用MifareClassic专有协议。
SAK&0x18不为0 (SAK
见卡枚举防碰撞过程)
2、Type4标签非接触智能卡支持ISO14443A-4,在14443A-4基础上实现ISO7814-4及以
上协议,实现了ISO7816上层兼容。
2.ISO14443A调制方式及其速率
ISO14443A 调制方式:
PCD:13.56MHz 100% ASK 106kbps
PICC:使用副载波848KHz OOK(ASK)106kbps
3.ISO1443A-3 卡枚举及防碰撞协议
详情见“14443-3.pdf”这里只简述其枚举过程:
1、PCD周期性打开RF并发送REQA请求
2、PICC收到REQA请求后返回ATQA
3、PCD收到ATQA并判断是否支持Anticollision
4、如果不支持Anticollision(ISO14443A-3)既为Type1 标签(topaz协议)
5、支持防碰撞即ISO14443A-3,进行Anticollision Loop
6、通过Anticollision Loop可以感知多个PICC存在,并且能够读取所有PICC的UID
7、PCD使用的SELECT 命令完成碰撞循环,并且PICC 最终返回SAK,指示是否支持
ISO14443-4,其定义如下:
8、SAK不支持14443-4且SAK&0x18不为0的情况下判断为MifareClassic卡。
(见
MifareClassic卡规格书MF1S50YYX_V1.pdf及MF1S70YYX_V1.pdf文档)
9、SAK支持14443-4 (见ISO14443A-4 卡激活流程)
10、其流程图如下:
4.ISO14443A-4 卡激活
详情见“14443-4.pdf”这里只简述其激活过程:
1、PCD通过SAK判断支持ISO14443A-4协议后发送RATS命令请求SELECT后的应答。
RATS命令包含PCD所能接收的最大数据包大小以及指定该PICC的逻辑ID号,如下:
2、PICC收到RATS后返回ATS,ATS包含PICC的一些通信参数,其结构如下:
具体的内部参数定义见ISO14443-4协议文档
3、支持PPS的情况下进行参数选择
4、PICC被激活,其流程如下:
5.ISO14443A-4 数据通信
详情见ISO14443-4文档“Half-duplex block transmission protocol”章节
1、ISO14443-4数据块格式如下:
数据块通过PCB分为信息块(I-block)、应答块(R-block)、控制块(S-block)三种,分别传送信息、应答、和控制信息。
并且多个信息块可以指示其相互连接。
3、数据通信框图如下:
3、ISO14443A-4支持多激活,多张卡通信,详细信息见官方文档。
4、多数非接触式智能卡在ISO14443-4基础上实现ISO7816-4,实现其APDU命令。
见
Mifare DESfire文档(MF2DLHX0.pdf)。