13.2—3设备单机试运转及调试记录
- 格式:doc
- 大小:32.00 KB
- 文档页数:1
12设备单机试运转记录日期:XXXX年XX月XX日试运设备:XXX设备试运时长:XX时XX分试运地点:XXXX工厂试运人员:XXX工程师,XXX技术员设备参数:-设备型号:XXX-额定功率:XXX-额定电流:XXX-供电方式:XXX-运行温度范围:XXX-运行湿度范围:XXX试运过程:1.开始试运转之前,XXX设备的所有部件和连接线路已经完成检查和调整,并按照操作手册的要求进行正确配置。
2.将XXX设备的电源线接入供电插座,确认电源稳定并正常。
3.按照操作手册的步骤,开启设备的电源开关。
设备的指示灯亮起,表示电源供应正常。
4.设备进入初始界面,操作人员根据操作手册的指引,将设备调整到停机状态。
5.在停机状态下,对设备进行外观检查,确认设备各部件完好无损,未发现明显破损或脱落。
6.操作人员按照操作手册的要求,逐步启动设备的各项功能,并对每个功能进行测试和验证。
a.检查各个按钮和开关是否正常灵活,无堵塞或按钮失灵现象。
b.检查设备的显示屏是否正常显示,并无乱码或闪烁现象。
c.检查设备的传感器和探测器是否正常工作,对于温度、湿度等环境参数进行测试和检测。
d.检查设备的运转部件,如电机、泵、风机等是否正常运转,无异常噪音或振动。
7.操作人员根据操作手册的要求,对设备进行不同工况下的试运转,包括正常运转、负载运转、断电恢复等情况,确保设备能够稳定工作并正常响应各种操作指令。
8.在试运转过程中,记录设备运行状态和性能数据,包括电流、功率、温度、湿度等参数,以及运行时间、运行稳定性等评估指标。
9.在试运转结束后,将设备恢复到停机状态,并对设备进行最后的检查,确认设备各功能、部件都正常完好,无损坏或问题。
10.试运转结束,编写试运转记录,记录设备运行情况、发现的问题和解决措施等信息。
试运转总结:本次设备单机试运转过程中,XXX设备表现出良好的运行稳定性和正常响应能力。
在各功能测试和工况模拟中,设备运行正常,未出现明显故障或异常情况。
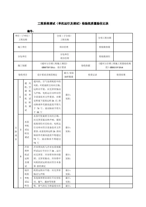
设备单机试运转记录
表E3-1编号:
工程名称试运转时间年月日
设备部位图号设备名称规格型号
试水日期/设备所在系统额定数据
序号试验项目试验记录试验结论
1轴承温度风机温度为66℃符合设备技术文件规定
2减震效果减震装置工作正常符合设计和施工规范要
求
3内部响声内部无异响符合设计技术文件规定
试运转结果:风机在额定转速下单机连续运转2H,叶轮转向正确,运转平稳,无异常振动与响声,其电机功率,轴承升温符合设备技术文件规定。
符合设计和施工规范要求,合格
参加人员签字监理(建设)单位
施工单位湖北省泰立消防系统工程有限公司
技术负责人质检员施工员
本表由施工单位填写,建设单位、施工单位、城建档案馆各保存一份。
1 / 1。
附表1:设备单机检查调试记录表设备单机检查调试记录表检查人:填表人:附表2:设备单机检查调试记录表检查人:填表人:设备单机检查调试记录表附表3:设备单机检查调试记录表设备名称:给煤机设备编号:设备所在车间:年月日检查人:填表人:设备单机检查调试记录表检查人:填表人:附表4:设备单机检查调试记录表检查人:填表人:设备单机检查调试记录表附表5:设备单机检查调试记录表检查人:填表人:设备单机检查调试记录表设备名称:筛分机械设备编号:设备所在车间:年月日检查人:填表人:附表6:设备单机检查调试记录表检查人:填表人:设备单机检查调试记录表检查人:填表人:附表7:设备单机检查调试记录表设备名称:除铁器设备编号:设备所在车间:年月日检查人:填表人:设备单机检查调试记录表检查人:填表人:附表8:设备单机检查调试记录表设备单机检查调试记录表设备名称:斗提机设备编号:设备所在车间:年月日检查人:填表人:附表9:设备单机检查调试记录表检查人:填表人:设备单机检查调试记录表检查人:填表人:附表10:设备单机检查调试记录表检查人:填表人:设备单机检查调试记录表检查人:填表人:附表11:设备单机检查调试记录表设备单机检查调试记录表设备名称:链式给煤机设备编号:设备所在车间:年月日检查人:填表人:附表12:设备单机检查调试记录表检查人:填表人:设备单机检查调试记录表检查人:填表人:附表13:设备单机检查调试记录表检查人:填表人:设备单机检查调试记录表检查人:填表人:附表14:设备单机检查调试记录表检查人:填表人:设备单机检查调试记录表设备名称:压滤机设备编号:设备所在车间:年月日检查人:填表人附表15:设备单机检查调试记录表设备单机检查调试记录表检查人:填表人附表16:设备单机检查调试记录表检查人:填表人:设备单机检查调试记录表检查人:填表人附表17:设备单机检查调试记录表检查人:填表人:设备单机检查调试记录表设备名称:跳汰设备编号:设备所在车间:年月日检查人:填表人附表18:设备单机检查调试记录表设备单机检查调试记录表检查人:填表人附表19:设备单机检查调试记录表检查人:填表人:设备单机检查调试记录表检查人:填表人附表20:设备单机检查调试记录表设备单机检查调试记录表设备名称:快速定量装车站设备编号:设备所在车间:年月日检查人:填表人。
设备单机试运转记录运转设备试运行记录工程名称设备名称潜水离心泵施工单位规格型号试验单位额定数据流量1021m3/h,扬程27m,功率132KW;流量565m3/h,扬程27m,功率75KW*2台设备所在系统压力输送系统台数3台试运行时间试验自年01月0日时00分起至年0月日11时30分止试运行性质□空负荷试运行;□负荷试运行序号重点检查项目主要技术要求试验结论1 盘车检查转动灵活,无异常现象正常2 有无异常音响无异常噪音、声响无异响3 轴承温度1.滑动轴承及往复运动部件的温升不得超过35CO,最高温度不得超过65CO2.滚动轴承的温升不得超过40CO,最高温度不得超过75CO3.填料函或机械密封的温度应符合规定。
温度正常4 其他主要部位的温度及各系统的压力参数在规定范围内参数正常5 驱动电机的电压、电流1号泵:ABC三相电压/电流:符合要求;2号泵:ABC三相电压/电流:符合要求;3号泵:ABC三相电压/电流:符合要求;正常6 机器各部位的紧固情况无松动现象紧固正常综合结论:□合格□不合格监理(建设)单位专业负责人施工单位项目负责人质检员专业负责人运转设备试运行记录编号:bzsbts02工程名称设备名称放空潜水排污泵施工单位规格型号试验单位额定数据功率3.8KW设备所在系统放空系统台数3台试运行时间试验自2年0月06日1时00分起至20年0月6日时30分止试运行性质□空负荷试运行;□负荷试运行序号重点检查项目主要技术要求试验结论1 盘车检查转动灵活,无异常现象正常2 有无异常音响无异常噪音、声响无异响3 轴承温度1、滑动轴承及往复运动部件的温升不得超过35CO,最高温度不得超过65CO2、滚动轴承的温升不得超过40CO,最高温度不得超过75CO3、填料函或机械密封的温度应符合规定温度正常4 其他主要部位的温度及各系统的压力参数在规定范围内参数正常5 振动值不超过规定值正常6 驱动电机的电压、电流及温升不超过规定值正常7 机器各部位的紧固情况无松动现象紧固正常综合结论:□合格□不合格监理(建设)单位专业负责施工单位人项目负责人质检员专业负责人运转设备试运行记录编号:bzsbts03工程名称设备名称单梁悬挂起重机施工单位规格型号LX3-4.5MA3试验单位额定数据起重量3T,高度18米设备所在系统起重设备台数2台试运行时间试验自年0月日09时00分起至20年0月1日11时30分止试运行性质□空负荷试运行;□负荷试运行序号重点检查项目主要技术要求试验结论1 试车检查电机的运转方向、手轮、手柄、按钮、和控制器的操作指示方向,应与机构的运动及动作的实际方向要求相一致一致2 启停位置缓冲器、车档、夹轨器、锚定装置应安装正确、动作灵敏、安全可靠。
设备单机试运转调试记
录
Revised by Chen Zhen in 2021
株质安监统编
2008施记(K)-8设备单机试运转调试记录工程名称:仁达大楼 307408□□
本表一式三份:施工、监理、建设各一份。
株质安监统编
2008施记(K)-8
设备单机试运转调试记录
工程名称:仁达大楼307408□□
本表一式三份:施工、监理、建设各一份。
株质安监统编
2008施记(K)-8
设备单机试运转调试记录
工程名称:仁达大楼307408□□
本表一式三份:施工、监理、建设各一份。
株质安监统编
2008施记(K)-8
设备单机试运转调试记录
工程名称:仁达大楼307408□□
本表一式三份:施工、监理、建设各一份。
株质安监统编
2008施记(K)-8
设备单机试运转调试记录
工程名称:仁达大楼307408□□
本表一式三份:施工、监理、建设各一份。
设备单机试运转及调试记录一、设备概况本次试运转及调试的设备为一台全自动包装机,用于瓶装饮料的包装。
二、试运转过程1.检查设备首先对设备进行检查,确保各个部件安装牢固,电源接线正常,各个开关按钮灵活可用。
2.运行设备接通电源后,打开总电源开关,设备开始自检,各个指示灯和显示屏正常亮起。
然后按下启动按钮,设备进入正常运行状态。
3.设置包装参数根据产品要求,设定包装参数,包括包装速度、瓶子尺寸、包装材料等。
通过观察操作面板上的显示,确保参数设置正确。
4.试运转5.检查包装质量6.记录问题及优化在试运转过程中,记录设备的运行情况,包括出现的异常现象、改进的参数设置等。
根据记录的问题及优化点,进行调整和改进。
三、调试过程1.问题分析根据试运转过程中记录的异常现象,进行问题分析。
确定问题的原因及可能的解决方案。
2.参数调整3.试运转进行参数调整后,再次进行试运转,观察问题是否得到解决。
如仍有问题,可以根据需要多次进行参数调整和试运转。
4.记录调试过程在调试过程中,记录参数调整的结果及设备运行状态。
记录调试前后的对比数据,以评估调试的效果。
5.最终验证当设备运行稳定、问题解决后,进行最终验证。
将一批实际产品放入设备进行包装,观察包装质量是否符合要求。
同时,进行设备连续运行测试,确认设备在长时间运行下的稳定性和可靠性。
6.结束记录整理并保存试运转及调试的记录,以备后续参考和分析。
四、总结通过设备的单机试运转及调试,我们对设备的工作原理和运行情况有了全面了解,解决了一些潜在问题并进行了优化。
同时,也为设备的后续运行提供了参考和依据。
通过这次试运转及调试,我们对设备的性能和可靠性有了更深入的认识,为设备的正式投产奠定了基础。
时监理(建设)单位项目技术负责人综合结论: 合 格□ 不合格施 工 单 位质检员6驱动电机的电压、电流及温升不超过规定值7机器各部位的紧固情况无松动现象4其他主要部位的温度及各系统的压力参数在规定范围内5振动值不超过规定值2有无异常音响无异常噪音、声响3轴承温度 1.滑动轴承及往复运动部件的温升不得超过35℃,最高温度不得超过65℃ 2.滚动轴承的温升不得超过40℃,最高温度不得超过75℃ 3.填料函或机械密封的温度应符合技术文件的规定序号重点检查项目主 要 技 术 要 求试验结论1盘车检查转动灵活,无异常现象时分止试运行性质□空负荷试运行; 负荷试运行设备所在系统台 数试运行时间试验自分起至施工单位规格型号试验单位 额定数据 C.11.204-07-C6-
工程名称
设备名称设备单机试运转记录编号。
设备单机检查调试记录表.doc附表1:设备单机检查调试记录表设备名称:胶带输送机设备编号:设备所在车间:年月日检查人:填表人:设备单机检查调试记录表设备名称:胶带输送机设备编号:设备所在车间:年月日检查人:填表人:附表2:设备单机检查调试记录表设备名称:刮板输送机设备编号:设备所在车间:年月日检查人:填表人:设备单机检查调试记录表设备名称:刮板输送机设备编号:设备所在车间:年月日检查人:填表人:附表3:设备单机检查调试记录表设备名称:给煤机设备编号:设备所在车间:年月日检查人:填表人:设备单机检查调试记录表设备名称:刮板输送机设备编号:设备所在车间:年月日检查人:填表人:附表4:设备单机检查调试记录表设备名称:破碎机设备编号:设备所在车间:年月日检查人:填表人:设备单机检查调试记录表设备名称:破碎机设备编号:设备所在车间:年月日检查人:填表人:附表5:设备单机检查调试记录表设备名称:筛分机械设备编号:设备所在车间:年月日检查人:填表人:设备单机检查调试记录表设备名称:筛分机械设备编号:设备所在车间:年月日检查人:填表人:附表6:设备单机检查调试记录表设备名称:泵设备编号:设备所在车间:年月日检查人:填表人:设备单机检查调试记录表设备名称:泵设备编号:设备所在车间:年月日检查人:填表人:附表7:设备单机检查调试记录表设备名称:除铁器设备编号:设备所在车间:年月日检查人:填表人:设备单机检查调试记录表设备名称:除铁器设备编号:设备所在车间:年月日检查人:填表人:附表8:设备单机检查调试记录表设备名称:斗提机设备编号:设备所在车间:年月日检查人:填表人:设备单机检查调试记录表设备名称:斗提机设备编号:设备所在车间:年月日检查人:填表人:附表9:设备单机检查调试记录表设备名称:离心机设备编号:设备所在车间:年月日检查人:填表人:设备单机检查调试记录表设备名称:离心机设备编号:设备所在车间:年月日检查人:填表人:附表10:设备单机检查调试记录表设备名称:甲带给煤机设备编号:设备所在车间:年月日检查人:填表人:。