电学元件伏安特性的测量实验报告附
- 格式:docx
- 大小:59.60 KB
- 文档页数:4
电路元件伏安特性的测量(实验报告答案)实验一电路元件伏安特性的测量一、实验目的1.学习测量电阻元件伏安特性的方法;2.掌握线性电阻、非线性电阻元件伏安特性的逐点测试法;3.掌握直流稳压电源和直流电压表、直流电流表的使用方法。
二、实验原理在任何时刻,线性电阻元件两端的电压与电流的关系,符合欧姆定律。
任何一个二端电阻元件的特性可用该元件上的端电压U与通过该元件的电流I之间的函数关系式I=f(U)来表示,即用I-U平面上的一条曲线来表征,这条曲线称为电阻元件的伏安特性曲线。
根据伏安特性的不同,电阻元件分为两大类:线性电阻和非线性电阻。
线性电阻元件的伏安特性曲线是一条通过坐标原点的直线,如图1-1(a)所示。
该直线的斜率只由电阻元件的电阻值R决定,其阻值R为常数,与元件两端的电压U和通过该元件的电流I无关;非线性电阻元件的伏安特性曲线不是一条经过坐标原点的直线,其阻值R不是常数,即在不同的电压作用下,电阻值是不同的。
常见的非线性电阻如白炽灯丝、普通二极管、稳压二极管等,它们的伏安特性曲线如图1-1(b)、(c)、(d)所示。
在图1-1中,U >0的部分为正向特性,U<0的部分为反向特性。
(a)线性电阻(b)白炽灯丝绘制伏安特性曲线通常采用逐点测试法,电阻元件在不同的端电压U 作用下,测量出相应的电流I ,然后逐点绘制出伏安特性曲线I =f (U ),根据伏安特性曲线便可计算出电阻元件的阻值。
三、实验设备与器件1.直流稳压电源 1 台2.直流电压表 1 块3.直流电流表 1 块4.万用表 1 块5.白炽灯泡 1 只6. 二极管 1 只7.稳压二极管 1 只8.电阻元件 2 只四、实验内容1.测定线性电阻的伏安特性按图1-2接线。
调节直流稳压电源的输出电压U ,从0伏开始缓慢地增加(不得超过10V ),在表1-1中记下相应的电压表和电流表的读数。
2将图1-2中的1kΩ线性电阻R 换成一只12V ,0.1A 的灯泡,重复1的步骤,在表1-2中记下相应的电压表和电流表的读数。
伏安特性曲线的测量实验报告篇一:电路元件伏安特性的测量实验一电路元件伏安特性的测量一、实验目的1.学习测量电阻元件伏安特性的方法;2.掌握线性电阻、非线性电阻元件伏安特性的逐点测试法;3.掌握直流稳压电源和直流电压表、直流电流表的使用方法。
二、实验原理在任何时刻,线性电阻元件两端的电压与电流的关系,符合欧姆定律。
任何一个二端电阻元件的特性可用该元件上的端电压U与通过该元件的电流I之间的函数关系式I=f来表示,即用I-U 平面上的一条曲线来表征,这条曲线称为电阻元件的伏安特性曲线。
根据伏安特性的不同,电阻元件分为两大类:线性电阻和非线性电阻。
线性电阻元件的伏安特性曲线是一条通过坐标原点的直线,如图1-1(a)所示。
该直线的斜率只由电阻元件的电阻值R决定,其阻值R为常数,与元件两端的电压U和通过该元件的电流I无关;非线性电阻元件的伏安特性曲线不是一条经过坐标原点的直线,其阻值R不是常数,即在不同的电压作用下,电阻值是不同的。
常见的非线性电阻如白炽灯丝、普通二极管、稳压二极管等,它们的伏安特性曲线如图1-1(b)、(c)、(d)所示。
在图1-1中,U >0的部分为正向特性,U<0的部分为反向特性。
线性电阻白炽灯丝绘制伏安特性曲线通常采用逐点测试法,电阻元件在不同的端电压U作用下,测量出相应的电流I,然后逐点绘制出伏安特性曲线I=f,根据伏安特性曲线便可计算出电阻元件的阻值。
三、实验设备与器件1.直流稳压电源1 台2.直流电压表1 块3.直流电流表1 块4.万用表 1 块5.白炽灯泡 1 只6. 二极管1 只7.稳压二极管1 只8.电阻元件 2 只四、实验内容1.测定线性电阻的伏安特性按图1-2接线。
调节直流稳压电源的输出电压U,从0伏开始缓慢地增加(不得超过10V),在表1-1中记下相应的电压表和电流表的读数。
2将图1-2中的1kΩ线性电阻R换成一只12V,的灯泡,重复1的步骤,在表1-2中记下相应的电压表和电流表的读数。
大学物理实验电子元件伏安特性的测量实验报告
一、实验背景
伏安特性是电子元件特有的量化特性,可以在一定条件下揭示元件特性。
它指电子元
件在一定电压驱动器的作用下,随温度、频率和导通阻抗(或输入电阻)变化而产生不同
的电流。
实验室中,我们使用了特定的示波器和电源来测量NPN 型三极管伏安特性进行实验。
二、实验仪器和装备
实验背景实验室中的仪器和设备有:台式示波器,电压电源,波形分析仪,测量系统,以及电路板等。
三、实验设计
用示波器观察NPN三极管的伏安特性的变化,改变示波器的电压、频率和输入电阻来
测量NPN 类型三极管的伏安特性。
用电源给NPN 三极管供电,并使用测量系统记录电流。
四、实验结果与分析
(1)当电源电压改变时,NPN三极管伏安特性的测量变化如下图所示:

可以从图中看出,随着电源电压的增大,NPN 三极管的伏安特性越来越陡峭。
五、结论
本次实验中,我们通过测量NPN 三极管伏安特性,发现电源电压、频率和输入电阻对其特性有影响。
实验证明,熟练掌握伏安特性的测量技术,可以帮助我们更好地理解电子
元件的性能。
大学物理实验伏安特性实验报告一、实验目的1、了解电学元件伏安特性的概念和意义。
2、掌握测量电学元件伏安特性的基本方法。
3、学会使用电流表、电压表、滑线变阻器等仪器。
4、学会分析实验数据,绘制伏安特性曲线,并根据曲线得出元件的特性参数。
二、实验原理伏安特性是指电学元件两端的电压与通过它的电流之间的关系。
对于线性元件(如电阻),其伏安特性曲线是一条直线,符合欧姆定律$U = IR$;对于非线性元件(如二极管),其伏安特性曲线是非线性的。
在测量伏安特性时,通常采用限流电路或分压电路来改变元件两端的电压,从而测量不同电压下通过元件的电流。
限流电路简单,但电压调节范围较小;分压电路电压调节范围大,但电路相对复杂。
三、实验仪器1、直流电源:提供稳定的直流电压。
2、电流表:测量通过元件的电流,量程根据实验需求选择。
3、电压表:测量元件两端的电压,量程根据实验需求选择。
4、滑线变阻器:用于改变电路中的电阻,从而调节元件两端的电压。
5、待测电学元件(如电阻、二极管等)。
6、开关、导线若干。
四、实验内容与步骤1、测量线性电阻的伏安特性按照电路图连接实验电路,选择限流电路。
调节滑线变阻器,使电阻两端的电压从 0 开始逐渐增加,每隔一定电压值记录对应的电流值。
重复测量多次,以减小误差。
2、测量二极管的伏安特性按照电路图连接实验电路,选择分压电路。
正向特性测量:缓慢增加二极管两端的正向电压,记录不同电压下的电流值。
反向特性测量:逐渐增加反向电压,测量并记录反向电流值。
注意反向电压不能超过二极管的反向击穿电压。
3、数据记录设计合理的数据表格,记录测量的电压和电流值。
五、实验数据处理与分析1、线性电阻以电压为横坐标,电流为纵坐标,绘制伏安特性曲线。
根据曲线计算电阻值,与标称值进行比较。
2、二极管分别绘制正向和反向伏安特性曲线。
分析正向特性曲线,找出导通电压。
观察反向特性曲线,了解反向饱和电流和反向击穿现象。
六、实验误差分析1、仪器误差电流表、电压表的精度有限,可能导致测量误差。
电路分析实验报告(电阻元件伏安特性的测量)
电力分析实验报告
实验一电阻元件伏安特性的测量
一、实验目的:
(1)学习线性电阻元件和非线性电阻元件伏安特性的测试方式。
(2)学习直流稳压电源、万用表、电压表的使用方法。
二、实验原理及说明
(1)元件的伏安特性。
如果把电阻元件的电压取为横坐标,电流取为纵坐标,画出电压与电流的关系曲线,这条曲线称为该电阻元件的伏安特性。
(2)线性电阻元件的伏安特性在u-i平面上是通过坐标原点的直线,与元件电压和电流方向无关,是双向性的元件。
元件的电阻值可由下式确定:R=u/i=(m u/m i)tgα,期中m u和m i分别是电压和电流在u-i平面坐标上的比例。
三、实验原件
U s是接电源端口,R1=120Ω,R2=51Ω,二极管D3为IN5404,电位器Rw
四、实验内容
(1)线性电阻元件的正向特性测量。
(2)反向特性测量。
(3)计算阻值,将结果记入表中
(4)测试非线性电阻元件D3的伏安特性
(5)测试非线性电阻元件的反向特性。
表1-1 线性电阻元件正(反)向特性测量
表1-5 二极管IN4007正(反)向特性测量
五、实验心得
(1)每次测量或测量后都要将稳压电源的输出电压跳回到零值(2)接线时一定要考虑正确使用导线。
第1篇一、实验概述伏安特性实验是电学基础实验之一,旨在通过测量电学元件在电压与电流作用下的关系,绘制出伏安特性曲线,从而分析元件的电阻特性。
本实验采用逐点测试法,对线性电阻、非线性电阻元件的伏安特性进行了测量和绘制。
二、实验目的1. 理解伏安特性曲线的概念,掌握伏安特性曲线的绘制方法。
2. 通过实验验证欧姆定律,了解电阻元件的伏安特性。
3. 分析非线性电阻元件的特性,掌握其应用领域。
三、实验原理1. 伏安特性曲线:在电阻元件两端施加电压,通过电阻元件的电流与电压之间的关系称为伏安特性曲线。
根据伏安特性的不同,电阻元件分为线性电阻和非线性电阻。
2. 线性电阻:线性电阻元件的伏安特性曲线是一条通过坐标原点的直线,斜率代表电阻值。
其阻值R为常数,与元件两端的电压U和通过该元件的电流I无关。
3. 非线性电阻:非线性电阻元件的伏安特性曲线不是一条经过坐标原点的直线,其阻值R不是常数,即在不同的电压作用下,电阻值是不同的。
四、实验步骤1. 准备实验仪器:直流稳压电源、直流电压表、直流电流表、电阻元件、导线等。
2. 连接实验电路:将电阻元件与直流稳压电源、直流电压表、直流电流表连接成闭合回路。
3. 测量电压与电流:逐步调节直流稳压电源的输出电压,记录对应的电流值。
4. 绘制伏安特性曲线:以电压为横坐标,电流为纵坐标,将实验数据绘制成曲线。
五、实验结果与分析1. 线性电阻伏安特性曲线:实验结果表明,线性电阻元件的伏安特性曲线是一条通过坐标原点的直线。
斜率代表电阻值,与实验理论相符。
2. 非线性电阻伏安特性曲线:实验结果表明,非线性电阻元件的伏安特性曲线不是一条经过坐标原点的直线。
在低电压下,电阻值较小,随着电压的增大,电阻值逐渐增大,直至趋于饱和。
这与实验理论相符。
3. 伏安特性曲线的应用:通过伏安特性曲线,可以分析电阻元件在不同电压下的电阻值,从而了解电阻元件的电阻特性。
在工程实践中,伏安特性曲线对于设计电路、选择电阻元件具有重要意义。
电路元件伏安特性实验报告电路元件伏安特性实验报告引言:电路元件的伏安特性是研究电路中电流与电压之间关系的重要实验。
通过对电路元件的伏安特性进行实验研究,可以深入理解电路中的电流流动规律,探索电阻、电容、电感等元件的特性,为电路设计和应用提供理论依据。
本次实验主要研究了电阻、电容和二极管的伏安特性,并进行了数据分析和讨论。
一、电阻的伏安特性实验1. 实验目的:研究电阻的伏安特性,了解电阻的电流与电压关系。
2. 实验器材:电阻箱、直流电源、电流表、电压表、导线等。
3. 实验步骤:(1)将电阻箱连接到直流电源的正负极,将电流表和电压表分别与电阻箱相连。
(2)依次调整电阻箱的阻值,记录不同电阻下的电流和电压值。
(3)根据记录的数据绘制伏安特性曲线。
4. 实验结果与分析:通过实验数据绘制的伏安特性曲线,可以清晰地看出电阻的特性。
根据欧姆定律,电阻的电流与电压成正比,即I=U/R,其中I为电流,U为电压,R为电阻。
实验数据与理论公式相符,验证了欧姆定律的正确性。
二、电容的伏安特性实验1. 实验目的:研究电容的伏安特性,了解电容的电流与电压关系。
2. 实验器材:电容器、直流电源、电流表、电压表、导线等。
3. 实验步骤:(1)将电容器连接到直流电源的正负极,将电流表和电压表分别与电容器相连。
(2)依次调整直流电源的电压,记录不同电压下的电流值。
(3)根据记录的数据绘制伏安特性曲线。
4. 实验结果与分析:通过实验数据绘制的伏安特性曲线,可以观察到电容的特性。
根据电容的定义,电容器的电流与电压存在一定的滞后关系。
在直流电路中,电容器对电流的阻碍作用随着电压的增加而减小,电流逐渐趋于稳定。
实验结果与理论预期相符,验证了电容特性的准确性。
三、二极管的伏安特性实验1. 实验目的:研究二极管的伏安特性,了解二极管的电流与电压关系。
2. 实验器材:二极管、直流电源、电流表、电压表、导线等。
3. 实验步骤:(1)将二极管连接到直流电源的正负极,将电流表和电压表分别与二极管相连。
警告:本实验报告是居于模拟万用电表MF47测量所得的数据进行处理得到的。
可以模仿,切勿抄袭!实验一:电路元件伏安特性的测绘一、实验目的1、学会识别常用电路元件的方法2、掌握线性电阻、非线性电阻元件伏安特性的逐点测试法3、掌握实验装置上直流电工仪表和设备的使用方法。
二、原理说明任何一个二端元件的特性可用该元件上的端电压U与通过该元件的电流I之间的函数关系()UI=来表示,即用UfI-平面上的一条曲线来表征,这条曲线称为该元件的伏安特性曲线。
1、线性电阻器的伏安特性曲线是一条过坐标原点的直线,如图1-1中的a曲线所示,该直线的斜率等于该电阻器的电导值。
2、一般的白炽灯泡在工作时灯丝处于高温状态,其灯丝电阻随着温度的上升而增大,通过白炽灯的电流越大,其温度越高,阻值也也大,一般灯泡的“冷电阻”与“热电阻”的阻值可相差几倍甚至几十倍,所以它的伏安特性如图1-1中的b曲线所示。
3、一般的半导体二极管是一个非线性电阻元件,其特性如图1-1中的c曲线,正向压降很小(一般鍺管约为0.2-0.3V,硅管约为0.5-0.7V),正向电流随正向压降的升高而急遽上升,而反向电压从零一直增加到十几至几十伏时,其反向电流增加很小,粗略地可视为零。
可见,二极管具有单向导电性,但反向电压加得过高,超过管子的极限值,则会导致管子击穿损坏。
4、稳压二极管是一种特殊的半导体二极管,其正向特性与普通二极管类似,但其反向特性较特别,如图1-1中的d曲线。
在反向电压开始增加时,其反向电压开始增加的时候,其反向电流几乎为零,但当反向电压增加到某一数值是(称为管子的稳压值,有各种不同稳压值的稳压管)电流将突然增大,以后它的端电压将维持恒定,不再随外加的反向电压的升高而增大。
序号名称型号与规格数量备注1可调直流稳压电源0-10V 12 直流数字毫安表 13 直流数字电压表 14 二极管2AP9 15 稳压管2CW51 16 线性电阻器100Ω 1四、实验内容1、测定线性电阻器的伏安特性按图1-2接线,调节直流稳压电源的输出电压U,从0V开始缓慢地增加,一直到9V,记下相应的电压表和电流表的读数。
《电学元件伏安特性的测量》实验报告(数据附页)一、半定量观察分压电路的调节特点变阻器 R=470ΩU/V00.53751.131.722. 342.9000.46250.941.422. 062.9000.27250. 4600 0.518750. 962.90二、用两种线路测电阻的对比研究电流表准确度等级,量程I m=5mA,R I =±Ω电压表准确度等级,量程U m=,R V=±Ω;量程 U m=3V, R V=±Ω被测电阻约数12 k Ωk Ω电压表量程 U m/V3记录电流表内接电压读数 U/V电流读数 I/mA计算讨论三、m3电压表量程 U/V电流表外接电压读数 U/V电流读数 I/mAR k ΩΩ电流表内接R/R简化计算误差1. 04 k ΩΩR k ΩΩ电流表外接R/R简化计算误差k ΩΩ比较简化计算误差,说明简化内接外接处理时哪种方法好比较R/R,说明应用哪种接法外接内接好测定半导体二极管正反向伏安特性外接法U/V I/mA U/V I/mA内接法U/V I/mA U/V I/mA由于正向二极管的电阻很小,采用外接法的数据;反向电阻很大,采用内接法的数据。
四、戴维南定理的实验验证1.将 9V 电源的输出端接到四端网络的输入端上,组成一个有源二端网络,求出等效电动势 E e和等效内阻 R e。
(外接法)序号1234567U/VI/mA修正后的结果:序号1234567U/V0.761 0.738 0.713 0.685 0. 654 0.625 0.591I/mA4. 314. 404.504.594.684.774. 88取第二组和第七组数据计算得到:E e= R e =Ω由作图可得:E e= R e =Ω2.用原电路和等效电路分别加在相同负载上,测量外电路的电压和电流值。
200Ω1kΩ负载U/V I/mA U/V I/mA原电路等效电路相对误差17. 3%16.3%8.7%5. 7%3.理论计算。
【关键字】报告伏安特性实验报告篇一:电路元件伏安特性的测量(实验报告答案)实验一电路元件伏安特性的测量一、实验目的1.学习测量电阻元件伏安特性的方法;2.掌握线性电阻、非线性电阻元件伏安特性的逐点尝试法;3.掌握直流稳压电源和直流电压表、直流电流表的使用方法。
二、实验原理在任何时刻,线性电阻元件两端的电压与电流的关系,符合欧姆定律。
任何一个二端电阻元件的特性可用该元件上的端电压U与通过该元件的电流I之间的函数关系式I=f(U)来表示,即用I-U平面上的一条曲线来表征,这条曲线称为电阻元件的伏安特性曲线。
根据伏安特性的不同,电阻元件分为两大类:线性电阻和非线性电阻。
线性电阻元件的伏安特性曲线是一条通过坐标原点的直线,如图1-1(a)所示。
该直线的斜率只由电阻元件的电阻值R 决定,其阻值R为常数,与元件两端的电压U和通过该元件的电流I无关;非线性电阻元件的伏安特性曲线不是一条经过坐标原点的直线,其阻值R不是常数,即在不同的电压作用下,电阻值是不同的。
常见的非线性电阻如白炽灯丝、普通二极管、稳压二极管等,它们的伏安特性曲线如图1-1(b)、(c)、(d)所示。
在图1-1中,U >0的部分为正向特性,U<0的部分为反向特性。
(a)线性电阻(b)白炽灯丝绘制伏安特性曲线通常采用逐点尝试法,电阻元件在不同的端电压U作用下,测量出相应的电流I,然后逐点绘制出伏安特性曲线I=f(U),根据伏安特性曲线便可计算出电阻元件的阻值。
三、实验设备与器件1.直流稳压电源1 台2.直流电压表1 块3.直流电流表1 块4.万用表1 块5.白炽灯泡 1 只6. 二极管1 只7.稳压二极管1 只8.电阻元件 2 只四、实验内容1.测定线性电阻的伏安特性按图1-2接线。
调节直流稳压电源的输出电压U,从0伏开始缓慢地增加(不得超过10V),在表1-1中记下相应的电压表和电流表的读数。
2将图1-2中的1kΩ线性电阻R换成一只12V,0.1A的灯泡,重复1的步骤,在表1-2中记下相应的电压表和电流表的读数。
伏安特性曲线的测量实验报告篇一:电路元件伏安特性的测量实验一电路元件伏安特性的测量一、实验目的1.学习测量电阻元件伏安特性的方法;2.掌握线性电阻、非线性电阻元件伏安特性的逐点测试法;3.掌握直流稳压电源和直流电压表、直流电流表的使用方法。
二、实验原理在任何时刻,线性电阻元件两端的电压与电流的关系,符合欧姆定律。
任何一个二端电阻元件的特性可用该元件上的端电压U与通过该元件的电流I之间的函数关系式I=f来表示,即用I-U 平面上的一条曲线来表征,这条曲线称为电阻元件的伏安特性曲线。
根据伏安特性的不同,电阻元件分为两大类:线性电阻和非线性电阻。
线性电阻元件的伏安特性曲线是一条通过坐标原点的直线,如图1-1(a)所示。
该直线的斜率只由电阻元件的电阻值R决定,其阻值R为常数,与元件两端的电压U和通过该元件的电流I无关;非线性电阻元件的伏安特性曲线不是一条经过坐标原点的直线,其阻值R不是常数,即在不同的电压作用下,电阻值是不同的。
常见的非线性电阻如白炽灯丝、普通二极管、稳压二极管等,它们的伏安特性曲线如图1-1(b)、(c)、(d)所示。
在图1-1中,U >0的部分为正向特性,U<0的部分为反向特性。
线性电阻白炽灯丝绘制伏安特性曲线通常采用逐点测试法,电阻元件在不同的端电压U作用下,测量出相应的电流I,然后逐点绘制出伏安特性曲线I=f,根据伏安特性曲线便可计算出电阻元件的阻值。
三、实验设备与器件1.直流稳压电源1 台2.直流电压表1 块3.直流电流表1 块4.万用表 1 块5.白炽灯泡 1 只6. 二极管1 只7.稳压二极管1 只8.电阻元件 2 只四、实验内容1.测定线性电阻的伏安特性按图1-2接线。
调节直流稳压电源的输出电压U,从0伏开始缓慢地增加(不得超过10V),在表1-1中记下相应的电压表和电流表的读数。
2将图1-2中的1kΩ线性电阻R换成一只12V,的灯泡,重复1的步骤,在表1-2中记下相应的电压表和电流表的读数。
电学元件伏安特性的测量实验报告实验室时间:××年×月×日实验目的:1. 掌握熟悉U-I特性曲线的基本概念及特点;2. 初步掌握测量电阻、电容、二极管及晶体管的U-I特性曲线和参数。
实验设备:1. 电压表、电流表;2. 直流电源、电阻箱、电容箱、二极管、晶体管等元件;3. 连线板等。
实验原理:伏安特性曲线反映的是电阻、电容、电子器件(如二极管、晶体管)等物质导电性能及其应用特性。
为了研究伏安特性曲线,必须对不同种类的元器件作出不同的电路连接方式。
1. 测量电阻的U-I特性曲线电流强度与电阻的电压成正比,可用相对静态的实验来得到系数值,这种关系在电阻值较小,电流较大时不成立。
用伏安法进行测量,将待测电阻 R 内加上串联电压 E,从而测定系统的电压和电流,并绘制伏安特性曲线的直线部分。
电容 U-I 特性曲线可用图示所示的方法加以测定:取正放极连接正端,靠中间放置电阻进行电压分压使 Uc=0.2U0,按启动键开启,记录并得到测量数据。
二极管的两端电压与电流成非线性关系,需要一些复杂的电路,比如在电压加一定峰值后,不论将电压值加大或减小,二极管都仅仅流过一个定值电流的电路。
晶体管是有放大和开关作用的元件,晶体管有基极,发射极和集电极三个电极,电流和电压之间的关系比较复杂需要一些分流分压的技术方法。
实验过程:构成实验电路如图所示,电源的电压设为1V,通过VCM 将电源输出的电压分为 R1 和R2 上,记录输出的电压和流过的电流,根据实际得到伏安特性曲线如下:电阻值R(Ω) 测量电压 V(mV) 测量电流 I(mA)10 100 1020 200 1040 400 10电容的阻抗是由电容的电容值和信号频率决定的,用升压和降压并计算所用时间的方法来获得一定频率下的 U-I 特性曲线,取电容电压0.2U0,同时使电容电压保持稳定,记录输出电压和流过电容的电流,根据实际得到伏安特性曲线如下:二极管的 U-I 特性曲线是由电路配置和外加电压决定的,二极管整流电路的 U-I 特性曲线如下:取晶体管三极管为配置,设置主控电压 V0 = 0.6V,分别记录三个节点的电压和流过晶体管的电流,然后绘制输出的 U-I 特性曲线如下:实验总结:经过实验,我们熟悉了伏安特性曲线的基本概念及特点,初步掌握了测量电阻、电容、二极管及晶体管的 U-I 特性曲线和参数的方法。
电路元件伏安特性的测绘实验报告实验目的,通过实验测绘电路元件的伏安特性曲线,掌握电路元件的基本特性和参数。
实验仪器与设备,数字万用表、直流电源、电阻箱、导线等。
实验原理,伏安特性曲线是用来描述电路元件在电压和电流作用下的关系曲线,通过测绘伏安特性曲线可以了解电路元件的工作特性和参数。
在直流电路中,电阻的伏安特性曲线是一条直线,而二极管、三极管等元件的伏安特性曲线则呈现出非线性特性。
实验步骤:1. 连接电路,按照实验电路图连接数字万用表、直流电源和电阻箱,确保连接正确无误。
2. 调节电压,通过调节直流电源的电压,使其在一定范围内变化,以便测绘伏安特性曲线。
3. 测量电流,通过数字万用表测量电路中的电流数值,并记录下来。
4. 测绘伏安特性曲线,根据测量得到的电压和电流数值,绘制伏安特性曲线图表。
实验数据处理与分析:1. 根据实验测量得到的电压和电流数据,绘制伏安特性曲线图表。
2. 分析曲线特性,根据曲线的形状和斜率等特征,分析电路元件的工作特性和参数。
3. 计算电路元件的参数,根据伏安特性曲线,可以计算出电路元件的电阻、导通压降、截止电压等参数。
实验结果与结论:通过实验测绘得到的伏安特性曲线图表,可以清晰地反映出电路元件在电压和电流作用下的工作特性。
根据曲线特征和参数计算结果,可以得出对电路元件工作特性的深入理解和分析。
实验总结:通过本次实验,我们掌握了测绘电路元件伏安特性曲线的方法和技巧,加深了对电路元件工作特性和参数的理解。
同时,实验中还发现了一些问题和不足之处,需要进一步改进和完善实验方案和方法。
实验存在的问题与改进方向:1. 实验数据的准确性和稳定性需要进一步提高,可以考虑使用更精密的仪器和设备。
2. 实验过程中的操作技巧和方法需要进一步规范和标准化,以提高实验的可重复性和可靠性。
3. 实验结果的分析和结论需要更加深入和全面,可以结合理论知识进一步探讨电路元件的工作特性和参数。
通过本次实验,我们对电路元件的伏安特性有了更深入的了解,同时也为今后的实验和研究工作奠定了基础。
电路基础实验报告第一次实验实验报告一、实验内容电路元件的伏安特性曲线测量二、实验目的1.学习并测量电路元件伏安特性的方法;2.掌握线性电阻、非线性电阻元件伏安特性曲线的逐点测试法,了解非线性元件的伏安特性曲线;3.掌握使用直流稳压电源和直流电压表的、直流电源表的方法.三、实验原理任何一个二端元件的特性可用该元件上的端电压U与通过该元件的电流I之间的函数关系I=f(U)来表示,即用I-U平面上的一条曲线来表征,该曲线称为该元件的伏安特性曲线.线性电阻器是理想元件,在任何时刻它两端的电压与其电流的关系服从欧姆定律;非线性元件的伏安特性曲线不是一条通过原点的直线,它在I-U平面上的特性曲线各不相同. 四、实验仪器电阻箱,直流稳压电源,导线五、实验内容(一)测定电阻的伏安特性曲线1.实验电路图如下:2.按照电路图连接电路,检查无误后接通电源;3.调节输出细调旋钮,调节输出电压,并记录电压表和电流表示数;4.数据记录及处理U/V 0.275 0.381 0.411 0.453 0.540 0.641 0.702 0.775 0.878 0.927 I/mA 2.7 3.7 4.0 4.5 5.3 6.3 7.0 7.7 8.7 9.2根据所得数据做出电阻伏安特性曲线如下图所示(MATLAB绘制):计算得到定值电阻的阻值为99.80Ω(二)测量二极管的伏安特性曲线1.正向电压条件下(1)实验电路图如下:(2)按照电路图连接电路,检查无误后接通电源;(3) 调节输出细调旋钮,调节输出电压,并记录电压表和电流表示数;(注:正向电流不超过25mA,电压在0~0.75V内调节;在二极管阻值变化明显的区域(0.5~0.75V),应取较多的测量点);(4)二极管正向电阻数据记录U/V 0.182 0.225 0.346 0.367 0.383 0.416 0.437 0.461 0.479 0.486 I/mA 0.002 0.003 0.004 0.005 0.006 0.012 0.020 0.036 0.054 0.065 U/V 0.500 0.505 0.515 0.530 0.541 0.550 0.565 0.569 0.575 0.584 I/mA 0.089 0.100 0.126 0.179 0.229 0.278 0.388 0.424 0.475 0.579 U/V 0.589 0.595 0.598 0.601 0.605 0.612 0.613 0.621 0.626 0.628 I/mA 0.652 0.733 0.785 0.837 0.900 1.050 1.082 1.286 1.427 1.524 U/V 0.632 0.639 0.642 0.647 0.652 0.658 0.660 0.664 0.668 0.672 I/mA 1.640 1.947 2.15 2.34 2.62 2.96 3.14 3.40 3.72 4.05 2.反向电压条件下实验注意要点:测定反向特性时,互换稳压电源的输出端正、负连线,调节直流稳压电源,从0V开始缓慢地增大负向电压最大不超过30V.实验数据记录如下(由于电流表精度不足,数据测量较少且猜测误差较大):U/V 19.32 13.20 7.52 1.94I/mA 0.006 0.005 0.004 0.003(三)测量稳压二极管的伏安特性曲线1.正向情况下(1)实验电路图如下:(2)按照电路图连接电路,检查无误后接通电源(3)调节输出细调旋钮,调节输出电压,并记录电压表和电流表示数(4)稳压二极管正向电阻数据记录:U/V 0.003 0.007 0.011 0.016 0.021 0.025 0.028 0.034 0.037 0.040 I/mA 0.59 1.00 1.41 1.99 2.50 2.98 3.27 3.97 4.28 4.69 U/V 0.046 0.049 0.053 0.054 0.058 0.063 0.067 0.069 0.074 0.080 I/mA 5.27 5.68 6.06 6.17 6.61 7.23 7.66 7.81 8.35 9.04 U/V 0.084 0.089 0.095 0.100 0.108 0.118 0.132 0.141 0.153 0.163 I/mA 9.48 10.03 10.71 11.31 12.19 13.22 14.84 15.81 17.19 18.34 U/V 0.169 0.178I/mA 19.03 19.95正向曲线如下:2.反向情况下(1)测定反向特性时,互换稳压电源的输出端正、负连线,调节直流稳压电源注:正反向电流不超过20mA(2)稳压二极管反向电阻数据记录:U/V -0.009 -0.013 -0.021 -0.024 -0.030 -0.032 -0.037 -0.046 -0.052 -0.062 I/mA -1.27 -1.68 -2.53 -2.91 -3.51 -3.74 -4.32 -5.27 -6.00 -7.09 U/V -0.066 -0.074 -0.082 -0.088 -0.094 -0.104 -0.109 -0.112 -0.120 -0.128 I/mA -7.58 -8.46 -9.36 -10.04 -10.73 -11.82 -12.41 -12.67 -13.57 -14.46 U/V -0.134 -0.139 -0.144 -0.152 -0.158 -0.165 -0.173 -0.176I/mA -15.15 -15.75 -16.31 -17.23 -17.97 -18.69 -19.60 -19.96反向曲线如下:将正向反向图画到一张图中:注:曲线使用了拟合程度更高的自然对数二次方回归.六、注意事项1.测量时,直流稳压电源输出电压应该从0V开始缓慢增大,应时刻关注电流表和电压表示数,随时记录实验数据;2.进行不同实验时,应先估算电压和电流值,合理选择仪表的量程,及时更换量程;仪表的极性也不可接错;3.理解区分二极管正向和反向特性曲线.七、思考1.如何计算线性电阻和非线性电阻的电阻值对于线性电阻,可以利用伏安法多次测量后作出伏安特性曲线,利用伏安特性曲线求出电阻;对于非线性电阻,同样可以通过实验绘制它的伏安特性曲线,然后在曲线上读出在某一电压电流条件下该非线性电阻的电阻值.2.分析常见元件的伏安特性曲线a.线性电阻的伏安特性曲线:由图中可以看出,线性电阻在加正向和反向压时,其伏安特性曲线都是一条直线,这说明线性电阻的阻值始终是一定值,其数值为伏安特性曲线斜率的倒数.b.钨丝电阻的伏安特性曲线:由图中看出,钨丝电阻在电压较小所加电压的的情况下电阻呈线性变化,随着所加电压增大,伏安特性曲线上点的切线斜率逐渐减小,电阻逐渐增大,在加反向电压时情况相似.c.普通二极管的伏安特性曲线:二极管在正向反向所表现出的电阻特性不同:二极管两端加正向电压时,随着所加电压的增大,二极管伏安特性曲线切线斜率变化趋势为逐渐递增,说明二极管在所加电压为正向的情况下,随着电压的增大,二极管电阻慢慢减小.二极管两端加反向电压时,随着所加电压的增大,二极管伏安特性曲线切线斜率变化趋势为逐渐递减,说明二极管在所加电压为反向的情况下,随着电压的增大,二极管电阻慢慢增大.d.稳压二极管的伏安特性曲线:稳压二极管在正向反向所表现出的电阻特性也有所不同:在稳压二极管两端加正向电压时,二极管电流随电压增大变化明显,并且随着所加电压的增大,二极管伏安特性曲线切线斜率变化趋势为逐渐递增,说明二极管在所加电压为正向的情况下,随着电压的增大,二极管电阻慢慢减小.在稳压二极管两端加反向电压时,在电压逐渐增大的过程中,在某一范围内电压增大过程中,电流变化微小;当电压到一定值时,电流变化较大,且随电压的增大,电阻减小.3.如果误将电流表并联到电路中,会出现什么后果由于电流表电阻比较小,会导致短路,可能会损坏仪器.4.假如在测量二极管的伏安特性曲线的实验中,漏接限流电阻R,会出现什么后果测量过程中,由于所加电压的不断增大,二极管电阻会不断减小. 如果漏接限流电阻,会导致电路中电流过大,可能损坏实验仪器,造成危险.5.本实验中,用伏安法测量电阻元件的伏安特性的电路模型采用如下图(a)所示。
清 华 大 学 实 验 报 告系别:机械工程系 班号: 机械51班 姓名:邹 诚 (同组姓名: ) 作实验日期2006年10月16日 教师评定:一、实验目的(1)、了解分压器电路的调节特性;(2)、掌握测量伏安特性的基本方法、线路特点及伏安法测电阻的误差估算; (3)、学习按回路接线的方法; (4)、初步了解戴维南定理的内容。
二、实验原理1.分压电路及其调节特性1. 分压电路的接法(如图所示)图中B 端电位最低,C 端电位较高,CB 间的分压大小U 随滑动端C 的位置改变而改变,U 值可用电压表来测量。
变阻器的这种接法通常称为分压器接法。
分压器的安全位置一般是将C 滑至B 端,这时分压为零。
2.分压电路的调节特性根据欧姆定律得到的分压公式为:E R R RR R R U BC L LBC )(-+=,其中各项均对应于上图中的各项。
理想情况下,即当R R L >>时,R ER U BC /=,分压U 与组值BC R 成正比,亦即随着滑动端C 从B 滑至A ,分压U 从零到E 线形地增大。
当L R 不是比R 大很多时,分压电路输出电压就不再与滑动端的位移成正比了。
2. 电学元件的伏安特性 在某一电学元件两端加上直流电压,在元件内就会有电流通过,通过元件的电流与其端电压之间的关系成为电学元件的伏安特性。
一般以电压为横坐标,电流为纵坐标做出元件的电压-电流关系曲线,成为该元件的伏安特性曲线。
电学元件按其伏安特性进行分类:线形元件:碳膜电阻、金属膜电阻、线绕电阻等电学元件,在通常情况下,通过元件的电流与加在元件两端的电压成正比,即其伏安特性曲线为一通过原点的直线。
非线性元件:半导体二极管、稳压管、热敏电阻等元件,通过元件的电流与加在元件两端的电压不成线形关系变化,其伏安特性为一曲线。
线形元件的伏安特性某非线性元件的伏安特性3.实验线路的比较与选择 用伏安法测量电阻R 的伏安特性的线路中,常有两种接法,即图中的电流表内接和电流表外接两种方法。
电学元件伏安特性的测
量实验报告附
Document serial number【LGGKGB-LGG98YT-LGGT8CB-LGUT-
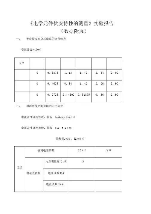
《电学元件伏安特性的测量》实验报告
(数据附页)
一、半定量观察分压电路的调节特点
变阻器R=470Ω
二、用两种线路测电阻的对比研究
电流表准确度等级,量程I m=5mA,R I=±Ω
电压表准确度等级,量程U m=,R V=±Ω;
量程U m=3V,R V=±Ω
三、测定半导体二极管正反向伏安特性
由于正向二极管的电阻很小,采用外接法的数据;反向电阻很大,采用内接法的数据。
四、戴维南定理的实验验证
1.将9V电源的输出端接到四端网络的输入端上,组成一个有源二端网络,求出等
效电动势E e和等效内阻R e。
(外接法)
修正后的结果:
取第二组和第七组数据计算得到:
E e = R
e
=Ω
由作图可得:
E e = R
e
=Ω
2.用原电路和等效电路分别加在相同负载上,测量外电路的电压和电流值。
3.理论计算。
4.讨论。
等效电动势的误差不是很大,而等效电阻却很大。
原因是多方面的。
但我认为最大的原因应该是作图本身。
所有数据的点都集中在一个很小的区域,点很难描精确,直线的绘制也显得过于粗糙,人为的误差很大。
如果对数据进行拟合,可以得到I=+,于是得到E e=,R e=Ω,前者误差为%,后者误差为%,效果比直接读图好,因为消除了读图时人为的误差。
另外一点,仪表读数也是造成误差大的一个原因。
比如电流表没有完全指向0,电压表不足一格的部分读得很不准等等。
总的讲,实验数值和理论还是有一定偏差,不能很好的证明。