A390比例双光束紫外可见分光光度计和比例双光束紫外可见分光光度计价格
- 格式:doc
- 大小:55.00 KB
- 文档页数:2
紫外可见分光光度计类型
紫外可见分光光度计是一种用于测量物质吸收光谱的仪器。
根据其不同的工作原理和测量范围,紫外可见分光光度计可以分为多种类型,包括:
1. 单光束分光光度计:该类型光度计采用单个光束,通过旋转棱镜或光栅来选择不同波长的光,测量样品吸收光谱。
2. 双光束分光光度计:该类型光度计采用双个光束,其中一个光束通过样品,另一个光束通过参比样品或空气,测量样品的吸收光谱。
3. 全自动扫描分光光度计:该类型光度计可以自动扫描整个紫外可见光谱范围,测量样品的吸收光谱,并可以通过电脑软件进行数据处理和分析。
4. 比色分光光度计:该类型光度计通过比较样品和参比物的吸收光谱,测量样品的浓度。
5. 原子吸收光度计:该类型光度计主要用于测量金属元素的存在和浓度,通过原子的吸收光谱来分析样品中金属元素的含量。
总之,不同类型的紫外可见分光光度计具有不同的应用范围和优缺点,用户在选择时应根据实际需要进行选择。
- 1 -。
荧光分光光度计【RF-5301PC SHIMADZU(津岛)公司】:英文名称:spectrofluorophotometer;fluorescencespectrophotometer;spe ctrofluorometer;spectroflurimeter主要技术参数:1. 测定波长范围:220~750nm及白色光2. 带宽:1.5,3,5,10,2Onm3. 灵敏度:S/N比150以上(带宽5nm水拉曼峰时)4.测定方式:荧光、激励、同期光谱测定、定量测定、时间过程测定功能及特点:1. 荧光发射光谱选择某一固定波长的光激发样品,记录样品中产生的荧光发射强度与发射波长间的函数关系,即得荧光发射光谱。
2. 荧光激发光谱选定某一荧光发射波长记录荧光发射强度作为激发光波长的函数,即得荧光激发光谱。
3. 时间分辨技术;可用于对混合物中光谱重叠但有寿命差异的组分进行分辨并分别测量。
时间分辨荧光测定公式如下:P(t) = P0 EXP (-t / T )式中P(t):拟合指数函数P0:强度取值检测器高灵敏度、宽光谱范围光电倍增管EXP 指数运算符t :时间取值T :荧光平均时间寿命原子吸收分光光度计【WFX-1F2B2 北京瑞德分析仪器公司】 英文 名称:atomic absorption spectrophotometer和279.8nm )且谷峰能量比<30% 4、基线稳定性 < 0.003A/30mi n5、光源系统 灯电流调节微机自动调节并显示,宽脉冲0~25mA 能量自动平衡微机自动调整负咼压并平衡能量 6、光学系统单色仪Czerny — Turner 型光栅单色仪 光栅刻线1800 条 /mm 焦距 400mm闪耀波长250nm 光谱宽带 0.1 nm、0.2nm 、0.4nm 、2nm 7、检测与数据处理系统主要技术参数:1、 波长范围2、 波长准确度190 900nm 优于士 0.25nm 3、分辨率光谱带宽0.2nm 时分开锰双线(279.5nm检测器 高灵敏度、宽光谱范围光电倍增管全塑雾化室 高效玻璃喷雾器8特征浓度和检出限普通空气一乙炔火焰特征浓度Cu:<0.025mg/L ,检出限< 0.006mg/L 9、功能及应用:一、火焰原子吸收分光光度计,利用空气一乙炔测定的 元 素可达30多种,若使用氧化亚氮一乙炔火焰,测定的元素可达 70多种。
紫外可见分光光度法题库(填空题)1. 在分光光度计中,常因波长范围不同而选用不同的检测器,下面两种检测器,各适用的光区为:(1)光电倍增管用于 __紫外可见光区___ (2) 热电偶用于 ___红外光区___________2. 在分光光度计中,常因波长范围不同而选用不同材料的容器,现有下面三种材料的容器,各适用的光区为:(1)石英比色皿用于 _____紫外光区______ (2) 玻璃比色皿用于 ___可见光区________(3) 氯化钠窗片吸收池用于 ___红外光区________3. 在分光光度计中,常因波长范围不同而选用不同的光源,下面三种光源,各适用的光区为:(1) 钨灯用于 ___可见光区________(2) 氢灯用于 ___紫外光区________(3) 能斯特灯用于_红外光区__________4. 可见-紫外、原子吸收、红外的定量分析吸收光谱法都可应用一个相同的 ___朗柏比尔____定律。
其数学表达式为 ___ A = kcb或I t= I010-εbc_________ 。
5. 朗伯-比尔定律成立的主要前提条件是采用_平行单色光,均匀非散色介质_ 。
当入射辐射不符合条件时,可引起对比尔定律的___负_____ 偏离,此时工作曲线向 __浓度___ 轴弯曲。
6. 紫外-可见分光光度测定的合理吸光范围应为 __200~800nm _____________ 。
这是因为在该区间 __浓度测量的相对误差为最小_____ 。
7. 如图设 a、b 的浓度分别为c a和c b,在入射光波长为λ2时的摩尔吸收系数分别为ε2(a)和ε2(b),则在使用 2.0 cm 的比色皿时,在λ2测得的总吸光度为 ___ 2ε2a⋅c a+ 2ε2b⋅c b________ 。
8. 紫外-可见光分光光度计所用的光源是 ___氢灯_______ 和 ____钨灯_______ 两种.9. 紫外-可见光谱法主要应用有:(1) ___一些无机、有机物的定性分析;___________________________________(2)____单组分及混合物的定量分析;___________________________________(3)______ 化合物结构的测定;_________________________________(4)______ 配合物化学计量比的确定;_________________________________(5)____ 化学平衡的研究___________________________________10. 双波长分光光度法的主要优点是:(1)___能克服光谱重叠干扰_______________________(2)____ 消除吸收池的误差______________________(3)____ 消除共存物吸收背景影响______________________(4)_____ 能直接进行混合物的测定_____________________11. 双光束分光光度计是将光源发出的光束分成___分成两路_______________, 分别进入____参比池__________________________和______试样池_____________________.12. 形成λ1和λ2两个单色光. 双波长方法的分析原理是基于_两个单色器;吸光度差值与待测浓度呈比例。
紫外可见光分光光度计型号紫外可见光分光光度计是一种广泛应用于分析化学、生物化学和环境监测等领域的仪器。
它通过测量样品溶液或气体在紫外可见光波段的吸光度,来分析和确定物质的浓度或化学性质。
本文将介绍几种常见的紫外可见光分光光度计型号及其特点。
一、单波长分光光度计单波长分光光度计是最基础的紫外可见光分光光度计,它可测量单一波长下样品的吸光度。
常见的单波长分光光度计型号有UV-1700、UV-1800等。
这些型号的光度计具有紫外和可见光波段的测量范围,可以根据需要选择不同的波长进行分析。
单波长分光光度计操作简单、测量精度高,适用于一些简单的分析实验。
二、双波长分光光度计双波长分光光度计是在单波长分光光度计基础上发展而来的,它可以在同一时间内测量两个不同波长下的吸光度,并通过计算两个波长下的比值来减小系统误差。
常见的双波长分光光度计型号有UV-2450、UV-2550等。
双波长分光光度计可以用于测量多组样品,比较其吸光度的差异,对样品中多个成分的含量进行定量分析。
三、多波长分光光度计多波长分光光度计是在双波长分光光度计基础上进一步发展而来的,它可以同时测量多个波长下的吸光度,并通过计算各波长下的吸光度比值来进行定量分析。
常见的多波长分光光度计型号有UV-1800PC、UV-1900等。
多波长分光光度计具有更高的分析灵敏度和更广泛的应用范围,可以满足复杂样品的分析需求。
四、扫描式分光光度计扫描式分光光度计是一种能够连续扫描吸收光谱的光度计,可以获取样品在整个紫外可见光波段的吸收光谱图像。
常见的扫描式分光光度计型号有UV-2600、UV-2700等。
扫描式分光光度计可以用于研究样品的光谱特性,确定吸收峰的位置和强度,进一步分析样品的组成和结构。
五、比色分光光度计比色分光光度计是一种通过比较样品和参比溶液的吸光度差异来进行定量分析的光度计。
常见的比色分光光度计型号有UV-1200、UV-1280等。
比色分光光度计适用于需要进行相对浓度测定的实验,如测定水质中某种物质的含量。
紫外可见分光光度计1.工作环境1.1尺寸和重量长570×宽660×高275mm,约重量36kg1.2使用温度范围15℃~35℃1.3使用湿度范围45% to 80%2.技术规格2.1分光系统2.1.1*光学系统:双光束能提高检测精度,是目前高灵敏度、高精度紫外检测设备的必要光学系统2.1.2*分光器:衍射光栅/衍射光栅型双单色器前级单色器:双波长闪耀全息光主单色器:高性能闪耀全息光栅,象差校正型切尼尔-特纳装置从物理结构上保证分光的纯净,减少杂散光,提高检测精确度。
2.1.3设定波长范围:190~1100nm2.1.4测试波长范围:190~900nm2.1.5*衍射光栅刻线数:1600 lines/mm,高刻线数光栅能保证检测数据的准确性2.1.6波长准确性:±0.3nm2.1.7波长重复精度:±0.1nm2.1.8波长扫描速度波长移动速度: 约 3200nm/min波长扫描速度: 约 900~160nm/min监控扫描速度: 约 2500nm/min2.1.9波长设定:扫描开始波长和扫描结束能够以1nm单位设置;其它为0.1nm单位。
2.1.10谱带宽度:0.1/ 0.2/ 0.5/ 1/ 2/ 5nm 6段转换2.1.11分辨率:0.1nm2.1.12*杂散光:0.0003% 以下(220nm,Nal 10g/L 溶液)使用低杂散光的紫外设备,能提高检测准确性,减少数据偏差。
2.1.13测光方式:双光束测光方式(负反馈直接比例方式)2.1.14测光类型:吸光度(Abs),透射率(%),反射率,能量(E)2.1.15测光范围:吸光度:-4~5 Abs2.1.16记录范围:吸光度-9.999~9.999 Abs2.1.17测光准确度:±0.002Abs(0~0.5Abs)2.1.18重复测光精度:±0.001Abs.(0~0.5Abs)2.1.19基线平滑度:±0.001 Abs以内(除去干扰,狭缝2nm,波长扫描速度低时)2.1.20基线校正:计算机自动校正(电源启动时,自动存储备份的基线,可以再校正)2.1.21漂移:小于0.0004Abs/h (电源启动2小时后)2.2光源:50W卤素灯(2000小时寿命)和氘灯(插座型)内置光源位置自动调整机构2.3检测器:光电倍增管2.4计算机:主流品牌台式机一台内存≥2G硬盘≥320GDVD刻录光驱显示器:19”液晶显示器2.5打印机:主流品牌激光打印机一台2.6供货配置一览表紫外可见分光光度计主机一台自动六联池一个10mm方形石英比色皿17个10mm带塞方形石英比色皿10个必要配件耗材3.随机资料: 中英文操作手册4.验收指标: 按技术指标5.售后服务5.1 厂家的技术人员在最终用户处进行安装,调试5.2 厂家工厂或分析中心内为最终用户的一名操作人员做三天的免费培训,用户差旅、食宿自理保修期: 安装验收后,保修一年定货量: 1 台交货期: 合同生效后30天内原子荧光光度计原子荧光光度计技术要求1、用途用于样品中As、Sb、Bi、Hg、Se、Te、Sn、Ge、Pb、Zn、Cd元素的痕量分析及后续元素形态功能的扩展。
紫外分光光度计排名全文共四篇示例,供读者参考第一篇示例:紫外分光光度计是一种用于测量样品吸收或透射紫外光的仪器。
它可以广泛应用于化学、生物、药学等领域,用于分析样品组分、测定物质浓度等。
在紫外分光光度计的市场上,有许多知名品牌和型号,不同的产品具有不同的性能特点和功能优势。
本文将介绍一些市场上较为知名的紫外分光光度计,并对其性能进行排名和比较。
1. 欢乐科技UV-1800 紫外分光光度计欢乐科技UV-1800 紫外分光光度计是一款功能强大、性能稳定的紫外分光光度计。
该仪器采用先进的数字微处理技术,并配备了高分辨率的光栅光谱仪,能够实现快速、准确的光谱分析。
其波长范围覆盖了190-1100nm,可以满足大多数实验需要。
UV-1800还具有自动增益调节、自动调零、自动指示波长、数据存储等多种实用功能,操作简便,使用方便。
在性能方面,UV-1800具有较高的分辨率和灵敏度,能够实现准确的测量和分析结果。
综合考虑其性能、功能和价格等因素,UV-1800在紫外分光光度计市场上拥有较高的竞争优势,备受用户认可。
5. 安捷伦公司Cary 60 紫外分光光度计总结:通过上述介绍可以看出,市场上有许多知名的紫外分光光度计品牌和型号,不同的产品具有不同的性能特点和功能优势。
在选择紫外分光光度计时,用户可根据自身需要和实验要求来进行选择。
综合考虑性能、功能、价格等因素,用户可以选择适合自己实验需求的紫外分光光度计,以提高实验效率和精确度。
希望以上介绍能够帮助用户更好地了解市场上的紫外分光光度计产品,为选购提供参考。
第二篇示例:紫外分光光度计是一种用于分析溶液中不同化学物质吸收紫外光的仪器。
它在化学、生物、环境等领域都有着广泛的应用,是科研实验室和工业生产中不可或缺的一种仪器。
在市场上,有许多不同品牌、不同型号的紫外分光光度计,用户可以根据自身需要和预算来选择适合自己的设备。
在本文中,我们将介绍一些知名品牌的紫外分光光度计,并对它们进行排名,希望能够帮助读者更好地了解这些设备。
紫外可见分光光度法题库(填空题)1. 在分光光度计中,常因波长范围不同而选用不同的检测器,下面两种检测器,各适用的光区为:(1)光电倍增管用于 __紫外可见光区___ (2) 热电偶用于 ___红外光区___________2. 在分光光度计中,常因波长范围不同而选用不同材料的容器,现有下面三种材料的容器,各适用的光区为:(1)石英比色皿用于 _____紫外光区______ (2) 玻璃比色皿用于 ___可见光区________(3) 氯化钠窗片吸收池用于 ___红外光区________3. 在分光光度计中,常因波长范围不同而选用不同的光源,下面三种光源,各适用的光区为:(1) 钨灯用于 ___可见光区________(2) 氢灯用于 ___紫外光区________(3) 能斯特灯用于_红外光区__________4. 可见-紫外、原子吸收、红外的定量分析吸收光谱法都可应用一个相同的 ___朗柏比尔____定律。
其数学表达式为 ___ A = kcb或I t= I010-εbc_________ 。
5. 朗伯-比尔定律成立的主要前提条件是采用_平行单色光,均匀非散色介质_ 。
当入射辐射不符合条件时,可引起对比尔定律的___负_____ 偏离,此时工作曲线向 __浓度___ 轴弯曲。
6. 紫外-可见分光光度测定的合理吸光范围应为 __200~800nm _____________ 。
这是因为在该区间 __浓度测量的相对误差为最小_____ 。
7. 如图设 a、b 的浓度分别为c a和c b,在入射光波长为λ2时的摩尔吸收系数分别为ε2(a)和ε2(b),则在使用 2.0 cm 的比色皿时,在λ2测得的总吸光度为 ___ 2ε2a⋅c a+ 2ε2b⋅c b________ 。
8. 紫外-可见光分光光度计所用的光源是 ___氢灯_______ 和 ____钨灯_______ 两种.9. 紫外-可见光谱法主要应用有:(1) ___一些无机、有机物的定性分析;___________________________________(2)____单组分及混合物的定量分析;___________________________________(3)______ 化合物结构的测定;_________________________________(4)______ 配合物化学计量比的确定;_________________________________(5)____ 化学平衡的研究___________________________________10. 双波长分光光度法的主要优点是:(1)___能克服光谱重叠干扰_______________________(2)____ 消除吸收池的误差______________________(3)____ 消除共存物吸收背景影响______________________(4)_____ 能直接进行混合物的测定_____________________11. 双光束分光光度计是将光源发出的光束分成___分成两路_______________, 分别进入____参比池__________________________和______试样池_____________________.12. 形成λ1和λ2两个单色光. 双波长方法的分析原理是基于_两个单色器;吸光度差值与待测浓度呈比例。
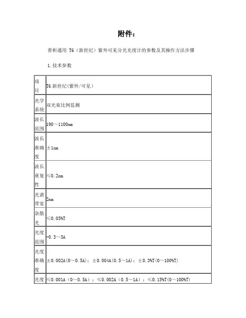
附件:普析通用 T6(新世纪)紫外可见分光光度计的参数及其操作方法步骤1.技术参数2操作步骤2.1开机自检:依次打开打印机、仪器主机电源,仪器开始初始化;约3分钟时间初始化完成,初始化完成后仪器进入主菜单界面。
2.2进入光度测量状态:按“ENTER”键进入光度测量主界面;2.3进入测量界面:按“START/STOP”键进入样品测定界面。
2.4设置测量波长:按“GOTO入”键,在界面中输入测量的波长,例如需要在460nm测量,输入460,按“ENTER”键确认,仪器将自动调整波长。
调整完波长完成后如下图:2.5进入设置参数:这个步骤中主要设置样品池。
按“SET“键进入参数设定界面,按“下”键使光标移动到“试样设定”。
按“ENTER”键确认,进入设定界面。
2.6设定使用样品池个数:按“下”键使光标移动到“使用样池数”,按“ENTER”键循环选择需要使用的样品池个数。
(主要根据使用比色皿数量确定,比如使用2个比色皿,则修改为2)2.7样品测量:按“RETURN”键返回到参数设定界面,再按“RETURN”键返回倒光度测量界面。
在1号样品池内放入空白溶液,2号池内放入待测样品。
关闭好样品池盖后按“ZERO”键进行空白校正,再按“START/STOP”键进行样品测量。
2.7.1如需要测量下一个样品,取出比色皿,更换为下一个测量的样品按“START/STOP”键即可读数。
2.7.2如需更换波长,可直接按“GOTO入”键调整波长。
注意更换波长后必须重新按“ZERO”进行空白校正。
如果每次使用的比色皿数量是固定个数,下一次使用仪器可以跳过第2.5、2.6步骤直接进入样品测量。
2.8结束测量:测量完成后按“PRINT”键打印数据,如果没有打印机请记录数据。
退出程序或关闭仪器后测量数据将消失。
确保已从样品池中取走所有比色皿,清洗干净以便下一次使用。
按“RETURN”键直接返回到仪器主菜单界面后再关闭仪器电源。
双光束紫外可见分光光度
双光束紫外可见分光光度计是一种用于分析物质的仪器,它可以测量样品在紫外可见波长范围内的吸收和透过率,从而确定样品的化学组成和浓度。
双光束分光光度计是一种高精度的仪器,它具有两个光路,可以同时测量样品在两个不同波长范围内的吸收和透过率。
其中一个光路用于测量紫外波长范围(190-400 nm),另一个光路用于测量可见光波长范围(350-700 nm)。
在测量过程中,样品和参比样品同时通过两个光路,并且测量波长范围相同。
样品的吸收和透过率与参比样品的吸收和透过率进行比较,从而计算出样品的吸收系数。
吸收系数是样品在特定波长范围内的吸收能力与参比样品在相同波长范围内的吸收能力之比。
通过测量不同波长范围内的吸收系数,可以确定样品的化学组成和浓度。
双光束紫外可见分光光度计具有高精度、高分辨率和广泛的应用范围。
它广泛应用于生物化学、环境监测、制药、食品检测等领域,是一种重要的分析仪器。
分析仪器对外服务收费标准1.气-质联用仪1)纯样品直接进样作质谱分析,提供质谱图:100-120元/样2)气-质联用多组分定性分析:400-500元/样品(含4个峰以内检索);第五个峰起计算机检索加收20元/峰;峰面积归一化定量每样加收100-120元2.液质联用仪(参照共用网及中山大学测试中心的收费标准)1)共用网2)中山大学测试中心3)送样须知A:易燃、易爆、毒害、腐蚀性样品必须申明B:请尽可能提供样品的结构式、分子量或所含官能团,以便于选择电离方式;如有特殊要求,请提供具体实验条件。
C:要求样品完全溶解,同时不含机械。
械已配成样品请标明所用溶剂和浓度,未配成溶液的样品请注明溶剂。
D:液相色谱—质谱联用时,所有缓冲体系一律用易挥发性缓剂,如甲酸、乙酸、醋酸铵、三乙胺、氢氧化四丁基铵等。
3.紫外-可见-近红外分光光度计定量分析:100-150元/组分,只出谱图:60元/样4.原子吸收:1)火焰法;40-50元/元素2)石墨炉法:70-80元/元素5.等离子体光谱仪1)定性分析:常见元素(31个):200元/个样品全分析(不含稀土元素):250元/样品全分析(含稀土元素):300元/样品2)定量分析:5个元素以下:100元/样品,第六个元素起15元/元素,硫、磷测定每个元素另收20元,特殊情况面议3)样品处理:溶剂液稀释:10元/样品简单易溶无机物:20元/样品难溶无机物、生物、有机物、高聚物:50-80元/样4)微量元素半定量分析:360元/样(含前处理)6.荧光分光光度计:150元/组分,扫描谱图:80元/样7.液相色谱仪:1)(共用网)只提供谱图(只样品与对照品的对照谱图或归一化相对百分含量图):150元/谱图有机物定性及定量:在同一分析条件下,3个组分以内,第一个样品:300元/样,同类第二个以上样品,200元/样,同一样品每增加一个组分加收60元2)(中山大学):归一化定量测定:300--400元/样内外标法定量:500元/组分同一色谱条件,同类样品第二样起:加收70元/组分方法研究:根据样品情况,价格面议(包括线性范围/精密度/回收率/检测限等指标)样品前处理:根据样品情况,酌情收费8.元素分析仪:1)C、H、N分析:200元/样2)O、S分析:200元/样3)鉴定样品(C、H、N):400元/样4)鉴定样品(S):400元/样5)样品前处理:烘箱干燥(用户提供干燥条件)20-50元/样9.共聚焦显微镜:250元/小时10.荧光显微镜:200元/小时11.普通光学显微镜:100元/小时12.气相色谱仪归一化定量测定:250元/样,顶空法:350元/样内外标法定量:500元/组分,顶空法:700元/组分同一色谱条件,同类样品第二样起:7折方法研究:(含标准曲线/重复性实验/回收率/检测限/含量等指标):5000元/组分顶空法加1000元,同一色谱条件,同类样品第二样起:4000元/组分样品前处理:50-200元/样品(视难易程度而定)13.原子荧光光谱仪定量分析:100元/每样、一个元素一次送样同元素测定从第6个起:8折收费同一样品,多元素测定:不折样品前处理:简单溶解:20元/样一般溶解:60元/样难溶物:80元/样注:作Ge元素时,需单独溶解,加收样品前处理费,其它几个元素同一份母液中测定时,只收一次前处理费。
可见分光光度计波长范围可见分光光度计是一种常用的实验仪器,用于测量物质在可见光波长范围内的吸光度。
可见光波长范围通常被定义为380nm到780nm,即紫外光到红外光之间的波长范围。
本文将介绍可见分光光度计波长范围的相关知识。
可见分光光度计是一种通过光的吸收或透射来测量溶液中物质浓度的仪器。
它的工作原理基于比尔-朗伯定律,即物质溶液的吸光度与其浓度成正比。
通过测量样品在不同波长下的吸光度,可以得到样品的吸收光谱,从而获得物质的特征信息。
可见光波长范围内的光谱分为七个颜色,即红、橙、黄、绿、青、蓝和紫。
每种颜色对应的波长范围如下:红色:波长范围为620nm到750nm。
红色光具有较大的波长和较低的能量,对应于可见光谱的最大波长。
橙色:波长范围为590nm到620nm。
橙色光的波长略短于红色光,能量略高。
黄色:波长范围为570nm到590nm。
黄色光在可见光谱中位于橙色和绿色之间。
绿色:波长范围为495nm到570nm。
绿色光在可见光谱中具有较高的能量,对人眼有较高的亮度感。
青色:波长范围为470nm到495nm。
青色光在可见光谱中位于绿色和蓝色之间。
蓝色:波长范围为450nm到470nm。
蓝色光的波长较短,能量较高。
紫色:波长范围为380nm到450nm。
紫色光在可见光谱中具有最短的波长和最高的能量。
可见分光光度计通常可以在整个可见光波长范围内进行测量。
它们使用的光源通常是白炽灯或者氘灯,可以发射出连续的可见光谱。
通过光栅或棱镜的分光装置,可以将不同波长的光分离出来,然后通过样品池中的溶液进行测量。
光谱分析仪器会测量样品溶液对不同波长的光的吸收或透射,并将结果转化为吸光度值。
在实际应用中,可见分光光度计广泛用于生化分析、药物分析、环境监测等领域。
例如,在生化分析中,可以利用可见分光光度计测量样品中特定物质的吸收光谱,从而确定其浓度或者反应动力学参数。
在药物分析中,可见分光光度计可以用于测定药物的含量或纯度。
紫外分光光度计波长范围紫外分光光度计是一种用于测量紫外光谱的仪器,它可以测量物质在紫外波段的吸收和透过性。
紫外分光光度计的波长范围通常在190nm至400nm之间。
紫外分光光度计通过测量样品对紫外光的吸收来确定样品的浓度、纯度和反应动力学等参数。
紫外光谱是指紫外波段的电磁辐射,它的波长范围通常从10nm到400nm,其中紫外A波段的波长范围为320nm至400nm,紫外B波段的波长范围为280nm至320nm,紫外C 波段的波长范围为200nm至280nm。
紫外分光光度计的波长范围决定了它可以测量的样品种类。
在紫外A波段,常用于测量有机化合物、药物、生物分子和有机染料等样品的吸收特性。
紫外B波段则更适用于测量无机物质、有机物质和染料的吸收峰。
而紫外C波段则可用于测量高度吸收的无机离子和气体。
紫外分光光度计的波长范围对于不同实验和应用有着不同的要求。
在生物科学领域,常用于测量DNA和蛋白质等生物分子的吸收谱,以研究它们的结构和功能。
而在药学和化学领域,紫外分光光度计被广泛应用于药物分析、质量控制和反应动力学等研究中。
紫外分光光度计的波长范围还决定了它的灵敏度和精度。
在波长范围内,光度计的灵敏度通常在0.001至2.0 Abs之间,精度可达到0.001 Abs。
这使得紫外分光光度计能够准确测量样品的光吸收强度,并通过比较不同样品的吸收谱来确定它们的差异和相似性。
紫外分光光度计的波长范围也决定了它的应用领域。
除了用于科学研究和实验室分析外,紫外分光光度计还广泛应用于医药、环境保护、食品安全和工业生产等领域。
在医药领域,紫外分光光度计可以用于药物含量测定、药物质量控制和药物相容性研究等。
在环境保护领域,紫外分光光度计可以用于水质、大气和土壤中有害物质的监测和分析。
在食品安全领域,紫外分光光度计可以用于检测食品中的添加剂和残留物。
在工业生产中,紫外分光光度计可以用于监测和控制生产过程中的关键参数。
紫外分光光度计的波长范围决定了它的应用领域和性能特点,它是一种非常重要的分析仪器,被广泛应用于科学研究、实验室分析和工业生产等领域。
紫外可见分光光度计技术指标要求一、技术指标1、波长范围:190-900nm2、测光系统:双光束动态反馈比例记录测光系统★3、光谱带宽:0.1,0.2,0.5,1.0,2.0,5.0nm,六档可调4、波长准确度:±0.3nm(开机自动校准)5、波长重复性:0.1nm★6、杂散光: ≤0.010%T(220nm, NaI, 340nm, NaNO2)7、光度范围:-4.0~4.0Abs8、光度准确度:±0.002Abs(0~0.5Abs);±0.004Abs(0.5~1.0Abs) ;±0.3%T(0~100%T)9、光度重复性: 0.001Abs(0~0.5Abs),0.002Abs(0.5~1.0Abs)10、基线平直度:±0.001Abs11、基线漂移:0.0004Abs/h(500nm,0Abs预热后)12、噪声: ±0.0004Abs★13、仪器可接自动进样器:减少人工误差,提升工作效率14、自带紫外应用分析工作站-UV WIN5.0软件,可做光度测量、光谱扫描、定量计算和时间扫描★二、配置要求1、紫外可见分光光度计主机 1台,检测器为进口光电倍增管,光源为插座型长寿命溴钨灯及进口氘灯,通讯接口为R232/USB通讯接口2、石英比色皿(光程10mm,20mm)各2对,长样品池架(可放置10mm-50mm 光程比色皿)1个3、中文操作软件1套,联想品牌电脑一套(满足仪器操作软件运行)。
★三、售后服务及资质要求1、要求生产厂家具有实验室NTC(全国分析检测人员能力培训委员会)培训资质,若后期用户实验室人员有取得相关认证的要求,厂家须提供协助,直至取得相关认证为止。
2、供应商应安排仪器制造厂家技术人员到现场安装仪器。
只有在仪器完全正常运转和采购方确认仪器能完全满足检测需求后,仪器的安装验收工作才能认为已全部完成。
3、仪器制造厂家免费向买方提供培训,培训内容包括仪器的基本原理、操作及一般仪器维护保养知识,实际应用等。
紫外可见分光光度计基本技术参数运行环境1.1 工作电源:220V,50~60 Hz1.2 环境温度:15-35℃1.3 相对湿度:45~85%(一)技术参数:1硬件1.1光学系统:1.1.1分光器:单色器:使用高性能闪耀全息光栅,象差校正型切尼尔一特纳装置。
1.1.2光源:卤素灯和氘灯((2000小时寿命),内置光源位置自动调整机构1.1.3检测器:硅光电二极管系统★1.1.3测光方式:双光束测光方式1.2仪器性能★1.2.1 波长测试范围:190~1100nm1.2.2波长准确性:±0.1nm D2 656.1nm,±0.3nm全区域"1.2.3波长重复精度:±0.1nm1.2.4波长扫描速度:最快波长扫描速度3000nm/min,最快波长移动速度6000nm/min★1.2.5波长设定: 0.1nm(波长扫描区设定时为1nm单位)1.2.6光源切换波长:可在295-364nm范围内任意设定切换波长(0.1nm单位)★1.2.7谱带宽度: 1nm★1.2.8最高分辨率:1nm★1.2.9:杂散光:0.02% 以下 (220nm,Nal 10g/L 溶液与340nm, NaNO2 溶液)1.2.10测光范围:吸光度:-4~4Abs,透射率0.0 ~400%1.2.11测光准确度:±0.002Abs(0.5Abs),±0.004Abs(1.0Abs),±0.006Abs(2Abs)1.2.12重复测光精度:±0.001Abs(0~1.0Abs), ±0.003(2Abs)★1.2.13基线基线稳定性:±0.0003Abs/h(700 nm,预热1小时后)基线平滑度:±0.0006Abs/h (预热1小时后)1.2.14噪声:0.00005Abs(700nm)2 功能2.1测光类型:吸光度(Abs),透射率(%),能量(E)★2.2 测试模式:单波长测试、光谱模式、时间扫描、多波长测试模式、动力学模式、DNA/蛋白质★2.3操作方式:带液晶屏,实现单机操作也可选购软件进行联机操作2.4 可接打印机打印数据2.5具有测试数据、谱图储存功能;2.6 可用USB联接电脑软件3.1 主机一套,带自动六联池架 (用于方形10mm比色皿系列)3.2备用氘灯 1支、保险丝1个3.3操作软件、联想品牌电脑一套。
紫外分光光度计排名
紫外分光光度计排名因品牌、型号和性能而异。
以下是一些在市场上受欢迎的紫外分光光度计品牌和型号,但排名并不代表绝对的优劣,仅供参考:
1. 尤尼柯(Unico):紫外分光光度计UV-1800PC、UV-1600PC等。
2. 佑科(YuKo):可见分光光度计360~1000nm、经济型紫外可见分光光度计等。
3. 仪电(Electro):紫外分光光度计L5系列、L6型号等。
4. 美谱达(MPA):扫描型可见分光光度计v-1600pc、v-1200等。
5. UV-6300:双光束紫外可见分光光度计/扫描光谱等。
6. UV-6100:双光束紫外分光光度计【高性能光栅】等。
7. UV-650:垂直式双光束紫外分光光度计190-900nm等。
需要注意的是,排名可能会随着市场状况、产品更新和用户需求的变化而发生变化。
在选购紫外分光光度计时,建议您根据自己的实际需求、预算以及售后服务等因素进行综合考虑。
在购买前,请务必与厂家或经销商详细了解产品性能、价格和售后政策,以选购到最适合您的紫外分光光度计。
紫外可见光分光光度计型号一、引言紫外可见光分光光度计是一种广泛应用于化学、生物、医学、环境等领域的实验仪器,用于测量物质对于紫外和可见光的吸收和透过能力。
本文将介绍三种常见的紫外可见光分光光度计型号,分别是UV-1800、UV-2450和Cary 60。
二、UV-18001. 型号简介UV-1800是一款紫外可见光分光光度计,由日本Shimadzu公司生产。
该型号光度计具有紫外和可见光波长范围广、精度高、稳定性好等特点,适用于各种溶液和固体样品的吸收光谱测量。
2. 技术参数UV-1800的主要技术参数包括波长范围为190~1100nm,分辨率为1nm,波长精度为±0.3nm,光谱带宽可调节(0.1、1、2、4、8nm),测量范围为-4.0~4.0A,线性度为±0.002A(0~0.5A),±0.004A (0.5~1.0A),±0.006A(1.0~2.0A),±0.01A(2.0~4.0A)。
3. 应用领域UV-1800广泛应用于制药、环境保护、食品安全等领域。
例如,可以用于药物的质量控制和含量测定,环境中有害物质的检测,食品中添加剂的分析等。
三、UV-24501. 型号简介UV-2450是一款高性能紫外可见光分光光度计,由日本Shimadzu公司生产。
该型号光度计具有较大的样品舱容量、高灵敏度、快速扫描速度等特点,适用于各种复杂样品的分析测量。
2. 技术参数UV-2450的主要技术参数包括波长范围为190~1100nm,分辨率为0.1nm,波长精度为±0.1nm,光谱带宽可调节(0.1、0.2、0.5、1.0、2.0、5.0nm),测量范围为-4.0~4.0A,线性度为±0.001A (0~0.5A),±0.002A(0.5~1.0A),±0.004A(1.0~2.0A),±0.008A(2.0~4.0A)。