电力服务收费项目及标准
- 格式:doc
- 大小:297.00 KB
- 文档页数:11
电力服务收费标准 Revised by Liu Jing on January 12, 2021
附表:电力服务(涉电维护、检测等)收费项目及标准
二、电气试验
1、变压器试验
2、避雷器、电容器试验
3、电缆试验
4、开关试验
5、接地装置试验
6、互感器试验
7、母线试验
8、消弧线圈试验
9、核相(高压核相)
10、高压电机试验
11、互感器二次通电及特性试验、仪表、二次回路测绝缘
12、继电器校验
13、继电保护二次回路正确性检查、绝缘试验、整组传动、定校
14、110KVGIS设备
15、微机保护以上保护的基数上乘以2系数;进口保护在以上保护的基数上乘以3系数。
三、工程安全技术措施及安全用具试验
四、油样化验
五、用户内部盘表检、校、修理
六、10KV配电变压器修理(单位:元/次台)
七、客户内部计量装置维护收费标准
供电部门对客户内部、属客户资产的计量等装置开展有偿检验、维护和修理等服务。
1、10KV0.2级互感器城内运输费为64元/台。
2、35KV0.2级互感器城内运输费为160元/台。
八、客户内部继电保护整定等项目收费标准
九、带电作业。
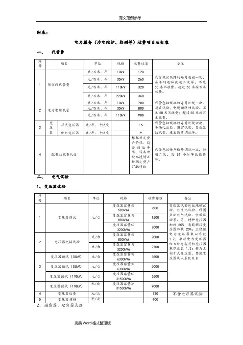
附表:电力服务(涉电保护、检测等)收费项目及标准一、代管费序号项目1架空线代管费2电力电缆代管费箱式变压器变3压器配电变压器4配电站代管费单位规格元 / 百米、年10KV元 / 百米、年35KV元 / 百米、年110KV元 / 百米、年220KV元 / 百米、年10KV元 / 百米、年35KV元 / 百米、年110KV元 / 年、千伏安元 / 年、千伏安收费标准(元)备注360代管包含线路的620每个月巡视一次、每880年特巡和夜巡两次,检查、补漆、980除锈等小型维修。
不包含登杆维修和树障清理。
2700代管包含线路的3800每个月巡视一次、避雷器试验、电缆预防性试验。
不足4600100 米,接 100 米收费。
30代管包含线路的每个月巡视六次、年油化试验、避雷器20试验、变压器油试验、出入线开调试等。
依据固有财产价代管包含每年检值、设施投运年修调试一次、特巡限、设施所处环两次,及 24 小时境状况按固有资事故抢修等。
产 2-4%计取5消障代管费二、电气试验1、变压器试验序号项目单位规格收费标准备注变压器容量≤800变压器试验包含500KV绝缘试验、电压1变压器预试元/ 台变压器容量≤1500比试验、线圈直800KVA流电阴试验、空变压器容量≤2000载试验等。
另:3200KVA特种变压器加收2变压器交接试验元/ 台变压器容量≤200050%;有载调压变500KV压器加收 20%;三变压器容量≤ 2700 绕组电力变压器元/ 台乘以系数 1.2 ;单800KVA变压器预试变压器容量≤ 3500项电力变压器组( 35KV )元/ 台如配有备用相变6300KVA变压器预试( 35)变压器容量≤ 5000压器乘以 1.2 ;若元/ 台为三相关式变压6300KVA3变压器预试变压器容量≤ 6500器、整流变压器( 110KV )元/ 台乘以系数 0.8 。
31500KVA变压器预试变压器容量≤ 9000( 110KV )元/ 台31500KVA4变压器检查 元/ 次 120 5 变压器调档元/ 次4002、避雷器、电容器试验序号项目规格单位 收费标准(元)10KV (一般型) 元 / 组 150 10 KV (氧化锌型) 元 / 组 200 35 KV (一般型) 元 / 组 40035 KV (氧化锌型)元 / 组 800 1避雷器试验 110 KV (一般型) 元 / 组 800 110 KV (氧化锌型) 元 / 组 1000 220 KV (一般型) 元 / 组 1100 220 KV (氧化锌型)元 / 组 1300 计数器元 / 组 20 10KV (一般型) 元 / 组 150 10 KV (氧化锌型) 元 / 组 300 35 KV (一般型) 元 / 组 60035 KV (氧化锌型)元 / 组 1000 2避雷器交接试验 110 KV (一般型) 元 / 组 1100 110 KV (氧化锌型) 元 / 组 1300 220 KV (一般型) 元 / 组 1400 220 KV (氧化锌型)元 / 组 1800 计数器 元 / 组 3035KV元 / 组 250 3耦合电容器试验 110 KV 元 / 组 400220 KV元 / 组 900耦合电容器交接35KV 元 / 组 500 4110 KV 元 / 组 900 试验220 KV 元 / 组 20005静电电容器试验10KV 及以下元 / 组 1800 35KV元 / 组4200备注:电容器试验包含:绝缘电阻、介质损丈量、并联电容器沟通耐压试验、配合冲击合闸检查试验。
附表:电力服务(涉电维护、检测等)收费项目及标准一、代管费序收费标准项目单位规格备注号(元)元/百米、代管包括线路10KV360年元/百米、的每月巡视一次、每年特巡35KV620年1架空线代管费元/百米、和夜巡两次,检查、补漆、110KV880年元/百米、除锈等小型维修。
不包括登220KV980杆维修和树障年元/百米、清理。
代管包括线路10KV2700年元/百米、的每月巡视一次、避雷器试35KV38002电力电缆代管费年元/百米、验、电缆预防性试验。
不足110KV4600100米,接100年元/年、千米收费。
代管包括线路箱式变压器303变压器伏安元/年、千的每月巡视六次、年油化试配电变压器20伏安验、避雷器试验、变压器油试验、进出线开调试等。
根据固有资产价值、设备代管包括每年投运年限、设4配电站代管费备所处环境情况按固有资产2-4%计取检修调试一次、特巡两次,及24小时事故抢修等。
5消障代管费二、电气试验1、变压器试验序号项目单位规格收费标准备注变压器容量≤变压器试验800500KV变压器容量≤包括绝缘试验、电压比试1变压器预试元/台1500800KVA变压器容量≤20003200KVA2变压器交接试元/台变压器容量≤2000验、线圈直流电阴试验、空载试验等。
另:特种变压验500KV变压器容量≤器加收50%;有载调压变元/台2700变压器预试800KVA变压器容量≤压器加收20%;三绕组元/台3500(35KV)变压器预试6300KVA变压器容量≤电力变压器乘以系数元/台5000(35)变压器预试6300KVA变压器容量≤1.2;单项电力变压器组元/台6500(110KV)31500KVA如配有备用3变压器容量≤31500KVA 相变压器乘以1.2;若为变压器预试三相干式变元/台9000(110KV)压器、整流变压器乘以系数0.8。
4 5变压器检查变压器调档元/次元/次1204002、避雷器、电容器试验序号项目规格10KV(普通型)单位元/组收费标准(元)15010KV(氧化锌型)元/组1避雷器试验35KV(普通型)元/组35KV(氧化锌型)元/组110KV(普通型)元/组200 400 800 800110KV(氧化锌型)元/组220KV(普通型)元/组220KV(氧化锌型)元/组1000 1100 1300计数器10KV(普通型)元/组元/组2015010KV(氧化锌型)元/组35KV(普通型)元/组35KV(氧化锌型)元/组300 600 1000避雷器交接试2110KV(普通型)元/组1100验110KV(氧化锌型)元/组220KV(普通型)元/组220KV(氧化锌型)元/组1300 1400 1800计数器35KV 元/组元/组30250耦合电容器试3110KV元/组400验220KV 35KV 元/组元/组900500耦合电容器交4110KV元/组900接试验静电电容器试220KV10KV及以下元/组元/组200018005验35KV元/组4200备注:电容器试验包括:绝缘电阻、介质损测量、并联电容器交流耐压试验、配合冲击合闸检查试验。
电力服务收费项目及标准一、服务项目。
电力服务收费项目主要包括电力供应、电力接入、电力质量、电力安全等方面的服务。
具体包括:1. 电力供应,指电力公司向用户提供电能的基本服务。
包括供电容量的确定、电能计量、电能质量保障等内容。
2. 电力接入,指用户接入电网并获取电能的过程。
包括接入设备的选型、接入条件的约定、接入费用的支付等内容。
3. 电力质量,指电能的稳定性、纯度等指标。
包括电压、频率、谐波、闪变等方面的监测和保障。
4. 电力安全,指电能使用过程中的安全保障。
包括用电设备的安全性、用电环境的安全性、用电行为的安全性等方面的服务。
二、收费标准。
电力服务收费标准应当根据服务项目的不同,采取不同的计费方式和标准。
具体包括:1. 电力供应,按照用户实际用电量进行计费,采用阶梯电价或者分时电价等方式,根据用户用电情况进行差异化收费。
2. 电力接入,根据用户接入设备的容量、接入条件的复杂程度等因素进行计费,采用一次性接入费和年度接入费相结合的方式。
3. 电力质量,根据用户所在地区的电网质量等级和用户对电能质量的要求进行计费,采用按月或按季度收取的方式。
4. 电力安全,根据用户用电设备的安全等级、用电环境的安全程度等因素进行计费,采用按年度收取的方式。
三、收费原则。
电力服务收费应当遵循公平、合理、透明的原则,具体包括:1. 公平,对不同用户采取差异化收费,根据用户的实际需求和实际使用情况进行计费,避免出现跨用户横向补贴和跨时段纵向补贴的情况。
2. 合理,收费标准应当合理反映服务的成本和价值,避免出现过高或者过低的收费水平,保障电力公司的合法权益。
3. 透明,收费标准和计费方式应当向用户公开透明,用户应当清楚了解自己的用电成本和用电权益,避免出现信息不对称的情况。
四、收费管理。
电力服务收费管理应当建立健全的制度和监管机制,具体包括:1. 收费监管,电力主管部门应当加强对电力服务收费的监管,保障收费的公平合理性,避免出现滥用行政权力和变相垄断的情况。
电力服务收费项目及标准电力服务收费项目及标准一、代管费代管费包括涉电维护、检测等服务,收费标准如下:序号项目单位收费标准(元/百米、年)1 架空线代管费元/百米、年 2~42 电力电缆代管元/百米、年 9~153 变压器 10kV 元/年、千伏安 12035kV 元/年、千伏安 260110kV 元/年、千伏安 320220kV 元/年、千伏安 360配电变压器元/年、千伏安 700~900箱式变压器元/年、千伏安 800~9004 配电站收费代管 - 按固定资产2~4%计取 -备注:1.代管费包括每年检修调试一次,特巡二次,及24小时事故抢修等。
2.代管费包括线路的每月巡视一次、每年特巡和夜巡二次等。
不足50米不收费;超过50米按百米收费。
3.代管费包括线路的每月巡视一次、避雷试验、电缆预防性试验。
不足50米不收费;超过50米按百米收费。
二、电气试验电气试验包括变压器试验、避雷器、电试验等服务,收费标准如下:1.变压器试验序号项目单位规格(变压器容量≤)收费标准(元/台)1 变压器预试元/台 500~20002 变压器交接试验元/台 2700~35003 变压器预试(35kV)元/台 800~27004 变压器预试(110kV)元/台 3500~65005 变压器检查元/次 120~4006 变压器调档元/次不含电压器试验备注:1.变压器试验包括绝缘试验、电压比试验、线圈直流电阴试验、空载试验等。
特种变压器加收50%;有载调压变压器加收20%;三绕组电力变压器乘以系数1.2;单项电力变压器组如配有备用相变压器乘以系数1.2;若为三相干式变压器、整流变压器乘以系数0.8.2.变压器预试包括绝缘试验、电压比试验、线圈直流电阴试验、空载试验等。
3.变压器检查和调档的收费标准根据变压器容量不同而有所不同。
2.避雷器、电试验序号项目规格单位收费标准(元/组)1 避雷器 10kV(普通型)元/组 500010kV(氧化锌型)元/组 650035kV(普通型)元/组 900035kV(氧化锌型)元/组2 电 - - -备注:避雷器、电试验的收费标准根据规格不同而有所不同。
附表:
电力服务(涉电维护、检测等)收费项目及标准代管费
电气试验
1、变压器试验
2、避雷器、电容器试验
3、电缆试验
4、开关试验
5、接地装置试验
6、互感器试验
8、消弧线圈试验
9、核相(高压核相)
10、高压电机试验
11、互感器二次通电及特性试验、仪表、二次回路测绝缘
12、继电器校验
、继电器保护二次回路正确性检查、绝缘试验、整租转动、定校
3.
14、IIOkVGIS 设备
15、微机保护以上保护的技术上乘以系数 2 ;进口保护在以上保护的基数上乘以系数
六、配电变压器修理(单位:元次台)
1、级互感器城内运输费为元台;
2、35kV0.2级互感器城内运输费为160元/台。
【电力服务收费项目及标准】电力维护收费标准【电力服务收费项目及标准】电力维护收费标准附表:电力服务(涉电维护、检测等)收费项目及标准一、代管费序号项目单位规格收费标准备注 1 架空线代管费元/百米、年 10kV 120 代管包括线路的每月巡视一次、每年特巡和夜巡二次等。
不足50米不收费;超过50米按百米收费。
元/百米、年35kV 260 元/百米、年110kV 320 元/百米、年220kV 360 2 电力电缆代管元/百米、年 10kV 700 代管包括线路的每月巡视一次、避雷试验、电缆预防性试验。
不足50米不收费;超过50米按百米收费。
元/百米、年 35kV 800 元/百米、年 110kV 900 3 变压器箱式变压器元/年、千伏安15 代管包括线路的每月巡视六次、年油化试验、避雷试验、变压器油试验、进出线开调试等。
配电变压器元/年、千伏安 9 4 配电站收费代管根据固定资产价值、设备投运年限、设备所处环境情况按固定资产2~4%计取代管包括每年检修调试一次,特巡二次,及24小时事故抢修等。
二、电气试验 1、变压器试验序号项目单位规格收费标准备注 1 变压器预试元/台变压器容量≤ 500kVA 800 变压器试验包括绝缘试验、电压比试验、线圈直流电阴试验、空载试验等。
另:特种变压器加收50%;有载调压变压器加收20%;三绕组电力变压器乘以系数1.2;单项电力变压器组如配有备用相变压器乘以系数1.2;若为三相干式变压器、整流变压器乘以系数0.8 变压器容量≤800kVA 1500 变压器容量≤ 3200kVA 2000 2 变压器交接试验元/台变压器容量≤ 800kVA 2000 元/台变压器容量≤ 3200kVA 2700 3 变压器预试(35kV)元/台变压器容量≤ 6300kVA 3500 变压器预试(35kV)元/台变压器容量>6300kVA 5000 变压器预试(110kV)元/台变压器容量≤ 31500kVA 6500 变压器预试(110kV)元/台变压器容量> 31500kVA 9000 4 变压器检查元/次 120 不含电压器试验 5 变压器调档元/次400 2、避雷器、电容器试验序号项目规格单位收费标准 1 避雷器试验 10kV (普通型)元/组 150 10kV(氧化锌型)元/组200 35kV(普通型)元/组300 35kV(氧化锌型)元/组600 110kV(普通型)元/组700 110kV(氧化锌型)元/组900 220kV (普通型)元/组 1100 220kV (氧化锌型)元/组 1300 计数器元/组20 2 避雷器交接试验10kV(普通型)元/组150 10kV(氧化锌型)元/组200 35kV(普通型)元/组500 35kV(氧化锌型)元/组900 110kV(普通型)元/组950 110kV(氧化锌型)元/组1300 220kV (普通型)元/组 1400220kV(氧化锌型)元/组 1800 计数器元/组 30 3 耦合电容器试验 35kV 元/组 250 110kV 元/组 400 220kV 元/组 900 4 耦合电容器交接试验 35kV 元/组 500 110kV 元/组 900 220kV 元/组 2000 5 静电电容器试验 10kV及以下元/组 1800 35kV 元/组 4200 备注:电容器试验包括:绝缘电阻、介质损测量、并联电路交流耐压试验、配合冲击合闸检查试验。
电力服务(涉电维护、检测等)收费项目及标准一、代管费
二、电气试验
1、变压器试验
2、避雷器、电容器试验
3、电缆试验
4、开关试验
5、接地装置试验
6、互感器试验
7、母线试验
8、消弧线圈试验
9、核相(高压核相)
10、高压电机试验
11、互感器二次通电及特性试验、仪表、二次回路测绝缘
12、继电器校验
13、继电器保护二次回路正确性检查、绝缘试验、整租转动、定校
14、110kVGIS设备
15、微机保护以上保护的技术上乘以系数2;进口保护在以上保护的基数上乘以系数3.
三、工程安全技术措施及安全用具试验
四、油样化验
五、用户内部盘表检、校、修理
六、10kV配电变压器修理(单位:元/次台)
七、客户内部计量装置维修收费标准
供电部门对客户内部、属客户资产的计量等装置开展有偿检验、维护和修理等服务。
1、级互感器城内运输费为64元/台;
2、级互感器城内运输费为160元/台。
八、客户内部继电保护整定等项目收费标准
九、带电作业。