车床几何精度检测及调整
- 格式:docx
- 大小:445.17 KB
- 文档页数:9
车床精度及其调整分析【摘要】主要对车床精度及其调整进行分析。
【关键词】车床精度;调整分析在车床上加工工件时,影响加工质量的因素很多,其中车床精度是一个重要方面。
工件加工后产生的某些缺陷,加椭圆、精度、波纹、端面凸凹、螺距误差等,都可能是由车床的精度不高造成的。
不同类别的车床加工不同类型的工件所能达到的车削精度各不相同,因此,掌握车床的精度及其适用范围,正确调整并保持车床的精度是加工出合格零件的前提。
1.影响车床工作精度的主要因素1.1车床变形影响车床变形的因素主要有两个,一个是车床刚度,另一个是热变形。
车床刚度指的是当外力作用于车床时,车床所能在不变形情况下所能承受的最大力。
由于车床的工作环境比较复杂,各种机械之间的碰撞是在所难免的,如果车床刚度比较低,那么车床外部和内部的构件就容易在外力下发生错位甚至脱落,导致车床不能正常工作。
热变形指的是在热源对车床造成的影响。
这里的热源分为两种,一种是阳光和环境温度的影响,称为外部热源;另一种是车床内部的电动机、轴承摩擦等器件发出的热量,叫做内部热源。
两种热源往往是同时作用于车床的,造成不同零件之间存在温差。
由于每个部分的材料热膨胀系数不同,从而造成了一些零件之间的相对位移,也会对车床的精度造成影响。
根据数据统计,车床一半以上的误差都是由于在长期工作中由于热变形而造成的,这个问题在精密机床和自动化程度高的车床上尤其突出,所以热变形的问题绝对不容忽视。
1.2车床振动车床在工作的过程中伴有振动的现象。
这种振动可以影响到内部构件之间的啮合程度,甚至会缩短刀具的寿命,从而影响到加工精度。
1.3数控系统性能主要指的是数控系统的计算误差、检测装置的检测精度和伺服系统的工作稳定性等对机床的初始精度的影响。
2.车床精度的检测车床的精度包括几何精度、传动精度、定位精度和工作精度等。
几何精度中包括车床床身导轨的精度、主轴的回转精度等15项。
传动精度如车床车螺纹的传动链,必须保证主轴每转一转时,刀架能准确地移动被加工螺纹的一个导程。
简述数控车床主轴主要几何精度检测项目摘要:一、数控车床主轴简介二、数控车床主轴主要几何精度检测项目1.轴向窜动2.径向跳动3.端面跳动4.轴向刚度5.径向刚度三、检测方法及注意事项四、提高数控车床主轴几何精度的措施正文:数控车床主轴是数控车床的核心部件,承担着加工过程中刀具的旋转、工件的输送以及切削力的传递等重要任务。
主轴几何精度是衡量数控车床性能的重要指标,它直接影响到加工零件的精度和质量。
本文将对数控车床主轴主要几何精度检测项目进行简述,以期为大家提供参考。
一、数控车床主轴简介数控车床主轴通常由高精度轴承、电机、变速装置、润滑系统等组成。
主轴在高速旋转过程中,需要具备高精度、高刚度、高平稳性等特点。
为了确保这些性能,对主轴的几何精度进行检测是十分必要的。
二、数控车床主轴主要几何精度检测项目1.轴向窜动:轴向窜动是指主轴在轴向方向上的位移。
过大的轴向窜动会导致加工过程中刀具与工件的相对位置发生变化,从而影响加工精度。
2.径向跳动:径向跳动是指主轴在径向方向上的振动。
径向跳动会影响刀具的切削稳定性和工件的加工精度。
3.端面跳动:端面跳动是指主轴端面在加工过程中产生的振动。
端面跳动会导致工件表面质量下降,影响加工精度。
4.轴向刚度:轴向刚度是指主轴在轴向载荷作用下的变形能力。
提高轴向刚度有利于保证加工过程中刀具与工件的相对稳定性。
5.径向刚度:径向刚度是指主轴在径向载荷作用下的变形能力。
提高径向刚度有助于保证加工过程中刀具的切削稳定性。
三、检测方法及注意事项1.检测方法:采用光学投影仪、测振仪、激光干涉仪等设备对主轴几何精度进行检测。
2.注意事项:检测过程中应确保主轴充分冷却,避免温度变化对检测结果产生影响。
同时,检测设备应定期校准,确保检测数据的准确性。
四、提高数控车床主轴几何精度的措施1.选用高精度轴承,提高主轴的旋转精度。
2.优化主轴变速装置,降低轴向窜动。
3.加强主轴润滑系统的维护,提高主轴的平稳性。
普通车床几何精度检验实验一、实验目的1、了解本实验中所检验的车床精度有关项目的内容及其和加工精度的关系。
2、了解车床精度的检验方法及有关仪器的使用。
3、掌握所测得的实验数据处理方法和检验结果的曲线绘制及分析。
二、主要仪器设备1、实验机床:CA6140普通车床2、测量仪器:合象水平仪、千分表、钢尺、磁力表座、圆柱长检验棒。
三、实验基本原理根据普通车床精度检验标准,本实验进行其中的五项。
第一、二、三项是检验溜板移动时的轨迹,由于床身导轨的制造误差或因长期使用后的磨损及变形,使得溜板移动轨迹不是一条直线,而是一条空间曲线,这一条空间曲线可以用这三项精度来表示:第一项:溜板移动在垂直平面内的不直度,检验方法,在溜板上靠近床身前导轨处放一个和床身导轨平行的水平仪,移动溜板,每隔200mm记录一次水平仪读数,在溜板上的全行程检验,见图一。
图一第一项精度检验示意图根据所测得的各段水平仪读数,绘制溜板移动的运动曲线,以运动曲线二端点的联线作为基准线,由曲线上各点作基准线的平行线,其中相距最近的二根平行线之间的纵座标距离即为其不直度误差。
溜板移动的运动曲线作法如下:以溜板行程为1500mm,溜板长度为500mm的车床为例,水平仪纵向安放在溜板平面上,当溜板处于近主轴端的极限位置时,记录一个水平仪读数,如+a (格)(“+”代表水平仪气泡移动方向与溜板移动方向相同,如相反,则为“-”)移动溜板,每隔500mm就记录一次读数,到移动行程为1500mm时得出三个读数,如为+b、-c、-d。
以导轨长度(即溜板各段行程所在的导轨位置)为横座标,水平仪读数为纵座标,根据水平仪读数依次画出各折线段,并使每一折线段的起点与前一折线段的终点相重合,即得出运动曲线。
(见图二)联接曲线二端点OD,作为基准线,量出曲线上的B点到OD线的纵座标距离δ全为最远,即为溜板在全行程内的不直度误差,如果要求1000mm行程内的不直度误差,则把每个行程为1000mm之间的二端点相连,作为该1000mm行程中的基准线,找出这1000mm行程中的不直度误差,然后取各个1000mm行程的不直度误差中的最大值,即为1000mm行程内的不直度误差,如图二中的δm1>δm2,则δm1即为1000mm行程内的不直度误差。
河北师范大学机床几何精度检验实验指导书专业__________班级________实验小组成员_______________________________________一、实验目的1、熟悉机床几何精度检验的内容原理和方法和步骤。
2、掌握仪器的使用以及实验数据的处理,误差曲线的绘制等。
3、通过实验了解被实验机床几何精度情况及与加工精度的关系,掌握机床几何精度检验方法。
4、深刻理解加工精度的概念,认识机床精度的重要性。
二、实验设备和仪器设备:CA6140车床1台,C620-1车床两台仪器:框式水平仪1个,验棒2个,千分表3个,磁力表座3个。
三、实验内容四、实验方法及步骤(一)床身导轨的直线度和导轨在同一平面在内1、床身导轨在垂直平面内的直线度将水平仪纵向放置在溜板上靠近和床身结合点前导轨处,从刀架处于主轴箱一端的极限位置开始,自左向右一次移动溜板,每次移动的距离应等于或接近于检验局部误差的长度。
记录溜板在每一位置时水平仪的读数。
2、床身导轨在同一平面内检验方法同上,但水平仪横向放置在两导轨间的流板上。
(二)溜板移动在水平面内的直线度在前后顶尖顶紧一根检验棒,刀架上装一千分表,使其测头转在检验棒的側母线上。
调整尾座,使千分表在检验棒的两端相等。
然后移动溜板检验,千分表在溜板全部行程上的读数的最大代数值差,就是溜板移动在水平面内直线度误差。
(三)主轴定心轴颈的跳动将千分表安装在机床固定部件上,使千分表测头垂直于主轴定心轴颈并触及主轴定心轴颈;旋转主轴,千分表读数最大差值即为主轴定心轴颈的径向跳动误差。
(四)主轴锥孔中心线的径向跳动将检验棒插在主轴锥孔内,把千分表安装在机床固定部件上,使千分表测头垂直触及被测表面,旋转主轴,记录千分表的最大读数差值,在a、b 处分别测量。
标记检棒与主轴的圆周方向的相对位置,取下检棒,同向分别旋转检棒90 度、180 度、270 度后重新插入主轴锥孔,在每个位置分别检测。
油机VTL型立车几何精度调整一、概论数控立式车床的几何精度反映机床的关键机械零部件(如床身、溜板、立柱、主轴箱等)的几何形状误差及其组装后的几何形状误差,包括工作台面的平面度、各坐标方向上移动的相互垂直度、工作台面各个坐标方向上移动的平行度、主轴径向圆跳动、主轴轴向的窜动、横梁移动时精度和主轴回转轴心线对工作台面的垂直度等。
机床几何精度是保证加工精度的基础,是利用激光干涉仪与球杆仪提高加工精度的前提。
本文就以油机VTL型立车为例,简单阐述调整机床几何精度的过程,并且通过与其他立车的对比,总结我们对立车调整的经验以及各项精度的认识。
二、立式车床的水平调整2.1 机台水平调整准备工具a.平式水平仪2支b.90°磁性水平仪1支c.38mm扳手、24mm扳手1支、活动扳手、加力杆等工具照片说明:调整机台水平准备工具2.2 机床在水平调整初期只需转动卡盘4个方向0、90、180、270度(此时不可移动到水平仪),同时兼顾调整立柱与方滑枕水平。
照片说明:水平粗调水平仪放置方式照片说明:立柱与方滑枕的水平调整水平仪放置方式2.3 在精调校时,转动卡盘8个方向,45度为一个方向下去做调整,水平精度需达2格以内要求。
精调时需注意不可影响到立柱的水平精度,并需上仰1~2格(但立柱及Z轴最终精度是以大理石和芯棒的测量数为准)。
2.4 具体水平的一些调整方法与总结将机台底床大略分为两个区块一为前部卡盘,另一为后部立柱固定处。
以VTL-1600型立车为范例说明各地脚螺丝调整功能,如图所示①.(1)(2)可控制卡盘前方左右方向外还可控制高低;②.(3)(4)控制卡盘中间部分的左右方向亦可控制对角方向【(1)(4)】、【(2)(3)】;③.(5)(6)可控制卡盘前方左右方向,外还可控制对角方向【(1)(6)】、【(2)(5)】,需注意在调整(5)(6)基础螺栓时会影响立柱的前倾与后仰水平精度;④.调整(7)(8)基础螺栓控制立柱的前与后仰水平精度亦可控制左右方向与对角方向【(7)(14)】、【(8)(11)】;⑤.调整(9)(10)基础螺栓控制立柱的左右方向;⑥.调整(11)(12)(13)(14)基础螺栓控制立柱的前倾与后仰。
数控车床几何精度检测1.床身导轨的直线度和平行度ﻫ☆纵向导轨调平后,床身导轨在垂直平面内的直线度检验工具:精密水平仪检验方法:如0001 所示,水平仪沿Z轴向放在溜板上,沿导轨全长等距离地在各位置上检验,记录水平仪的读数,并记入“报告要求”中的表1中,并用作图法计算出床身导轨在垂直平面内的直线度误差。
ﻫ☆横向导轨调平后,床身导轨的平行度ﻫ检验工具:精密水平仪检验方法:如0002 所示,水平仪沿X 轴向放在溜板上,在导轨上移动溜板,记录水平仪读数,其读数最大值即为床身导轨的平行度误差。
2.溜板在水平面内移动的直线度ﻫ检验工具:指示器和检验棒,百分表和平尺检验方法:如0003 所示,将直验棒顶在主轴和尾座顶尖上;再将百分表固定在溜板上,百分表水平触及验棒母线;全程移动溜板,调整尾座,使百分表在行程两端读数相等,检测溜板移动在水平面内的直线度误差。
ﻫ3.尾座移动对溜板移动的平行度ﻫ☆垂直平面内尾座移动对溜板移动的平行度☆水平面内尾座移动对溜板移动的平行度ﻫ检验工具:百分表检验方法:如0004 所示,将尾座套筒伸出后,按正常工作状态锁紧,同时使尾座尽可能的靠近溜板,把安装在溜板上的第二个百分表相对于尾座套筒的端面调整为零;溜板移动时也要手动移动尾座直至第二个百分表的读数为零,使尾座与溜板相对距离保持不变.按此法使溜板和尾座全行程移动,只要第二个百分表的读数始终为零,则第一个百分表相应指示出平行度误差。
或沿行程在每隔300mm 处记录第一个百分表读数,百分表读数的最大差值即为平行度误差。
第一个指示器分别在图中ab 位置测量,误差单独计算。
4.主轴跳动ﻫ☆主轴的轴向窜动☆主轴的轴肩支承面的跳动ﻫ检验工具:百分表和专用装置检验方法:如0005所示,用专用装置在主轴线上加力 F (F的值为消除轴向间隙的最小值),把百分表安装在机床固定部件上,然后使百分表测头沿主轴轴线分别触及专用装置的钢球和主轴轴肩支承面;旋转主轴,百分表读数最大差值即为主轴的轴向窜动误差和主轴轴肩支承面的跳动误差ﻫ5.主轴定心轴颈的径向跳动ﻫ检验工具:百分表检验方法:如0006 所示,把百分表安装在机床固定部件上,使百分表测头垂直于主轴定心轴颈并触及主轴定心轴颈;旋转主轴,百分表读数最大差值即为主轴定心轴颈的径向跳动误差ﻫ6。
卧式车床精度检验标准卧式车床是一种常用的金属加工设备,具有加工精度高、效率高的特点,因此在机械加工行业中得到了广泛的应用。
为了确保卧式车床的加工精度和加工质量,需要对其进行精度检验。
本文将介绍卧式车床精度检验的标准及相关内容。
一、外观检验。
首先,进行外观检验,包括车床的表面光洁度、油脂涂布情况、各零部件的连接是否牢固等。
外观检验可以直观地了解车床的整体情况,为后续的精度检验奠定基础。
二、尺寸精度检验。
尺寸精度是衡量卧式车床加工质量的重要指标之一。
在尺寸精度检验中,需要对车床的各个零部件的尺寸进行测量,并与设计图纸上的尺寸进行对比,以判断尺寸是否符合要求。
三、几何精度检验。
几何精度是指卧式车床在加工过程中所能保持的几何形状的精度。
在几何精度检验中,需要对车床的各轴线的垂直度、平行度、圆度等进行测量,并进行评估。
四、传动精度检验。
传动精度是指卧式车床在工作过程中传动装置的精度。
在传动精度检验中,需要对车床的主轴、导轨、丝杠等传动部件进行检验,以确保传动装置的精度和可靠性。
五、运行精度检验。
运行精度是指卧式车床在工作过程中的运行稳定性和精度。
在运行精度检验中,需要对车床进行负载试验,观察其在负载下的运行情况,并进行评估。
六、维护保养。
在精度检验之后,需要对卧式车床进行维护保养,包括润滑、清洁、紧固等工作,以确保车床的长期稳定性和精度。
综上所述,卧式车床精度检验标准涉及外观检验、尺寸精度检验、几何精度检验、传动精度检验、运行精度检验等内容,通过对这些内容的全面检验,可以确保卧式车床的加工精度和加工质量,提高生产效率,降低生产成本。
同时,定期的维护保养工作也是确保车床长期稳定性和精度的重要措施。
希望本文能够对卧式车床的精度检验工作有所帮助。
数控卧式车床精度检验标准数控卧式车床是一种高精度、高效率的机床,广泛应用于汽车、航空、航天等领域。
为了确保数控卧式车床的加工精度和质量,需要对其进行精度检验。
本文将介绍数控卧式车床精度检验的标准和方法。
一、几何精度检验。
1. 轴向定位精度检验。
轴向定位精度是数控卧式车床的重要指标之一,其检验方法为在车床主轴上安装测量仪器,测量主轴的轴向定位误差。
根据国家标准,轴向定位精度应符合GB/T12345-2010标准,其误差范围应在±0.005mm之内。
2. 回转精度检验。
回转精度是数控卧式车床主轴回转的精度,其检验方法为使用角度测量仪器对主轴进行测量,根据国家标准GB/T54321-2015,回转精度应符合其规定的误差范围,一般要求在0.01度以内。
3. 平行度检验。
平行度是数控卧式车床工作台与主轴的平行度,其检验方法为使用平行度测量仪器对工作台进行测量,根据国家标准GB/T67890-2008,平行度误差范围应在0.02mm/m以内。
二、运动精度检验。
1. 快速移动精度检验。
快速移动精度是数控卧式车床在快速移动时的定位精度,其检验方法为使用激光干涉仪对快速移动进行测量,根据国家标准GB/T87654-2012,快速移动精度误差范围应在±0.02mm以内。
2. 加工精度检验。
加工精度是数控卧式车床在加工过程中的定位精度,其检验方法为使用测量仪器对加工件进行测量,根据国家标准GB/T34567-2009,加工精度误差范围应在±0.01mm以内。
三、维护保养。
1. 定期检查润滑系统,确保润滑油清洁,并及时更换。
2. 定期检查数控系统,确保系统正常运行,并及时清理系统内部灰尘。
3. 定期检查主轴和导轨,确保其表面光洁,无损伤和变形。
四、结论。
数控卧式车床精度检验是确保其加工精度和质量的重要手段,通过对其几何精度和运动精度的检验,可以及时发现问题并进行维修保养,以保证其正常运行。
实验报告课程名称机械制造装备实验名称CA6140普通车床几何精度的测量实验日期2016年6月19日学生专业机械设计制造及其自动化学生学号学生姓名学生班级指导教师老师实验成绩页脚内容1南京理工大学机械工程学院页脚内容2CA6140普通车床几何精度的测量实验报告一、实验名称CA6140普通车床几何精度的测量。
二、实验内容及要求1.测量车床主轴的圆跳动;2.测量数控铣床工作台的水平度;三、实验器材与设备CA6140车床、SKX13JSU数控铣床、数显千分表、磁性表座、精密水平仪;四、实验原理1.径向圆跳动车床主轴在旋转时总是存在旋转精度误差,主要表现为径向圆跳动。
利用数显千分表可测出径向圆跳动2.水平度数控铣床的工作台应该严格保证水平,控制其水平度。
本次实验利用水平仪测量数控铣床工作台的水平度。
页脚内容3五.实验步骤1.利用精密水平仪测量数控铣床的水平度将精密水平仪归零,然后将其平稳放置在铣床工作台上,缓慢转动旋钮,在视野中找到两个气泡,此时缓慢转动旋钮,直到两个气泡上边界处于视野中同一高度,即为水平,此时记录水平仪的读数,重复测量三到四次,取平均值。
2.利用数显千分表和磁性表座测量车床的径向圆跳动取一个磁性表座和一个数显千分表,先将磁性表座的各个关节拧松,将数显千分表卡到磁性表座的爪部,注意磁性表座各个关节先不要固定,调节各个关节,使数显千分表轻轻地垂直接触到机床三爪卡盘,此时再固定磁性表座各个关节,用手缓慢转动机床主轴两周,记录下数显千分表在转动过程中最小示数和最大示数。
五、实验数据1.水平度测量页脚内容42.径向圆跳动测量六、实验感想及建议在测量水平度的时候,由于我们的测量仪器量程比较小,而有几台铣床的水平度已经超出了量程,我们觉得应该在放置仪器的时候先找到气泡,并且仔细观察放下水平仪时气泡有没有超过两侧的观察窗,即有没有超过量程;而在测量径向圆跳动时,一定要尽量地把数显千分表垂直于水平面地接触车床主轴,否则测得的实验结果将不够准确;还有一点,两圈的径向圆跳动相差较大的原因是三爪卡盘的锈蚀,即第一圈将铁锈磨去后,第二圈测得的径向圆跳动会小很多。
普通卧式车床几何精度检测表道客巴巴摘要:一、引言二、普通卧式车床几何精度的概念和重要性三、普通卧式车床几何精度的检测方法四、普通卧式车床几何精度的检测标准五、结论正文:一、引言在机械加工领域,车床是一种常用的加工设备,其加工精度直接影响到生产产品的质量。
普通卧式车床几何精度的检测是保证其加工精度的重要手段。
本文将对普通卧式车床几何精度检测的方法和标准进行详细阐述。
二、普通卧式车床几何精度的概念和重要性普通卧式车床几何精度是指车床在不工作情况下,对车床工作精度有直接影响的零部件本身及其相互位置的几何精度。
几何精度包括车床溜板移动的直线性及其与它表面间相互的不平行度;车床主轴的径向跳动和轴向窜动,及其中心线与溜板移动方向的不平行度;主轴锥孔中心线对机床导轨的不等距离等。
这些几何精度的优劣直接影响到车床的加工精度,因此对其进行检测非常重要。
三、普通卧式车床几何精度的检测方法1.床身导轨的直线度和平行度检测:床身导轨的直线度和平行度是车床几何精度的重要指标。
检测方法通常是使用水平仪和直尺进行测量。
在纵向导轨调平后,床身导轨的直线度和平行度可以得到有效保障。
2.溜板移动的直线度检测:溜板移动的直线度直接影响到车床的纵向加工精度。
检测方法通常是使用激光测距仪或钢直尺进行测量。
普通卧式车床溜板移动的直线度要求在0.014 以内。
3.主轴径向跳动和轴向窜动检测:主轴径向跳动和轴向窜动是影响车床加工精度的重要因素。
检测方法通常是使用主轴径向跳动检测仪进行测量。
普通卧式车床主轴径向跳动的要求在0.025 以内,轴向窜动的要求在0.015 以内。
四、普通卧式车床几何精度的检测标准普通卧式车床几何精度的检测标准主要包括床身导轨的直线度和平行度、溜板移动的直线度、主轴径向跳动和轴向窜动等指标。
根据不同的精度要求,检测标准也有所不同。
例如,在床身导轨的直线度和平行度检测中,局部公差l250 处要求为0.018,l500 处要求为0.008;在溜板移动的直线度检测中,要求为0.014;在主轴径向跳动和轴向窜动检测中,dc1500 要求为0.03,dc500 要求为0.02。
车床精度检验实施方案一、前言。
车床是机械加工中常用的设备,其加工精度直接影响到产品的质量。
因此,对车床的精度进行检验是非常重要的。
本文将介绍车床精度检验的实施方案,以便于确保车床的加工精度和产品质量。
二、检验项目。
1. 车床的几何精度。
车床的几何精度包括床身直线度、主轴中心线与床身的平行度、主轴中心线与工作台面的垂直度等。
通过使用测量工具如平行仪、角尺和千分尺等,对车床的几何精度进行检验。
2. 车床的动态精度。
车床的动态精度包括主轴的回转精度、进给系统的定位精度等。
可以通过使用动态测量仪器进行检验,如振动测量仪、速度测量仪等,对车床的动态精度进行评估。
3. 车床的加工精度。
车床的加工精度包括工件的尺寸精度、表面粗糙度等。
可以通过对车床加工的标准工件进行测量,使用测量工具如千分尺、外径千分尺、高度千分尺等,对车床的加工精度进行检验。
三、检验方法。
1. 准备检验工具。
在进行车床精度检验前,需要准备好相应的检验工具,如平行仪、角尺、千分尺、动态测量仪器等。
2. 制定检验计划。
根据车床的不同类型和规格,制定相应的检验计划,明确检验的项目和方法。
3. 进行检验操作。
按照检验计划,对车床的几何精度、动态精度和加工精度进行逐项检验,记录检验结果。
4. 分析检验数据。
对检验结果进行分析,判断车床的精度是否符合要求,找出存在的问题和不足之处。
5. 提出改进措施。
根据检验数据的分析结果,提出相应的改进措施,对存在的问题进行修复和改进,以提高车床的精度。
四、注意事项。
1. 在进行车床精度检验时,要严格按照检验计划和方法进行操作,确保检验的准确性和可靠性。
2. 对检验工具的使用和维护要求严格,保证检验工具的精度和可靠性。
3. 检验操作人员要经过专业培训,具备一定的技术水平和操作能力,确保检验操作的准确性。
4. 对检验结果要进行及时的记录和分析,及时发现问题并提出改进措施。
五、总结。
车床精度检验是保证车床加工精度和产品质量的重要环节。
实验三车床几何精度检测及调整
实验项目性质:综合性
实验计划学时:2学时
一、实验目的
1、了解进行车床几何精度检测、加工精度检测常用的工具及其使用方法
2、了解ISO标准、GB中常见的机床几何精度及加工精度检测项目标准数据。
3、掌握机床几何精度概念。
二.实验原理
机床的加工精度是衡量机床性能的一项重要指标。
影响机床加工精度的因素很多 , 有机床本身的精度影响 , 还有因机床及工艺系统变形、加工中产生振动、机床的磨损以及刀具磨损等因素的影响。
在上述各因素中 ,机床本身的精度是一个重要的因素。
例如在车床上车削圆柱面 ,其圆柱度主要决定于工件旋转轴线的稳定性、车刀刀尖移动轨迹的直线度以及刀尖运动轨迹与工件旋转轴线之间的平行度 ,即主要决定于车床主轴与刀架的运动精度以及刀架运动轨迹相对于主轴的位置精度。
机床的精度包括几何精度、传动精度、定位精度以及工作精度等 , 不同类型的机床对这些方面的要求是不一样的。
车床的几何精度,是指车床在不工作情况下,对车床工作精度有直接影响的零部件本身及其相互位置的几何精度。
属于这类精度的有:车床溜板移动的直线性及其与它表面间相互的不平行度;车床主轴的径向跳动和轴向窜动,及其中心线与溜板移动方向的不平行度;主轴锥孔中心线对机床导轨的不等距离等等。
三、实验步骤
1.床身导轨的直线度和平行度
☆纵向导轨调平后,床身导轨在垂直平面内的直线度
检验工具:精密水平仪
检验方法:如图所示,水平仪沿 Z 轴向放在溜板上,沿导轨全长等距离地在各位置上检验,记录水平仪的读数,并记入“报告要求”中的表 1 中,并用作图法计算出床身导轨在垂直平面内的直线度误差。
☆横向导轨调平后,床身导轨的平行度
检验工具:精密水平仪
检验方法:如图所示,水平仪沿 X 轴向放在溜板上,在导轨上移动溜板,记录水平仪读数,其读数最大值即为床身导轨的平行度误差。
2.溜板在水平面内移动的直线度
检验工具:指示器和检验棒,百分表和平尺
检验方法:如图所示,将直验棒顶在主轴和尾座顶尖上;再将百分表固定在溜板上,百分表水平触及验棒母线;全程移动溜板,调整尾座,使百分表在行程两端读数相等,检测溜板移动在水平面内的直线度误差。
3.尾座移动对溜板移动的平行度
垂直平面内尾座移动对溜板移动的平行度;水平面内尾座移动对溜板移动的平行度.
检验工具:百分表
检验方法:如图所示,将尾座套筒伸出后,按正常工作状态锁紧,同时使尾座尽可能的靠近溜板,把安装在溜板上的第二个百分表相对于尾座套筒的端面调整为零;溜板移动时也要手动移动尾座直至第二个百分表的读数为零,使尾座与溜板相对距离保持不变。
按此法使溜板和尾座全行程移动,只要第二个百分表的读数始终为零,则第一个百分表相应指示出平行度误差。
或沿行程在每隔 300mm 处记录第一个百分表读数,百分表读数的最大差值即为平行度误差。
第一个指示器分别在图中 ab 位置测量,误差单独计算。
4.主轴跳动 (选做)
☆主轴的轴向窜动 ;☆主轴的轴肩支承面的跳动
检验工具:百分表和专用装置
检验方法:如图所示,用专用装置在主轴线上加力 F ( F 的值为消除轴向间隙的最小值),把百分表安装在机床固定部件上,然后使百分表测头沿主轴轴线分别触及专用装置的钢球和
主轴轴肩支承面;旋转主轴,百分表读数最大差值即为主轴的轴向窜动误差和主轴轴肩支承面的跳动误差。
5.主轴定心轴颈的径向跳动(选做)
检验工具:百分表
检验方法:如图所示,把百分表安装在机床固定部件上,使百分表测头垂直于主轴定心轴颈并触及主轴定心轴颈;旋转主轴,百分表读数最大差值即为主轴定心轴颈的径向跳动误差
6.主轴锥孔轴线的径向跳动
检验工具:百分表和验棒
检验方法:如图所示,将检验棒插在主轴锥孔内,把百分表安装在机床固定部件上,使百分表测头垂直触及被测表面,旋转主轴,记录百分表的最大读数差值,在 a、b 处分别测量。
标记检棒与主轴的圆周方向的相对位置,取下检棒,同向分别旋转检棒 90 度、 180 度、 270 度后重新插入主轴锥孔,在每个位置分别检测。
取4次检测的平均值即为主轴锥孔轴线的径向跳动误差
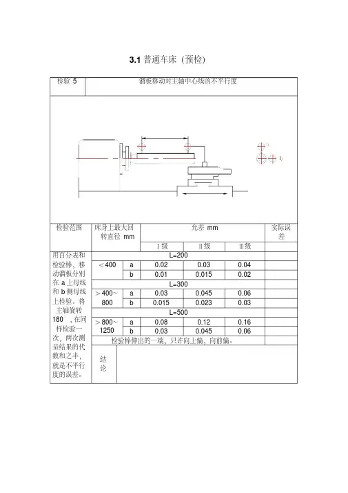
7.主轴轴线(对溜板移动)的平行度
检验工具:百分表和验棒
检验方法:如图所示,将检验棒插在主轴锥孔内,把百分表安装在溜板(或刀架)上,然后:(1)使百分表测头垂直在平面触及被测表面(验棒),移动溜板,记录百分表的最大读数差值及方向;旋转主轴 180 度,重复测量一次,取两次读数的算术平均值作为在垂直平面内主轴轴线对溜板移动的平行度误差;
(2)使百分表测头在水平平面内垂直触及被测表面(验棒),按上述(1)的方法重复测量一次,即得水平平面内主轴轴线对溜板移动的平行度误差。
8.主轴顶尖的跳动(选做)
检验工具;百分表和专用顶尖
检验方法:如图所示,将专用顶尖插在主轴锥孔内,把百分表安装在机床固定部件上,使百分表测头垂直触及被测表面,旋转主轴,记录百分表的最大得数差值。
9.尾座套筒轴线(对溜板移动)的平行度
检验工具:百分表
检验方法;如图所示,将尾座套筒伸出有效长度后,按正常工作状态锁紧。
百分表安装在溜板(或刀架上),然后:(1)使百分表测头在垂直平面内垂直触及被测表面(尾座筒套),移动溜板,记录百分表的最大读数差值及方向;即得在垂直平面内尾座套筒轴线对溜板移动的平行度误差;(2)使百分表测头在水平平面内垂直触及被测表面(尾座套筒),按上述(1)的方法重复测量一次,即得在水平平面内尾座套筒轴线对溜板移动的平行度误差
10.尾座套筒锥孔轴线(对溜板移动)的平行度
检验工具:百分表和验棒
检验方法:如图所示,尾座套筒不伸出并按正常工作状态锁紧;将检验棒插在尾座套筒锥孔内,指示器安装在溜板(或刀架)上,然后:
(1)把百分表测头在垂直平面内垂直触及被测表面(尾座套筒),移动溜板,记录百分表的最大读数差值及方向;取下验棒,旋转验棒 180 度后重新插入尾座套孔,重复测量
一次,取两次读数的算术平均值作为在垂直平面内尾座套筒锥孔轴线对溜板移动的平行度误差;
(2)把百分表测头在水平平面内垂直触及被测表面,按上述(1)的方法重复测量一次,即得在水平平面内尾座套筒锥孔轴线对溜板移动的平行度误差
11.床头和尾座两顶尖的等高度
检验工具:百分表和验棒
检验方法:如图所示,将检验棒顶在床头和尾座两顶尖上,把百分表安装在溜板(或刀架)上,使百分表测头在垂直平面内垂直触及被测表面(检验棒),然后移动溜板至行程两端,移动小拖板(X轴),记录百分表在行程两端的最大读数值的差值,即为床头和尾座两顶尖的等高度。
测量时注意方向
12.刀架横向移动对主轴轴线的垂直度 (选做)
检验工具:百分表、圆盘、平尺
检验方法:如图所示,将圆盘安装在主轴锥孔内,百分表安装在刀架上,使百分表测头在水平平面内垂直触及被测表面(圆盘),再沿X轴向移动刀架,记录百分表的最大读数差值及方向;将圆盘旋转 180 度,重新测量一次,取两次读数的算术平均值作为横刀架横向移动对主轴轴线的垂直度误差
13. 刀架转位的重复定位精度、刀架转位 X 轴方向回转重复定位精度(选做)
检验工具:百分表和验棒
检验方法:如图所示,把百分表安装在机床固定部件上,使百分表测头垂直触及被测表面(检具),在回转刀架的中心行程处记录读数,用自动循环程序使刀架退回,转位 360 度,最
后返回原来的位置,记录新的读数。
误差以回转刀架至少回转三周的最大和最小读数差值计。
对回转刀架的每一个位置都应重复进行检验,并对每一个位置百分表都应调到零刀架转位 Z 轴方向回转重复定位精度
14. 重复定位精度、反向差值、定位精度(选做)
检验工具:激光干涉仪或步距规,如图所示
检验方法:因为用步距规测量定位精度时操作简单,因而在批量生产中被广泛采用。
无论采用哪种测量仪器,在全程上的测量点数应不少于 5 点,测量间距按下式确定:Pi=iP+k(P 为测量间距; k 为各目标位置时取不同的值,以获得全测量行程上各目标位置的不均匀间隔,从而保证周期误差被充分采样
15. 工作精度检验(选做)
☆精车圆柱试件的圆度(靠近主轴轴端,检验试件的半径变化)
检测工具:千分尺
检验方法:精车试件(试件材料为 45 钢,正火处理,刀具材料为 YT30 )外圆D,试件如图所示,用千分尺测量靠近主轴轴端的检验试件的半径变化,取半径变化最大值近似作为圆度误差;用千分尺测量每一个环带直径之间的变化,取最大差值作为该项误差切削加工直径的一致性(检验零件的每一个环带直径之间的变化)
☆精车端面的平面度(选做)
检测工具:平尺、量块
检验方法:精车试件端面(试件材料: HT150,180~200HB, 外形如图;刀具材料:(YG8 ),试件如图所示,使刀尖回到车削起点位置,把指示器安装在刀架上,指示器测头在水平平面内垂直触及圆盘中间,负X轴向移动刀架,记录指示器的读数及方向;用终点时读数减起点时读数除2即为精车端面的平面度误差;数值为正,则平面是凹的。
☆螺距精度
检测工具:丝杠螺距测量仪
检验方法:可取外径为 50mm ,长度为 75mm ,螺距为 3mm 的丝杠作为试件进行检测(加工完成后的试件应充分冷却)。
工件如图所示
☆精车圆柱形零件的直径尺寸精度、精车圆柱形零件的长度尺寸精度
检测工具:测高仪、杠杆卡规
检验方法:用程序控制加工圆柱形零件(零件轮廓用一把刀精车而成),零件如图所示测量其实际轮廓与理论轮廓的偏差
四、实验数据处理及实验报告要求
1.整理记录实验数据。
填写下表
2.试分析数控车床“刀架横向移动对主轴轴线的垂直度”误差对车削出的端面的平面度误差的影响。
车床几何精度检测数据记录。