钣金的设计要求说明介绍
- 格式:doc
- 大小:803.11 KB
- 文档页数:11
1钣金特性与工艺要求1.产品厚度均匀的原则钣金就是厚度均匀的材料,在结构设计时应该要注意,尤其是在折弯比较多的地方,很容易造成厚度不均匀。
2.易于展平的原则钣金件产品是由片材加工而成的,在没有加工之前,原材料是平整的,所以,在设计钣金件时,所有折弯及斜面都要能展开在同一个平面上,相互之间不能有干涉。
例如,图1所示的钣金件设计不合格,原因就是展开后相互干涉。
图1 钣金件展平后会相互干涉图3.适当地选用板金件厚度原则钣金件厚度从0.03〜4.00mm各种规格都有,但厚度越大越难加工,就越需要大的加工设备,不良率也随之增加。
厚度应根据产品实际的功能来选择,在满足强度及功能的前提下,越薄越好,对于大部分产品,钣金件厚度应控制在1.00mm以下。
4.符合加工工艺原则钣金件产品要符合加工工艺,要易于制造,不符合加工工艺的产品是制造不出来的,就是不合格的设计。
钣金类产品设计的工艺要求钣金▪工艺性:产品在各种加工过程中如冲切、折弯等的难易程度▪工艺要求:设计钣金类产品时应符合这些工艺性。
▪基本加工方式有:冲切、折弯、拉伸、成型等2冲切普通冲切:目前应用最多。
精密冲切:需要精密的冲切模具及高精度的冲切设备,成本要高于普通冲切,一般应用于比较精密的产品。
1.冲切件的外形尽量简单,避免细长的悬臂及狭槽冲切件的凸出或凹入部分的深度和宽度,一般情况下,应不小于1.5/t(t为料厚),同时应该避免窄长的切口与过窄的切槽,以便增大模具相应部位的刃口强度,如图2所示。
图2 避免窄长的悬臂和凹槽2.冲切件外形尽量使排样时废料最少,从而减少原料的浪费将图3所示的设计改进成图4所示的设计,就会以相同的原料增加产品数量,从而减少浪费,降低成本。
图3 原先设计图4 改进后设计3.冲切件的外形及内孔应避免尖角尖角会影响模具的寿命,在产品设计时要注意在角落连接处倒圆角过渡,圆角半径R≥ 0.5t (t为料厚),如图5所示。
图5 倒圆角设计4.冲切件的孔及方孔冲切件的孔优先选用圆孔,冲孔时,受到冲头强度的限制,冲孔的直径不能太小,不然容易损坏冲头。
钣金件设计规范范文一、材料选择1.钣金件的材料选择应符合设计要求,根据使用环境和功能要求选择适当的材料。
2.材料的选择应考虑产品的强度、硬度、耐磨性、耐腐蚀性等性能指标。
二、结构设计1.钣金件的结构设计应满足产品的使用要求,确保合理分布载荷,提高产品的强度和刚度。
2.钣金件的结构设计应符合机械设计原理,避免应力集中、应力过高等问题的出现。
三、尺寸精度控制1.钣金件的尺寸精度应符合图纸和设计要求,尺寸偏差应控制在允许范围内,确保产品的互换性。
2.设计中应考虑到材料的收缩和变形等因素,合理设置公差,确保尺寸的精度和一致性。
四、工艺要求1.钣金件的工艺要求应明确,包括切割、弯曲、冲孔、焊接、打磨、抛光等工艺的要求和方法。
2.工艺要求应确保产品的加工精度、加工质量和外观要求,避免外表缺陷、毛刺和裂纹等问题的出现。
五、焊接要求1.钣金件的焊接应符合相关的焊接标准和规范,包括焊接工艺、焊接材料的选择和焊接质量的要求。
2.焊缝应均匀、牢固,焊接点应充分焊透,避免焊缝开裂、气孔和夹渣等问题。
六、表面处理1.钣金件的表面处理应符合使用要求,包括防腐处理、表面喷漆、镀铬、电镀等。
2.表面处理应提供一定的耐磨性、耐腐蚀性和美观性,确保产品的外观质量。
七、装配要求1.钣金件的装配应符合设计要求,确保装配的精度、装配的牢固性和安全性。
2.装配过程中应注意避免零件的变形、划伤和损坏等情况的发生。
八、质量检验1.钣金件的质量检验应按照相关的标准和规范进行,包括尺寸测量、外观质量、强度检验等方面。
2.质量检验应覆盖产品的各个环节,从材料采购、加工制造到成品出厂,确保产品的合格率和合格质量。
以上就是钣金件设计规范的主要内容,设计人员在设计过程中应严格按照规范进行,确保产品的质量和安全性。
同时,也需要与相关的生产工艺人员和质量检验人员密切配合,共同保证产品的设计、制造和使用的一致性和有效性。
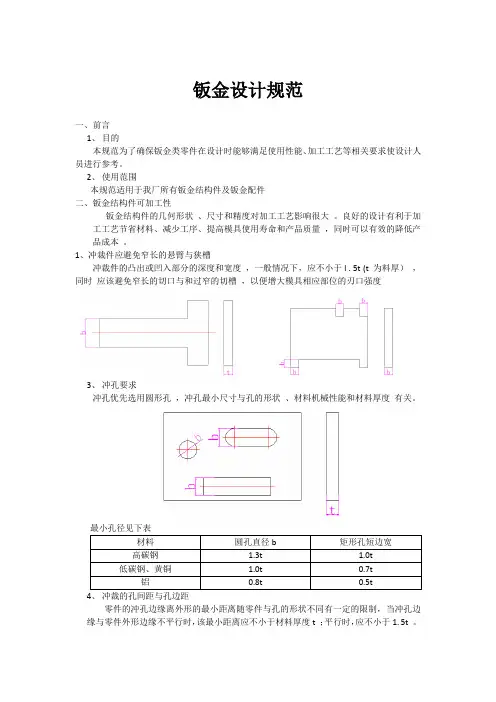
钣金设计规范一、前言1、目的本规范为了确保钣金类零件在设计时能够满足使用性能、加工工艺等相关要求使设计人员进行参考。
2、使用范围本规范适用于我厂所有钣金结构件及钣金配件二、钣金结构件可加工性钣金结构件的几何形状、尺寸和精度对加工工艺影响很大。
良好的设计有利于加工工艺节省材料、减少工序、提高模具使用寿命和产品质量,同时可以有效的降低产品成本。
1、冲裁件应避免窄长的悬臂与狭槽冲裁件的凸出或凹入部分的深度和宽度,一般情况下,应不小于l . 5t (t 为料厚),同时应该避免窄长的切口与和过窄的切槽,以便增大模具相应部位的刃口强度3、冲孔要求冲孔优先选用圆形孔,冲孔最小尺寸与孔的形状、材料机械性能和材料厚度有关。
最小孔径见下表材料圆孔直径b矩形孔短边宽高碳钢 1.3t 1.0t低碳钢、黄铜 1.0t0.7t铝0.8t0.5t零件的冲孔边缘离外形的最小距离随零件与孔的形状不同有一定的限制,当冲孔边缘与零件外形边缘不平行时,该最小距离应不小于材料厚度t ;平行时,应不小于1. 5t 。
以下是几种在设计中具体遇到的情况:5、 折弯件及拉深件冲孔时其孔壁与直壁之间应保持一定的距离 折弯件、拉伸件孔壁与工件直壁间距离 6、 螺钉、螺栓的过孔和沉头孔 7、 螺钉 、螺栓过孔和沉头座的结构尺寸按下表选取取。
对于沉头螺钉的沉头座,如果板 材太薄难 以同时保证过孔d2和沉孔D ,应优先保证过孔d2 。
D1 M2M2.5M3M4M5M6M8M10D2 ∅2.2 ∅2.8 ∅3.5 ∅4.5 ∅5.5 ∅6.5∅9∅11用于螺钉、螺栓的过孔 D1 M2M2.5M3M4M5D2 ∅2.2 ∅2.8∅3.5 ∅4.5 ∅5.5 D ∅4 ∅5.5∅6.5∅9∅10H (参考尺寸) 1.21.51.652.72.7a90*要求板材厚度t ≥h 用于沉头螺钉的沉头座及过孔 8、折弯板料在弯曲过程中外层受到拉应力,内层受到压应力,从拉到压之间有一既不受拉力又不受压力的过渡层称为中性层;中性层在弯曲过程中的长度和弯曲前一样,保持不变,所以中性层是计算弯曲展开长度的基准。
钣金技术要求大全钣金技术是一门广泛应用于制造业的工艺,涵盖了从汽车制造到电子产品、从航空航天到家具等众多领域。
要掌握好钣金技术,需要了解一系列的要求和规范。
一、材料选择在钣金加工中,材料的选择至关重要。
常见的钣金材料包括不锈钢、冷轧板、热轧板、铝板、铜板等。
选择材料时,需要考虑以下几个因素:1、强度和硬度:根据产品的使用环境和受力情况,选择具有足够强度和硬度的材料,以确保产品的稳定性和可靠性。
2、耐腐蚀性:如果产品将在潮湿、腐蚀性环境中使用,应选择具有良好耐腐蚀性的材料,如不锈钢。
3、成本:在满足性能要求的前提下,尽量选择成本较低的材料,以控制生产成本。
4、可加工性:考虑材料的延展性、可塑性等加工性能,便于后续的冲压、折弯、焊接等工艺操作。
二、图纸设计准确清晰的图纸是钣金加工的基础。
在设计图纸时,需要注意以下几点:1、尺寸标注:标注应清晰、准确,包括长度、宽度、高度、孔径、折弯角度等关键尺寸,公差范围也应明确标注。
2、视图完整性:提供多个视图,如主视图、俯视图、侧视图等,以全面展示产品的形状和结构。
3、工艺标注:对于需要特殊加工工艺的部位,如冲压、焊接、表面处理等,应在图纸上进行标注和说明。
三、冲压工艺冲压是钣金加工中常用的工艺之一。
以下是冲压工艺的一些要求:1、模具设计:模具的设计应合理,确保冲裁力均匀分布,减少模具磨损和产品缺陷。
2、冲压精度:控制冲压件的尺寸精度和形状精度,避免出现毛刺、变形等问题。
3、冲裁间隙:合理选择冲裁间隙,过大或过小的间隙都会影响冲压质量。
4、冲压速度:根据材料和模具的特性,选择合适的冲压速度,以提高生产效率和产品质量。
四、折弯工艺折弯是使钣金件形成一定角度和形状的重要工艺。
在折弯过程中,需要注意以下要求:1、折弯半径:根据材料的厚度和性能,选择合适的折弯半径,以避免材料开裂。
2、折弯角度精度:确保折弯角度符合图纸要求,误差应控制在允许范围内。
3、折弯顺序:合理安排折弯顺序,避免因折弯顺序不当导致产品变形或尺寸偏差。
钣金设计要求 Revised by Liu Jing on January 12, 2021钣金设计规范一、前言1、目的本规范为了确保钣金类零件在设计时能够满足使用性能、加工工艺等相关要求使设计人员进行参考。
2、使用范围本规范适用于我厂所有钣金结构件及钣金配件二、钣金结构件可加工性钣金结构件的几何形状、尺寸和精度对加工工艺影响很大。
良好的设计有利于加工工艺节省材料、减少工序、提高模具使用寿命和产品质量,同时可以有效的降低产品成本。
1、冲裁件应避免窄长的悬臂与狭槽冲裁件的凸出或凹入部分的深度和宽度,一般情况下,应不小于l . 5t (t 为料厚),同时应该避免窄长的切口与和过窄的切槽,以便增大模具相应部位的刃口强度3、冲孔要求冲孔优先选用圆形孔,冲孔最小尺寸与孔的形状、材料机械性能和材料厚度有关。
最小孔径见下表4、冲裁的孔间距与孔边距零件的冲孔边缘离外形的最小距离随零件与孔的形状不同有一定的限制,当冲孔边缘与零件外形边缘不平行时,该最小距离应不小于材料厚度t ;平行时,应不小于1. 5t 。
以下是几种在设计中具体遇到的情况:5、折弯件及拉深件冲孔时,其孔壁与直壁之间应保持一定的距离折弯件、拉伸件孔壁与工件直壁间距离6、螺钉、螺栓的过孔和沉头孔7、螺钉、螺栓过孔和沉头座的结构尺寸按下表选取取。
对于沉头螺钉的沉头座,如果板材太薄难以同时保证过孔d2和沉孔D,应优先保证过孔d2 。
D1M2M3M4M5M6M8M10D2911用于螺钉、螺栓的过孔D1M2M3M4M5D2D4910H(参考尺寸)a90*要求板材厚度t≥h 用于沉头螺钉的沉头座及过孔8、折弯板料在弯曲过程中外层受到拉应力,内层受到压应力,从拉到压之间有一既不受拉力又不受压力的过渡层称为中性层;中性层在弯曲过程中的长度和弯曲前一样,保持不变,所以中性层是计算弯曲展开长度的基准。
弯曲件的质变高度不宜太小最小高度按照下表要求以上为建议折弯尺寸,因厂家不同,设备工艺不同,建议≤2mm板材折弯高度≥10mm8、折弯件上的孔边距孔边距:先冲孔后折弯,孔的位置应处于弯曲变形区域外,避免弯曲时孔会产生变形。
钣金设计规范钣金设计规范是指钣金加工和设计中需要遵循的一系列标准和要求。
下面是一份钣金设计规范的范例,仅供参考。
一、材料选择和规范1. 钣金材料应符合国家相关标准,如GB/T、ASTM等。
2. 板材厚度的选择应根据设计要求和力学分析进行合理计算。
3. 不同材料的选择应考虑其物理、化学性能的适应性,确保材料的强度、耐蚀性和可焊性等性能满足要求。
二、加工工艺和规范1. 钣金加工过程中应确保对操作人员和设备的安全,并采取相应的防护措施。
2. 加工过程中应避免产生过多的热变形和应力集中,使用合适的冷却介质和工艺控制,如冷却水等。
3. 加工精度要求高的钣金件应采取适当的夹持装置和定位方式,确保其形状和尺寸的准确性。
三、表面处理和喷涂规范1. 钣金件表面处理应根据设计要求和使用环境选择合适的方式,如除锈、抛光、喷砂等。
2. 喷涂涂料应符合相关的标准和规范,确保涂层的附着力、耐腐蚀性和美观度。
3. 各工序之间应有合理的缓冲时间,防止过早的重叠喷涂或处理,造成质量问题。
四、焊接和连接规范1. 焊接工艺应符合相关的标准和规范,如焊接材料的选择、焊接接头的形式、焊接电流和电压的控制等。
2. 焊接前应进行合适的预热处理,控制焊接过程中的温度和速度,使接头处得到良好的焊接质量。
五、设计尺寸和公差规范1. 钣金件的设计尺寸应符合相关的标准和规范,如图样加工尺寸、公差限制等。
2. 钣金件的公差应根据其用途和重要程度进行合理设定,精度要求高的部件应采用较小的公差限制。
六、安全和环保规范1. 钣金加工过程中应符合相关的安全规定,如操作人员的防护用具、紧急停机设备等。
2. 钣金加工过程中应减少废料和废弃物的产生,合理利用资源,符合环保要求。
七、质量检验和测试规范1. 钣金件的质量检验应根据相关标准和规范进行,如外观质量、尺寸偏差、表面粗糙度等。
2. 钣金件的力学性能和耐腐蚀性能等也应进行合适的测试和检验,确保其质量和使用寿命。
八、设计文件和记录规范1. 钣金件的设计图纸应准确、清晰,包含必要的尺寸、公差、材料信息、表面处理要求等。
钣金件的结构设计需要注意以下几点:1. 简单形状准则:切割面的几何形状越简单,切割下料越方便、简单、切割的路径越短,切割量也越小。
如直线比曲线简单,圆比椭圆及其它高阶曲线简单,规则图形比不规则图形简单。
2. 节省原料准则:在薄板构件的设计中,要尽量减少下角料。
冲切弃料最少以减少料的浪费。
特别在批量大的构件下料时效果显著,减少下角料的途径有:减少相邻两构件之间的距离;巧妙排列;将大平面处的材料取出用于更小的构件。
3. 足够强度刚度准则:带斜边的折弯边应避开变形区。
两孔之间的距离若太小,则在切割时有产生裂纹的可能。
零件上冲孔设计应考虑留有合适的孔边距和孔间距以免冲裂。
4. 工艺性:孔的尺寸不宜过小,孔间距不宜过小,孔与工件直壁之间的距离不宜过小。
尽量减少零件对模具的磨损,注意节约原材抖。
弯折件的圆角半径应大于板料许可的最小弯曲半径。
弯折件的直边高度不宜过小。
避免畸形孔。
5. 美观性:钣金件的设计应该考虑到美观性,包括形状、表面处理、颜色等方面。
在满足功能和性能的前提下,尽量使设计看起来更加美观。
6. 功能性:钣金件的设计应该考虑到其在使用过程中的功能性。
例如,如果钣金件是用于支撑或固定其他部件的,那么其形状和尺寸应该能够满足这些功能要求。
7. 环保性:在现代设计中,环保性越来越受到重视。
钣金件的设计应该考虑到其在使用和制造过程中对环境的影响。
例如,应选择环保的材料,如可回收材料,而不是有害的材料。
8. 经济性:钣金件的设计应该考虑到其制造成本和价格。
在满足功能和性能的前提下,应选择成本较低的材料和制造方法,以降低产品的价格。
9. 安全性:钣金件的设计应该考虑到其在使用过程中的安全性。
例如,如果钣金件是用于保护人身安全的,那么其结构和材料应该能够满足这些安全要求。
10. 可维护性:钣金件的设计应该考虑到其在使用过程中的可维护性。
例如,如果钣金件需要定期清洁或更换部件,那么其结构和设计应该方便维护和更换。
钣金件设计规范钣金件设计规范是指针对钣金件的设计和制造过程中需要遵循的一系列规范和要求。
钣金件是指通过对金属板材进行切割、弯曲、冲压、焊接等工艺加工而成的零件。
下面是关于钣金件设计规范的一些要点。
1. 材料选择在设计钣金件时,需要根据零件的功能和工作环境选择合适的材料。
常用的钣金材料有碳钢、不锈钢、铝合金等。
同时,需要考虑材料的强度、硬度、耐腐蚀性等特性。
2. 设计几何形状钣金件的几何形状设计应具备合理性和可制造性。
应尽量减少零件的复杂度,避免过于细小的结构和过于复杂的平面形状。
设计时应考虑材料利用率和制造工艺的可行性。
3. 尺寸公差设计钣金件时,需要在设计图纸中规定尺寸公差。
合适的公差范围能够保证零件的互换性和可靠性。
公差的选择应根据零件的功能和制造工艺来确定。
4. 强度分析钣金件的设计应考虑其强度和刚度。
可以通过有限元分析等工具进行强度分析,以确定零件的最佳结构和材料。
5. 过冲与收口在钣金件的设计中,需要考虑过冲和收口的问题。
过冲是针对冲压加工过程中金属板材的弹性回弹问题,而收口则是为了提高钣金件的牢固性和密封性。
6. 表面处理钣金件在制造完成后,需要进行表面处理以提高其外观质量和耐腐蚀性。
常见的表面处理方法有喷漆、喷粉、电镀等。
7. 组装与安装钣金件的设计应考虑其组装和安装的便利性。
零件之间的连接方式应合理选择,并且连接点应容易访问和维修。
8. 质量控制在钣金件的设计和制造过程中,需要进行严格的质量控制。
设计师和制造人员要清楚了解设计要求,确保零件的质量符合标准。
9. 制造工艺钣金件的制造工艺有很多种,包括切割、冲压、弯曲、焊接等。
不同的制造工艺对零件的形状、尺寸和材料要求不同,设计师要根据具体情况选择合适的制造工艺。
10. 设计文件和验收标准钣金件的设计过程中应编制相应的设计文件,包括设计图纸、工艺文件、检验标准等。
设计师和制造人员要严格按照设计文件的要求进行制造和验收,确保零件符合设计要求。
钣金z折设计要求
以下是一些常见的钣金Z折设计要求:
- 折弯高度:钣金折弯高度至少为钣金厚度的2倍加上折弯半径,当折弯为斜边时,最容易发生因折弯高度太小而造成折弯扭曲变形的情况。
- 折弯半径:为保证折弯强度,折弯半径应大于材料最小折弯半径。
但半径太大,折弯反弹会越大,折弯角度和折弯高度越不容易控制。
因此钣金折弯半径需取合理值。
- 折弯方向:钣金折弯时应尽量垂直于金属材料纤维方向,当钣金折弯平行于金属材料纤维方向时,在钣金折弯处容易产生裂纹,强度低,易断裂。
- 根部压料:钣金折弯时,常因为其他特征与钣金折弯根部距离太近,造成不能压料而无法折弯或者折弯严重变形。
一般来说,在折弯根部上方至少保证2倍钣金厚度加上折弯半径的距离上没有其他特征阻挡钣金折弯时的压料。
- 折弯间隙:由于钣金折弯公差的存在,在钣金折弯的运动方向上,需要保证一定的折弯间隙,以避免折弯时干涉而造成的折弯失败。
- 折弯强度:长而窄的折弯强度低,短而宽的折弯强度高,因此钣金折弯尽量附着在比较长的边上。
- 减少折弯工序:钣金折弯工序越多,模具成本越高,折弯精度越低。
因此钣金设计应当尽量减少折弯工序。
钣金产品方案范文1. 引言钣金产品制作是一种常见的金属加工方法,通过对金属板材进行切割、弯曲、焊接等工艺,制作出各种形状和尺寸的金属制品。
本文将介绍一个钣金产品方案的范文,包括产品的设计要求、制作工艺、材料选择和质量控制等方面的内容。
2. 设计要求本次钣金产品方案的设计要求如下:•产品类型:箱体结构•尺寸:长100cm、宽50cm、高30cm•材料:不锈钢板•防护等级:IP65•表面处理:喷塑3. 制作工艺3.1 制作步骤本次钣金产品的制作步骤如下:1.制作箱体的底板:根据设计要求,切割一块100cm*50cm的不锈钢板,将其弯曲成U形,得到箱体的底板。
2.制作箱体的侧壁和顶盖:根据设计要求,切割两块50cm30cm的不锈钢板,将其弯曲成柱状,得到箱体的侧壁。
再根据设计要求,切割一块100cm50cm的不锈钢板,将其弯曲成U形,得到箱体的顶盖。
3.焊接箱体的底板、侧壁和顶盖:将制作好的底板、侧壁和顶盖按设计要求进行焊接,连接成一个完整的箱体结构。
4.进行表面处理:将焊接好的箱体进行喷塑处理,增加产品的耐腐蚀性和美观性。
3.2 工艺要点在制作过程中,需要注意以下工艺要点:•切割工艺:选择合适的切割方式和工具,确保切割面光洁、尺寸准确。
•弯曲工艺:根据设计要求进行合理的弯曲角度和弯曲顺序,避免变形和开裂。
•焊接工艺:选择合适的焊接方法和焊材,确保焊缝牢固、外观美观。
•表面处理:选择合适的喷塑材料和设备,保证均匀涂层、耐久性强。
4. 材料选择本次钣金产品的材料选择如下:•底板、侧壁和顶盖:选择304不锈钢板,具有耐腐蚀性和强度较高的特点。
•焊接材料:选择与不锈钢相兼容的焊材,确保焊缝的牢固性和密封性。
•喷塑涂料:选择防腐蚀性能好,颜色鲜艳的喷塑涂料,保证产品的耐用性和美观性。
5. 质量控制为确保钣金产品的质量,需要进行以下质量控制措施:•制作前的检查:对材料的尺寸、表面质量进行检查,确保符合设计要求。
钣金件设计11个要点!
1、依据成品所要求的机能决定其形状、尺寸、外观和材料;
2、设计成品必须符合模具原则,即模具制作容易,成形以及加工容易,但仍然不影响机构功能;
3、钣金折边总高至少4个料厚;
4、开孔孔缘离折弯墙不能小于3T;
5、抽芽铆合沙拉离料边3.00~5.00mm;(冲压中“沙拉”是指什么?指沉头孔,如图)
6、展开无干涉;
7、冲方形孔时,四角尽量圆角,避免尖角;
8、折弯避免在斜边上;
9、零件防呆,即容易反装的零件设计成左右不对称;
10、凸包边缘留料过少,不能成型后剪切,只有当毛边在切入方向时容易加工;
11、凸边折弯时,在拐角处容易出现撕裂。
钣金设计知识点钣金设计是一种应用广泛的制造工艺,涵盖了钣金加工的各个环节,包括设计、制图、材料选择、工艺规范等方面。
下面我们来详细了解一下钣金设计的知识点。
一、设计原则1.1 结构设计原则钣金设计的结构要满足强度、刚度和稳定性的要求,同时要考虑到使用和维修的便利性。
1.2 工艺设计原则钣金设计需要考虑到材料的可加工性、成本和工艺能力等因素,从而确定最佳的工艺流程和工艺参数。
1.3 美学设计原则钣金产品的外观设计要符合人体工程学原理,同时要考虑到美观和实用性的平衡。
二、材料选择2.1 钣金材料的种类常见的钣金材料有冷轧板、热轧板、镀锌板、不锈钢板等,根据具体的使用环境和要求选择合适的材料。
2.2 材料的性能要求钣金材料需要具备良好的可加工性、强度和耐腐蚀性,同时还要考虑到材料的成本和可获得性。
三、制图标准3.1 图纸规范钣金设计需要遵循一定的图纸规范,包括图纸的尺寸、标注、符号和线型等方面的要求,以确保设计的准确性和可读性。
3.2 图纸内容钣金设计的图纸内容包括整体装配图、零件展开图、工艺流程图等,需要清晰表达设计意图和工艺要求。
四、工艺规范4.1 钣金加工工艺钣金加工包括切割、冲压、弯曲、焊接等工艺,需要根据具体情况选择合适的工艺方法和工艺参数。
4.2 工艺控制要点钣金加工需要控制工艺参数,包括刀具的选择和磨损情况、冲床的冲程和冲频、焊接的电流和电压等,以确保产品质量。
五、质量控制5.1 检验要求钣金产品需要进行尺寸、外观和性能等方面的检验,以确保产品符合设计要求和客户需求。
5.2 不良问题处理如果出现不良问题,需要根据具体情况进行分析和处理,找出问题的原因并采取相应的措施进行改进。
六、安全注意事项6.1 安全防护钣金加工需要使用各种机械设备和工具,要注意安全防护措施,避免事故和伤害的发生。
6.2 环境保护钣金加工产生的废料和废水需要正确处理,遵循环保要求,保护环境。
以上是钣金设计的一些知识点,涵盖了结构设计、材料选择、制图标准、工艺规范、质量控制以及安全注意事项等方面。
冲压钣金设计要求冲压钣金设计是现代工业生产中一项非常重要的工艺,其设计要求直接关系到产品的质量、生产效率和成本控制。
针对冲压钣金设计的要求,可以从材料选择、工艺流程、尺寸精度、加工工艺等方面进行阐述。
以下是关于冲压钣金设计要求的一些内容,仅供参考:一、材料选择:1. 材料要求具有足够的韧性和塑性,以便在冲裁和成形过程中能够承受较大的变形和应力;2. 材料的表面应光滑、无瑕疵、无裂纹和气孔,并且需要具有良好的表面涂装性能;3. 材料的厚度需符合设计要求,同时要考虑到成本和加工性能;二、工艺流程:1. 设计要求应尽量减少冲压工序的次数,尽量简化工艺流程,提高生产效率;2. 在冲压过程中需要考虑到材料的拉伸、收缩和弹性回复等特性,合理设计冲裁和成形工序;3. 设计要求应充分考虑到冲压模具的结构、材料和加工精度,以保证产品尺寸和形状的精准性;三、尺寸精度:1. 冲压钣金产品的尺寸精度要求高,设计时需要考虑到冲裁后的尺寸变化和成形误差,合理控制尺寸公差;2. 在设计过程中需充分考虑到材料回弹、变形和材料厚度的不均匀性等因素,合理预留设计余量,确保产品尺寸符合要求;四、加工工艺:1. 考虑到冲压工艺的特点,在设计时要尽可能减少零件的接缝和焊接工序,从而降低成本并提高产品的整体强度;2. 对于复杂结构的钣金零件,需要合理设计加强筋、锁紧件和补强件等,以增加产品的刚度和抗压性能;3. 考虑到加工的可行性和效率,在设计时需要避免过多的曲折和锐角,尽量采用圆角和圆弧设计,以便于冲压成形和后续的装配;总结:冲压钣金设计要求涉及材料选择、工艺流程、尺寸精度和加工工艺等多个方面,设计人员需要充分了解材料特性和冲压工艺,合理进行设计优化,以确保产品质量和生产效率。
设计人员还需要与生产、工艺和质量部门密切合作,及时调整设计方案,确保冲压钣金产品能够满足客户的需求。