安全生产月报表范本
- 格式:doc
- 大小:152.00 KB
- 文档页数:7
安全生产月报表范本安全生产月报表时间:XXXX年XX月填报单位:XXXX公司填报人:XXX一、安全生产工作概况本月共发生安全生产事故XX起,其中重大事故X起,一般事故XX起,轻微事故XX起。
本月未发生伤亡事故。
本月安全隐患排查XX次,已整改隐患XX个,未整改隐患XX个。
本月公司共开展安全培训活动X次,培训人数XX人次。
二、安全生产工作亮点1.安全生产责任制落实到位。
公司全体员工明确安全生产责任,落实职责,通过各类会议、培训等形式将安全生产责任制度贯彻到每一个工作环节。
2.安全风险管控得到加强。
公司加强风险评估和管控,制定了一系列针对性措施,有效预防和遏制了潜在的安全风险。
3.安全意识普及效果明显。
通过宣传教育和培训,全体员工的安全意识得到了有效提升,发现并报告隐患的积极性明显增强。
三、安全生产问题及改进措施1.问题:本月发生的一起重大事故主要原因是操作人员操作不规范,未按照安全操作规程操作,导致设备故障引发事故。
改进措施:加强操作人员的培训和教育,提高其操作技能和安全意识,确保操作规程的贯彻执行。
2.问题:部分安全隐患整改不及时。
改进措施:对未整改的安全隐患进行专项整治,落实整改责任人,加快整改进度,确保安全隐患得到及时消除。
3.问题:部分员工对安全意识不够,投入不足。
改进措施:加强安全教育培训,增强员工的安全意识,通过奖惩等方式激励员工积极参与安全生产工作,形成良好的安全氛围。
四、下月安全生产工作计划1.进一步加强安全风险管控,全面检查隐患排查工作,确保安全隐患的及时整改。
2.加强员工的安全培训和教育,提高其安全意识和技能,确保员工全面掌握安全操作规程。
3.加大安全宣传力度,提高员工对安全生产工作的认识和重视程度,增强安全责任感。
总之,本月公司在安全生产工作中取得了一定的成绩,但也存在一些问题,需要进一步加以改进和完善。
下月将继续以安全生产为中心,采取切实有效的措施,确保安全生产工作的顺利开展。
生产安全情况月报表生产安全情况月报表(样本)尊敬的领导:根据公司要求,我们对本月的生产安全情况进行了统计和分析,特向您汇报如下:一、事故情况:本月共发生生产安全事故2起,其中一起属于轻伤事故,一起为物料堆放引发的火灾事故。
经调查,事故原因主要是人员操作失误以及违规操作。
二、安全生产检查情况:本月进行了4次安全生产检查,主要针对生产车间以及设备设施,检查结果如下:1. 发现并整改突破安全设施、防护网受损等情况2起;2. 检查时发现1处高温设备存在漏气现象,及时通知有关部门进行维修,并做出相应的安全警示。
三、安全培训情况:本月开展了3次安全培训,主要内容包括操作规程、应急救援措施等方面。
通过培训,提高了员工的安全意识和应急处理能力,有力预防了事故的发生。
四、安全设备维护情况:本月按照计划对生产车间的安全设备进行了维护和检修,主要包括灭火器的更换,防护网的修复等。
同时,加强了对设备设施的日常维护保养工作,确保设备的安全可靠运行。
五、安全隐患整改情况:本月对上月发现的安全隐患进行了整改,主要包括工区安全标识的完善、设备设施的检修以及员工的操作规程宣传等。
整改后,安全隐患得到有效控制,提升了生产现场的安全水平。
六、奖惩情况:本月根据安全生产管理制度,对生产车间的安全行为进行了考核和奖惩。
共对10名员工进行了表扬,主要是因为他们在工作中重视安全,积极参与安全培训,落实安全措施等方面做出了突出贡献。
七、下月工作计划:针对本月存在的问题和不足,下月我们将进一步加强安全培训工作,并组织相关专家进行安全评估,提出相应的改进方案。
同时,继续加强设备设施的维护和检修工作,确保生产安全稳定运行。
以上是本月的生产安全情况月报表,请您批示。
感谢领导对生产安全工作的关心和支持!生产安全部。
生产线(部门)安全生产、防火情况月报表填报人:审核主管:20 12 年 4 月30 日填表说明:1、本月安全活动内容有:(1)班组安全学习活动:含安全意识教育、管理制度学习、操作规程学习、安全操作危险点、事故多发点问题讨论。
班组安全学习活动要求每月不少于两次。
(2)车间(部门)安全活动:内容有宣讲国家对安全生产的最新要求、公司制度的执行情况、车间安全形式分析,检查中发现问题的讨论、近段时间以来员工的安全生产状况、不同季节安全生产的则重点、根据生产安全需要讨论或完善制定本车间的相关操作规程。
车间安全活动每月不少于一次。
(3)填表时班组安全学习活动可填按规定进行,有班组未按规定进行的要如实填写,部门安全活动的主要内容要填写清楚。
2、本月消防训练内容:消防器材的使用、不同物质灭火方法的把握、火场疏散逃生及注意事项、涉及本部门(车间)应急预案的演练等。
因上三班的原固,各部门(车间)人员可根据上班情况分批次进行训练,不要求每次所有人员到场,但各部门(车间)消防训练每2月不能少于一次。
3、本月安全检查情况:(1)检查频率:各部门(车间)每星期不少于一次。
(2)检查内容:班前会议记录(是否有讲安全)、班组安全学习活动内容、现场安全检查等。
4、安全隐患整改情况:各部门将安全检查中发现的问题和整改情况如实填写。
5、存在问题及建议:当检查中发现的问题超出了部门(车间)的处理范围或牵涉到两个或两个以上的部门需公司出面解决时写在这一栏。
部门(车间)认为有必要的也可写在这一栏。
6、因反应的问题比较典型、比较突出、反应的内容比较多,不够位置写可另附页。
7、此表在下月的第一天下日班前交安全管理部。
如8月份报表9月1号交。
安全生产月报表范本报告期:xxxx年xx月表格编号:第xxxx号一、事故发生情况本月共发生安全事故xx起,其中:1.人员伤亡事故xx起,导致xx人受伤(详见附件一),其中轻伤xx人,重伤xx人。
受伤员工均已得到妥善治疗并得以康复出院。
责任归属于xxx部门/岗位。
2.财产损失事故xx起,直接经济损失xx万元。
责任归属于xxx部门/岗位。
3.其他事故xx起,详见附件二二、安全生产工作情况1.安全生产基础工作(1)安全生产目标责任制落实情况:xxxx部门在本月内切实履行了安全生产目标责任,并对责任人进行了考核和奖惩。
(2)安全制度管理情况:本月共课审批了xx个安全制度,并组织相关部门进行了培训和宣贯,确保员工全面了解和遵守相关的安全制度。
2.安全隐患整改工作(1)安全隐患排查情况:本月共进行了xx次安全隐患排查,涉及到xxx个部门/岗位。
在排查工作中发现了xx个安全隐患,已及时下达整改通知书,并启动了整改工作。
(2)安全隐患整改情况:已落实整改措施xx项,整改率为xx%。
安全隐患整改情况详见附件三3.安全培训和教育工作(1)安全培训计划与落实情况:本月计划开展xx场安全培训,实际完成xx场。
安全培训人次为xx人。
(2)安全教育宣传情况:本月共开展了xx次安全教育宣传活动,覆盖员工xx人次。
具体宣传内容详见附件四三、安全生产工作亮点和问题1.安全生产工作亮点:(此处可根据实际情况,列举本月取得的安全生产工作上的亮点,如新推行的安全管理措施、技术改进等)2.安全生产工作存在的问题:(此处可列举本月存在的安全问题及预防措施,如工作中发现的安全隐患、员工安全意识不强等)四、下月安全生产工作计划1.安全生产目标计划:(此处可列举下月安全生产目标计划,如减少事故发生率、提高员工安全意识、进一步推行新的安全制度等)2.安全培训计划:(此处可列举下月安全培训计划,如召开x场安全培训、组织x人次参加安全培训等)3.安全隐患整改计划:(此处可列举下月安全隐患整改计划,如落实整改措施x项、整改率达到x%等)五、附件清单附件一:本月人员伤亡事故详细情况统计表附件二:本月其他事故详细情况统计表附件三:本月安全隐患整改情况统计表附件四:本月安全教育宣传活动内容清单以上内容仅为安全生产月报表范本,实际内容应根据企业的特定情况进行调整和填写。
安全生产情况月报表安全生产情况月报表20XX年XX月一、总体情况本月共发生安全生产事故X起,造成X人死亡、X人受伤、直接经济损失X万元。
相比上个月,安全生产事故和人员伤亡数均有X%的下降,直接经济损失X%的下降。
二、事故情况统计1. 事故类型分布(1)机械事故:X起,占总事故数的X%;(2)火灾爆炸事故:X起,占总事故数的X%;(3)工地坍塌事故:X起,占总事故数的X%;(4)交通事故:X起,占总事故数的X%;(5)其他事故:X起,占总事故数的X%。
2. 事故原因分析(1)人为因素(主要是违章操作、安全意识差等):X起,占总事故数的X%;(2)设备故障:X起,占总事故数的X%;(3)管理失误:X起,占总事故数的X%;(4)其它原因:X起,占总事故数的X%。
三、防控措施总结本月安全生产工作取得的成绩主要通过以下措施实现:1. 完善安全管理制度,强化安全意识培训;2. 加强设备维护保养,及时发现和处理设备故障;3. 加强现场安全巡检,及时排查安全隐患;4. 加强对特种作业人员的培训和管理;5. 加强施工现场安全监管,严格执行安全责任制;6. 加强对重点区域、工种、工序的安全管控。
四、存在的问题及改进措施1. 问题:安全监管责任落实不到位;改进措施:明确责任,加强安全监管部门的处罚力度,加强日常安全巡查力度。
2. 问题:安全意识不强,培训教育措施不够;改进措施:加强安全教育培训,建立定期安全培训制度。
3. 问题:安全设施不完善;改进措施:加强安全设施维护和更新,确保设施的正常使用。
4. 问题:应急救援能力较弱;改进措施:组织应急演练,培训员工的应急救援技能。
五、下月安全生产工作计划1. 继续加强安全宣传教育,提高员工安全意识;2. 进一步加强现场安全巡查和隐患排查工作;3. 加大对特种作业人员的安全培训和管理力度;4. 完善安全管理制度,强化责任落实;5. 加强施工现场安全监管,严格执行安全操作规程;6. 加强对事故隐患整改工作的跟踪和监督。
安全生产月报表范本安全生产月报表范本一、引言安全生产是企业发展的重要基础,也是企业社会责任的体现。
为了监测和评估企业的安全生产工作,并及时发现和解决安全隐患,制定并填写安全生产月报表是非常必要的。
本文将介绍一份典型的安全生产月报表范本,旨在帮助企业规范安全生产管理。
二、报表格式安全生产月报表应按照一定的格式进行填写,以确保统一、规范、清晰。
以下是一个典型的安全生产月报表格式:1. 月度总结2. 安全生产指标a. 工伤事故统计b. 事故类型统计c. 应急演练情况d. 安全培训情况3. 安全隐患排查与整改a. 隐患排查情况b. 隐患整改情况4. 安全设施维护与管理a. 设备设施巡检情况b. 设施维护情况5. 安全生产投入与支出a. 安全设备购置与更新b. 安全生产支出统计三、报表内容解析1. 月度总结每个月的报表第一栏应该是对该月安全生产工作的总结。
包括工作高峰期、重点任务、安全生产工作重要进展以及亮点等方面的内容,可以结合数据、事故案例等进行说明。
2. 安全生产指标a. 工伤事故统计:将该月工伤事故的数量、伤亡人数、直接经济损失等数据进行统计,并与上月、去年同期进行对比,以判断工伤事故的发展趋势。
b. 事故类型统计:将该月发生的事故按照类型进行分类统计,如火灾、机械伤害、跌落等,以便进行重点预防。
c. 应急演练情况:记录该月进行的应急演练的次数、参与人数、演练结果等,以评估应急响应能力和演练效果。
d. 安全培训情况:记录该月进行的安全培训的次数、培训内容、参与人数等,以评估员工的安全生产知识水平和培训效果。
3. 安全隐患排查与整改a. 隐患排查情况:记录该月进行的隐患排查的次数、发现的隐患数量、重点隐患等情况,以及隐患来源和排查方式。
b. 隐患整改情况:记录该月进行的隐患整改的次数、已整改的隐患数量、未整改的隐患数量等情况,以及整改措施和进展。
4. 安全设施维护与管理a. 设备设施巡检情况:记录该月进行的巡检次数、巡检范围、巡检内容以及发现的问题和处理情况。
安全生产月报表范本日期:XXXX年XX月一、总体情况1.1总体概况本月共发生XX起安全事故,其中重大事故X起,较上月减少X起。
具体事故分析请见下表:表1:本月安全事故情况统计事故类型事故数量重大事故数量火灾XX事故类型2XX事故类型3XX事故类型4XX合计XX1.2事故原因及处理情况根据本月的安全事故分析,主要原因如下:(1)事故原因1:原因描述1;处理情况1;(2)事故原因2:原因描述2;处理情况2;(3)事故原因3:原因描述3;处理情况3;(4)事故原因4:原因描述4;处理情况4;基于以上原因,我部门已采取以下措施来防范类似事故再次发生:(1)措施1:具体描述;(2)措施2:具体描述;(3)措施3:具体描述;二、安全生产情况分析2.1安全生产指标完成情况本月我部门的安全生产指标完成情况如下:(1)安全生产指标1:完成情况描述;(2)安全生产指标2:完成情况描述;(3)安全生产指标3:完成情况描述;2.2安全生产隐患整改情况本月我部门共发现隐患X处,其中已整改X处,具体情况如下:(1)隐患描述1:整改措施及时间节点;(2)隐患描述2:整改措施及时间节点;(3)隐患描述3:整改措施及时间节点;三、安全生产工作亮点和问题反馈3.1工作亮点本月我部门在安全生产工作中取得的亮点如下:(1)亮点1:具体描述;(2)亮点2:具体描述;(3)亮点3:具体描述;3.2问题反馈本月我部门在安全生产工作中存在的问题如下:(1)问题1:具体描述;(2)问题2:具体描述;(3)问题3:具体描述;四、下月工作计划4.1下月安全生产工作重点下月我部门的安全生产工作重点将放在以下方面:(1)重点1:具体描述;(2)重点2:具体描述;(3)重点3:具体描述;4.2下月安全生产工作计划下月我部门的安全生产工作计划如下:(1)安全培训计划;(2)安全巡查计划;(3)隐患排查整改计划;五、其他事项5.1其他事项1本月在安全生产工作中还需要关注的其他事项如下:(1)事项1:具体描述;(2)事项2:具体描述;(3)事项3:具体描述;5.2其他事项2本月在安全生产工作中还需要关注的其他事项如下:(1)事项1:具体描述;(2)事项2:具体描述;(3)事项3:具体描述;以上是本月的安全生产月报表,提供给相关部门参考和评估,以推动安全生产工作的持续改进和提升。
安全生产月报表范文随着现代工业化的高速发展,安全生产的重要性日益凸显。
安全生产对于企业、社会以及个人都具有不可忽视的重要意义,消除安全隐患成为企业和政府的职责和义务。
其中,安全月度报表是企业在安全生产方面管理的重要工具之一。
本文结合实例,就安全生产月报表范文的编写方法,希望对读者在管理安全生产工作方面有所帮助。
一、报表概述安全生产月报表是每月总结上个月生产安全情况所编写的一份报告。
报表要求包罗万象、数字明确、内容详实,能够真实反映企业生产安全状况,为企业管理层和职工提供一个全面、准确的安全生产工作情况的了解渠道。
同时,也是企业的经营动态、经营风险、经营技能,反映企业运行状况和未来发展方向的依据。
二、报表格式安全生产月报表应具有简洁明了、规范化的报表格式,使管理人员和职工生产出能够一眼看懂的数据。
1. 单位名称:以企业注册名称为准。
2. 报表名称:“安全生产月报表”。
3. 报送时间:以每月第一天为准,统计上月统计时间的第一天至最后一天情况。
4. 重点数字:重点关注企业生产安全统计数据,包括事故数、事故人数、事故损失金额等。
5. 关键事件:对本月发生的重大生产安全事件作出详细介绍。
6. 安全管理情况:对本月安全管理工作所做出的措施描述。
7. 综合评价:对本月安全生产的总体情况评价,真实反映企业安全生产管理情况。
三、报表内容生产安全月报表主要内容包括安全事故数量、事故处理情况、安全隐患、安全培训、安全工作计划、安全生产纪律、防范生产安全事故、安全投入、相关部门和领导对安全管理工作的指导等。
1. 安全事故数量:月发生安全事故的总体情况,包括事故数量、人员伤亡情况、经济损失等。
2. 事故处理情况:对上月发生的重大安全事故进行详细讲解,包括事故处理措施、责任认定、损失情况等内容。
3. 安全隐患:上月安全检查出现的隐患情况,以及针对隐患采取的措施和处理情况。
4. 安全培训:上月安全培训的情况,包括培训人数、培训内容、培训进度等。
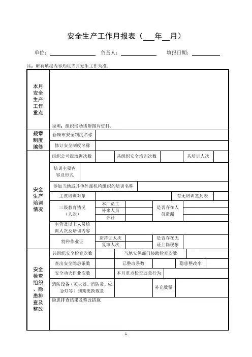
安全生产工作月报表正式版安全生产工作月报表(年月)单位:负责人:填报日期:注:所有填报内容均以当月发生工作为准。
备注:1.每月**日前报送安全环保办公室,确保所报信息真实、可靠,无虚报、瞒报现象;2.需同时报送单位负责人签字件和材料电子版各一份;3.若篇幅不够或需另详细说明可另附页。
填报人:联系:审核安全生产责任落实月工作领导小组及成员工作职责分工为认真做好和谐平安校园创建工作,预防各类安全事故的发生,保障全校师生人身和财产安全,维护学校安全稳定大局,现成立大柳家小学安全工作领导小组并明确小组成员工作分工:一、安全工作领导小组:组长:王延令副组长:孙金奎刘海波成员:冯志强曲玲王京臣郭善光牟振利各教学班班主任二、安全工作目标任务1、认真贯彻执行上级党政及教育主管部门关于学校安全工作的有关精神,坚持“安全第一,预防为主”的方针,管好自己的人,看好自己的门.2、坚决杜绝重特大安全责任事故、重大群体性事件的发生。
3、健全和完善学校安全管理机制,落实安全责任,切实把各类安全隐患和不稳定因素消除在萌芽状态。
4、持之以恒做好学校安全教育、法制教育,警钟长鸣,常抓不懈。
5、严格行政值日制度和值周班制度,实行学校值日行政、年级值日人员和相关人员安全负责制,以上人员为当天安全工作直接责任人。
三、学校安全工作领导小组成员工作职责分工:王延令:安全工作第一责任人,对学校安全工作负总责孙金奎、刘海波:协助校长共同抓好学校安全,并对学校安全工作进行监督。
负责法制宣传教育工作及班级安全管理工作郭善光、牟振利:负责教育教学安全工作王京臣:负责总务后勤安全工作、用电、校舍及设施的维护冯志强、曲玲:负责日常安全工作管理四、各处室安全工作职责(一)总务处:负责饮食安全、卫生安全、用电安全、食品卫生安全的管理以及职工的安全工作。
1、抓好教师食堂的饮食卫生工作。
食堂工作人员要按照规定定期体检,严格卫生制度,保证良好的个人卫生和环境卫生,杜绝师生食物中毒事故的发生。
安全生产月报表
工程名称:施工单位:
建设单位:项目经理:
监理单位:项目安全员:
编制日期:年月日
建筑施工安全检查评分汇总表
(年月)份
填表人:填表日期:年月日
安全生产目标责任书、制度、施工组织设计(方案)月报表
()月份
工程项目名称:
填表人:项目负责人:填表日期:年月日
(月份)安全巡查、隐患整改及防范措施落实情况汇总表
注: 1.本表作为项目分部日常自查安全隐患整改的依据: 2。
本表须按月报形式于当月25日前上报项目管理部作为项目分部当月安全生产考核的依据: 3.凡项目分部当月不按时上报,管理部将视该项目分部未履行规定进行日常安全检查工作,故:对项目分部进行经济处罚
填表人签字:负责人签字:
工程项目分部月度重大危险源一览表
注:“是否重点工程”一栏中,应填写“市级”重点工程或“集团级”重点工程。
填报人(签字):负责人(签字)
项目分部专﹙兼﹚职安全管理人员信息库
填表人(签字):登记日期年月日注: 1、本报表信息库应包括劳务分包单位的安全员登记
2、本表信息为当月必报资料
.
项目分部安全生产情况月报统计表
工程名称:
工单位:年月日
项目分部安全生产分管领导:项目分部负责人:(签字)
填报人:联系电话:
注:本报表均包括现场劳务分包单位在内的当月报表。