企业安全生产月报表最新模版
- 格式:doc
- 大小:44.50 KB
- 文档页数:1
安全生产事故月报表安全生产事故月报表日期:XXXX年XX月编号:XXXX总结与分析:本月共发生X起安全生产事故,其中X起较大生产事故、X 起一般生产事故和X起一般事故。
相较于上月,本月安全生产事故数量有所增加,对公司生产经营和员工安全带来了一定的影响。
较大生产事故:1. 事故时间:XX年XX月XX日事故地点:XX车间事故原因:操作人员操作不当,导致设备故障,引发火灾事故损失:X人死亡,X人受伤,X万元直接经济损失处理措施:对涉事人员进行追责,启动应急预案,设立事故调查组,加强设备维护保养、操作培训和现场管理。
一般生产事故:1. 事故时间:XX年XX月XX日事故地点:XX车间事故原因:操作人员操作不规范,导致机器起火事故损失:X万元直接经济损失处理措施:对涉事人员进行教育培训,加强设备操作规范宣传和培训。
2. 事故时间:XX年XX月XX日事故地点:XX仓库事故原因:仓库货物堆放不稳,导致坍塌事故损失:X万元直接经济损失处理措施:加强货物堆放管理,增设支撑物,加强现场安全巡检。
一般事故:1. 事故时间:XX年XX月XX日事故地点:公司大厦事故原因:电器线路短路,引发火灾事故损失:X万元直接经济损失处理措施:对电器设施进行检修,强化用电安全管理。
2. 事故时间:XX年XX月XX日事故地点:停车场事故原因:司机驾驶不当,与其他车辆相撞事故损失:X万元直接经济损失处理措施:对司机进行教育培训,宣传交通安全知识。
安全生产事故的分析及教训:本月发生的安全生产事故主要集中在设备操作、仓库管理和用电安全等方面。
事故的主要原因是操作人员的操作不当、管理不到位和规范意识薄弱。
为了避免类似事故再次发生,公司应采取以下措施:1. 加强员工安全教育培训,提高员工对安全生产的认识和重视程度。
2. 完善设备维护保养制度,确保设备的正常运行和安全使用。
3. 加强现场管理,加强巡检,发现隐患及时处理。
4. 设立安全管理责任制,明确每个岗位的安全生产责任。
安全生产月度报告表1. 月度概述- 本月安全生产工作整体情况如下:- 完成了X项安全检查任务,涵盖了全公司各个部门和生产区域。
- 发生了Y起安全事故,其中Z起为较严重的事故,造成了一定的人员伤亡和财产损失。
- 安全培训和宣传活动开展了W次,覆盖率达到了V%。
- 公司安全管理制度和应急预案得到了有效执行。
2. 安全检查- 本月共完成X项安全检查任务,主要包括:- 工作区域安全巡查- 机械设备安全检测- 安全用品和防护装备检查- 危险化学品储存安全检查等- 检查结果如下:- 发现了A处存在的安全隐患,并及时采取了措施进行整改。
- B处的安全设施维护情况良好,符合相关要求。
- C处的员工安全意识较低,进行了相关安全培训提升。
3. 安全事故- 本月共发生Y起安全事故,其中Z起为较严重的事故,对人员和财产造成了一定损失。
- 事故原因分析如下:- 事故A:发生在X车间,由于设备故障未及时处理导致,造成了X人受伤和Y万元财产损失。
- 事故B:发生在Y区域,由于操作不当引发火灾,造成了Z 人受伤和W万元财产损失。
- 针对事故的处理措施如下:- 对责任人进行了相应追责和处罚。
- 对事故原因进行了彻底排查,制定了相应的预防措施。
4. 安全培训和宣传- 本月共开展了W次安全培训和宣传活动,涵盖了各个部门和岗位。
- 主要内容如下:- 安全培训课程:对重点部门和岗位进行了安全操作规程的培训。
- 安全宣传活动:通过海报、宣传栏等方式宣传安全意识和知识。
- 培训和宣传效果如下:- 培训覆盖率达到了V%。
- 员工对安全操作规程和应急处理措施有了较深入的了解。
5. 安全管理制度和应急预案执行情况- 本月公司安全管理制度和应急预案得到了有效执行。
- 相关情况如下:- 安全管理制度:各部门按照制度要求,积极落实安全管理措施。
- 应急预案执行:在应急演练和实际情况中,各岗位和部门能够迅速采取应急措施,保证了员工的安全和财产的安全。
6. 下月安全生产重点工作- 为了进一步提升公司的安全生产工作水平,下月的重点工作为:- 加强对员工的安全教育和培训,提高员工的安全意识。
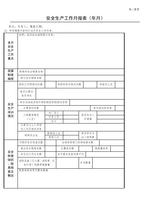
安全生产工作月报表正式版安全生产工作月报表(年月)单位:负责人:填报日期:注:所有填报内容均以当月发生工作为准。
备注:1.每月**日前报送安全环保办公室,确保所报信息真实、可靠,无虚报、瞒报现象;2.需同时报送单位负责人签字件和材料电子版各一份;3.若篇幅不够或需另详细说明可另附页。
填报人:联系:审核安全生产责任落实月工作领导小组及成员工作职责分工为认真做好和谐平安校园创建工作,预防各类安全事故的发生,保障全校师生人身和财产安全,维护学校安全稳定大局,现成立大柳家小学安全工作领导小组并明确小组成员工作分工:一、安全工作领导小组:组长:王延令副组长:孙金奎刘海波成员:冯志强曲玲王京臣郭善光牟振利各教学班班主任二、安全工作目标任务1、认真贯彻执行上级党政及教育主管部门关于学校安全工作的有关精神,坚持“安全第一,预防为主”的方针,管好自己的人,看好自己的门.2、坚决杜绝重特大安全责任事故、重大群体性事件的发生。
3、健全和完善学校安全管理机制,落实安全责任,切实把各类安全隐患和不稳定因素消除在萌芽状态。
4、持之以恒做好学校安全教育、法制教育,警钟长鸣,常抓不懈。
5、严格行政值日制度和值周班制度,实行学校值日行政、年级值日人员和相关人员安全负责制,以上人员为当天安全工作直接责任人。
三、学校安全工作领导小组成员工作职责分工:王延令:安全工作第一责任人,对学校安全工作负总责孙金奎、刘海波:协助校长共同抓好学校安全,并对学校安全工作进行监督。
负责法制宣传教育工作及班级安全管理工作郭善光、牟振利:负责教育教学安全工作王京臣:负责总务后勤安全工作、用电、校舍及设施的维护冯志强、曲玲:负责日常安全工作管理四、各处室安全工作职责(一)总务处:负责饮食安全、卫生安全、用电安全、食品卫生安全的管理以及职工的安全工作。
1、抓好教师食堂的饮食卫生工作。
食堂工作人员要按照规定定期体检,严格卫生制度,保证良好的个人卫生和环境卫生,杜绝师生食物中毒事故的发生。
安全生产月报表安全生产月报表尊敬的各位领导和同事:大家好!在这个特殊的时期,为了统计我公司上个月的安全生产情况,及时发现和解决存在的问题,现将安全生产月报表报告如下:1. 安全生产总体情况上个月,全公司共发生事故123起,其中重大事故5起,较上月下降了10%。
经过应急处理和事故调查,事故原因主要分为人为失误、设备故障和管理不当等。
2. 安全生产责任制落实情况本月,公司继续加强安全生产责任制落实工作。
在各个部门设立了安全负责人,并定期组织安全生产培训和演练。
此外,公司还加强了对承包商和外来人员的管理,确保外来人员进入工作区域前接受必要的安全培训。
3. 安全设施维护情况上个月,公司加强了对安全设施的维护工作。
对于设备的定期维修和检查,公司制定了详细的计划,并建立了设施设备台账和维护记录。
同时,公司还检查了灭火器和紧急疏散通道等安全设施的完好性,并及时处理了发现的问题。
4. 安全教育培训工作为了加强员工的安全意识和技能,本月公司组织了多次安全教育培训活动。
通过组织现场安全培训、宣传安全警示标语和制作安全宣传手册等方式,提高了员工的安全意识和技能。
同时,公司加强了对新员工的安全培训,确保他们在进入工作岗位前了解相关安全操作规程。
5. 安全隐患排查和整改情况为了及时发现和处理安全隐患,公司每月组织安全隐患排查工作。
本月,公司的安全检查小组对各个区域进行了全面的检查,并完成了相关整改工作。
目前,已经整改完毕的安全隐患共计30余项,剩余的隐患均已列入整改计划,并将在下个月完成。
6. 安全生产宣传活动为加强公司员工的安全意识,公司积极组织了多项安全生产宣传活动。
包括举办安全生产知识竞赛、发布安全生产宣传标语、组织座谈会等。
同时,公司还鼓励员工积极参与安全生产,鼓励员工提出改进建议,并给予奖励。
在未来的工作中,公司将进一步加强对安全生产的管理和监督,不断提高员工的安全意识和技能,确保公司安全生产工作的持续稳定和健康发展。
附件2
安全月报表
单位名称(盖章):填报人:王彦元报送时间:2024.7.26
教育培训
安全月报表
单位名称(盖章):填报人:王彦元报送时间:2024.7.26
单位负责人(签字):
注:1.当月1日前(如遇节假日请节前1个工作日报送)将上月的安全月报表报至总院安监部邮箱******************
2.表格中突发公共事件风险主要包括境外自然灾害类、社会安全类(恐怖袭击、军事战争、社会治安等)事件的风险防控措施落实情况,防范和应对措施,重点包括(但不限于):境外突发事件应急预案的制定和演练、风险监测和预警、安防计划的制定和投入、和地方军事力量的合作、营地化管理及其他防控措施等。
企业安全生产状况月报表
单位名称(盖章)
法定代表人(签字)
联系人及电话(手机)
填报日期年月日
天津港保税区安全生产监管局
谢谢欣赏
谢谢欣赏
谢谢欣赏
谢谢欣赏
填表说明:
1、区内各企业单位要于每月5日前填写并上报此表,内容填写要详实,不能空项,凡需要文字说明项,文字要精练,内容要全面,以能反映企业的工作现状为标准,报送方式可传真发送至区安监局,也可在网上报送,传真号:84906123;电子邮箱:azsy@
2、报表要逐页加盖单位公章,法定代表人签字。
3、重大隐患排查的主要范围包括厂房建筑、设施、生产设备、工艺过程、机械、电气、易燃易爆场所、职工宿舍、管道占压、缺氧窒息场所作业、外用工管理、出/承租单位安全管理、规章制度建立。
谢谢欣赏
谢谢欣赏。
七月安全工作月报表(原创版)目录一、前言二、七月安全工作概况1.安全生产情况2.安全培训与活动3.安全隐患排查与治理4.安全事故处理与总结三、七月安全工作亮点1.安全生产零事故2.安全培训覆盖面广3.安全隐患排查治理效果明显四、存在问题与改进措施1.安全意识需要进一步提高2.安全培训需要加强针对性3.安全隐患排查治理需要形成长效机制五、八月安全工作计划1.加强安全培训与宣传2.深入开展安全隐患排查治理3.落实安全责任制4.提高应急预案执行能力正文一、前言随着安全生产意识的不断深入人心,安全工作已经成为企业发展的重中之重。
为全面提高企业的安全生产水平,确保员工生命财产安全,我们制定了七月安全工作月报表,旨在总结过去一个月的安全工作,并为今后的安全工作提供参考。
二、七月安全工作概况1.安全生产情况七月份,我企业紧紧围绕安全生产目标,全面落实安全生产责任制,通过全体员工的共同努力,实现了安全生产零事故的目标。
2.安全培训与活动七月份,我们组织了全员安全培训,培训内容包括安全生产法律法规、安全操作规程、应急预案等。
通过培训,员工的安全意识得到了有效提升。
此外,我们还开展了安全知识竞赛、消防演练等活动,进一步增强了员工的安全技能。
3.安全隐患排查与治理七月份,我们深入开展了安全隐患排查治理工作,共发现安全隐患 XX 处,及时整改 XX 处,剩余的 XX 处已列入整改计划,将在八月份完成整改。
4.安全事故处理与总结七月份,我们及时处理了一起安全事故,事故原因已经查明,并对相关责任人进行了严肃处理。
同时,我们认真总结了事故教训,制定了针对性的预防措施,确保类似事故不再发生。
三、七月安全工作亮点1.安全生产零事故通过全体员工的共同努力,七月份实现了安全生产零事故的目标,为企业创造了良好的安全生产环境。
2.安全培训覆盖面广七月份的安全培训覆盖了全体员工,有效提高了员工的安全意识和安全技能。
3.安全隐患排查治理效果明显通过深入开展安全隐患排查治理工作,及时发现并整改了大量安全隐患,为企业安全生产提供了有力保障。