非晶合金变压器设计
- 格式:doc
- 大小:37.50 KB
- 文档页数:4
- 49 -性能参数 Functional data相数Phase: 3相频率Frequency: 50Hz局部放电Partial charging: 不大于No more than 10pC绝缘耐热等级 Insulation level: F 级绕组平均温升Average Winding arising: 不大于No more than 100K噪音水平Noise level: 声级符合Sound Level conforms to JB/T 10088-2004表2性能参数 Table 2 Functional data表1 绝缘水平 Table 1 Insulation level注: 带“*”的联结组Yyn0适用于容量≤400kV A 的变压器 特殊规格或非标产品的各项技术参数由供需双方协商确定。
Note: With the “*”ector group Yyn0 is suit for the transformer capacity is no more than 400kV AThe client should consult with supplier sbout the technical data when speical model or non-standard product is needed.节能效果 Effect of energy conservation非晶干变的空载损耗比现行国标GB/T10228-1997中表4组Ⅰ规定的数值降低四分之三。
以630kVA 为例,SCBH15-630/10与SC10-630/10相比,空载损耗降低925W 。
假设:无功经济当量k1=0.1kW/kWar;年运行时间T=8760h:电费单价A=0.6元/kWh;年平均负载系数取0.8,一台容量为630kVA 的SCBH15型的非晶干变代替SC10型干变运行可降低运行损耗P 为:P=[1.345+0.1×1.6×630×10-2+5.875×0.82]-[0.42+0.1×0.5×630×10-2+5.875×0.82]=1.618kW 运行一年的经济效益和社会效益如下:节约电能14174度(kWh)、节约电能电费8504元、节煤5.8吨;少排放二氧化碳11.7吨、相当于增加净化空气的森林面积31200m 2Amorphous Dry Type Transformer's No-load Loss is 3/4 less than the required data in GB/T10228-1997 Table 4 Group Ⅰ, Compare SCBH15-630/10min SC10 Dry Type transformer, the No-load Loss deducted 925W.Suppose when k1=0.1Kw/kVar; working hour/year T=8760h payment of electricity charge=RMB 0.6 yuan/kWh, yearly onload modulus is 0.8, a SCBH 10 Amorphous Dry Type Transformer with the capacity is 630kV A can reduce loss P as following.A year running economical and social bene fit is,save electricity energy 14174(kWh) Discharge less CO2 11.7T Save payment of eletricity charge RMB 8504Yuan, Save Coal 5.8T, It is to say this increased 31200m 2 forest area.SCBH15系列10kV 非晶合金干式变压器SCBH15 Series 10kV amorphous alloy dry transformer。
非晶变压器最佳频率引言非晶变压器是一种新型的电力设备,其核心部件由非晶合金材料制成。
在非晶变压器的设计和应用过程中,选择合适的工作频率非常重要。
本文将讨论非晶变压器的特点,以及寻找非晶变压器最佳频率的方法和影响因素。
非晶变压器的特点•非晶合金材料具有低磁滞、低损耗和高导磁性能的特点,使得非晶变压器具有良好的能量转换效率和较小的体积。
•与传统的晶体变压器相比,非晶变压器具有更高的工作频率范围。
寻找非晶变压器最佳频率的方法1.研究非晶合金材料的特性:了解材料的导磁性能、损耗特性以及频率响应的范围。
2.评估电力系统的需求:考虑电力系统的负载特点、功率需求和稳定性要求,确定合适的工作频率范围。
3.进行实验研究:在实验室中进行非晶变压器的频率特性测试,通过测量不同频率下的损耗、效率和磁滞特性来评估最佳频率范围。
4.进行模拟分析:利用计算机仿真软件对非晶变压器进行模拟,评估不同频率下的性能指标,并找到最佳频率范围。
5.综合考虑:结合实验研究和模拟分析的结果,综合考虑材料特性、电力系统需求和设备成本等因素,确定最佳的工作频率范围。
影响非晶变压器最佳频率的因素1.非晶合金材料的特性:导磁性能、饱和磁感应强度以及频率响应的范围等特性将直接影响工作频率的选择。
2.电力系统的需求:负载特点(如阻性、感性或容性负载)、功率需求和稳定性要求将影响最佳频率范围的选择。
3.变压器设计的约束:变压器的体积、重量和生产成本等因素也将影响最佳频率的选择。
4.环境因素:温度、湿度和工作海拔等环境因素也可能对最佳频率产生影响。
结论非晶变压器的最佳工作频率是一个综合考虑材料特性、电力系统需求和设备约束等因素的问题。
在确定最佳频率时,需要进行实验研究和模拟分析,并综合考虑各种影响因素。
通过合理选择最佳频率,可以提高非晶变压器的能量效率和稳定性,进一步促进电力系统的可靠运行。
参考文献[1] Cheng, W., Yuan, X., Gu, L., & Song, F. (2019). Comparison between amorphous alloy and nanocrystalline alloy in applications of high-frequency transformers. Materials Science and Engineering: B, 246, 195-201. [2] Jia, W., Li, G., Chen, X., Zhang, J., Zhao, B., & Zhang, X. (2017). Optimal design and evaluation of an amorphous transformer integrated with an offshore wind power plant. Energies, 10(8), 1235. [3] Shao, X., Li, L., & Xue, C. (2019). Optimal Design of High Frequency Power Transformer for EV Charging Systems and Analysis of Core Losses with Amorphous and Nano-Crystalline Magnetic Materials. Energies, 12(15), 3059.。
非晶合金干式变压器的特点及性能研究摘要:随着中国的经济发展,我国对于能源节约的需求也在不断增加,在这样的情况下,采用非晶合金作为铁芯的干式变压器正逐步替代传统的变压器,并作为一种新的能源形式被越来越多电力行业的使用,在此基础上,本文对非晶合金干式变压器的种类、结构、性能进行了分析,并对非晶合金干式变压器的发展方向及今后的发展方向进行了展望。
关键词:非晶合金干式变压器;特点;性能;1.有关非晶合金的概述1.1非晶合金概述非晶合金是将Fe、C、Si、B等物质熔融后,采用超快凝固工艺制备而成。
在熔融金属的凝固过程中,由于在熔融状态下,元素在熔融状态下无序地排布并发生晶化,因此,熔融金属在熔融状态下是不存在晶格或晶界的。
该非晶合金的制备方法简便,并且有很多优良的性能。
从上个世纪八十年代开始,这一现象就引起了国际上材料界的高度重视。
铁基非晶合金、铁基非晶合金以及钴基非晶合金是当前研究的热点。
1.2非晶合金的特性非晶合金作为一种新型软磁材料,其磁化强度和单位损耗都很小。
无晶界、无格子,高温稳定性好;同时,由于非晶合金的无定形性,使得制备过程更加简便,并且具有更好的性能;以硅钢板为芯材料,其膨胀率、收缩率均比非晶合金低得多。
为此,必须在生产过程中,采取行之有效的方法来控制噪音的产生;由于非晶合金具有比较高的硬度,因此,在对非晶合金进行切削加工时,其切削的困难程度要比普通的硅钢板大得多。
所以,在生产中要尽量避免对非晶态金属进行切削;另外,在力学作用下,非晶态材料的磁学性质也会发生变化。
因此,在设计由非晶合金制成的变压器时,重要的是尽量减少铁芯上的机械应力,以尽量减少对非晶合金的影响。
1.3非晶合金与非晶带材非晶合金:在金属熔化过程中,其内部的原子依然处于活动状态,随着金属开始冷却,温度逐步降低,使原子按照一定的顺序有序地排列,最终呈现为一种晶体形态,若冷却速率过快,则原子还未来得及重新排列,就形成了一种非晶态合金,也被称为“非晶合金”。
科技成果——非晶合金立体卷铁心油浸式变压器所属类别重点节能设备〔产品〕适用范围电力行业,10kV-20kV 电压等级配电变压器,适用于城市和农村电网,特别适用于空载时间长、节能要求高的用电场所。
技术原理。
材料结合创工艺技术。
材料方面:铁心承受具有优异软磁性能的材料-铁基非晶合金,单位铁损比传统硅钢材料降低70%。
创工艺技术方面:铁心转变传统平面构造,创由三个一样的矩形单框拼合而成,呈立体等边三角形构造,三相磁路长度相等且最短,三相磁路与材料导磁方向全都,填充系数高,具有节能节材等优点。
非晶合金材料是制备工艺承受每秒一百万度的快速冷凝固技术,将熔融合金钢水急速冷却成厚度约30 微米的合金带材,其微观构造完全不同于传统的金属合金材料。
这种独特的构造使其具有优异的电磁性能,高饱和磁感应强度,高导磁率,低矫顽力和低损耗,是一种绿色、环保、高效、节能的功能材料。
立体卷铁心变压器的三相呈立体等边三角形排列,三相磁路对称相等,三相平衡,磁路最短,损耗降低,非晶合金立体卷铁心通过非晶合金带材在设备上连续卷绕而成,铁心无接缝,大大削减了磁阻,加上先进的退火工艺以及非晶合金固有的低损耗特性,使产品空载损耗、空载电流、噪音、电磁显著降低,同时有效削减三次谐波。
非晶合金立体卷铁心是将立体卷铁心的三相平衡、磁路相等的构造优势和非晶材料的高导磁率,低矫顽力和低损耗优点结合。
关键技术工程利用自主研发的立体卷铁心技术,并解非晶带材薄、脆、硬难以卷绕的世界性难题。
1、立体卷铁心技术铁心由平面排列方式改为等边立体三角形排列,使三相铁心磁路完全对称,磁阻大大削减,激磁电流、空载损耗、噪声显著降低。
关键技术在于三单框的设计,用折线开料设计软件,进展磁密、磁通的分析设计。
立体卷铁心变压器的铁心是由三个完全一样的矩形单框拼合而成,拼合后的铁心的三个心柱呈等边三角形立体排列。
这种构造的优点为:a)AC 相铁轭局部缩短,实现三相磁路完全对称等长,确保三相供电平衡。
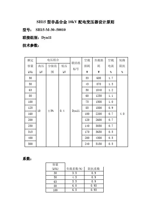
SH15型非晶合金10kV配电变压器设计原则型号:SH15-M-30~50010联接组别:Dyn11技术参数:系数:电磁设计原则:一.铁心:铁心采用非晶合金片材,铁心的厚度可以取到0.1mm,叠片系数为0.86,铁心片宽有142、170和213三种,允许两列并联;铁心下部厚度按1.25倍的叠厚计算。
单位铁损按0.28W/kg计算。
二.绝缘1.主绝缘距离:高、低压之间距离:≥7mm;相间绝缘距离:≥11mm;铁心到低压绕组间距离:≥12mm;2.上、下端绝缘≥20mm。
三.绕组1.绕组温升要求≤25K。
2.纸包铜扁线匝绝缘为纸包0.45mm匝绝缘,计算轴、辐向尺寸时按0.5mm给出。
3.线圈形式:3.1高压绕组:a)采用多层圆筒式;b)层间绝缘:纸包铜扁线时0.08点胶纸耐压按4200V/mm。
c)绕组温升过高时,根据需要在层间加4mm半油道,放置在辐向1/3~1/2处。
3.2低压绕组结构:a)500kV A及以下容量,绕组采用四层或双圆筒式结构, 绕组温升过高时,根据需要在层间加4mm半油道,放置在辐向1/2处。
4.轴、辐向尺寸裕度的选取:4.1纸包铜扁线辐向系数取1.05,漆包圆线辐向系数取1.07;4.2轴向裕度取1%。
5.油箱壁厚度为4mm,箱盖厚度为6mm和8mm两种。
波纹壁厚分1.2mm和1.5mm两种。
结构设计原则:1. 铁心端面每边2mm的端封,高、低压绕组采用统绕工艺,高压采用线端中断点调压。
2. 低压绕组:采用四层或双层圆筒式线圈;内侧为绝缘纸筒;圆筒式线圈没有油道时,层间绝缘用3张0.08菱格上胶绝缘纸;有油道时,4mm的半油道采用瓦楞纸板;线圈最外层用绝缘点胶纸包绕一层后,半叠绕一层紧缩带。
3. 高压绕组:高压绕组内侧绕1张1.0mm纸板后再绕;层间绝缘用0.08菱格上胶绝缘纸,首、末层各多加2张层间绝缘,次首和次末层多加1张;有油道时,4mm的半油道采用瓦楞纸板;线圈最外层用绝缘点胶纸包绕一层后,半叠绕一层紧缩带。
非晶合金变压器国家标准非晶合金变压器是一种新型的高效节能变压器,具有低损耗、低噪音、高效率等优点,被广泛应用于电力系统中。
为了规范非晶合金变压器的生产和应用,提高其质量和性能,我国制定了相应的国家标准,以保障非晶合金变压器在电力系统中的稳定运行和安全使用。
首先,非晶合金变压器国家标准对非晶合金材料的要求进行了规定。
非晶合金是一种特殊的金属材料,具有非晶态结构和优异的磁性能,是制造非晶合金变压器的关键材料。
国家标准对非晶合金材料的化学成分、磁性能、热处理工艺等方面进行了详细的规定,确保非晶合金材料符合标准要求,能够满足非晶合金变压器的制造需要。
其次,非晶合金变压器国家标准对变压器的设计和制造进行了规范。
国家标准对非晶合金变压器的额定容量、额定电压、短路阻抗、温升、绝缘水平等性能指标进行了明确的规定,要求制造厂家在设计和制造过程中严格遵守这些指标,确保非晶合金变压器具有良好的电气性能和可靠的运行稳定性。
此外,非晶合金变压器国家标准还对变压器的试验方法和试验规定进行了详细的规定。
国家标准要求对非晶合金变压器进行多项试验,包括温升试验、短路试验、绝缘试验、负载试验等,以验证其性能指标和可靠性能,确保非晶合金变压器在实际运行中能够稳定可靠地工作。
总的来说,非晶合金变压器国家标准的制定对于推动非晶合金变压器的发展和应用具有重要意义。
标准的实施能够提高非晶合金变压器的质量和性能,促进非晶合金变压器在电力系统中的广泛应用,为我国的节能减排工作做出积极贡献。
同时,国家标准的制定也为非晶合金变压器的生产企业提供了统一的技术规范和质量标准,有利于提升企业的竞争力和产品的市场竞争力。
在未来,随着能源环境的不断改善和电力系统的不断完善,非晶合金变压器将会得到更广泛的应用和推广,国家标准也将不断进行修订和完善,以适应新的技术发展和市场需求,为非晶合金变压器的发展提供更加有力的支持和保障。
非晶合金变压器国家标准的实施将推动我国电力系统的节能减排工作,促进电力行业的可持续发展,为建设资源节约型和环境友好型社会做出积极贡献。
摘要本文介绍了非晶合金材料特性以及非晶合金变压器的发展现状、还描述了变压器一般的设计方法,其中着重讨论了变压器的铁芯设计、绝缘设计、绕组结构设计、绕组尺寸计算、阻抗计算、空载损耗及空载电流计算、负载损耗、温升计算等。
并通过查询手册,选取合适参数与本设计进行比较,确定运用文中介绍方法设计完成的SH15-800/10-0.4箔式非晶合金变压器,在电气性能、节能效果等各方面性能均符合国家相关规定。
文中变压器各部件图形及非晶合金铁心、高低压线圈图形均由AUTO CAD绘制完成。
关键词:SH15-800/10;非晶合金;变压器设计;电磁计算。
AbstractIn this paper, the material properties of amorphous alloys, and the development of amorphous alloy transformer status quo, but also describes the general design method of the transformer, which focused on the transformer core design, insulation design, structural design of winding, winding size calculation, the impedance calculation, No-load loss and no-load current calculation, load loss, temperature rise calculation. Manual by inquiries, select the appropriate parameters to compare with the design to determine the use of text designed to introduce the completion of the SH15-800/10-0.4-type amorphous alloy foil transformers, electrical performance, and other energy-saving performance results are in line with the relevant provisions of the country. Text and graphics components transformer amorphous alloy core, high-low voltage coil graphics drawn by the completion of AUTO CAD.Keyword:SH15-800/10;Amorphous alloy;Transformer Design;Electromagnetic computing。
- 49 -性能参数 Functional data相数Phase: 3相频率Frequency: 50Hz局部放电Partial charging: 不大于No more than 10pC绝缘耐热等级 Insulation level: F 级绕组平均温升Average Winding arising: 不大于No more than 100K噪音水平Noise level: 声级符合Sound Level conforms to JB/T 10088-2004表2性能参数 Table 2 Functional data表1 绝缘水平 Table 1 Insulation level注: 带“*”的联结组Yyn0适用于容量≤400kV A 的变压器 特殊规格或非标产品的各项技术参数由供需双方协商确定。
Note: With the “*”ector group Yyn0 is suit for the transformer capacity is no more than 400kV AThe client should consult with supplier sbout the technical data when speical model or non-standard product is needed.节能效果 Effect of energy conservation非晶干变的空载损耗比现行国标GB/T10228-1997中表4组Ⅰ规定的数值降低四分之三。
以630kVA 为例,SCBH15-630/10与SC10-630/10相比,空载损耗降低925W 。
假设:无功经济当量k1=0.1kW/kWar;年运行时间T=8760h:电费单价A=0.6元/kWh;年平均负载系数取0.8,一台容量为630kVA 的SCBH15型的非晶干变代替SC10型干变运行可降低运行损耗P 为:P=[1.345+0.1×1.6×630×10-2+5.875×0.82]-[0.42+0.1×0.5×630×10-2+5.875×0.82]=1.618kW 运行一年的经济效益和社会效益如下:节约电能14174度(kWh)、节约电能电费8504元、节煤5.8吨;少排放二氧化碳11.7吨、相当于增加净化空气的森林面积31200m 2Amorphous Dry Type Transformer's No-load Loss is 3/4 less than the required data in GB/T10228-1997 Table 4 Group Ⅰ, Compare SCBH15-630/10min SC10 Dry Type transformer, the No-load Loss deducted 925W.Suppose when k1=0.1Kw/kVar; working hour/year T=8760h payment of electricity charge=RMB 0.6 yuan/kWh, yearly onload modulus is 0.8, a SCBH 10 Amorphous Dry Type Transformer with the capacity is 630kV A can reduce loss P as following.A year running economical and social bene fit is,save electricity energy 14174(kWh) Discharge less CO2 11.7T Save payment of eletricity charge RMB 8504Yuan, Save Coal 5.8T, It is to say this increased 31200m 2 forest area.SCBH15系列10kV 非晶合金干式变压器SCBH15 Series 10kV amorphous alloy dry transformer。
非晶合金变压器内部构造1.引言1.1 概述概述非晶合金变压器是一种以非晶合金为核心材料的变压器,其内部构造具有独特的特点和优势。
非晶合金作为一种新型材料,在电力领域的应用发展迅速,取得了显著的成果。
本文将对非晶合金变压器的内部构造进行全面深入的探讨和分析。
非晶合金变压器的内部构造对其性能和功能起着至关重要的作用。
在传统的晶体变压器中,晶粒的存在导致材料的磁性能和导热性能受到限制,同时还存在能量损耗大,噪音高等问题。
而非晶合金材料的特殊结构能够有效地解决这些问题,使得变压器的性能得到了极大的提升。
非晶合金变压器的内部构造主要由磁芯和绕组组成。
磁芯是变压器的核心部分,它采用非晶合金材料制成,具有非晶态结构的特点。
这种非晶态结构使得磁芯具有低磁畴涡流损耗、低磁滞损耗的特点。
同时,非晶合金材料还具有较高的饱和磁感应强度和较低的饱和磁导率,使得磁芯具有更好的导磁性能。
绕组是非晶合金变压器内部的另一个重要组成部分。
绕组是由导线绕制而成的线圈,在非晶合金变压器中,绕组采用优质的导线材料,并采用合理的绕制工艺进行制造。
绕组的设计和制造直接影响着变压器的整体性能。
合适的绕组设计能够提高变压器的电磁性能和热性能,降低能量损耗和温升。
总之,非晶合金变压器内部构造的设计和制造对于提高变压器的性能和功能具有重要意义。
通过采用非晶合金材料和科学合理的构造设计,可以实现变压器的高效、低损耗、低噪音等优势,为电力系统的稳定运行提供可靠保障。
未来,随着非晶合金技术的进一步发展和应用,非晶合金变压器有望在电力领域发挥更大的作用。
1.2文章结构文章结构部分的内容可以如下编写:1.2 文章结构本文将围绕非晶合金变压器的内部构造展开深入探讨。
文章分为三个主要部分来介绍非晶合金变压器内部构造的相关内容。
第一部分是引言部分,旨在通过概述、文章结构和目的来引入和说明本文的研究背景、目的和意义。
在概述部分,将简要介绍非晶合金变压器及其应用的基本概念。
非晶合金变压器尺寸
非晶合金变压器的尺寸会受到多种因素的影响。
首先,非晶合金材料本身具有高磁导率和低磁滞,因此可以设计出更小尺寸的变压器。
其次,变压器的尺寸也会受到额定功率、工作频率、绕组结构等因素的影响。
一般来说,非晶合金变压器相较于传统晶体硅钢片变压器可以实现更小的尺寸。
这是因为非晶合金材料具有较高的饱和磁感应强度和较低的磁滞损耗,使得在相同功率情况下,非晶合金变压器可以采用更小的磁芯尺寸。
此外,非晶合金材料的低铁损和涡流损耗也使得变压器在工作时产生的热量更少,因此可以采用更轻薄的散热结构,进一步减小整体尺寸。
然而,需要注意的是,尺寸的确定还需要考虑变压器的额定功率、输入输出电压、工作频率等参数。
一般来说,变压器的尺寸会根据设计要求进行计算和优化,以满足功率传输、磁通密度、绕组匝数等设计指标。
因此,非晶合金变压器的尺寸并非固定不变,而是根据具体的设计要求和工作条件进行优化和确定。
综上所述,非晶合金变压器的尺寸受到多种因素的影响,包括
材料特性、设计要求、工作条件等。
在设计过程中,需要综合考虑这些因素,以确定最合适的尺寸和结构。
SC(B)H15-2500/10非晶合金变压器SC(B)H15-2500/10非晶合金变压器是结合非晶合金变压器和传统的环氧树脂浇注干式变压器的技术优势,采用全新的结构形式,开发出的一种新的供电输电设备。
该产品具有损耗低的突出特点,特别是空载损耗,比常规10系列干式变压器下降70% 。
同时抗腐蚀能力强,噪声低,抗短路能力强,温升低,使用寿命长等特点。
可在冬季雨雪天气,实现持续安全供电。
长期使用,可大大降低运行费用。
1.低耗节能:采用具有各向同性的软磁性导磁材料,磁化功率小,电阻率高,涡流损耗低小。
用非晶合金材料制成的铁心空载损耗及空载电流很低,只有硅钢片的1/3。
变压器的空载损耗比GB/T10228规定值下降75% 。
2.抗腐蚀能力强:非晶合金铁心通过树脂和耐高温硅胶进行全封装处理,有效防止锈蚀和非晶合金碎片脱落,从而有效保护铁心和线圈。
3.噪声低:产品设计时选取合理的工作磁密,在产品加工时改进铁心及线圈结构、采用特殊降噪材料等,产品噪声远低于国标JB/T10088要求。
4.抗短路能力强:采用三相五柱式结构,铁心四周采用框架结构保护,结构紧凑合理。
5.温升低,使用寿命长:产品温升低,散热能力强,在强迫风冷条件下可以150%额定负载运行。
可选配性能完善的温度控制保护系统,为变压器安全运行提供可靠保铁芯:铁芯选用进口优质冷轧硅钢片,全料接缝结构,芯柱采用F级无维粘绑扎,铁芯表面采用绝缘树脂漆密封防潮防锈,降低了空载损耗,空载电流和铁芯噪声,夹件和紧固件经特殊表面处理,使产品外观质量有了进一步提高执行标准。
绕组:有以下几种:(1)缠绕式 (2)环氧树脂加石英砂填充浇注 (3)玻璃纤维增强环氧树脂浇注(即薄绝缘结构) (4)多股玻璃丝浸渍环氧树脂缠绕式(一般多采用3,因为它能有效的防止浇注的树脂开裂,提高了设备的可靠性)高压绕组:一般采用多层圆筒式或多层分段式结构低压绕组:一般采用层式或箔式结构IEC60076-11:2004 干式电力变压器GB1094.1-1996 电力变压器GB1094.11-2007 干式电力变压器GB/T22072-2008 干式非晶合金铁芯配电变压器技术参数和要求SC(B)H15-2500/10非晶合金变压器使用环境a.海拔海拔不超过1000m.b.环境温度最高气温+40℃最高日平均气温+30℃最高年平均气温+20℃最低气温 -30℃(适用于户外式变压器)最低气温 -5℃ (适用于户内式变压器)c.电源电压的波形电源电压的波形似于正弦波。
NSK-BH系列低压非晶合金变压器1 适用范围非晶合金变压器是一种节能效果非常突出的环保产品,随着国家能源政策的实施,运行可靠、节能、降耗的非晶合金变压器将会越来越受重视和推广。
我公司生产的NSK-BH系列低压非晶合金变压器是在吸收国际国内同类产品优点的基础上研制的一种新型、低损耗、节能环保型干式变压器,采用新型导磁材料非晶合金铁心和箔绕工艺线圈来制造;它比普通(用硅钢片作为铁心)变压器的空载损耗下降达70%以上,空载电流下降达80%,是一种节能效果非常理想的变压器。
NSK-BH系列低压非晶合金变压器可用于:地铁、高层建筑、机场、车站、码头和工厂的输配电场所,作变换电压,供照明设备、控制电器电源、数控系统、动力电源、整流电源、电源隔离之用。
它广泛适用于交流50Hz/60Hz,输入、输出电压不超过1140V的各种三相供电场合,并可根据用户的要求设计制造。
2 型号及含义N S K - B H □ /□电压等级(kV)额定容量(kVA)非晶合金铁心箔绕线圈控制三相企业代号3 正常工作条件和安装条件3.1 海拔不超过2000m。
3.2 最高环境温度为+40℃,最低环境温度为-25℃。
3.3 空气相对湿度不大于95%。
3.4 安装场所无严重影响变压器绝缘的气体蒸汽、化学沉积、灰尘、污垢及其它爆炸性和腐蚀性介质, 使用中不得使变压器受到水、雨、雪的侵蚀。
3.5 凡不符合上述规定的特殊使用条件,应由使用单位和我厂协商确定。
4 性能特点4.1 安全可靠:4.1.1 产品采用SCC绝缘系统,阻燃性能好。
4.1.2 专业工艺,机械强度高,承受短路能力和过载能力强,运行安全可靠。
4.1.3 耐热等级高,绝缘均采用H级材料。
4.1.4 可长期连续工作。
4.2 环保:4.2.1 产品在运输、储存和运行时不会对环境造成污染,4.2.2 空载损耗比普通的控制变压器下降70%~80%,节能效果显著。
4.2.3 产品在寿命结束后可回收,实现资源再利用。
低损耗变压器及非晶合金变压器低损耗变压器(设计序号13):SB13-6300KVA为例,及非晶合金变压器(设计序号15):SHB15-6300KVA为例,非晶合金带料及铁心牌号:2605 SAI 0.025T日本产日本JFE公司最新产品介绍:23JGSD085*D(0.74W/1.88 W17/B8),该产品在变压器设计使用中有以下特点:材料表面间距5mm 有20μm的机械压痕,这种材料在变压器铁心励磁电流下可以使变压器油在铁心硅钢片表面流动,从而降低了铁心温升,同时又降低了噪音。
并可选择较高磁密,即降低了产品成本,又缩小了变压器的体积尺寸。
日立金属的非晶合金产品介绍:(2605 SAI 0.025T)带料表面光滑、厚度均匀,材料近几年经过研发创新使其带料韧性良好、易加工,吨左右,与日立金属签定长期的公司现引进日立技术及非晶合金铁心生产线,年生产能力2010年:2000科研成果简介:人们生活和企业生产离不开电力能源,利用电力能源离不开变压器,可见变压器在国民经济发展中占有极为重要地位。
变压器是输变工程的关键设备,可是它也是电能消耗设备,据电力部门统计,变压器的总电能损耗约占总发电量的4%,因此降低变压器损耗特别是降低变压器空载损耗具有特别的意义。
所以要求变压器在能量转换过程中应是低耗、高效、高可靠性的电力设备。
依据国内市场上的现有产品技术和现行的国家标准,经过对国内外技术考察,相继研制开发了下列技术成果。
(1).S13和SB13系列油浸式低损耗变压器产品技术,已在五个省知名企业试制获得成功,并且投入批量生产和投入市场。
(2).SH15-M-30~1600/10/0.4型系列非晶合金铁心油浸式配电变压器产品技术,已在多家试制生产投入市场。
(3).SHB15-M-160~2500/10/0.4型系列非晶合金铁心箔式绕组变压器产品技术,已试制成功并投入运行。
上述研发成功的科研成果,大幅度降低变压器空载损耗达到前所未有的节能实效,对二氧化碳消减排放起到了重大作用。
非晶合金干式变压器参数非晶合金干式变压器是一种应用于电网输电和配电系统中的高效能变压器。
它采用先进的非晶合金铁心材料,具有较低的损耗和噪声,高效率和可靠性。
下面将介绍一些非晶合金干式变压器的重要参数。
1.容量:非晶合金干式变压器的容量通常以千伏安(KVA)为单位。
容量是指变压器可以承受的最大负载能力。
不同的应用场景需要不同容量的变压器,例如工业企业、商业建筑和住宅区等。
2.额定电压:额定电压是指变压器的额定输入电压和输出电压。
根据不同的地区和需求,变压器的额定电压可能有所不同。
3.额定频率:额定频率是指交流电的频率,通常为50赫兹(Hz)。
变压器工作在额定频率下才能正常运行。
4.短路阻抗:短路阻抗是指变压器在短路状态下输出电流相对于额定电流的比值。
它是衡量变压器抗短路能力的一个重要参数。
短路阻抗较高的变压器可以在故障发生时提供更大的短路电流。
5.温升:温升是指变压器在正常工作条件下的温度上升。
高负载和电流流通会导致变压器发热,温升过高可能对变压器的寿命和性能产生不利影响。
6.绝缘等级:绝缘等级是指变压器的绝缘能力,可以衡量变压器在电气和环境条件下的耐压和耐温性能。
不同的应用需要不同的绝缘等级。
7.冷却方式:非晶合金干式变压器采用自然冷却或强迫风冷方式。
自然冷却是通过自然对流来散热,而强迫风冷则通过内置风扇来辅助散热。
选择适当的冷却方式能够提高变压器的运行效率和稳定性。
8.尺寸和重量:非晶合金干式变压器相比传统的油浸式变压器,体积更小,重量更轻。
尺寸和重量的减小能够方便安装和运输,并且减少了占地空间和造成的环境污染。
9.环境适应性:非晶合金干式变压器具有良好的环境适应性。
它们能够适应高温、低温、潮湿和恶劣的工作条件,不需要特殊的安装条件,适用于各种应用场景。
10.可维护性:非晶合金干式变压器通常具有模块化设计,易于维护。
故障率低,日常维护工作简单。
此外,它们也没有油污染问题,不需要经常更换绝缘油。
非晶合金变压器随着科技的不断进步和电力行业的不断发展,人们对变压器的要求也越来越高。
传统的铁芯变压器虽然具有大功率、高精度、可靠性高等优点,但同时也存在着发热严重、噪音大等问题,这对于一些对变压器品质和环境要求较高的场合是不适合的。
因此,非晶合金变压器应运而生。
一、什么是非晶合金变压器非晶合金变压器是一种利用非晶合金材料制作的变压器,它与传统的铁芯变压器有本质的区别。
非晶合金一般由铁、硅、碳等杂质元素组成,其晶体结构是无序的,因此有着很高的电导率和磁导率,具有较低的磁滞损耗和铁损耗,从而能够有效地降低变压器的发热和噪音,并提高变压器的效率和性能。
二、非晶合金变压器的优点1. 高效节能非晶合金变压器能够有效地降低变压器的损耗,特别是铁损耗和磁滞损耗,从而提高了变压器的效率和性能。
同时,非晶合金变压器还能够适应市场上不断变化的能源需求,实现能源的有效利用,具有非常高的应用价值。
2. 低噪音传统的铁芯变压器在运转时会发出很大的噪音,这对于一些对环境噪音要求较高的场所是很不适合的。
而非晶合金变压器由于其结构特点,可以有效地降低噪音,使其在商业和住宅区域等环境中都能够得到广泛应用。
3. 轻便节省空间由于非晶合金变压器采用的是一种特殊的结构设计,可以有效地减小变压器的体积,使其适应了狭小的空间和复杂的环境,同时还能够提升变压器的运输和安装效率,从而为用户带来了实实在在的经济效益。
三、非晶合金变压器与传统变压器的对比虽然非晶合金变压器在市场上越来越受欢迎,但它与传统的铁芯变压器有着一些本质的区别。
下面我们对这两种变压器做一些简单的对比:1. 材料:铁芯变压器主要由硅铁、钢板等材质组成,而非晶合金变压器则采用的是非晶合金材质。
2. 效率:由于非晶合金变压器采用的是非晶合金材质,因此其效率远高于铁芯变压器,可以达到98%以上。
3. 发热:铁芯变压器在运行时会发出很大的热量,而非晶合金变压器则可以有效地降低发热,从而保证了变压器的安全性。
什么是非晶合金
我们先从非晶材料说起,在日常生活中人们接触的材料一般有两种:一种是晶态材料,另一种是非晶态材料。
所谓晶态材料,是指材料内部的原子排列遵循一定的规律。
反之,内部原子排列处于无规则状态,则为非晶态材料, 一般的金属,其内部原子排列有序,都属于晶态材料。
科学家发现,金属在熔化后,内部原子处于活跃状态。
一但金属开始冷却,原子就会随着温度的下降,而慢慢地按照一定的晶态规律有序地排列起来,形成晶体。
如果冷却过程很快,原子还来不及重新排列就被凝固住了,由此就产生了非晶态合金,制备非晶态合金采用的正是一种快速凝固的工艺。
将处于熔融状态的高温钢水喷射到高速旋转的冷却辊上。
钢水以每秒百万度的速度迅速冷却,仅用千分之一秒的时间就将1300℃的钢水降到200℃以下,形成非晶带材。
非晶态合金与晶态合金相比,在物理性能、化学性能和机械性能方面都发生了显著的变化。
以铁元素为主的非晶态合金为例,它具有高饱和磁感应强度和低损耗的特点。
由于这样的特性,非晶态合金材料在电子、航空、航天、机械、微电子等众多领域中具备了广阔的应用空间。
例如,用于航空航天领域,可以减轻电源、设备重量,增加有效载荷。
用于民用电力、电子设备,可大大缩小电源体积,提高效率,增强抗干扰能力。
微型铁芯可大量应用于综合业务数字网ISDN中的变压器。
非晶条带用来制造超级市场和图书馆防盗系统的传感器标签。
非晶合金神奇的功效,具有广阔的市场前景。
非晶合金铁芯变压器是用新型导磁材料——非晶合金制作铁芯而成的变压器,它比硅钢片作铁芯变压器的空载损耗(指变压器次级开路时,在初级测得的功率损耗)下降80%左右,空载电流(变压器次级开路时,初级仍有一定的电流,这部分电流称为空载电流)下降约85%,是目前节能效果较理想的配电变压器,特别适用于农村电网和发展中地区等负载率较低的地方。
非晶合金变压器设计
非晶合金铁心配电变压器的最大优点是,空载损耗值特低。
最终能否确保空载损耗值,是整个设计过程中所要考虑的核心问题。
当在产品结构布置时,除要考虑非晶合金铁心本身不受外力的作用外,同时在计算时还须精确合理选取非晶合金的特性参数。
除此设计思路外,还须遵循以下三点要求:
(1)由于非晶合金材料的饱和磁密较低,在产品设计时,额定磁通密度不宜选得太高,通常选取1.3~1.35T磁通密度便可获得较好的空载损耗值。
(2)非晶合金材料的单片厚仅为0.03mm,所以其叠片系数也只能达到82%~8 6%。
(3)为了使用户能获得免维护或少维护的好处,现把非晶合金配电变压器的产品,都设计成全密封式结构。
变压器非晶合金结构特点
利用导磁性能突出的非晶合金,来用作制造变压器的铁心材料,最终能获得很低的损耗值。
但它具有许多特性,在设计和制造中是必须保证和考虑的。
主要体体现以下几个方面:
(1)非晶合金片材料的硬度很高,用常规工具是难以剪切的,所以设计时应考虑减少剪切量。
(2)非晶合金单片厚度极薄,材料表面也不是很平坦,则铁心填充系数较低。
(3)非晶合金对机械应力非常敏感。
结构设计时,必须避免采用以铁心作为主承重结构件的传统设计方案。
(4)为了获得优良的低损耗特性,非晶合金铁心片必须进行退火处理。
(5)从电气性能上。
为了减少铁心片的剪切量,整台产品的铁心由四个单独的铁心框并列组成,并且每相绕组是套在磁路独立的两框上。
每个框内的磁通除基波磁通外,还有三次谐波磁通的存在,一个绕组中的两个卷铁心框内,其三次谐波磁通正好在相位上相反,数值上相等,因此,每一组绕组内的三次谐波磁通向量和为零。
如一次侧是D接法,有三次谐波电流的回路,当在感应出的二次侧电压波形上,就不会有三次谐波电压的分量。
根据上面分析,三相非晶合金配电变压器最合理的结构为:铁心,由四个单独铁心框在同一平面内组成三相五柱式,必须经退火处理,并带有交叉铁轭接缝,截面形状呈长方形。
绕组,为长方形截面,可单独绕制成型的,双层或多层矩形层式。
油箱,为全密封免维护的波纹结构。
非晶合金变压器性能
目前广泛采用的新S9型配电变压器,其铁心所采用的导磁材料通常为30Z140高导磁冷轧硅钢片,其饱和磁密比非晶合金高,产品设计时所选取的磁通密度通常在1.65~1.75T之间。
这也就是非晶合金铁心配电变压器比新S9型配电变压器空载损耗低的一个主要原因。
CNEKE变压器-非晶合金技术参数从表1中的统计数据可以看出,要想节约能源,通过采用新材料的方法,来降低配电变压器的空载损耗值,是一条很有效的途径。
非晶合金变压器使用效果
三相非晶合金铁心配电变压器与新S9型配电变压器相比,其年节约电能量是相当可观的。
以800kVA为例,△P0为1.05kW;两种型式配电变压器的负载损耗值是一样的,则△Pk=0,,便可计算出一台产品每年可减少的电能损耗为:
△Ws=8760(1.05+0.62×0)=9198kW•h
通过该种规格产品的计算可知,三相非晶合金铁心配电变压器系列产品的节能效果非同一般。
由于油箱又设计成全密封式结构,使变压器内的油与外界空气不接触,防止了油的氧化,延长了产品的使用寿命,为用户节约了维护费用。
非晶合金变压器发展前景
非晶合金变压器若能完全替代新S9系列配变,如10kV级配电变压器年需求量
按5000万kVA计算时,那么,一年便可节电100亿kW•h以上。
同时,还可带来少建电厂的良好的环保效益,少向大气排放温室气体,这样会大大地减轻对环境的直接污染,使其成为新一代名副其实的绿色环保产品。
总之,国家在城乡电力网系统发展与改造中,若能大量推广采用三相非晶铁心配电变压器产品,其最终会获得节能与环保两方面的效益。
非晶态高效变压器
节能原理:
变压器损耗中的空载损耗,即铁损,主要发生在变压器铁芯叠片内,主要是因交变的磁力线通过铁芯产生磁滞及涡流而带来的损耗。
最早用于变压器铁芯的材料是易于磁化和退磁的软熟铁,变压器铁芯是由铁线制成,而不是由整块铁构成,为了克服磁回路中由周期性磁化所产生的磁阻损失和铁芯由于受交变磁通切割而产生的涡流。
用线束制作的铁芯可有效减少涡流路径的截面积。
在20世纪初,经研究发现在铁中加入少量的硅或铝可大大降低磁路损耗,增大导磁率,且使电阻率增大,涡流损耗降低。
经多次改进,方用0.35mm厚的硅钢片来代替铁线制作变压器铁芯。
近年来世界各国都在积极研究生产节能材料,变压器的铁芯材料已发展到现在最新的节能材料——非晶态磁性材料2605S2,非晶合金铁芯变压器便应运而生。
使用2605S2制作的变压器,其铁损仅为硅钢变压器的1/5,铁损大幅度降低。
利用铁、硼、硅、碳4种元素合成的非晶态合金,经特高温熔炼而后急冷再经旋转喷制而成的非晶态带状薄膜,经过磁化而成为变压器铁芯卷材,非晶态合金因为其磁化功率小、磁滞损耗小、填充系数小、磁疇伸缩大、对应力敏感等特性而被称为跨世纪的新型功能材料,以其高效、低损耗、高导磁等优异的物理性能广泛用于电子、电力行业。
在电力行业中,采用非晶态合金作为铁芯材料的配电变压器,其空载损耗可比同容量的硅钢芯变压器降低60%~80%。
技术特点:
(1) 非晶合铁芯片厚度极薄,只有20~30ftm,填充系数较低,约为0.82。
(2) 非晶合金铁芯许用磁密低,单相变压器一般1.3~1.4T,三相变压器一般取1.25~1.35T。
因此,产品设计受材料限制比较高。
(3) 非晶合金的硬度是硅钢片的5倍,加工剪切很困难,一般变压器制造厂只能利用成型铁芯制造非晶合金变压器。
(4) 非晶合金铁芯材料对机械应力非常敏感,无论是张引力还是弯曲应力都会影响其磁性能。
因此,在变压器器身结构上应考虑尽量减少铁芯受力。
(5) 非晶合金的磁畴伸缩程度比硅钢片高约10%,而且不宜过度夹紧,因此,非晶合金变压器的噪声比硅钢片铁芯变压器高。
适用对象:
由于非晶态变压器的制作工艺限制,变压器容量还比较小,一般变压器容量不超过1600kVA,因此非晶态变压器目前仅作为配电变压器适用于工矿企业、农村电网、配电系统,还不能作为电力变压器使用在输变电系统的电力变压器。