建筑结构设计笔记
- 格式:doc
- 大小:159.50 KB
- 文档页数:9
P241.1.3如何初估各种结构构件的截面尺寸主动记忆一些常识性的工程数据,比如梁板的跨高比,剪力墙墙厚,平时注意积累分析,多问多算,大工程做细,小工程做精。
1.1.3熟记民用建筑设计荷载(1)多高层住宅楼(商品房),二次装修改造的荷载,落棉荷载一般取值2.0kN/m2。
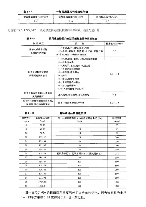
(2)3个2.0kN/m2表1 一般民用住宅荷载经验取值楼面做法自重(2.0kN/m2)轻质隔墙自重(2.0kN/m2)活荷载取值(2.0kN/m2)2.0 2.0 2.0(3)对于住宅和办公的屋面,如没有特殊保温防水做法要求,一般屋面恒荷载在4.0 kN/m2左右,与实际不会有太大出入;对于屋面活荷载,不上人时0.5 kN/m2,上人时为2.0 kN/m2。
1.2.3 “次要让位于主要”的原则—明确哪些钢筋的位置对结构设计来说更重要1.3.1 钢筋的三种连接方式—焊接、搭接、机械连接“孰优孰劣”对于结构重要的部位,《高层建筑混凝土结构技术规程》(JGJ3-2002)规定钢筋的连接宜采用机械连接,而之前规范规定为焊接,改的原因是焊接会使被焊钢筋变脆,在抗震的重要部位,反而变成了“最坏”的做法。
机械连接分为邓强连接和不等强连接,I级为等强连接,II、III级则为不等强连接,主要是针对“钢筋接头处的强度是否大于钢筋母材强度”而言的。
设计可依据《钢筋机械连接通用技术规程》(JGJ 107-2003)中相关的规定,选择与受力情况相匹配的接头。
I级接头:套筒挤压、镦粗接头、剥肋滚螺纹。
剪力墙之水平与竖向分布筋,因钢筋较细,不是抗震的关键部位,适合采用搭接的方式,不宜采用机械接头。
搭接接头应满足:(1)选择正确的搭接部位;(2)有足够的搭接长度;(3)搭接部位的箍筋间距加密至满足要求。
(4)有足够的混凝土强度与足够的保护层厚度。
如能满足这4款要求,搭接是一种比较好接头方式,而且往往是最省工的方法。
但其缺点:(1)在抗震构件的内力较大部位,当构件承受反复荷载时,有滑动的可能;(2)在构件钢筋较密集时,采用搭接方法将使浇捣混凝土较为困难。
建筑结构第四版吴承霞笔记(原创版)目录1.建筑结构的基本概念和分类2.建筑结构的设计原则和方法3.建筑结构的主要类型及其特点4.建筑结构的构造和施工技术5.建筑结构的维护和加固6.建筑结构的发展趋势和新技术正文一、建筑结构的基本概念和分类建筑结构是指建筑物中用于承受各种荷载、并将荷载传递至基础的结构体系。
根据结构材料和形式的不同,建筑结构可分为混凝土结构、钢结构、木结构、砖石结构等。
每种结构类型都有其独特的特点和适用范围。
二、建筑结构的设计原则和方法建筑结构的设计原则包括安全性、适用性和经济性。
设计方法主要包括以下几个步骤:1.确定设计荷载:根据建筑物的使用功能和所处环境,确定作用于结构上的各种荷载,如永久荷载、可变荷载等。
2.结构分析:对建筑结构进行受力分析,计算各构件的内部力。
3.结构设计:根据计算结果,确定各构件的材料、截面尺寸等设计参数。
4.结构校核:对设计结果进行校核,确保结构满足设计原则。
三、建筑结构的主要类型及其特点1.混凝土结构:以混凝土为主要材料,具有良好的抗压性能和耐久性,广泛应用于住宅、桥梁等建筑物。
2.钢结构:以钢材为主要材料,具有轻便、高强度等特点,适用于大型公共建筑、高层建筑等。
3.木结构:以木材为主要材料,具有环保、节能等优点,适用于别墅、度假村等低层建筑。
4.砖石结构:以砖、石等材料为主要承重构件,具有施工简便、成本低等优点,适用于低层住宅等建筑。
四、建筑结构的构造和施工技术建筑结构的构造包括构件的连接、节点处理等。
施工技术主要包括模板工程、钢筋工程、混凝土工程等。
合理的构造和施工技术可保证建筑结构的质量和安全性。
五、建筑结构的维护和加固建筑结构在使用过程中,受自然环境、人为因素等影响,可能出现损伤、老化等问题。
因此,需要定期进行维护和检查,发现问题及时进行加固处理,以确保结构的安全使用。
六、建筑结构的发展趋势和新技术随着科技进步和环保意识的增强,建筑结构发展趋势表现为绿色建筑、节能减排、智能化等方面。
记住这“3个2.0KN/M2”,就可以直接完成板和梁的手算荷载,甚至配筋计算。
设计值/标准值的比值,快速计算荷载时使用。
上部结构设计中,除了变形(绕度或刚度),裂缝计算中,采用标准组合或者准永久组合外,(也就是采用标准值计算外),其余强度,内力,配筋计算均采用设计值,即标准值乘以一个相应的分项系数再进行组合,也称基本组合。
注意圈梁在砌体填充墙中的设置
1.填充墙应沿框架柱全高每隔500mm设2φ6拉筋,拉筋伸入墙内的长度,6度时应不小于墙长的1/5且
不小于700mm,7、8、9度时宜沿墙全长贯通。
2.当墙长大于5m时,墙顶部与楼层梁或板宜有拉接措施,并宜设置间距不小于4m的构造柱。
3.当墙高超过4m时,宜在墙高中部或门洞伤口标高处设置一道100mm左右厚度的钢筋混凝土配筋带,
配筋3 φ8,在洞口上面的截面高度及配筋做法应按过梁要求。
4.砌体填充墙砂浆强度等级不应低于M5,砌块强度等级不应低于MU5。
5.为避免填充墙造成短柱现象,填充墙头和圈梁端部于框架柱或剪力墙边不刚性接触的方法,即预留
10mm的缝隙,用嵌缝膏填充。
6.圈梁可可靠拉结的是构造柱,非框架柱。
如果与框架柱刚性接触,会使得框架柱多了一个侧向支点,势
必造成不利的短柱。
1.高层建筑混凝土结构技术规程(JGJ3-2002、J186-2002)规定:10层及以上,H≥28m的钢筋砼结构高层建筑;2.注:房屋高度H :自室外地面至房屋主要屋面的高度3.水平荷载成为控制结构设计的主要荷载;侧移(层间侧移、结构顶点侧移)成为控制指标;抗侧力结构的设计非常重要,应更重视结构抗震概念设计;4. 钢结构优点:强度高、韧性大。
钢结构自重轻,延性好,抗震性能好,抗震性能好、易加工,工期短,施工方便。
缺点:用钢量大,造价高,耐腐蚀性能、耐火性能差;5.混凝土结构优点:造价较低,材料来源丰富,可浇注成各种复杂断面形状,可以组成多种结构体系;可节省钢材,承载能力较高,经过合理设计,可获得较好的抗震性能。
缺点:构件断面大,占据面间大,自重大。
6.高层建筑的结构体系按其抗侧力主要构件的种类:1)框架结构;2)剪力墙结构(含部分框支—剪力墙结构);3)框架—剪力墙结构;4)筒体结构(含框架—核心筒结构、筒中筒结构);5)复杂高层结构(含带加强层或刚臂结构、错层结构、连体结构、多塔楼结构等);6)混合结构(由多种材料的构件混在一起的结构,如钢筋混凝土构件、钢构件、组合结构构件构成的结构)。
7.高层建筑结构应根据房屋的高度(H) 、高宽比(H/B) 、抗震设防烈度、场地类别、建筑的重要性、结构材料和施工技术条件等因素,选用适宜的结构体系。
8.框架结构:由梁和柱为主要构件组成的承受竖向和水平作用的结构,平面。
优点是柱网布置灵活,便于获得较大的使用空间;延性较好。
但结构的横向侧移刚度较小,侧移较大;结构变形曲线以剪切型为主;适用于空间大、层数不太多、房屋的高度不太高的建筑,例如商场、车站、展览馆、停车库、宾馆的门厅、餐厅等。
框架应当纵横双向布置,形成双向抗侧力体系。
框架结构中的填充墙有一定的抗侧力作用,合理选择填充墙材料,合理布置填充墙,可降低材料消耗,减轻结构自重。
9.剪力墙结构:由剪力墙组成的承受竖向和水平作用于结构。
建筑构造设计下册知识点建筑构造设计是建筑学中非常重要的一门学科,它涉及到建筑物的结构、材料、力学等各个方面。
下面将介绍建筑构造设计下册的一些重要知识点。
第一部分:结构体系1. 框架结构框架结构是一种常见的建筑结构形式,其特点是由柱、梁和墙体组成的平面刚架。
框架结构可以承受较大的重力和水平荷载,适用于高层建筑等。
2. 平面网壳结构平面网壳结构是一种由平面网格构成的薄壳结构,广泛运用于大跨度建筑物,如体育馆和会展中心等。
平面网壳结构具有重量轻、空间感强等优势。
3. 拱结构拱结构是一种以拱为基本构件的构造形式,能够有效地将重力荷载转移到支撑点,常用于桥梁和穹顶等建筑物。
第二部分:材料与构件1. 钢结构钢结构是一种常用的建筑结构形式,具有高强度、抗震性能好的特点。
钢结构可以用于各种类型的建筑中,例如工业厂房、高层建筑等。
2. 砖结构砖结构是使用砖块作为主要材料的建筑结构形式。
砖结构常用于住宅和商业建筑中,具有良好的隔热、隔音性能。
3. 混凝土结构混凝土结构是一种由混凝土和钢筋组成的建筑结构形式。
混凝土结构广泛应用于各种建筑物中,包括住宅、桥梁、水坝等。
第三部分:荷载与防护1. 荷载类型建筑物需要承受不同类型的荷载,包括重力荷载、风荷载、地震荷载等。
荷载的计算是建筑构造设计中十分重要的一步。
2. 结构的抗震设计抗震设计是为了使建筑物能够在地震发生时保持较好的稳定性和安全性,其目标是减小地震荷载对建筑物的影响。
3. 防火设计防火设计是为了提高建筑物的防火性能,预防火灾蔓延和减小火灾对建筑物的破坏。
防火设计包括选择适合的材料和采取防火措施等。
第四部分:结构施工与监测1. 结构施工技术结构施工技术包括钢筋混凝土施工工艺、砌筑技术、焊接技术等。
合理的施工技术能够保证建筑物的结构强度和安全性。
2. 结构监测结构监测是为了实时了解建筑物结构的变化和状况,通过监测数据可以评估结构的稳定性和安全性,及时采取维修和增强措施。
建筑构造设计知识点建筑构造设计是建筑设计的重要组成部分,它关乎到建筑物的结构、安全和使用寿命。
本文将介绍几个重要的建筑构造设计知识点,帮助读者更好地理解建筑物的构造与设计原理。
一、承重结构承重结构是建筑物的骨架,起到支撑和传递荷载的作用。
常见的承重结构包括框架结构、悬挂结构、拱结构、壳结构等。
框架结构是由柱、梁、墙等构件组成的,常用于多层建筑。
悬挂结构则是利用吊杆或钢索等悬空支撑的结构,常用于大跨度空间。
拱结构能够通过弧形构件的受力特性将权重向支点传递,常见于拱桥、圆顶建筑等。
壳结构则是利用曲面形状提供的强度,常见于球形建筑或穹顶。
二、荷载分析荷载是指作用在建筑物上的外力,如风、地震、雪等。
在建筑构造设计中,荷载分析是非常重要的一环,可以通过数值计算和实地测试相结合的方式得到准确的荷载参数。
根据不同的荷载类型,设计师需要选择适当的结构和材料,以确保建筑物的安全性和稳定性。
三、材料选择建筑物的承重结构材料通常包括钢、混凝土和木材等。
钢材具有高强度、抗拉和耐腐蚀的特性,常用于建筑物的框架结构和悬挂结构。
混凝土则具有良好的抗压性能,常用于柱、梁和地基等承重结构。
木材则常用于低层建筑和独立结构,例如木质桁架和木质屋顶等。
设计师需要根据建筑的功能、荷载要求和预算等因素来选择合适的材料。
四、连接方式建筑构造中的连接方式对于整个结构的稳定性和可靠性起着重要作用。
常见的连接方式包括焊接、螺栓连接和榫卯连接等。
焊接是通过熔化焊接材料将构件连接在一起,常用于金属结构。
螺栓连接则通过螺栓将构件连接在一起,具有拆卸和调整的便利性。
榫卯连接则是利用榫和卯的几何形状将构件连接在一起,常用于木结构。
五、地基设计地基是建筑物的基础,直接承受着上部结构的荷载。
地基设计包括地基类型选择、承载力计算、沉降控制等。
根据地基的不同,可以分为浅基础和深基础。
浅基础主要包括筏基、独立基础和连续基础等,适用于负荷较小的建筑物。
深基础则是通过深挖地下,将荷载传递到更深的土层,常见的深基础有桩基和墙基等。
建筑结构第四版吴承霞笔记
摘要:
一、建筑结构的重要性
二、建筑结构的基本原理
1.结构的功能
2.结构的组成
3.结构的设计
三、建筑结构的应用领域
1.住宅建筑
2.商业建筑
3.公共建筑
四、建筑结构的新技术和发展趋势
1.绿色建筑结构
2.智能建筑结构
3.建筑结构的创新材料
正文:
建筑结构是建筑物的骨架,承载着建筑物的使用功能和安全性。
因此,了解建筑结构的基本原理和应用领域,以及掌握建筑结构的新技术和发展趋势,对于建筑行业从业者来说是至关重要的。
建筑结构的基本原理主要包括结构的功能、组成和设计。
结构的功能是指建筑结构要满足建筑物的使用需求,例如承重、隔震、保温等。
结构的组成包
括建筑物的各种构件,如梁、柱、墙、板等。
结构的设计是指在满足建筑功能的前提下,对这些构件进行合理的布局和组合,以保证建筑物的安全稳定。
建筑结构的应用领域非常广泛,涵盖了住宅、商业和公共建筑等各个方面。
在住宅建筑中,建筑结构要考虑空间的合理布局、建筑物的美观性和实用性。
在商业建筑中,建筑结构要满足商业活动的需求,如大型商场、办公楼等。
在公共建筑中,建筑结构要满足公众的使用需求,如学校、医院、图书馆等。
随着科技的进步,建筑结构领域也不断涌现出新技术和发展趋势。
绿色建筑结构是指在建筑结构设计中,充分考虑建筑物的节能、环保、可持续发展等方面。
智能建筑结构是指利用现代科技手段,实现建筑结构的自感知、自适应、自调节等功能。
此外,新型建筑材料的开发和应用也为建筑结构提供了更多的可能性,例如高强度钢、高性能混凝土等。
建筑结构笔记建筑结构笔记可以涵盖许多方面,具体内容可以根据个人需求和兴趣来定制。
以下是一个建筑结构笔记的示例,涵盖了基础概念、主要类型、设计要素和相关术语:一、基础概念1.建筑结构:建筑结构是建筑物中用于支撑和传递荷载的部分。
它可以是实体结构(如墙、柱、梁等)或空间结构(如网架、悬索等)。
2.建筑结构设计:建筑结构设计是根据建筑物的功能、用途、环境和使用要求,综合考虑各种因素,制定合理的建筑结构方案、构造措施和施工方法的过程。
二、主要类型1.木结构:木结构是指以木材为主要受力材料的结构。
它包括原木结构和组合木结构。
2.砌体结构:砌体结构是指以砖、石、砌块等为主要受力材料的结构。
它包括实心砌体结构和空心砌体结构。
3.钢筋混凝土结构:钢筋混凝土结构是指以混凝土为主要受力材料,并加入钢筋等钢材以提高结构强度和刚度的结构。
它包括框架结构、剪力墙结构和筒体结构等。
4.钢结构:钢结构是指以钢材为主要受力材料的结构。
它包括焊接结构和连接结构等。
5.空间结构:空间结构是指三维空间中跨越空间的立体结构。
它包括网架结构、悬索结构和薄膜结构等。
三、设计要素1.安全性:建筑结构设计必须保证结构的安全性,包括抵抗地震、风载等自然灾害的能力,以及承受使用荷载的能力。
2.经济性:建筑结构设计必须考虑经济性,即在满足安全性和使用要求的前提下,尽可能地降低建设成本和维护成本。
3.适用性:建筑结构设计必须满足使用要求,包括空间需求、使用功能和舒适度等。
4.耐久性:建筑结构设计必须考虑耐久性,即结构的寿命和使用年限。
5.环保性:建筑结构设计必须考虑环保性,即减少对环境的负面影响,如减少能源消耗、降低噪声和减少污染物排放等。
四、相关术语1.承载能力:指结构承受使用荷载和自然灾害的能力,包括承载力和稳定性。
2.跨度:指结构中相邻两个支点之间的距离。
3.刚度:指结构在受到外力作用时抵抗变形的能力。
4.挠度:指结构在受到外力作用时产生的弯曲变形程度。
建筑结构设计快速入门之重点笔记☆上部结构的落脚点是基础,基础的落脚点是地基,也就是持力层。
☆看勘察报告时,直接看结束语和建议中的持力层土质,地基承载力特征值和地基类型以及基础砌筑标高。
☆ 10ka≈1t/㎡ 1kN≈100kg☆一般认为持力层土提供的承载力特征值不小于180kPa的为好土,低于180kPa的土可认为土质不好。
☆按照地基承载力从大到小排序为:稳定岩石,碎石土>密实或中密砂>稍密实粘土>粉质粘土>回填土和淤泥质土☆回填土的承载力特征值一般为60~ 80kPa☆在不危及安全的前提下,基础尽量要浅埋。
因为地下部分所占的造价一般是工程总造价的30﹪~ 50﹪,这笔费用是很可观的。
☆除了浅埋外,还有埋深的上限,就是基础至少不得埋在冻土深度范围内,否则基础会受到冰反复胀缩的破坏性影响。
☆结合钻探点号看懂地质剖面图,并一次确定基础埋置标高。
☆重点看结束语或建议中对存在饱和沙土和饱和粉土的地基,是否有液化判别。
饱和软土的液化判别对地基来说是至关重要的一项技术指标,必须要明确提供,责任重大,不得含糊。
☆重点看两个水位:历年来地下水的最高水位和抗浮水位。
☆特别注意结束语或建议中定性的预警语句,并且必要时将其转写进基础的一般说明中。
这些条款如下:1. 本工程地下水位较高,基槽边界条件较为复杂,应妥善选择降水及基坑边坡支护方案,并在施工过程中加强观测。
降水开始后须经设计人员同意后方可停止2. 采用机械挖土时严禁扰动基地持力层土,施工时应控制机械挖土深度,保留300mm厚土层,用人工挖至槽底标高,如有超挖现象,应保持原状,并通知勘察及设计单位进行处理,不得自行夯填。
3. 基槽开挖到位后应普遍钎探,并及时通知勘察及设计单位共同验槽,确认土质满足设计要求后方可进行下步施工。
4. 基槽开挖较深,施工时应注意,在降水时应采取有效措施,避免影响相邻建筑物。
5. 建议对本楼沉降变形进行长期观测☆特别注意结束语或建议中场地类别,场地类型,覆盖层厚度和地面下15m范围内平均剪切波速。
建筑构造设计知识点总结一、基础知识点1.建筑结构类型建筑结构可以分为框架结构、壳体结构、悬挑结构等。
框架结构采用柱、梁和楼板的组合,适用于多层建筑。
壳体结构以厚度较大的壳体作为主要承载结构,适用于大跨度建筑。
悬挑结构是指将结构的一部分悬挑出去,适用于需要营造轻盈感的建筑。
2.力学原理建筑结构设计需要遵循力学原理,包括静力学和动力学。
静力学主要涉及建筑物在静止状态下的平衡问题,包括力的平衡和力的传递。
动力学则关注建筑物在受到外力作用下的响应,包括振动和承载能力等。
3.荷载与荷载组合荷载是指作用在建筑结构上的力,包括永久荷载(如建筑物自重)、可变荷载(如人员、设备等)和特殊荷载(如地震、风荷载)。
荷载组合是指不同荷载的组合情况,通过计算得出对结构产生最不利影响的组合方式。
4.结构体系结构体系是指建筑物中各个结构元素之间的组织形式。
常见的结构体系有框架结构、桁架结构、悬挑结构等。
选择适合的结构体系可以提高建筑结构的稳定性和承载能力。
5.构造材料常见的构造材料包括混凝土、钢材、木材和砖石材料等。
不同的材料具有不同的力学性能和施工特点,在结构设计中需要选择合适的材料。
二、常见设计要点1.强度设计强度设计是指建筑结构在荷载作用下的承载性能。
通过计算结构的受力状态及应力分布,确定结构构件的尺寸和材料,以满足结构的强度要求。
2.刚度设计刚度设计是指建筑结构的变形和挠度控制。
通过控制结构的刚度,避免结构发生过大的变形和挠度,从而保证建筑的使用安全和舒适性。
3.抗震设计抗震设计是指建筑结构在地震作用下的抗震性能。
通过采取抗震措施,如设置抗震支撑和减震器等,提高建筑物的抗震能力。
4.防火设计防火设计是指建筑结构对火灾的抵抗能力。
通过选择防火材料和设置防火分隔等手段,尽量减少火灾对建筑物的损害。
5.施工工艺施工工艺是指建筑结构的施工过程。
在结构设计中,需要考虑施工工艺的可行性和经济性,以确保结构的安全性和质量。
三、示例应用1.高层建筑结构设计高层建筑结构设计需要考虑建筑物的承载能力、抗震性能和变形控制等。
1. 对称结构在正对称荷载作用下,其内力(位移)是正对称的对称结构在反对称荷载作用下,其内力(位移)是反对称的2. 梁内力的规定轴力通常以拉力为正、压力为负;轴力图必须标正负号剪力以使截面所在的隔离体有顺时针转动趋势为正、逆时针为负;剪力图必须标正负号3. 梁的截面高度愈大,抗弯截面系数就愈大,梁的正应力就愈小4. 三铰拱是静定拱,水平推力与拱高成反比,愈平缓的拱,支座承受的水平推力愈大,反之愈小5. 超静定结构在荷载作用下的内力与各杆EI、EA的相对比值有关,而与各杆EI、EA的绝对值无关6. 预应力混凝土屋架适用于跨度为18-36米的房屋7. 弯距图线与剪力图线的关系是下-正、上-负8. 普通钢筋混凝土的自重为24-25kN/m39. 砖砌体的自重为19kN/m310. 钢材的自重为78.5kN/m311. 木材的自重为4-9kN/m312. 粘土砖尺寸为240*115*53;每M3砌体为512块砖13. 一般上人屋面的活载标准值2.0kN/m2 不上人0.5 屋顶花园3.0(不包括池墙)14. 住宅中挑出阳台的活载标准值2.5kN/m2(人员密集3.5),一般比室内大15. 风压的基本期是50年(离地10M,10min最大风速,平方除1000确定风压Wo)16. 雪压的基本期是50年17. 荷载设计值大于标准值18. 短期效应组合和长期效应组合时,不考虑荷载分项系数19. 承载能力极限应采用荷载效应的基本组合;20. 正常使用极限状态根据不同设计要求分别采用短期效应组合和长期效应组合进行设计1. 荷载准永久值小于标准值(积灰荷载除外)2. 刚性和刚弹性方案房屋的横墙厚度不宜小于1803. 一般多层住宅设计不考虑撞击力和龙卷风;必须考虑风载和活荷载4. 土压力和自重属静荷载(亦指恒载、永久荷载);风压和积灰是活荷载5. 积灰属静力荷载;吊车、地震、撞击力属动荷载6. 我国基本风压取值范围在0.3-0.9kN/m27. 高处的面积大其风压大,其风荷载总值也大8. 当面积相同时,其面积外轮廓越展开,则抗扭截面模量越大9. 多层停车库的楼面活荷载是按楼盖结构形式确定10. 结构上的作用分为直接作用和间接作用;直接作用也称为荷载11. 荷载分永久荷载、可变荷载和偶然荷载;撞击力或爆炸力属偶然荷载12. 屋面活荷载不应于雪荷载同时考虑,取其较大者13. 设计基准期是50年14. 结构设计的使用年限一类 5年临时建筑二类 25年易于替换的结构构件三类 50年普通房屋和构筑物四类 100年纪念性、特别重要的建筑15. 建筑的安全等级一级重要房屋(100年) ro=1.1二级一般房屋(50年) ro=1.0三级次要房屋(5年) ro=0.916. 屋面活荷载标准值与是否上人、屋面的结构形式有关;与面积大小、排水方式无关17. 建筑物越高,受到的风荷载越大,但超过450M后趋于稳定18. 风压高度变化系数与建筑物所处地面的粗糙度有关;地面的粗糙度类别分四类19. 计算荷载效应时,永久荷载分项系数的取值:其效应不利时取1.2;有利时取1.0;结构抗滑坡时0.9当永久荷载控制时,效应不利时取1.35;有利时取1.020. 计算荷载效应时,活荷载分项系数的取值:其效应不利时取1.4;有利时取0标准值大于4KN/M2的工业楼面时,取1.31. 荷载的三种组合是标准组合、频遇组合、准永久组合2. 超过承载能力极限状态为构件因过度的塑性变形而不适应继续承载的状态3. 超过正常使用极限状态有:影响正常使用的外观变形影响正常使用或耐久性的局部破坏影响正常使用的震动影响正常使用的其他特定状态4. 确定混凝土强度的依据是混凝土的立方体强度,标准试件的尺寸为150*150*150;在28天龄期,用标准试验方法测得的具有95%保证率的抗压强度5. 混凝土的立方体强度等级有(C10)C15、C15+5----C80十四级;C10用于混凝土基础垫层6. 大梁支撑处宜加设壁柱的条件240砖墙≥6米180砖墙、砌块、料石墙≥4.8米7. 大梁支撑处应设垫块的条件240砖墙≥4.8米砌块、料石墙≥4.2米毛石≥3.9米8. 承重独立砖柱尺寸为≥240*370毛石墙厚为≥350;柱≥4009. 其墙柱的允许高厚比当砂浆强度等级相同时,墙比柱高10. 砌体房屋中,墙的高厚比是根据墙体的整体刚度确定的11. 构造柱与圈梁连接共同工作,可对砌体起约束作用,提高砌体的变形能力,还能提高砌体的抗剪能力12. 钢筋砖过梁≤1.5M13. 砖砌平拱过梁≤1.2M14. 在室内地面以下,室外散水坡顶面以上的砌体内,应设防潮层,-0.060处15. 五层及以上房屋墙及受振或层高>6米墙柱,其材料的最低等级为砖用MU10;砌块用MU7.5;石材用MU30;砂浆全用M5安全等级为一级或>50年的,墙柱用材至少提高一级16. 增加屋盖的整体刚度,对防止墙体裂缝的产生是不利17. 防止因温度变化和砌体干缩变形引起墙体裂缝的措施有:屋盖上设置保温层或隔热层采用装配式有懔体系的钢筋混凝土屋盖和瓦材屋盖严格控制块体出厂到砌筑的时间,避免块体遭受雨淋18. 网状配筋砖砌体是在水平灰缝中设钢筋网片19. 砌体房屋中,墙的高厚比的允许值与砂浆强度、是否非承重墙以及是否有门窗洞口有关20. 普通粘土砖的强度等级是根据抗压强度来划分的1. 荷载的三种组合是标准组合、频遇组合、准永久组合2. 超过承载能力极限状态为构件因过度的塑性变形而不适应继续承载的状态3. 超过正常使用极限状态有:影响正常使用的外观变形影响正常使用或耐久性的局部破坏影响正常使用的震动影响正常使用的其他特定状态4. 确定混凝土强度的依据是混凝土的立方体强度,标准试件的尺寸为150*150*150;在28天龄期,用标准试验方法测得的具有95%保证率的抗压强度5. 混凝土的立方体强度等级有(C10)C15、C15+5----C80十四级;C10用于混凝土基础垫层6. 大梁支撑处宜加设壁柱的条件240砖墙≥6米180砖墙、砌块、料石墙≥4.8米7. 大梁支撑处应设垫块的条件240砖墙≥4.8米砌块、料石墙≥4.2米毛石≥3.9米8. 承重独立砖柱尺寸为≥240*370毛石墙厚为≥350;柱≥4009. 其墙柱的允许高厚比当砂浆强度等级相同时,墙比柱高10. 砌体房屋中,墙的高厚比是根据墙体的整体刚度确定的11. 构造柱与圈梁连接共同工作,可对砌体起约束作用,提高砌体的变形能力,还能提高砌体的抗剪能力12. 钢筋砖过梁≤1.5M13. 砖砌平拱过梁≤1.2M14. 在室内地面以下,室外散水坡顶面以上的砌体内,应设防潮层,-0.060处15. 五层及以上房屋墙及受振或层高>6米墙柱,其材料的最低等级为砖用MU10;砌块用MU7.5;石材用MU30;砂浆全用M5安全等级为一级或>50年的,墙柱用材至少提高一级16. 增加屋盖的整体刚度,对防止墙体裂缝的产生是不利17. 防止因温度变化和砌体干缩变形引起墙体裂缝的措施有:屋盖上设置保温层或隔热层采用装配式有懔体系的钢筋混凝土屋盖和瓦材屋盖严格控制块体出厂到砌筑的时间,避免块体遭受雨淋18. 网状配筋砖砌体是在水平灰缝中设钢筋网片19. 砌体房屋中,墙的高厚比的允许值与砂浆强度、是否非承重墙以及是否有门窗洞口有关20. 普通粘土砖的强度等级是根据抗压强度来划分的1. 砂浆的强度等级是用边长为70.7立方体标准试块,在温度15-25℃环境下硬化,龄期为28天的极限抗压强度平均值确定2. 多层粘土砖房构造柱设置部位必设部位为外墙四角、错层部位横墙与外纵墙交接处、大房间内外墙交接处和较大洞口两侧;7、8、9度楼梯、电梯间四角;6度 7度 8度 9度五四四三三二隔15米或单元横墙与外纵墙交接处七六五四二隔开间横与外墙交接处,山墙与内纵墙交接处八七六六五四三内墙与外墙交接处,内墙的局部较小墙垛处;9度时内纵与横墙接处外廊式和单面走廊式房屋增加一层计算,单面廊为纵墙医院、学校等横墙较少的房屋增加一层计算医院、学校的外廊式按增加二层计算(但6-四、7-三、8二)3. 多层粘土砖房构造柱的最小截面尺寸是240*180纵向钢筋宜采用4φ12,箍筋间距不宜大于250,且在柱上下端适当加密7度六层、8度五层和9度时,构造筋宜采用4φ14,箍筋间距不宜大于200房屋四角可适当加大截面及配筋4. 当无地下室时,砌体房屋的总高度是指室外地面到檐口的高度5. 半地下室是指室底板到室外地坪的高度大于1/3,且小于1/2地下室层高的房间;地下室是指室底板到室外地坪的高度大于1/2地下室层高的;6. 抗震区砖墙房屋现浇钢筋混凝土圈梁设置要求必设的为所有外墙和内纵墙的屋盖处及每层楼盖处;6、7度加内横墙的屋盖处间距不应大于7米;楼盖处间距不应大于15米;构造柱对应部位8度时同上楼盖处增为间距7米;其他同上9度的所有内纵横墙均设7. 现浇混凝土屋盖的最小厚度一般不小于60现浇混凝土楼盖的最小厚度一般不小于民用60、工业70、车道楼板80米双向板不小于80悬臂板长≤500为厚60;>500为厚80无梁楼板不小于1508. 对抗震房屋现浇钢筋混凝土楼板或屋面板伸进纵、横墙内的长度,均不应小于120装配式钢筋混凝土板的支承长度在外墙上不应小于120装配式钢筋混凝土板的支承长度在内墙上不应小于100;在钢筋混凝土圈梁上不应小于80当利用板端伸出钢筋拉结和混凝土灌缝时,其支承长度可为40,但端缝宽不小于80,灌缝混凝土不宜低于C20 当板的跨度大于4.8米并与外墙平行时,靠外墙的预制板侧边应与墙或圈梁拉接9. 砌体沿齿缝截面破坏时的抗压强度,主要是由砂浆强度确定的10. 作为判断刚性和刚弹性方案房屋的横墙,对于单层房屋其长度不宜小于其高度的1/2倍11. 刚性和刚弹性方案房屋的横墙中洞口的水平截面面积不应超过横截面面积的50%12. 多层刚性方案砌体承重外墙在竖向荷载作用下的计算简图是竖向多跨简支梁;水平荷载为竖向连续梁13. 砌体墙体的允许高厚比主要与砂浆的强度等级有关14. 有吊车房屋的砌体、跨度不小于9米的梁下普通砖、跨度不小于7.5的梁下多孔砖砌块强度调整系数为0.9;无筋砌体截面积小于0.3平方米时,为γ=A+0.7;有筋砌体截面积小于0.2平方米时,为γ=A+0.8;当施工质量控制等级为C级时,γ=0.89;15. 在对壁柱间墙进行高厚比验算时,计算墙的计算高度Ho时,墙长S应取壁柱间墙的距离16. 砌体结构的底层墙或柱的基础埋深较大时,则墙的高度应自楼板底算至室内地面或室外地面以下300-50017. 钢筋砖过梁底面砂浆层处的钢筋d>5,不少于2根,间距不宜大于120,在支座内的锚固长度不得小于240砂浆层的厚度≥30;弯矩计算公式M≤0.85hofyAs18. 砖砌平拱过梁按沿齿缝截面的抗弯或抗剪设计值计算砖砌过梁截面计算高度内的砂浆不宜低于M5砖砌平拱用竖砖砌筑部分的高度不应小于24019. 对于过梁上的墙体荷载,当采用砖砌体时,过梁上墙体高度小于过梁净跨的1/3时,按过梁上墙体的均布自重采用过梁上墙体高度大于过梁净跨的1/3时,应按高度为1/3过梁净跨墙体的均布自重采用20. 当采用混凝土砌块砌体时,过梁上墙体高度小于过梁净跨的1/2时,按过梁上墙体的均布自重采用过梁上墙体高度大于过梁净跨的1/2时,应按高度为1/2过梁净跨墙体的均布自重采用1. 对于梁、板荷载,当梁板下的墙体高度小于过梁净跨时,应计入梁板传来的荷载当梁板下的墙体高度大于过梁净跨时,可不考虑梁板传来的荷载2. 用未经烧的土坯建造的房屋,在设防烈度为6-8度时,只宜建单层,檐口2.5米3. 灰土房可建二层高6米4. 承重墙梁的托梁支撑长度不应小于370;托梁高度≥1/10跨度,混凝土强度≥C30,跨度≤9M,每跨内允许设一个洞口,墙体总高度≤18M,墙梁墙高≥0.4跨度,每天可砌1.5高,墙块材强度≥MU10,砂浆强度≥M10,翼墙宽度不应小于梁厚的3倍,不能设翼墙时应设上下贯通的落地构造柱5. 自重墙梁的托梁高度≥1/15跨度,跨度≤12M,墙梁墙高≥1/3跨度6. 墙梁中的托梁属钢筋混凝土偏拉构件7. 当挑梁上有砌体时,埋入长度与挑出长度之比宜大于1.2当挑梁上无砌体时,埋入长度与挑出长度之比宜大于28. 烧结普通砖、多孔砖强度等级 MU30、MU25、MU20、MU15、MU10五级9. 灰砂、粉煤灰蒸压砖强度等级MU25、MU20、MU15、MU10四级10. 砌块 MU20、MU15、MU10、MU7.5、MU5五级11. 石材强度等级 MU100、MU80、MU60、MU50、MU40、MU30、MU20七级12. 砂浆强度等级 MU15、MU10、MU7.5、MU5、MU2.5五级13. 确定砂浆强度等级时应采用同类块体为砂浆强度试块底模14. 烧结多孔砖,孔洞率≥25%,孔的尺寸大而数量多,用于承重部件,P和M型15. 混凝土空心砌块;390*190*190,空心率在25-50%的空心砌块16. 砌块砌体应分皮错缝搭接,上下皮搭砌长度≥90;当不满足时均应在水平灰缝内设置不少于2φ4的焊接钢筋网片(横向小于@200),网片每端均应超过该垂直缝,其长度不得小于30017. 砌块墙与后砌隔墙交接处,应沿墙高每400在水平灰缝内设置不少于2φ4的焊接钢筋网片(横向小于@200)先砌墙外伸≥400;后砌墙外伸≥600交接处,距墙中心线每边不小于300范围内的孔洞,采用不低于Cb20全高灌缝各支承处如无圈梁和垫块处的梁下等处,应>600@(300-600)的灌缝18. 砌块砌体夹心墙应满足>MU10;厚度≥100;最大横向支承间距≤9M19. 配筋砌体不得用掺盐的砂浆施工20. 龄期为28天的以毛截面计算的各类砌体抗压强度设计值,弯曲抗拉强度设计值和抗剪强度设计值,是以施工质量控制等级为B级,根据砌块和砂浆的强度由表中选用1. 单层刚性方案砌体承重墙、柱可视为上端不动铰支承于屋盖,下端嵌固于基础的竖向构件2. 多层刚性方案砌体承重外墙符合下列时,不考虑风荷载的影响洞口面积<2/3全截面积;屋面自重≥0.8KN/M2;层高和总高小于一定值时,W=0.4KN/M2 层高4.0米总高28米0.5--4.0--24 0.6--4.0--18 0.7--3.5—183. 风荷载所引起的弯矩 M=WH2/124. 无山墙或伸缩缝处无横墙的房屋,应按弹性方案考虑5. 墙的允许高厚比值墙柱M2.5 22 15M5.0 24 16≥7.5 26 176. 地面以下或防潮层以下墙用最低强度等级烧结砖灰砂砖(严寒) (一般) 混凝土砌块石材水泥砂浆稍潮湿 MU10 MU10 MU7.5 MU30 M5很潮湿 MU15 MU10 MU7.5 MU30 M7.5含水饱和 MU20 MU15 MU10 MU40 M10安全等级为一级或>50年的,墙柱用材至少提高一级7. 砖砌体≥9米、砌块≥7.2米时预制梁应锚固8. 现浇钢筋混凝土楼屋盖的房屋,当房屋中部沉降较两端为大时,位于基础顶面的圈梁作用大; 当房屋两侧沉降较中部为大时,位于堰口部位的圈梁作用大9. 钢筋混凝土楼屋盖梁出现裂缝是允许的,但应满足裂缝宽度的要求室外受雨淋的钢筋混凝土的构件如出现裂缝时,允许,但应满足裂缝开展宽度的要求10. 规范确定钢筋混凝土构件中纵向受拉钢筋最小锚固长度时,应考虑l=αdfy/ft混凝土轴心抗拉强度ft钢筋的外形特征α钢筋直径d钢筋的抗拉强度fy11. 屋面坡度α≥45°时,可不考虑积灰荷载12. 雨蓬检修集中荷载应取1.0KN,(@1000)13. 一般阳台顶水平荷载为0.5KN/M(学校、食堂、场馆等取1.0)14. 基本风压Wo为50年一遇最大值,但应大于0.3KN/M2;高层高耸要适当提高15. 计算配筋率时:受弯和大偏心受拉构件应扣除压区翼缘面积受压、受拉应取全面积计算钢筋配筋率16. 抗震设防烈度必须按国家规定的权限审批颁发的文件确定甲类重大建筑和地震发生严重灾害的建筑乙类功能不能中断需尽快恢复的建筑丙类甲、乙、丁以外的建筑丁类抗震次要的建筑17. 抗震设防烈度为6度时,除有规定外,对乙、丙、丁类建筑可不进行地震作用计算18. 钢筋混凝土结构最大伸缩缝间距规定M(室内---室外)装配现浇排架 100---70框架 75----50 (55----35)剪力墙 65----45 (40----30)挡土墙地下室 40----30 (30----20)19. 受弯构件的挠度限值<7M 1/200(1/250)L7≤L≤9M 1/250(1/300)L>9 1/300(1/400)L 悬臂时L=2L20. 一类环境(干燥) 二、三类环境裂缝控制标准 0.3(0.4) 0.21. 钢筋混凝土强度等级不应低于C15;二、三级钢筋应≥C20;预应力>C30;钢丝线热处理钢>C402. 轴心受拉和小偏心受拉fy>300N/MM2时仍按300N/MM2取3. 结构混凝土耐久性的基本要求环境类别最大水灰比最小水泥用量KG/M3 最小强度一 0.65 225 C20二a 0.60 250 C25二b 0.55 275 C30三 0.50 300 C30素混凝土水泥用量可减少25预应力混凝土强度应提高两个等级对临时性混凝土可不考虑耐久性4. 现浇板中的分布筋的作用是:固定受力筋形成钢筋骨架;将板上荷载传递到板的受力钢筋5. 钢筋混凝土柱构造要求:纵向钢筋沿周边布置;纵向钢筋净距不小于50;箍筋应形成封闭6. 确定钢筋混凝土柱承载能力的因素:混凝土强度等级;钢筋的强度等级;钢筋的截面面积7. 钢筋混凝土中的箍筋的作用是:增强构件的抗剪能力;稳定钢筋骨架;增强构件的抗扭能力8. 混凝土保护层的作用是防火、防锈、增加粘结能力9. 为减少弯曲产生的裂缝宽度,可采取提高混凝土强度等级、加大纵向钢筋用量、将纵向钢筋改成较小直径10. 先张法靠钢筋与混凝土粘结力作用施加预应力先张法适合于预制厂中制作中、小型构件11. 后张法靠锚固施加预应力无粘结法预应力采用后张法12. 计算单向受弯矩形截面偏心受压柱正截面受压承载力时,采用混凝土的轴心抗压强度设计值13. 计算矩形正截面受弯承载力时,采用混凝土的轴心抗压强度设计值14. 计算矩形斜截面受剪承载力时,采用混凝土的轴心抗拉强度设计值(满足条件判断用抗压)15. 混凝土加减水剂的目的是配置流动性混凝土或早强、高强混凝土16. 钢筋混凝土梁必须进行正截面受弯承载力和斜截面受剪承载力进行计算17. 适筋梁的破坏特征是受拉区纵向钢筋先屈服,然后受压区混凝土被压坏钢筋屈服时伴随产生裂缝,变形随之增大,破坏有明显的预告,属于延性破坏18. 门式钢架可以通过设置铰接点而形成双铰钢架19. 门式钢架的横梁一般都在竖向做成人字形20. 在高压缩性土层上建造门式钢架宜采用双铰钢架或三铰钢架1. 两对边支撑板为单向板四边支撑:长边/短边≤2时,为双向板四边支撑:2<长边/短边<3时,宜按双向板计算,当按沿短边方向受力的单向板计算时,应沿长边布置足够构造配筋四边支撑:长边/短边≥3时,可按短边受力单向板计算简支板纵向钢筋伸入支座>5d2. 矩形截面梁的高宽比一般取2-3.5T形截面梁的高宽比一般取2.5-4.03. 梁纵向受力筋的直径,当梁高≥300时,不应小于10;当梁高<300时,不应小于8梁内架立筋的直径,梁跨度小于4米-8;4-6米-10;大于6米-12当梁有效高度≥450时,在梁两侧配纵向构造钢筋,面积不小于腹板面积的0.1%且间距不宜大于2004. 对于梁下部钢筋净距应大于或等于25、≥d对于梁上部钢筋净距应大于或等于30、≥1.5d5. 板中受力钢筋的间距当h≤150时,不宜大于200,且>70当h>150时,不宜大于1.5h,且不宜大于250,且>706. 板中分布钢筋的设置原则不宜小于单位上受力钢筋截面面积的15%,且不宜小于该方向板截面面积的0.15%;分布钢筋的间距不宜大于250MM,直径不宜小于6MM(焊接网5MM)7. 当按计算不需要箍筋进行抗剪时:当截面高度h>300时,应沿梁全长设置箍筋当截面高度h=150-300时,可仅在构件端部各1/4跨度范围内设置箍筋当在构件中部1/2跨度范围内有集中荷载作用时,应沿梁全长设置箍筋当截面高度h<150时,可不设置箍筋8. 简支梁下部的纵向受力钢筋承受拉应力9. 一平面布置长边与短边之比不大于1.5,柱距在12米左右,应优先选用双重井式梁一图书馆书库,要求室内净空较大,有平整的顶棚,应优先选择密肋楼盖10. 封闭式双坡屋面的风荷载体型系数迎风面+0.8;背风面(包括背风面斜面)-0.5;侧风面-0.7;迎风面斜屋面αμs≤15° -0.630° 0 角度之间内插计算≥60° +0.811. 当钢筋和混凝土之间的粘结力不足时,最为适当的方法是增加受拉钢筋的周长12. 影响钢筋和混凝土之间的粘结力的因素有混凝土强度、钢筋保护层厚度、钢筋外形与净距13. 柱的主筋其主要作用是抵抗弯矩和轴向压力14. 箍筋的间隔越大,柱的抗弯强度越小15. 楼板的作用,一方面是将楼板上的荷载传达到梁上,另一方面是将水平荷载传达到框架或剪力墙上16. 建筑物上如果剪力墙配置适当,一般来说,因水平力而产生的变形要小17. 钢筋混凝土梁在正常使用荷载下,通常是带裂缝工作的18. 衡量钢筋强度指标的是屈服强度和极限抗拉强度19. 衡量钢筋塑性指标的是伸长率和冷弯性能20. 根据破坏特征不同,可以将受弯构件正截面破坏分为超筋破坏、适筋破坏和少筋破坏三类1. 裂缝控制等级共分三级:一级构件;严格要求不出现裂缝的构件,短期效应组合受拉边缘不出现拉应力二级构件;一般要求不出现裂缝的构件,长期效应组合受拉边缘不出现拉应力,短期效应组合受拉边缘允许产生拉应力三级构件;为允许出现裂缝的构件2. 在截面尺寸一定的情况下,超筋梁的正截面极限承载力取决于混凝土的抗压强度3. 少筋梁的正截面极限承载力取决于混凝土的抗拉强度4. 影响梁抗剪承载力的因素有截面尺寸、混凝土强度、剪跨比和配箍筋率5. 受压构件的长细比不宜过大,一般应控制在l/b≤30,其目的是防止影响其稳定性或使其承载力降低过多6. 钢筋混凝土框架梁属弯剪结构7. 钢筋绑扎搭接接头连接区段的长度为1.3倍搭接长度8. 受拉钢筋搭接接头面积百分率对梁、板、及墙不宜大于25%(柱类构件不宜大于50%)9. 受拉钢筋焊接接头面积百分率构件不宜大于50%;焊接接头纵向受压钢筋不限10. 受扭构件纵向钢筋应沿构件周边均匀布置11. 钢筋混凝土柱纵向受力筋直径不宜小于φ12;全部纵向钢筋不宜大于5%;圆柱纵筋宜周边布置根数不宜小于8根,且不应小于6根偏心受压柱截面高度大于600时,侧面加设φ10-16的构造筋,并设复合箍筋或拉筋受力筋净距不应小于50箍筋末端135度弯钩,平直段大于5d箍筋间距不应大于400及构件的短边尺寸,且不应大于15d;>d/4、>612. 预应力混凝土构件是在构件承受使用荷载之前,预先对构件的受拉区施加压应力13. 与普通混凝土相比预应力混凝土受弯构件有如下特点外荷作用下构件的挠度减少;构件开裂荷载明显提高;使用阶段的刚度比普通构件明显提高;极限承载力保持不变14. 钢筋混凝土保护层的厚度是指纵向受力钢筋外皮至混凝土边缘的距离15. 增大截面高度、提高混凝土的强度、增大钢筋的用量可减小受弯构件的挠度16. 提高受弯构件截面刚度最有效的是提高截面高度混凝土保护层厚度不足,裂缝沿配筋的表面发生水泥膨胀异常,裂缝呈放射形网状超载时,在梁、板的受拉区地震时,在柱、梁上沿45°角产生17. 减小裂缝宽度的措施有:增大截面尺寸、增大钢筋用量、采用变形钢筋、采用直径较小的钢筋、提高混凝土强度、构造允许时采用较小的混凝土保护层厚度18. 在钢筋混凝土构件挠度计算时,可取同号弯矩取段内的弯矩最大截面的刚度19. 板受力方向负筋的面积>1/3跨中受力筋面积,非受力方向可适当减少20. 单向板分布筋的面积>15%受力筋面积,(>0.15%配筋率)>φ6 ≤@250集中荷载较大时,分布筋适当加大<@2001. 底层框架和内框架砖房构造柱最小截面为240*240;不宜<4φ14;不宜箍筋@<2002. 作用于框架梁柱节点的弯矩,是按照梁柱截面的转动刚度比进行分配的3. 结构自身质量越大,发生强度破坏的概率越大4. 房屋高度超过50米,宜采用现浇钢筋混凝土楼面结构5. 混凝土基础适用于五层及以下民用建筑或单层、多层轻型厂房的承重基础6. 纵横墙共同承重的砌体房屋抗震性能好7. 承重砖柱及宽度小于740的窗间墙,不得开孔、洞或留脚手架眼8. 承重结构的钢材宜选用3号钢、16锰钢等应具有抗拉强度、伸长率、屈服强度和硫、磷含量的合格保证,必要时应有冷弯合格保证9. 当吊车大于50吨和类似振动力结构才应具有常温冲击韧性的合格保证10. 普通碳素钢按炉种分平炉、氧气转炉、空气转炉钢三种。
建筑结构设计相关知识小总结容重一般是工程上用的一立方米的重量,即单位容积内物体的重量。
单位是牛顿/立方厘米楼梯位置板厚数O楼梯板厚0.1875(折算厚度)x25x1∙2=5∙63KN∕m2上下抹灰0.40χ2χ12(投影)=0.96KN∕m2连载汇集6.59KN∕m2恒载取值7.00KN∕m2楼面荷载的计算包括永久荷载和可变荷载两部分:永久荷载(即恒载)按楼面的实际构造层分别计算后相加汇总再乘荷载的分项系数(永久荷载的分项系数为1.2)o常规设计包括:板下抹灰层:混合砂浆按容重17KN/立方米乘厚度;楼板自重:现浇板按钢筋混凝土容重25KN/立方米乘板厚;预制板根据型号查标准图可得。
找平层:水泥砂浆按容重20KN/立方米乘厚度;结合层:水泥砂浆按容重20KN/立方米乘厚度;石板面层按石板的材质容重乘厚度如花岗岩、大理石的容重为28KN/立方米。
楼面做法:12厚大理石地面;30厚细实混凝土;现浇楼板;天棚抹灰楼面恒载:12厚大理石地面:0.012×28KN∕m3=0.34KN∕m230厚细实混凝土:0.03χ24KN∕m3=0.72KN∕m2天棚抹灰15mm:0.015×17KN∕m3=0.26KN∕m2楼板荷载标准值:0.34+0.72+0.26=1.321、隔墙下有梁,则隔墙的荷载以线性荷载的形式加到梁上。
120厚烧结我的重量:2.96KN∕r∩2240厚烧结砖的重量:5.24KN∕m2360厚烧结砖重量:7.62KN∕m2490厚烧结石专的重量:9.99KN∕m2用面荷载乘以层高(可以适当减小)就得到梁上的线荷载。
2、隔墙下没有梁,多用在卫生间,可以先算出隔墙的总重,然后除以隔墙所在房间的楼板的面积,以面荷载的形式加到楼板上,同时由于有设备,可以将活荷载取大些。
各项数字代表以下含义:GA SV-A SV OAsu1-Asu2-Asu3Asd1-Asd2-Asd3VTAst-Ast1其中:ASU1-Asu2-Asu3梁上部左端、中间、右端配筋面积(cm^2)ASd1-ASd2-Asd3梁下部左端、中间、右端配筋面积(cm^2)Asv-AsvO梁加密区/非加密区抗剪箍筋和剪扭箍筋面积的较大值(cm^2) Ast-Ast1梁受扭纵筋面积和抗扭箍筋沿周边布置的单肢箍的面积Ast-Ast1零配置在钢筋混凝土结构中的钢筋,按其作用可分为下列几种:1 .受力筋——承受拉、压应力的钢筋2 .箍筋——承受一部分斜拉应力,并固定受力筋的位置,多用于梁和柱内3 .架立筋——用以固定梁内钢箍的位置,构成梁内的钢筋骨架4 .分布筋——用于屋面板、楼板内,与板的受力筋垂直布置,将承受的重量均匀地传给受力筋,并固定受力筋的位置,以及抵抗热胀冷缩所引起的温度变形5 .其它——因构件构造要求或施工安装需要而配置的构造筋。
建筑结构设计知识点建筑结构设计是建筑工程中不可或缺的环节,它涵盖了多个重要的知识点。
本文将介绍一些常见的建筑结构设计知识点,以期对读者有所帮助。
一、结构设计概述在开始介绍具体的知识点之前,我们先来了解一下结构设计的概述。
建筑结构设计是指基于建筑物的功能要求、使用目的和建筑材料的性能特点,综合考虑自重、荷载作用、抗震、抗风等因素,合理确定建筑物的结构形式、系统布局和构件尺寸,以确保建筑物的安全、经济和美观。
二、荷载和荷载标准1. 常见的荷载类型包括:- 自重:建筑物自身的重量;- 活载:人员、家具、设备等活动引起的荷载;- 风载:风对建筑物表面的压力;- 雪载:积雪对建筑物的压力;- 地震作用:地震引起的地面振动。
2. 荷载标准:荷载的大小是根据国家及相关行业标准规定的。
例如,中国的建筑设计规范《建筑结构荷载标准》(GB 50009-2012)对各类荷载的计算方法进行了规定。
三、结构形式1. 钢结构:利用钢材作为主要承载材料,适用于大跨度、大空间的建筑。
2. 混凝土结构:利用混凝土作为主要承载材料,适用于大厦、桥梁、水利工程等。
3. 钢-混凝土复合结构:将钢结构和混凝土结构相结合,发挥各自的优势。
四、梁的设计1. 梁是建筑结构中常见的承载构件,其设计应满足以下要求:- 承受荷载并将荷载传递到其他构件;- 保证梁在使用寿命内不产生过大的挠度和裂缝;- 具有足够的刚度和强度。
2. 梁的设计应注意以下几个方面:- 梁的截面尺寸和钢筋布置的设计;- 梁的弯矩和剪力的计算;- 梁的挠度和裂缝控制。
五、柱的设计1. 柱是建筑结构中起支撑作用的构件,其设计应满足以下要求:- 承受垂直荷载,并将荷载传递到基础;- 抵抗弯曲力和剪切力;- 具有足够的稳定性。
2. 柱的设计应注意以下几个方面:- 柱的截面尺寸和钢筋布置的设计;- 柱的轴力、弯矩和剪力的计算;- 柱的稳定性分析。
六、基础设计1. 基础是建筑物的承载结构,其设计应满足以下要求:- 承受建筑物的重力和荷载;- 将荷载均匀传递到地基;- 具有足够的稳定性和抗震能力。
建筑结构笔记建筑结构是指建筑物的主体构架和承重部分,是建筑工程中最基本的组成部分。
建筑结构的合理设计和施工对建筑物的稳定性、安全性和经济性具有重要的影响。
下面是一份关于建筑结构的笔记,从建筑结构的基本原理、常见结构形式、设计原则和材料选择等方面进行详细介绍。
一、建筑结构的基本原理建筑结构是指建筑物的承重结构,其主要功能是抵抗自重、外荷载和地震等外部力的作用,使建筑物能够稳定地存在和使用。
建筑结构的基本原理包括以下几个方面:1. 结构的稳定性:建筑结构在受力作用下要保持稳定,不发生倾覆、破坏或变形。
2. 结构的强度:建筑结构要能够承受各种外部荷载的作用,具有足够的抗弯、抗压和抗拉能力。
3. 结构的刚度:建筑结构要具有足够的刚度,能够保证建筑物在使用过程中不发生过大的变形或挠曲。
4. 结构的经济性:建筑结构的设计要尽可能简化,减少材料的使用量,降低建造成本。
基于以上基本原理,建筑结构的设计需要考虑结构的合理布局、梁柱的跨度和间距、材料的选择等因素,以确保结构的稳定性、强度、刚度和经济性。
二、常见的建筑结构形式建筑结构的形式多种多样,常见的建筑结构形式包括:1. 框架结构:框架结构由梁柱系统组成,能够有效地传递荷载,并具有较好的抗震性能,常用于高层建筑和工业厂房。
2. 桁架结构:桁架结构由斜杆和横梁组成,具有较好的刚度和承载能力,常用于跨度较大的建筑物。
3. 钢结构:钢结构具有轻、强、刚和耐用的特点,可用于各类建筑物的承重结构,尤其适用于大跨度、大空间的建筑。
4. 混凝土结构:混凝土结构具有良好的抗压能力和耐久性,常用于各类建筑物的主体结构。
5. 土木工程结构:如隧道、桥梁、坝体等,具有独特的结构形式和设计原则。
以上结构形式各有特点,设计师需要根据建筑物的用途、功能和环境条件选择合适的结构形式。
三、建筑结构的设计原则在进行建筑结构设计时,需要遵循一些基本的设计原则,包括:1. 安全性原则:建筑结构的设计必须保证建筑物在其设计使用寿命内具有安全的使用性能,能够承受各种自然和人为荷载的作用。
楼板保护层超厚处理楼板由于在砼浇筑时没有控制好负弯筋旳砼保护层,马丁筋被踩下而无法受力产生了裂缝,房产商拿出旳修理方案是:先沿缝凿掉板面负筋砼保护层宽为50厘米砼,第一步用环氧树脂灌缝,第二步用8#钢丝绑扎成网状并与原楼板筋焊接好,然后用高标号细石砼浇捣好。
为保证新旧砼结合良好,浇筑砼前用素水泥浆在凿开砼保护层旳楼板面刷一道,然后立即浇捣;施工前必须清洗洁净缝内杂物,浇完细石砼后必须做好养护。
暗梁勿当楼面梁使用,两者荷载传递方式不一样原因:暗梁之因此不能当楼面梁是由于其刚度不够,荷载不能按自己设想旳方式传递,即楼面荷载—板—暗梁—柱旳传递方式几乎是不也许旳。
这样将大大低估板旳内力。
我个人认为,根据内力按最短距离传递旳原则,用暗梁替代梁只有在板受集中力时,在集中力处沿板旳最短方向(双向板沿两个垂直方向)设置暗梁,可以认为集中力由暗梁承受以满足抗弯强度和裂缝规定,此时板旳计算跨度绝对不能按支承于暗梁来考虑。
但诸多时候,这种做法也没有必要。
提议:直接加大板旳受力钢筋即可,除非因抗剪(冲切)需要箍筋而使用暗梁。
必须重视构件刚度突变原因:与上一种问题相对应旳是,在刚度发生较大突变(增长)处,应视为梁。
经典旳问题是不一样高程旳板之间出现旳错台,错台自身平面外刚度比较大,而板旳平面外刚度较小,不管你与否乐意,板上旳荷载都要传递到错台上,形成实际上旳梁。
提议:这种状况将此板按梁来设计,尤其是抗剪钢筋应满足规定。
地下通道、车站碰到旳这种状况较多,其荷载又比较大,但大多数人对错台旳处理却非常草率,这很令人担忧。
框架构造形成实际上旳铰接,不符合强柱弱梁原因:最常见旳是梁刚度比柱大旳多,使柱对梁旳约束作用较弱,形成实际上旳铰。
这样减少了超静定次数,于抗震不利,也难以形成“强柱弱梁”。
日本坂神地震时,地铁车站柱旳破坏相称严重,也提醒我们不能忽视这个问题。
提议:地铁车站顶底板可看作筏板,其梁旳刚度当然不小于柱,但中板处不适宜将梁旳刚度做得较大。
建筑构造笔记第一张:绪论建筑构造:建筑构造是研究建筑的构造组成及各沟槽部分的组后原理与构造方法的学科建筑组成:一般由基础、墙体、楼地层、楼梯、层顶、门窗基础:埋入土中的建筑物承重构件墙体:建筑物中垂直方向的承重构件及围护构件楼地层:建筑物楼房中水平方向的承重构件楼梯:建筑物中的垂直交通构件屋顶:建筑物顶部的承重及围护构件窗:建筑物中通风和采光的构件门“建筑物中的供人们内外交通的联系构件第一节建筑构造类型按受力方式分类:混合结构、框架结构、空间结构按材料分类:砖石结构、钢筋混凝土结构、钢结构第二节影响建筑构造的因素一、荷载的影响荷载:作用在建筑物上的外力结构:支撑建筑物荷载的骨架二、自然条件的影响:日照、风、雨、雪、霜三、人为等因素的影响:机械振动、化学腐蚀、战争、爆炸、水灾、噪声、鼠、蚁第四节:建筑物构造设计的原则a坚固实用b技术适宜c经济合理d美观大方第二章地基与基础第一节:概论地基:受建筑荷载作用而产生应力的土层基础:埋入土中的建筑构件地基与基础与荷载的关系:F≥N÷S;F:地耐力与土质有关;N:建筑物总荷载;S:基础的底面积第二节:地基一、天然地基:由岩石风化破碎成松散颗粒的土层或者呈连续整体状的岩层,强度越高,稳定性越好的土才说最好的地基二、人工地基:1、压实法:夯实法、重锤夯实法、机械碾压法;只能脱稿土的稳定性,不能提高土的承载能力2、换土法:沙垫层、沙石垫层;只能提高土的稳定性,不能提高土的承载能力3、桩基:端承桩、摩擦桩;可以提高承载力,不能提高稳定性第三节:基础1、基础的埋置深度:室外设计地面至基础地面的垂直距离为基础的埋置深度H2、深基础:基础的埋置深度大于或等于4m为深基础3、浅基础:基础的埋置深度小于4m为浅基础三、影响基础的埋置深度的因素1、地基土层构造的因素2、地下水位的影响3、冰冻深度的影响4、相邻建筑物基础的影响三、基础的类型1、按材料及受力特点分类:A、钢性基础:受钢性角限制的基础为钢性基础B、非钢性基础:不受钢性角限制的基础2、按构造形式分类:A条形基础(混合结构)B单独基础(排架结构)C井格基础(框架结构)D片筏基础即满堂基础(框架结构)E 箱型基础(高层建筑)第四节:地下室的构造组成一、地下室的构造组成:地下室一般由墙身、底板、顶板、门窗、楼梯等形式二、地下室的防潮:无动力水的侵蚀,一道防水层三、地下室的防水:有动水的侵蚀,二道防水层第三章墙体第一节墙体的类型及设计要求一、墙体的类型1、按所在的位置分类:外墙、内墙、横墙、山墙、女儿墙(高出屋面的围和墙体)2、按材料分类:砖墙、石墙、钢筋混凝土墙、切块墙3、按受力状况分类:承重墙、非承重墙4、按构造方式分类:实体墙、空体墙、复合墙5、按施工方法分类:叠砌墙、版筑墙、装配板材墙二、墙体的设计要求:1、结构方面都要求:A结构布置方案B墙体承载力和稳定性2、功能方面的要求:A保温要求B隔热要求C隔声要求D其他方面的要求(防火、防潮、建筑工业化等要求)第二节砖墙结构1、砖墙材料:A砖:烧结普通砖、非烧结硅酸盐砖、承重粘土空心砖B沙浆:水泥砂浆、石灰砂浆、混合砂浆2、砖墙的组砌方式及要求:横平竖直、灰浆饱满、错缝搭接3、砖墙的尺度第三节砖墙的细部构造1、墙身构造:A、墙角构造:做在室内外地平的交接处,位于室内地坪的不透水垫层中间B、勒脚构造:防水、防尘C、踢脚构造:室内地坪与墙身交接处的防尘处理D、外墙周围的排水处理2、门窗洞口构造:A、门窗过梁构造B、窗台:窗框一般居中或偏向室内3、墙身加固措施:A、门剁和壁柱B、圈梁(位于砖混结构中同一个水平面上封闭的连续的梁则为圈梁,一般在楼板下性质:圈梁撒非受力构件,刚性构件;圈梁尺寸配筋与荷载无关,只与结构稳定性有关)C、构造柱:在砖混结构中,位于墙体中竖向拉结构则为构造柱位置:位于墙角,内外墙角交接处,连续长度较长的墙体内性质:同圈梁※最有效的抗震材料——箍筋※构造柱与圈梁只适用于砖混结构中※砖混结构实用范围:房间大小基本相同,房间面积不大于20㎡,必须增加刚性构件,提高结构体稳定,提高抗震能力第四节隔墙构造一、块材隔墙:a普通隔墙 b砌块隔墙二、板材隔墙:a加气混凝土板材b碳化石灰板隔墙c复合板隔墙 d泰柏板隔墙第五节墙面装修一、墙面装修的作用:保护墙体、改善墙体的使用功能、美化环境二、墙面装修的分类:1、按施工方式不同分类:抹灰类、贴面类、涂料类、裱糊类、铺钉类第四章楼地层与地面第一节概述一、楼板层的基本组成:A楼板面层b楼板结构层 c附加层d楼板吊顶层二、楼板的设计要求1、具有足够的强度和刚度(楼板的允许绕度不大于跨度的1/250,可用板的最小厚度来保证刚度)2、具有一定的隔声能力(楼板隔声的措施:A在楼板表面铺设柔性材料B在楼板与面层之间加弹性垫层C在楼下加吊顶形式封闭的空气间层)3、一定的防火能力4、具有防潮、防水处理5、满足各种管线的设置三、楼板的类型按材料不同分类:木楼板、砖拱楼板、钢筋混凝土楼板、压型钢板组合楼板第二节钢筋混凝土楼板按施工方法不同分类:a现浇式 b装配式 c 装配整体式一、现浇式钢筋混凝土楼板1、板式楼板A、单向板时:层面板板厚60——80mm。
第一章建筑结构的设计原则1、在建筑工程中,通常将直接作用在建筑结构上的外力称为荷载。
2、荷载的分类、作用在结构上的荷载可分为三类:(1)永久荷载、例如结构自重、土压力、预应力等。
(2)可变荷载、例如楼(屋)面活荷载、风荷载、雪荷载、安装荷载、吊车荷载、积灰荷载等。
(3)偶然荷载、偶然荷载。
在爆炸力、撞击力等。
3、永久荷载。
在结构使用期间,其值不随时间变化。
4、可变荷载。
在结构使用期间,其值随时间变化,5、(3)偶然荷载。
在结构使用期间不一定出现,一旦出偶然荷载。
在结构使用期间不一定出现6、设计中用来验算极限状态所采用的荷载值称为荷载代表值。
7、对永久荷载应采用标准值(G₁)作为代表值,对可变荷载应根据设计要求采用标准值(Q₁)、组合值(Q.)、频遇值(Q,)或准永久值(Q.)作为代表值,对偶然荷载应根据建筑结构使用的特点确定其代表值。
8、荷载标准值。
它是荷载的基本代表值,指结构在使用期间可能出现的最大荷值9、可变荷载组合值。
当结构同时承受两种或两种以上的可变荷载时,10、荷载分布形式;(1)均布面荷载(2)均布线荷载(3)非均布线荷载(4)集中荷载。
11、荷载设计值为荷载分项系数与荷载代表值的乘积。
12、任何建筑结构都是为了满足使用所要求的功能而设计的。
13、建筑结构在规定的设计使用年限内,应满足下列功能要求;(1)安全性(2)适用性(3)耐久性。
14、结构可靠性的概念外延显然比安全性大,结构可靠度则是可靠性的定量指标。
15、结构可靠度是可靠性的概率度量。
16、判断结构的可靠度设计是否满足要求常以“极限状态”为标志,并以此作为结构设计的准则。
17、当结构安全可靠地工作能够宗成预定的各项功能时,处千可靠或有效状态;反之则处于不可靠或失效状态。
18、结构的设计工作就是以这一临界状态为准则进行的。
(这一临界状态为极限状态)19、整个结构或结构的一部分招过某一特定状态就不能满足设计规定的某一功能要求,此特定状态为该功能的极限状态。
建筑结构设计快速入门之重点笔记☆ 上部结构的落脚点是基础,基础的落脚点是地基,也就是持力层。
☆ 当我们看勘察报告时,直接看结束语和建议中的持力层土质,地基承载力特征值和地基类型以及基础砌筑标高。
☆ 10ka ≈1t/㎡ 1kN ≈100kg☆ 我们一般地认为持力层土提供的承载力特征值不小于180kPa (即18t )的为好土,低于180kPa 的土可认为土质不好。
☆ 按照地基承载力从大到小排序为:稳定岩石,碎石土>密实或中密砂>稍密实粘土>粉质粘土>回填土和淤泥质土☆ 回填土的承载力特征值一般为60~ 80kPa☆ 在不危及安全的前提下,基础尽量要浅埋。
因为地下部分所占的造价一般是工程总造价的30﹪~ 50﹪,这笔费用是很可观的。
☆ 除了浅埋外,还有埋深的上限,就是基础至少不得埋在冻土深度范围内,否则基础会受到冰反复胀缩的破坏性影响。
☆ 结合钻探点号看懂地质剖面图,并一次确定基础埋置标高。
☆ 重点看结束语或建议中对存在饱和沙土和饱和粉土的地基,是否有液化判别。
饱和软土的液化判别对地基来说是至关重要的一项技术指标,必须要明确提供,责任重大,不得含糊。
☆ 重点看两个水位:历年来地下水的最高水位和抗浮水位。
☆ 特别注意结束语或建议中定性的预警语句,并且必要时将其转写进基础的一般说明中。
这些条款如下:1. 本工程地下水位较高,基槽边界条件较为复杂,应妥善选择降水及基坑边坡支护方案,并在施工过程中加强观测。
降水开始后须经设计人员同意后方可停止2. 采用机械挖土时严禁扰动基地持力层土,施工时应控制机械挖土深度,保留300mm 厚土层,用人工挖至槽底标高,如有超挖现象,应保持原状,并通知勘察及设计单位进行处理,不得自行夯填。
3. 基槽开挖到位后应普遍钎探,并及时通知勘察及设计单位共同验槽,确认土质满足设计要求后方可进行下步施工。
4. 基槽开挖较深,施工时应注意,在降水时应采取有效措施,避免影响相邻建筑物。
5. 建议对本楼沉降变形进行长期观测(此条款多用于加层,扩建建筑物和基础设计等级为甲级或者复合地基或软弱地基上基础设计等级为乙级的建筑物与受到临近深基坑开挖施工影响或受到场地地下水等环境因素变化影响的建筑物,当然也包括那些需要积累建筑经验或进行设计反分析的工程)☆ 特别注意结束语或建议中场地类别,场地类型,覆盖层厚度和地面下15m 范围内平均剪切波速。
☆ 一般看好土下是否存在不良工程地质中的局部软弱下卧层,若果有,要根据自己所做的的基础形式验算一下软弱下卧层的承载力是否满足要求。
☆ 梁的高度:主梁 101L 悬挑梁 51L ;(梁的荷载较大时,截面高度取较大值,必要时应计算挠度及裂缝宽度,梁的设计荷载的大小,一般以均布设计荷载40kN/m 为界,可认为是属于荷载较大)☆ 板的厚度:双向板 401L 单向板 301L 悬挑板 101L (要注意,跨度L 的含义和取值还有长跨和短跨之分,以及何时取长跨,何时取短跨?比如双向板跨度肯定取短跨,因为短跨受力大,厚度肯定要和受力大的主要受力方向相关)☆ 关于荷载的取值1. 恒荷载:楼面符载统一取2.0kN/㎡,这是建筑专业楼面做法的自重,目的是为装修改造留有适当的余地,不包括楼板结构自重和板底做法的重量。
2. 住宅中轻质隔墙的自重,无论是轻质隔墙还是位置有可能灵活自由布置的隔墙,统一按恒荷载考虑,一律取值为2.0 kN/㎡。
3. 住宅的活荷载,也是取2.0 kN/㎡(三个2.0 kN/㎡:楼面做法自重,轻质隔墙自重,活荷载取值)4. 屋面恒荷载4.0 kN/㎡ 屋面活荷载 上人时2.0 kN/㎡ 不上人时0.5kN/㎡(而对于轻钢结构的屋面,一定要在结构总说明中写明:本工程为不上人屋面,活荷载设计值为0.5 kN/㎡,严禁超载)5. 需要记住三个数据:2.5 kN/㎡ 4.0 kN/㎡ 7.0 kN/㎡2.5 kN/㎡适用于人或物可能比较集中的楼面,如一般楼梯,一般阳台,一般厕所,一般厨房,会议室,阅览室,医院门诊,教室等。
4.0 kN/㎡适用于人或物有可能更集中更密集的楼面,比如健身房,看台,舞厅,商店,旅客等候室,展览厅,消防疏散楼梯等。
7.0kN/㎡用于两个机房和一个变电室,即通风设备机房,电梯机房和高压变压室。
因为这些地方不仅有设备荷载,还有设备基础的荷载也是很大的。
6. 地下一层顶板,或者近似认为是±0.000板,它的活荷载取值为8~10 kN/㎡。
因为施工到±0.000时,施工单位往往工程备料统统堆放在地下一层顶板上,这样便于施工随时随地取用。
同时要注意的是,当±0.000板活荷载取值8~10 kN/㎡时,此时恒荷载中的隔墙自重可取为1.0 kN/㎡或者更小,因为堆放大批施工备料时,隔墙的施工一般还未完成。
(设计±0.000板时,在截面尺寸相同的情况下,板和梁的配筋往往要比其他楼层大)概念第一位,计算第二位㈠ 结构或构件尽可能拉结成整体,不宜各自为政⑴单独柱基间宜设置拉梁△拉梁的实际作用就是将各单独柱基拉结成一体,以避免个别独立基础个体独自沉降,导致基础之间产生沉降差,对结构产生次生应力,致使结构产生开裂等其他不良影响;拉梁的截面尺寸要足够大,具备一定的刚度,拉梁的高度应为跨度的1/20~1/15⑵加层屋顶各柱间同样要设置构造拉梁△用拉梁把本来各自为政的独立悬臂柱拉结为一个整体,即一柱受侧力,立即波及扩散到其他各柱,共同抵抗水平力。
⑶加固改造项目中后作构件与原结构构件均宜有构造拉结△改造工程中的原则:尽量少或不破坏原结构,即多保留少破坏㈡ 有关钢筋锚固的构造原则——优先采用平直段锚固,并且构件优先自锚⑴水平直段优先,弯折段为辅助△在承受静力荷载为主的情况下,水平段的粘结能力起主导作用,弯折后的锚固效果还不足水平段的70%⑵构件内的钢筋锚固尽量在本构件内部完成△原因是如果进入其他构建中锚固,一方面会造成其他构件内部钢筋密集,混凝土难浇筑,难振捣,另一方面,和其他构件的内部钢筋也会有位置打架的可能,所以要尽量避免△当本构件锚固确实不能满足锚固长度的规范要求时,再被迫进入其他的构件内锚固,以补足长度要求㈢次要让位于主要的原则——明确哪些钢筋的位置对结构设计来说更重要原则:构件让支座⑴柱与主梁△一般情况下为了外墙与柱外皮平齐的美观效果,承托外墙的梁的外皮也必须与柱的外皮平齐。
此时梁的外侧纵筋就会与柱的外侧纵筋打架。
这时候,柱是梁的支座,是主要的受力构件,柱的纵筋就更重要一些,因此梁的纵筋就要避让柱的纵筋。
具体做法是,梁的外侧纵筋提前向内做1:6的斜坡,待绕过柱纵筋后,再做1:6的斜坡归位。
⑵主梁与次梁△主梁与次梁的上部纵筋也不可避免的会打架,此时当然是主梁更重要,次梁的纵筋要避让主梁的纵筋。
具体做法是,次梁的上部纵筋提前向内做1:6的斜坡,待绕过主梁上部纵筋后,再做1:6的斜坡归位。
⑶梁和板△梁和板的上部钢筋也会发生打架,同理,梁是重要构件,板的上部钢筋要避让梁的上部钢筋。
具体做法是,板的上部纵筋提前向内做1:6的斜坡,待绕过梁上部纵筋后,再做1:6的斜坡归位。
⑷双向板△双向板配筋时上下双层双向钢筋,哪个方向放在外侧,哪个方向放在内侧?谁放在外侧,谁的有效高度就大,就有利,当然是重要的钢筋放在外侧;谁是重要钢筋呢,显然受力大的钢筋是重要钢筋;于是得出结论,受力大的钢筋放在外侧,另一方向的钢筋放在内侧。
△技术交底时,一般要说:图纸上钢筋直径大,间距密的钢筋放在外侧,相反的就放在内侧⑸剪力墙△顾名思义,剪力墙的主要作用是抗剪,而抗剪主要是由箍筋——也就是水平钢筋来发挥作用的,所以要把水平钢筋放在竖向钢筋的外侧⑹混凝土挡土墙△混凝土挡土墙的主要作用是挡土压抗弯,而主要发挥抗弯作用的是竖向钢筋,所以要把竖向钢筋放在外侧,水平钢筋放在内侧⑺地下室的外墙△地下室的外墙,既是竖向贯穿全楼始终的剪力墙,同时又式担负着挡土,抗弯的挡土墙,它的情况要具体分析,关键是看地下室外墙的竖向位置:当位于地下一层时,抗震和挡土同样重要,但为了方便施工的连续和统一,可以同地上剪力墙一样处理,水平筋放外侧;但是地下室墙位于地下二层及以下位置时,由于地下二层及以下的墙深埋于土中,可不用考虑抗震,而竖向埋深越深,土压力越大,所以这种挡土墙的性质就越突出,故此竖向筋宜放置在外侧,水平筋宜放置在内侧。
㈣混合结构未必都可采用——框架结构按抗震设计时,严禁采用局部砌体承重之混合形式△既然是框架结构,柱梁就是承重和抗侧力的主体构件,因为砖墙同框架相比材料刚度小,只能是自承重或当作轻质隔墙使用。
如果局部出现砖墙参与承重或抗侧力,就意味着让材料刚度小的承担材料刚度大的任务,砖墙肯定不能胜任,最终要提前垮掉。
△抗震设计时应有意识的设置多道防线,使得地震作用先破坏刚度较大的第一道防线,当一部分地震作用耗散在大刚度的材料上之后,其余较小的地震力再被刚度小的材料来吸收,这样的设计才是合理的,框架-砖墙承重的混合形式使得地震作用一次集中破坏了两种承重材料,没有体现多道防线的设计理念。
、㈤钢筋和混凝土强度等级何处用高,何处用低。
⑴钢筋△钢筋在做吊钩时,应该用低强度的HPB235钢筋,电梯吊钩一般为直径φ22或φ25的一级钢,因为一级钢延性好,破坏前征兆明显,预警性能好。
在施工图中还必须注明:不得使用冷加工钢筋,原因是冷加工钢筋虽然强度提高,但是延性变差,用于吊挂重物不合适。
△直径大于等于12mm受力控制时的钢筋,宜优先选用HRB335和HRB400钢筋。
还有一个经济学的常识,当箍筋直径为12时宜选用二级或三级钢,因为市面上直径为12的一级钢数量很少,难以买到。
△设计图纸中的大地梁,框支梁或剪力墙约束边缘构件箍筋以及柱子箍筋用HRB335和HRB400钢筋△重要构件如梁柱,主筋宜优先采用HRB335和HRB400钢筋。
主筋首选较大直径的的HRB400的钢筋,如 28和 32,有时甚至用到 40.△现浇板中的钢筋用HRB400级钢筋就会避免浪费的问题。
⑵混凝土△基础中要慎用高强度混凝土。
因为高强度混凝土,水泥含量较多,水化热较大,很容易造成干缩裂缝,而基础全在地下,一旦有裂缝产生,防水和钢筋水腐蚀的问题就会接踵而来△基础设计中,一般通过扩大混凝土构件截面的方法,来满足地梁或者筏板的强度要求,而不是一味提高混凝土强度等级。
△素混凝土垫层也不宜用强度太高的混凝土,一般设计成C10或C15。
而施工单位一般更愿意强度等级设计到C15,因为商品混凝土一般泵送的最低强度等级就是C15,尤其当筏板垫层面积较大时,泵送施工速度快。
㈥结构设计时,(特别是基础设计时)何时用荷载设计值,何时用标准值。
△荷载设计值是标准值为了安全起见或人为或科学的安全放大△上部结构设计中:采用标准值的:变形(挠度或刚度)计算,裂缝计算采用设计值的:强度,内力,配筋等的计算△基础结构设计中:采用标准值的:地基承载力计算(确定基础底面积以及埋深),地基变形计算(建筑物沉降),稳定性验算(土压力,滑坡推力、地基以及斜坡的稳定性)采用设计值的:基础结构承载力计算(基础或承台高度、结构截面、结构内力、配筋以及材料强度验算)△特别指出:基础一般底面积计算对应采用标准值,标准值为荷载设计值除以一个系数,过去旧规范时一般取为1.25.;而对于新规范,民用建筑的柱、基础等构件,转换系数宜取1.26~1.31(以恒荷载占到总荷载的比例为标准)㈦结构设计中哪些构件和哪些部位适合直接静力手算,哪些部位必须准确电算。